4 ТЕПЛОФИКАЦИОННЫЕ ЦИКЛЫ
Комбинированную выработку на электростанции электроэнергии и теплоты называют теплофикацией.
Теплофикационные установки в системах централизованного теплоснабжения называют теплоэлектроцентралями (ТЭЦ).
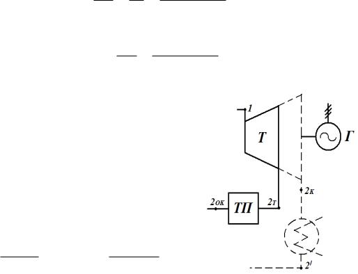
Применение на ТЭЦ теплофикационных турбин с противодавлением
В установках этого типа конденсатор отсутствует, а отработавший в турбине пар отдает теплоту потребителю и конденсируется. Конденсат возвращается для питания котлов. Давление пара на выходе из турбины определяется технологическими потребностями.
КА – котельный агрегат; Т – турбина; Н – насос; Г - генератор
Рис. 19. Принципиальная схема и цикл ПТУ с турбиной с противодавлением
Характеристики |
теплофикационного |
|
|
|
цикла |
с |
турбиной |
с |
||||||||||||||||
противодавлением |
|
|
|
|
|
|
|
|
|
|
|
|
|
|
|
|
|
|
|
|
|
|
||
Количество теплоты, отведенное потребителю, кВт: |
|
|
||||||||||||||||||||||
|
|
|
QT = DT (h2T − h2OK ), |
|
|
|
|
|
||||||||||||||||
где DT - расход пара, |
отведенный потребителю, |
кг/с; h2T |
- энтальпия пара, |
|||||||||||||||||||||
направляемого потребителю, кДж/кг; |
h2OK |
- энтальпия обратного конденсата, |
||||||||||||||||||||||
возвращаемого на станцию, кДж/кг. |
|
|
|
|
|
|
|
|
|
|
|
|
|
|
|
|||||||||
Выработка электроэнергии на тепловом потреблении: |
|
|
||||||||||||||||||||||
|
|
|
y = |
N |
Э |
= |
l |
|
= |
(h − h |
|
) |
|
|
|
|
|
|||||||
|
|
|
|
|
T |
|
|
|
1 |
2T |
|
|
. |
|
|
|
||||||||
|
|
|
|
|
|
|
|
|
|
|
|
|
|
|
|
|
|
|||||||
|
|
|
|
|
Q |
|
|
q |
|
|
|
(h |
|
|
− h |
|
|
) |
|
|
|
|||
|
|
|
|
|
|
|
|
|
|
|
|
|
|
|
|
|
|
|||||||
|
|
|
|
|
|
T |
|
T |
|
|
2T |
|
2OK |
|
|
|
|
|
||||||
Отопительный коэффициент: |
|
|
|
|
|
|
|
|
|
|
|
|
|
|
|
|
||||||||
|
|
|
K |
|
|
= |
q |
|
= |
(h |
|
− h |
|
) |
, |
|
|
|
|
|||||
|
|
|
|
|
T |
|
2T |
|
|
|
2OK |
|
|
|
|
|
||||||||
|
|
|
|
|
|
|
|
|
|
|
|
|
|
|
|
|
|
|
|
|||||
|
|
|
|
OT |
|
|
l |
|
|
(h |
|
|
− h |
) |
|
|
|
|
|
|||||
|
|
|
|
|
|
|
|
|
|
|
|
|
|
|
|
|
||||||||
|
|
|
|
|
|
|
|
|
ц |
|
|
|
2T |
|
|
2 K |
|
|
|
|
|
|
|
|
lц - расчетная величина (рис. |
20), |
|
которая |
|
|
|
|
|
|
|
|
|||||||||||||
показывает |
уменьшение |
|
|
|
выработки |
|
|
|
|
|
|
|
|
|||||||||||
электроэнергии |
|
за |
счет |
|
|
применения |
|
|
|
|
|
|
|
|
||||||||||
теплофикации |
|
по |
|
|
сравнению |
|
|
|
с |
|
|
|
|
|
|
|
|
|||||||
конденсационным циклом, кДж/кг;
h2 K
-
энтальпия пара на выходе из турбины при наличии конденсатора, кДж/кг.
Коэффициент использования теплоты сгорания топлива при совместной выработке теплоты и электроэнергии:
К |
|
= |
l |
+ q |
|
ц |
T |
||
|
|
|
||
|
ИТ |
|
|
q |
|
|
|
|
|
|
|
|
|
1 |
или
K |
ИТ |
|
= |
N |
|
+ Q |
|
Э |
T |
|
|
|
||
|
B Q |
||
|
|
|
р |
|
|
|
н |
.
Рис. 20
Задача № 25
Теплофикационная турбина с противодавлением (рис. 19) работает с
входными параметрами пара |
р |
|||
|
|
|
|
1 |
выходе из турбины |
p |
2T |
= |
0,3 |
|
|
|
|
|
= 9,0 МПа и |
t |
1 |
= 535 °C, давление пара на |
|
|
|
МПа. Отработанный пар отправляется на
производство и
энтальпией |
h2OK |
||
|
T |
= 0,85. |
|
0i |
|
||
|
|
|
|
полностью возвращается на ТЭЦ в виде конденсата с = 400 кДж/кг. Внутренний относительный КПД турбины:
Определите количество теплоты, отданное потребителю, и работу теплофикационной турбины с противодавлением. Пренебрегая прочими потерями, определите выработку электрической энергии на тепловом потреблении и коэффициент использования теплоты.
Теплофикационная турбина с отборами пара и конденсатором
В установках этого типа могут быть реализованы один или несколько теплофикационных отборов. Например, первый – на технологические нужды (производственный), а второй – на теплоснабжение района и так далее (рис.
21).
|
|
|
D |
|
Доля отбираемого из турбины пара: |
|
= |
0i |
|
0i |
D |
|||
|
|
|||
|
|
|
Расход пара, поступающий в голову турбины:
.
D = D0i
+
DK
.
Т – турбина; Г – генератор; К-р – конденсатор; Н – насос; D – расход пара в голову турбины; D01 – расход пара в технологический отбор; D02 – расход пара на отопление; DК – расход пара в конденсатор
Рис. 21. Фрагмент принципиальной схемы теплофикационного цикла и его представление в T,s- и h ,s-диаграммах
Характеристики теплофикационного цикла с отборами пара
Количество теплоты, отведенное потребителю, кВт:
QT 1 = DT 1 (h01 − hOK1 ),
QT 2 = DT 2 (h02 − hOK 2 )
где
D |
, D |
T 1 |
T 2 |
- расходы пара, отведенные потребителям, кг/с;
h |
, h |
01 |
02 |
-
энтальпии кДж/кг; hOK
пара
1 |
, h |
OK 2 |
соответствующих отборов, направляемых потребителям, - энтальпии обратного конденсата отборов, возвращаемых
на станцию, кДж/кг. Энтальпии обратного конденсата отборов, если не задано иное, можно определять по давлению отбора и степени сухости: х0i = 0 .
Мощность теплофикационной турбины с отборами пара: |
|||||||||
N |
Э |
= D (h − h )− D |
(h |
− h )− D |
(h |
− h ) |
|||
|
1 |
2 |
01 |
01 |
2 |
02 |
02 |
2 |
|
м ех |
|
г |
|
.
Выработка электрической энергии на тепловом потреблении: |
|||||||||||||||||||
y = |
N |
|
= |
l |
= |
(h − h ) − |
|
|
(h |
|
− h )− |
|
(h |
− h ) |
|||||
|
Т |
Т |
1 |
|
2 |
01 |
|
01 |
2 |
|
02 |
02 |
|
2 |
|||||
|
|
|
|
|
|
|
|
||||||||||||
|
Q |
|
|
q |
|
|
01 |
(h − h |
|
) + |
02 |
(h |
|
− h |
|
) |
|||
|
T |
|
T |
|
|
01 |
|
OK1 |
|
|
02 |
OK 2 |
|
||||||
.
Отопительный коэффициент: |
|
|
|
|
|
|||||||
K = |
QT |
= |
qT |
= |
|
01 (h01 − hOK1 )+ 02 (h02 |
− hOK 2 ) |
. |
||||
Lц |
lц |
|
|
01 |
(h01 |
− h2 )+ 02 (h02 |
− h2 ) |
|
||||
OT |
|
|
|
|
|
|||||||
|
|
|
|
|
|
|
|
|
|
|
|
|
Коэффициент использования теплоты сгорания топлива:
|
|
|
N |
|
+ Q |
|
l |
+ |
|
q |
|
|
K |
|
= |
|
Э |
|
T |
или КИТ = |
ц |
|
|
T |
. |
|
|
|
|
|
|
|
||||||
|
|
|
|
|
|
|
|
|
||||
|
ИТ |
|
В |
Q |
р |
|
q |
|
||||
|
|
|
|
|
|
|
|
|||||
|
|
|
|
|
н |
|
|
|
1 |
|
|
|
Задача № 26
На ТЭЦ установлена турбина мощностью N = 12 МВт с начальными
параметрами пара
р1
= 3,5 МПа и t1 = 435°C. Турбина имеет два отбора.
Первый – производственный при p01 = 1,0 МПа с расходом пара в отбор
= 50 т/ч. Второй – теплофикационный при |
p02 |
= 0,12 МПа; |
D02 |
= 40 |
||
Давление в конденсаторе p |
2 |
= 4 кПа. |
|
|
|
|
|
|
|
|
|
|
|
D |
01 |
|
т/ч.
Определите количество теплоты, переданное потребителю за счет производственного и теплофикационного отборов, если на станцию возвращается конденсат пара отборов (в состоянии «кипящая жидкость»).
Определите часовой расход пара через турбину, если известны КПД:
|
T |
= 0,80 |
|
механический м ех = 0,95 и |
относительный внутренний |
0i |
; |
электрогенератора г |
= 0,98. Работой насосов пренебречь. |
Задача № 27
Определите часовой расход топлива для установки с турбиной, описанной в задаче 26, если КПД котельного агрегата ка = 0,90 , теплота
сгорания топлива Q р = 30 МДж/кг и температура питательной воды t =
н пв
120°C.
Каков был бы суммарный часовой расход топлива, если бы выработка энергии производилась раздельно: электроэнергии – на конденсационной станции (с теми же параметрами пара, что и на ТЭЦ) и теплоты – в отопительной котельной. Коэффициент полезного действия котельных
агрегатов для двух случаев |
ка |
возвращаемого конденсата tОК |
= 60°C. |
=
0,90
;
температура полностью