Материал: Розробка підсилювача звукових частот з потужним вихідним каскадом, виконаним по трансформаторній схемі

Внимание! Если размещение файла нарушает Ваши авторские права, то обязательно сообщите нам

Розробка підсилювача звукових частот з потужним вихідним каскадом, виконаним по трансформаторній схемі

Вступ

ККД однотактного підсилювача потужності класу А менше 50 %, то з метою підвищення ККД застосовують двотактні каскади, ККД яких досягає 80 %. Двотактні каскади працюють в класах AB або B. З метою зменшення нелінійних спотворень використовують клас AB.

При цьому величину струму IКП вибирають рівною: IКП=(0,05¸0.,5)·IКmax, тим самим забезпечуючи виконання умови: IКП>IБзвр. В результаті відсікається сама нелінійна область ВАХ транзистору.

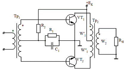
Принципова схема двотактного трансформаторного підсилювача потужності має вигляд представлений на рисунку 1.

Рисунок 1 - Схема двотактного трансформаторного підсилювального каскаду

Транзистори VT1 і VT2 ідентичні. Положення робочої точки по постійному струму забезпечується дільником R1||R2. Зважаючи на великі струми бази величини R1 і R2 виходять порядку сотень Ом. Таким чином R1 і R2 зменшують ККД підсилювача. Для зменшення шунтуючого впливу резисторів R1 і R2 замість них застосовують діоди, які вибираються також як і для однотактних підсилювачів потужності.

На практиці додатково встановлюють резистори R0=(0,1¸1) Ом. Вони не розраховуються і служать для зрівнювання колекторних струмів транзисторів VT1 і VT2 а також для збільшення термостабільності каскаду. Розрахунок каскаду по постійному струму не відрізняється від розрахунку каскаду з ЗЕ.

Недоліком даної схеми є наявність трансформатора із загальною точкою. Якщо W’1=W’’1, то сердечник трансформатора Tр2 не випробовує вимушеного підмагнічування, оскільки по постійному струму IКm1=IКm2.

На базу VT1 і VT2 сигнали приходять в протифазі. Коли відкритий VT1, закритий VT2. Тому для струмів IК1 і IК2 можна записати наступне співвідношення:


Вираз для магнітного потоку має наступний вигляд: Ф=A·(IК1-IК2).

Підставляючи замість IК1 і IК2 співвідношення, одержимо: Ф=A·(IК12+IК22);

Ф=A·(IК12+IК22);

На величину коефіцієнта нелінійних спотворень впливають тільки непарні гармоніки (парні гармоніки не співпадають по фазі на p, а непарні співпадають по фазі, тому щодо сердечника трансформатора парні гармоніки знищуються, а непарні збільшуються в два рази). Отже при розрахунку g необхідно враховувати 3-ю, 5-у і т.д. гармоніки. Необхідно враховувати також коефіцієнт асиметрії b=(0,05¸0,1).

Транзистори VT1 і VT2 вибираються по трьох критеріях (струм, напруга, потужність).

При розрахунку двотактного каскаду ВАХ для VT1 і VT2 суміщають.

IКm=IКmax-IКmin;UКm=EК-UКmin;UКЭmax³2·EК

ЕК вибирають виходячи з наступної умови: EК=U’Н max+(1¸1,5); де U’Нmax - амплітуда напруги на навантаженні, приведена до первинної обмотки трансформатора.К»(1.1¸1.2)(U’Нmax+1);IКmax>IНmax (с запасом у 2 рази);

К=(IКmax·UКmax)/2.

Для двотактного підсилювача потужності розрахунок ведеться для одного плеча оскільки параметри обох плечей однакові.

r1=r’2.

Середнє значення колекторного струму транзистора VT1 за період роботи схеми визначається таким чином:


Рисунок 2 - ВАХ VT1 і VT2 при розрахунку двотактного каскаду

Потужність, споживана від джерела живлення (P0) за період роботи схеми визначається із співвідношення:


Визначимо ККД двотактного каскаду:


Величиною p·IKп можна нехтувати оскільки IKm>>p·IKп.

Т.к. UKm»EK, тому  На практиці ККД складає 65¸70%.

1. Розрахунок двотактного трансформаторного підсилювача потужності на біполярному транзисторі

Початкові дані для розрахунку:

потужність, споживана навантаженням РН=5 Вт;

опір навантаження RН=4 Ом;

верхня гранична частота підсилення fВ=16 кГц;

коефіцієнт нелінійних спотворень γ=0,50%;

діапазон робочих температур: +0...+55 oC;

потужний транзистор КТ802А.

Крайовий каскад, будучи основним споживачем потужності від джерела живлення, вносить найбільші нелінійні спотворення. У двотактному каскаді допускаються пульсації напруги (струму) джерела живлення в три-п'ять раз більше, ніж в однотактному. Якщо потужність не перевищує 20 мВт, застосовують однотактний каскад. При потужності 20¸70 мВт вигідно використовувати двотактний каскад в режимі АВ, а при більшій потужності - тільки в режимі В.

З трьох можливих схем включення транзисторів найпоширеніша - із загальним емітером. Її застосування дозволяє одержати задану вихідну потужність при меншій, в порівнянні з іншими схемами, вхідну потужність, що витрачається. Відносно високий рівень нелінійних спотворень, що є основним недоліком каскаду з ЗЕ, не так сильно позначається при використовуванні двотактної схеми зважаючи на компенсацію парних гармонік. Він може бути також зменшений введенням негативного зворотного зв'язку і підбором транзисторів з мінімальним розкидом параметрів. Скористаємося схемою двотактного трансформаторного підсилювача потужності, представленої на рисунку 2.

. Вибір ККД трансформатора виконуємо по таблиці залежності ККД від потужності.

Таблиця 1 - Залежність ККД трансформатору від потужності.

PН,Вт

0,1

0,1-1

1-10

10-100

hТР

0,65

0,65-0,75

0,75-0,85

0,84-0,93


Вибираємо hТР=0,8. Діапазон зміни (0,75 - 0,85).

. Перевіримо заданий по умові транзистор на відповідність умовам експлуатації

У двотактному каскаді кожний з двох транзисторів повинен забезпечувати половину необхідної потужності. Виходячи з цього міркування, розраховуємо необхідну допустиму потужність, розсіювану на колекторі одного транзистора.


де hК - ККД каскаду. Для транзисторів, що працюють в режимі AB hК=(0,35 ¸0,78). Вибираємо ККД каскаду рівним hК=0,5.

Гранична частота транзистора повинна бути в 5¸10 разів більше граничної частоти в навантаженні:

ГР=(5¸10)·fВ=(80 - 160) кГц.

Виходячи з одержаних даних, вибираємо транзистор КТ802А [13, 416], n-p-n параметри якого: UКЕmax=60 В, IКmax=5 А, fГР=3 МГц, PКmax=50 Вт. UКнас=2,5 В при ТК≤+25˚ С. h21Е=30. При температурі корпусу більше 250С. PКmax[Вт]=(TKmax-TK)/RTП-К, де RTП-К=2,5 0С/В - тепловий опір перехід - корпус, TKmax=100 - максимальна температура корпусу.

Кmax=(TKmax-TK)/RTП-К=(100-55)/2,5=18 Вт.

3. Вибір робочої точки транзистора VT1 по постійному струму

Робочу точку необхідно вибирати так, щоб виконувалися наступні умови: Напруга живлення каскаду повинна мати стандартне значення ЕК, [див. додаток Б] при цьому повинна виконуватися умова:

.

Робоча точка по постійному струму у режимі AB звичайно знаходиться на вихідних ВАХ транзистора VT1 на величині струму колектора:

.

Пряма навантаження по постійному струму (=I) проходить вертикально вгору крізь точку ЕК.

Пряма навантаження по змінному струму на вихідних ВАХ не повинна перетинати криву максимальної потужності, що розсіюється на транзисторі.

Користуючись вхідними і вихідними ВАХ, вибираємо положення робочої точки транзистора, що працює у режимі АВ:

 

Вибираємо ЕК=15 В.


Вибираємо IК0=0,5 А.

Будуємо криву РКmax=18 Вт по співвідношенню: РКmax=UКЕ·IК.

Координати робочої точки А: IК0=0,5 A, UКЕ=EК=15 В, IБ0=0,020 A, UБЭ0=0,89 В.

. Нахил бажаної прямої навантаження по змінному струму VT1

Розрахунок двотактного підсилювача потужності виконується так, щоб мати запас по потужності, що віддається каскадом в навантаження. Запас по потужності дозволить забезпечити настройку каскаду. Положення прямої навантаження по змінному струму (~I) визначається опором трансформатора Тр2, що погоджує. У області середніх звукових частот схема заміщення Тр2 (див. рис. 3).

Рисунок 3 - Схема заміщення Тр2 у області СЗЧ

Рисунок 4 - Вихідні ВАХ VT1

Опір Тр2 по змінному струму у області СЗЧ рівний:

К~=r1+r2’+RН’,

де r1 - опір первинної обмотки; r2’ - приведений опір вторинної обмотки; RН’ - приведений опір навантаження; n=W2/W1 - коефіцієнт передачі Тр2 (W2,W1 - число витків первинної і вторинної обмотки Тр2, відповідно).

Таким чином, нахил прямої навантаження ~I залежить від опорів обмоток Тр2: r1, r2’, опору RH і коефіцієнта передачі трансформатора Тр2 - n. Зі всіх цих величин можна міняти тільки коефіцієнт n і, тим самим, одержувати будь-яке положення прямої навантаження по змінному струму (основна перевага трансформаторного двотактного підсилювача потужності).

Рисунок 5 - Вхідні ВАХ VT1


де величини приростів визначаються по прямій навантаження ~I:

∆IК=iКmax-iКmin, DUКЕ=uКЕmax-uКЕmin,

де iКmin≥0; iК.max≤ IКmax; uКЕmin≥UКЕнас; uКЕmax ≤UКЕmax;

Повертаючи пряму навантаження вліво і у право, вибирається «найпотужніший» режим. Вибираємо:

DIК=1,80-0,50=1,30 А;DUКЕ=15-5,0=10,0 В.

Знаходимо кут нахилу прямої навантаження

tg(α)=4·1,30/10,0=0,520; α=27,50.

Проводимо через точку А під кутом α=27,50 пряму навантаження по змінному струму.

. Розрахунок потужності колекторного кола VT1

Знаходимо необхідну потужність колекторного кола VT1, що віддається транзистором в первинну обмотку трансформатору Тр2:


На вихідних ВАХ вибираємо UКm і IКm, такі, щоб виконувалася умова:


Оберемо IКm=I’Кm-IК0=1,80-0,50=1,30 А, UКЕmК-UКЕmin=15-5=10 В.


Умова Р~1≈Р~2 виконується (Р~2 можна вибирати з невеликим запасом).

. Розрахунок нелінійних спотворень.

Нелінійні спотворення визначаємо по амплітудах гармонік колекторного струму, використовуючи крізну динамічну характеристику IК(EВХ) і метод п'яти ординат.

Опір джерела знаходимо по формулі:

ВХ=1,5·h11Е;

;

ВХ=1,5·7,08≈10,63 Ом.

Далі, переносячи точки на прямій навантаження з вихідною ВАХ на вхідну, розраховуємо ЕДС еквівалентного джерела живлення по формулі:

ЕВХ=UБЕ+IБ·RВХ,

яка витікає з моделі крайового каскаду по змінному струму (див. рис. 6)

Рисунок 6 - Модель двотактного трансформаторного підсилювача потужності для напівперіоду вхідного синусоїдального сигналу

Накопичені дані заносимо у табл. 2:

Будуємо крізну динамічну характеристику IК(EВХ) (див. рис. 7). По крізній динамічній характеристиці знаходимо номінальні струми:Кm=1,80 А; I1’=1,05 А;I0’=0,50 А.

Таблиця 2 - Результати розрахунків крізної характеристики IК(EВХ)

IК, А

IБ, А

UБЕ, В

EВХ, В

0,50

0,020

0,890

1,103

1,10

0,040

1,056

1,481

1,35

0,050

1,113

1,644

1,60

0,060

1,175

1,813

1,80

0,068

1,230

1,952


П'ять значень струмів IКmах, I1, I0, I2, IКmin визначаємо, припускаючи, що в одному плечі каскаду протікає струм в 1+b, а в іншому в 1-b раз відмінний від номінального, причому струми другого плеча мають зворотний напрям. Тут b - коефіцієнт асиметрії плечей, який рівний b=0,1 ... 0,15. (MN=NK.)

Рисунок 7 - Крізна динамічна характеристика крайового каскаду

Вибираємо b=0,1. Тоді одержуємо


Далі визначаємо амплітуди гармонік струму:


Знаходимо коефіцієнт нелінійних спотворень для транзистора, що працює в режимі АВ по формулі:


. Розрахунок елементів температурної стабільності

По вхідних і вихідних ВАХ визначаємо наступні початкові дані:

Максимум колекторної напруги:

КЕmК-UКЕmin=15-5=10 В;

- Максимальний колекторний струм:

IКm=I’Кm-IК0=1,80-0,50=1,30 А;

Максимальний струм бази

Бmах= I’Бmax- IБ0=0,068-0,020=0,048 А;

Максимальна напруга на базі транзистора:

БЕmах=U’БЕmах - UБЕ0=1,230-0,890=0,340 В.

Напруга спокою на базі UБЕ0=0,890 В.

Струм спокою колектораIК0=0,50 А.

Струм спокою бази IБ0=0,020 А

До температури середовища +550С допустимо застосовувати діоди, які компенсують температурні зміни транзистора VT1. Число діодів рівне кількості шунтованих їм p-n-переходів транзистору, тобто ставимо діод, у якого прямий опір (1,06¸5,32) Ом. По довіднику [9] вибираємо VD1: КД109A, параметри якого: Uпр.ср.=1,0 В; Uзвр.max=100 В; Iпр.ср.max=0,3 А; Iзвр=0,1 мА; Rпр=1,333 Ом.

Розраховуємо струм дільника

Д = 5·IБ0 =5·0,020=0,100 А.

Розраховуємо опір резистора R2:

PR2= (EК - UБЕ0) / (IД+IБ0)=(15-0,89)/(0,100+0,020)=117,6 Ом.R2=(Iд+IБ0)2 R2=(0,100+0,020)2·120=1,73 Вт.

Вибираємо R2=120 Ом. Тоді тип R2: МЛТ-2,5-120 Ом±5%.

Розраховуємо опір резистора R1:

1 =UБЕ0/ (IД+IБ0)=0,89/(0,100+0,020)=7,42 Ом.R1=(Iд+IБ0)2 R1=(0,100+0,020)2·7,5=0,108 Вт.

Вибираємо R1=7,5 Ом. Тоді тип R1: МЛТ-0,125-7,5 Ом±5%.

Розраховуємо конденсатор С1 на fB (див. рис. 8):

Рисунок 8 - RC - коло

ХС(fВ) << R1||R2, звідси


Вибираємо С1=15 мкФ. Тоді тип С1: К50-3-15 мкФ±20%-25В.

. Визначення коефіцієнта трансформації вихідного трансформатора

Уніфіковані трансформатори (УПТ), що погоджують, призначені для узгодження опорів джерела вхідного сигналу і навантаження. Міжкаскадні УПТ типа ТМ/Т (міліватні/ватні) застосовуються для узгодження однотактного і двотактного каскадів. Вони позначаються як ТМРтр-i / ТРтр-i, де Ртр - номінальна потужність у ВА (0,002; 0,005; 0,01; 0,5; 0,7; 2,0; 3,0; 4,0; 6,0; 25,0), i - номер типономіналу 1, 2, …, m (14; 54; 69; 59; 69; 59; 45; 19; 30; 10 - m для відповідної номінальної потужності).

Вихідні УПТ типу ТОТ забезпечують задану РН і випускаються 6 серіями (всього 207 типономіналів). Вони позначаються ТОТi, де i - номер типономіналу 1, 2, …, 189, 202, …, 219 і випускаються на типові потужності 0,025 - 25 Вт.

У таблицях [6, дод. А і б] дані параметри цих трансформаторів.

Конкретний типономінал трансформатора вибирається по:

–       потужності в навантаженні з урахуванням ηТР:

РТР ≥ РНТР

–       коефіцієнту трансформації:

nТР=W2/W1nТР ≥ nрозр.

Рекомендується при виборі УПТ по коефіцієнту трансформації nТР мати на увазі можливість послідовного з'єднання первинних і вторинних обмоток, що дозволяє розширити дискретний ряд їх значень.

Рисунок 9 - Принципова електрична схема вихідних УПТ типа ТОТ36 - ТОТ189

Рисунок 10 - Принципова електрична схема вихідних УПТ типа ТОТ202 - ТОТ219

Для трансформаторів ТОТ36 - ТОТ105 число витків рівне:1=W2; W1’=W1’’=W2’=W2’’=0,5·W1.

Для трансформаторів ТОТ105 - ТОТ189 число витків рівне:2=1,4·W1; W1’=W1’’=0,5·W1; W2’= W2’’=0,3·W1;

Для трансформаторів ТОТ202 - ТОТ219 число витків рівне:2=0,7·W1; W2’= 0,14·W1; W2’’=0,26·W1.

Розглянемо приклад вибору вихідного УПТ.


У таблиці необхідно враховувати наступні дані:

–       вхідний опір трансформатора RВХ.ТР;

–       опір обмоток по постійному струму, Ом:

первинної - r1 х 2;

вторинної - r2 х 2;

–       максимальна напруга первинної обмотки, В U1 х 2;

–       число витків первинної обмотки W1 х 2;

–       коефіцієнт трансформації nТР.

З цих даних можна одержати опір напівобмоток: W1’>r1/2; W2’>r2/2.

По значеннях RВХ.ТР = r1+r2/n2ТР+RН/n2ТР і U1 можна знайти типову потужність трансформатора РТР:

.

Очевидно, що ми маємо різні варіанти застосування одного і того ж трансформатора (навіть при однакових коефіцієнтах n, ми маємо різні величини опорів обмоток).

Відзначимо, що вибір типу міжкаскадного трансформатора простіший, оскільки в довідковій таблиці [6, дод. А] приводиться типова потужність УПТ (як і в самому позначенні трансформатора). При цьому також можливі варіації коефіцієнтів трансформації.

Знаходимо опір колекторного кола транзистора VT1 по змінному струму (нахил бажаної прямої навантаження - рис.5):

~=UКЭm/IКm=10/1,3=7,69 Ом.

Коефіцієнт трансформації знаходимо по формулі:

.

Якщо активні опори первинної і вторинної обмоток Тр2 визначити по наступних співвідношеннях [14, 90]:

r1п=0,58Ì R~(1-ηТР)=0,58·7,69·(1-0,8)=0,892 Ом.

.

Максимальна напруга первинної обмотки рівна: U1=15х2 В.

Вхідний опір трансформатора:

Rвх.тр=r1+r2/n2тр+Rн/n2тр=0,892+0,420/0,8062+4/0,8062=7,70 Ом.

За одержаними даними вибираємо типовий вихідний трансформатор ТОТ157, що погоджує, параметри якого:

) Вхідний опір: Rвх.тр = 38 Ом;

) Опори обмоток по постійному току: r1п=1,2х2Ом. r2п=6,7Ом.

) Максимальна напруга первинної обмотки: U1=19 х 2 В.

) Число витків первинної обмотки W1=130 х 2;

Коефіцієнт трансформації: nтр=1,150.

Знаходимо типову потужність трансформатора:


. Вибір радіатора

Знаходимо необхідну потужність, розсіювану на колекторі транзистора:

,

; , ξ=Uкэm/Е=10/15=0,667

I*Km=0,667·1,30=0,867 A;U*Km=0,667·10=6,67 B;

Радіатор для кожного з транзисторів розраховуємо, виходячи з максимальної температури переходу Тпmax= +1250 С.

, де RТТ =1 ˚С/Вт.

Вибираємо ребристий радіатор площею S=51 см2.

Рисунок 11 - Ребристий радіатор

10. Розрахунок вхідних параметрів каскаду

Вхідний опір двотактного каскаду: ВХ= h11Е=7,08 Ом.

Вхідна потужність двотактного каскаду:

PВХ=UБm·IБm/2=(0,340·0,048)/2=8,16 мВт.

Коефіцієнт підсилення по потужності:

KР=PН/PВХ =5/8,16·10-3=612,7.

Коефіцієнт підсилення по напрузі:


Коефіцієнт підсилення по струму:

KI=KP/KU=612,7/18,6=32,9.

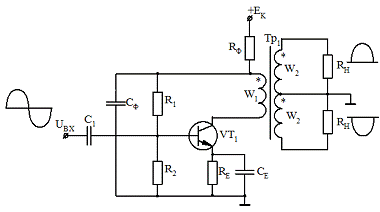
2. Розрахунок однотактного трансформаторного підсилювача потужності на біполярному транзисторі

Принципова схема однотактного підсилювача потужності приведена на рисунку 14. Початковими даними для розрахунку однотактного підсилювача потужності є вхідні параметри двотактного підсилювача потужності:

. РН=8,16 мВт;

. RН=7,08 Ом;

. Верхня гранична частота fВ=16,0 кГц.

4.

Рисунок 12 - Схема однотактного підсилювача потужності на біполярному транзисторі.

Розрахунок каскаду виконується аналогічно розрахунку підсилювача із загальним емітером, але необхідно враховувати, що підключення опору навантаження RН до колекторного кола транзистора VT1 відбувається через трансформатор Тр1. По змінному струму напруга колектора VT1 UК і напруга навантаження UН зв'язані через коефіцієнт трансформації n:


. Вибір ККД трансформатора здійснюємо по таблиці 1. hТР=0,65.

. Вибір типу транзистора VT1. Розраховуємо необхідну допустиму потужність, розсіювану на колекторі транзистора.


де hК - ККД каскаду. Для транзисторів, що працюють в режимі A hК=(0,25 ¸0,30). Вибираємо ККД каскаду рівним hК=0,25.

Розраховуємо граничну частоту, яка повинна бути в 5¸10 разів більше верхньої граничної частоти сигналу в навантаженні:

fГР=(5¸10)·fВ=(80 - 160) кГц.

Виходячи з одержаних даних, вибираємо транзистор КТ201Б [13, 60], n-p-n параметри якого: UКЕmax=20 В, IКmax=20 мА, fГР=3 МГц, PКmax=150 мВ (при температурі навколишнього середовища ТC=(-60¸+90) 0C.

. Вибір положення робочої точки транзистора VT1 по постійному струму

Робочу точку А необхідно вибирати так, щоб напруга живлення каскаду мала стандартне значення [див. додаток Б] при цьому повинна виконуватися умова:


Робоча точка в режимі клас А звичайно знаходиться у середині активної області роботи транзистора VT1. Користуючись вхідними і вихідними ВАХ вибираємо положення робочої точки транзистора VT1, що працює в режимі підсилення клас А. Виходячи з цього, вибираємо:

 

Вибираємо ЕК=15 В.

Будуємо криву

Положення робочої точки А:

;  ;

Рисунок 13- Вихідні ВАХ VT1.

Рисунок 14 - Вхідні ВАХ VT1

. Розрахунок опорів резисторів RЕ, RФ.

Положення робочої точки А по постійному струму забезпечується резисторами RЕ, RФ. і ЕДС ЕК:  і оскільки одержимо остаточне співвідношення:


Дане співвідношення описує в координатах  рівняння прямої навантаження по постійному струму =I, яка на координатних осях відсікає відрізки:

 при ; при .

,  тоді


Вибираючи падіння напруги на резисторі  рівним:


Одержимо величину даного резистора:


Вибираємо

=(IЕ0)2 RЕ=(11,75+0,15)2·10-6·130=0,018 Вт.

Тоді тип резистора RЕ: МЛТ-0,125-130 Ом±5 %.

Звідси  Выбираем

P=(IК0)2 RФ=(11,75·10-3)2··470=0,065 Вт.

Тоді тип резистора RФ: МЛТ-0,125-470 Ом±5 %.

. Нахил прямої навантаження по змінному струму

Також як і для двотактного каскаду коефіцієнт передачі  забезпечує будь-яке положення прямої навантаження по змінному струму ~I. Повертаючи пряму навантаження ~I навколо робочої точки А, вибираємо «найпотужніший» режим. Але в заданому випадку транзистор VT1 вибраний з великим запасом по потужності і практично при будь-якому положенні ~I ми можемо забезпечити необхідну потужність в навантаженні.

. Розрахунок потужності, що виділяється в колекторному колі VT1

Для цього скористаємося співвідношенням, яке зв’язує потужність змінного струму Р~1, яка поступає від колекторного кола каскаду в первинну обмотку трансформатора Тр1 і потужність, що віддається в навантаження РН:

.

На вихідних ВАХ вибираємо  і . Використовуючи  і  знаходимо потужність змінного струму , яка поступає від каскаду в первинну обмотку трансформатора:


Необхідно, щоб виконувалася умова:  Знаходимо:


Умова  виконується ( можна вибирати із запасом).

. Розрахунок нелінійних спотворень каскаду

Для цього визначимо амплітуди гармонік колекторного струму по крізній динамічній характеристиці  методом п'яти ординат.

Вхідний опір знаходимо по формулі:

;ВХ=1,5·h11E=1,5·450≈675 Ом.

Далі, переносячи точки на прямій навантаження з вихідною ВАХ на вхідну, розраховуємо ЕДС еквівалентного джерела живлення по формулі:

ЕВХ=UБЕ+IБ·RВХ,

Накопичені дані заносимо в табл. 3:

Таблиця 3 - Результати розрахунків нелінійних спотворень каскаду

IК, мА

IБ, мкА

UБЕ, В

EВХ, В

5,5

50

0,712

0,746

8,40

100

0,745

0,812

11,75

150

0,780

0,881

15,0

200

0,800

0,935

18,0

250

0,825

0,994


Будуємо крізну динамічну характеристику  (рис. 15).

Рисунок 15 - Крізна динамічна характеристика крайового каскаду

Рівні сигналу визначаються таким чином: амплітуда  однозначно визначається “трикутником потужності” АВС на вихідних ВАХ транзистора VT1. По крізній динамічній характеристиці знаходимо номінальні струми:

;;

;.


;

Перевірка:


Знаходимо коефіцієнт нелінійних спотворень для транзистора, що працює в режимі А по формулі:


Повинна виконуватися умова: γ < 4% (2,36 < 4).

8. Розрахунок кола дільника

Знаходимо струм дільника:

Д= 5·IБ0= 5·150·10-6= 0,75Ì10-3 А=0,75 мА.

Знаходимо опір резистора R2:


Вибираємо R2=3000 Ом.

РR2= IД2· R2=(0,75·10-3)2·3000=1,70 мВт.

Тоді тип R2: МЛТ-0,125-3 кОм±5%.

Знаходимо опір резистора R1:


Вибираємо R1=8200 Ом.

РR1= (IД+ IБ0)2· R1=(0,75+0,15)2·10-6·8200=6,64 мВт.

Тоді тип R1: МЛТ-0,125-8,2 кОм±5 %.

. Розрахунок вихідного трансформатора

Знаходимо опір навантаження колекторного кола VT1 по змінному струму:

.

Коефіцієнт трансформації знаходимо по формулі:


Знаходимо активний опір первинної обмотки


Знаходимо активний опір вторинної обмотки


де с=(0,5¸0,7)

За одержаними даними вибираємо типовий трансформатор ТМ10-18, параметри якого:

Номінальна потужність РНОМ=0,01 В·А.

Вхідний опір RВХ=2256 Ом.

Вихідний опір RВИХ=35 Ом.

Коефіцієнт трансформації n=0,135.

Опір первинної обмотки по постійному струму r1= 166 Ом.

Опір вторинної обмотки по постійному струму r2= 2,8 Ом.

. Розрахунок блокуючих конденсаторів СФЕ

 звідси

Знаходимо ємність конденсатора СФ:

СФmax=2·IК0 RФ=2·11,75·10-3·470=11,05 В.

Вибираємо СФ=0,22 мкФ. Тоді тип СФ: К53-1-0,22 мкФ±20%-20 В.

Знаходимо ємність конденсатора СЕ:

СЕmax=2·IЕ0 RЕ=2·(11,75+0,15)·10-3·130=3,094 В.

Вибираємо СЕ =1,5 мкФ. Тоді тип СЕ: К53-1-0,75±20%-20 В.

. Визначення вхідних параметрів каскаду

Знаходимо вхідний опір каскаду:


Знаходимо вхідну потужність каскаду


. Розрахунок розділового конденсатора С1


Вибираємо С1 =0,27 мкФ. Тоді тип С1: К53-1-0,27 мкФ±20%-20 В.

. Коефіцієнт підсилення по потужності


. Коефіцієнт посилення по напрузі


. Коефіцієнт посилення по струму

3. Розрахунок схеми узгодження

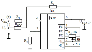
Схема узгодження є дільником напруги на резисторі, що підстроюється (див. рис. 17).

Рисунок 16 - Принципова схема СУ.

Початкові дані для розрахунку:

напруга на вході СУ UВХ СС=U1=6 B;

напруга на виході СУ UВЫХ СС=U2=0,6 В;

вхідний опір RДЖ=500 Ом.

Розрахунок: коефіцієнт розподілу напруги:


Задаємося зміною a рівним ±10%:

 

Вибираємо резистор R2, що підстроюється, типа СП5-17-1кОм±5 %. . Діапазон робочих температур: -60…+125С.

Розрахунок ведемо на середнє значення: R2 =500 Ом.


Вибираємо згідно з ДСТУ: тип - МЛТ - 0.125 - 2,2 кОм±5% .


Вибираємо згідно з ДСТУ: тип - МЛТ - 0.125 - 24 кОм±5%.

Вихідний опір . Тому, щоб схема узгодження не шпунтувала вихід джерела сигналу, необхідне виконання умови:

R1+R2+R3>>.

Для даного розрахунку:

1+R2+R3=24000+500+2200>>500 Ом, тобто ця умова виконується.

. Розрахунок схеми негативного зворотного зв'язку у підсилювачі звукових частот з потужним виходом

Принципова схема передкрайового каскаду підсилювача звукових частот з потужним виходом приведена на рисунку 18.

Початкові дані для розрахунку:

. Допустимі нелінійні спотворення gТЗ=0,50 %.

. Нелінійні спотворення, що вносяться 2УМ g2УМ =5,69 %.

. Нелінійні спотворення, що вносяться 1УМ g1УМ =2,36 %.

. Потужність на навантаженні РН=5 Вт.

. Опір навантаження RН=4 Ом.

. Верхня гранична частота fВ=16 кГц.

. Нестабільність амплітуди DUН/UН=2,0·10-2.

Рисунок 17 - Принципова схема ПП з інверсним включенням на базі ОППС

. Розрахунок необхідної глибини НЗЗ.

Для зменшення нелінійних спотворень сигналу, виникаючих в кожному каскаді підсилювача синусоїдального сигналу, вводиться загальний негативний зворотний зв'язок (НЗЗ) по напрузі з складанням напруги.

Знаходимо сумарний коефіцієнт нелінійних спотворень:

.

Приймаємо gПП = 1%, одержуємо

Зворотний зв'язок повинен забезпечити таке посилення, щоб, маючи відомий після розрахунку генератора сигнал на вході передпідсилювача, одержати необхідний сигнал в навантаженні, тобто

де, а UвхПП приймаємо рівним 0,6 В (з урахуванням регулювання вихідної напруги), тобто одержуємо

НЗЗ, що вводиться, повинен подавити величину сумарних нелінійних спотворень γ до значення γТЗ, тобто необхідний чинник НЗЗ рівний:


5) Знаходимо коефіцієнт посилення при розімкненому НЗЗ:


) Знаходимо коефіцієнт передачі ПП:


Розрахунок параметрів ПП.

. Умови вибору ОППС:

Максимально допустимий вихідний струм ОППС повинен бути більше вхідного струму подальшого каскаду, тобто IВИХ maxОП ≥IВХ 1ПП


Гранична частота роботи ОП повинна бути багато більше частоти сигналу в навантаженні, тобто

fгр ОУ ³(10¸20)·fВ=(160¸320) кГц.

Виходячи з одержаних даних, вибираємо ОП типа К544УД1А з параметрами приведені в таблиці 4.

Дійсно:

грОП=1000 кГц > (160¸320) кГц.

) Опори R1, R2, R3, RОС вибираються за умов мінімуму адитивної погрішності:

=G+=G,

;

і виконанні нерівності


Отже, R≤20 МОм і необхідно, щоб з трьох резисторів R1, R2, RЗЗ, хоча б один був не більш 20 МОм, і не можна перевищити IВИХ maxОП:


Таблиця 4 - Технічні характеристики ОППС К544УД1А:

Параметр

Позначення і одиниця вимірювання

Значення

Вхідний струм

IВХ, нА

0,15

Різниця вхідних струмів

DIВХ, нА

0,15

Вхідний опір

RВХ, МОм

10·103

Напруга зсуву нуля

UЗС, мВ

±30

Дрейф напруги зсуву нуля

DUСМ/DТ,мкВ/°С

30

Коефіцієнт посилення напруги

КU

5·104

Коефіцієнт ослаблення синфазних вхідних напруг

КОС.СФ, дБ

64

Частота одиничного посилення

F1, МГц

1

Швидкість наростання вихідної напруги

J(UВИХ), В/мкс

2

Вихідний опір

RВИХ, Ом

200

Максимальний вихідний струм

IВИХ мах, мА

5

Максимальна вихідна напруга

UВИХ мах, В

±10

Максимальна вхідна диференціальна напруга

UДФ ВХ мах, В

±10

Максимальна синфазна вхідна напруга

UСФ ВХ мах, В

±10

Напруга живлення

UП, В

±15

Струм споживання

IСПО,мА

3,5


Вибираємо R2=10 кОм. Тоді тип R2: МЛТ-0,125-10КОМ ± 5%.

;


Вибираємо R1 = 12 кОм. Тоді тип R1: МЛТ-0,125 - 12 кОм ± 5%.

Вибираємо RЗЗ =120 кОм. Тоді тип RЗЗ: МЛТ-0,125-120 кОм±5%.

) Опір резистора R3 знайдемо з умови мінімуму адитивної погрішності:

Вибираємо R3=5,1 кОм. Тоді тип R3: МЛТ-0,125-5,1 кОм±10%.

) Уточнення параметрів ПП:


Оскільки КПП не змінився, то і решта параметрів залишилася без змін.

. Погрішності ПП, викликані впливом температури.

) Погрішність від дрейфу еЗС.

Наявність напруги зсуву на виході ОП, викликане його не ідеальністю, приводить до виникнення погрішності вихідної напруги ПП:


где ∆Т=55-20=35ºС

Знаходимо відносну погрішність вихідної напруги ПП:


2) Погрішність, викликана температурними змінами резисторів.

У Т.З. заданий широкий діапазон зміни температури (0¸+550С). Дана обставина викликає відхилення величини опору резисторів від номінального значення. Це відхилення визначається температурним коефіцієнтом опору (ТКО). Для резисторів типа МЛТ (до 510 кОм і інтервалу температур від +20 до +315 0С) ТКС рівний ±0,7·10-3 1/0С. Зміна величини резистора під дією температури:

∆R=TKC·R·∆T,

де ∆T=Tmax-20=55-20=35 0С; R - величина резистора.

Відповідно зміна величини опорів приводить до зміни коефіцієнта посилення ОП.

Для інверсного включення величина погрішності складає:


При використовуванні резисторів типа МЛТ одержимо:

gІНВmax=|2·ТКС·∆Т|=2·35·0,7·10-3=4,9·10-2


Ця погрішність впливає на стабільність амплітуди. По Т.З. нестабільність амплітуди ∆UН/UН=2,0 %.. Введення НЗЗ у схему підсилювача зменшує погрішність gПП в F раз, тобто одержуємо:


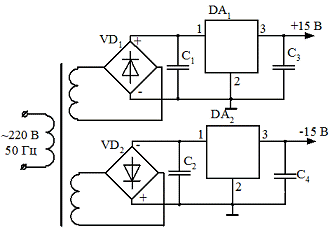
. Розрахунок блоку живлення підсилювача звукових частот з потужним виходом

Відповідно до складеної повної принципової схеми за довідковими даними [4] складаємо таблицю вимог до блоку живлення (див. табл. 5):

Таблиця 5 - Вимоги до блоку живлення підсилювача звукових частот з потужним виходом

№ п/п

Елемент схеми


1

Двотактний підсилювач потужності

+15

0,62

2

Однотактний підсилювач потужності

+15

12,65·10-3

3

ОППС (К544УД1А)

-15

3,5·10-3




0,6362


Визначимо типи і номінальні значення елементів схеми блоку живлення (див. рис 17):

. Канал на UH=+15 В.

За даними табл. 3 визначаємо сумарний струм:

IЖИВ 2ПП= IК0+IБ0+IД =0,5+0,020+0,100=0,62 A.

IЖИВ 1ПП= IК0+IБ0+IД =11,75+0,15+0,75=12,65 мA.

Вибираємо стабілізатор КР142ЕН8Е. Параметри ІМС [Додаток Г]:

напруга стабілізації UСТАБ=15 В;

максимальний струм стабілізації IСТ.max=1,0 А;

максимальна допустима розсіювана потужність Рmax=6 Вт;

струм споживання IСПО=10 мА;

вхідна напруга ; UВХ=35 В;

коефіцієнт нестабільності напруги навантаження КнU=0,05%/B;

коефіцієнт нестабільності струму навантаження КнI=0,01%/A

Коефіцієнт стабілізації вибраної ІМС:


Дані по ТЗ параметри живлячої мережі: UМ=(220B +10% -15%). Вибираємо максимальну зміну вхідної напруги: D=15%. Тоді нестабільність напруги на виході ІМС:

. Канал на UH=-15В.

За даними табл. 4 визначаємо сумарний струм через елемент DA2: IСПО=3,5·10-3=3,5мA. Вибираємо стабілізатор КР142ЕН8Е.

Для зменшення амплітуди пульсацій напруги на виході стабілізатора необхідно підключити ємність:

С34=510мкФ типа К53-1-5102020%;

Для стійкої роботи мікросхем стабілізаторів застосовують ємність:

С12=100 мкФ типа К53-1-1002020%.

Рисунок 18 - Принципова схема блоку живлення

З урахуванням вибраних елементів стабілізації поставимо вимоги до випрямлячів:

- випрямляч на VD1:

випрямляч на VD2:

Коефіцієнт пульсацій вибраний згідно вимог живленої апаратури [4]. На виході схем стабілізації завдяки наявності елементів корекції величина  буде ще менше.

транзистор трансформаторний підсилювач радіатор

Перелік посилань

1. Бойко В.І., Зорі А.А., Багрій В.В. Імпульсні пристрої електронних систем: Навчальний посібник -Донецьк: РВА ДонНТУ, 2003. - 252 с.

. Гершунский Б.С. Справочник по расчету электронных схем. - К.: Вища школа, 1983, 240 с.

3. Зорі А.А., Бойко В.І. Аналогова схемотехніка електронних систем: Навчальний посібник -Донецьк: ДонНТУ, 2003. - 324 с.

. Источники электропитания радиоэлектронной аппаратуры: Справочник / Под. Ред. Найвельта Г.С. - М.: Радио и связь, 1989. - 496с.

5. Костиков В.Г. и др. Источники электропитания электронных средств. Схемотехника и конструирование. Учебник для вузов. - М.: Радио и связь, 1998. - 334 с.

6. Методические указания к выполнению курсового проекта по курсу «Электроника и микросхемотехника», «Аналоговая схемотехника», Донецк, ДонНТУ, 2003. - 83 с.

7. Опадчий Ю.Ф. Аналоговая и цифровая электроника: Учебник для вузов / Под ред. О.П. Глудкина. - М.:Горячая Линия Телеком, 2000. - 768 с.

8. Остапенко Г.С. Усилительные устройства: Учебное пособие для вузов.- М.: Радио и связь, 1989. - 400 с.

9. Полупроводниковые приборы: Транзисторы. Справочник / Под. общ. ред. Н.Н. Горюнова. - 2-е изд. - М.: Энергоатаомиздат, 1985. - 904 с.

10. Проектирование транзисторных усилителей звуковых частот./ Под ред. Н.Л. Безладнова.- М.: Связь, 1978. - 368 с.

11. Терещук Р.М. и др. Полупроводниковые приемно-усилительные устройства. Справочник радиолюбителя. - К.: Наукова думка,1981. - 672с.

12. Транзисторы для аппаратуры широкого применения./ Под ред. Б.Л. Перельмана. - М.: Радио и связь, 1981. - 656 с.

Додаток А

Перелік елементів принципової схеми


Додаток Б

Схема електрична структурна

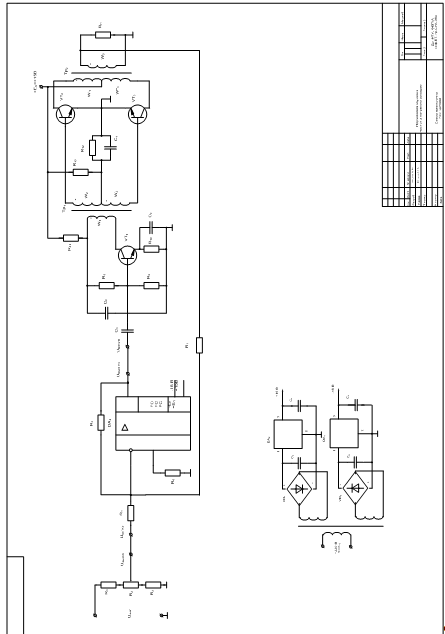
Додаток В

Схема електрична принципова



Додаток Г

Стандартний ряд постійних напруг

0,25

0,4

0,6

1,2

2,4

3,0

4,0

5,0

6,0

(6,3)

9,0

(10,0)

12,0

(12,6)

15

20

24

27

30

40

48

60

80

100

(125)

150

200

250

(300)

400

(500)

600

800

1000

12500

1500

2000

2500

3000

4000

5000

6000

8000

10000

12000

15000

20000

25000





Додаток Д

Ряди Е номінальних ємностей конденсаторів і опорів резисторів

Індекс ряду

Номінальні значення (одиниці, десятки, сотні пФ, нФ, мкФ, Ом, кОм, МОм, ГОм)

Точність, %

Е3

1,0




2,2




4,7





Е6

1,0


1,5


2,2


3,3


4,7


Е12

1,0

1,2

1,5

1,8

2,2

2,7

3,3

3,9

4,7

5,6

6,8

8,2

Е24

1,0

1,2

1,5

1,8

2,2

2,7

3,3

3,9

4,7

5,6

6,8

8,2


1,1

1,3

1,6

2,0

2,4

3,0

3,6

4,3

5,1

6,2

7,5

9,1