Вступ
Проектування електронних приладів пов’язано з розв’язанням різноманітних питань: вибір принципу дії приладу, вибір та розробка його конструкції, розрахунок його головних параметрів та багато інших. Одним із найголовніших етапів при цьому є дослідження електричних кіл та схем.
Курс теорії електричних кіл (ТЕК) є однією з основних дисциплін під час підготовки спеціалістів з телекомунікаційних систем та мереж. Вивчення різноманітних перетворень електричних сигналів, що використовуються різними радіотехнічними приладами, - одне з головних завдань даного курсу.
Головною метою нашої розрахунково-графічної роботи є дослідження, розрахунок та аналіз лінійних резистивних кіл (схем), що надає змогу найточніше вибирати та застосовувати для більш раціональної роботи певних приладів та систем те чи інше коло (схему). При дослідженні електричних систем та процесів, що в них відбуваються, будемо використовувати їх математичні моделі.
Розрахунок заданого кола буде
проводитися декількома методами: методом суперпозиції, методом еквівалентних
перетворень, методами еквівалентних джерел, методом вузлових потенціалів. Метою
роботи є дослідження раціональності, простоти, переваг та недоліків кожного з
методів при розв’язуванні певних поставлених задач при розрахунку електричного
кола.
Технічне завдання
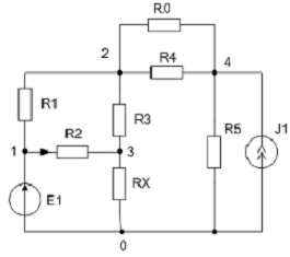
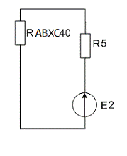
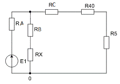
Задано коло:
Рис. 1
Для заданого резистивного кола виконаємо наступне:
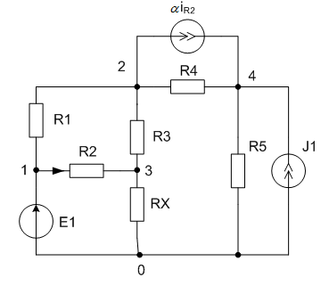
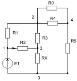
. Керовану гілку залежного джерела замінимо на резистивний елемент R0, опір якого Rо = 1 кОм.
. Реальні джерела струму замінимо джерелами напруги.
. Методом суперпозицій разом з методом еквівалентних перетворень розрахуємо значення струму та напруги на всіх елементах кола. Результати перевіримо за законами Кірхгофа та умовою балансу потужності.
. Методом контурних струмів
розрахуємо значення струму та напруги на всіх елементах. Результати перевіримо
за законами Кірхофа та умовою балансу потужностей.
Таблиця 1 Параметри елементів кола
R0 кОм
R1 кОм
R2 кОм
R3 кОм
R4 кОм
R5 кОм
R6 кОм
Rx кОм
1
1.2
1
3
2
4.3
2
1
Номер схеми кола повинен співпадати
з останньою цифрою номера залікової книжки.
Значення параметрів джерел напруги і
струму приведені у таблиці 1 в залежності від першої букви прізвища студента.
Таблиця 2
E1 B
J1 мА
6
3
1.
Керовану гілку залежного джерела замінили на резистивний елемент R0, опір якого
Rо = 1 кОм
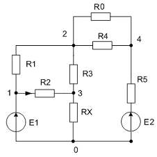
Рис. 2
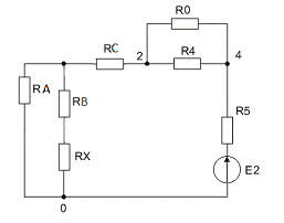
2. Реальні
джерела струму замінили джерелами напруги
Рис. 3
3. Обчислення
за методом суперпозицій
Теорема суперпозиції (накладання):
реакція лінійного кола на суму незалежних дій дорівнює алгебраїчній сумі
реакцій на кожну дію окремо. Дії в колі представлені двома незалежними
джерелами: джерелом струму J1 та джерелом напруги Е1. Тому при вилученні джерел
необхідно пам’ятати, що:
у відповідності з тим, що ідеальне
джерело струму має нескінченно великий опір, то видалення джерела струму
еквівалентне розмиканню гілки, що його містить;
у відповідності з тим, що ідеальне
джерело напруги має опір рівний нулю, то видалення джерела напруги еквівалентне
закороченню гілки, що його містить.
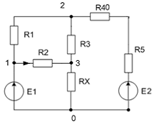
Замінивши в початковій схемі
заданого кола керовану гілку залежного джерела напруги на резистивний елемент
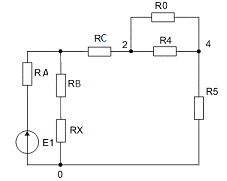
R0 з опором Вилучення джерела напруги Е2.
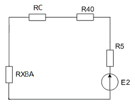
Вилучаємо зі схеми джерело
напруги E2 й отримуємо нову схему, що зображена:
Рис. 4
Рис. 5
Далі для визначення первинних
параметрів (значень напруги та струму) електричного кола виконаємо еквівалентні
перетворення кола.
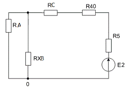
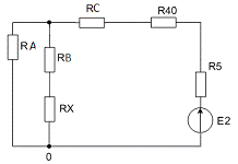
Користуємось еквівалентним
перетворенням трикутник-зірка.
Рис. 6
Розраховуємо резистивні елементи RА,
RВ, RС:
RА= Резистивні елементи R4 i R0
замінимо на резистивний елемент R40, опір якого дорівнює:
Рис. 7
Далі замінимо елементи RС,
R40 та R5 на елемент RС405 з опором:
Рис. 8
Рис. 9
Далі замінимо елементи RС405
та RВХ на елемент RВХС405 з опором:
Рис. 10
Тепер можна обчислити загальний опір
кола:=RВХС405+RА=1,25+0,2=1,45 (кOм)
Визначимо струм кола:
Для того щоб ми змогли знайти
струм резистора А= Так як, резистори RА та RВХ
з‘єднані паралельно, напруга в них однакова:А= UВХ=0,83 (В)
Звідси ми можемо знайти струм
Струми Оскільки резистори RС405 та
RВХ з‘єднані паралельно, напруга в них однакова
С405= UВХ=0,83 (В)
Знаходимо струм
Оскільки з’єднання
послідовне:
Через напругу U40 обчислимо
струм = Напруги U40,U4 та U0
однакові, тоді:
Знайдемо струми
Вилучення джерела напруги Е1.
Вилучаємо зі схеми джерело
напруги Е1 і отримаємо таку схему:
Рис. 11
Далі для визначення первинних
параметрів (значень напруги та струму) електричного кола виконаємо еквівалентні
перетворення кола.
Користуємось еквівалентним
перетворенням трикутник-зірка.
Рис. 12
Розраховуємо резистивні елементи RА,
RВ, RС:
RА= Резистивні елементи R4 i R0 замінимо
на резистивний елемент R40, опір якого дорівнює:
Рис. 13
Так як RВ та RХ з’єднані послідовно
маємо:
Рис. 14
Резистори RА та RВХ з’єднані
паралельно, тому:
RАВХ= Рис. 15
Резистори RХВА, RС і R40 з‘єднані
послідовно, тоді:
АВХС40=RХВА+RС+
R40=3.4+0,7+0,7=4.8(kOм).
Рис. 16
Обчислимо загальний опір для схеми
=RАВХС40+R5=4.8+4,3=9.1 (kOм)
Визначимо загальний струм кола
Оскільки з’єднання послідовне
Через напругу UХВС405
обчислимо струм ХВС40А= Оскільки UХВС40А=
UХВ=UА=2.16(В) маємо
Так як маємо послідовне
з’єднання
Через напругу U40 знайдемо
струми
= Знаходимо струми
Обчислюємо загальні струми:
Перевірка отриманих результатів за
законами Кірхгофа
Перевіримо отримані результати за
першим законом Кірхгофа: алгебраїчна сума миттєвих значень струмів, що
сходиться у вузлі, дорівнює нулю.
Для 3-го вузла:
Для 4-го вузла:
Для 2-го вузла:
Перевіримо чи виконується
другий закон Кірхгофа для контурів кола:
Для першого контура:
Е1= =4.41*1+3.7*1
Для другого контура:
= =-3.41*1.2-4.41*1+0.71*3
Для третього контура:
Е2= .8=-3.7*1+0.71*3-0.37*0.7-2.7*4.3
Згідно до поставленого завдання
виконаємо перевірку отриманих результатів(отриманих значень напруги та струму)
також за умовою балансу потужності.
4.07*6+3.35*25.8=16.56+1.2+16.56*1+0.29*3+1.08*2+11.22*4.3+5.86*1+13.32*1
.85=109.89
Метод контурних струмів.
За методом контурних струмів
для розрахунків режиму складного кола можна обмежитись розв’язанням лише
(l-k-m+1), де l - кількість віток; k- кількість вузлів; m- кількість джерела
струму.
В даній схемі ми замінили
джерело струму на джерело напруги, а також трикутник в зірку.
Рис. 15
2 =U0=U40=I40*R40=1.89 (B)
I4= Перевіримо отримані
результати за першим законом Кірхгофа: алгебраїчна сума миттєвих значень
струмів, що сходиться у вузлі, дорівнює нулю.
Для 3-го вузла:
Для 4-го вузла:
Для 2-го вузла:
Перевіримо чи виконується
другий закон Кірхгофа для контурів кола: Е1= =4.41*1+3.7*1
Для другого контура:
= =-3.41*1.2-4.41*1+0.71*3
Для третього контура:
Е2= .8=-3.7*1+0.71*3-0.37*0.7-2.7*4.3
Згідно до поставленого
завдання виконаємо перевірку отриманих результатів(отриманих значень напруги та
струму) також за умовою балансу потужності.
.07*6+3.35*25.8=16.56+1.2+16.56*1+0.29*3+1.08*2+11.22*4.3+5.86*1+13.32*1
.85=109.89
Обчислимо напругу в колі:
струм коло
резистивний кірхгоф
Висновки
В результаті даної
розрахунково-графічної роботи було освоєно та перевірено декілька методів
розрахунку параметрів лінійних резистивних кіл:
· метод еквівалентних
перетворень;
· метод суперпозицій;
· метод контурних
струмів.
При порівнянні методів ми зробили
висновки, що метод контурних струмів є швидший та менш громіздкий у розрахунках
ніж метод суперпозицій.
Теореми про еквівалентне джерело
також мають багато обчислень і в результаті дають значення лише для одного
елемента. Тобто можна сказати, що вони є корисними в часткових випадках
розрахунків параметрів кіл.
В результаті проведених обчислень
можна сказати, що вони були проведені вірно це видно у розрахунках в пунктах
перевірки.
Перелік посилань
1 Основи теорії
електричних кіл: У 3 кн. Кн. 1. Аналіз лінійних резистивних кіл. Часова
область: Підручник / М. Б. Гумен, А.М. Гурій, В.М. Співак; За ред. М.Б. Гумена.
− К.: Вища шк., 2003. − 399 с.: іл.
2 Основні вимоги до
оформлення атестаційних робіт, дипломних та курсових проектів. Методичні
рекомендації для студентів факультету електроніки всіх форм навчання. Укладачі:
Макаренко В.В., Трапезон К.О., Чермянін А. М., Київ НТУУ "КПІ" 2006.
![]()
(B).
![]()
і реальні джерела струму на джерела
напруги, маємо:
![]()
= ![]()
=0,2 (кОм)В=![]()
= ![]()
=0,6 (кОм)С=![]()
= ![]()
=0,7 (кОм)
![]()
0,7(кОм).
![]()
(кОм)
![]()
(кОм)
![]()
1,25 (кОм)
![]()
(мA)
![]()
потрібно обчислити напругу:
![]()
(B).
![]()
:
![]()
(мА)
![]()
=0.52 (мА)
![]()
=0,15 (мА)
![]()
(мА)
![]()
![]()
(B).
![]()
=0,1 (мА)
![]()
=0,05(мА)
![]()
(мА)
![]()
(мА)
![]()
,52-0,15=0,37 (мА)
![]()
= ![]()
=0,2 (кОм)В=![]()
= ![]()
=0,6 (кОм)С=![]()
= ![]()
=0,7 (кОм)
![]()
0,7(кОм).
![]()
(кОм)
![]()
(кОм).
![]()
(мA)
![]()
![]()
RХВС40А=2.16 (B)
![]()
=3.18 (мА)
![]()
10.79 (мА)
![]()
(мА)
![]()
= U4= U0 так як з’єднання паралельне
![]()
=1 (мА)
![]()
=1.99 (мА)
![]()
(мА)
![]()
(мА)
![]()
=1.08 (мА)
![]()
=0
![]()
=0
![]()
=0
![]()
![]()
![]()
![]()
=6
![]()
=0


![]()
=![]()
![]()
=0
![]()
=0
![]()
=0
![]()
![]()
![]()
![]()
-3.41*1.2= -4.09(B)
![]()
4.41*1=4.41 (B)
![]()
-0.71*3=-2.13 (B)
![]()
=0.95*2=1.9 (B)
![]()
=2.7*4.3=11.61 (B)
![]()
=1.89*1=1.89 (B)
![]()
=3.7*1=3.7 (B)