Материал: Розрахунок регулятора струму, регулятору швидкості та синтез систем автоматичного керування

Внимание! Если размещение файла нарушает Ваши авторские права, то обязательно сообщите нам

Розрахунок регулятора струму, регулятору швидкості та синтез систем автоматичного керування

Міністерство освіти і науки, молоді та спорту України

Державний вищий навчальний заклад

"Національний гірничий університет"








Лабораторна робота

На тему: "Розрахунок регулятора струму, регулятору швидкості та синтез САК"


Виконала: ст. гр. ЕМ-09-2

Дідевич Є.О.

Перевірив: ас. Боровик Р.А.

ас. Барабан В.В.




Дніпропетровськ

р.

Таблиця1 - Параметри двигуна

Тип

РН, кВт

nН, об/мин

UН, В

IН, А

rЯ, Ом

rПАР, Ом

N

2a

2p

wПАР

Ф, мВб

IН ПАР, А

nmax, об/мин

JДВ, кгм2

Q, кг

34

П52

4.2

1000

220

25.2

0.632

184

744

2

4

1650

7.9

0,91

2000

0,4

124


Розрахунок коефіцієнтів двигуна та зворотних зв’язків:

Розрахунок індуктивності якоря:


Постійна часу якоря:


Розрахунок максимальної швидкості обертання двигуна, в радіанах:


Розрахунок магнітного потоку:


Коефіцієнт підсилення тиристорного випрямляча:


Коефіцієнт датчика струму:


Бажана передатна функція модульного оптиума:


Передатна функція регулятора струму МО :


Рисунок 1. Контур струму.

Рисунок 2. Реакція контурa струму при ступінчатому впливі 10 В.

Розрахунок коефіцієнта датчика швидкості:


де

фільтр тиристорний випрямляч струм

Передатна ланка фільтра:


1-      струм; 2- швидкість

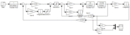
Рисунок 3. Контур швидкості з П-регулятором.

Рисунок 4. Реакція контура швидкості з П-регулятором при ступінчатому впливі 10 В.

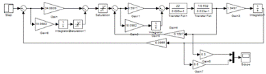
Рисунок 5. Контур швидкості з ПІ-регулятором.

Рисунок 6. Реакція контура швидкості з ПІ-регулятором при ступінчатому впливі 10 В.

Рисунок 7. Контур швидкості з ПІ-регулятором та фільтром на вході.

Рисунок 8. Реакція контура швидкості з ПІ-регулятором та фільтром на вході при ступінчатому впливі 10 В.

Таблиця2 - Результати моделювання

Рисунок 11. Контур швидкості з П-регулятором та накиданням навантаження.

Рисунок 12. Реакція контура швидкості з П-регулятором на накиданням навантаження

Рисунок 13. Контур швидкості з ПІ-регулятором та накиданням навантаження.

Рисунок 14. Реакція контура швидкості з ПІ-регулятором на накиданням навантаження

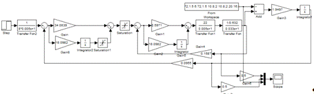
Рисунок 15. Контур швидкості з обмежувачем та накиданням навантаження.

Рисунок 16. Реакція контура швидкості з обмежувачем на накиданням навантаження