Материал: Розрахунок електропостачання населеного пункту

Внимание! Если размещение файла нарушает Ваши авторские права, то обязательно сообщите нам

Розрахунок електропостачання населеного пункту

Курсовий проект

Розрахунок електропостачання населеного пункту

Вступ

підстанція електричний навантаження трансформаторний

Забезпечення підприємств і установ агропромислового комплексу, сільських населених пунктів електричною енергією на основі застосування високоефективного, надійного в експлуатації устаткування, яке дозволяє досягти за сукупністю параметрів відповідного сучасним вимогам рівня якості її параметрів є актуальним завданням електроенергетики. У зв’язку з цим метою даної конструкторської розробки є засвоєння основних знань, способів і методів проектування систем електропостачання населених пунктів у відповідності з індивідуальним технічним завданням.

Проект електропостачання населеного пункту вміщує розрахунок електричних навантажень, підімкнених до мережі, розробку електричної мережі напругою 380 В, визначення кількості, потужності і місця знаходження трансформаторних підстанцій мережі споживання електроенергії, вибір їх електричних схем і конструктивного виконання.

Складовими графічної частини курсового проекту є план електричної мережі населеного пункту із зазначенням марок проводів ліній електропередавання енергії, креслення загального вигляду підстанції, креслення її схеми електричної принципової.

1. Принципи побудови електричних мереж

.1 Визначення, основні вимоги та класифікація електричних схем

Електричні мережі міських і сільських районів складаються із мереж напругою 6-10 кВ і мереж напругою 380/220 В. До свого складу вони включають трансформаторні підстанції, розподільні пристрої, струмопроводи, повітряні, кабельні та повітряно-кабельні лінії електропередачі, що працюють на території певного району.

Електричні мережі міських та сільських районів повинні відповідати основним вимогам нормативних документів і забезпечувати:

• необхідну якість електроенергії у споживачів (елктроприймачів) - показники якості електроенергії не повинні виходити за межі значень, що встановлює ГОСТ 13109-97];

• надійність електропостачання, яка має відповідати категорії ектроприймачів;

• економічність - капітальні та експлуатаційні витрати на мережу повинні бути мінімальними за умови забезпечення необхідної надійності електропостачання;

• можливість перспективного розширення мережі та збільшення пропускної здатності без суттєвих реконструкцій і за мінімальних фінансових витрат;

• безпеку й зручність експлуатації.

Техніко-економічні показники електричної мережі значною мірою залежать від схеми її побудови, яка визначає принцип з'єднання окремих складових частин і умови їх резервування.

На практиці використовуються різні схеми електропостачання міських і сільських районів, принцип побудови яких значною мірою залежить від вимог надійності електропостачання споживачів. Умовно схеми електричних мереж міських і сільських районів можна поділити на три групи.

Перша група. При пошкодженні певного елемента розподільної мережі поновлення живлення споживачів можливе лише після ремонту або заміни цього елемента. До цієї групи належать мережі, що базуються на використанні радіальних або магістральних ліній без резервування. Ці мережі є найбільш дешевими, але забезпечують найнижчу надійність електропостачання, тому відповідно до схем цієї групи може здійснюватись електропостачання електроприймачів III категорії.

Друга група. До неї належать схеми, в яких поновлення електропостачання при пошкодженні певного елемента розподільної мережі забезпечується введенням в роботу резервних елементів діями оперативного персоналу. До цієї групи, як правило, відносять мережі, що базуються на використанні петлевих ліній - ліній, що мають живлення з двох боків. У цих схемах, як правило, передбачається часткове резервування трансформаторів через мережу 0,38 кВ. Ця група схем використовується для електропостачання приймачів II категорії і є найбільш поширеною в електропостачальних системах міських і сільських районів.

Третя група. Для цієї групи характерним є використання пристроїв автоматичного включення резервного живлення та обладнання (АВР), які забезпечують введення в роботу резервних елементів у разі порушення нормальних режимів роботи мережі. Такі схеми створюють високу надійність електропостачання споживачів, оскільки час перерви в електропостачанні визначається часом спрацювання АВР і вимірюється секундами або частками секунд. До цієї групи, як правило, належать мережі, що базуються на використанні комбінованих ліній. Ця група схем використовується для електропостачання приймачів І та II категорії і є найбільш складною та дорогою.

Як випливає з наведеного, схеми другої та третьої груп передбачають наявність резервування окремих елементів або ланцюгів мережі. При цьому використовують різні комбінації резервування: трансформатори через розподільну мережу 0,38 кВ, лінії 6-10 кВ і трансформатори через мережу 0,38 кВ, лінії і трансформатори з боку 6-10 кВ та ін.

.2 Особливості побудови мереж живлення 6-10 кВ

Мережі живлення 6-10 кВ міських і сільських районів є проміжною ланкою між джерелом живлення і розподільною мережею. До основних схем побудови мережі живлення належать:

• схема з паралельною роботою ліній живлення (рис. 1.1, а). При цій схемі живлення РП здійснюється одночасно по двох паралельних лініях ЛІ, Л2 від одного джерела живлення (ДЖ). Для забезпечення вибіркового захисту ліній живлення на їх вводах в РП, як правило, передбачається встановлення електричних апаратів максимального спрямованого захисту. Ця схема є найпростішою, потребує найменших витрат на її виконання та експлуатацію, але й забезпечує найменшу надійність електропостачання, оскільки живлення відбувається від одного джерела живлення, її використовують для електропостачання приймачів II та III категорій;

• схеми з роздільною роботою ліній та АВР. У цьому випадку можливі два схемні рішення.

Схема на (рис. 1.1, б) передбачає можливість живлення РП від двох джерел (ДЖ1, ДЖ2) по двох рівноцінних лініях (ЛІ, Л2). У нормальному режимі роботи лінія ЛІ знаходиться під навантаженням, а лінія Л2 - у резерві, але весь час під напругою. У кінці лінії Л2 на РП встановлюється пристрій АВР, який знаходиться в вимкненому стані в нормальному режимі і вмикається у разі виникнення аварійного режиму роботи або пошкодження лінії ЛІ.

У схемі на (рис. 1.1, в) живлення РП відбувається також від двох джерел живлення (ДЖ1, ДЖ2) по двох рівноцінних лініях (ЛІ, Л2), які в нормальному режимі роботи знаходяться під навантаженням. Шини РП секціоновані пристроєм АВР, який знаходиться у вимкненому стані при роботі в нормальному режимі і вмикається при виникненні аварійного режиму роботи або пошкодженні однієї з ліній. У цьому випадку все навантаження РП перекладається на одну з робочих ліній на весь час до поновлення роботи другої лінії;

• комбінована схема (рис. 1.1, г). Ця схема забезпечую можливість живлення від двох джерел і по трьох лініях, є комбінацією паралельного та роздільного живлення і може бути використаною для живленні електроприймачів І категорії.

Ця схема забезпечує найвищу надійність електропостачання, є типовою для промислових районів великих міст. Але вона потребує і значно більших витрат як при її виконанні, так і в процесі експлуатації.

Рис. 1.1. схеми побудови мережі живлення: а) з паралельною роботою ліній; б, в) з роздільною роботою ліній та з АВР; г) комбінована.

Переріз жил ліній живлення для кожної із розглянутих схем вибирається за умови забезпечення живлення споживачів у нормальних і аварійних режимах роботи по одній із ліній.

1.3 Схеми розподільних мереж

Схема радіальної мережі (рис. 1.2). Найчастіше ця схема використовується для електропостачання невеликих окремо розташованих мікрорайонів, дачних поселень і сел. Ця схема належить до першої групи схем. Характерною її ознакою є одностороннє живлення окремих приймачів або споживачів і відсутність резервних елементів. Для мережі, виконаної згідно з цією схемою робочим є лише нормальний режим роботи. При виході з ладу будь-якого елемента схеми електропостачання порушується на весь час, необхідний для ремонту або заміни цього елемента.

Рис. 1.2. Схеми радіальної розподільної мережі

Ці схеми можуть використовуватись лише для електропостачання приймачів III категорії.

Схема магістральної мережі (рис. 1.3). Ця схема, як правило, використовується для електропостачання кількох окремих силових електроприймачів або невеликих населених пунктів, для яких розподільні мережі 6-10 кВ найчастіше виконуються повітряними лініями.

Схема магістральної мережі також належить до першої групи схем. Вона, як і попередня схема, характеризується одностороннім живленням окремих приймачів або споживачів та відсутністю резервних елементів. У разі пошкодження будь-якого елемента мережі втрачається електропостачання приймачів тієї ділянки, де знаходиться цей елемент, а також всіх наступних після місця пошкодження на весь час, необхідний для ремонту або заміни цього елемента. Тому ці схеми можуть також використовуватись лише для електропостачання приймачів III категорії.

Рис. 1.3. Схема магістральної розподільної мережі

Перевагою схеми магістральної мережі є те, що для неї капітальні та експлуатаційні витрати значно менші, ніж при радіальній схемі.

Схема петлевої мережі (рис. 1.4). Ця схема, як правило, використовується для електропостачання районів великих населених пунктів. Можливість живлення ТП з двох напрямків підвищує надійність електропостачання.

Вимикач Q2 знаходиться в місці розділу петлі з боку високої напруги, що дозволяє в нормальному режимі (у разі необхідності) забезпечити роботу схеми в розімкненому стані. Вимикання вимикача Q2 дозволяє також відключати лише частину споживачів для проведення планових чи аварійних робіт на певній ділянці мережі.

Переріз провідників петлевої лінії вибирається за умови одностороннього живлення ТП чи споживачів.

Трансформатори, завдяки наявності між секційного вимикача Q4, можуть працювати на мережу 0,4/0,23 кВ як паралельно, так і роздільно. Потужність трансформаторів ТП при цій схемі вибирають із розрахунку, що в аварійному режимі живлення споживачів буде відбуватися від одного трансформатора.

Така схема рекомендується для електропостачання приймачів II і III категорій.

Рис. 1.4. Схема петлевої розподільної мережі.

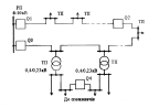
Автоматизована двопроменева схема електропостачання з АВР до 1 кВ (рис. 1.5). Ця схема належить до третьої групи схем.

ЇЇ особливістю є те, що споживачі можуть живитися від двох трансформаторів, кожний із яких підключений до різних високовольтних розподільних мереж. Завдяки наявності АВР автоматично відбувається взаєморезервування як ліній високої напруги 6-10 кВ, так і трансформаторів. Автоматичне переключення з лінії основного на лінію аварійного живлення в цій схемі відбувається на боці низької напруги. При пошкодженні елементів однієї лінії електропостачання споживачів не порушується. Ця схема найчастіше використовується для електропостачання приймачів І і II категорій.

Рис. 1.5. Схема автоматизованої двопроменевої мережі з АВР до 1 кВ

1.4 Особливості побудови розподільної мережі до 1 кВ

В електропостачальній системі міських і сільських районів вихід з ладу ліній 6-10 кВ може призвести до перерви в електропостачанні великої кількості споживачів. Тому питання наявності автоматизованих пристроїв, які б забезпечували необхідну, залежно від категорії електроприймачів, надійність в таких мережах є дуже актуальним. Тим більше, що, як показує практика, найчастіше аварійні режими та пошкодження відбуваються саме в таких мережах.

Пошкодження трансформаторів та ліній 0,4/0,23 кВ є певною мірою рідкістю. Вихід з ладу повітряних або кабельних ліній розподільної мережі 0,4/0,23 кВ, як правило, пов'язаний з перервою в електропостачанні значно меншої кількості приймачів та споживачів. Використання схем першої та другої груп часто є достатнім для забезпечення необхідної надійності в електропостачанні.

Повна схема розподільної мережі електропостачання району населеного пункту, як правило, є досить розгалуженою. На (рис. 1.6) як приклад наведена лише частина розподільної мережі живлення споживачів на напрузі 0,4/0,23 кВ. На ній показані збірні шини 0,4/0,23 кВ лише двох ТП. Наявність різних категорій приймачів зумовлює і наявність трьох видів вводу - радіального, петлевого та магістрального.

Рис. 1.6. Схема розподільної мережі до 1 кВ

Як приклад на схемі окремо зображена мережа освітлення і силова мережа. У нормальному режимі роботи живлення цих двох груп споживачів відбувається за окремими лініями. У разі пошкодження елементів однієї з ліній за допомогою перемикачів Q1 та Q2 можливе живлення від однієї з двох ліній, які, у свою чергу, можуть бути підключеними до кількох ТП.

2. Розрахунок навантажень електричної мережі

.1 Визначення активних навантажень споживачів

Розрахункові активні навантаження однорідних за призначенням споживачів виконується за формулами:

,                                                  (2.1)

,                                                  (2.2)

де ko - коефіцієнт одночасності; n - кількість квартир в будинку або кількість однакових будинків; Pдi, Рві - денна і вечірня розрахункова потужність окремого споживача.

Для споживачів електроенергії виробничих підприємств розраховують навантаження денного максимуму за формулою (1), а навантаження вечірнього максимуму визначається множенням денного на коефіцієнт 0,6. Для споживачів житлового сектору розраховують навантаження вечірнього максимуму за формулою (2), а навантаження денного максимуму складає 0,4 від денного в будинках без електричних плит і 0,6 - в будинках з централізовано встановленими електричними плитами.

Одноквартирні будинки (1-14):

;

.


Чотирьох квартирні будинки (15-18):

;

.

Дванадцяти квартирні будинки (19-20):

;

.

Розрахунок навантаження промислових підприємств.

Корівник прив’язного утримання тварин з механізованим прибиранням гною на 100 корів (21):

,

Телятник з пологовим відділенням на 120 телят (22):

,