Материал: Резервирование в системах электроснабжения

Внимание! Если размещение файла нарушает Ваши авторские права, то обязательно сообщите нам

Резервирование в системах электроснабжения

Министерство образования и науки Российской Федерации

Федеральное государственное автономное образовательное учреждение высшего образования

"Национальный исследовательский Томский политехнический Университет"

Институт электронного обучения

"Электроэнергетика и электротехника"






КУРСОВАЯ РАБОТА

по дисциплине:

Электроснабжение промышленных предприятий

На тему: Резервирование в системах электроснабжения










Томск - 2017

Оглавление

Введение

1. Типовые схемы резервирования

1.1 Одномодульные системы

1.2 Системы с параллельным резервированием ИБП

1.3 Системы с последовательным резервированием ИБП

1.4 Резервирование шины питания нагрузки (LBR)

1.5 Системы с синхронизацией выхода (LBS)

Заключение

Литература

Введение


Темой данной работы является изучение резервирования в системах электроснабжения. Тему была выбрана не случайна, ведь на данный момент она является одной из наиболее актуальной в электрическом сегменте рынка. Тем не менее, избыточность имеет первостепенное значение, когда крайняя надежность требуется в системах электроснабжения. Избыточность - дублирование критически важных компонентов для обеспечения непрерывного снабжения системы электроэнергией в случае сбоя в любом сегменте энергообеспечения. Обязательна к применению как в ряде промышленных предприятий, в больницах и обязательна при реализации таких проектов, как монтаж и построение ЦОД.

Надежность электроснабжения потребителя обеспечивается требуемой степенью резервирования. Электроприемники первой и второй категорий должны иметь резервные источники питания. Резервирование необходимо для продолжения работы основного производства в послеаварийном режиме. Питание электроприемников третьей категории не требует резервирования.

1. Типовые схемы резервирования


Основным способом защиты критичной нагрузки от возможных неполадок в электросети является установка источника бесперебойного питания (ИБП). Широкое распространение получила централизованная схема электропитания с использованием одномодульного ИБП. Однако для проведения профилактических, регламентных и др. работ ИБП переводится в режим Bypass, и нагрузка остается незащищенной на некоторое время. Для определенных типов нагрузок при непрерывном производственном цикле данный риск неприемлем.

1.1 Одномодульные системы


К сожалению, промышленные электросети не обладают 100-процентной надежностью, гарантирующей отсутствие возможных перебоев с электроснабжением. Стандартным средством защиты критичной нагрузки являются одномодульные ИБП, построенные по схеме с двойным преобразованием напряжения (On-Line). Они комплектуются батарейными комплектами, рассчитанными на непродолжительное время работы в автономном режиме (обычно не более 30 минут). Для защиты от долговременных перебоев устанавливают дополнительный дизель-генератор с запасом топлива для непрерывной работы 8 … 24 часа.

Основными элементами одномодульного ИБП (рис. 1), работающего по схеме On-Line, являются выпрямитель, инвертор, аккумуляторные батареи, зарядное устройство, а также устройства коммутации цепи Bypass (обходная цепь питания нагрузки, минуя схему двойного преобразования). Одномодульная система отличается высокой надежностью и простотой. Она является оптимальным решением для нагрузок, допускающих кратковременные запланированные отключения для обслуживания ИБП. Однако в моменты технического обслуживания ИБП или выполнения других регламентных работ возникает необходимость его перевода в режим Bypass. Для некоторых видов нагрузок с непрерывным технологическим процессом данный риск недопустим. Кроме того, нельзя забывать о возможности выхода из строя самого ИБП.

Для решения вышеупомянутых задач были разработаны всевозможные схемы резервирования. Таблица 1 иллюстрирует преимущества и недостатки схем резервирования, рассматриваемых в данном обзоре.

Таблица 1. Сравнение различных схем резервирования ИБП

Схема

Надежность

Простота

Резерви - рование в обслужи - вании *

Удобство

Защита





Модуль

Силовая электросеть


Одномодульные ИБП

Да

Да

Нет

Нет

Нет

Только модуль

Параллельное резервирование

Да

Да

Да

Да

Нет

Только модуль

Последовательное двойное резервирование модулей

Да

Да

Да

Да

Нет

Только модуль

Последовательное резервирование модулей (тройное и более)

Возможно

Нет

Да

Да

Нет

Только модуль

Системы с резервированием шины питания нагрузки (LBR)

Да

Нет

Да

Да

Да

Модуль и шина питания

Да

Да

Да

Да

Да

Модуль и шина питания


* Подразумевается возможность обслуживания системы бесперебойного питания без отключения нагрузки и без питания ее от “грязной” сети.

Рис. 1. Одномодульный UPS: BCB - батарейный размыкатель; MBB - переключатель ручного Bypass; MIB - размыкатель ручного Bypass; SBB - статический переключатель; UIB - входной размыкатель модуля; UOB - выходной размыкатель модуля

1.2 Системы с параллельным резервированием ИБП

Система с параллельным резервированием состоит из двух или более модулей ИБП, включенных в параллель и работающих на общую нагрузку. По отношению к проектной нагрузке система должна иметь определенную избыточность по мощности в виде одного или нескольких дополнительных модулей для обеспечения резерва. Как правило, каждый модуль оснащен своим батарейным блоком, хотя и не исключен вариант использования общего батарейного комплекта для всей системы в целом.

При безаварийной работе нагрузка системы равномерно распределяется между модулями ИБП, а в случае выхода из строя или принудительного отключения одного из них нагрузка распределяется среди оставшихся модулей. Такая схема включения обеспечивает высокую степень защиты. При этом процесс технического обслуживания отдельных модулей не приводит к временному питанию нагрузки от “грязной” сети. Однако все еще остается необходимость отключения системы при проведении работ с шиной питания нагрузки или оборудованием, расположенным между ИБП и нагрузкой.

Несмотря на простоту концепции построения параллельной системы резервирования, методы ее конкретной реализации существенно различаются у разных производителей ИБП.

Главное различие заключено в механизме распределения нагрузки между модулями. Большинство производителей используют инверторы с широтно-импульсной модуляцией (ШИМ), обладающие высокими динамическими характеристиками. Однако для их параллельной работы на единую нагрузку требуются дополнительные устройства синхронизации. При этом один из модулей ИБП становится ведущим и по его выходному напряжению синхронизируются оставшиеся модули системы. Недостаток данного решения очевиден. При выходе из строя ведущего модуля или цепей синхронизации выходит из строя вся система. Ведущий модуль - ее слабое звено.

Для преодоления этого недостатка в ИБП Powerware используется технология HotSync. Уникальность этой технологии заключается в отсутствии сигнальных интерфейсных связей между ИБП - ИБП Powerware "видят" друг друга через силовые выходы, равномерно распределяя нагрузку между собой. Технология позволяет использовать до 4 ИБП в параллель.

При этом возможно использование дополнительного кабинета управления, который не является блоком синхронизации или распределения мощности, а содержит коммутационные компоненты режима общего статического Bypass, устройства изоляции модулей ИБП относительно друг друга и контрольно-измерительные элементы для сбора и передачи информации (рис. 2).

резервный источник питание электроснабжение

Рис. 2. Система с параллельным резервированием: BCB - батарейный размыкатель; MBB - переключатель ручного Bypass; MIB - размыкатель ручного Bypass; SBB - статический переключатель; SOB - выходной размыкатель системы; UIB - входной размыкатель модуля; UOB - выходной размыкатель модуля

Для экономии денежных средств совсем не обязательно использовать схему с двойным резервированием, обладающую двойной стоимостью. Например, для нагрузки 600 кВА можно построить систему 2 x 600 кВА, а можно 3 x 300 кВА. В последнем случае схема обладает полуторной избыточностью по мощности и, следовательно, такой же избыточностью по стоимости и является удачным компромиссом между высокой надежностью и экономичностью.

Схемы с параллельным резервированием позволяют производить техническое обслуживание отдельных модулей ИБП, не прерывая процесс защиты критичной нагрузки. Однако для обслуживания системы в целом или ее переконфигурирования, а также для проведения регламентных работ с элементами шины питания нагрузки требуется перевод системы в Bypass или полное отключение нагрузки. Поэтому схемы с параллельным резервированием непригодны в тех случаях, когда работа системы в режиме Bypass недопустима даже на короткое время. Кроме того, в них не предусмотрена защита от сбоев на участке шины питания нагрузки.

Для повышения надежности защиты критичной нагрузки рекомендуется использовать схемы с синхронизированным выходом (LBS) и схемы резервирования шины питания нагрузки (LBR). Но прежде чем перейти к их рассмотрению, остановимся на схеме последовательного резервирования модулей ИБП

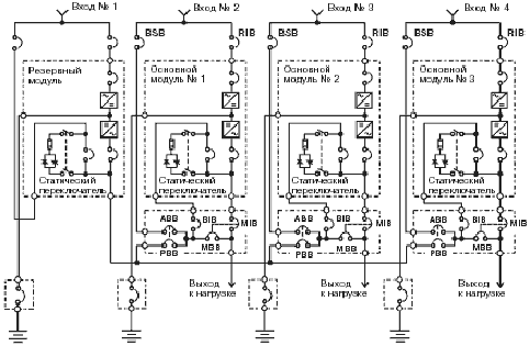
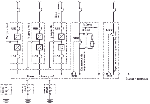
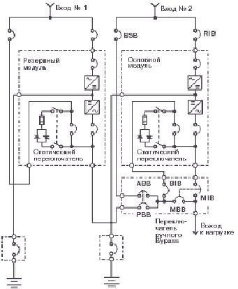
1.3 Системы с последовательным резервированием ИБП


Система с последовательным резервированием состоит из одного или нескольких основных модулей и одного резервного. Каждый основной модуль работает на собственную нагрузку. Резервный модуль используется в качестве первичного источника питания входов Bypass основных модулей системы (рис. 3, 4).

Рис. 3. Простейшая система с последовательным резервированием: ABB - размыкатель резервной цепи Bypass; BIB - размыкатель цепи статического Bypass; BSB - входной размыкатель цепи Bypass; MBB - переключатель ручного Bypass; MIB - размыкатель ручного Bypass; PBB - размыкатель основной цепи Bypass; RIB - входной размыкатель цепи выпрямителя

Такая конфигурация позволяет производить техническое обслуживание основных и резервного модулей без отключения нагрузки и без снятия ее защиты. В этой схеме выходы основных модулей синхронизированы c выходом резервного модуля системы.

При пропадании питания на входе одного из основных модулей ИБП переходит в автономный режим работы и нагрузка потребляет энергию батарейного комплекта данного ИБП. Если к моменту его разряда питание не восстановится, произойдет автоматический переход модуля в Bypass, т.е. на резервный блок. Разумеется, в этом случае резервный блок становится недоступен для оставшихся основных модулей, и при переходе в Bypass второго основного модуля подключенный к нему сегмент нагрузки запитывается от незащищенного входа системы.

Особенности систем с последовательным резервированием ИБП

·              Резервный модуль работает в режиме Off-Line.

·              По входу Bypass основных модулей включен резервный ИБП, а не “грязная” сеть.

·              Данная схема - хороший способ модернизации существующей одномодульной системы для повышения ее надежности путем включения дополнительного резервного модуля.

На основании этого схему с последовательным резервированием можно рассматривать как существенно более надежную в сравнении с одномодульной. Дополнительное преимущество системы с последовательным резервированием заключается в возможности использования разноранговых модулей и разнотипных модулей.

Применение схемы последовательного резервирования, с одной стороны, облегчает обслуживание модулей и переконфигурирование системы, но, с другой стороны, приводит к снижению ее надежности в целом. Подобная конфигурация наиболее эффективна в варианте с двумя модулями. Однако при увеличении количества основных модулей рекомендуется использовать другие схемы резервирования.

Рис. 4. Четырехмодульная система с последовательным резервированием

1.4 Резервирование шины питания нагрузки (LBR)


При необходимости дальнейшего увеличения надежности системы бесперебойного электропитания рекомендуется применять технологию LBR. Ее концепция заключается в использовании 2 независимых систем бесперебойного питания. Мощности каждой из них должно быть достаточно для питания 100-процентной критичной нагрузки. Для повышения надежности рекомендуется подключать их к фидерам независимых трансформаторных подстанций. Нагрузка разбивается на два сегмента, каждый из которых соединен отдельной шиной со своей системой бесперебойного питания. Автоматический переключатель с соответствующим устройством управления, установленный непосредственно в нагрузке, позволяет переводить систему в следующие режимы работы (рис. 5):

·              две независимые системы ИБП независимо питают соответствующие сегменты нагрузки;

·              две независимые системы ИБП подключаются в параллель для питания всей нагрузки в целом;

·              питание всей нагрузки осуществляется одной из систем ИБП.

Рис. 5. Конфигурация LBR: A - вход выпрямителя; B - выход модуля UPS; C - батарейный вход; D - вход цепи статического Bypass; F - выход системы; G - шина питания нагрузки; H - батарейный размыкатель; I - вход цепи ручного Bypass

Преимуществом данной конфигурации является использование двойного выходного фидера в схеме резервирования. Система поддерживает две независимые выходные цепи питания. Схема резервирования непосредственно приближена к нагрузке, и тем самым достигается максимальная надежность системы. Кроме того, появляется возможность технического обслуживания шины питания нагрузки без ее отключения.

Оборудование с дублированными электрическими входами может непосредственно подключаться к двойному фидеру данной системы. В то же время использование распределительных устройств с двойным входом позволяет подключать и нагрузку с единственным электрическим входом.

Основное преимущество конфигурации LBR заключается в том, что любой из ИБП или любой участок цепи может быть отключен без потери напряжения на выходе системы и без перевода нагрузки на питание в режиме Bypass.

1.5 Системы с синхронизацией выхода (LBS)


Схема с синхронизацией выхода (LBS) сходна с технологией LBR. Она состоит из двух независимых систем бесперебойного питания со своими независимыми выходными шинами. Системы обладают достаточной мощностью для питания всей нагрузки целиком, но в отличие от технологии LBR не имеют силовых соединений по выходу модулей (рис. 6). Синхронизация модулей осуществляется с помощью дополнительной цепи синхронизации с точностью до 3 градусов во всех режимах.

Рис. 6. LBS-система: BIB - размыкатель цепи статического Bypass; RIB - входной размыкатель цепи выпрямителя; BCB - батарейный размыкатель

Схема LBS предназначена для питания нагрузки от двух электрически независимых синхронных фидеров. Нагрузка с дублированным электрическим входом подключается к ним непосредственно, а нагрузка с единственным входом предполагает использование дополнительных быстродействующих статических переключателей. В отличие от остальных методов резервирования данная система не имеет уязвимых участков схемы питания на всем пути от ИБП до нагрузки.

Система LBS является более эффективной и надежной в сравнении с одномодульной, параллельной или системой с последовательным резервированием. Это связано с наличием дублирующей шины питания нагрузки.

При проектировании схемы LBS нет необходимости в применении дорогостоящих систем управления, переключателей и др. Достаточно использовать два одномодульных ИБП с дополнительной панелью синхронизации.

Отсутствие электрической связи между выходными фидерами обеспечивает полную независимость одной цепи питания от другой в случае возникновения каких-либо проблем в нагрузке. Синхронизация ИБП осуществляется с помощью цепей синхронизации без силового соединения на их выходе. При этом допускается даже подключение ИБП к независимым трансформаторным подстанциям.

В обычных одномодульных системах ИБП синхронизируются с источником на входе Bypass. Если два ИБП имеют общий источник питания цепи Bypass, они синхронно работают в нормальном режиме эксплуатации. Однако при переходе на батареи, при питании от различных входных фидеров или при асинхронных цепях Bypass выходы ИБП будут рассогласованы.

При проектировании системы LBS используется дополнительный блок синхронизации, состоящий из интерфейсной карты, устанавливаемой в каждом UPS, и настенной панели управления, имеющей небольшие габариты. Блок синхронизации производит минимальный обмен информацией с ИБП. Он активизируется только при появлении рассогласования между фидерами. Отсутствие связей между ним и средствами управления ИБП гарантирует максимальную независимость системы и изоляцию модулей.

Схема с синхронизацией выхода (LBS) является самой экономичной реализацией топологии с двойной шиной питания нагрузки.

Заключение


При построении системы бесперебойного электропитания уже недостаточно полагаться на надежный одномодульный ИБП. Все чаще возникает необходимость проектирования “действительно бесперебойных" схем, допускающих техническое обслуживание и переконфигурирование без отключения нагрузки или рисков, связанных с питанием от “грязной” сети. Предлагаемые технологии LBR и LBS позволяют строить системы с двумя выходными фидерами для устранения всех уязвимых точек в системе энергопитания критичной нагрузки.

Приведенные в данном обзоре пять способов резервирования имеют свои преимущества и недостатки. Одномодульная система является оптимальным решением задач, не требующих непрерывного цикла работы в течение всего срока службы оборудования. Параллельная система обладает большей надежностью и допускает обслуживание в процессе работы. Конфигурация с последовательным резервированием позволяет свести резервирование к уже существующей одномодульной установке. Технология LBR обладает максимальной надежностью и гибкостью в обслуживании всех ее компонентов, включая шину питания нагрузки и установленные на ней силовые коммутационные элементы. Технология LBS позволяет добавить резервную систему бесперебойного питания и внедрить топологию двойной шины питания нагрузки в уже существующую систему.

Литература


1. Кудрин Б.И. Электроснабжение промышленных предприятий. Учебник для вузов. - М.: Интермет Инжиниринг, 2015.

. Кабышев А.В., Обухов С.Г. Расчет и проектирование систем электроснабжения объектов установок: учебное пособие. - Томск: Изд-во ТПУ, 2006. - 248 с.

. Викторенко А.М. Электротехнологические промышленные установки: учебное пособие. - Томск: Изд-во ТПУ, 2014.

. Кабышев А.В. Электроснабжение объектов. Ч1. Расчет электрических нагрузок, нагрев проводников и электрооборудования: учебное пособие. - Томск: Изд-во ТПУ, 2007. - 185 с.

. Кабышев А.В. Электроснабжение объектов. Ч2. Расчет токов короткого замыкания в электроустановках до1000 В: учебное пособие. - Томск: Изд-во ТПУ, 2009. - 168 с.

. Кабышев А.В. Электроснабжение объектов. Ч3. Защиты в электроустановках до1000 В: учебное пособие. - Томск: Изд-во ТПУ, 2010. - 215с.

. Кабышев А.В. Тарасов Е.В. Низковольтные автоматические выключатели: учебное пособие. - Томск: Изд-во ТПУ, 2011. - 346с.