МИНИСТЕРСТВО ОБРАЗОВАНИЯ И НАУКИ РФ
Федеральное государственное бюджетное образовательное учреждение высшего профессионального образования
"НАЦИОНАЛЬНЫЙ
ИССЛЕДОВАТЕЛЬСКИЙ ТОМСКИЙ ПОЛИТЕХНИЧЕСКИЙ УНИВЕРСИТЕТ"
Реверсивный
тиристорный преобразователь - двигатель постоянного тока
Томск 2014
Содержание
Задание
Введение
1. Расчет параметров и выбор элементов тиристорного преобразователя
1.1 Выбор реактора
.2 Выбор силовых тиристоров
.3 Выбор сглаживающего дросселя
.4 Расчёт параметра силовой цепи
2. Проверка обеспечения заданной области существования электромеханических характеристик электропривода
. Расчёт электромеханических характеристик системы тиристорный преобразователь - двигатель
3.1 Двигательный режим. Непрерывный ток
.2 Двигательный режим. Режим прерывистого тока
3.3 Регулировочные характеристики реверсивного тиристорного преобразователя
3.3.1 Расчет регулировочной характеристики СИФУ
3.3.2 Расчет регулировочной характеристики одного комплекта вентилей управляемого выпрямителя
3.3.3 Расчет регулировочной характеристики реверсивного ТП
4. Тиристорный преобразователь как элемент системы автоматического регулирования
4.1 Реальная структура реверсивного тиристорного преобразователя
5. Разработка принципиальной схемы реверсивного тиристорного преобразователя
.1 Описание работы функциональной схемы тиристорного преобразователя
5.2 Описание работы силовой схемы тиристорного преобразователя
.3 Система импульсно фазового управления выпрямителем
.4 Логическое устройство
Заключение
Литература
тиристорный преобразователь дроссель электропривод
Задание
Разработать тиристорный реверсивный преобразователь для двигателя постоянного тока с паспортными данными, приведенными в таблице.
При напряжении сети U=380В и частоте f=50Гц с учетом снижения напряжения сети на 15%.
Схема выпрямления трехфазная мостовая антипараллельная приведена на
рисунке.
Рисунок
Таблица
Тип двигателя
2ПН160МУХЛ4
Мощность, P
4,5кВт
Напряжение, U
440 В
Номинальная частота, nном
950 об/мин
КПД
79 %
Сопротивление якоря, Rя
1,78Ом
Сопротивление добавочных
полюсов, Rдоб.пол.
1,44Ом
Индуктивность якоря, Lя
48,8мГн
Момент инерции, Jдв
0,083 кгм2
Введение
Целью курсовой работы по элементам систем автоматики является закрепление
и систематизация знаний по силовым преобразователям электрической энергии,
развитие навыков самостоятельной работы с использованием специальной
технической литературы.
Для современной техники характерны малогабаритность, энергосбережение,
надежность и, по возможности, простота конструкции. Достичь всех этих
показателей при проектировании каких-либо устройств позволяют электроприводы,
включающие в себя различные силовые энергетические преобразовательные
устройства, обеспечивающие в своем взаимодействии разнообразные статические и
динамические характеристики системы. Одними из широко применяемых в
промышленности преобразователями электрической энергии являются тиристорные
преобразователи для регулируемых электроприводов постоянного тока, которые
обладают практически неограниченной мощностью, высоким КПД и высоким
быстродействием при малой мощности управления.
Тиристорные преобразователи являются универсальным средством
преобразования переменного напряжения питающей сети в регулируемое постоянное.
В состав комплектного тиристорного электропривода входят:
Электродвигатель постоянного тока;
тиристорный преобразователь (ТП) для питания цепи якоря двигателя;
тиристорный преобразователь для питания обмотки возбуждения;
сглаживающий дроссель в цепи якоря двигателя;
система управления электроприводом (со стороны якоря и обмотки
возбуждения);
комплект аппаратов, приборов и устройств, обеспечивающих оперативное
управление, контроль состояния, защиту и сигнализацию электропривода.
Наряду с комплектной поставкой тиристорных электроприводов часто на
практике на производстве необходимо умение провести модернизацию морально и
материально устаревших тиристорных преобразователей. Для этого необходимы
знания и умение грамотно выбрать силовой ТП и рассчитать параметры системы ТП -
двигатель постоянного тока (ДПТ), а также систему его управления.
В настоящем курсовая работа посвящена вопросам выбора составляющих
элементов системы ТП-ДПТ и расчете ее параметров, удовлетворяющих требованию
технического задания.
.
Расчет параметров и выбор элементов тиристорного
преобразователя
.1 Выбор реактора
Расчётное значение выпрямленного напряжения
где Кu2 = 0,428 - расчётный коэффициент,
характеризующий соотношение Кс = 0,85 - коэффициент, учитывающий заданное снижение
напряжения сети;
КR - коэффициент запаса, учитывающий
падение напряжения в тиристорах, обмотках трансформатора, а также за счет
коммутации, КR=0,05-0,1.
Кa -
коэффициент, учитывающий неполное открытие вентилей управляющего
преобразователя;
Iмакс - максимальный ток двигателя;
Iн - номинальный ток двигателя;
Ud.макс - максимальное напряжение на двигателе
В свою очередь:
где aмин - минимальный угол управления, при
раздельном управлении
aмин =5о10о. Для дальнейших
расчётов принимаем aмин = 100;
Номинальный ток двигателя
В соответствии с [3, стр.370] для двигателя 2ПН максимальная
перегрузочная способность по току равна 3Iн в течение 10с. Принимаем величину перегрузки равной 3, тогда
где с - конструктивная постоянная двигателя;
где wн - номинальная скорость вращения
двигателя:
дв.гор. - сопротивление двигателя в горячем состоянии
Rоя+15ос = Rдп
+15ос = с - конструктивная постоянная двигателя
Расчётное действующее значение тока:
где Кi = 1,05 -
коэффициент, учитывающий отклонение формы тока от прямоугольной [1];
Кi2 =0,815 - коэффициент, характеризующий отношение Id = Iн =13А - действующее значение выпрямленного тока.
Выбираем трехфазный токоограничивающий реактор.
Необходимое значение полного сопротивления обмотки фазы реактора
Как рекомендовано в [4], предварительно пренебрегаем активным
сопротивлением обмотки реактора тогда, принимаем где По найденным значениям 1.2 Выбор силовых тиристоров
Выбор силовых тиристоров осуществляется по току и напряжению. Нагрузочная
способность тиристоров определяется максимально допустимой температурой
полупроводниковой структуры, которая не должна быть превышена в любых режимах работы:
длительная работа с номинальным током двигателя; рабочая перегрузка в течение
заданного времени; аварийные режимы в течение времени срабатывания защиты.
Нагрев тиристора зависит от величины и формы тока, а также от условий
охлаждения. Всё это должно быть учтено при правильном выборе вентилей по току.
Для повышения надёжности работы преобразователя рекомендуется устанавливать
вентили на типовых охладителях и применять естественное воздушное охлаждение,
так как при этом будет определённый запас по мощности тиристоров.
Среднее значение тока через тиристор при номинальном токе двигателя:
Максимальная величина обратного напряжения, прикладываемого к вентилю:
где Кзн - коэффициент запаса по напряжению, учитывающий
возможные повышения напряжения питающей сети и всевозможные импульсные
напряжения, вызванные коммутацией [1]. Принимаем Кзн = 1,6.
КUобр - коэффициент схемы по обратному
напряжению [1]. КUобр = 2,09,
Тогда
По найденным значениям Iв и Uв.макс из каталога [2] предварительно выбираем тиристор типа ТД-20
девятого класса. Его параметры приведены в таблице 1.1.
Выбранный тиристор должен пройти ряд проверок по методике предложенной в
[1 и 2]:
1. По предельному току тиристора при заданной температуре окружающей
среды. При этом токе температура полупроводниковой структуры не должна превысить допустимой.
в
< Iп. (1.5)
Таблица 1.1 -Технические данные тиристора ТД -20
Iпк, А
DUпр, В
tрп, 0С
Iпо, А
20
2
125
11
пк - предельный ток тиристора при температуре окружающей среды 400С
и типовом сопротивлении охладителя равном нулю;
DUпр
- прямое падение
напряжения (среднее значение) при токе Iпк ;
tрп -
максимально допустимая температура полупроводниковой структуры тиристора;
Iпо
- предельный ток
тиристора в классификационной схеме при выбранном способе установки и
охлаждения и температуре окружающей среды +40оС.
. На условие обеспечения рабочих перегрузок двигателя (импульсных) при
пуске, торможении, реверсе.
п1 > Iп. (1.6)
3. На условие обеспечения длительной (не импульсной) рабочей перегрузки в
течение некоторого заданного времени.
вп > tдв.п, (1.7)
где tвп - допустимое время рабочей
перегрузки для вентиля;
tдв.п - допустимое время рабочей
перегрузки для двигателя.
Проверим выбранный тиристор по предельному току при заданной температуре
окружающей среды.
Предельный ток тиристора при заданной температуре:
где Uo, Rд - пороговое напряжение и динамическое сопротивление на
спрямлённой прямой ветви вольт-амперной
характеристики вентиля;
tрп -
предельно допустимая температура полупроводниковой структуры, tрп = 125оС;
tс -
температура окружающей среды, tс = 40оС;
Кф - коэффициент формы тока через тиристор. Зависит от угла
проводимости
l [1, таб.1.4]. При Rт - общее установившееся тепловое
сопротивление системы тиристор-охладитель, оС/Вт
где DРдоп.кл
- допустимая мощность потерь в классификационной схеме, определяется по
выражению
где Тогда
Так как Iп = 10,45 А ≥ Iв =4,3А, то условие (1.8) для тиристора ТД - 20 выполняется, и
он не перегреется при длительной работе двигателя.
Проверим тиристор на условие обеспечения кратковременных рабочих
перегрузок при пуске, торможении. Так как нагрузочная диаграмма не дана, то,
как рекомендовано в [1], принимаем самый тяжёлый режим работы, приведенный на
рисунке 2.1.
Рисунок 1.1- Предельная нагрузочная диаграмма двигателя
время работы двигателя в течение цикла:
где tу = 0,2 с - принятое время переходного процесса при
пуске;
– время цикла
2 - время работы одного тиристора за время импульсной перегрузки:
Тогда
Допустимый ток для выбранного вентиля при импульсной нагрузке
где Используя [2, рисунок 10 - 206], определяем:
Тогда
Так как Проверим тиристор на условие обеспечения длительной (не импульсной)
рабочей перегрузки в течение некоторого заданного времени.
где где DРи2
- мощность, выделяемая в вентиле при импульсной рабочей нагрузке;
DРп - мощность, выделяемая в вентиле при длительной перегрузке.
Тогда
По кривым переходного теплового сопротивления [2, рисунок 10-206] для
найденного значения гтп =2,29оС/Вт находим значение
времени t вп ≥1000c. Так как выполняется условие tвп =1000с 1.3 Выбор сглаживающего дросселя
При питании от ТП по двигателю помимо постоянной составляющей тока
протекают переменные составляющие, величина которых зависит от угла управления
и параметров нагрузки. Это приводит к повышению нагрева двигателя, ухудшению
условий коммутации и снижению жёсткости механических характеристик в связи с
расширением зоны прерывистых токов.
Включение сглаживающего дросселя в якорную цепь позволяет ограничить
величину переменных составляющих и, тем самым, улучшить использование
двигателя, его коммутацию и его электромеханические характеристики, однако
одновременно вызывает увеличение габаритов и веса электропривода, его стоимость
и ухудшение динамических свойств.
В регулируемом электроприводе индуктивность сглаживающего дросселя
выбирается из условия уменьшения зоны прерывистых токов при раздельном
управлении преобразователем до уровня минимального значения тока нагрузки (или
тока холостого хода двигателя) и ограничения пульсаций тока двигателя до
допустимых значений.
Определим величину индуктивности сглаживающего дросселя из условий
ограничения зоны прерывистых токов. При определении необходимой величины
индуктивности сглаживающего дросселя необходимо учитывать, что наибольшая
ширина зоны прерывистых токов при раздельном управлении имеет место при угле
управления a = 90о,
тогда минимальное значение индуктивности цепи выпрямленного тока (тока
нагрузки) для получения гранично-непрерывистого режима определяется выражением
Тогда
Определим необходимую величину индуктивности сглаживающего дросселя из
условия ограничения пульсаций выпрямленного тока:
где р(1)% - допустимое действующее значение первой гармоники
выпрямленного тока в процентах, р(1)% = 2 ¸ 15 % [1, стр.20]. Принимаем р(1)%
=15 %.
Тогда
Определяем индуктивность добавочного дросселя
где Тогда
По источнику [1, таблица 1.6] выбираем сглаживающий дроссель РТП - 11,
имеющий следующие параметры: индуктивность 1.4 Расчёт параметра силовой цепи
Расчётное сопротивление силовой цепи
где где Тогда
Расчётное значение индуктивности силовой цепи
Электромагнитная постоянная силовой цепи
2. Проверка обеспечения заданной
области существования электромеханических характеристик
электропривода
Заданная область существования электромеханических характеристик
электропривода (замкнутой системы), ограниченная значением w=±wmax и зависимостью ±Iдоп(w), должна полностью располагаться внутри области
существования характеристик проектируемой системы преобразователь-двигатель.
Последняя в свою очередь ограничена предельными характеристиками,
соответствующими работе проводящей группы вентилей в режиме предельного
инвертирования, а в выпрямительном режиме при минимальном угле управления.
Выполнение этого условия требует значительного запаса по напряжению и мощности
преобразователя и силового трансформатора. Поэтому такой подход может быть
рекомендован только при проектировании электроприводов, от которых требуется
реализация предельных динамических возможностей исполнительных двигателей. В
остальных случаях можно без значительного снижения быстродействия облегчить
требования к запасу по напряжению и мощности. Однако и в этом случае должны
быть выполнены следующие условия: при пониженном напряжении сети и работе
преобразователя в выпрямительном режиме с минимальным углом управления
электромеханическая характеристика разомкнутой системы должна быть расположена
выше точки с координатами w=wmax и I=Iном, а при реверсировании электропривода
должно обеспечиваться безопасное инвертирование при допустимом токе двигателя.
Определяем значение минимального угла управления в выпрямительном режиме
(при этом угле электромеханическая характеристика силовой части электропривода
будет проходить через точку w=wmax и I=Iн)
где Еdo среднее
значение выпрямленной ЭДС преобразователя при угле управления где Полученное значение угла управления Электромеханическая характеристика имеет вид прямой линии, поэтому для её
построения достаточно найти две точки, например при Idв = 0 и Idв
= Iмакс =39 А.
Для группы вентилей, работающей в режиме предельного инвертирования,
электромеханическая характеристика записывается следующим образом [1]:
где В режиме предельного инвертирования значение тока берем отрицательным,
так как при инвертировании (тормозной режим) направление тока будет против
направления тока в двигательном режиме.
Аналогично выпрямленному режиму находим две точки характеристики
предельного инвертирования:
Электромеханические характеристики для режима предельного инвертирования
и выпрямления с минимальным углом управления изображены на рисунке 2.1.
Рисунок 2.1 - Область существования электромеханических характеристик
Из рисунка 2.1 видно, что характеристика группы , работающей в выпрямительном
режиме лежит ниже т.1 с координатами Id=Iдв.н =13А и ω=
ω н =99,4с-1, что говорит о
том, что при номинальной нагрузке и при пониженном напряжении сети
преобразователь при прямом включении в сеть не обеспечивает номинальную
скорость двигателя. Работа электропривода в области "В" в
выпрямительном режиме невозможна из-за ограничения минимального значения угла
управления 3. Расчет электромеханических
характеристик системы
тиристорный преобразователь-двигатель
.1 Двигательный режим. Непрерывный ток
Скорость вращения вала электродвигателя:
где a - угол включения тиристора, отсчитываемый от точки естественной
коммутации;
DUв
= 2В - прямое
падение напряжения на тиристоре.
Рассчитываем значение угла a для обеспечения скоростей w = ± wн; ± 0,8×wн; ± 0,6×wн;
± 0,4×wн; ± 0,2×wн.
Произведя ряд преобразований над (20) получим:
Аналогичным образом рассчитываются остальные углы управления.
Данные расчёта сведём в таблицу 3.1.
Таблица 3.1 - Результаты расчётов углов управления
w, с-1
-wн
- 0,8wн
- 0,6wн
- 0,4wн
- 0,2wн
0,2wн
0,4wн
0,6wн
0,8wн
wн
a, град
120
115
108,5
99,6
91
73,6
64,3
54,3
42,8
28
Найдём значение скорости w для угла a
=52о из таблицы 3.1 при токе
d = Iн.=13А
.2 Двигательный режим. Режим прерывистого тока
Расчеты проводим с помощью программы МathCAD с использованием следующих расчётных выражений:
При угле открывания вентиля Тогда
Так как в цепи якоря присутствует индуктивность Lяц и Rяц
, то ток якоря
отстаёт от напряжения на угол Q
Граничное значение ЭДС в относительных единицах
Граничное значение тока в относительных единицах
Границы характеристики режима прерывистого тока
Текущие относительные средние значения скорости Абсолютные величины значения скорости Результаты расчетов приведены на рисунке 3.1.
Рисунок 3.1 - Электромеханические характеристики в режимах непрерывного
тока и прерывистого токов
3.3 Регулировочные характеристики реверсивного тиристорного преобразователя
.3.1 Расчет регулировочной характеристики СИФУ Расчетное выражение для СИФУ с линейным опорным напряжением
где Минимальный угол управления равен: Максимальный угол инвертирования Принимаем Согласно [5] при настройке СИФУ размах опорного напряжения выбирают: По выражению (25), задаваясь углом управления Таблица 3.2
10
90 139
6,1
1,67
0
-1,06
10
90
120
139
-6,1
-1,67
0
1,06
Рисунок 3.3- Регулировочные характеристики СИФУ
На рисунке 3.3 приведены регулировочные характеристики СИФУ, построенные
по данным таблицы 3.2.
.3.2 Расчет регулировочной характеристики одного комплекта вентилей
управляемого выпрямителя
В режиме непрерывного тока, где Id ≥ Iгр, расчет ведется по выражению
Рассчитанные значения сведены в таблицу 3.3, по которым на рисунке 3.4
построена регулировочная характеристика одного комплекта вентилей.
Таблица 3.3
a, град
10
30
48
66
84
90
100
110
120
139
Uу,.В
6,1
5
4
3
2
1,67
1,11
0,55
0
-1,06
Евп.,В
506
445
344
209
53,7
0
-89,2
-176
-257
-388
Рисунок 3.4 - Регулировочная характеристика тиристорного преобразователя
одного комплекта вентилей
.3.3 Расчет регулировочной характеристики реверсивного ТП
В режиме непрерывного тока расчет э.д.с. ВП ведется по выражению
Рассчитанные значения сведены в таблицу 3.4, по которым на рисунке 3.5
построена регулировочная характеристика реверсивного ВП в режимах прерывистого
и непрерывного тока.
Регулировочные характеристики в режиме непрерывного тока для первой Евп1(Uу) и второй группы Евп2(Uу)
Таблица 3.4
Uу1,.В
6,1
5
4
3
2
1,67
1,11
0,55
0
-1,06
Eвп1,В
506
445
344
209
53,7
0
-89,2
-176
-257
-388
Uу2,.В
-6,1
-5
-4
-3
-2
-1,67
-1,11
-0,55
0
1,06
Eвп2,В
-506
-445
-344
-209
-53,7
0
89,2
176
257
388
Рисунок 3.5 - Регулировочные характеристики реверсивного тиристорного преобразователя
4. Тиристорный преобразователь как
элемент системы автоматического регулирования
.1 Реальная структура реверсивного тиристорного преобразователя
Современные реальные полупроводниковые силовые преобразовательные
установки являются частью, обычно достаточно сложной, системы автоматического
управления и регулирования агрегатам и технологическим процессом.
При реализации высоких требований к быстродействию и качеству систем
автоматического управления, содержащих силовые полупроводниковые
преобразователи, установлено что, эти преобразователи не идеальны. Переходные
процессы соизмеримы по длительности с периодом питающего напряжения, а также с
интервалом дискретности преобразователя, могут существенно отличаться от
расчетных, если не учитывать динамических свойств преобразователя, полагая, что
он является непрерывным, безынерционным элементом. Кроме того, в таких замкнутых
вентильных системах могут возникать специфические режимы автоколебаний на
основной и низших субгармониках, приводящих к неработоспособности
преобразовательной установки.
Группа преобразователей с естественной коммутацией, включающая управляемы
выпрямители, ведомые сетью инверторы, имеет сложные динамические процессы.
Кроме нелинейной дискретности, обусловленной импульсным характером переключения
цепей, необходимо учитывать неполную управляемость силовых полупроводниковых
вентилей, а также переменность структуры силовой цепи преобразователя,
вызванного наличием коммутационного интервала, соизмеримо по длительности с
интервалом дискретности преобразователя.
Общим для преобразователей этих групп является, кроме нелинейности
дискретности необходимость учета действия фактора пульсаций, отражающего
прохождение пульсационной составляющей выходного сигнала замкнутому контуру
системы автоматического управления.
Переходный процесс в тиристорном преобразователе под действием
обобщенного управляющего сигнала полностью детерминирован свойствами системы
импульсно-фазового управления СИФУ собственного тиристорного преобразователя ТП
и силовой системы .
В этом комплексе систему импульсно-фазового управления и силовую схему
можно отнести к обычным линейным и линеаризованным динамическим звеньям. Удобно
считать, что система управления является непрерывным звеном, а ее выходной
сигнал α(t)-непрерывной функцией времени, т.е.
система управления имеет бесконечно большое число каналов управления. Тем самым
учет дискретных свойств вентильного преобразователя возлагается на второе звено
комплекса.
Силовая схема преобразователя даже в предположении постоянства ее
параметров не может быть строго описана как линейно динамическое звено
вследствие скачкообразного изменения коэффициентов дифференциальных уравнений
при коммутации вентилей. Однако при определенных допущениях, силовая цепь
преобразователя с достаточным приближением представляется как некоторое
эквивалентное звено. Таким образом, статические характеристики и динамические
свойства системы управления и силовой цепи преобразователя можно учитывать как
известные элементы, входящие в систему автоматического управления.
Основная специфика динамических свойств вентильного преобразователя
проявляется в поведении среднего звена его структурной схемы, входной
координатой которого является угол управления α(t), а выходной - кусочно-непрерывная
кривая внутренней ЭДС е(t).
Непрерывный процесс α(t) определяет дискретные моменты открывания вентилей Кi как точки пересечения с фазовой
диаграммой. Дискретные значения αi однозначно определяют
кусочно-непрерывную ЭДС преобразователя е(t). Нелинейное дискретное преобразование непрерывной входной
координаты α(t) в точечные значения αi, не образующие в общем случае решетчатой функции из-за
переменности интервала, а затем обратное преобразование этих дискретных
значений αi в
кусочно-непрерывный сигнал входной координаты е(t) сопутствие этим преобразованиям неполной управляемости
вентилей и затерянности полученного выходного сигнала в пульсациях, снова попадающих
на вход преобразователя благодаря замкнутой структуры системы регулирования.
Все эти факторы вносят специфику в статику и динамику быстродействующих
замкнутых вентильных систем и могут порождать нежелательные режимы.
Тиристорный преобразователь, как динамическое звено, согласно [5], можно
представить апериодическим звеном с передаточной функцией
где 5. Разработка принципиальной схемы
реверсивного тиристорного преобразователя
.1 Описание работы функциональной схемы тиристорного преобразователя
На рисунке 5.1 приведена функциональная схема реверсивного ТП
с раздельным управлением. При раздельном управлении комплектами вентилей
тиристорного преобразователя применяется одно СИФУ и для изменения направления
протекания тока нагрузки логическое переключающее устройство (ЛПУ) с помощью
переключателей характеристик (ПХ) одновременно изменяет знак напряжения
управления на входе СИВУ и подключает выходы усилителей импульсов УИ к цепям
управления тиристоров противоположной группы вентилей. Временная задержка
("бестоковая пауза) при переключении групп вентилей "Вперед" и
"Назад" выбирается в зависимости от порона срабатывания датчика
проводимости вентилей (ДПВ) в пределах от 0,5 до 5мс.
Рисунок 5.1 - Функциональная схема реверсивного тиристорного
преобразователя:
ТП - тиристорный преобразователь Гр.В и Гр.Н - реверсивные группы
тиристоров направления "ВПЕРЕД" и "НАЗАД", М - двигатель,
ДПВ - датчик проводимости вентилей, L- сглаживающий дроссель, ЛПУ - логическое переключающее устройство; СИФУ
- система импульсно-фазового управления, ПХ - переключатель характеристик , Uуп - напряжение управления, Ф -
фазосдвигающий фильтр напряжения синхронизации Uсинхр. , УО - управляющий орган
.2 Описание работы силовой схемы тиристорного преобразователя
Силовая схема тиристорного преобразователя (рисунок 5.2) выполнена по
трёхфазной мостовой реверсивной схеме выпрямления с раздельным принципом
управления преобразователем. ТП выполнен на тиристорах VS1-VS12. для защиты
тиристоров от перенапряжений включены защитные RC - цепочки [5].
Рисунок 5.2 - Силовая схема
Особенностью трёхфазных мостовых выпрямительных схем является
необходимость подачи на управляющие электроды тиристоров, двух импульсов
подаваемых через 60 электрических (эл.) градусов. Это связано с тем, что в
мостовой схеме одновременно проводят ток два вентиля: вентиль, к аноду которого
прикладывается наибольшее положительное напряжение, и вентиль, к катоду которого
прикладывается наибольшее отрицательное напряжение (рисунок 5.3).Таким образом,
второй импульс обеспечивает неразрывность цепи при коммутации тока. Сдвиг между
парами импульсов одной группы составляет 120 эл. градусов, а между парами
импульсов одной фазы разных групп 180 эл. градусов.
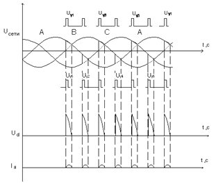
Нумерация тиристоров на рисунках 5.3, 5.4, 5.5 соответствует очерёдности
их включения в процессе работы [5].
Рисунок 5.3 - Силовая схема одной группы вентилей
Пульсации выходного напряжения преобразователя в 6 раз превышают частоту
сети, что обеспечивает высокий коэффициент использования двигателя, равный 98%,
и создаёт благоприятные условия для поддержания непрерывного тока без
дополнительных сглаживающих элементов в силовой схеме.
Рисунок 5.4 - Диаграмма подачи импульсов управления по фазам при
непрерывном токе
Рисунок 5.5 - Диаграмма подачи импульсов по фазам при прерывистом токе
.3 Система импульсно фазового управления ТП
СИФУ предназначена для формирования и синхронизации подачи управляющих
импульсов на силовые тиристоры [5].
Силовая схема электропривода состоит из силового согласующего
трансформатора и двух полностью управляемых выпрямителей, выполненных по
трёхфазной мостовой схеме, включенных встречно-параллельно и работающих по
принципу раздельного управления.
Общая для двух групп вентилей реверсивного преобразователя системы
импульсно фазового управления (СИФУ) выполнена по вертикальному принципу и
состоит из трёх одинаковых каналов управления, каждый из которых поочерёдно в
зависимости от полуволны питающего напряжения формирует управляющие импульсы на
тиристоры анодной или катодной группы соответствующей фазы X,Y или Z.
Функциональная схема канала СИФУ для одной фазы приведена на рисунке 5.6,
диаграммы напряжений, поясняющих работу элементов СИФУ, приведены на рисунке 5.7.
Основные элементы канала СИФУ : фильтр Ф (RP1, R51, C51), пороговые элементы ПЭ1 (D11) и ПЭ2 (D12), генератор опорного (пилообразного) напряжения ГОН (VT1,D13), нуль орган НО (D14), формирователь длительности импульсов ФДИ (VT12), усилители импульсов УИ (VT15) и УИ2 (VT16)
и импульсные трансформаторы TV1 и TV7, TV4 и TV10 .
Синхронизирующее фазное напряжение Ucx, поступающее от источника
синусоидальных синхронизирующих напряжений ИСН (трансформаторы TV13, TV14 и TV15 )
сдвигается по фазе фильтром Ф на угол 32.8 градусов. С выхода фильтра
синхронизирующее напряжение поступает на пороговые элементы ПЭ1 и ПЭ2, где
преобразуется в прямоугольные разнополярные импульсы. Длительность
отрицательных импульсов определяет длительность рабочего участка опорного напряжения
и, следовательно, зону разрешения выдачи управляющих импульсов на тиристоры,
зависит от величины напряжения смещения Uсм и составляет примерно 173 градуса. ГОН на интервале каждого
периода фазного напряжения формирует два импульса пилообразного напряжения
специальной формы (рисунок 5.7). Положительный выброс опорного напряжения
примерно в 2 В формируется резистором R58 и диодом VD54 в цепи
обратной связи усилителя D13 и
предназначен для исключения срыва генерации управляющих импульсов в области
минимальных углов управления. Амплитуда пилообразного напряжения регулируется
резистором RP2.
Опорное напряжение, поступающее с выхода D13, и управляющее напряжение, поступающее с выхода D24, сравниваются на входе нуль органа
D14. Выходное напряжение НО дифференцируется
конденсатором C59, при этом положительный импульс
открывает транзистор VT12,
усиливается и через одну из схем совпадения (VT13 или VT14),
на втором входе которой в это время положительное напряжение с выхода одного из
ПЭ, открывает соответствующий импульсный усилитель VT15 или VT16.
На вторичной обмотке импульсного трансформатора, на первичную обмотку которого
с помощью транзисторных ключей VT31
или VT32 подано положительное напряжение,
формируется управляющий импульс для силового тиристора фазы группы В или Н
длительностью около 200 микросекунд.
Усилители импульсов имеют два входа: один для "своего"
импульса, другой для "чужого", идущего с другого канала СИФУ. Это
необходимо для получения сдвоенных импульсов (сдвинутых на 60 градусов),
обеспечивающих нормальную работу трёхфазной мостовой схемы выпрямления в режиме
прерывистых токов.
Переключатель характеристик ПХ обеспечивает формирование однополярного
отрицательного управляющего напряжения Uу для СИФУ вне зависимости от работы комплекта тиристоров В
или Н (рисунок 5.9).
В состав схемы ПХ входит: инвертор D23 суммирующий усилитель D24 и транзисторные ключи VT33 и VT34.
Транзисторные ключи управляются логическим устройством ЛУ. При отключенном
приводе оба ключа открыты, при включении привода один из ключей в зависимости
от работающего комплекта тиристоров закрывается. На вход ПХ подается напряжение
с выхода регулятора тока Uрт, которое в зависимости от того,
какой из транзисторных ключей VT33
или VT34 закрыт, подаётся на вход
суммирующего усилителя D24
непосредственно или через инвертор D23. Через другой открытый ключ на второй вход D24 подаётся положительное напряжение +9,4 В с конденсатора C79. Переменным резистором RP8 устанавливается начальное значение
управляющего напряжения Uу=-6,1В (при Uпт=0), что соответствует начальному углу управления
преобразователя aнач=120
градусов [5].
Регулировочная характеристика ПХ (рисунок 5.8), СИФУ и результирующая
системы управления тиристорным преобразователем (рисунок 5.9) описываются
следующими выражениями:
где Uсм= -6,1 В;
где aмин³ 10 градусов - минимальный угол управления;
где "+" - соответствует работе комплекта тиристоров Н.
"-" - соответствует работе комплекта тиристоров В.
Принципиальная электрическая схема СИФУ приведена на рисунке 5.13 [5].
.4 Логическое устройство
Логическое устройство (ЛУ) осуществляет управление силовыми тиристорными
комплектами преобразователя и выполняет следующие функции:
·
выбор нужного
комплекта тиристоров преобразователя, для чего с помощью ключей VT31 и VT32 подаётся питание на первичные обмотки импульсных
трансформаторов тиристоров выбранного комплекта, а с помощью ключей VT33 и VT34 выбирается соответствующая характеристика ПХ;
·
переключение
комплектов тиристоров преобразователя при Id=0;
·
формирование
временной задержки на включение вступающего в работу комплекта тиристоров;
Схема ЛУ реализована на двух микросхемах D20 и D27 и
имеет два входа: блокирующий вход XT4-8, на который подаётся управление с коллектора транзистора VT61 схемы включения преобразователя, и
управляющий вход ХТ4-9, на который подается управление с выхода релейного
элемента Д49.
Работа ЛУ поясняется таблицей 5.1.
Примечание: З - транзисторный ключ закрыт, О - транзисторный ключ открыт.
Конденсаторы C80 и C81 обеспечивают временную задержку на
включение вступающего в работу комплекта тиристоров на время заряда
конденсатора от источника +15 В (примерно 4 миллисекунды). Релейный элемент на
микросхеме D49 (с положительной обратной связью)
имеет два входа: на инвертирующий напряжение подаётся с выхода РС (контрольная
точка I66); на не инвертирующий - напряжение
с выхода РТ (контрольная точка I67).
Работа релейного элемента поясняется диаграммами напряжений, приведёнными на
рисунке 5.11 и снятыми при запаянных резисторах R342 и R347.
В контрольной точке (к.т.) I66
показано напряжение с выхода РС, в к.т. I67 - с выхода РТ. Когда Uрс становится отрицателен, Uрт через некоторое время становится положителен, оба сигнала
приходя на входы D49 именно в такой полярности,
переводят его выход в положительное насыщение. И блок логики получает
информацию о направлении вращения вала двигателя.
Принципиальная электрическая схема блока логики приведена на рисунке 5.12
[5].
Рисунок 5.12 - Блок логики
Рисунок 5.13 - Принципиальная электрическая схема СИФУ
Заключение
В результате проделанной курсовой работы произведен расчет параметров и
выбор элементов тиристорного преобразователя, расчет и построение характеристик
таких как: электромеханические характеристики системы тиристорный
преобразователь-двигатель, регулировочные характеристики преобразователя.
Показали, что в тиристорном преобразователе при раздельном управлении
существует область прерывистых токов в области малых нагрузок. Вследствие
наличия области прерывистых токов двигатель в системе тиристорный
преобразователь-двигатель становится плохо управляемым, скорость его резко
возрастает, т.е. характеристики в этой области двигателя становятся существенно
нелинейными, что неблагоприятно сказывается на работе привода. Разработаны
принципиальные схемы силовой части реверсивного тиристорного преобразователя,
СИФУ, блока логики. Дано описание их работы.
Литература
1. Л.С. Удут, О.П. Мальцева, Н.В. Кояин
Проектирование автоматизированных тиристорных электроприводов постоянного тока.
Учебное пособие по курсовому проектированию. Томск, изд. ТПИ им. С.М. Кирова,
1991.-104с.
. О.Г. Чебовский, Л.П. Моисеев, Ю.В. Сахаров Силовые
полупроводниковые приборы. Справочник. М.: Энергия, 1975.-440с.
. Справочник по электрическим машинам /Под общей редакцией
И.П. Копылова и Б.К. Клокова / В 2т. Т.1. - М.: Энергоатомиздат, 1988.- 456с.
4. Удут Л.С., Кояин Н.В., Мальцева О.П. Проектирование и
исследование автоматизированных электроприводов. Ч. 4. Тиристорные
преобразователи для электроприводов постоянного тока: Учебное пособие.- Томск:
Изд-во ТПУ, 2003.-152с.
. Чернов Е.А., Кузьмин В.П. Комплектные электроприводы
станков с ЧПУ: справочное пособие.- Горький: Волго-Вятское кн. Из-д-во, 1989.-320
с.,ил.
В , (1.1)
в идеальном выпрямителе [1, таблица
1.1];
,
где
к.п.д. двигателя.
А;
, (1.2)
рад/c;
Ом,
;
- температура перегрева обмоток двигателя (принимаем
, т.к. класс нагревостойкости
изоляции F и допустимая рабочая температура
обмоток 130о); [4];
,
Ом - сопротивление обмотки
якоря при 15оС;
Ом - сопротивление дополнительных
полюсов при 15оС,
В×с/рад;
В;
В.
=1,05· 0,815·13 =11,1А, (1.3)
и мостовой схемы выпрямления [1,
таблица 1.1];
![]()
Ом,
В - фазное напряжение питающей сети,
- напряжение короткого замыкания.
, определим необходимое значение
индуктивности обмотки фазы реактора:
Гн.
с-1 - угловая частота питающей сети.
,
выбираем [4] трехфазный токоограничивающий реактор РТСТ -
20,5-2,02 с параметрами Uл
=410В, Idн=20,5А,
Ом,
Гн.
А.
, В, (1.4)
В.
А, (1.8)
- Кф=1,73 при форме тока прямоугольной;
В;
Ом.
оС/Вт,
Вт,
=1,57 - коэффициент формы тока через вентиль в
классификационной схеме из таблицы 1.4 [1];
oС/Вт;
А.
с,
с;
, где N -
число включений одного вентиля за время t1; Tв - проводимости вентиля
с,
.
с.
А, (1.9)
- допустимая мощность в импульсе, при которой структура
тиристора не перегревается;
,
,
- переходные тепловые сопротивления вентилей для
соответствующего времени.
оС/Вт;
оС/Вт;
оС/Вт.
Вт;
А.
А >
А, то условие (1.9) для тиристора
ТД-20 выполняется, и он удовлетворяет требованиям по обеспечению рабочих
перегрузок двигателя (импульсных) при пуске, торможении и реверсе.
>
,
- допустимое время рабочей перегрузки для вентиля;
- допустимое время рабочей перегрузки для двигателя: из
справочника [3] для двигателей марки 2ПН при трехкратной перегрузке находим
с. Определение
для вентиля осуществляется следующим
образом. Определяется допустимое значение переходного теплового сопротивления
вентиля при перегрузке:
, (1.10)
Вт;
Вт.
оС/Вт.
t дв.п =10с , то окончательно выбираем
тиристор ТД-20.
, (1.11)
;
А - значение начально-непрерывного тока при угле управления a = 90о [3, стр. 9].
Гн,
, (1.12)
- действующее значение первой гармоники пульсирующего
напряжения при угле управления a = 90о;
В;
Гн.
, (1.13)
Гн - принимается равной большей из
и
;
- суммарная индуктивность фазы реактора
Гн.
Гн.
мГн; допустимый ток
А; активное сопротивление
Ом.
, (1.14)
- сопротивление фазы реактора в контуре выпрямленного тока,
Ом;
- сопротивление, вносимое за счёт коммутации анодных токов;
Ом,
Ом - индуктивное сопротивление фазы токоограничивающего
реактора;
- индуктивность фазы токоограничивающего реактора, Гн,
=6 - число пульсов управляемого выпрямителя.
Ом.
- суммарная индуктивность фазы в контуре выпрямленного тока
Гн.
Гн.
с.
, (2.1)
(ЭДС холостого хода)
В,
=0,428- коэффициенты схемы выпрямления по напряжению, для
трехфазной мостовой схемы
о.
выходит за рамки рекомендуемых
значений (5¸10) [1],
поэтому принимаем
о.
рад/с;
рад/с.
, (2.2)
;
- угол, соответствующий времени восстановления запирающих
свойств тиристора tв. Принимаем tв=70 мкс [2].
о;
- предельно допустимое значение асимметрии импульсов
управления. Принимаем
, тогда
о.
рад/с;
рад/с.
≥
=10о. Наличие области "В" говорит о
неполном использовании динамического момента при пуске двигателя на
максимальную скорость [4]. Характеристика предельного инвертирования для второй
группы вентилей (
=3,3о) пересекает область существования
электромеханических характеристик , ограниченную отрезками Id=-Iмакс =-39А и ω = ω н =99,4с-1. Таким образом,
спроектированная силовая часть электропривода при скорости ω
н =99,4с-1. не удовлетворяет
поставленным требованиям. Поэтому, чтобы обеспечить выполнение условия
безопасного инвертирования в ТП при прямом включении в сеть необходимо при
пониженном напряжении сети ограничить рабочую скорость двигателя до значения ω
огр. макс =73,3с-1.
; (3.1)
- среднее значение выпрямленной ЭДС в режиме непрерывного
тока;
. (3.2)
о.
рад/с.
- угол открывания, измеренный от начала синусоиды
о,
; (3.3)
. (3.4)
используем для расчёта формулу 3.3
[4], а если
, то используем для расчёта выражение 3.4.
, рад/c.
о.
; (3.5)
.
рад/c;
А.
и тока
при изменении длительности тока l рассчитываются при изменении 0 ≤
l ≤
по выражениям:
;
.
и тока
находятся по выражениям
рад/с ;
А .
град, (3.6)
=120 град - начальный угол управления ВП;
.
определяем согласно методике,
изложенной в [5]:
.
=139о.
В, а максимальное напряжение
управления составляет
В, тогда вводится понятие коэффициента управляющего органа
, значение которого определяют исходя
из условия обеспечения максимального диапазона регулирования угла управления в
сторону его уменьшения
:
.
<
<
, строим регулировочные
характеристики СИФУ. Текущие значения характеристики приведены в таблице 3.2.
,град
,В
,град
,В
.
,
,
- коэффициент усиления тиристорного преобразователя;
, град/В - коэффициент передачи системы управления ТП;
, В/град - коэффициент усиления управляемого выпрямителя.
;
с - постоянная времени СИФУ, определяемая дискретностью
управления (время среднестатистического запаздывания при управлении ТП) и
равная постоянной времени ТП.
(5.1)
(5.2)
, В - размах опорного напряжения;
, (5.3)
, град., - начальный угол управления;
Рисунок 5.6 -
Функциональная схема канала СИФУ
Рисунок 5.7 -
Диаграммы напряжений элементов СИФУ
Рисунок 5.8 -
Диаграмма напряжения генератора опорного напряжения
Рисунок 5.9 -
Диаграмма напряжений переключателя характеристик

Рисунок 6.10
- Результирующая системы управления тиристорным преобразователем
Таблица 5.1 -
Параметры логического устройства в контрольных точках
Рисунок 5.11
- Диаграмма работы релейного элемента