Материал: Регулируемый электропривод судового вентилятора по системе преобразователь частоты – асинхронный двигатель с к.з. ротором

Внимание! Если размещение файла нарушает Ваши авторские права, то обязательно сообщите нам

Регулируемый электропривод судового вентилятора по системе преобразователь частоты – асинхронный двигатель с к.з. ротором

Федеральное агентство по образованию

Государственное образовательное учреждение высшего

Профессионального образования

«НАЦИОНАЛЬНЫЙ ИССЛЕДОВАТЕЛЬСКИЙ ТОМСКИЙ ПОЛИТЕХНИЧЕСКИЙ УНИВЕРСИТЕТ»

Электротехнический институт

Направление140600-Электротехника, электромеханика и электротехнологии

Кафедра электропривода и электрооборудования





РЕГУЛИРУЕМЫЙ ЭЛЕКТРОПРИВОД СУДОВОГО ВЕНТИЛЯТОРА ПО СИСТЕМЕ ПРЕОБРАЗОВАТЕЛЬ ЧАСТОТЫ - АСИНХРОННЫЙ ДВИГАТЕЛЬ С К.З. РОТОРОМ

Пояснительная записка к курсовому проекту по дисциплине

«Электрооборудование промышленности»

ФЮРА 45.41.31.001.ПЗ


Исполнитель

Студент гр. 7А64 В.В. Баранов



Томск - 2010

Реферат

Ключевые слова: вентилятор, асинхронный электродвигатель, частотное управление, преобразователь частоты, охладитель, автоматический выключатель, снаббер, искусственные характеристики, естественные характеристики.

Цель работы - выбор двигателя и преобразовательного устройства для судового вентилятора.

В процессе проектирования проводились расчет и выбор электодвигателя, основных силовых элементов системы регулируемого электропривода, типа и сечения силового кабеля и кабеля для вспомогательного оборудования; выбор преобразовательного устройства; расчет энергетических показателей электропривода; расчет и построение естественных и искусственных механических и электромеханических характеристик системы регулируемого электропривода, расчет электромеханических переходных характеристик.

Содержание

Введение

. Расчет и выбор силового оборудования системы

.1 Расчет мощности двигателя и предварительный его выбор

.2 Выбор преобразовательного устройства для системы

. Расчет статических и динамических характеристик для разомкнутой системы регулируемого электропривода

.1 Расчет естественных механических и электромеханических характеристик системы регулируемого электропривода

.2 Расчет искусственных механических и электромеханических характеристик системы регулируемого электропривода для заданного диапазона регулирования скорости

. Расчет и выбор аппаратов защиты, сечения и типа кабеля

.1 Выбор аппаратов защиты

3.2 Расчет и выбор сечения и типа кабеля для силовой цепи и цепи управления

3.3 Основные энергетические характеристики систем электропривода

. Расчет параметров структурной схемы

4.1 Составление структурной схемы системы регулируемого электропривода

4.2 Расчет коэффициентов усиления и постоянных времени системы

4.3 Расчет переходных процессов при различных заданиях

. Разработка функциональной схемы системы регулируемого электропривода

Заключение

Список литературы

Введение

Вентиляторы - это машины, перемещающие газовые среды при степени повышения давления до 1.15 (степенью повышения давления называется отношение давления газа на выходе из машины к давлению на ее входе). Наличие вращающегося колеса с лопастями является отличительным признаком лопастных машин. Схемы лопастных машин приведены на рис.1. Поток жидкости или газа, проходя через рабочее колесо 1 с лопастями 2 машин центробежного типа (ЦМ), изменяет свое направление под углом 90є, в осевых машинах (ОМ) он перемещается вдоль оси рабочего колеса 3 с лопастями 4, а в вихревых (ВМ) - по периферии рабочего колеса 5 с лопастями 6.

Рисунок 1 Схемы лопастных машин: а) - центробежного типа; б) - осевого типа; в) - вихревого типа

Вентиляторы являются машинами массового применения. Около 8% всей электроэнергии, вырабатываемой в стране, расходуется на электропривод вентиляторов. Техническое совершенство и экономичность электроприводов вентиляторов в значительной степени определяет рациональность использование электроэнергии в народном хозяйстве. Под экономичностью электропривода следует понимать не только его минимальную стоимость и высокие энергетические показатели, но и такое качество электропривода, как регулируемость. Высокая экономичность электропривода позволяет вентиляторам производить работу, необходимую по технологическим условиям, с наименьшими энергетическими затратами.

Мощность вентиляторов лежит в весьма широких пределах - от единиц до нескольких тысяч киловатт. Крупнейший из вентиляторов имеет мощность до 5000 кВт. Скорость вращения рабочего колеса вентиляторов также совершенна различна: от сравнительно тихоходных (около 100 об/мин) вентиляторов крупных градирен, до сверхбыстроходных вентиляторов, скорость рабочего колеса которых достигает 20000 об/мин.

Целью данного курсового проекта является разработать реверсивный регулируемый электропривод судового вентилятора с регулированием скорости при помощи преобразователя. Тип силовой схемы электропривода: преобразователь частоты - асинхронный двигатель.

1. Расчет и выбор силового оборудования системы

 

1.1 Расчет мощности двигателя и предварительный его выбор

Исходные данные к работе: требуемая производительность вентилятора 720 м3\ч. Выбираем судовой      радиальный вентилятор [1] со следующими характеристиками РСС 8\25 (Q=800 м3\с, р=2500 Па, Ю=0,67).

Расчетная мощность двигателя в киловаттах для данного вентилятора будет равна:

;

Для того чтобы выбрать двигатель необходимо выполнение условия:


По [2] выбираем двигатель типа АИР с номинальной мощностью.

 Условие выполняется.

Двигатель АИР132М2 имеет следующие параметры (приложение А):

Таблица №1

 номинальная мощность двигателя


номинальное линейное напряжение


номинальная частота вращения


=21,1 АНоминальный ток статора


 коэффициент полезного действия в режиме номинальной мощности (100% нагрузка)


коэффициент мощности в режиме номинальной мощности


кратность пускового тока


кратность пускового момента


кратность максимального момента



.2 Выбор преобразовательного устройства для системы регулируемого электропривода

Выбор преобразователя осуществляется исходя из следующих условий:

Напряжение на выходе преобразователя должно быть больше или равно номинальному напряжению двигателя. Также преобразователь должен выдерживать токовые нагрузки, создаваемые электродвигателем. В данном случае преобразователь частоты должен удовлетворять следующим требованием:

Также преобразователь должен быть пригодным для работы в требуемых условиях окружающей среды.

Выбираем преобразователь частоты «Master Drives» производства фирмы «Siemens» [3]. Технические данные выбранного ПЧ приведены в таблице 2, параметры необходимого типоразмера приведены в таблице 3.

Таблица 2

Выход

Число фаз

3


Номинальное напряжение, В

(380-15%) - (480+10%)


Номинальная частота, Гц

50 (60)


Диапазон регулирования напряжения, В

0 - напряжение питающей сети


Диапазон регулирования частоты, Гц

0 - 200


Максимальный ток перегрузки

136% номинального тока ПЧ в течение 60 с при времени цикла 300 с


Выбор закона управления U/f

Переменный момент. Векторное управление потоком без датчика. Энергосбережение


Способ модуляции

Синусоидальная центрированная ШИМ


Тактовая частота ШИМ, кГц

Настраиваемая от 1.7 до 16

Вход

Число фаз

3


Напряжение питающей сети, В

(380-15%) - (480+10%)


Частота питающей сети, Гц

50 (60) ±6%

Рабочие функции

Пуск, остановка и регулирование скорости двигателя. Динамическое торможение и торможение до полной остановки. Энергосбережение. ПИ-регулирование (скорость потока, давление и т.п.). Задание скорости. Работа в шаговом режиме. Автоматический захват с поиском скорости (подхват на ходу). Автоматическое ограничение работы на нижней скорости

Защитные функции - защиты ПЧ и двигателя

Гальваническая развязка между силовой и управляющей цепями. Защита от коротких замыкание: Внутренних источников питания; Между выходными фазами; Защита от замыкания на землю; Тепловая защита от перегрузки по току; Встроенная тепловая защита двигателя; Защита от повышенного или пониженного напряжения питания

Опции внутренние

Четыре цифровых выхода. Семь цифровых входов. Два аналоговых входа. Два аналоговых выхода. Последовательные порты RS-232 и RS-485 для обеспечения связи между промышленным компьютером и преобразователем

Исполнение

Стандарт защиты

IP00, IP20


Температура окружающей среды, 0С

При полной нагрузке от 0 до +40. При транспортировке и хранении от -25 до +70


Таблица 3

Модель

Мощность двигателя, кВт

Номинальный выходной ток, А

Габаритные размеры (высота-ширина-глубина), мм

Масса, кг

6SE7037-6EС61

11

25.5

180-600-350

24


.3 Расчет и выбор основных силовых элементов системы регулируемого электропривода

Двухзвенный преобразователь частоты с автономным инвертором напряжения состоит из трех основных элементов:

·        Выпрямитель

·        Автономный инвертор напряжения

·        Промежуточный контур постоянного тока, включающего конденсатор С, который является источником реактивной мощности для двигателя.

Рисунок 2 - двухзвенный ПЧ с АИН.

В ПЧ этого типа происходит двукратное преобразование электрической энергии: сначала переменное напряжение с частотой f1 выпрямляется, а затем постоянное напряжение Ud преобразуется (инвертируется) АИН в переменное с заданной амплитудой первой гармоники U21m и частотой f2.

В качестве основных элементов в АИН в настоящее время практически всегда используются тиристоры. На рисунке 3 приведена схема ПЧ, в которой АИН выполнен на биполярных транзисторах с изолированным затвором.

Рисунок 3 - транзисторный АИН

Расчет автономного инвертора напряжения.

Максимальный ток через ключи инвертора определяется из выражения:


Где  - номинальная мощность двигателя, Вт;

 - коэффициент допустимой кратковременной перегрузки по току, необходимой для обеспечения динамики электропривода;

 - коэффициент допустимой мгновенной пульсации тока;

 - номинальный КПД электродвигателя;

 - номинальный коэффициент мощности электродвигателя;

 - линейное напряжение электродвигателя, В.

Ключи IGBT выбираются с постоянным (номинальным) током коллектора .

Выбираем модуль IGBT «CM50TF-12H» [4] с техническими характеристиками, представленными в таблице 4. .

Таблица 4

Максимальный ток коллектора

Корпус







45

30

2.1

1

SEMITOР 3


Схема IGBT модуля приведена на рисунке 4.

Рисунок 4 - схема IGBT модуля.

Расчет потерь в инверторе при ШИМ формировании синусоидального тока на выходе заключается в определении составляющих потерь IGBT в проводящем состоянии и при коммутации, а также потерь обратного диода.

Потери в IGBT в проводящем состоянии определяются из выражения:


Где  - максимальная амплитуда тока на входе инвертора, А;

 - максимальная скважность;

 - коэффициент мощности;

 - прямое падение напряжения на IGBT в насыщенном состоянии при  и  (типовое значение  В).

Потери IGBT при коммутации определяются из выражения:


Где  - продолжительность переходных процессов по цепи коллектора IGBT на открывание  и закрывание  транзистора, с (типовое значение ; );

 - напряжение на коллекторе IGBT, В (коммутируемое напряжение, равное напряжению звена постоянного тока для системы АИН - ШИМ);

 - частота коммутаций ключей, Гц (частота ШИМ), обычно от 5 до 15 кГц.

Суммарные потери IGBT составляют:


Потери диода в проводящем состоянии определяются по выражению:


Где  - максимальная амплитуда тока через обратный диод, А;

 - прямое падение напряжения на диоде (в проводящем состоянии) при , В.

Потери при восстановлении запирающих свойств диода определяется по выражению:


Где  - амплитуда обратного тока через диод, А ();

 - продолжительность импульса обратного тока, с (типовое значение 0.2 мкс).

Суммарные потери диода равны:


Результирующие потери в IGBT с обратным диодом равны:


Найденные результирующие потери являются основой для теплового расчета инвертора, в ходе которого определяются тип и геометрические размеры необходимого охладителя, а также проверяется тепловой режим работы кристаллов IGBT и обратного диода.

Максимально допустимое переходное сопротивление охладитель - окружающая среда , 0С/Вт, в расчете на модуль IGBT/FWD (транзистор/обратный диод) равны:


Где =45-500С - температура охлаждающего воздуха;

=90-1100С - температура теплопроводящей пластины;

 - суммарная мощность, Вт, рассеиваемая одной парой IGBT/FWD;

 - термическое переходное сопротивление корпус - поверхность теплопроводящей пластины модуля в расчете на одну пару IGBT/FWD, 0С/Вт.

Температура кристалла IGBT, 0С, определяется по формуле:


Где  - термическое переходное сопротивление кристалл корпус для IGBT части модуля, 0С/Вт. При этом должно выполняться условие .

Температура кристалла обратного диода FWD, 0С определяется по формуле:


Где  - термическое переходное сопротивление кристалл корпус для FWD части модуля, 0С/Вт. При этом должно выполняться условие .

Если  или опасно приближается к этой максимально допустимой температуре кристалла, то нужно улучшить теплоотдачу за счет использования охладителя с меньшим значением сопротивления , то есть задавшись меньшей температурой корпуса Тс.

Расчет выпрямителя.

Среднее выпрямленное напряжение:


где  - коэффициент схемы для номинальной нагрузки;  для трехфазной мостовой схемы.

Максимальное значение среднего выпрямленного тока:


где  - количество пар IGBT/FWD в инверторе.

Максимальный рабочий ток диода:


где  - для мостовой трехфазной схемы при оптимальных параметрах Г-образного LC-фильтра.

Максимальное обратное напряжение тиристора:


где  - коэффициент допустимого повышения напряжения сети;  - коэффициент запаса по напряжению;  - запас на коммутационные выбросы напряжения в звене постоянного тока.

Тиристоры выбираются по постоянному рабочему току (не менее ) и по классу напряжения (не менее

Таким образом выбираем диоды SKKD46 [4] с основными параметрами, приведенными в таблице 5:

Таблица 5





46

800

0,6

0,2

125


 - повторяющееся импульсное обратное напряжение.

Расчет потерь в выпрямителе для установившегося режима работы ЭП:


где  - для мостовой трехфазной схемы;  - динамическое сопротивление полупроводникового прибора в проводящем состоянии, Ом;  - прямое падение напряжения , В, на полупроводниковом приборе при токе 50 мА  для диода;  - число полупроводниковых приборов в схеме.

Тепловой расчет параметров охладителя выпрямителя следует проводить аналогично приведенному выше расчету для инвертора.

Максимально допустимое переходное сопротивление охладитель - окружающая среда в расчете на выпрямитель:

,

где  - термическое переходное сопротивление корпус - поверхность теплопроводящей пластины модуля, 0С/Вт.

Температура кристалла:


где  - термическое переходное сопротивление кристалл - корпус для одного полупроводникового прибора модуля, 0С/Вт;  - количество полупроводниковых приборов в модуле.

Условие , следовательно, выбранный тиристор выбран верно.

Расчет параметров охладителя.

Предварительно определяем требуемое суммарное переходное тепловое сопротивление охладитель - окружающая среда в расчете на суммарную мощность, выделяемую всеми устанавливаемыми на данный охладитель силовыми полупроводниковыми приборами (модулями). При установке модулей (выпрямитель, инвертор) на общий охладитель требуемое сопротивление определяется аналогично суммарному сопротивлению при параллельном включении резисторов:


Как правило, на один охладитель удается установить все приборы при мощности инвертора до 55 кВт. Критерием перехода к применению двух и более охладителей служит длина требуемого профиля охладителя, которая для эффективного использования поверхности профиля должна быть не более 1 м.

Расчет параметров охладителя для модуля IGBT/FWD:

Геометрические параметры охладителя:

Площадь охладителя (рисунок 5), применяемого в рассматриваемом ПЧ, участвующая в излучении тепла, определяется по формуле:

,

где  - габаритные размеры профиля.

Площадь данного охладителя, участвующая в конвекции:

,

где m - число ребер.

Переходное сопротивление излученного тепла:

,

где  - температура поверхности охладителя, К;  - температура окружающего воздуха, К;

;  - коэффициент излучения поверхности ( для алюминия).

Рисунок 5 - охладитель (гребенка).

Переходное температурное сопротивление теплопередачи конвекцией (при d<1 м):

,

где  - коэффициент ухудшения теплоотдачи (конвекции) при расстоянии между ребрами охладителя 20 мм и менее.

Переходное температурное сопротивление охладитель - окружающая среда при естественном охлаждении:


Таким образом, рассчитанный охладитель обладает переходным термическим сопротивлением .

Расчет параметров охладителя для выпрямителя:

Для охлаждения силовых диодов используем два охладителя: один - для анодной группы диодов, и один - для катодной группы диодов.

Расчет параметров охладителей для выпрямителя аналогичен расчету параметров охладителя инвертора.

Геометрические параметры охладителя:


,

,

,


Таким образом, рассчитанный охладитель обладает переходным термическим сопротивлением .

Расчет фильтра.

Коэффициент пульсаций на входе фильтра (отношение амплитуды напряжения к среднему значению):


где m - пульсность схемы выпрямления (m=6 для трехфазной мостовой схемы).

Параметр сглаживания LC - фильтра:


где  - коэффициент сглаживания по первой гармонике;  - частота сети, Гц.

Значения коэффициента сглаживания лежат в диапазоне от 3 до 12.

Индуктивность дросселя LC - фильтра для обеспечения коэффициента мощности на входе выпрямителя  определяется из следующих условий:


где  - номинальный средний ток звена постоянного тока.

Выбираем 3 дросселя Д269 с индуктивностью L0=0.6 мГн и номинальным током Iн=32 А, соединенных последовательно. Итого суммарная индуктивность L=1.8 мГн.

Тогда необходимая емкость будет равна С=2030 мкФ.

Емкость конденсаторов, необходимая для протекания реактивного тока нагрузки инвертора, находится из выражения:


где  - амплитудное значение тока в фазе двигателя, А;  - угол сдвига между первой гармоникой фазного напряжения и фазного тока;  - коэффициент пульсаций;  - частота ШИМ, Гц.

Для практической реализации фильтра используют конденсаторы с наибольшим значением емкости С0i (i=1 или 2).

Таким образом, необходимая емкость С=2 мФ.

Выбираем конденсаторы К50-35 2200 мкФ х 63В. Соединяем 9 конденсаторов последовательно для получения необходимого рабочего напряжения.

Амплитуда тока, протекающего через конденсаторы фильтра на частоте пульсаций выпрямленного тока (по первой гармонике):

 

Расчет снаббера.

Так как IGBT коммутируется с высокой скоростью, то напряжение UСЕ быстро возрастает, особенно при запирании транзистора, и может достигнуть критического значения, способного вызвать пробой либо коллектора либо затвора транзистора. Чтобы минимизировать превышение напряжения и предотвратить аварию IGBT, требуется установка снаббера (демпфирующей цепи).

Рисунок 6 - схема снаббера.

Особенности схемы: 1 - малое число элементов; 2 - низкие потери мощности; 3 - подходит для конденсаторов средней и малой емкостей.

Сопротивление резистора зависит от емкости конденсатора С и частоты коммутации IGBT fSW. Расчетная формула для выбора мощности резистора цепи снаббера имеет следующий вид:



где U - напряжение коллектор-эмиттер в установившемся режиме, В, которое равно напряжению звена постоянного тока преобразователя системы АИН с ШИМ; ДU - перенапряжение, В.

Выбор сопротивления резистора производится из условия минимума колебаний тока коллектора при включении IGBT:


где  - индуктивность цепей снаббера, Гн, которая должна быть не более 10 нГн, С - емкость снаббера, Ф.

Таким образом, выбираем резистор МЛТ1.1х0,8 Ом

Ток, протекающий через диод снаббера, импульсный. Он почти равен отключаемому току коллектора и длится до 1 мкс.

Диод должен быть высокочастотным со временем восстановления запирающих свойств trr=0.3 мкс и менее.

Таким образом, выбираем диод серии 2Д2990А [4] со следующими параметрами: IПР MAX=20 A; UОБР=600 В; tВОССТ=0.15 мкс; fдоп=200 кГц. Используем два диода, включенных параллельно.

Значение ДU зависит от многих факторов, оно не должно превышать 60 В.

ДU зависит от индуктивности L1 проводов между электролитическим конденсатором и снаббером (значение L1 должно быть 50 нГн или менее);

ДU существенно зависит от индуктивности L2 цепей снаббера (значение L2 должно быть 10 нГн или менее);

ДU незначительно зависит от сопротивления резистора Rg на входе затвора и от температуры;

ДU не определяется емкостью снаббера.

Следовательно, для ограничения ДU важно ограничить индуктивности L1 и L2 путем уменьшения длины проводов и их бифилярного монтажа.

Емкость конденсатора снаббера определяется напряжением второго броска ДU’, который не должен превышать 25 В. Выражение для расчета емкости:


где L1 - индуктивность проводов между электролитическим конденсатором и IGBT - модулем; Ic - отключаемый ток.

Таким образом, выбираем конденсаторы пленочные типа К78-2 со следующими параметрами: С=5.6 нФ, U=1600 В. Соединяем параллельно 11 конденсаторов для получения емкости С=61.6 нФ.

двигатель электропривод энергетический кабель

2. Расчет статических и динамических характеристик для разомкнутой системы регулируемого электропривода

2.1 Расчет естественных механических и электромеханических характеристик системы регулируемого электропривода

При создании электроприводов с двигателями переменного тока часто сталкиваются с проблемой определения параметров асинхронного двигателя, которые необходимы для проектирования и настройки системы управления электроприводом, а также для моделирования переходных процессов в асинхронном электроприводе с ПЧ.

Одним их возможных вариантов определения параметров АД является метод использования конструктивных параметров электрической машины, но он обладает существенным недостатком, который заключается в том, что разработчикам электропривода эти параметры не всегда доступны, и, кроме того, необходимо располагать соответствующими методиками расчёта.

Для расчета электромеханических и механических характеристик асинхронного двигателя необходимо воспользоваться его математической моделью, которая в общем случае представляется различными схемами замещения. Наиболее простой и удобной для инженерных расчетов асинхронного двигателя является Т-образная схема замещения, рис.7.

Рисунок 7 - Схема замещения асинхронного двигателя.

Ток холостого хода асинхронного двигателя можно найти по следующему выражению:

, (2.1)

Где - номинальный ток статора двигателя;

 - ток статора двигателя при частичной загрузке;

Коэффициент мощности при частичной загрузке

;

Коэффициент загрузки двигателя

.

Коэффициент мощности и КПД при частичной загрузке в технической литературе приводятся редко, а для целого ряда серий электрических машин такие данные в справочной литературе отсутствуют. Эти параметры можно определить, руководствуясь следующими соображениями:

− современные асинхронные двигатели проектируются таким образом, что наибольший КПД достигается при загрузке на 10-15% меньше номинальной. Двигатели рассчитываются так потому, что большинство из них в силу стандартной дискретной шкалы мощностей работают с некоторой недогрузкой. Поэтому КПД при номинальной нагрузке и нагрузке  практически равны между собой, т.е.


− коэффициент мощности при той же нагрузке  значительно отличается от коэффициента мощности при номинальной нагрузке, причем это отличие в значительной степени зависит от мощности двигателя.

 - КПД при частичной загрузке;

Из формулы Клосса определяем соотношение, которое необходимо для расчета критического скольжения:

 ,

где  - значение коэффициента b находится в диапазоне 0,6 - 2,5, поэтому в первом приближении принимаем b =1.

;

Определяем коэффициент:


Тогда активное сопротивление ротора, приведенное к обмотке статора асинхронного двигателя

 ;

Активное сопротивление статорной обмотки можно определить по следующему выражению


Определим параметр g, который позволит найти индуктивное сопротивление короткого замыкания :

.

Тогда

,

Для того чтобы выделить из индуктивного сопротивления ХКH сопротивления рассеяния фаз статора и ротора, необходимо воспользоваться соотношениями, которые справедливы для серийных асинхронных двигателей.

Индуктивное сопротивление роторной обмотки, приведенное к статорной, может быть рассчитано

 ,

Индуктивное сопротивление статорной обмотки может быть определено по следующему выражению

,


.

Согласно векторной диаграмме ЭДС ветви намагничивания , наведенная потоком воздушного зазора в обмотке статора в номинальном режиме, равна

,

где

Тогда индуктивное сопротивление намагничивания

.

Используя параметры схемы замещения, произведем расчет механических и электромеханических характеристик.

Электромеханическая характеристика при частотном управлении АД, определяется зависимостью приведенного тока ротора от скольжения

, (2.2)

где - фазное напряжение обмоток статора асинхронного двигателя;

 - относительное значение частоты питающего напряжения.

Задаваясь значениями скольжения можно рассчитать соответствующее значение тока и воспользовавшись формулой  получить соответствующее значение угловой скорости.

Полагая, что ток намагничивания двигателя имеет полностью реактивный характер, выражение для электромеханической характеристики, описывающей зависимость тока статора от скольжения, запишется следующим образом

,

где  будет меняться в зависимости от величины питающего напряжения, согласно выражению

,

.

Задаваясь скольжением  и принимая во внимание, что для естественной характеристикипо формуле (2.2) рассчитываем естественные электромеханические характеристики АД в двигательном и генераторном режимах, приведенные на рис.8. Сплошной линией представлена зависимость , а пунктирной линией зависимость .

Рисунок 8 - Естественные электромеханические характеристики АД

Механическую характеристику асинхронного двигателя при переменных значениях величины и частоты напряжения питания можно рассчитать по следующему выражению

. (2.3)

Механическая характеристика асинхронного двигателя имеет критический момент и критическое скольжение, которые определяются по следующим формулам (2.4) и (2.5)

 (2.4)

 Ом - индуктивное сопротивление короткого замыкания.

.(2.5)

Знак (+) означает, что критический момент и скольжение относятся к двигательному режиму, знак (-) - к генераторному режиму.

Расчет механической характеристики проводим по формуле Клосса:

, (2.6)

Где  - коэффициент, равный отношению активного сопротивления статора к активному приведенному сопротивлению ротора;

 - номинальная скорость;

 - номинальный момент;

На рис.9 представлена естественная механическая характеристика  для асинхронного двигателя.

Рисунок 9 - Естественная механическая характеристика АД

Рабочий участок естественной характеристики обладает высокой жесткостью, модуль которой при практически постоянен, а при  с возрастанием момента двигателя постепенно уменьшается и при становится равным нулю. Дальнейшее снижение скорости приводит к уменьшению электромагнитного момента, что соответствует, изменению знака статической жесткости, которая становится положительной. Этот участок характеристики вплоть до обычно не используется, и форма характеристики в этой области для таких двигателей существенного значения не имеет. Как показано на рис.8, двигательному режиму работы соответствуют скольжения от  до .

Если ротор двигателя вращать против поля (,), двигатель переходит в тормозной режим противовключения. В этом режиме на естественной характеристике поток снижен,  весьма мал, поэтому двигатель развивает небольшие значения тормозного момента, потребляя из сети в основном реактивный ток, превышающий номинальный в 5-10 раз. Поэтому режим противовключения на естественной характеристике двигателя также на практике не используется.

Область() соответствует генераторному режиму работы параллельно с сетью. При,подводимая к двигателю механическая энергия частично теряется в двигателе в виде теплоты, а в основном отдается в сеть. Однако при дальнейшем возрастании скорости и соответствующем увеличении частоты тока ротора происходит постепенное уменьшение коэффициента мощности двигателя, который пристановится равным нулю. При скорости, соответствующей , отдаваемая в сеть активная мощность равна нулю, т. е. вся подведенная к двигателю механическая энергия теряется в виде теплоты в двигателе. Поэтому приимеет место режим рекуперативного торможения, при  наступает режим динамического торможения, а придвигатель начинает потреблять энергию из сети, как и при режиме противовключения.

Электромеханические естественные характеристики асинхронного двигателя  и  показаны на рис. 8. Зависимость  построена с помощью соотношения (сплошная кривая). В ней отражены все рассмотренные выше особенности зависимости Кривая  в основном повторяет форму кривой  так как определяется соотношением . Она показана на рис.8, штриховой кривой, которая имеет наиболее значительные отклонения от кривой в области идеального холостого хода. Действительно, при ток ротора равен нулю, а статор потребляет из сети ток холостого хода , основной составляющей которого является намагничивающий ток По мере роста тока ротора эти кривые сближаются.

Двигатель с фазным ротором благодаря выведенным на контактные кольца выводам роторной обмотки обеспечивает возможность изменения параметров цепи ротора путем введения различных добавочных сопротивлений. Наиболее широко используется включение в цепь ротора добавочных активных сопротивлений, как показано на При этом в соответствии с максимум момента Мк не претерпевает изменений, а критическое скольжение увеличивается пропорционально суммарному сопротивлению роторной цепи . Рассматривая эти характеристики, можно установить, что введение добавочных активных сопротивлений в цепь ротора при пуске двигателя и при торможении противовключением является эффективным средством ограничения тока и повышения момента двигателя. Переключением сопротивлений можно обеспечить работу двигателя во всех режимах в пределах рабочего участка механических характеристик. В частности, плавным уменьшением сопротивления  торможении противовключением и последующем пуске в противоположном направлении можно обеспечить постоянство тормозного, и пускового моментов двигателя в этих режимах.

Модуль жесткости рабочего участка механической характеристики при введении сопротивления находится при данном М в обратно пропорциональной зависимости от поэтому реостатные характеристики двигателя при больших добавочных сопротивлениях имеют невысокую жесткость.

.2 Расчет искусственных механических и электромеханических характеристик системы регулируемого электропривода для заданного диапазона регулирования скорости

Частоты напряжения преобразователя, Гц, Гц, Гц, Гц.

Возможность частотного регулирования скорости асинхронного двигателя - регулирование путем изменения частоты питающего напряжения - вытекает из того обстоятельства, что скорость вращения электромагнитного поля статора пропорционально частоте питающего напряжения

 (2.7)

Следует также учесть, что поскольку с изменением частоты питающего напряжения изменяется и величина потока двигателя ,

 (2.8)

то в большинстве случаев одновременно с изменением частоты питающего        напряжения необходимо регулировать и        его амплитуду. Необходимость регулирования напряжения при уменьшении частоты вниз от номинальной связана с тем, что из-за уменьшения индуктивного сопротивления обмоток АД ток намагничивания будет возрастать, что приведет к насыщению магнитопровода двигателя и его перегреву. Регулирование напряжения следует производить таким образом, чтобы скольжение двигателя было минимальным.

Для реализации частотного способа регулирования скорости асинхронный короткозамкнутый двигатель включается в питающую сеть с параметрами  и  через преобразовать частоты UF (см.рис.10). В качестве преобразователей частоты в настоящее время используются, в основном, полупроводниковые преобразователи частоты.

Рисунок 10 - Схема включения асинхронного двигателя с питанием от преобразователя частоты

При частотном регулировании величина относительного скольжения  зависит как от разности скоростей вращающегося электромагнитного поля и ротора - абсолютного скольжения ,так и от относительного значения частоты питающего напряжения

, (2.9)

 (2.10)

Здесь,, - регулируемые значения частоты напряжения статора и соответствующие значения скорости вращения и скольжения;

 и  - номинальные значения частоты статора и скорость поля, соответствующие паспортным данным двигателя.

С учетом (2.7)

 (2.11)

Для анализа электромеханических характеристик двигателя при частотном регулировании. В отличие от ранее приведенной    схемы замещения в данном случае приходится учитывать, что реактивные сопротивления двигателя зависят от частоты питающего напряжения и изменяются с изменением частоты.

 ;  ;

 ;  . (2.12)

В связи с ним нужно заметить, что при номинальной частоте 50Гц индуктивное сопротивление контура намагничивания  на порядок (для машин малой мощности) или на два порядка (для машин большой мощности) больше, чем активное сопротивление обмотки статора r1. Поэтому при анализе и расчете электромеханических характеристик асинхронных двигателей, работающих при постоянной номинальной частоте питающего напряжения, сопротивлением r1 обычно пренебрегают. Если же двигатель работает с переменной частотой напряжения, то при снижении частоты сопротивление r1, становится соизмеримым с реактивными сопротивлениями машины и учет сопротивления г1, является необходимым.

Мощность скольжения, выделяемая в цепи ротора, расходуется на нагрев обмоток ротора как следует из

 , откуда

 . (2.13)

Из схемы замещения, учитывая, что отношения  и гораздо меньше единицы и ими можно пренебречь, определим значение

. (2.14)

Подставив (2.13) в (2.14), получим формулу для механических характеристик при переменных значениях величины и частоты напряжения питания

 (2.15)

Заметим, что если положить то формула (2.15) станет идентичной формуле для механических характеристик нерегулируемого по частоте асинхронного двигателя.

Положив,найдем значения максимального момента и критического скольжения

 (2.16)

 (2.17)

Знак (+) соответствует двигательному режиму,        Знак (-) - режиму рекуперативного торможения.

Анализируя выражение (2.16), можно установить, что, если пренебрегать величиной активного сопротивления статора (),то, для того чтобы при частотном регулировании (уменьшении частоты вниз от номинальной) сохранять критический момент постоянным, нужно величину напряжения изменять пропорционально изменению частоты.

Соотношение для вентиляторного характера нагрузки имеет вид:


На рисунке 9 представлены механические искусственные характеристики для данного закона регулирования. На рисунке 11,12 электромеханические искусственные характеристики для данного закона регулирования.

Рисунок 10 Электромеханические характеристики вентилятора

Зависимость скорости вращения ротора от тока статора.

Рисунок 11 Электромеханические характеристики вентилятора

Зависимость скорости вращения ротора от тока ротора

Рисунок 12 - Механические характеристики при

3. Расчет и выбор аппаратов защиты, сечения и типа кабеля

 

3.1 Выбор аппаратов защиты

Автоматические выключатели (АВ) обеспечивают одновременно функции коммутации силовых цепей и защиты от электроприемников от перегрузок и коротких замыканий. АВ имеют тепловой расцепитель и электродинамический расцепитель. АВ выбирают по их номинальному току. Уставки токов расцепителей определяются по следующим соотношениям:

Ток уставки теплового расцепителя: Iт1,25∙Iн;

Ток уставки электродинамического расцепителя: Iэм1,2·Iпуск ,

где Iн - номинальный ток электроприемника;

Iпуск - пусковой ток электродвигателя.

Условия выбора плавкого предохранителя для защиты цепи управления:

,

где - номинальный ток плавкой вставки предохранителя, А;

 - длительно протекающий ток;

А;

Выбираю предохранитель типа ПР2-25, у которого .

Условия выбора автоматического выключателя для защиты силовой цепи:

.        ;

.        ,

где  - номинальный ток расцепителя автоматического выключателя, А;

- номинальный ток срабатывания уставки в зоне КЗ.

Используя справочную литературу, выбираем Выбираю выключатель серии ВА57Ф35, рассчитанный для эксплуатации в электроустановках с номинальным рабочим напряжением до 380 V переменного тока частоты 50 и 60 Гц и до 220 V постоянного тока.

, .

3.2 Расчет и выбор сечения и типа кабеля для силовой цепи и цепи управления

Выбор сечения провода производится на основании согласования длительно допустимых токов с номинальным током расцепителя автоматического выключателя и номинальным током плавкой вставки предохранителя.

Выбор провода для силовой цепи:

 

Выбираю провод марки АВВГ 2х1.5, у которого А.

Выбор провода для ответвления к пускателю:

А;

Выбираю провод марки АСК- (1Ч1,5), у которого >А [6].

3.3 Основные энергетические характеристики систем электропривода

Основные энергетические характеристики систем электропривода: коэффициент полезного действия з и коэффициент мощности КМ.

1. Коэффициент полезного действия.

Наиболее наглядным и широко используемым выражением з является его представление в виде произведения:

,

где соответственно КПД электрического, электромеханического преобразователей и механической части привода, которые можно определить как:

,

где ,,- соответственно мощность потерь в преобразователе, двигателе и механической части.

Найдем коэффициент полезного действия по номинальным условиям работы электропривода:

. Коэффициент мощности

Коэффициент мощности можно рассчитать с различной степенью точности. Рассчитаем его по следующей формуле:


,- действующий активный и реактивный входной ток,

- действующий входной ток основной гармоники.

Активный и реактивный входные токи можно определить как:

, ,

где р - число фаз на выходе, S - число трехпульсных групп, - действующий выходной ток.

Определим по универсальным кривым (11, стр.212,213) токи для f=50 Гц,  и фазовым углом выходного отстающего тока :

,,

Коэффициент искажения входного тока определяется по расчетной характеристике источника 11,стр. 224:

Коэффициент мощности равен:

.

4. Расчет параметров структурной схемы

4.1 Составление структурной схемы системы регулируемого электропривода

Для регулируемого электропривода вентилятора принимаем векторное управление и поэтому в дальнейшем ведем расчет для структурной схемы ПЧ-АД векторного управления.

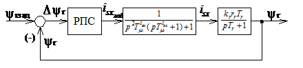
Термин векторное управление означает, что переменные контролируются не только по амплитуде, но и по фазе. Суть метода состоит в раздельном управлении компонентами вектора тока статора isq и isd, являющимися проекциями результирующего вектора i1 на вращающиеся векторы q и d координатной системы, связанной с вектором потокосцепления ротора Yr. Известно, что электромагнитный момент асинхронного двигателя пропорционален потокосцеплению ротора Yr и составляющей тока статора по оси q. Если поддерживать неизменным потокосцепление ротора путём регулирования составляющей тока статора по оси d, то момент двигателя будет прямо пропорционален току isq, так, как и в обычных коллекторных двигателях постоянного тока. Соответственно изменение составляющей isd эквивалентно регулированию частоты вращения двигателя постоянного тока при изменении магнитного потока. Обозначения, принятые на схеме:

ЗИ - задатчик интенсивности;

Ф - фильтр;

РПС - регулятор потокосцепления;

РС - регулятор скорости;

- регулятор тока isx;

- регулятор тока isy;

БР - блок развязки;

ПКП - прямой координатный преобразователь;

ОКП - обратный координатный преобразователь;

Идеал. ПЧ - идеализированный преобразователь частоты.

Рисунок 13 - Сокращённая структурная схема системы векторного управления асинхронным электроприводом с однозонным регулированием скорости

.1.1 Модель асинхронного двигателя

Модель с ориентацией системы координат по вектору потокосцеплений ротора. Структурная схема модели асинхронного двигателя построена на системе уравнений

;

;

;

;

;

.

При допущении lm=const структурная схема модели значительно упрощается и приобретает вид, представленный на рисунке 14.

Расчёт параметров модели;

Рисунок 14 - Структурная схема модели асинхронного двигателя

;

;

;

;

.

Полезно отметить, что постоянные времени Tэ и Tr имеют такой же физический смысл и примерно те же величины, что и электромагнитные постоянные времени цепей якоря и возбуждения компенсированных машин постоянного тока.

4.1.2 Прямой преобразователь координат

Преобразователь координат служит для преобразования векторов Usa, Usb, Usc в вектора Usx и Usн.

Рисунок 15 - структурная схема прямого преобразователя координат

Прямой преобразователь координат описывается уравнениями

;

.

 - напряжения, представленные в неподвижной “двухфазной” системе координат.

;

.

 - напряжения, представленные во вращающейся системе координат,  - угол поворота координатной системы.

 

4.1.3 Обратный преобразователь координат

Рисунок 16 - Структурная схема обратного координатного преобразователя

Обратный преобразователь координат описывается уравнениями

;

.

 - напряжения, представленные в неподвижной “двухфазной” системе координат.

;

;

.

 - токи в трёхфазной системе координат.

 

4.1.4 Идеализированный преобразователь частоты

Рисунок 17 - Структурная схема идеализированного преобразователя частоты

kи - коэффициент передачи инвертора.

Для системы относительных единиц kи=1.

Ти - постоянная времени инвертора. Определяется несущей частотой коммутации транзисторов (fн=5 кГц) с учётом относительного времени (tб=1/314.15 с)

.

 

4.1.5 Блок развязки

Рисунок 18 - Структурная схема блока развязки

Блок развязки позволяет компенсировать влияние перекрёстных обратных связей в модели асинхронного двигателя, В результате получаем автономное регулирование составляющих тока статора isx и isy.

.2 Расчет коэффициентов усиления и постоянных времени системы

Система относительных единиц

В дальнейшем все параметры и переменные состояния электропривода представляются в относительных единицах.

Обобщённая формула перехода к относительным единицам имеет вид

,

где Y - значение физической величины (параметра, воздействия, переменной состояния и др.) в исходной системе единиц;

Yб - базисное значение, выраженное в той же исходной системе и принятое в качестве единицы измерения величины Y в системе относительных единиц;

y - значение величины в системе относительных единиц.

Для относительных значений угловой частоты напряжения и тока статора, действующего значения фазного напряжения статора us=Us/Uб, тока статора is=Is/Iб и относительной величины электромагнитного момента ms=M/Mб базисными примем из значения в точке номинального режима двигателя:

;

;

;

,

где Pэм - электромагнитная мощность идеализированного АД


W0.н - частота вращения магнитного поля АД

.

Момент инерции в относительных единицах

,

где Jб - базовый момент инерции

.

Переведём значения параметров двигателя в систему относительных единиц.

Сопротивление обмотки статора


Сопротивление обмотки ротора


Индуктивное сопротивление намагничивания


Индуктивное сопротивление статора

Индуктивное сопротивление ротора


.2.1 Контур тока isx

Регулятор тока isx имеет структуру ПИ-регулятора

Рисунок 19 - ПИ регулятор тока

Параметры регулятора определяются исходя из свойств объекта регулирования контура тока isx с учётом настройки на модульный оптимум.

Структурная схема контура тока isx представлена на рисунке 20.

Рисунок 20 - Структурная схема контура тока isx

Передаточная функция регулятора тока isx

.

Принимаем , тогда

.

Коэффициент усиления и постоянная времени регулятора тока

;

.

 

4.2.2 Контур тока isу

Регулятор тока isу имеет структуру ПИ-регулятора, идентичную регулятору isx. Параметры определяются исходя из свойств объекта регулирования контура тока isy (пренебрегаем влиянием обратной связи по ЭДС) с учётом настройки на модульный оптимум.

Рисунок 21 - Структурная схема контура тока isy0

Передаточная функция регулятора тока isy

.

Принимаем , тогда

.

Коэффициент усиления и постоянная времени регулятора тока

;

.

 

4.2.3 Контур потокосцепления

Регулятор потокосцепления РПС ротора Yr имеет структуру ПИ-регулятора. Параметры регулятора определяются исходя из объекта регулирования контура потокосцепления с учётом настройки на модульный оптимум.

Рисунок 22 - Структурная схема контура потокосцепления

Коэффициент усиления и постоянная времени регулятора потокосцепления

;

.

4.2.4 Контур скорости

Регулятор скорости РС имеет структуру типа ПИ. Параметры определяются свойствами объекта регулирования контура скорости с учётом настройки на симметричный оптимум и наличием входного фильтра.

Рисунок 23 - Структурная схема контура скорости

Коэффициент усиления и постоянная времени регулятора скорости

;

Постоянная времени фильтра: .

.3 Расчет переходных процессов при различных заданиях

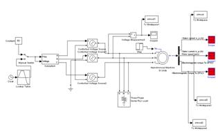
На рисунке 24 представлена модель электропривода вентилятора по системе ПЧ-АД

Рисунок 24 Имитационная модель электропривода вентилятора по системе ПЧ-АД в программной среде Matlab 7.0

На дальнейших рисунках изображены переходные процессы системы ПЧ-АД 50 Гц

Рисунок 25 Скорость ротора при 50 Гц

Рисунок 26 Электромагнитный момент при 50 Гц

Рисунок 27 Скорость ротора при 40 Гц

Рисунок 28 Электромагнитный момент при 40 Гц

Рисунок 29 Скорость ротора при 30 Гц

Рисунок 30 Электромагнитный момент при 30 Гц

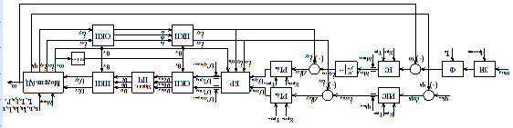
5. Разработка функциональной схемы системы регулируемого электропривода

Все модули функциональной схемы реализуются программно на контроллере привода. В соответствии с этим имеется набор типовых программных модулей и программ связки модулей, обеспечивающих реализацию нужной системы управления.

В ПЧ применена наиболее распространенная для управления короткозамкнутым АД схема ПЧ с АИН и ШИМ напряжения на выходе, неуправляемым выпрямителем на входе силовой части схемы и микропроцессорным управлением.

Рисунок 31 - Функциональная силовая схема преобразователя частоты

Функциональная схема преобразователя частоты состоит из двух основных блоков: неуправляемого выпрямителя и управляемого инвертора с блоками управления. Напряжение сети  стандартной частоты  подаётся на вход неуправляемого выпрямителя, преобразующего переменное напряжение  в постоянное .

Рисунок 32 - Функциональная схема управления преобразователя частоты.

Выпрямленное напряжение  подаётся на вход инвертора, который преобразует его в трёхфазное регулируемое напряжение  регулируемой частоты, поступающее на двигатель М. Величина и частота выходного напряжения инвертора  регулируется блоком управления ключами.

Инвертор состоит из шести транзисторов, работающих в ключевом режиме с условием, если верхний транзистор открыт, то нижний закрыт, и одного тормозного транзистора. Для исключения токов ЭДС самоиндукции в моменты коммутации и устранения обратных напряжений, параллельно IGBT транзисторам включаются быстродействующие диоды FWD. На рисунке 27 показаны сигналы управления силовыми ключами.

В блоке логики для поддержания постоянства потокосцепления статора в coответствии с U/f-характеристикой применяются модули IR-компенсации и Ud-коррекции.

В системе предусматриваются регулирование тока ограничения в соответствии с заданным значением I*mах воздействием на напряжение или частоту статора и выбор U/f-характеристики, соответствующей управлению механизмами, имеющими постоянную или вентиляторную нагрузку. Имеется защита от «опрокидывания» привода в случае превышения момента нагрузки выше критического значения.

В качестве датчиков скорости используют аналоговые или импульсные датчики. Во втором случае применяются датчики с двумя каналами импульсов, имеющих фазовый сдвиг 90°.[12].

Рисунок 33 - Управление транзисторами при вращении вперед.

Для нормальной работы инвертора необходимо постоянно отслеживать ток звена постоянного тока, с этой целью ставится датчик тока RS, сигнал от которого поступает на защиту FA. И в случае аварии нижние транзисторы откроются, и ток будет протекать по кратчайшему пути.

При возникновении режима генераторного торможения избыточная энергия идет на заряд конденсатора С, напряжение на котором нарастает лавинообразно, и для предотвращения аварии используется защита, контролирующая это напряжение.

Заключение

Одним из важнейших технических мероприятий, обеспечивающих охрану здоровья трудящихся и высокую производительность труда на предприятиях, является вентиляция. На строительство и эксплуатацию вентиляционных установок в нашей стране отпускаются большие средства. Поэтому весьма важно, чтобы вентиляционные установки на предприятиях работали с наибольшим эффектом при минимальном расходе электроэнергии.

В данном курсовом проекте был рассчитан регулируемый электропривод вентилятора главного проветривания по системе ПЧ-АД. Система ПЧ-АД позволяет повысить производительность, а также надежность производства, так как в системе используется самая простейшая электрическая машина - асинхронный двигатель с короткозамкнутым ротором. В настоящее время система ПЧ-АД получает широкое распространение, так как это экономически целесообразнее, чем применение тех же двигателей постоянного тока или АД с фазным ротором. Высокая плавность регулирования скорости также является одним из основных достоинств такой системы.

Список литературы

1.  Электронный каталог: база данных содержит сведения о судовых вентиляторах. Торговый дом "ХАРВЕНТ"

2.      Электронный каталог: база данных содержит сведения о электродвигателях. ЗАО "Вэлта-центр"

.        Электротехнический справочник: Использование электрической энергии / Под общ. ред. профессоров МЭИ В.Г. Герасимова и др. (гл. ред. А.И. Попов). - 8-е изд., испр. и доп. - М.: Издательство МЭИ, 2002. - 696 с.

.        Электронный каталог: база данных содержит сведения о полупроводниковых приборах. Компания «Semikron»

.        Электронный каталог: база данных содержит сведения о транзисторах, диодах, тиристорах, стабилитронах, оптронах, варистора. Кампания "Элкосиб"

.        Электронный каталог: база данных содержит сведения о выборе кабеля по току нагрузки.

.        Электротехнический справочник: Использование электрической энергии / Под общ. ред. профессоров МЭИ: И.Н. Орлова (гл.ред) и др. - 7-е изд., испр. и доп. - М.: Энергоатомиздат, 1988. - 616с.: ил.

.        Медведев Г.Г., Дорохов А.Р. Введение в курс: Насосы, вентиляторы, компрессоры - Конспект лекций. - Томск: Изд. ТПУ, 1998. - 64с.

.        М.Г. Чиликин, М.М. Соколов, В.М. Терехов, А.В. Шинянский Основы автоматизированного электропривода. Учеб. Пособие для вузов. М., «Энергия», 1974. - 568 с.

.        Онищенко Г.Б., Юньков М.Г. Электропривод турбомеханизмов. М., «Энергия», 1972. - 240 с.

.        Джюджи Л., Пелли Б. Силовые полупроводниковые преобразователи частоты: Теория, характеристики, примечание. /Пер. с англ. - М.: Энергия, 1983.