Материал: Регенеративный подогрев питательной воды на паротурбинных установках

Внимание! Если размещение файла нарушает Ваши авторские права, то обязательно сообщите нам

При сливе из железнодорожно цистерны мазут самотеком движется по открытым цистерн проводится через нижний сливной прибор в межрельсовые желоба. Мазут из приемных резервуаров перекачивается погружными нефтяными насосами в основные резервуары для хранения. Для подогрева мазута в приемных и основных резервуарах до 700 С обычно используют трубчатые подогреватели поверхностного типа, обогреваемые паром.

Для слива мазута из цистерн применяют следующие способы повышения его текучести:

Рециркуляционным подогревом - прогревают отверстие в центре цистерны и затем мазут центробежным насосом прокачивают через наружный теплообменник для подогрева топлива до температуры на 10…200 ниже температуры вспышки и подают к брандспойту, установленному в цистерне; рециркуляцию проводят до полного слива мазута из цистерны;


Паром подаваемым в цистерну, - в цистерны оборудованные паровой рубашкой, подают пар, в результате чего стенки корпуса нагреваются до температуры 800С и холодный мазут, прогреваясь, начинает стекать по горячей поверхности к сливному патрубку;

Слив мазута под избыточным давлением - на люк колпака цистерны устанавливают сьемную крышку, имеющую специальные патрубки, через которые подается водяной пар или сжатый воздух;

Разогрев железнодорожных цистерн с помощью тепляков-  сараев, в который подается горячий воздух с температурой до 1200С

Виброподогрев позволяет существенно повысить эффективность прогревания мазута, контактирующего с вибрирующей поверхностью нагрева

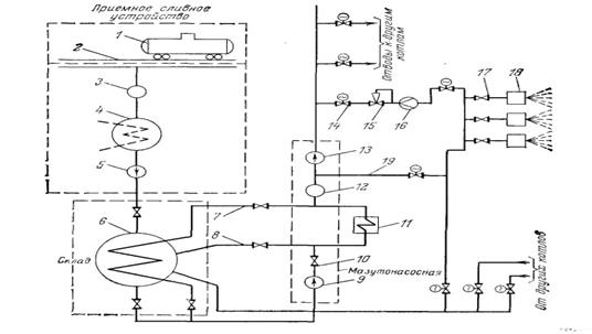
Технологическая схема устройства мазутного хозяйства показана на рисунке 11.

Мазут доставляется железнодорожным, водным, трубопроводным транспортом и сливается в приемный резервуар. В лотке перед резервуаром устанавливаются сетки, выполняющие функцию фильтра грубой очистки, предназначенный для отсеивания посторонних предметов размеры которых больше 10х10 мм. Из приемных резервуаров мазут перекачивается в хранилища. Из хранилищ мазут подается к насосной станции, где он очищается фильтрами тонкой очистки, подогревается теплообменниками и под заданным давлением подается в котельную.

В целях предотвращения застывания необходимо подогревать мазут на протяжении всего тракта движения. Первичный подогрев до 35-45 ᵒC производится в приемо-разгрузочном устройстве, далее мазут прогревается в резервуарах до 90ᵒC. Окончательный подогрев до 120-150ᵒC происходит в подогревателях, устанавливаемых в насосной станции.

Давление мазута на линии к котельной выбирается в зависимости от типа форсунок. Качественное распыление мазута обеспечивается при давлении 3-4,5 МПа.

Рисунок 11. Технологическая схема мазутного хозяйства ТЭС

1 - цистерна; 2 - сливное устройство; 3 - фильтр грубой очистки; 4 -приемный резервуар: 5 - перекачивающий насос: 6 - основной резервуар; 7, 8, 19 - линии рециркуляции мазута; 9 - насос первого подъема; 10 - обратный клапан; 11 - подогреватель мазута; 12 - фильтр тонкой очистки; 13 - насос второго подъема; 14 - запорная задвижка; 15 - регулятор расхода; 16 - расходомер; 17 - задвижка; 18 - форсунки котла.

Резервуары служат для приемки и хранения мазута. Конструкция их должна обеспечивать необходимую для хранения прочность. Суммарная емкость резервуаров должна обеспечивать 15-ти суточный запас топлива, при условии, что мазут является основным видом топлива и доставляется к электростанции водным или железнодорожным видом транспорта.

Исполнение резервуаров может быть наземным, подземным и полуподземным.

Мазутонасосные станции сооружаются в виде отдельного помещения, в котором располагаются насосы, вентиляционное оборудование, щит управления и распределительное устройство. Также в помещении станции устанавливаются такие технологические устройства как: фильтры, подогреватели и устройства для сбора и очистки загрязненных мазутом вод.

Помещение мазутонасосной станции и резервуаров относится к категории взрывоопасных объектов. Поэтому вся электрическая арматура и электродвигатели выбираются во взрывобезопасном исполнении. Мазутное хозяйство обычно размещается за пределами ТЭС, не ближе 500 м от ближайшего населенного пункта.

Заключение

На сегодняшний день основными целями электроэнергетики в России являются такие вопросы как:

ремонт и замена устаревших, а также, выработавших свой ресурс, фондов электростанций;

повышение выдачи больших объемов электроэнергии ввиду естественного роста электропотребления населенных пунктов и производств,

повышение и соблюдение требований экологических стандартов, защита окружающей среды;

развитие технологии эффективного использования альтернативных возобновляемых источников электроэнергии.

Ввиду скорого прогнозируемого дефицита углеводородных ресурсов возможный рост себестоимости электроэнергии может сыграть угнетающую роль на экономической сцене страны и поэтому следует уже сейчас развивать и продвигать энергоемкие системы обогрева и освещения жилых, служебных и производственных помещений. Внедрять установки, использующие в качестве ресурса энергию ветра, энергию солнца, энергию, выделяемую в процессе сжигания водорода. А так же повышать КПД уже используемых установок путем их глубокой, обоснованной модернизации.

Список литературы

1. В.Д. Буров, Е.В. Дорохов, Д.П. Елизаров и др. Тепловые электрические станции М.: Издательский дом МЭИ, 2009г. - 466 с.

2.       Маргулова Т.Х. Атомные электрические станции - М. Высш. Школа, 1978г. - 360 с.

.        Стерман Л.С. Тепловые и атомные электростанции - М.: Энергоиздат, 1982 г. - 456 с.

.        Кругликов П.А. Технико-экономические основы проектирования ТЭС и АЭС. СБП, СЗТУ, 2003г. - 118 с.