Контрольная работа: Регенеративные циклы

Внимание! Если размещение файла нарушает Ваши авторские права, то обязательно сообщите нам

Рисунок 8 - Схема деаэраторной колонки термического деаэратора ДП-3200(2х1600)/185: 1 - подвод деаэрируемой воды; 2 - подвод греющего пара; 3 - бак-аккумулятор деаэрированной воды; 4 - выпар из деаэратора; 5 - подвод питательной воды из гидропривода КГТН; 6 - корпус деаэраторной колонки; 7 - водоприемные устройства; 8 - дырчатая тарелка; 9 - пароподводящее устройство; 10 - струйный отсек; 11 - перепускная труба; 12 - барботажный лист

Подогреватель ПНД-3 кожухотрубный теплообменный аппарат вертикального исполнения с нижним расположением водяных камер. Все три ПНД (3, 4, 5) имеют аналогичные конструкции и схемы. Это кожухотрубные цилиндрические теплообменные аппараты с прямыми трубками, развальцованными в верхней и нижней трубных досках. Они выполнены двухходовыми по движению подогреваемой воды и одноходовыми по движению греющего пара. Греющий пар омывает трубки поперечно. В верхней части подогревателя предусмотрена поворотная водяная камера. Поверхность теплопередачи (3226 м2) образована прямыми трубками с наружным диаметром 16 мм с активной длиной примерно l=5160 мм. Общая высота теплообменного аппарата составляет Н=11000 мм, наружный диаметр D=3390 мм, масса сухого ПНД 120 т.

Рисунок 9 - Схема поверхностного подогревателя низкого давления (ПНД-3 типа ПН-3200-30-16-IA):

- подвод греющего пара;

- отвод конденсата греющего пара;

- подвод конденсата греющего пара от предыдущего ВП (из ПНД-4);

- подвод нагреваемой воды;

- отвод нагретой воды;

- отвод неконденсирующихся газов;

- корпус водоподогревателя;

- одна из трубок поверхности теплообмена;

- верхняя поворотная камера нагреваемой воды

Поверхностный водоподогреватель может иметь существенно иную конструкцию и схему обтекания трубной системы. В качестве примера на рисунке 10 показана схема поверхностного подогревателя высокого давления (к этому типу относятся ПВД-6 и ПВД-7), находящегося в составе паротурбинной установки с турбиной К-1000-60/3000. Так как напорно-питательный трубопровод этой ПТУ выполнен в виде двух ветвей, то в составе установки имеются два параллельно работающих ПВД-6 и два ПВД-7. Каждый ПВД является кожухотрубным теплообменным аппаратом с движением нагреваемой среды внутри трубок. Поверхность нагрева выполнена из труб диаметром 32/4 мм, свитых в горизонтально расположенные спирали, общее количество спиралей около 1300 шт. Спирали собраны в шесть вертикальных колонн, спирали каждой колонны соединены с раздающими и собирающими вертикальными коллекторами (по одному раздающему и одному собирающему коллектору на пару колонн). Подвод и отвод нагреваемой воды осуществляется в нижней части подогревателя. Греющий пар поступает в корпус водоподогревателя сверху и, омывая спирали снаружи, опускается вниз и покидает ВП в виде конденсата греющего пара в нижней его части. Общая поверхность теплопередачи одного ВП 2500 м2. Габаритные размеры ВП: высота Н=14090 мм; диаметр D=2679 мм; масса сухого ПВД 175 т.

В подогревателе поверхностного типа температура нагреваемой воды при конечных (а иногда и существенно ограниченных) размерах теплопередающей поверхности не может достигать температуры греющей среды. Поэтому тепловая энергия греющего пара используется менее полно, чем это имеет место в смешивающем подогревателе. И только при бесконечно большой поверхности теплопередачи (теоретически предельный случай) при правильно подобранном расходе греющего пара нагреваемая среда на выходе может достичь температуры греющей среды (рисунок 11). Практически подогреватели поверхностного типа имеют конечную (и заметно ограниченную) поверхность теплопередачи, поэтому для достижения заданного температурного режима нагреваемой питательной воды давление греющего пара в отборе должно быть более высоким. Это приводит к некоторому понижению эффективности таких подогревателей и, как следствие этого, к понижению экономичности ЯЭУ.

Рисунок 10 - Схема поверхностного подогревателя высокого давления (ПВД-6, 7 типа ПВ-2500-97-18A): 1 - подвод нагреваемой воды; 2 - отвод нагретой воды; 3 - подвод греющего пара; 4 - отвод конденсата греющего пара; 5 - подвод каскадно сливаемого конденсата греющего пара от вышерасположенного ПВД; 6 - коллекторы подвода и отвода нагреваемой воды; 7 - колонны греющих змеевиков; 8 - горизонтальные спиральные змеевики; 9 - корпус водонагревателя; 10 - охладитель дренажа

Рисунок 11 - Диаграмма t - q поверхностного регенеративного водоподогревателя: а) - с бесконечно большой поверхностью теплопередачи; б) - с конечной поверхностью теплопередачи

Регенеративные циклы, построенные на использовании водоподогревателей смешивающего и поверхностного типа, имеют некоторые различия, связанные с особенностями принципа действия этих подогревателей. Для случая трехступенчатого регенеративного подогрева питательной воды такие циклы показаны на рисунке 12.
























Рисунок 12 - Регенеративные циклы:

а) - цикл с регенеративными подогревателями смешивающего типа; б) - цикл с регенеративными подогревателями поверхностного типа: Тот i - температура пара в i-м отборе; Тпв j - температура воды на выходе из j-го подогревателя

Для водоподогревателя поверхностного типа параметры греющей среды на выходе определяются расходом греющей среды. Обычно расход греющей среды подбирают таким образом, чтобы греющая среда в подогревателе только конденсировалась без переохлаждения конденсата. Это объясняется тем, что удельная теплота конденсации пара (скрытая теплота конденсации r) значительно больше удельной теплоты, получаемой за счет охлаждения конденсата греющего пара (ср конденсата). Поэтому эффект за счет дополнительного охлаждения конденсата вносит небольшой вклад в баланс энергий.

Если все же принять расход греющей среды несколько ниже (при соответствующей поверхноси теплопередачи), то полученный в водоподогревателе конденсат соответственно переохладится. Эта мера позволит даже при некотором снижении расхода греющего пара получить тот же эффект нагрева воды и таким образом повысить эффективность подогревателя. Заметим, что обычно эта мера увеличивает эффективность подогревателя, но она не может вывести эту эффективность до уровня подогревателя смешивающего типа.

Зону переохлаждения конденсата называют охладителем дренажа (ОД). Он может быть выполнен как часть общей теплопередающей поверхности водоподогревателя (в этом случае говорят о встроенном ОД) или же может быть выделен в отдельную конструкцию (выносной ОД).

В подогревателях низкого давления обычно применяют выносные ОД. Выносная конструкция позволяет иначе скомпоновать теплопередающую поверхность ОД и достичь увеличения скорости теплообменивающихся сред. Так как теплообменивающиеся среды в ОД являются однофазными (вода), то для увеличения значений коэффициентов теплоотдачи следует принять меры для повышения скорости сред. В результате рациональной компоновки трубной системы удается увеличить значения коэффициентов теплоотдачи и, следовательно, коэффициента теплопередачи в ОД.

Что касается подогревателей высокого давления, то выполнить выносную конструкцию ОД затруднительно (сложная конструкция под высоким давлением). Поэтому в ПВД обычно применяют встроенные ОД.

В приведенных выше схемах ПНД и ПВД, используемых в ПТУ с турбиной К-1000-60/3000, все поверхностные подогреватели низкого давления (ПНД-3, 4, 5) выполнены без ОД, подогреватели высокого давления (ПВД-6, 7) имеют встроенные ОД.

В схеме рабочего контура с подогревателями поверхностного типа должен быть обеспечен возврат конденсата греющего пара в рабочий контур.

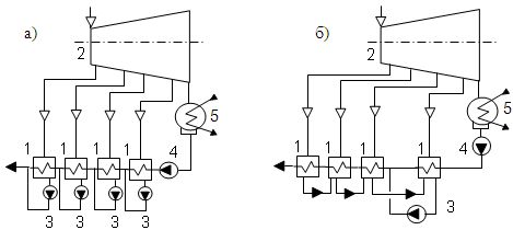
Конденсат греющего пара (дренаж подогревателя) может быть с помощью дренажного насоса возвращен в рабочий контур. В этом случае наиболее целесообразной является схема, когда конденсат греющего пара дренажным насосом заканчивается в нагреваемую среду на ее выходе из подогревателя (рисунок 13,а). Этот вариант возврата дренажа приближает тепловую эффективность поверхностного подогревателя к эффективности смешивающего подогревателя. Но при этом схема рабочего контура становится весьма сложной, так как каждый подогреватель должен быть снабжен дренажным насосом. Кроме того, с учетом затрат мощности на дренажные насосы схема может заметно снизить экономический эффект в целом.

Слив дренажа поверхностного подогревателя может быть выполнен и иным образом - в полость греющей среды нижерасположенного подогревателя. Так как в этой полости давление среды всегда ниже, то слив может быть безнасосный - так называемый каскадный слив. Это значительно упрощает схему и поэтому увеличивает ее надежность. Схема каскадного слива дренажей поверхностных подогревателей показана на рисунке 13,б.

Рисунок 13 - Регенеративные схемы с поверхностными подогревателями: а) - с дренажными насосами у каждого подогревателя; б) - с каскадным сливом дренажей и общим дренажным насосом; 1 - ВП, 2 - ГТ, 3 - дренажный насос, 4 - КН, 5 - ГК

Если сливаемый дренаж направить в полость греющей среды нижерасположенного подогревателя, то тепловая энергия, содержащаяся в сливаемом дренаже, может быть частично использована в этом нижерасположенном подогревателе на нагрев нагреваемой среды. В результате эффективность подогревателя несколько возрастает. Однако тепловая энергия сливаемого дренажа передается нагреваемой среде только в нижерасположенном подогревателе, т.е. на более низком энергетическом уровне. В результате общая эффективность системы регенерации несколько снижается. Кроме того, добавление дренируемой воды в греющий пар может отрицательно сказаться на подводе греющего пара. В результате может потребоваться увеличение поверхности теплопередачи и, следовательно, массогабаритных показателей водоподогревателя.

В практике компоновки систем регенерации в рабочем контуре ЯЭУ АЭС применяется комбинация различных способов возврата дренажей в основной поток рабочего тела. Целесообразно несколько рядом расположенных поверхностных подогревателей (два-три) объединить в группу, внутри которой организуется каскадный слив дренажей, а из последнего в группе подогревателя - дренажным насосом на выход нагреваемой в нем воды. При этом сливаемый каскадом дренаж целесообразно подвергнуть охлаждению в охладителе дренажа, а откачиваемый насосом дренаж последнего подогревателя подвергать охлаждению не следует. Действительно, вся тепловая энергия, содержащаяся в конденсате греющего пара, и без ОД будет передана нагреваемой воде без снижения ее энергетического уровня. Это наиболее рациональная схема организации возврата конденсата греющего пара в рабочий контур, хотя в реальных установках по ряду соображений она не всегда реализуется в полной мере.

Комбинация каскадного слива конденсата и откачки дренажа дренажным насосом показана на рисунке 13,б.

В ПТУ с турбиной К-1000-60/1500-2 (ЗАЭС) все подогреватели и низкого, и высокого давления за исключением деаэратора являются подогревателями поверхностного типа. Все подогреватели высокого давления имеют встроенные ОД. Среди подогревателей низкого давления только для ПНД-2 и 4 предусмотрены выносные ОД, из которых конденсат греющего пара каскадно сливается соответственно в ПНД-1 и ПНД-3, а из последних соответствующими дренажными насосами закачивается в трассу конденсатного трубопровода.

Заметим, что в соответствии с принятым типом водоподогревателя на него должен подаваться строго расчетный расход греющего пара. Если расход пара по какой-либо причине окажется меньше расчетного, то в таком подогревателе появляется зона охлажденного дренажа, даже если она расчетом и не предусмотрена. Если же расход пара будет больше расчетного (появится "лишний" пар), то на выход из такого подогревателя вместе с конденсатом будет отводиться и несконденсировавшийся пар. Это снизит эффективность использования греющего пара. Кроме того, если конденсат откачивается конденсатным насосом, то это может привести к срыву насоса. Для исключения такого явления на выходе из подогревателя устанавливают регулирующий клапан, выполняющий функции исполнительного органа регулятора уровня конденсата. Его работа приведет к тому, что расход греющего пара будет уменьшен до необходимого.

2. КПД цикла с одноступенчатой регенерацией тепла

Для количественной оценки вклада регенерации тепла в цикле в повышение его КПД и выявления путей оптимизации регенеративного подогрева питательной воды рассмотрим простейший случай - регенерацию с применением одного подогревателя смешивающего типа для установки, работающей на насыщенном паре. Для простоты рассмотрения вопроса принято, что промежуточная сепарация и промежуточный перегрев пара в установке не предусмотрены. Схема такой установки имеет вид, показанный на рисунке 14.





Рисунок 14 - Регенеративная схема с одноступенчатым подогревом питательной воды в смешивающем подогревателе: 1 - ПГ, 2 - ГТ, 3 - ГК, 4 - КН, 5 - ВП, 6 - ПН

Очевидно, что чем выше энтальпия пара отбора iот (более ранний отбор пара из проточной части турбины) и чем больше расход отбираемого пара Gот, тем выше нагрев питательной воды, выше энтальпия питательной воды iпв и выше ее температура tпв. Максимально достижимая температура питательной воды будет равна температуре греющего пара: