Материал: Разработка устройства управления трехцветным светофором на логических элементах

Внимание! Если размещение файла нарушает Ваши авторские права, то обязательно сообщите нам

Разработка устройства управления трехцветным светофором на логических элементах

Введение

Светофор - устройство для подачи световых сигналов, регулирующих движение на улицах и автомобильных дорогах, подвижного состава на железной дороге. Различают светофоры цветные (зеленый, желтый и красный), позиционные (сигнализируют расположением одноцветных огней) и комбинированные. На железной дороге применяют также дополнительно синий и лунно-белый цвета.

Первое устройство светофорного типа было установлено в 1868 году на улицах Лондона, электрический трехцветный светофор появился в 1918 в Нью-Йорке, в 1930 в Москве.

В странах СНГ светофоры на городских улицах являются, как правило, муниципальной собственностью.

В Европе аналогичные светофоры были впервые установлены в 1922 году в Париже на пересечении Рю де Риволи и Севастопольского бульвара и в Гамбурге на площади Штефансплатц. В Англии - в 1927 году в городе Вулвергемптоне.

В СССР первый светофор установили 15 января 1930 года в Ленинграде на пересечении проспектов 25 Октября и Володарского (ныне Невского и Литейного проспектов). А первый светофор в Москве появился 30 декабря того же года на углу улиц Петровка и Кузнецкий Мост. До 1959 года красный и зелёный цвета были на местах, противоположных нынешним, затем СССР присоединился к Международной конвенции о дорожном движении и к Протоколу о дорожных знаках и сигналах. Несколько ранее произошла замена первоначального верхнего синего на верхний зелёный.

В связи с историей светофора часто упоминают имя американского изобретателя Гаррета Моргана (англ.)русск., запатентовавшего в 1923 году светофор оригинальной конструкции. Однако в историю вошёл тем, что впервые в мире в патенте кроме технической конструкции указал назначение: «Назначение устройства - сделать очерёдность проезда перекрёстка независимой от персоны, сидящей в автомобиле».

Промышленное производство, строительная индустрия, сельское хозяйство торговля, в настоящее время не могут функционировать и развиваться без автомобильного транспорта. При современном росте автомобильных потоков, возникает вопрос об автоматизации регулирования дорожного движения. В настоящее время для регулирования транспортных потоков широко используются светофоры. На данный момент - это основное средство регулирования дорожного движения. Светофоры являются достаточно надежным средством обеспечения безопасности на дороге если беспрекословно соблюдать его сигналы.

В середине 1990-х были изобретены зелёные светодиоды с достаточной яркостью и чистотой цвета, и начались эксперименты со светодиодными светофорами. Саров стал первым городом, в котором светодиодные светофоры стали применяться массово.

Целью курсовой работы являться разработка устройства управления трехцветным светофором на логических элементах.

Исходе из цели курсовой работы были поставлены задачи:

.        Разработка системы управления трехцветным светофором на логических элементах

.        Разработать логическую схему устройства

.        Программно реализовать системы управления трехцветным светофором

автомобильный светофор дорога

1.Теоретические основы проектирования логического устройства

.1 Изучение работы простейших логических элементов

Логические элементы - устройства, предназначенные для обработки информации в цифровой форме (последовательности сигналов высокого - «1» и низкого - «0» уровней в двоичной логике, последовательность «0», «1» и «2» в троичной логике, последовательностями «0», «1», «2», «3», «4», «5», «6», «7», «8» и «9» в десятичной логике). Физически логические элементы могут быть выполнены механическими, электромеханическими (на электромагнитных реле), электронными (на диодах и транзисторах), пневматическими, гидравлическими, оптическими и др.

С развитием электротехники от механических логических элементов перешли к электромеханическим логическим элементам (на электромагнитных реле), а затем к электронным логическим элементам на электронных лампах, позже - на транзисторах. После доказательства в 1946 г. теоремы Джона фон Неймана об экономичности показательных позиционных систем счисления стало известно о преимуществах двоичной и троичной систем счисления по сравнению с десятичной системой счисления. От десятичных логических элементов перешли к двоичным логическим элементам. Двоичность и троичность позволяет значительно сократить количество операций и элементов, выполняющих эту обработку, по сравнению с десятичными логическими элементами.

Логические элементы выполняют логическую функцию (операцию) над входными сигналами (операндами, данными).

Всего возможно {\displaystyle \ x^{(x^{n})*m}}логических функций и соответствующих им логических элементов, гдеx {\displaystyle \ x} - основание системы счисления, n{\displaystyle \ n} - число входов (аргументов), m{\displaystyle \ m} - число выходов, то есть бесконечное число логических элементов. Поэтому в данной статье рассматриваются только простейшие и важнейшие логические элементы.

Всего возможны {\displaystyle 2^{(2^{2})*1}=2^{4}=16} двоичных двухвходовых логических элементов и {\displaystyle 2^{(2^{3})*1}=2^{8}=256} двоичных трёхвходовых логических элементов (Булева функция).

Кроме 16 двоичных двухвходовых логических элементов и 256 трёхвходовых двоичных логических элементов возможны 19 683 двухвходовых троичных логических элементов и 7 625 597 484 987 трёхвходовых троичных логических элементов (троичные функции).

Двоичные логические операции с цифровыми сигналами (битовые операции)

Логические операции (булева функция) своё теоретическое обоснование получили в алгебре логики.

Логические операции с одним операндом называются унарными, с двумя - бинарными, с тремя - тернарными (триарными, тринарными) и т. д.

Из {\displaystyle 2^{(2^{1})}=2^{2}=4} возможных унарных операций с унарным выходом интерес для реализации представляют операции отрицания и повторения, причём, операция отрицания имеет большую значимость, чем операция повторения, так как повторитель может быть собран из двух инверторов, а инвертор из повторителей не собрать.

Рис.1

Мнемоническое правило для отрицания звучит так: На выходе будет:

·              «1» тогда и только тогда, когда на входе «0»,

·              «0» тогда и только тогда, когда на входе «1»

Конъюнкция (логическое умножение). Операция

Рис.2

Логический элемент, реализующий функцию конъюнкции, называется схемой совпадения. Мнемоническое правило для конъюнкции с любым количеством входов звучит так: На выходе будет:

·              «1» тогда и только тогда, когда на всех входах действуют «1»,

·              «0» тогда и только тогда, когда хотя бы на одном входе действует «0»

Словесно эту операцию можно выразить следующим выражением: "Истина на выходе может быть при истине на входе 1 И истине на входе 2".

Дизъюнкция (логическое сложение). Операция ИЛИ


Рис.3

Мнемоническое правило для дизъюнкции с любым количеством входов звучит так: На выходе будет:

·              «1» тогда и только тогда, когда хотя бы на одном входе действует «1»,

·              «0» тогда и только тогда, когда на всех входах действуют «0»

Описание работы трехцветного светофора

Трехцветный светофор(Автомобильные светофор)

Наиболее распространены светофоры с сигналами (обычно круглыми) трех цветов: красного, жёлтого и зелёного. В некоторых странах вместо жёлтого используется оранжевый цвет. Сигналы могут быть расположены как вертикально (при этом красный сигнал всегда располагается сверху, а зелёный - снизу), так и горизонтально (при этом красный сигнал всегда располагается слева, а зелёный - справа). При отсутствии других, специальных светофоров они регулируют движение всех видов транспортных средств и пешеходов.

Иногда сигналы светофора дополняют специальным табло обратного отсчёта времени, которое показывает сколько времени ещё будет гореть сигнал. Чаще всего табло обратного отсчёта делают для зелёного сигнала светофора, но в ряде случаев табло отображает и оставшееся время красного сигнала.

Практически повсеместно красный сигнал светофора запрещает движение, жёлтый запрещает выезд на охраняемый светофором участок, но допускает завершение его проезда, а зелёный - разрешает движение. Распространено, но не повсеместно использование сочетания красного и жёлтого сигналов, обозначающее предстоящее включение зелёного сигнала. Иногда зелёный сигнал включается сразу после красного без промежуточного жёлтого, но не наоборот. Детали применения сигналов различаются в зависимости от принятых в той или иной стране Правил дорожного движения.

Существуют светофоры из двух секций - красной и зелёной. Такие светофоры обычно устанавливаются на пунктах, где пропуск автомобилей производится в индивидуальном порядке, например, на пограничных переходах, при въезде или выезде с автостоянки, охраняемой территории и т. п.Могут также подаваться мигающие сигналы, смысл которых зависит от местного законодательства. В России и во многих странах Европы мигающий зелёный сигнал означает предстоящее переключение к жёлтому. Автомобили, приближающиеся к светофору с мигающим зелёным сигналом, могут принять меры к своевременному торможению, чтобы избежать выезда на охраняемый светофором перекрёсток или переход на запрещающий сигнал. Мигающий жёлтый сигнал требует снизить скорость для проезда перекрёстка или пешеходного перехода как нерегулируемого (например, в ночные часы, когда регулирование не требуется из-за низкой интенсивности движения). Иногда для этих целей применяются специальные светофоры, состоящие из мигающей одной или попеременно мигающих двух жёлтых секций.

2.Разработка системы управления трехцветным светофором

Постановка задачи

При проектировании данной курсовой работой были поставлены следующие задачи:

.        Разработать блок схему

.        Разработать и спроектировать логическую схему трехцветного светофора

.        Написать таблицу истиности, СКНФ, СДНФ.

.        Програмно реализовать систему управления трехцветным светофором

Блок схема (приложение 3)

У трехцветного светофора есть четыре состояния:

.        Если в блок Ввод данных ввести значение x1=0;x2=1 то на выходе будет гореть красный цвет.

.        Если в блок Ввод данных ввести значение x1=0;x2=0 то на выходе будет гореть красный ижелтый цвет.

.        Если в блок Ввод данных ввести значение x1=1;x2=1 то на выходе будет гореть зеленый цвет.

.        Если в блок Ввод данных ввести значение x1=1;x2=0 то на выходе будет гореть желтый цвет.

Рис.4

Проектирование логической схемы устройства

Для проектирования логической схемы устройства были использованы следующие логические элементы:НЕ, И

Описание этих элементов написано в Таблице2.

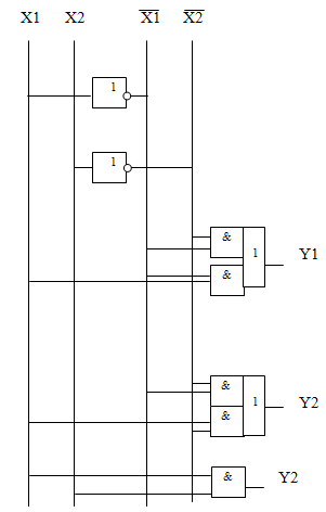
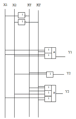
Рисунок 5. Логическая схема

По данным таблицы истинности(таб.1) мы пишем СДНФ(рис.5)(совершенная дизъюнктивная нормальная форма) и СКНФ(рис.6)(совершенно конъюнктивная нормальная форма)



Рисунок 5. Схема СДНФ

Рисунок 6. Схема СКНФ

Программная реализация системы управления трехцветным светофоромПо Блок схеме трехцветного светофора были реализованы программы на языке Pascalв программеPascalABC.NET(Приложение 1)(Приложение 2). Описание команды используемых в ходе написания программного кода:

.        Условный оператор if

Условный оператор работает по следующему алгоритму.

Сначала вычисляется значение логического выражения, расположенного за служебным словом IF. Если его результат истина, выполняется <оператор 1>, расположенный после слова THEN, а действия после ELSE пропускаются; если результат ложь, то, наоборот, действия после слова THEN пропускаются, а после ELSE выполняется <оператор 2>.

.        Операторы Write и WriteLn- оператор, который используется для вывода информации на экран. Оператор WriteLn выполняет то же самое действие, но так как у него есть еще окончание Ln (line - англ. линия, строка), то после вывода на экран нужного сообщения, он дополнительно переводит курсор в начало следующей строки.

.        Операторы Read и ReadLn

Этими операторами вводится информация с клавиатуры.

.        Операторы Begin и End

Операторы Beginи End служат операторными скобками, то есть Beginэто начало а Endконец скобки.

.        Цикл со счетчикомFor

В цикле со счетчиком тело цикла повторяется заранее определенное число раз.

Общая форма записи цикла со счетчиком

for i := A to B do

. . .;i := A downto B do

begin

. . .;

Здесь переменная i - управляющая переменная или переменная цикла,

А - начальное значение переменной цикла,

В - конечное значение переменной цикла.

.        Оператор SetPixel

Закрашивает один пиксел с координатами (x,y) цветом color.

.        Оператор Rectangle

Рисует прямоугольник, используя текущий тип и цвет линии.

Заключение

В результате выполнения курсового проекта была разработана функциональная схема на логических элементах и программа трехцветного светофора. Данная схема способна осуществлять сигналы светофора.

Список литературы

автомобильный светофор дорога

1.       Колдаев В. Д. Архитектура ЭВМ [Электронный ресурс]: учебное пособие / В.Д. Колдаев, С.А. Лупин. - М.: ИД ФОРУМ: НИЦ ИНФРА-М, 2014. - 384 с. - Режим доступа: #"902956.files/image014.gif">

Рис.7