Материал: Разработка технических средств водоподготовки и приготовления электролита

Внимание! Если размещение файла нарушает Ваши авторские права, то обязательно сообщите нам

Разработка технических средств водоподготовки и приготовления электролита

Аннотация

Разработанный дипломный проект посвящен проектированию установок водоподготовки и приготовления электролита для производства водорода электролизным методом на производительность 1000м3/ч.

Разрабока эффективной технологии водоподготовки и приготовления электролита для производства водорода электролизным методом является актуальной задачей как с точки зрения экологической значимости проекта, ведь водород является экологически чистым топливом, так и с точки зрения его экономической эффективности, поскольку эффективная технологическая схема позволит получить водород высокого качества при как можно меньших энергозатратах, которые, тем не менее, все же остаются достаточно большими, так как заложены в основной стадии процесса - электролизе.

Целью дипломного проекта было создание наиболее эффективной и экономически целесообразной технологической схемы водоподготовки и приготовления электролита для получения водорода электролизным методом.

Производство сжатого технического водорода согласно разработанной схеме включает в себя следующие стадии:

1.       водоподготовка;

2.       приготовление электролита;

В данном дипломном проекте рассмотрены процессы и технологическое оборудование для очищения воды и приготовления электролита, и из этого следует, что водород получают из предварительно очищенной воды методом электролиза, поэтому в качестве примесей в водороде могут содержаться кислород и вода.

В данном дипломном проекте помимо разработки общей технологической схемы производства водорода электролизным методом спроектирована часть основных аппаратов схемы - ионитовый фильтр, смеситель.Проектирование включало проведение всех необходимых технологических и прочностных расчетов, а также выпуск чертежей общего вида по этим аппаратам.

При проектировании установки учтены все необходимые требования безопасности при работе с опасными и токсичными веществами.

Технология производства водорода электролизным методом согласно предлагаемой схемы экономически целесообразна и, кроме того, может снижать экологическую нагрузку на биосферу от использования минерального топлива. Спроектированная установка отвечает всем необходимым требованиям безопасности.

Введение

Водород как технический продукт широко используют во многих отраслях народного хозяйства - в технологических процессах переработки нефти, производства аммиака, метанола, в металлургической промышленности, во многих отраслях науки и техники. В последнее время водород рассматривают как универсальный теплоноситель и как аккумулятор энергия.

Потребности общества в энергетических ресурсах непрерывно возрастают по мере развития научно-технической революции. При этом большую часть энергии получают за счет использования невозобновляемых ресурсов (нефть, природный газ, уголь, сланцы), запасы которых далеко не безграничны. По современным представлениям, например, запасы нефти будут практически исчерпаны через 50-100 лет, а каменного угля-через 300-400 лет.

Все возрастающие энергетические потребности общества наиболее полно могут быть удовлетворены при переходе на термоядерную энергетику, который, вероятно, будет реализован в ближайшие десятилетия. Естественно, в этом случае потребуется эффективный вторичный энергоноситель. Таким универсальным энергоносителем может являться водород, поскольку он обладает высокой теплотой сгорания (примерно в 3 раза большей, чем углеводородные горючие, в пересчете на массу топлива) и не загрязняет окружающую среду вредными продуктами сгорания, т. е. является экологически чистым энергоносителем. Это выгодно отличает его от органических горючих, огромное потребление которых сопровождается большими выбросами в атмосферу оксидов углерода, азота, серы и других вредных веществ, что вызывает нарушение экологического равновесия в природе. Например, накопление в атмосфере диоксида углерода опасно из-за возникновения так называемого парникового эффекта, сильное повышение которого может привести к катастрофическим последствиям.

Учитывая сказанное, а также практическую доступность неограниченных запасов сырья (воды) для получения водорода, можно предположить, что со временем он все в большей степени будет заменять нефть, природные газы, уголь и другие невозобновляемые первичные источники энергии органического происхождения.

Весьма перспективно использование водорода в качестве горючего в транспортных средствах (авто- и авиатранспорт, авиационно-космические объекты) ввиду его высокой теплоты сгорания и значительной хладоемкости.

Особый интерес представляет водород как аккумулятор энергии - вторичный энергоноситель, который можно эффективно использовать, например, на электростанциях для покрытия пиковых нагрузок. Кроме того, применение водорода в качестве энергоносителя дает возможность передавать энергию на большие расстояния с более высоким КПД, чем это обеспечивают современные системы, в том числе передачи электроэнергии по проводам. Повышается значение широкого использования водорода для получения синтетических жидких топлив и синтетических газов (типа природных) из угля и сланцев.

1. Описание технологической схемы водоподготовки и приготовление электролита


Производство электролитического водорода и кислорода включает одну основную стадию (электролиз воды) и две вспомогательные (приготовление электролита и приготовление питательной воды).

Цех водоподготовки.

Из водопровода вода насосом подается на катионитный фильтр (ФК), заполненный смолой КУ 2-8, где происходит удаление солей жесткости. После вода подается на анионитный фильтр (ФА), заполненный смолой АВ 17-8, где происходит удаление ионов кислот. Очищенная вода поступает на электролиз.

Регенерация фильтров осуществляется в противоточном режиме. Наличие в схеме пар фильтров позволяет осуществлять процесс очистки и регенерации одновременно (один фильтр проходит регенерацию, другие фильтры очищает воду), что делает процесс непрерывным.

При регенерации 4 - 8 % раствор соляной кислоты из бака подается самотеком на катионитный фильтр (ФК), 4 - 8 % раствор гидроксида натрия из бака подается самотеком на анионитный фильтр (ФА). После регенерации растворы выводятся через верхний трубопровод и собираются в баке усреднителе.

Цех приготовления электролита.

При электролизе воды в качестве электролита используется раствор едкого кали концентрацией 300-400 г/л. Для заполнения электролизера на половину нам нужно 450л дистиллированной воды и 270 кг KOH. Для того чтобы уменьшить габариты аппарата с перемешивающим устройством мы делаем приготовление электролита в три этапа.

Приготовление электролита производится на установке, состоящей из:

¾ аппарата с перемешивающем устройством (смеситель);

¾      сборный бак;

¾      буферная емкость;

¾      центробежных насосов.

Перед растворением щелочи смеситель заполняется дистиллированной водой на 150л, после чего в аппарат засыпают сухую щелочь в размере 90кг. После заполнения смесителя водой и щелочью включается мешалка и работает до получения требуемой концентрации КОН в растворе. Концентрация электролита контролируется аэрометром и определяется точно методом титрования.

При достижения заданной концентрации щелочи электролит из смесителя насосом подаётся в сборный бак (объёмом не менее 600 литров), откуда насосом направляется в электролизёр.

При работе электролизеров наблюдается унос щелочи который составляет около 1 г на кубометр вырабатываемого водорода. Когда концентрация КОН в электролизере падает до 250г/л, а это через 4часа 30 минут непрерывной работы, производится укрепление до заданной концентрации щелочи.

Для этого часть электролита из электролизера самотеком, по трубопроводу сливается в буферную емкость, а затем набрав определенный объем идет в смеситель, и укрепляется щелочью до требуемой концентрации описанным выше способом.

Укрепление электролита щелочью и подача его в электролизеры производится при полном отключении электролизеров по току.

Материальный баланс

По исходным данным нам нужно получить 1000м3 водорода электролизным методом.

.Расчет количества воды :

Н2О= Н2 +1/2О2 18г/моль (Н2О)-2г/моль (Н2) 1кг (Н2О)-Х (Н2)

Х=(2г/моль*1000г)/18г/моль=111г (Н2)

г/моль (Н2)-22,4л/моль

г (Н2)-Х (Н2)

Х=(111г (Н2)* 22,4л/моль)/ 2г/моль (Н2)=1,243м32)

кг (Н2О)- 1,243м32)

Хкг (Н2О)-1000м32)

Х=(1000м32)* 1кг (Н2О))/ 1,243м32)=833кг (Н2О)

С учетом потерь на испарение и т.д. расход воды примем равным не 833 кг, а на 17кг больше: 850кг

Из 850 кг воды получается 105кг водорода или 1176 м3 водорода.

.Рассчет количества кислорода вышедшему из электролизера в атмосферу:

Н2О= Н2 +1/2О2 16г/моль (О2)- 18г/моль (Н2О)

Х (О2)-850кг (Н2О)

Х=(850кг (Н2О)* 16г/моль (О2))/ 18г/моль (Н2О)=755кг (О2)

Зная что из электролизера выходит 98,5%, получаем выход:

Х=744кг/ч, если проходит 850 кг/ч воды.


Выбор конструкционного материала и защита от коррозии

Описание технологической схемы водоподготовки

К дистиллированной воде применяемой для питания ванн, в процессе электролиза следует предъявлять самые высокие требования. Прежде всего она не должна содержать хлоридов и углекислоты, ибо уже небольшое содержание хлоридов разрушает электроды и приводит к пенообразованию. Наиболее распространённой и нежелательной проблемой является присутствие в исходной воде ионов жёсткости, т.е. кальция и магния, соли которых, разлагаясь при высоких температурах, приводят к образованию накипи на электродах.

Итак целью цеха водоподготовки является получение из водопроводной воды дистиллированной воды.

Удаление солей жёсткости, частичная или глубокая деминерализация могут быть достигнуты различными способами. Однако, решение подобных задач с помощью ионообменных процессов является одним из наиболее надёжных. Основной принцип ионообменных процессов заключается в следующем: подлежащая очистке вода проходит через один или систему фильтров, заполненных ионообменными смолами (подбираемыми в зависимости от требуемой задачи - для умягчения, снижение щёлочности, обессоливание, удаление нитратов и т.д.), которые, в свою очередь удаляют из воды соответствующие ионы и обмениваются эквивалентными количествами других ионов того же заряда, выпущенных ионитом.

Из водопровода вода насосом подается на катионитный фильтр (ФК), заполненный смолой КУ 2-8, где происходит удаление солей жесткости. После вода подается на анионитный фильтр (ФА), заполненный смолой АВ 17-8, где происходит удаление ионов кислот. Очищенная вода поступает на электролиз.

Регенерация фильтров осуществляется в противоточном режиме. Наличие в схеме пар фильтров позволяет осуществлять процесс очистки и регенерации одновременно (один фильтр проходит регенерацию, другие фильтры очищает воду), что делает процесс непрерывным.

При регенерации 4 - 8 % раствор соляной кислоты из бака подается самотеком на катионитный фильтр (ФК), 4 - 8 % раствор гидроксида натрия из бака подается самотеком на анионитный фильтр (ФА). После регенерации растворы выводятся через верхний трубопровод и собираются в баке усреднителе.

Характеристика условий эксплуатации аппаратов цеха водоподготовки.

Аппараты отделения химводоподготовки во время работы контактируют с водопроводной питьевой водой. Однако, при регенерации ионита в фильтрах оборудование взаимодействует с агрессивной средой.

Характеристика рабочих сред для аппаратов отделения химводоподготовки приведена в таблице 1.

Характеристика рабочих сред

Аппарат

Среда

Концентрация, %

Давление, МПа

Температура, °С

Емкость приготовления регенерирующего раствора

NaOH

4,0-8,0

0,1

 10-25

Емкость приготовления регенерирующего раствора

HCl

4,0-8,0

0,1

 10-25

Катионитный фильтр (ФК)

HCl

4,0-8,0

Не более 0,08

10-25

Анионитный фильтр (ФА)

NaOH

4,0-8,0

Не более 0,08

10-25


Аппараты работают без избыточного давления. Температура в аппарате 25°С Скорость движения рабочей среды в аппаратах 0,1 м/с. Скорость движения рабочей среды в трубопроводе 1,0 м/с.

К особым условиям процесса можно отнести - требование к чистоте получаемого продукта, т.е. к дистиллированной воде. Как было сказано в описание технологической схемы водоподготовки, ионы содержащиеся в водопроводной воде приводят к нежелательным последствиям, разрушающие электроды, а следовательно портящие электролизер. Исходя из сказанного, материал из которого будут выполнены ионитовые фильтры должен иметь невысокую скорость коррозии (не более 0,1 мм/год) для предотвращения попадания продуктов коррозии в дистиллированную воду.

Характеристика конструктивных особенностей аппарата

Техническая характеристика аппарата - ионитный фильтр:

Габаритные размеры: 2,58x0,365 м.

Вместимость: 0,15 м3.

Рабочее давление: без избыточного давления

Температура среды: 25 С0.

Производительность: 900 л/час.

Внешняя поверхность аппарата является легко доступной для осмотра и ремонта. Для контроля состояния материала внутри аппарата необходимо произвести его опорожнение.

Характеристика коррозионной агрессивности рабочих сред и выбор конструкционного материала.

Рабочие среды достаточно хорошо изучены с точки зрения их воздействия на конструкционные материалы:

Влияние 10% HCl на разнообразные материалы:

1.    Углеродистые стали: Кислоты считается агрессивной средой по отношению к углеродистым сталям. Например Ст.3 недостаточно стойки в разбавленной соляной кислоте при 30 °С (П=20 мм/год). Подвергаются сильной коррозии и в данном производстве неприменимы.

2.    Почти все легированные стали, независимо от степени легирования не стойки в 10%-ой соляной кислоте, (П=0,21-3 мм/год).

3.       Сплавы: есть сплавы стойкие в 10%-ой соляной кислоте, например: коррозионностойкий сплав Н70МФВ К=0,1 мм/год при 30 °С.

4.    Стойкими в растворах HCl являются полимерные материалы - винипласт, полиэтилен, полипропилен. Из данного списка полимерных материалов Винипласт чаще используют для емкостного и колонного оборудования химических производств.

Влияние 10% NaOH на разнообразные материалы:

1.    Углеродистые стали: углеродистые стали типа Ст.3 достаточно стойки в 10% NaOH при 60 °С (К=0,07 мм/год). Из этого следует, что обычная углеродистая сталь применима для аппарата работающего с раствором гидроокиси натрия.

2.       Все легированные стали, независимо от степени легирования стойки в 10%-ой NaOH при 25 °С, (П<0,1 мм/год)..

3.  Сплавы: сплавы стойкие в 10%-ой NаОН.

4.    Винипласт, стоек в растворах NаОН.

Но при выборе конструкционного материала аппаратов отделения химводоподготовки необходимо учитывать взаимозаменяемость оборудования, т.е необходимо, чтобы оборудование было коррозионностойким как в растворах соляной кислоты, так и в растворах щелочи. А это означает, что для аппарата работающего с раствором гидроокиси натрия берем тот же материал, что и для аппарата работающего с соляной кислотой.

Спецификация оборудования.

Наименование изделия

Условия эксплуатации

Материалы



Среда

Конц-ия, %

Темпера-тура, °С

Р, Мпа


1

Емкость приготовления регенерирующего раствора

NaOH

4,0-8,0

 10-25

0,1

Ст3.

2

Емкость приготовления регенерирующего раствора

HCl

4,0-8,0

 10-25

0,1

Ст3.

3

Катионитный фильтр (ФК)

HCl

4,0-8,0

10-25

0,08

Ст3.

4

Анионитный фильтр (ФА)

NaOH

4,0-8,0

10-25

0,08

Ст3.

5

Трубопровод

NaOH

4,0-8,0

10-25

0,1

Ст3.



HCl

4,0-8,0




6

Прокладочные материалы

NaOH

4,0-8,0

10-25

0,1

Резина техническая кислото-щелочестойкая


Таблица материалов, используемых для изготовления ионитного фильтра.

Наименова-ние аппарата и материала

Условия эксплуатации

Физико-механические свойства

Скорость коррозии,мм/год

Изготов-ляемые детали



Среда

Конц-ия,  %

Т-ра, °С

sв,  Мпа

sт, Мпа

d, %



1

Ионитные фильтры ВСт3 ГОСТ 380-94

HCl, NaOH

4,0-8,0

10-25

 40-60

 80 (sсв)

 10-25

 С (стойкий)

Обечайка, крышка, днище, патрубки



Описание технологической схемы приготовления электролита

При электролизе воды в качестве электролита используется раствор едкого кали концентрацией 300-400 г/л. Для заполнения электролизера на половину нам нужно 450л дистиллированной воды и 270 кг KOH. Для того чтобы уменьшить габариты аппарата с перемешивающим устройством мы делаем приготовление электролита в три этапа.

Приготовление электролита производится на установке, состоящей из:

¾ аппарата с перемешивающем устройством (смеситель);

¾      сборный бак;

¾      буферная емкость;

¾      центробежных насосов.

Перед растворением щелочи смеситель заполняется дистиллированной водой на 150л, после чего в аппарат засыпают сухую щелочь в размере 90кг. После заполнения смесителя водой и щелочью включается мешалка и работает до получения требуемой концентрации КОН в растворе. Концентрация электролита контролируется аэрометром и определяется точно методом титрования.

При достижения заданной концентрации щелочи электролит из смесителя насосом подаётся в сборный бак (объёмом не менее 600 литров), откуда насосом направляется в электролизёр.

При работе электролизеров наблюдается унос щелочи который составляет около 1 г на кубометр вырабатываемого водорода. Когда концентрация КОН в электролизере падает до 250г/л, а это через 4часа 30 минут непрерывной работы, производится укрепление до заданной концентрации щелочи.

Для этого часть электролита из электролизера самотеком, по трубопроводу сливается в буферную емкость, а затем набрав определенный объем идет в смеситель, и укрепляется щелочью до требуемой концентрации описанным выше способом.

Укрепление электролита щелочью и подача его в электролизеры производится при полном отключении электролизеров по току.

Характеристика условий эксплуатации аппаратов

В отделение приготовления электролита, оборудование контактирует с щелочными растворами, в следствии чего в аппарате протекает электрохимическая коррозия в агрессивной щелочной среде.

Аппараты отделения приготовления электролита во время работы контактируют с дистиллированной водой и агрессивной средой (едким кали). Характеристика рабочих сред для аппаратов отделения приготовления электролита приведена в таблице.

Характеристика рабочих сред

Аппарат

Среда

Концентрация, %

Температура, °С

Смеситель: (сам аппарат без рубашки)

КОН

30-40

 25-100

рубашка

Техническая вода

-

10-30

сборный бак

КОН

30-40

60

буферная емкость

КОН

25-30

60


Так как электролит идет непосредственно в электролизер, то крайне важна чистота получаемого электролита. Из этого следует, чтобы материал аппарата обладал высокой прочностью и износостойкостью, имеющих невысокую скорость коррозии (не более 0,1 мм/год) для предотвращения попадания продуктов коррозии в электролит, а далее в электролизер.

Характеристика конструктивных особенностей аппарата.

Техническая характеристика аппарата - смеситель:

Габаритные размеры: 1,756x0,89 м.

Вместимость: 0,3 м3.

Рабочее давление: без избыточного давления

Температура среды: 25-96 С0.

Внешняя поверхность аппарата является легко доступной для осмотра и ремонта. Для контроля состояния материала внутри аппарата необходимо произвести его опорожнение.

Характеристика коррозионной агрессивности рабочих сред и выбор конструкционного материала.

1.    Углеродистые стали: углеродистые стали типа Ст.3 стойки в 33% KOH при 20 °С (П = 0,01 мм/год), а при 100°С П = 0,05 мм/год. Из этого следует, что обычная углеродистая сталь применима для аппарата работающего с раствором 30% KOH.

Рубашку охлаждения изготавливают из стали Ст.3. Скорость коррозии стали этого типа в водопроводной воде составляет П = 0,1 мм/год.

Мероприятия по защите аппарата от атмосферной коррозии.

Защиту от атмосфеной коррозии поверхностей конструкции назначают в зависимости от вида и степени агрессивного воздействия среды.

В качестве защитного покрытия используем грунтовку АК-070 (ГОСТ 25718-83), которая представляет собой суспензию пигментов в растворах акриловых смол и смеси органических растворителей с введением добавок и пластификаторов. Применение грунтовки АК-070 обеспечивает адгезионную прочность, водостойкость и противокоррозионную стойкость системы лакокрасочного покрытия.

Покрываем аппарат эмалью на основе эпоксидных смол Эмаль ЭП-525 (ГОСТ 22438-85). Это покрытие наносится на предварительно загрунтованные поверхности оборудования, эксплуатируемого в основном, в помещении.

Спецификация оборудования.

Наименование изделия

Условия эксплуатации

Материалы



Среда

Конц-ия, %

Темпера-тура, °С

Р, Мпа


1

Сборный бак

КОН

30-40

60

0,1

Ст.3

2

Буферная ёмкость

КОН

30-40

60

0,1

Ст.3

3

Смеситель: (сам аппарат без рубашки);

 КОН

30-40

25-100

0,1

Ст.3

4

рубашка.

Техническая вода

-

10-30

0,1

Ст.3

5

Трубопровод

КОН

30-40

60

0,1

Ст.3



Техническая вода

-

10-30



6

Прокладочные материалы

КОН

30-40

25-100

0,1

Резина техническая кислото-щелочестойкая


Таблица материалов, используемых для изготовления смесителя.

Наименова-ние аппарата и материала

Условия эксплуатации

Физико-механические свойства

Скорость коррозии,мм/год

Изготов-ляемые детали



среда

Конц-ия,  %

Т-ра, °С

sв, Мпа

sт, Мпа

d,%



1

Смеситель (сам аппарат без рубашки); Ст.3 ГОСТ 380-71

КОН,

30-40

25-100

380

240

25

<0,1

Обечайка, крышка, днище, патрубки, вал, ступица, мешалка.


Рубашка Ст.3 ГОСТ 380-71

Техни-ческая вода

-

10-30




0,1

Рубашка, опоры


Мероприятия по промышленной и экологической безопасности

Описание технологической схемы отделения приготовления электролита.

При электролизе воды в качестве электролита используется раствор едкого кали концентрацией 300-400 г/л. Для приготовления электролита для электролизера требуется 900л дистиллированной воды и 270 кг KOH. При приготовление электролита используется 450л дистиллированной воды и 270 кг KOH, остальные же 450л дистиллированной воды заливаются непосредственно в электролизер, разбавляя наш электролит до заданной концентрации. Для того чтобы уменьшить габариты аппарата с перемешивающим устройством приготовление электролита идёт в три этапа.

Технологическая схема отделения приготовления электролита.


Б.Е. - буферная ёмкость; 1-техническая вода

С.Б.Щ. - сборный бак для щелочи; 2-дистиллированная вода;

С - смеситель; 3-сухой КОН;

Н1, Н2 - насосы. 4-электролит;

-щелочные стоки.

Приготовление электролита производится на установке, состоящей из:

¾      аппарата с перемешивающем устройством (С) ;

¾      сборный бак (С.Б.Щ.);

¾      буферная емкость (Б.Е);

¾      центробежных насосов (Н1, Н2).

Перед растворением щелочи (3) смеситель (С) заполняется дистиллированной водой (2) на 150л, после чего в аппарат (с) засыпают сухую щелочь (3) в размере 90кг. После заполнения смесителя водой (2) и щелочью (3) включается мешалка и работает до получения требуемой концентрации КОН в растворе. Концентрация электролита (4) контролируется аэрометром и определяется точно методом титрования.

При достижения заданной концентрации щелочи электролит (4) из смесителя (с) насосом (Н1) подаётся в сборный бак (С.Б.Щ.) (объёмом не менее 600 литров), откуда насосом (Н1) направляется в электролизёр.

При работе электролизеров наблюдается унос щелочи который составляет около 1 г на кубометр вырабатываемого водорода. Когда концентрация КОН в электролизере падает до 250г/л, а это через 4часа 30 минут непрерывной работы, производится укрепление до заданной концентрации щелочи.

Для этого часть электролита (5) из электролизера самотеком, по трубопроводу сливается в буферную емкость (Б.Е.), а затем набрав определенный объем идет в смеситель (С) с помощью насоса (Н2), и укрепляется щелочью до требуемой концентрации описанным выше способом.

Укрепление электролита щелочью и подача его в электролизеры производится при полном отключении электролизеров по току.

Карта предварительного поиска опасностей.

- означает, что вероятность появления данного производственного фактора маловероятна; 1 - фактор, появление которого имеет большую вероятность.

Промышленная безопасность.

Пожаро- и взрывоопасные свойства используемых веществ.

Физико-механические свойства используемых веществ.

Товарный продукт - калия гидрат окиси технический ГОСТ 9285-78;

Внешний вид - твердый продукт - чешуйки или плав зеленого, сиреневого или серого цвета;

Массовая доля едких щелочей (KOH + NaOH) в пересчете на KOH, %, не менее - 95.0

Плотность - 2,12 г/см3

В качестве основного продукта помимо сухого КОН является дистиллированная вода, которая поступает в смеситель с температурой равной 250С.

Пожаро- и взрывоопасные свойства перерабатываемых веществ.

а) Среда в смесители негорючая, т.к. ее основным компонентом является дистиллированная вода (~ 70%).

б) Сухой КОН не горюч и взрывобезопасен (по требованиям безопасности для КОН ГОСТ 9285-78)

Исходя из вышесказанного, среда (готовый электролит) в целом является негорючей жидкостью.

Средства обнаружения и тушения пожаров.

Здание оборудовано автоматической системой пожарной сигнализации.

В качестве пожарных извещателей выбраны:

1.       Ручные извещатели, предназначенные для подачи сигнала пожарной тревоги на приемно-контрольный прибор при нажатии кнопки человеком. Места установки ручных извещателей находятся около выхода из помещения, на стене на высоте 1,5 м от уровня пола.

2.                 Дымовые извещатели, предназначенные для обнаружения очагов загорания по появлению дыма в защищаемом помещении, подачи сигнала тревоги. Дымовые извещатели установлены на подвесном потолке.

Так как в одном помещении стоит смеситель и хранятся стальные барабаны с сухим КОН, а при пожаре нельзя заливать КОН водой, а только порошковыми средствами, выбираем огнетушители порошкового типа:

1.  Устанавливается Модуль самосрабатывающий порошковый типа "Буран-2,5". Предназначен для тушения и локализации пожаров твердых материалов, без участия человека. Температура срабатывания - +85-90 °С.

Защищаемый объем одного "Буран-2,5" - 16-18 м3, Масса с зарядом - 3,0 кг. Располагается на потолке, непосредственно над смесителем и барабанами с щелочью.

2.       На случай начального возгорания должны быть в наличии ручные огнетушители типа ОП-1. Переносной порошковый огнетушитель с полной массой не более 2,5 кг для тушения всех классов пожаров. Масса заряда - 1 кг. Длинна выброса - 3 м.

Оценка пожаро- и взрывоопасности производственных помещений и зданий.

Оценка помещений и зданий по пожаро- и взрывоопасности осуществляется в соответствии с нормами по пожарной безопасности (НПБ 105-03) в зависимости от количества и пожаро-, взрывоопасных свойств , находящихся в них веществ и материалов, а также с учетом особенностей технологического процесса размещенных в них производств.

Помещение, в котором расположено разрабатываемое оборудование, относится к категории Д, т.к. аппарат находится в холодном состоянии, а в процессе участвуют негорючие вещества.

Вредные свойства перерабатываемых веществ.

КОН - токсичен, 2 класс опасности (высокоопасные).

ПДКр.з. = 0,5 мг/м3

В производственном помещении, где находится смеситель и хранится сухой КОН нужно соблюдать средства индивидуальной защиты, т.к. едкое вещество - КОН, при попадании на кожу и слизистые оболочки, особенно глаза, вызывает химические ожоги и хронические заболевания кожных покровов. Особенно опасно попадание в глаза. В виде пыли прижигающее на кожные покровы и слизистые оболочки. Опасна при вдыхании. Признаки при химическом воздействии КОН: кашель, стеснение в груди, насморк, слезотечение, ожог кожи, отек век, резкое покраснение конъюнктивы, поражение радужной оболочки. Химический ожог. В помещение для избежания даже малейшего увеличения концентрации КОН в воздухе, в виде пыли, устанавливаются устройства местных отсосов - для отвода пыли КОН.

Средства индивидуальной защиты:

Изолирующий защитный костюм КИХ-5 в комплекте с изолирующим противогазом ИП-4М или защитный общевойсковой костюм Л-1 или Л-2 в комплекте с промышленным противогазом с патроном В, перчатки из дисперсии бутилкаучука, специальная обувь. При малых концентрациях в воздухе (при повышении ПДК до 100 раз) - спецодежда, автономный защитный индивидуальный комплект с принудительной подачей в зону дыхания очищенного воздуха с патронами ПЗУ, ПЗ-2, фильтрующий респиратор "ФОРТ-П", универсальный респиратор "Снежок-КУ-М", защитные очки.

Необходимые действия в аварийных ситуациях:

При утечке, разливе и россыпи: Сообщить в ЦСЭН. Не прикасаться к просыпанному веществу. Просыпания оградить земляным валом, засыпать сухим инертным материалом, собрать в защищенные от коррозии сухие емкости, герметично закрыть.

При пожаре: Надеть полную защитную одежду. Не использовать воду. Тушить только порошковыми средствами, сухим песком, содой кальцинированной.

Нейтрализация: Россыпь засыпать сухим песком, собрать в сухие, защищенные от коррозии емкости с соблюдением мер предосторожности. Место россыпи промыть большим количеством воды с максимального расстояния, обваловать и не допускать попадания вещества в поверхностные воды. Промытые поверхности подвижного состава и территории обработать слабым раствором кислоты.

Меры первой помощи: При попадании на кожные покровы следует немедленно промыть большим количеством воды, затем пораженный участок обработать 1-2%-ным раствором борной кислоты. При попадании в глаза необходимо немедленно и длительно промыть их обильной струей воды, затем 1-2%-ным раствором борной кислоты. Тереть глаза не следует. После оказания первой помощи необходимо обратиться в лечебное учреждение.

Выбор электрооборудования. Защита от поражения электрическим током.

Тип электрооборудования: общепромышленное (для установки вне взрывоопасных зон).

Электрическое оборудование:

Мотор редуктор

Мотор имеет маркировку не ниже IP 43 и изоляцию, рассчитанную на действие влаги и пыли, т.к. он установлен в сыром месте.

Наиболее частые причины поражения человека электрическим током следующие: прикосновение к токоведущим частям электрооборудования и прикосновение к нетоковедущим частям оборудования, которые могут возникать под напряжением в результате пробоя изоляции и замыкании тока на корпус. В соответствии с этим построим дерево опасности удара человека электрическим током при прикосновении к металлическому корпусу смесителя.


) Определим вероятность удара током при прикосновении человека к токоведущим частям [9].

11 = Q21 ∙ Q22 = 10-2 ∙10-2 = 10-4

2) Определяем вероятность удара током при прикосновении к нетоковедущим металлическим частям оборудования.

12 = Q23 ∙ Q24 ∙ Q25 = 10-2 ∙ 10-4 ∙ 0,5 = 0,5 ∙ 10-6

 

3) Определяем вероятность удара электрическим током человека.

0 = 1 - (1 - Q11) ∙ (1 - Q12) = 1 - (1 - 10-4) ∙ (1 - 0,5 ∙ 10-6) = 10-5

Для предотвращения поражения людей электрическим током предусматривается защитное заземление, т.е. специально соединяем металлические нетоковедущие части, которые могут оказаться под напряжением с землей или ее эквивалентом. У смесителя необходимо заземлить металлический корпус.

Помещения цеха относятся к типу помещений без повышенной опасности поражения человека электрическим током, так как влажность в помещение не высокая (налив воды и слив электролита происходит вгерметичном трубопроводе), температура воздуха нормальная, заземленных предметов мало.

Вероятность накопления зарядов статического электричества.

Вероятность накопления зарядов статического электричества отсутствует, т. к. в рассматриваемом аппарате относительная влажность довольно высока и процесс идет с большими перерывами.

 

 

Обеспечение безопасности эксплуатации разрабатываемого оборудования.

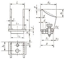
Упрощенная схема аппарата с перемешивающим устройством, рассчитанным в данной дипломной работе показана на рис.1.

А - Вход дистиллированной воды для приготовления электролита;

Б -Вход сухого KOH;

В - Выход электролита;

Г - Выход технической воды из рубашки;

Д - Вход технической воды в рубашку;

Е - Вход щелочных стоков.

- подшипниковый узел;

- фланцы;

- обечайка аппарата;

- обечайка рубашки;

- вал (с мешалкой);

- опоры.

В дальнейшем, на аппарат будет монтироваться привод, в данной работе привод выбирается, но не чертится и не рассчитывается.

Габаритные размеры: 1756х890мм

Аппарат имеет:

· перемешивающие устройство (число оборотов вала перемещивающего устройства 60 об/мин.)

·        рубашку (объём рубашки 0,13м3), среда в аппарате не токсичная (водопроводная вода)


Материал аппарата.

Элементы аппарата

Марка материала

1. Корпус: обечайка, днище, крышка, фланцы 2. Мешалка 3. Вал

Ст3 Ст3 Ст3 Ст3

4. Рубашка 5. Опоры аппарата

Ст3


Техническая характеристика.

Наименование показателя и единица измерения

Числовое значение

1. Рабочий объем смесителя, м3 2. Рабочая температура электролита, °С 3. Рабочая температура воды в рубашке, °С 4. Рабочее давление в аппарате, МПа

0,3 25-96 10-630 0,1


На аппарат не распространяются, действующие в настоящее время, "Правила устройства и безопасной эксплуатации сосудов, работающих под давлением", так как PV = 0,1 ∙ 0,1 = 0,01 МПа ∙ м3, что меньше 1 МПа ∙ м3, следовательно, смесительр не подлежит регистрации в органах Госгортехнадзора.

После изготовления сосуд подлежит гидравлическому испытанию на прочность (до наложения покрытия или изоляции).

Гидравлическое испытание проводится пробным давлением 0,2 МПа, т.к. давление в аппарате не превышает атмосферного то для проведения испытания берется такое давление (0,2 МПа)

Время выдержки сосуда пробным давлением устанавливается 10 мин.

Для гидравлического испытания применяется вода с температурой не ниже 50С и не выше 400С.

Сосуд считается выдержавшим гидравлическое испытание, если не обнаружено:

течи, трещин, слезок в сварных соединениях и на основном металле,

течи в разъемных соединениях,

видимых остаточных деформаций, падения давления по манометру.

Сосуд и его элементы, в которых при испытании выявлены дефекты, после их устранения подвергается повторным гидравлическим испытаниям пробным давлением.

Испытания на герметичность проводят после получения удовлетворительных результатов испытаний на прочность.

Величина испытательного давления на герметичность должна соответствовать рабочему давлению.

Время проведения испытания на герметичность должно определяться продолжительностью осмотра сосудов, аппаратов, трубопроводов, причем испытания признаются удовлетворительными, если не обнаружено пропусков в разъемных и неразъемных соединениях и падения давления по манометру.

При рабочем (регламентном) режиме смеситель заполняется дистиллированной водой, затем производится засыпка в воду сухого КОН. После этого включается перемешивающее устройство. При смешение дистиллированной воды и сухого КОН идёт реакция с выделением тепла, за счёт чего температура от 200С повышается до 940С.

При возникновении аварийной ситуации в аппарате теоретически может возникнуть избыточное давление, создаваемое проходящей реакцией. Но т.к. в верхней крышке аппарата установлен штуцер, сообщающийся с атмосферой, то при аварии газовая смесь будет стравливаться через него.

На аппарат не распространяются, действующие в настоящее время, "Правила устройства и безопасной эксплуатации сосудов, работающих под давлением", так как PV = 0,1 ∙ 1 = 0,1 МПа ∙ м3, что меньше 1 МПа ∙ м3, следовательно, смеситель не подлежит регистрации в органах Госгортехнадзора.

Аппарат работает при атмосферном давлении, поэтому в установке каких либо предохранительных устройств нет необходимости. Также, возникновение при эксплуатации отклонений от регламента режима работы не приведет к нанесению ущерба здоровью обслуживающего персонала.

В случае отключения системы охлаждения (подачи технической воды в рубашку) происходит нагрев электролита до 940С, что никак не влияет на дальнейшее участие электролита в производстве водорода электролизным методом. Такая поломка не ведет к разрушению аппарата.

Экологическая безопасность.

Экологическая опасность для биосферы.

Основная экологическая опасность исходит от применяемого сухого КОН. При попадании растворов КОН в грунтовые воды возможно негативное воздействие для биосферы (реакция с водой идет с выделением тепла, KOH разрушает материалы органического происхождения).

Озоноразрушающие газы и газы создающие парниковый эффект отсутствуют.

Опасность отравления ВВ.

Едкое вещество - КОН, при попадании на кожу и слизистые оболочки, особенно глаза, вызывает химические ожоги и хронические заболевания кожных покровов. Особенно опасно попадание в глаза. В виде пыли прижигающее на кожные покровы и слизистые оболочки. Опасна при вдыхании. Признаки при химическом воздействии КОН: кашель, стеснение в груди, насморк, слезотечение, ожог кожи, отек век, резкое покраснение конъюнктивы, поражение радужной оболочки. Химический ожог.

(ЛД50(КОН)=1230мг/кг)

ПДК.

ПДКр.з. = 0,5 мг/м3

Оценка уровня шума и вибрации в помещении, где расположено оборудование.

Источниками шума и вибрации в помещении являются мотор редуктора, приводящие в движение перемешивающие устройство. Шумовые воздействия носят периодический и кратковременный характер.

Безопасность в условиях техногенных чрезвычайных ситуаций (ТЧС).

На разрабатываемом объекте маловероятно возникновение техногенных чрезвычайных ситуаций.

Возникновение чрезвычайной ситуации из-за разрушения емкости аппарата может произойти в результате террористических актов или землетрясений. Что может привести к нанесению вреда здоровью человека, из-за контактирования с щелочью.

Проектируемый в данной дипломной работе аппарат является опасным для окружающей среды и представляет опасность для здоровья человека. Существует опасность попадания сухого КОН на кожный покров и в организм человека при не соблюдении обслуживающим персоналом средств индивидуальной защиты. С точки зрения взрыво- и пожаробезопасности наше производство безопасно.

2. Организация и экономика производства

Целью дипломного проекта является разработка технических средств водоподготовки и приготовления электролита для получения водорода электролизным методом. Производство электролитического водорода и кислорода включает одну основную стадию (электролиз воды) и две вспомогательные (приготовление электролита и приготовление питательной воды).

В данной дипломном проекте рассмотрены процессы и технологическое оборудование стадии приготовления электролита. Целью проектирования является разработка технических средств и оборудования для отделения приготовления электролита.

На заводе аналоге производят приготовление электролита при помощи емкости с перфорированным дном, через которое под напором подаётся вода и смешиваетсяь с сухой щелочью, в данном случае приготовление электролита идет не правильно с точки зрения приготовления растворов кислот и щелочей. По правилам приготовления при смешивании воды и кислоты (щелочи), сначала заливается вода, а потом уже сама щелочь (кислота). На заводе, из-за не правильной организации процесс приготовления электролита можно назвать опасным, т.к. когда начинается химическая реакция взаимодействия воды и щелочи, ёмкость испытывает сильные нагрузки (опасно…вплоть до взрыва). Поэтому в данной работе главным считается сделать процесс более безопасным.

При модернизации оборудования пришлось заменить процесс приготовления электролита с помощью емкости с перфорированной решеткой на безопасный аппарат с мешалкой и рубашкой для отвода тепла.

Себестоимость изготовления емкости с перфорированной решёткой.

Масса емкости определена расчетно, исходя из конструкции аппарата.

ап = Мцил + * Мкр + Мднища ,

где Мцил - масса цилиндрической части аппарата.

Мцил = rст * Н*p*D2 / 4

Мцил = 7850 * 0,8* (3,14 * 0,62 - 3,14 * 0,580 2) / 4 = 116 кг.

Мкр - масса крышки

Мкр = p* D2 * rст * Sкр / 4

Мкр = 3,14 * 0,660 2 * 7850 * 0,030 / 4 = 81 кг.

Мднища - масса днища.

Мднища = 3,14 * 0,60 2 * 7850 * 0,020 / 8 = 22 кг.

Gап = 116 + 81 + 22 = 219 кг.

Принимаем Gап = 220 кг

Общая потребность в материалах:

Основные материалы

Масса, кг

Стоимость, р./кг

Общая стоимость, р.

стальной прокат

220

17,3

3806

Сухая щелочь

7884кг/год.

37,2

293285

Итого:



297100


Транспортные расходы (20%):59418 р.

Расходы на монтаж оборудования (30%):89130 р.

Всего единовременных затрат:445648 р.

Заработная плата в данном сравнении не рассматривается, т.к. обслуживание разработанного оборудования и его аналога не имеет значимых отличий.

Себестоимость изготовления аппарата с мешалкой.

Масса аппарата с перемешивающем устройством и рубашкой.

Gап = 658 кг.

Принимаем Gап = 660 кг

Общая потребность в материалах:

Основные материалыМасса, кгСтоимость, р./кгОбщая стоимость, р.




стальной прокат

660

17,3

11418

Сухая щелочь

7884кг/год.

37,2

293285

Итого:



304703


Транспортные расходы (20%):60941 р.

Расходы на монтаж оборудования (30%):91411 р.

Всего единовременных затрат:457055 р.

Сравнительная таблица аппаратов:


Затраты, р./год


Емкость с перфорированной решёткой

Аппарат с перемешивающим устройством

Единовременные затраты

445648

457055

Итого:

490213

502761


Разница между стоимостью аппаратов:

Δ = 502761-490213=12548 руб.

Результаты показали что заменяемое оборудование было дешевле на 12548 руб., но как говорилось ранее это оборудование было не безопасно для человека и всего производства в целом (производство взрывоопасного водорода). Исходя из всего этого можно утверждать, что сумма в размере 12548 руб., не является большой потерей для производства, но зато является крайне важным вложением в данном производстве.

Ионитовый фильтр

К дистиллированной воде применяемой для питания ванн, в процессе электролиза следует предъявлять самые высокие требования. Прежде всего она не должна содержать хлоридов и углекислоты, ибо уже небольшое содержание хлоридов разрушает электроды, а повышение содержания карбонатов ведёт к снижению электропроводности электролита. Максимально допустимое загрязнение электролита хлорида достигает 25 мг/л хлора. Содержание карбонатов должно быть не выше 1% от содержащегося в электролите гидроксида калия.

Вне зависимости от происхождения вода всегда содержит растворённые вещества, которые, растворяясь, образовывают заряженные частицы - ионы. Наличие в воде ионов приводит часто к возникновению различных проблем в промышленных, коммерческих сферах применения, а также в быту. Наиболее распространённой и нежелательной во многих случаях проблемой является присутствие в исходной воде ионов жёсткости, т.е. кальция и магния, соли которых, например, разлагаясь при высоких температурах, приводят к образованию накипи и т.п.

Удаление солей жёсткости, частичная или глубокая деминерализация могут быть достигнуты различными способами. Однако, решение подобных задач с помощью ионообменных процессов является одним из наиболее надёжных. Основной принцип ионообменных процессов заключается в следующем: подлежащая очистке вода проходит через один или систему фильтров, заполненных ионообменными смолами (подбираемыми в зависимости от требуемой задачи - для умягчения, снижение щёлочности, обессоливание, удаление нитратов и т.д.), которые, в свою очередь удаляют из воды соответствующие ионы и обмениваются эквивалентными количествами других ионов того же заряда, выпущенных ионитом.

Для подпитки электролизеров в процессе получения электролитического водорода и кислорода используется городская вода, которая проходит специальную очистку.

Обработка методом ионного обмена основана на способности некоторых практически нерастворимых в воде веществ, называемых ионитами, изменять в желаемом направлении ионный состав воды. При фильтровании воды через слой ионита происходит обмен ионов, содержащихся в обрабатываемой воде, на эквивалентное число ионов ионита.

Ионит, имеющий обменным ионом катион, называется катионитом, а имеющий обменным ионом анион - анионитом.

Ионообменный метод обессоливания основан на последовательном фильтровании воды через Н-катионированный, а затем ОН-анионитовый фильтр. В Н-катионитовом фильтре содержащиеся в воде катиониты, главным образом Ca(II), Mg (II) и Na (I), обмениваются на водород-катионы:

2H[K]+Ca(HCO3)2=Ca[K] 2+CO2↑+H2O

H[K]+NaCl=Na[K]+HCl

H[K]+Na2SO4=2Na[K]+ H2SO4

При пропускании воды после Нкатионитовых фильтров через ОН-аннионитовые фильтры анионы образовавшихся кислот обмениваются ионы ОН-:

ОН[A]+HCl=Cl[A]+ H2O

OH[A] 2+ H2SO4= SO4[A] 2+ 2H2O

Таким образом, последовательный обмен на H-катионите и OH-анионите позволяет удалить все содержащиеся в воде ионы, т.е. обессолить ее.

По мере фильтрования воды через слой ионита все большая часть его обменных ионов замещается ионами, поглощенными из воды. Когда обменная емкость ионита исчерпана, т.е. все его обменные ионы замещены соответствующими ионами солей из воды, производится регенерация ионита, т.е. обратное замещение ионов солей на обменный ион. Регенерация фильтров осуществляется в противоточном режиме. Наличие в схеме пар фильтров позволяет осуществлять процесс очистки и регенерации одновременно (один фильтр проходит регенерацию, другие фильтры очищает воду), что делает процесс непрерывным.

Технологическая характеристика аппарата.

. Ионитовый фильтр предназначен для деминерализации воды для цеха получения водорода электролизом воды. Процесс представляет собой двухступенчатую очистку воды.

. Среда агрессивная.

. Производительность, л/ч: 900

. Содержание солей жесткости в воде на входе в аппарат, мг-экв.л: 16,8

. Содержание солей жесткости в воде на выходе из аппарата, мг-экв.л: 0.1

. Производительность, л/ч: 900

. Марка ионнообменной смолы: для катионитного фильтра КУ-2-8

для анионитного фильтра АВ-17-8

. Температура жидкости в аппарате, °С, 24

. Материалы -В Ст3 ГОСТ 380-94

. Масса ионита в фильтре, кг: 100

. Масса , кг: 180

.Габаритные размеры, мм: высота 2580

ширина 630

. Расчетный срок службы, лет, не менее 10

. Аппарат устанавливается в помещении: категория помещения Д (по НТБ 105-95)класс помещения-невзрывоопасное (по ПУЭ 98)

. Сварку производить в соответствии с ОСТ-26-01-82-77

Технологическая характеристика катионита и анионита.

Катионит КУ 2-8 ГОСТ 20298-74 (рис.1)

Колонки первого блока заполнены катионитовой смолой КУ-2-8. Катионит КУ 2-8 - один из самых распространенных, ионитов. Имеет гелевую структуру, является монофункциональным сильнокислотным сополимеризационным катионитом, содержащим один вид фиксированных ионов - сульфогруппы, присоединенные к ароматическим кольцам. Отличается хорошей осмотической стабильностью, высокой химической стойкостью к воздействию щелочей, кислот, окислителей; нерастворим в воде и органических растворителях. Неплавкий, негорючий, невзрывоопасный, неядовитый, радиоактивных и озоносодержащих веществ не содержит.

Иностранные аналоги Катионита КУ-2-8

По структуре и свойствам близок к следующим зарубежным ионитам: Дауэкс 50 (США); Амберлайт IR 120 (США Япония); Дайон SК IА (Япония); Зеролит 225, 325, 525 и 725 (Англия); Имак С 12 (Голландия); Дуолайт С 20 (США, Франция); Кастель С З00Р (Италия). Обладает высокой химической стойкостью к щелочам, кислотам и окислителям, высокой механической прочностью и термической (до 120°С в Н-форме) стойкостью, сохраняет высокие значения обменной емкости в широком интервале значений рН среды. Является действительно универсальным катионитом, способным с высокой эффективностью извлекать примеси катионов из водных растворов, при этом может работать как в солевой форме, так и в Н-форме, что выгодно отличает его от неорганических и многих органических катионитов. Легко регенерируется растворами солей или кислот.

Применение катионита КУ-2-8

Широко используется в водоподготовке для умягчения и обессоливания воды, а также в гидрометаллургии для разделения и выделения цветных и редких металлов из пульп полиметаллических руд растворов; в гальванотехнике и металлообработке для регенерации жидких отходов и очистки сточных вод, в том числе повторно используемых; в химическом промышленности для разделения и очистки различных веществ и производственных растворов, а также в качестве эффективных катализаторов химических реакций. Один из наиболее перспективных ионитов в решении задач охраны водоемов от загрязнения; может найти широкое применение 1) для умягчения и обессоливания (совместно с анионитами) хозяйственно-бытовых сточных вод; 2) для умягчения, опреснения или обессоливания слабо-минерализованных продувочных и поверхностных сточных вод промышленных предприятий; 3) для глубокой очистки горячих конденсатов пара от продуктов коррозии теплообменных поверхностей; 4) для очистки горячих конденсатов сокового пара химических производств от примесей катионов растворимых летучих неорганических соединений и продуктов коррозии оборудования; 5) для очистки рудничных вод от примесей цветных и редких металлов, в том числе токсичных; 6) для очистки денатурированных вод в водоемах от примесей токсичных металлов; 7) для очистки промывных вод гальванических производств и металлообработки от примесей катионов редких и цветных металлов; 8) для корректировки рН и минерального состава технологических вод (абсорбционные воды, маточные растворы и др.) неорганических и органических производств; 9)для очистки производственных растворов от примесей многозарядных катионов металлов; 10) для очистки сточных вод от органических оснований (ароматических аминов) и др.

Хранение катионита КУ-2-8

Катионит хранится в упакованном виде в чистых и сухих складских помещениях при температуре не ниже +2оС.

Катионит КУ-2-8 выпускается и хранится в увлажненном состоянии. Замороженный катионит перед употреблением необходимо выдерживать в помещении при температуре +10 +20 оС в таре изготовителя до размораживания на протяжении 2-4 суток.

Упаковка: мешки полиэтиленовые, вложенные в полипропиленовые. Гарантийный срок хранения катионита КУ-2-8: 12 месяцев со дня изготовления.

Анионит АВ-17-8 ГОСТ 20301-74 (рис.2)

Анионит АВ-17-8 - сополимеризационный сильноосновной монофункциональный анионит гелевой структуры, содержащий четвертичные бензилтриметиламмониевые функциональные группы.

Получается путем хлорметилирования с последующим аминированием триметиламинов.

Недостаточно устойчив к действию высоких (>90 С) температур и ионизирующих излучений при дозах 107-108 рад. Например, при облучении гамма-лучами 60Со (мощность дозы 500 рад/с) дозой 4,7х108 рад масса анионита уменьшается на 22 %, полная обменная емкость на 83 %, удельный объем на 45 %. Нагревание и облучение сопровождается измельчением зерен, уменьшением набухаемости, деградацией и дезаминированием функциональных групп. При 18-20 °С устойчив к действию разбавленных кислот, щелочей и окислителей. В ОН-форме способен поглощать углекислый газ из воздуха, поэтому его следует держать в герметически закрытой таре под слоем воды или хранить в солевой (хлоридной) форме.

Иностранные аналоги Анионита АВ-17-8

По структуре и свойствам близок к следующим анионитам: Амберлайт IR А 400, Дауэкс I и Дауэкс II (США), Зеролит FF (Англия), Дуолайт А 101 (Франция), Кастель А 500 (Италия), Диайон SА 10А (Япония).

Применение катионита Анионита АВ-17-8

Высокая основность ОН-формы обеспечила ее широкое применение в водоподготовке для удаления из воды ионов слабых кислот (угольной, кремниевой), для глубокого обессоливания воды и конденсатов в фильтрах смешанного действия совместно с катионитом КУ-2-8. Гидроксидная и солевая формы все шире применяются в гидрометаллургии для регенерации отходов, очистки сточных вод от анионных примесей (в том числе анионных комплексов цветных и редких металлов), в химической и фармацевтической промышленности для очистки различных веществ и в других процессах анионного обмена.

Перспективен для очистки денатурированных и сточных вод химических производств и цветной металлургии от примесей силикатов, нитратов, нитритов, фторид- и кремнефторид-ионов,анионных комплексов цветных и редких металлов, цианидов, боратов и других анионных примесей.

Хранение Анионита АВ-17-8

Анионит хранится в упакованном виде в чистых и складских помещениях при температуре не ниже +2оС.

Анионит АВ-17-8 как смола выпускается и хранится в увлажненном состоянии.

Замороженный анионит перед употреблением необходимо выдерживать в помещении при температуре +10 +20 оС в таре изготовителя до размораживания на протяжении 2-4 суток.

Упаковка: мешки полиэтиленовые, вложенные в полипропиленовые. Гарантийный срок хранения анионита АВ-17-8: 12 месяцев со дня изготовления. Анионит (anionit) АВ-17-8 - неплавкий, негорючий, невзрывоопасный, неядовитый, радиоактивных и озоносодержащих веществ не содержит.

Обоснование конструкции и описание.

Из водопровода вода насосом подается на катионитный фильтр (ФК), заполненный смолой КУ 2-8, где происходит удаление солей жесткости. После вода подается на анионитный фильтр (ФА), заполненный смолой АВ 17-8, где происходит удаление ионов кислот. Очищенная вода поступает на электролиз.

Регенерация фильтров осуществляется в противоточном режиме. Наличие в схеме пар фильтров позволяет осуществлять процесс очистки и регенерации одновременно (один фильтр проходит регенерацию, другие фильтры очищает воду), что делает процесс непрерывным.

При регенерации 4 - 8 % раствор соляной кислоты из бака подается самотеком на катионитный фильтр (ФК), 4 - 8 % раствор гидроксида натрия из бака подается самотеком на анионитный фильтр (ФА). После регенерации растворы выводятся через верхний трубопровод и собираются в баке усреднителе.

Конструкционные материалы и защита от коррозии .

Рабочие среды достаточно хорошо изучены с точки зрения их воздействия на конструкционные материалы:

Влияние 10% HCl на разнообразные материалы:

5.    Углеродистые стали: Кислоты считается агрессивной средой по отношению к углеродистым сталям. Например Ст.3 недостаточно стойки в разбавленной соляной кислоте при 30 °С (П=20 мм/год). Подвергаются сильной коррозии и в данном производстве неприменимы.

6.    Почти все легированные стали, независимо от степени легирования не стойки в 10%-ой соляной кислоте, (П=0,21-3 мм/год).

7.       Сплавы: есть сплавы стойкие в 10%-ой соляной кислоте, например: коррозионностойкий сплав Н70МФВ К=0,1 мм/год при 30 °С.

.         Стойкими в растворах HCl являются полимерные материалы - винипласт, полиэтилен, полипропилен. Из данного списка полимерных материалов Винипласт чаще используют для емкостного и колонного оборудования химических производств.

Влияние 10% NaOH на разнообразные материалы:

5.    Углеродистые стали: углеродистые стали типа Ст.3 достаточно стойки в 10% NaOH при 60 °С (К=0,07 мм/год). Из этого следует, что обычная углеродистая сталь применима для аппарата работающего с раствором гидроокиси натрия.

6.       Все легированные стали, независимо от степени легирования стойки в 10%-ой NaOH при 25 °С, (П<0,1 мм/год)..

7.  Сплавы: сплавы стойкие в 10%-ой NаОН.

8.    Винипласт, стоек в растворах NаОН.

Но при выборе конструкционного материала аппаратов отделения химводоподготовки необходимо учитывать взаимозаменяемость оборудования, т.е необходимо, чтобы оборудование было коррозионностойким как в растворах соляной кислоты, так и в растворах щелочи. А это означает, что для аппарата работающего с раствором гидроокиси натрия берем тот же материал, что и для аппарата работающего с соляной кислотой.

Спецификация оборудования.

Наименование изделия

Условия эксплуатации

Материалы



Среда

Конц-ия, %

Темпера-тура, °С

Р, Мпа


1

Емкость приготовления регенерирующего раствора

NaOH

4,0-8,0

 10-25

0,1

Ст3

2

Емкость приготовления регенерирующего раствора

HCl

4,0-8,0

 10-25

0,1

Ст3

3

Катионитный фильтр (ФК)

HCl

4,0-8,0

10-25

0,08

Ст3

4

Анионитный фильтр (ФА)

NaOH

4,0-8,0

10-25

0,08

Ст3

5

Трубопровод

NaOH

4,0-8,0

10-25

0,1

Ст3



HCl

4,0-8,0




6

Прокладочные материалы

NaOH

4,0-8,0

10-25

0,1

Резина техническая кислото-щелочестойкая


Таблица материалов, используемых для изготовления ионитного фильтра.

Наименова-ние аппарата и материала

Условия эксплуатации

Физико-механические свойства

Скорость коррозии, мм/год

Изготов-ляемые детали



Среда

Конц-ия,  %

Т-ра, °С

sв,  Мпа

sт, Мпа

d, %



1

Ионитные фильтры ВСт3. ГОСТ 380-74

HCl, NaOH

4,0-8,0

10-25

 40-60

 80 (sсв)

 10-25

 С (стойкий)

Обечайка, крышка, днище, патрубки


Технологические расчеты катионитового фильтра.

Характеристики ионитов.

КАТИОНИТ КУ 2-8 ГОСТ 20298-74

Физико-химические показатели

Наименование параметров

Норма

Характеристика

Высокоактивная гелевая смола

Тип

Сильнокислотный

Функциональная группа

Сульфоновая

Сферические зерна от желтого до коричнево цвета

Ионная форма

Na+/H+

Размер частиц, мм

0.315 - 1.25

Содержание рабочей фракции, %, не менее

96

Эффективный размер зерен, мм

0.40-0.55

Коэффициент однородности не более

1.7

Удельный объем в Н-форме, см3/г, не более

2.8

Общая обменная ёмкость, мг.экв/мл

1.8 - Н+ форма  2.0 - Na+ форма

Влажность, % масс.

45% Na+ форма  52% H+ форма

Насыпная масса товарного ионита, т/м3

0.75-0.80

Максимальная рабочая температура в Н-форме, градС

110-120

Коэффициент набухания товарного ионита в фильтрах при заполнении водой

1

Годовой расход ионита, % (водоподготовка)

10

Диапазон рН

1-14

Срок службы, годы, не менее

10

Растворимость

Нерастворима в обычных растворителях


Технологический расчет

Производительность установки: 900 л/ч

Технологические данные для расчета водород-катионитных фильтров

Показатели

Размернось

Величина

Высота слоя катионита

м

2-2,5

Крупность зерен катионита

мм

0,3-1,1

Скорость фильтрования нормальная, при Жо,  мг-экв/г:  · до 5 · до 10 · до 15

 м/ч м/ч м/ч

 25 15 19

Потери напора на фильтрах, при скорости фильтрования, м/ч: · до 5 · до 10 · до 20 · до 30 · до 40

 м вод. ст. м вод. ст. м вод. ст. м вод. ст. м вод. ст.

 5 5 6 7 9

Взрыхляющая промывка катионита: · интенсивность · продолжительность

 л/м2*сек мин

 3-4 12

Удельный расход кислоты на регенерацию, при Жо, мг-экв/кг: · до 10 · до 15 · до 20

 г/г-экв г/г-экв г/г-экв

 70 90 125

Скорость пропуска регенерационного раствора не менее

м/ч

10

Отмывка катионита, скорость пропуска отмывочной воды

м/ч

10

Удельный расход отмывочной воды

м3/ м3

5

Общая длительность регенерации

ч

2,5


Расчет объема катионита Wк, м3 в фильтрах

Объем катионита Wк, м3 в фильтрах следует определять по формуле:

к = 24 * qу * Жо / np * Ер(Н), (20.29, стр. 511) [8]

где:у - расход умягченной воды, м3/ч;

Жо - общая жесткость исходной воды, г-экв/м3

Ер(Н) - рабочая обменная емкость катионита при Н-катионировании, г-экв/м3р -число регенераций фильтра в сутки, принимаемое в пределах от одной до трех.

Ер(Н)-неизвестна.

Рабочая обменная емкость катионита. Ер(Н) = αэ * β * En - 0,5 * q * Жо, г-экв/м³, (20.20, стр. 511) [8] где:

αэ - коэффициент эффективности регенерации;

β - коэффициент снижения обменной способности (для КУ смол 0,8-0,9);- полная обменная способность катионита (табл.2), г-экв/м³;- удельный расход воды на отмывку катионита, м³/м³ (табл.3);

Жо - жесткость общая исходной воды;

αэ-неизвестен, определяется на основании удельного расхода кислоты (qк (табл.3))

Значение коэффициента эффективности регенерации αэ, в зависимости от удельного расхода кислоты на регенерацию qк.

Удельный расход, г/ г-экв

50

70

100

150

200

250

αэ

0,7

0,75

0,85

0,9

0,93

0,95


График№1.

Зависимость эффективности регенерации αэ от удельного расхода кислоты на регенерацию qк.


Ер(Н) = αэ * β * En - 0,5 * q * Жо

Ер(Н) = 0,75*0,85*1800 г-экв/м³ -0,5*5 м³/м³ *7 г-экв/м3=1130г-экв/ м3

Ер(Н) = 1130г-экв/ м3

Объема катионита Wк, м3 в фильтрах

к = 24 * 0,9 м3/ч *7 г-экв/м3 / 1 * 1130г-экв/ м3=0,13 м3 Wк = 0,13 м3

Площадь катионитового фильтра:

Ак = Wк/Hк (20.21, стр. 511) [8]

где:

Hк- высота слоя катионита (табл.3)

Ак = 0,13 м3/2м=0,06м2 Ак = 0,06м2

 

Производительность фильтров.

Производительность фильтров.

 = f * U

где:

f - площадь фильтрования, м2

U - скорость фильтрования, м/ч (табл.3)

f = 0,9 / 15 = 0,06 м2 f = 0,06 м2 (f = Ак, что говорит о правильности нынешнего решения)

определяем диаметр фильтра по формуле:

 = 3,14 * r2;

, м d=0,276,м

принимаем диаметр фильтра 300 мм; d=300 мм

Необходимый вес воздушно-сухого катионита:

Бн = m* Wк/ξ (9,4, стр. 137 [3] где:

m - насыпная масса товарного ионита, т/м3 (табл.2);

ξ - коэффициент набухания товарного ионита в фильтрах при заполнении водой, (табл.2).

Бн = 0,75 т/м3 *0,13 м3/1=0,0975 т

Бн =0,0975 т

Расход кислоты на регенерацию Н-катионитного фильтра: Qк = Ер(Н) * f * Н * qк / 1000кг 20.28 [8, стр. 521] где:- площадь фильтрования, м2;

Н - высота загрузки катионита, м (табл.3);к - удельный расход кислоты на регенерацию, г/ г-экв (табл.3). Qк = (1130г-экв/ м3 * 0,06 м2 * 2м * 70 г/ г-экв) / 1000кг =9,49кг Qк = 9,49кг

Технологический расчет анионитного фильтра

Характеристики ионитов.

АНИОНИТ АВ-17-8 ГОСТ 20301-74

Физико-химические показатели

Наименование параметров

Норма

Характеристика

Гелевая смола

Внешний вид

Сферические зерна светло-желтого цвета

Ионная форма

ОН-

Размер частиц, мм

0,355-1,25

Содержание рабочей фракции, %, не менее

94

Эффективный размер зерен, мм

0,4-0,6

Коэффициент однородности не более

1,7

Удельный объем в ОН-форме, см3/г, не более

3,0±0,3

Общая обменная ёмкость, г-экв/ м3

1500

Влажность, % масс.

35-50

Насыпная масса товарного ионита, т/м3

0,70-0,74

Максимальная рабочая температура в ОН-форме, градС

60

Коэффициент набухания товарного ионита в фильтрах при заполнении водой

1

Годовой расход ионита, % (водоподготовка)

10

Диапазон рН

1-14

Срок службы, годы, не менее

7


Технологический расчет

Производительность установки: 900 л/ч

Технологические данные для расчета водород-катионитных фильтров

Показатели

Размерность

Величина

Высота слоя анионита

м

2-2,5

Скорость фильтрования нормальная: · допустимая (максимальная) · нормальная · минимальная

м/ч м/ч м/ч

15 (30) до 20 5

Взрыхляющая промывка анионита: · интенсивность · продолжительность

 л/м2*сек мин

 3 30

Регенерация анионита: · удельный расход щелочи · концентрация раствора · скорость пропуска раствора

 г/г-экв % м/ч

 60 4 4

Отмывка катионита, скорость пропуска отмывочной воды

м/ч

10

Удельный расход отмывочной воды

м3/ м3

10


Расчет объема анионита Wа, м3 в фильтрах

Объем анионита Wа, м3 в фильтрах следует определять по формуле:

а = 24 * qу * А / np * Ер(ОН), (9,7, стр. 140) [3]

где: qу - расход умягченной воды, м3/ч;

А - содержание анионов сильных кислот в обессаливаемой воде, г-экв/м3

Ер(ОН) - рабочая обменная емкость анионита, г-экв/м3р -число регенераций фильтра в сутки, принимаемое в пределах от одной до трех.

Ер(ОН) - неизвестна

Рабочая обменная емкость анионита: Ер(ОН) = En - 0,5 * q * А, г-экв/м³, (9,8, стр. 140) [3] где:

En- полная обменная способность анионита (табл.3), г-экв/м³;- удельный расход воды на отмывку анионита, м³/м³ (табл.5);

А - содержание анионов сильных кислот в обессаливаемой воде, г-экв/м3

Содержание анионов сильных кислот в обессаливаемой воде:

А=2+2,75+3+0,55=8,3 г-экв/м3

Рабочая обменная емкость анионита:

Ер(ОН) = 1500 г-экв/м³-0,5 *10 м³/м³ * 8,3 г-экв/м3=1450 г-экв/м³, Ер(ОН) = 1450 г-экв/м³

 

Объема анионита Wа, м3 в фильтрах

а = 24 * 0,9 м3/ч *8,3 г-экв/м3 / 1 * 1450г-экв/ м3=0,12 м3 Wа = 0,12 м3

 

Площадь анионитного фильтра:

Аа = Wа/Hа

где:

Hа- высота слоя катионита (табл.5)

Аа = 0,12 м3/2м=0,06м2 Аа = 0,06м2

 

Производительность фильтров.

Производительность фильтров.

 = f * U

где:

f - площадь фильтрования, м2

U - скорость фильтрования, м/ч (табл.5)

f = 0,9 / 15 = 0,06 м2 f = 0,06 м2 (f = Аа, что говорит о правильности нынешнего решения)

определяем диаметр фильтра по формуле:

 = 3,14 * r2;

, м d=0,276,м

принимаем диаметр фильтра 300 мм; d=300 мм

Необходимый вес воздушно-сухого анионита:

Бн = m* Wа/ξ ( стр. 137) [3] то же для анионита. где:

m - насыпная масса товарного ионита, т/м3 (табл.4);

ξ - коэффициент набухания товарного ионита в фильтрах при заполнении водой, (табл.4).

Бн = 0,74 т/м3 *0,12 м3/1=0,0888 т

Бн =0,0888 т

Расход щелочи на регенерацию ОН-анионитного фильтра: Qк = Ер(ОН) * f * Н * qа / 1000кг (20.28 стр. 521) [8], то же для анионита. где:- площадь фильтрования, м2;

Н - высота загрузки анионита, м (табл.5);а - удельный расход щелочи на регенерацию, г/ г-экв (табл.5). Qк = (1450г-экв/ м3 * 0,06 м2 * 2м * 60 г/ г-экв) / 1000кг =10,44кг Qк = 10,44кг

Механический расчет ионитного фильтра.

Исходные параметры:

Обечайка, днище аппарата изготовлены из Ст3 ГОСТ 380-94

Механические свойства ВСт3 ГОСТ 380-2005:

Листы толщиной - 2-20 мм;

Предел прочности: не менее σв = 55 Мн/м2;

Определим величину номинального допускаемого напряжения sд , Мн/м2 (кгс/см2):

 Мн/м2

Где:

nв - запас прочности

Наибольшее распространение в химическом аппаратостроении получили цилиндрические обечайки, отличающиеся простотой изготовления, рациональным расходом материала и хорошей сопротивляемостью давлению среды.

Номинальное допускаемое напряжение

Мн/м2 (550 кгс/см2)

Допускаемое напряжение определяем по формуле (14.11 стр. 408) [5]

;

 Мн/м2 (550 кгс/см2)

где η = 1,0 - поправочный коэффициент, учитывающий условия эксплуатации аппарата;

 - номинальное допускаемое напряжение в Мн/м2 (кгс/см2)

Высота корпуса аппарата при снятой крышке

, где

- высота элептической части крышки,

мм - размер, который ориентировочно учитывает высоту цилиндрической отбортовки крышки и толщину фланца крышки.

1=2200-(0,25×300+100)=2025 мм

h1=2025 мм

 

Высота жидкости в аппарате

ж=h1-(50…100)=2025-(50…100)=1975…1925 мм

Принимаем к расчету hж=1950 мм = 1,95 м

Расчетное внутреннее давление в аппарате

, где

Р - рабочее избыточное давление среды в МПа, аппарат работает без избыточного давления, в качестве Р принимается пробное давление при гидроиспытаниях аппарата, Р =0.2 МПа

Рг - гидростатическое давление, МПа;

Рг =×g×hж=1000×9,81×1,95=19130Па=0,019МПа

 = 9,81 - ускорение свободного падения;

r = 1000 - плотность среды, кг/м3;

hж = 1,95 - высота жидкости в аппарате, м.

Рр==0.2+0,019=0,219 МПа

Рр=0,219 МПа

Определим отношение определяющих параметров и Р учетом коэффициента φш:


где φш - коэффициент прочности сварных и паяных соединений в деталях из неметаллических конструкционных материалов.

Принимаем φш = 0,35 (при возможности сварки с одной стороны)

Расчет обечайки корпуса

Номинальную расчетную толщину стенки обечайки для данного отношения согласно (табл. 15.6 стр. 413) [5], определяем по формуле 15.3

 

,

где:

Рр = 0,219 МПа из условия гидравлического испытания. Дальнейшие расчеты проводим с использованием этой величины.

в = 0,3 м;

 = 55 Мн/м2;

SR=(0,2×0,3)/(2×55×0.35)=0,0016м или 1,6 мм

SR=1,6 мм

Принимаем SR=2мм.

Толщина стенки обечайки при нагружении осевой растягивающей силой.

Осевая растягивающая сила

R=(p×Д2×rr)/4=(3.14×3002×0,2)/4=14130 H

FR=14130 H

Толщина стенки

SR=FR /(p×Д××j)=14130/(3.14×300×55×0.35)=0,78 мм

SR=0,78 мм

Прибавки к толщине стенки обечайки

, [5, стр 408]

Сэ - прибавка для компенсации эрозии в мм. Сэ = 0, т.к. скорость движения среды в аппарате менее 20 м/с и отсутствует абразивные частицы.

Ск - прибавка на коррозию или другой вид химического воздействия рабочей среды на материал в мм. Для стойких материалов в заданной среде пр отсутствии данных о проницаемости Ск=1.

Расчетный срок службы, если это специально не оговорено в техническом задании , на основании статических данных принимается 10-15 лет.

Сд - дополнительная прибавка по технологическим монтажным и другим соображениям в мм, для толщины от 2 до 20 мм принимаем значение равным 0 мм

Сд =0мм.

Со - прибавка на округление размера в мм, - Со =0мм.

Таким образом


С=1+0+0+0 =1 мм

С= Ск=1 мм

 

Толщина стенки обечайки с учетом прибавок

Толщину стенки обечайки с учетом прибавок определяем по формуле (15.10 стр. 413) [5]:

 мм

S=3мм

 

Проверочные расчеты для обечайки корпуса

Допускаемое давление в обечайке определяем по формуле (15.16 стр. 414) [5]:


 Мн/м2

[P]=0,255 Мн/м2

условие прочности

,255> 0,219 Мн/м2 - условие прочности выполняется

Допускаемая осевая растягивающая сила


[Fp] > Fp - условие прочности соблюдается.

Так как проверочный расчет по всем нагрузкам удовлетворяет условиям прочности, окончательно принимаем исполнительную толщину стенки обечайки корпуса S = 3 мм.

Расчет элиптического днища

Для днища корпуса аппарата принят материал - ВСт3 ГОСТ 380-2005 "Днище 300 ОН 26-01-21-66"

Элиптическое днище

По табл. 16.8 [5, стр. 450] для Dв=300мм:

hв=75мм;

s=6мм;

h=25мм;

V=5,5м3 - емкость днища;

m=1,4кг.

Исходя из того, что по таблице толщина днища должна быть не менее 6мм, то толщина стенки обечайки тоже должна быть не менее 6мм, поэтому принимаем толщину обечайки аппарата не 3мм,а 6мм.

Расчет фланцевых соединений

Принимаем фланцевое соединение у которого уплотнительная поверхность с выступ-впадиной. Фланцы плоские приваренные (несвободные) без втулки, неизолированные, т.к. этот вид уплотнения рекомендуется даже при Р < 0,6 МПа, если среда ядовитая, взрывопожароопасная.

Д = 300 мм,

S1 = 6 мм - толщина стенки обечайки,

Фланцевое соединение.корпуса

Принимаем материал фланцев - ВСт3 ГОСТ 380-2005, как и для аппарата. для болтов - Cт3сп.  Материал прокладки - резина техническая кислото-щелочестойкая ГОСТ 7338-65.

Выбираем ds = 12 мм, болт М12

Диаметр болтовой окружности

,

где

u = 4…6 - нормативный зазор между обечайкой и гайкой.

Принимаем u = 6.

Расчетное растягивающее усилие в болтах:

а) при затяжке соединения:


где

a=1,45-константа жесткости соединения (при плоской неметаллической прокладке)

Рс¢ -расчетная сила от давления среды;

Рс¢=

где:


н.п. - диаметр бурта,

н.п. = Dб. - l

 - нормативный параметр, l=20;

Dн.п. = 360-20=340мм

 - ширина прокладки, по табл. 20.5[5,стр.519] принимаем в=13 мм (в дальнейшем из конструктивных соображений прокладку возьмем в=17 мм и шип-пас под неё );

с.п =340-13=327 мм, тогда

Р'с -расчётная сила от давления среды


Р¢n - расчетная сила осевого сжатия уплотняемых поверхностей в рабочих условиях, необходимая для обеспечения герметичности,

для обтюрации типа I-A (табл. 20.1), [3,стр. 513]


где:

k - коэффициент, зависящий от материала и конструкции прокладки, по табл. 20.28[1, стр.528]; k=1,0;

Р'п ≥3,14*0,327*0,017*1,0=0,0175 Мн

принимаем Р¢n=0,0175Мн;

Ми - изгибающий момент от действия внешних нагрузок, Ми=0.

Р'б1 = 1,45*0,017+0,0175 = 0,0421 Мн

Значение - должно быть не менее

 

q, где

q - удельная нагрузка по площади уплотнения, обеспечивающая герметичность, по табл. 20.28 [5,стр.528], q = 1,5МПа, тогда

Р'б1 = 0,5*П*0,327*0,013*1,5 = 0,010Мн

 

Принимаем Р'б1 =0,01 Мн

б) при рабочих условиях:

Р'б2 =Р'с +Р'п + 4*Ми/Dп = 0,017+0,0175 = 0,0345 Мн

Выбираем d'б = 12 мм.

Определение расчетного количества болтов Z¢:

а) исходя из затяжки соединения:

 где

б=0.744×10-4м2 - площадь поперечного сечения болта по внутреннему диаметру резьбы, табл. 21.1[5,стр.538]

' = 0.01/(55*0.0000744)= 2.7

б) исходя из рабочих условий:

0,0345/(55*0,0000744)=9

 

принимаем Z=12

Наружный диаметр фланца:

где

б - диаметр болтовой окружности;

а- величина, зависящая от диаметра болтов,

по табл. 21.18 [5,стр.565], а=30мм,

Dф=Dн= 360+30 = 390 мм

 

Принимаем Dф= Dн=0,39 м.

Расчетная длина болта

, где

бо - расстояние между опорными поверхностями головки болта и гайки при толщине прокладки hп = 2 мм


Размер h - высота (толщина) фланца, принимаем по табл. 21.9 [5, стр.550], h =20мм Принимаем длину болта 70 мм

Диаметр D2 = Dн.п = 340 мм

Диаметр D3 = D2 + 4 = 340 + 4 = 344 мм

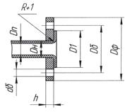
Расчёт проходного диаметра штуцеров ионитового фильтра и выбор фланцев.

Проходной диаметр штуцера для входа и выхода воды:


где: W1 - скорость потока, так как вода поступает в фильтр под напором, принимаем скорость равной  1 м/с; Q - объемный расход исходной смеси, м3/с. Q - неизвестна.

Объемный расход исходной смеси

 - производительность фильтров в кг/с;

p - плотность жидкости в кг/м3

 м3Q=2,5*10-4м3

Проходного диаметр штуцера для входа и выхода воды:

 м = 17мм;

Принимаем диаметр штуцера d1 = 20 мм.

Проходной диаметр штуцера для входа и выхода регенерирующего раствора:


где: W2 - скорость потока регенерирующего раствора, так как смесь поступает в фильтр самотеком, принимаем скорость равной 0.1 м/с; V - объемный расход исходной смеси, м3/с (для регенерации анионита необходимо 100 л 4% раствора NaOH,а для регенерации катионита необходимо 100 л 4% раствора HCl)

м=19мм;

Принимаем диаметр штуцера d2 = 20 мм.

Фланцы для патрубков

Фланцы выполнены из ВСт3 ГОСТ 380-2005

·    Dп =20 мм;

·        Dн =24 мм

·        Dф = 90 мм;

·        Dб = 65 мм;

·        D1 = 50 мм;

·        dб = М10;

·        s = 2;

·        c = 2;

·        z = 4;

·        h =15мм;

·        масса=0,11кг.

Фланец.

Определение веса аппарата

, где

"1,3" - коэффициент, учитывающий вес остальных частей корпуса,

днища = mднища×g

Gднища =1,4×9,8=13,72 Н

б) mобечайки = r × v, где

r - плотность материала обечайки (для винипласта), ρ = 1,4×103 кг/м3

 м3, где

Н - высота обечайки

S - толщина обечайки

mжидкости = ρV

ρ - плотность жидкости, ρ = 1000 кг/м3

V=Vап - Wи

ап- объём аппарата,

 - внутренний диаметр аппарата в м;

 

 м3

и - объём занимаемый ионитом, по расчетам ионит занимает:

Wк = 0,13 (катионит)

Wа = 0,12 (анионит)

Для расчета возьмём катионит… Wи = 0,13

 = 0,15-0,13=0,39 м3

mжидкости = 1000×0,39 = 390 кг

Gжидкости =mж×g= 390×9,81= 3825,9 Н

Gионита= mионита×g

mионита=100 кг - по расчетам.

Gионита = 100×9,81=981 Н

Масса всего аппарата без жидкости:

=1,3×1,4+17,4+100=120 кг.

Вес всего аппарата:

Gап = 1.3×13,72 + 170,52 + 981+3825,9 = 4995,26 H =0,005МН

Выбор опор аппарата

Рассчитываем, что весь вес аппарата приходится на одну опору.

Количество опор-4.

Опоры выполнены ВСт3 ГОСТ 380-2005 "Опора 2-600 ОН 26-01-29-66"

Опоры привариваются к аппарату.

Gап=0,005МН

По табл. 29.8 [5, стр.676] выбираем опору:

§  L = 180 мм;

§  B = 140 мм;

§  B1 = 148 мм;

§  b = 60 мм;

§  H = 300 мм;

§  d = 19 мм;

§  s = 14 мм;

§  a = 15 мм;

§  масса=1,4кг.

Опоры.

Масса всего аппарата, с опорами:

m = 120+390+4×1,4=515,6 кг

Расчёт рамы под аппарат.

Рис.7 а) Рама. б) Эпюра изгибающих моментов рамы.

Найдём предельную нагрузку Р для рамы, изображенной на рис. Размеры рамы L = 670 мм; H = 1630 мм. Поперечное сечение ригеля и стойки - уголок. (рис. ) ГОСТ 8509-72 , сталь углеродистая обыкновенного качества ВСт3кп2, № профиля 2,5; 25х25х4.

Предел текучести sт = 2400 кГ/см2. (стр.107) [6]

Уголок стальной.

Очертание эпюры изгибающих моментов нетрудно получить, наложив на эпюру узловых моментов эпюру изгибающих моментов ригеля, как балки, лежащей на опорах (рис.7)

Из эпюры видно, что предельное состояние рамы может наступить в двух случаях.

)На ригеле -в месте приложения нагрузки, и в узлах.

) На ригеле под грузом и на стойке.

Проведем расчет вначале без учета продольных сил.

Предварительно найдем величины пластических моментов сопротивления:

Для сечения ригеля и стойки (стр.174) [6]

W = 2,7 см3.

Для сечения стойки:

Первый выриант

Из эпюры (рис. 21.20, б) следует:

 (стр. 570) [7]

Откуда


Продольная сила в ригеле:

Условие предельного состояния без учета продольной силы:

 (стр. 570) [7]

Откуда

кг

Pпр = 774кг.

У нас масса аппарата в рабочем состоянии 516 кг. из этого следует что балка выдержит аппарат

Второй вариант

Из эпюры предельного состояния (рис. 7) следует:

 (стр. 570) [7]

Откуда

 (стр. 571) [7]

В качестве предельной нагрузки следует принять Рпр = 774 кг.

Для оценки влияния продольной силы найдем величину относительной погрешности выполненного расчета по формуле

 (стр. 571) [7]

Продольная сила в левой стойке

 (стр. 571) [7]

Толщина стенки уголка δ= 4 см.

Подставляя эти значения в формулу, получим:


 или 0%

Таким образом, погрешность из-за пренебрежения продольными силами оказалась нулевой и в данном случае пересчета не требуется

3. Смеситель

Назначение.

При электролизе воды в качестве электролита используется раствор едкого кали концентрацией 300-400 г/л. Для того, чтобы получить электролит нужной концентрацией, используется аппарат с перемешивающим устройством.

Изначально дадим некоторые сведения нашей щелочи, которая требуется для приготовления электролита:

Калия гидроокись (калия гидрат окиси, калий едкий) КОН ГОСТ 9285-78

Применение едкого калия:

Калия гидрат окиси технический твердый применяется для производства удобрений, синтетического каучука, используется в фармацевтической промышленности и других отраслях народного хозяйства.

 

Показатели качества

НАИМЕНОВАНИЕ ПОКАЗАТЕЛЯ

Высший сорт

Первый сорт

1. Внешний вид

Чешуйки зеленого, сиреневого или серого цвета


2. Плотность, г/см3

2.12

2.12

3. Массовая доля щелоедких щелочей в пересчете на КОН, %, не менее

95.0

95.0

4. Массовая доля углекислого калия, %, не более

1.4

1.5

5. Массовая доля хлоридов в пересчете на СL, %, не более

0.7

0.7

6. Массовая доля сульфатов, %, не более

0.025

0.05

7. Массовая доля железа, %, не более

0.03

0.03

8. Массовая доля хлорноватистого калия, %, не более

0.1

0.2

9. Массовая доля натрия в пересчете на NaOH, %, не более

1.5

не норм.


Упаковка и транспортирование:

Калия гидрат окиси технический твердый упаковывают в стальные барабаны емкостью 50-100 дм3 или мешки по 35кг. Гидроокись калия транспортируют железнодорожным, автомобильным транспортом в соответствии с правилами перевозки грузов, действующими на данном виде транспорта.

Расчеты.

Технологический расчёт смесителя.

Итак, мы знаем, что концентрация электролизёра должна быть 300г/л. Если воды 450 л., то нам нужно 270000г или 270кг. твердого КОН. Для того чтобы уменьшить габариты смесителя мы делаем приготовление электролита в три этапа. Перед растворением щелочи смеситель заполняется дистиллированной водой на 150л, после чего в аппарат засыпают сухую щелочь в размере 90кг.

150л * 1,2кг/см3 = 180кг

Раствор (электролит): 180кг + 90кг = 270кг.

М (КОН) = 56г/моль

Т.к мы готовим электролит только с 450л. воды (половина от того, что нам нужно), то концентрация при выходе из аппарата с мешалкой будет не 300г/л, а вдвое больше - 600г/л.

Найдем количество молей КОН в одном кг воды:

600г/кг / 56 г/моль = 11моль/кг.

Зная, что на 1кг. воды приходится 11 моль КОН по табл.11 (стр. 52) [6] находим:

Н (теплота растворения) = 48,24кДж/моль.

Найдем количество молей КОН в 90кг сухой щелочи:

90000г / 56 г/моль = 1607,14моль.

Откуда

Q = 48,24кДж/моль * 1607,14моль = 77528,43кДж.

Зная, что

Q = m * c * (Tк - Тн)

где:

m - масса раствора, кг;

с - теплоёмкость воды, с = 4,02 кДж/кг*К

Tк, Тн=250С - конечная и начальная температура раствора, К.

к = Q / (m * c) + Tн

Tк = 77528,43кДж. / (270кг * 4,02 кДж/кг*К) + 298К = 359,43К = 96,430С

tк = tC = 96,430С

 

Определение расчётной температуры.

Механические характеристики материалов существенно изменяются в зависимости от температуры.

При положительных температурах за расчётную температуру стенки элемента аппарата следует принимать наибольшее значение температуры.

Таким образом,

tP = tC

где:

tP - расчётная температура стенок корпуса аппарата, 0С;

tC - температура среды, соприкасающейся со стенкой аппарата, 0С.

tC = 96,430С

Механический расчёт смесителя

Исходные параметры:

Обечайка, днище аппарата изготовлены из стали Ст3

Механические свойства стали Ст3:

Листы толщиной - 4-20 мм;

Предел прочности: при 20°С - σв = 380 Мн/м2;

при 200°С - σв = 380 Мн/м2;

Определим величину номинального допускаемого напряжения

sд , Мн/м2 (кгс/см2):

 Мн/м2

Где:

nв - запас прочности, nв = 2,6 (табл.14.6 стр. 405) [3]

Наибольшее распространение в химическом аппаратостроении получили цилиндрические обечайки, отличающиеся простотой изготовления, рациональным расходом материала и хорошей сопротивляемостью давлению среды.

Номинальное допускаемое напряжение Мн/м2

Допускаемое напряжение определяем по формуле (14.11 стр. 408) [3]

;

 Мн/м2 (1462 кгс/см2)

где η = 1,0 - поправочный коэффициент, учитывающий условия эксплуатации аппарата;

 - номинальное допускаемое напряжение в Мн/м2 (кгс/см2)

Высота жидкости в аппарате

Аппарат будет рассчитываться на объём электролита:

 = V (H2O)+V(KOH);

где:

V (H2O) = 150л. - объём воды;

V(KOH) - объём сухого КОН, л.

V(KOH) = m / ρ

где:

m = 90 кг - масса раствора;

ρ = 2,12 г/см3 плотность сухого КОН.

(KOH) = 90кг /2,12 г/см3 = 40,9кг

V = 150л. + 40,9 = 191л.

Принимаем: V = 200л = 0,2 м3.

Из этого следует, что диаметр аппарата D = 700мм (табл.11 стр. 72) [2]

Выбираем аппарат по табл.10 (стр. 69) [2]:

Исполнение корпуса: 41

Высота жидкости в аппарате:


Принимаем к расчету hж = 650 мм = 0,65 м

Высота корпуса аппарата при снятой крышке

1= h1 + (50…100)=650мм + (50…100) = (700…750)мм

h1=(700…750)мм

Высота аппарата


где:

- высота элептической части крышки,

мм - размер, который ориентировочно учитывает высоту цилиндрической отбортовки крышки и толщину фланца крышки.

Н=(700…750) + (0,25×700+100) = (975…1025) мм

Н=(975…1025) мм

Расчетное внутреннее давление в аппарате

, где

Р - рабочее избыточное давление среды в МПа, аппарат работает без избыточного давления, в качестве Р принимается пробное давление при гидроиспытаниях аппарата, Р =0.2 МПа

Рг - гидростатическое давление, МПа;

Рг =×g×hж=1290×9,81×0,65=8225,685Па=0,00823МПа

 = 9,81 - ускорение свободного падения;

r = 1290 - плотность среды, кг/м3;

hж = 0,65 - высота жидкости в аппарате, м.

Рр= 0,2+0,00823=0,208 МПа

Рр=0,208 МПа

 

Внутреннее давление в рубашке.

Принимаем давление в рубашке, как при гидроиспытании, т.е. Рн = 0.2 МПа

Расчет толщины стенок.

Расчёту подлежат элементы корпуса: цилиндрическая обечайка, крышка, эллиптическое днище в местах сварки.

Предварительный расчёт цилиндрической оболочки:

а) при действии внутреннего давления


где:

SЦР1 - расчётная толщина стенки цилиндрической обечайки из условия прочности, м;

PP =0,2 МПа расчётное внутреннее давление;

D = 0,7м - внутренний диаметр обечайки;

 = 146,2 Па допускаемое напряжение;

φ = 0,95 - коэффициент прочности сварного шва (табл.14.7 стр. 407) [3]

SЦР1 = 0,4мм

а) при действии наружного давления


где:

 - коэффициент, определяемый по монограмме.


где:

 - коэффициент;

nв = 2,6 - запас прочности (табл.14.6 стр. 405) [3];

 = 0,2 МПа - внутреннее давление в рубашке;

 = 210000 МПа - модуль упругости.

 = 1,03



где:

h1 = 750мм;

D = 700мм.

 = 1

 = 0,45


Толщина стенки обечайки при нагружении осевой растягивающей силой.

Осевая растягивающая сила

R=(p×Д2×rr)/4=(3.14×7002×0,2)/4=76930 H

FR=76930 H

Толщина стенки

R=FR /(p×Д××j)=76930/(3.14×700×146,2×0,95)=0,25мм

SR=0,25 мм

 

Прибавки к толщине стенки обечайки

, [3, стр 408]

где

Сэ - прибавка для компенсации эрозии в мм. Сэ = 0, т.к. скорость движения среды в аппарате менее 20 м/с и отсутствует абразивные частицы.

Ск - прибавка на коррозию или другой вид химического воздействия рабочей среды на материал в мм. Для стойких материалов в заданной среде при отсутствии данных о проницаемости Ск=1.

Расчетный срок службы, если это специально не оговорено в техническом задании , на основании статических данных принимается 10-15 лет.

Сд - дополнительная прибавка по технологическим монтажным и другим соображениям в мм, для толщины от 2 до 20 мм принимаем значение равным 0 мм

Сд =0мм.

Со - прибавка на округление размера в мм, - Со =0мм.

Таким образом


С=1+0+0+0 =1 мм

С= Ск=1 мм

 

Толщина стенки обечайки с учетом прибавок

Толщину стенки обечайки с учетом прибавок определяем по формуле (15.10 стр. 413) [3]:

 мм

S=4мм

 

Проверочные расчеты для обечайки корпуса

Допускаемое давление в обечайке определяем по формуле:

 Мн/м2

[P]=1,19 Мн/м2

условие прочности

,19> 0,219 Мн/м2 - условие прочности выполняется

Допускаемая осевая растягивающая сила


[Fp] > Fp - условие прочности соблюдается.

Так как проверочный расчет по всем нагрузкам удовлетворяет условиям прочности, окончательно принимаем исполнительную толщину стенки обечайки корпуса S = 4 мм.

Расчет элиптического днища

Для днища корпуса аппарата принят материал - сталь Ст3

Исполнительную толщину  эллиптического днища корпуса аппарата примем из условия равной толщины свариваемых друг с другом оболочек:

При этом должны выполнятся условия:  и

Допускаемое наружное давление для днища:

из условия прочности


из условия устойчивости в пределах упругости


где:

nв = 2,6 - запас прочности (табл.14.6 стр. 405) [3];

 = 210000 МПа - модуль упругости;

 - коэффициент:

где при


с учётом обоих условий


Условие устойчивости днища:



условие выполняется

Допускаемое внутренне давление для эллиптического днища:


Условие  выполняется

Элиптическое днище

По табл. 16.1 [3, стр. 4400] для Dв=700мм:

hв=175мм;

s=4мм;

h=25мм;

V=54,5м3 - емкость днища;

m=18,6кг.

Расчёт отверстий в аппарате, штуцеров и выбор фланцев к ним.

Проходной диаметр штуцера для входа воды:



где: W1 - скорость потока регенерирующего раствора, так как смесь поступает в смеситель самотеком, принимаем скорость равной 0.1 м/с; Q - объемный расход исходной смеси, м3/с. Q - неизвестна.

Объемный расход исходной смеси


где:

V = 150л - объем воды в аппарате;

τ - время наполнения аппарата в кг/м3, я хочу чтобы аппарат наполнялся не более 10мин.=600сек.

 м3

Q=2,5*10-4м3

 м = 56мм;

Принимаем диаметр штуцера d1 = 65 мм.

Т.к. диаметр штуцера пришлось увеличить до 65мм, то проход воды будет за 7,5мин.

Также нужно учесть ввод через этот штуцер щелочных стоков. Но так как трубопровод лучше не отсоединять от штуцера, делаем его двойным (тройник).

Проходной диаметр штуцера для выхода электролита:


где: W1 - скорость потока регенерирующего раствора, так как смесь выходит из смесителя самотеком, принимаем скорость равной 0.1 м/с; Q2 - объемный расход электролита, м3/с.

Объемный расход электролита

 = 200л - объем воды в аппарате;

τ - время удаления из аппарата электролита в кг/м3, я хочу чтобы аппарат опустошался не более чем за10мин.=600сек.

 м3

Q=3*10-4м3

 м = 62мм;

водоподготовка электролит ионитовый фильтр

Принимаем диаметр штуцера d1 = 65 мм.

Фланцы для патрубков

Фланцы выполнены из стали Ст3

· Dф =D= 160 мм;

·        Dб = D1=130 мм;

·        D1 = D2=110 мм;

·        dб = М12;

·        z = 4;

·        h =11мм;

·        масса=1,39кг.


Проходной диаметр штуцера для входа сухого КОН:


где: W1 - скорость потока сухого КОН, так как щелочь поступает в смеситель самотеком, принимаем скорость равной 0,1 м/с; Q - объемный расход исходной смеси, м3/с. Q - неизвестна.

Объемный расход исходной смеси


где:

V = 90кг=90/2=40,9л=0,041 м3 - объем КОН в аппарате;

τ - время наполнения аппарата в кг/м3, я хочу чтобы аппарат наполнялся не более 10мин.=600сек.


 м3

Q=0,68*10-4м3

 м = 41мм

Принимаем диаметр штуцера d1 = 41 мм., но обычно для засыпки сухих смесей берут отверстие больше (180мм).

Расчет плоской крышки.

Толщина плоской крышки:


где:

k = 0,4; Dр = Dб = 790мм (стр. 239; табл.33) [2]

ko - коэффициент ослабления для крышки:

;

где:

di - диаметр i-ого отверстия в крышке;

 

 

Принимаем S2=30мм

Расчет фланцевых соединений

Принимаем фланцевое соединение у которого уплотнительная поверхность - шип-пас.

D = 700 мм,

S1 = 4 мм - толщина стенки обечайки,

Dб = 790 мм,

D2 = 757 мм,

D3 = 760 мм,

h = 30 мм.

m=31,2 кг.

Фланцевое соединение.корпуса

Принимаем материал фланцев - винипласт, как и для аппарата. для болтов - Cт3сп.  Материал прокладки - паронит ГОСТ 481-58.

Выбираем ds = 20 мм, болт М20

Расчетное растягивающее усилие в болтах:

а) при затяжке соединения:



a=1,45-константа жесткости соединения (при плоской неметаллической прокладке), Рс¢ -расчетная сила от давления среды;

Рс¢=

средний диаметр уплотнения,

н.п. - диаметр бурта,

н.п. = Dб. - l

 - нормативный параметр, l=20;

Dн.п. = 790-20=770мм

b - ширина прокладки, по табл. 20.5 [3,стр.519] принимаем в=13 мм;

Dс.п =770-13=757 мм, тогда

Р'с -расчётная сила от давления среды


Р¢n - расчетная сила осевого сжатия уплотняемых поверхностей в рабочих условиях, необходимая для обеспечения герметичности,

для обтюрации типа I-A (табл. 20.1), [3,стр. 513]

 - коэффициент, зависящий от материала и конструкции прокладки, по табл. 20.28[1, стр.513]; k=2,5;

Р'п ≥3,14*0,757*2,5 *0,08997=0,535 Мн;

Ми - изгибающий момент от действия внешних нагрузок, Ми=0.

Р'б1 = 1,45*0,09+0,535 = 0,6655 Мн

Значение - должно быть не менее

q, где

- удельная нагрузка по площади уплотнения, обеспечивающая герметичность, по табл. 20.28 [3,стр.528], q = 20МПа, тогда

Р'б1 = 0,5*П*0,757*0,013*20 = 0,3Мн

 

Принимаем Р'б1 =0,3 Мн

б) при рабочих условиях:

Р'б2 =Р'с +Р'п + 4*Ми/Dп = 0,09+0,535 = 0,625 Мн

Выбираем d'б = 20 мм.

Определение расчетного количества болтов Z¢:

а) исходя из затяжки соединения:

 где

Fб=2,20*10-4м2 - площадь поперечного сечения болта по внутреннему диаметру резьбы, табл. 21.1 [3,стр.538]

Z' = 0,3/(164,2*0.00022)= 7,09

б) исходя из рабочих условий:

0,625/(164,2*0,00022)=14,77

 

принимаем Z=16

Расчетная длина болта

, где

lбо - расстояние между опорными поверхностями головки болта и гайки при толщине прокладки hп = 2 мм



Укрепление отверстий

Отверстия в оболочках аппарата, предназначенные для размещения штуцеров различного назначения и люка, снижают несущую способность корпуса и вызывают концентрацию напряжений вблизи края отверстия.

Укрепление отверстия в стенке аппарата (выход электролита)

Определение наибольшего диаметра отверстия d0 (мм) в оболочке, не требующий дополнительного укрепления:

;

s = 0,004м;

сk = 0,001м;


По расчетам отверстие для выхода электролита не надо укреплять.

Укрепление отверстия в крышке аппарата.

Определение наибольшего диаметра отверстия d0 (мм) в крышке, не требующий дополнительного укрепления:

S≥2*S’2+Сk;= 30мм;’2 = 14,1мм;

Сk = 1мм;

≥2*14,1+1;

≥29,2;

По расчетам отверстие на крышке не надо укреплять.

Расчет рубашки аппарата с перемешивающим устройством.

Выбираем тип рубашки ( стр.240, табл 34) [2]:

Рубашка - гладкостенная

Dp = 800мм; (стр.485, табл 17.1) [3]:

F = 1,3 м2- поверхность теплообмена части аппарата, закрытого рубашкой;

H = 600мм

Материал рубашки - Ст3

Исполнительная толщина рубашки

а) цилиндрической обечайки рубашки:


где:

SЦР - расчётная толщина стенки цилиндрической части рубашки из условия прочности, м;

PP =0,2 МПа расчётное внутреннее давление;

Dруб = 0,8м - внутренний диаметр рубашки;

 = 146,2 Па допускаемое напряжение;

φ = 0,95 - коэффициент прочности сварного шва (табл.14.7 стр. 407) [3]

SЦР1 = 0,6+1=1,6мм

По табл. 17.1 [5], SЦР1 = 4 мм.

Принимаем: SЦР1 = 4 мм.

а) элептического днища рубашки:

эр - расчётная толщина стенки элептического днища рубашки из условия прочности, м;

PP =0,2 МПа расчётное внутреннее давление;

Dруб = 0,8м - внутренний диаметр рубашки;

 = 146,2 Па допускаемое напряжение;

φ = 0,95 - коэффициент прочности сварного шва (табл.14.7 стр. 407) [3]

SЦР1 = 0,6+1=1,6мм

По табл. 17.1 [5], SЦР1 = 6 мм.

Принимаем: SЦР1 = 6 мм.

Время охлаждения электролита технической водой

Найдем за какое время охладится наш электролит от tнач(э)=96,430С, до tкон(э)=600С, именно 600С, т.к. температура электролита в электролизере должна быть не меньше 60-80 0С, поэтому для уменьшения затрат электроэнергии для подогрева электролита до нужной температуры, мы сильно не охлаждаем электролит. Охлаждение происходит за счет холодной воды поступающей в рубашку с tнач(в)=100С, а температуру на выходе воды я возьму с tкон(в)=300С.

Расчёт проводится по [7] (стр. 152-200)

Итак, знаем, что коэффициент теплопроводности:

г = 96,430С - температура горячей стороны стенки аппарата;

tх =100С - температура холодной стороны стенки аппарата;

К - коэффициент теплопередачи, Вт/м2*К;

∆ tср - средняя разность температур горячей и холодной стороны стенки, К:

- термическое сопротивление стенки:


δ = 0,004м - толщина стенки аппарата;

λ =16,8 Вт/м*К - коэффициент теплопроводности стенки;


Из этого мы можем найти коэффициент теплопередачи:


Зная формулу:

F=1,3 м2


св = 4190 Дж/кг*К - теплоёмкость воды;

Gв - расход воды., кг/с.


сэ = 4190 Дж/кг*К - теплоёмкость электролита;

Gэ - расход электролита., кг/ч.



Проходной диаметр штуцера для входа и выхода воды в рубашке:


где: W1 - скорость потока воды, вода под напором, принимаем скорость равной 1 м/с; G = 5,7 м3/с объемный расход воды;

 м = 30мм;

Принимаем диаметр штуцера d1 = 32 мм.

Фланцы для патрубков

Фланцы выполнены из стали Ст3

· Dф =D= 120 мм;

·        Dб = D1=90 мм;

·        D1 = D2=70 мм;

·        dб = М12;

·        z = 4;

·        h =10мм;

·        масса=0,79кг.


Расчет рабочей мощности на валу перемешивающего устройства.

 - мощность, потребляемая на перемешивание среды, при установившемся режиме в аппарате без вспомогательных устройств, [Вт];

K1 - коэффициент, учитывающий степень заполнения аппарата перемешиваемой средой;

K2 - коэффициент, учитывающий увеличение потребляемой мощности при пуске или в результате повышения сопротивления среды в процессе перемешивания;

åk - сумма коэффициентов, учитывающих увеличение мощности, вызываемое наличием в аппарате вспомогательных устройств


Нж. - высота перемешиваемой жидкой среды в аппарате, [м]



т.к. обычно применяемые для привода электродвигатели (типа АО) допускают перегрузку примерно на 30% в течении 1 -1,5 мин., увеличение потребляемой мощности при пуске компенсируется резервом мощности, обычно имеющимся у электродвигателя. Þ

т.к. аппарат не имеет внутренних вспомогательных устройств:

Определим мощность, потребляемую на перемешивание среды, при установившемся режиме:

м - диаметр мешалки, [м];

nм - число оборотов мешалки, ;

KN - критерий мощности.

Расчет мощности, потребляемую на перемешивание среды, при установившемся режиме:

м - диаметр мешалки, [м];

nм - число оборотов мешалки, ;

KN - критерий мощности.

 - диаметр мешалки


Максимальная вязкость перемешиваемой среды при  

Окружная скорость мешалки:

Для лопастных мешалок скорость  [стр.702, табл, 31.1 Лащ], исходя из перемешиваемой среды возьму минимальную скорость, т.е.

Определим оптимальное число оборотов мешалки:


Определим центробежный критерий Reц:




Определим критерий мощности KN по графику в зависимости от Reц (кривая 1):


Тогда


Определим основные размеры (кроме размеров ступицы) лопастного перемешивающего устройства.

Определим ширину лопасти перемешивающего устройства:


Определим расчетный изгибающий момент в лопасти в месте соединения его со ступицей:



Определим расчетный момент сопротивления поперечного сечения лопасти в указанном месте (относительно нейтральной оси) при изгибе ее в направлении вращения:


Принимаем, что лопасть имеет тавровое сечение от ступицы до середины лопасти, т. е. на длине:


Определим расчетный изгибающий момент лопасти на конце таврового сечения:

 

Определим расчетный момент сопротивления данного сечения лопасти:


Определим расчетный момент сопротивления данного сечения лопасти:


Примем с учетом прибавки на коррозию и округление размера:

Примем толщину ребра в тавровом сечении:


Ступицы (из двух половин) лопастных, якорных и рамных перемешивающих устройств:

МН 5874 - 66


d

dс

hc

m

А

А1

d + t1

dб

dм , [мм]

[мм]

Лопастные


Нормальные











40

90

110

18

64

70

14

49,9

М12

≤1000












Шпонки по ГОСТу 10748 - 68

Подбираем вертикальный привод механического перемешивающего устройства:

Номер:

 

МН 5858-66

Тип:

 

IV

Характерист ика привода:

 

с одной промежуточной опорой низкие, мотор - редуктором типа МПО2 и ВО электродвигателем серий АО2 и ВАО

Мощность, [кВт]

 

0,4 - 75

n, [с-1] ([об/мин])

 

0,08 - 3,00 (5 - 180)


Обозначение привода - 15

Привод 15-0,4-6,28 МН 5858 - 66

В комплект привода входят:

­          мотор - редуктор по МН 5534-64 или каталогу завода "Тамбовхиммаш";

­          муфта по МН 5871 - 66;

­          стойка

­          уплотнение по МН 5866 - 66 МН 5870 - 66;

­          вал перемешивающего устройства.

Обозначение привода

Типоразмер мотора - редуктора

dв

H

H1

Масса, [кг]

Р*, [Н]



[мм]



15

I

40

1519

745

335

2450


Р*- допускаемая осевая нагрузка на вал (воспринимается опорами выходного вала мотор - редуктора)

Валы мешалок

а) Расчёт на прочность:

Для обеспечения коррозионной стойкости вал и элементы мешалок изготавливаются из того же материала, что и корпус аппарата. Допускаемые напряжения [σ] для материала вала и мешалки принимаются равными нормативным допускаемым напряжениям σ*.

При работе вал мешалки испытывает, главным образом, кручение. Расчётный крутящий момент с учётом пусковых нагрузок определяется по формуле:


где Kд = 2 - коэффициент динамичности нагрузки;

Nм - мощность потребляемая мешалкой на перемешивание, Вт;

ω - угловая скорость вала мешалки, рад/с;

 - частота вращения вала мешалки, об/мин.

 рад/с;



Полярный момент сопротивления сечения вала Wp (м3) в опасном сечении рассчитывается по формуле:


где d1 - диаметр участка вала под ступицу (берем такой же как диаметр вала 40мм (стр.74 табл.12) [2], м.


Прочность вала обеспечивается при выполнении условия прочности на кручение:

,

где [τ]KP = 0.5[σ] - допускаемое напряжение на кручение, Па.

[τ]KP = 0.5*192,3*106=96,15*106 Па.

 Па.

Условие прочности выполняется!

б) Расчёт вала на виброустойчивость:

Под виброустойчивостью вала понимают его способность работать с динамическими прогибами, не превышающими допускаемых значений. Динамические прогибы вала появляются в результате действия на вал неуравновешенных центробежных сил, которые возникают от неизбежных при монтаже смещений центров тяжести вращающихся масс (мешалки, сечений вала) с оси вращения.

Сущность проверочного расчёта вала на виброустойчивость заключается в определении его критической угловой скорости ωKP в воздухе, а затем в проверке условий виброустойчивости. Пример для расчета вала на виброустойчивость см. рис.5


К расчёту вала на виброустойчивость: а) расположение вала с мешалкой в аппарате; б) прогибы сечений вала под воздействием центробежных сил; в) расчётная схема консольного вала.

Длина консоли вала, т.е. расстояние от нижнего подшипника до середины ступицы:

l1 = H2 - hM1,

где H2 = 1- высота корпуса аппарата, м;

hМ1 = hМ - расстояние от днища корпуса до середины ступицы, м.

hМ = 0,2*dм

 - диаметр мешалки

hМ = 0,2*0,5 = 0,1 м

l1 = 1 - 0,1 = 1,1 м

Полная длина вала:

l = l1 + l2 = 1,1+0,150 = 1,250м,

где l2 - длина пролёта, т.е. расстояние между подшипниками, м

l2 = 150мм = 0,150м

Относительная длина консоли  и пролёта


Масса вала:


где d - диаметр вала, м;

ρСТ = 7850 кг/м3 - плотность стали.


Относительная масса мешалки :


где m =6,б3кг масса мешалки (стр710, табл. 31.6) [2]

Относительная приведённая масс вала  вычисляется по формуле:


Безразмерная приведенная жёсткость вала:


Безразмерная критическая скорость:


Критическая угловая скорость вала в воздухе, рад/с


Виброустойчивость проверяют по условию:


Вал работает в дорезонансной зоне, т.е. вал жесткий.

Расчетный крутящий момент на валу с перемешивающим устройством М΄к определяется по формуле:


Расчетный изгибающий момент вала в месте установки нижнего подшипника:


 - расчетный изгибающий момент от действия приведенной центробежной силы:


где

mпр - приведенная сосредоточенная масса вала и перемешивающего устройства:

 - коэффициент приведения распределенной массы вала к сосредоточенной массе перемешивающего устройства mм;

.

 - радиус вращения центра тяжести приведенной массы вала и мешалки:

΄ - экцентриситет центра массы перемешивающего устройства [мм]:



где

δ - допускаемое биение вала (обычно принимается в пределах 1мм);

e - экцентриситет центра массы мешалки:


Определяем напряжения от крутящего и изгибающего моментов τ и σи[Н∙м2]




Результирующее напряжение на валу:

σр < [σ], т.к. 2,2 < [192,3]

Вывод: Выбранный вал диаметром 40мм подходит по расчету на виброустойчивость, таким образом, он удовлетворяет требованиям прочности.

Шпоночное соединение ступицы мешалки с валом

Крутящий момент с вала на ступицу мешалки передаётся при помощи призматической шпонки, размещённой в шпоночных пазах вала и ступицы. Боковые грани на половине своей высоты шпонки испытывают напряжения смятия σсм, а продольное сечение - напряжения среза τср. Шпонку рекомендуется изготавливать из того же материала, что и вал. Допускаемые напряжения [σ] принимают равными нормативным допускаемым напряжениям σ*. Шпонки выбираю по ГОСТ 10748-79:

b = 14 мм

h1 = 12,4 мм

t1 = 4,9 мм

t = 7,5 мм

Схема к расчёту шпоночного соединения.

Длины призматических шпонок l (м) назначают конструктивно с учётом высоты ступицы h.

Т.к. h = 110 мм = 0.11 м, то l = 0.11- 0,01 = 0.1 м = 100 мм.

Полученное значение округляют до стандартного значения: l = 100 мм.

Для шпоночного соединения выполняется проверочный расчёт на смятие. Шпонка испытывает смятие с двух противоположных сторон: со стороны вала и со стороны ступицы.

Сила, вызывающая смятие:


Поверхность смятия определяется по формуле:


Условие прочности шпонки на смятие:

,

где σсм - напряжение смятия на боковые поверхности шпонки, Па;

[σ]см = 1.5[σ] - допускаемые напряжения на смятие материала шпонки, Па.



Условие прочности выполняется!

Расчет шариковых подшипников на долговечность.

1) Для вала диаметром 40 мм предварительно выбираем шариковый радиальный подшипник легкой серии № 208 [по 1, т.2, стр.205, табл.126].

Динамическая грузоподъемность этого подшипника:

С = 32000 Н;

С0 = 17800 Н.

) Определяем эквивалентную нагрузку:

Pe = (X*V*Fr + Y*Fa)*Кбт, где

Fa - осевая нагрузка; Fa = 0

Fr = RB


Кб - коэффициент безопасности;

Кб = 1,3 [по 3,стр.80, табл.56]

Кт - температурный коэффициент; Кт = 1 (при t < 100°C)

Х - коэффициент нагрузки; Х = 1,0

V - коэффициент вращения колец; V = 1,0

Y = 0

Pe = (1,0*1,0*0,077 + 0)*1,3*1,0 = 0,1 кгс=1Н

) Определим базовую долговечность подшипника, т.е. ресурс (число млн. оборотов)

 - показатель степени (для шариковых подшипников k=3)


Динамическая расчетная грузоподъемность:


р = 3 - для шариковых подшипников

Н < [32000 Н]

Следовательно, подшипник № 208 проходит по динамической грузоподъемности.

Определение веса аппарата

,

GК - вес корпуса вместе с теплоизоляцией, внутренними устройствами и уплотнением, Н;

Gруб- вес теплообменной рубашки, H;

Gпр - вес механического перемешивающего устройства, Н;

Gc - максимальный вес среды, Н.

При приближённом вычислении веса корпуса, реальная оболочка заменяется цилиндром того же диаметра D (м), но с плоскими крышкой и днищем, в который можно "вписать" корпус аппарата высотой H2; толщина стенки принимается равной исполнительной максимальной толщине smax.


ρст = 7850 кг/м3 - плотность стали;

1.1     - коэффициент учитывающий вес теплоизоляции;

g = 9,8 м/с2;

D = 0,7 м;

H2 = 1 м;

smax = 4 мм =0,004м


При расчёте максимального веса рабочей среды , предполагают, что аппарат объёмом V заполнен полностью рабочей средой.




Gcа = 250л = 2940Н максимальный вес среды в аппарате, Н;

Gcр - максимальный вес среды в рубашке, Н


Вес привода определяется по его массе; коэффициент 1,2 учитывает наличие муфты, вала, мешалки:

ПР = 335 кг - масса привода. (стр. 730. табл.32.10) [3]


ρст = 7850 кг/м3 - плотность стали;

g = 9,8 м/с2;

D = 0,8 м;

H2 = 0,93 м;

smax = 6 мм =0,006м


,

масса: 1113,74 кг.

Выбор опор аппарата

Рассчитываем, что весь вес аппарата приходится на одну опору.

Количество опор-3. Опоры (стойки) вертикальных цилиндрических аппаратов. Опоры выполнены из Ст3 "Опора ОВ III-Б-ОН 26-01-29-66"

Опоры привариваются к аппарату. Gап=0,025МН

По табл. 29.3 [3, стр.674] выбираем опору:

§  L = 150 мм;

§  L1 = 170 мм;

§  L2 = 130 мм;

§  B = 140 мм;

§  B1 = 105 мм;

§  B2 = 200 мм;

§  b = 40 мм;

§  b1 = 90 мм;

§  H = 350 мм;

§  h = 20 мм;

§  d = 24 мм;

§  s = 10 мм;

§  a = 10 мм;

§  a1 = 105 мм;

§  a2 = 20 мм;

§  М20

§  масса=12,2кг.

Опоры.

Список использованной литературы

1.   Анурьев В.И. Справочник конструктора-машиностроителя.-М.: Машиностроение, 2006. - 2816 с.

2.       Васильцов Э.А., Ушаков В.Г. Аппараты для перемешивания жидких сред: справочное пособие. Л.Машиностроение, 1979 г.

3.   Лащинский А.А., Толчинский А.Р. Основы конструирования и расчета химической аппаратуры.- Л.: Машиностроение, 2013. - 752 с.

4.       Лащинский А.А. Конструирование сварных химических аппаратов.- Изд.: АльянС, 2001. - 384 с.

5.       Михалёв М.Ф. Расчёт и конструирование машин и аппаратов химических производств.- Изд.:ТИД "Арис", 2013. - 312 с.

6.       Мищенко К.П. Краткий справочник физико-химических величин -Л.: Химия, 2012. -107 с.

7.       Павлов К.Ф. Примеры и задачи по курсу процессов и аппаратов химической технологии.- Изд.: АльянС, 2013. - 576 с.

8.       Справочник. Водород. Свойства, получение, хранение, транспортирование, применение. - М.: Химия, 2002. - 52с.