Материал: Разработка системы электроснабжения завода по производству металлообрабатывающих станков

Внимание! Если размещение файла нарушает Ваши авторские права, то обязательно сообщите нам

6. Разработка схемы электроснабжения предприятия и расчет распределительной сети напряжением выше 1 кВ

В соответствии с заданием на проектирование электроснабжение завода осуществляется от подстанции 110/10 кВ энергосистемы, находящейся за территорией предприятия. На подстанции установлены два трансформатора типа ТРДН с единичной номинальной мощностью 63 МВ∙А.

Для приема и распределения электроэнергии на напряжении 10 кВ на заводе предусмотрен РП, который комплектуется камерами типа КСО. РП запитывается от подстанции 110/10 кВ трехжильными кабелями марки ААБл (с алюминиевой жилой в алюминиевой оболочке с броней из стальных лент). Длина питающей линии составляет 1,2 км.

В СЭС предусмотрена раздельная работа линий и трансформаторов, что позволяет снизить значения токов короткого замыкания, упростить схемы коммутации и релейной защиты.

Распределительная сеть напряжением 10 кВ выполняется кабелями мраки ААШвУ (с алюминиевой жилой в алюминиевой оболочке с пропитанной бумажной изоляцией с защитным покровом в виде выпрессованного ПВХ шланга), проложенными открыто в воздухе и в кабельных сооружениях. Кабели прокладываются вдоль зданий и проездов с учетом наименьшего их расхода.

Распределение электрической энергии на напряжении 10 кВ может осуществляться по радиальным, магистральным и смешанным схемам в зависимости от расположения потребителей, их мощности и требуемой степени бесперебойности питания. Наибольшее распространение на практике получили смешанные схемы электроснабжения, при которых питание крупных и ответственных приемников осуществляется по радиальной схеме, а средних и мелких, при упорядоченном расположении ТП, - по магистральным линиям. Такие схемы внутреннего электроснабжения, как правило, имеют лучшие технико-экономические показатели.

Магистральные схемы обычно строятся с использованием одиночных, питающих однотрансформаторные ТП, и двойных сквозных магистралей, питающих двухтрансформаторные ТП. В нормальном режиме трансформаторы двухтрансформаторных ТП работают раздельно, а при повреждении одной из магистралей питание автоматически переводится на оставшуюся в работе магистральную линию с помощью устройства АВР. Взаимное резервирование однотрансформаторных подстанций осуществляется при помощи кабельных или шинных перемычек на вторичном напряжении. Пропускная способность перемычек составлять 20…30% номинальной мощности трансформатора.

При применении магистральных схем электроснабжения силовые трансформаторы присоединяются к линиям 10 кВ через выключатели нагрузки. При радиальных схемах питания допускается глухое присоединение трансформаторов к линиям 10 кВ.

Задача разработки схемы электроснабжения и конфигурации распределительной сети многокритериальная. Схема электроснабжения должна с наименьшими затратами обеспечить необходимую надежность электроснабжения, требуемое качество электроэнергии у приемников, удобство и безопасность эксплуатации, возможность дальнейшего развития.

В проектной практике для разработки рациональной конфигурации схемы электроснабжения применяют повариантный метод, согласно которому намечается несколько вариантов и из них на основе технико-экономического сравнения выбирается лучший. Важнейшими условиями при проведении технико-экономических расчетов является обеспечение экономической и энергетической сопоставимости рассматриваемых вариантов.

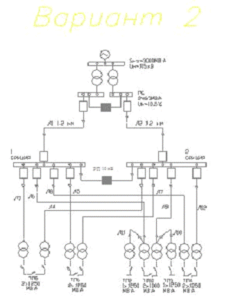
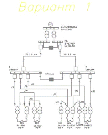
Варианты распределительных сетей и схем электроснабжения на напряжение выше 1 кВ приведены на рисунках 6.1 и 6.2.

Рисунок 6.1- Варианты распределения сетей 10 кВ предприятия

Рисунок 6.2 - Варианты системы электроснабжения предприятия

Данные по компоновке схем электроснабжения для рассматриваемых вариантов приведены в таблице 6.1

Таблица 6.1 - Данные по компоновке схем электроснабжения

№ цеха

Название

SТ, кВ∙А

№ТП

Вариант 1

 

2

Металообрабатываю-щий цех

1

1250

ТП2

 

8

Сборочный цех

2

1250

ТП8

 

3

Сварочный цех

1

1250

ТП3

 

4

Окрасочный цех

2

1250

ТП4

 

7

Компрессорная

2

1250

ТП7

 

11

Ремонтно-механический цех

2

1000

ТП11

 

Вариант 2

 

2

Металообрабатываю-щий цех

1

1250

ТП2

8

Сборочный цех

2

1250

ТП8

3

Сварочный цех

1

1250

ТП3

4

Окрасочный цех

2

1250

ТП4

7

Компрессорная

2

1250

ТП7

10

Инструментальный цех

2

1000

ТП10


При технико-экономическом сравнении выбор целесообразного варианта производить по условию минимума дисконтированных затрат, которые в общем виде определяются по выражению

, (6.1)

где τ - расчетный год;

t - год, затраты и результаты которого приводятся к расчетному году;

T - расчетный период, лет;

- капиталовложения в рассматриваемом варианте в год t, руб.;

 - годовые эксплуатационные расходы, руб.;

r - реальная процентная ставка.

В качестве расчетного года, к которому приводятся все затраты, обычно принимается наиболее ранний из всех рассматриваемых вариантов календарный год, предшествующий началу использования оборудования. Приведение разновременных затрат всех лет к расчетному году осуществляется путем умножения их величины за каждый год на коэффициент приведения . Здесь реальная процентная ставка r - это ставка (норма) дисконта с учетом инфляции, относительного увеличения цен на энергию и возможного относительного увеличения других цен,

, (6.2)

где  - нормативный коэффициент эффективности капитальных вложений; величина  принимается не ниже безрисковой ставки по альтернативному вложению капитала ([4], стр. 57);

d - уровень инфляции.

Инфляция должна быть учтена при проведении расчетов в нестабильной валюте, что характерно для стран с экономикой переходного периода, а также при длительном сроке службы вкладываемого капитала [9].

Произведем расчет реальной процентной ставки для Республики Беларуси. Действующая процентная ставка Беларусбанка по вкладам в белорусских рублях составляет 32% в год. Из этой цифры должен исходить инвестор при поиске альтернативных путей вложения денежных средств. Официально уровень инфляции в стране за 2013 год 21,8%. Тогда реальная процентная ставка

.

За начальный год расчетного периода, к которому обычно приводят все затраты, принимается год начала финансирования работ по сооружению объекта, . Конечный год расчетного периода T определяется моментом завершения всего жизненного цикла оборудования, то есть . В этом случае формула (6.1) принимает следующий вид:

. (6.3)

Капиталовложения в объект проектирования рассчитываются по формуле

, (6.4)

где , , ,  - соответственно стоимости оборудования, проектных, строительно-монтажных и пусконаладочных работ, руб.

Величины ,  и  можно определить, используя сборники ресурсно-сметных норм проектно-изыскательских, строительно-монтажных и пусконаладочных работ соответственно, с учетом поправочных коэффициентов по каждому виду работ. Для облегчения технико-экономических расчетов согласно [10] приближенно можно принять: стоимость проектных работ - до 10% от стоимости строительно-монтажных работ; стоимость строительно-монтажных работ - 25-30% от стоимости оборудования; стоимость пуско-наладочных работ - 3-5% от стоимости оборудования.

Следовательно, капиталовложения в проектируемый объект в упрощенном виде

; (6.5)

.

Капитальные вложения в электрооборудование СЭС предприятия

, (6.6)

где  - капитальные вложения в трансформаторные подстанции, руб.;

 - капитальные вложения в конденсаторные установки, руб.;

 - капитальные вложения в ячейки РП, руб.;

 - капитальные вложения в кабельные линии, руб.

Капитальные вложения в трансформаторные подстанции

, (6.6)

где  - капитальные вложения в i-ую ТП, руб.;

n - количество ТП.

Капитальные вложения в конденсаторные установки

, (6.7)

где  - капитальные вложения в i-ую КУ, руб.;

n - количество установок.

Капитальные вложения в ячейки РП

, (6.8)

где  - капитальные вложения в i-ую ячейку РП, руб.;

n - количество ячеек.

Капитальные вложения в кабельные линии

, (6.9)

где  - удельная стоимость 1 км i-ой кабельной линии, руб / км;

 - протяженность i-ой кабельной линии, км;

n - количество кабельных линий.

Годовые эксплуатационные расходы

, (6.10)

где  - амортизационные отчисления, руб.;

 - отчисления на текущие ремонты и обслуживание, руб.;

 - стоимость годовых потерь электроэнергии, руб.

Амортизационные отчисления

. (6.11)

Годовые расходы на текущие ремонты и обслуживание электрооборудования

, (6.12)

где  - норма эксплуатационных расходов для i-го оборудования, %.

Согласно ([11], стр. 548, табл. 10.2) для силового электрооборудования и распределительных устройств напряжением до 150 кВ ; для кабельных линий напряжением до 10 кВ с алюминиевой оболочкой .

Стоимость потерь электроэнергии

, (6.13)

где  - стоимость 1 кВт∙ч потерь электроэнергии;

 - суммарные потери электроэнергии для рассматриваемого варианта схемы электроснабжения, кВт∙ч.

Стоимость 1 кВт∙ч потерь электроэнергии оценивается по среднему тарифу на электроэнергию:

, (6.14)

где  - годовое время использования максимума нагрузки потребителя, ч.

Суммарные потери электроэнергии

, (6.15)

где  - годовые потери электроэнергии в i-ом трансформаторе, кВт∙ч;

 - годовые потери электроэнергии в j-ой кабельной линии, кВт∙ч;

 - годовые потери электроэнергии в БНК предприятия, кВт∙ч;

n, m - соответственно количество трансформаторов и кабельных линий.

Величину суммарных годовых потерь активной электроэнергии в ТП с числом трансформаторов NT в общем случае можно определить по выражению

, (6.16)

где t - время максимальных потерь;

 - число часов работы трансформаторов в году,  ч.

Время максимальных потерь можно определить по эмпирической формуле В. В. Кезевича:

. (6.17)

При  ч / год время максимальных потерь

 ч.