|
Логические
выражения (М=1)
|
Арифметические
выражения (М=0)
|
|
0000
|
A+^B
|
A+B
|
|
0001
|
^(A+^B)
|
B-A
|
|
0010
|
^B*(^A*(A+^B))
|
(B+A)* 3
|
|
0011
|
^B+^A*B
|
(B-A)*
3
|
|
0100
|
^A*(B+A+^A)
|
(B-A)*8
|
|
0101
|
^(B+A)
|
B*A*3
|
|
0110
|
^(^B*^A+B)
|
A^2
|
|
0111
|
(A+B)*(A+B)
|
A*3
|
|
1000
|
(B+A)*4
|
|
|
1001
|
B AA*B
|
|
|
1010
|
(A*B) (B+^A)B/2
|
|
|
1011
|
^B*(A B)(B+A)/4
|
|
|
1100
|
-
|
B^2*A
|
АЛУ имеет выход переноса Рвых, который
используется при построении многоразрядного АЛУ. Выход Рвых служит в
АЛУ, которые используются как схемы сравнения. Для сравнение входных слов на
«больше - меньше» используется выход Рвых, значения которого
формируются в зависимости от значения входа.
Порт индикации представляет собой схему, которая реагирует на
выборку логической или арифметической операции. В результате чего загорается
световой индикатор. В данном курсовом проекте мы разработаем порт индикации,
который реагирует включением светодиода на появление логической операции.
При разработке БИС используются 2 типа логики
микросхем ТТЛ и ТТЛШ.
Транзисторно-транзисторная логика.
Существует 3 основных типа логических микросхем: ТТЛ
(транзисторно-транзисторная логика), ЭСЛ (эмиттерно-связанная логика), КМОП
(микросхемы на основе комплементарных полевых транзисторов по структуре
металл-окисел-полупроводник). В курсовой работе типом используемой логики
микросхем является ТТЛ.
Транзисторно-транзисторная логика - разновидность цифровых
логических микросхем, построенных на основе биполярных транзисторов и
резисторов. Биполярные транзисторы могут работать в режимах: отсечки, нормально
активный, инверсно активный и насыщения. В инверсно активном режиме эмиттерный
переход закрыт, а коллекторный переход открыт. В инверсном режиме коэффициент
усиления транзистора значительно меньше, чем в нормальном режиме, из-за
несимметричного конструктивного исполнения переходов база-коллектор и
база-эмиттер.
Особенности применения микросхем с ТТЛ логикой:
· При работе ТТЛ-логики наблюдаются
достаточно сильные всплески токов (особенно на выходе), которые могут создавать
паразитные наводки на цепях питания, приводя к сбоям самих ТТЛ элементов. Для
борьбы с этим явлением необходимо руководствоваться следующими правилами:
· Питание ТТЛ микросхем организуется в виде
двух шинок (обычно из медных или латунных полос) с короткими отводами печатных
дорожек к выводам питания. При многослойном монтаже выделяются отдельные слои
для шинок питания. Применение разветвлённых дорожек питания запрещено.
· Между шинками питания устанавливаются
блокировочные конденсаторы с малой паразитной индуктивностью (керамические или
слюдяные). Минимальная ёмкость, количество блокировочных конденсаторов
определяется инструкцией по монтажу ТТЛ-микросхемы. Не всегда все имеющиеся
входы ТТЛ элемента используются в конкретной схеме. Если по логике работы на входе
необходим нулевой сигнал, то неиспользуемые входы соединяются с общим проводом.
· Для собственно ТТЛ-схемы не используемые
входы можно никуда не подключать, но из-за паразитной ёмкости будет появляться
задержка прохождения сигнала (около 2 нс на один вход), кроме того, на не
присоединённые входы могут наводиться помехи. У ТТЛШ оставлять не подключёнными
неиспользуемые входы запрещено.
· Можно соединить используемые и не
используемые входы (если это допустимо по схеме), но это увеличивает нагрузку
на источник сигнала и также увеличивает задержку.
· Неиспользуемые входы можно присоединить к
выходу инвертирующего элемента, входы которого подсоединяются к общему проводу.
· Неиспользуемые входы можно присоединить к
источнику питания через резистор - для одних серий (количество одновременно
подключаемых входов к одному резистору и величина этого сопротивления
регламентируются соответствующими инструкциями) или непосредственно к питанию -
для других.
Транзисторно-транзисторная логика с диодами
Шоттки.
В ТТЛШ используются транзисторы Шоттки, в которых барьер
Шоттки не позволяет транзистору войти в режим насыщения, в результате чего
диффузионная ёмкость мала и задержки переключения малы, а быстродействие
высокое.
ТТЛШ-логика отличается от ТТЛ наличием диодов Шоттки в цепях
база - коллектор, что исключает насыщение транзистора. Также наличием
демпфирующих диодов Шоттки на входах (редко на выходах) для подавления
импульсных помех, образующихся из-за отражений в длинных линиях связи (длинной
считается линия, время распространения сигнала в которой больше длительности
его фронта, для самых быстрых ТТЛШ микросхем линия становится длинной начиная с
длины в несколько сантиметров).
2.
Структурный анализ разрабатываемой схемы
Структурная схема микроконтроллера
В настоящем курсовом проекте необходимо разработать
микроконтроллер на микросхемах малой и средней логике.
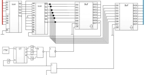
Структурная схема микроконтроллера состоит из:
· АЛУ предназначено для выполнения
логических и арифметических операций нал двумя многоразрядными числами.
· Портов ввода для операндов DI и BI.
· Порта ввода управляющего сигнала V для выбора конкретной
операции.
· Порта управления с входными сигналами Pвх и М в зависимости от
комбинаций которых выбирается логическая или арифметическая операция.
· Порта вывода результата F.
· Вывод Рвых для сигнала
переноса.
· Блока индикации показывающего выполнение
логической или арифметической операции.
· ГТИ.
Арифметико-логическое устройство (АЛУ) - блок процессора,
который под управлением устройства управления (УУ) служит для выполнения
арифметических и логических преобразований над данными, называемыми в этом
случае операндами. Разрядность операндов обычно называют размером машинного
слова.
Большая интегральная схема арифметико-логического
устройства представляет собой 4-разрядную секцию, выполняющую 12 логических
операций и 13 арифметические операции над двоичными числами. Арифметико-логическое
устройство может выполнять различные логические и арифметические операции с
одним и несколькими словами.
АЛУ может использовать логические элементы И, ИЛИ, НЕ,
ИЛИ-НЕ, И-НЕ, сумма по модулю 2, а также в операциях используется сумматоры и
счетчики.
Разрабатываемая схема АЛУ будет иметь два комбинационных входа,
которые будут задавать код, над которым будут производиться операции, а также
четыре комбинационных входа которые задают код операции.
Подаваться они будут с порта ввода для операндов А и В.
Данный порт будет выполнять подачу операндов на АЛУ над которыми будут
выполнятся операции: арифметические и логические.
Порты ввода и вывода. Вывод Рвых
для сигнала переноса.
Для обмена информацией с внешним миром в контроллере
предусмотрены порты ввода и вывода информации. Часто порт ввода объединяется с
портом вывода, и образуют порт ввода-вывода информации.
С внешним миром микроконтроллер обменивается информацией в
цифровом виде. Основой логики работы микропроцессора служит двоичная система
счисления, состоящая всего из двух цифр - единицы «1» и нуля «0». Эти две цифры
двоичной системы позволяют записывать практически любые числа. Для
электрических сигналов, несущих эту цифровую информацию, двоичная система
счисления соответствует двум состояниям, или двум «логическим» уровням:
высокому и низкому. Как правило, напряжение высокого логического уровня близко
к напряжению питания микросхемы (5 В. или 3 В). Напряжение низкого логического
уровня - логического ноля «0» - может составлять несколько десятых вольта (0,3
В.), и в идеальном случае равняется 0 В. С помощью, загруженной в него
программы, микроконтроллер может установить на любой ножке порта вывода
требуемый уровень напряжения. Также микроконтроллер может программно определять
состояние сигнала на своих ножках, высокое ли напряжение на ней или низкое
(ноль или единица).
Получать информацию микроконтроллер может из подключаемых к
его портам устройств, таких как: кнопки, клавиатуры, различные датчики,
цифровые микросхемы и других микроконтроллеры, и даже ПК. Для вывода информации
к портам контроллера можно подключать светодиоды, жидкокристаллические
индикаторы, ССИ и многое другое. В данной курсовой работе для вывода
информации к портам контроллера подключаем светодиоды.
АЛУ имеет выход переноса Рвых, который
используется при построении многоразрядного АЛУ. Выход Рвых служит в
АЛУ, которые используются как схемы сравнения. Для сравнение входных слов на
«больше - меньше» используется выход Рвых, значения которого
формируются в зависимости от значения входа.
ГТИ.
Генератор тактовой частоты (генератор тактовых
импульсов)
генерирует электрические импульсы заданной частоты (обычно прямоугольной формы)
для синхронизации различных процессов в цифровых устройствах, электронных часах
и таймерах, микропроцессорной и другой цифровой технике. Тактовые импульсы
часто используются как эталонная частота.
В зависимости от сложности устройства, используют разные типы
генераторов. В курсовой работе используется тактовый генератор.
Тактовый генератор - это схема, которая
вызывает серию импульсов. Все импульсы одинаковы по длительности. Интервалы
между последовательными импульсами также одинаковы. Временной интервал между
началом одного импульса и началом следующего называется временем такта. Частота
импульсов обычно от 1 до 500 МГц.
3.
Разработка и расчет электрических схем отдельных структурных блоков
Для разработки микроконтроллера, выполняющего арифметические
и логические операции, который сопряжен с модулем памяти и индикациями
требуется множество микросхем.
Дешифратор.
Функция дешифратора понятна из его названия.
Дешифратор преобразует входной двоичный код в номер выходного сигнала.
Количество его выходных сигналов равно количеству возможных состояний двоичного
кода. Активным всегда является только один выход дешифратора, причем номер
этого выхода определяется номером входного сигнала.
В нашем микроконтроллере используется дешифратор
4-16 серии К155ИД3.
Дешифратор имеет вид:

|
1
|
Номинальное
напряжение питания
|
5 В 5%
|
|
2
|
Выходное
напряжение низкого уровня
|
не более 0,4 В
|
|
3
|
Выходное
напряжение высокого уровня
|
не менее 2,4 В
|
|
4
|
Входной ток
низкого уровня
|
не более -1,6
мА
|
|
5
|
Входной ток
высокого уровня
|
не более 0,04
мА
|
|
6
|
Ток потребления
|
не более 56 мА
|
|
7
|
Время задержки
распространения при включении по входам 20 - 23 по входам 18, 19
|
не более 33 нс
не более 27 нс
|
|
8
|
Время задержки
распространения при выключении по входам 20 - 23 по входам 18, 19
|
не более 36 нс
не более 30 нс
|
|
9
|
Время
дешифрации
|
не более 35 нс
|
|
10
|
Потребляемая
мощность
|
не более 294
мВт
|
Регистр
Регистр - устройство, используемое для хранения n-разрядных
двоичных данных и выполнения преобразований над ними.
Регистр представляет собой упорядоченный набор триггеров,
обычно D-, число n которых соответствует числу разрядов в слове. С каждым
регистром обычно связано комбинационное цифровое устройство, с помощью которого
обеспечивается выполнение некоторых операций над словами.
В курсовой работе в регистр «отправляются» сигналы операнда А
или операнда В. если сигнал регистра С = 1, то передачи двоичных данных из
регистра в буфер разрешена.
Также регистры в данной курсовой работе используется в
реализации арифметических операций. Но отличие этих регистров от тех, которые
используются для формирования операндов, в том, что они сдвиговые.
В качестве реверсивного сдвигового регистра мы используем
микросхему К155ИР13.
МикросхемаК155ИР13 - восьмиразрядный реверсивный
сдвигающий регистр, имеет 8 выходов параллельного кода и следующие входы: D1 -
D8 - для подачи информации при параллельной записи, DR и DL - для подачи
информации при последовательной записи и сдвиге вправо и влево соответственно,
С - для подачи тактовых импульсов, SR и SL - для управления режимом и R - для
сброса триггеров регистра. При подаче на вход R лог. 0 происходит сброс всех
триггеров счетчика независимо от состояния других входов. Любые другие
изменения состояния регистра происходят лишь по спаду импульса отрицательной
полярности на входе С. При лог. 1 на входе SR и лог. 0 на входе SL по спаду
импульса на входе С происходит сдвиг информации вправо (в сторону возрастания
номеров выходов). В первый разряд сдвигающего регистра последовательный прием
информации осуществляется со входа DR. При лог. 1 на входе SL и лог. 0 на входе
SR сдвиг осуществляется влево, прием информации в восьмой разряд регистра - со
входа DL. Если лог. 1 подать сразу на оба входа SR и SL, по спаду импульса
отрицательной полярности на входе С произойдет параллельная запись в регистр
информации со входов D1 - D8. Подача лог. 0 на оба входа SR и SL блокирует
тактовые импульсы, подаваемые на вход С, и по ним информация в регистре уже не
будет меняться. Однако, если при лог. 0 на входе С вначале хотя бы на одном из
входов SR или SL имелась лог. 1, затем на обоих входах - лог. 0, это изменение
будет воспринято микросхемой как спад тактового импульса, по которому
произойдет сдвиг или параллельная запись, в зависимости от состояния входов SR
и SL перед появлением лог. 0 на обоих входах. Указанное свойство микросхемы
позволяет, подав постоянно лог. 0 на вход С, использовать вход SR для подачи
импульсов сдвига вправо, вход SL - для подачи импульсов сдвига влево. Сдвиг
будет происходить по спадам импульсов положительной полярности. Если изменение
сигнала с лог. 1 на лог. 0 произойдет одновременно на обоих входах SR и SL,
осуществится параллельная запись информации со входов D1 - D8.
- вход режимный S0;
- вход последовательного ввода информации при сдвиге вправо
DR;
- вход информационный D0;
- выход Q0; 5 - вход D1;
- выход Q1; 7 - вход D2;
- выход Q2; 9 - вход D3;
- выход Q3;
- вход синхронизации С;
- общий;
- вход инверсный «сброс» R;
- выход Q4; 15 - вход D4;
- выход Q5; 17 - вход D5;
- выход Q6; 19 - вход D6;
- выход Q7; 21 - вход D7;
- вход последовательного ввода информации при сдвиге влево
DL;
- вход режимный S1;
- напряжение питания;
|
1
|
Номинальное
напряжение питания
|
5 В 5%
|
|
2
|
Выходное
напряжение низкого уровня
|
не более 0,4 В
|
|
3
|
Выходное
напряжение высокого уровня
|
не менее 2,4 В
|
|
4
|
Помехоустойчивость
|
не менее 0,4 В
|
|
5
|
Входной ток
низкого уровня
|
не более -1,6
мА
|
|
6
|
Входной ток
высокого уровня
|
не более 0,04
мА
|
|
7
|
Ток короткого
замыкания
|
-18… - 57 мА
|
|
8
|
Потребляемая
мощность
|
не более 609
мВт
|
|
9
|
Рабочая частота
|
25 МГц
|
Регистр хранения
В данной курсовой работе используется регистр с управлением
информацией уровнем сигнала на тактовом входе (К555ИР22). Микросхемы К555ИР22
представляют собой микросхему серии ТТЛ.
Микросхема К555ИР22 - восьмиразрядный регистр хранения
информации. Запись информации в триггеры регистра происходит при подаче лог. 1
на вход С, в этом случае сигналы на выходах регистра повторяют входные. При
подаче лог. 0 на вход С регистр переходит в режим хранения информации
|
1
|
Напряжение
питания (Vсс)
|
+5В ±10%
|
|
2
|
Входной ток
(0/1), не более
|
20мкА/200мкА
|
|
3
|
Ток потребления
(статический), max
|
31мА
|
|
4
|
Выходной ток
лог. «0», не менее
|
30мА
|
|
5
|
Выходной ток в
Z-состоянии, не более
|
20мкА
|
|
6
|
Типовая
задержка
|
12-40 нс
|
|
7
|
Тактовая
частота
|
до 35МГц
|
|
8
|
Входной уровень
«0»
|
< 0,8В
|
|
9
|
Входной уровень
«1»
|
> 2,0В
|
|
10
|
Выходной
уровень «0»
|
< 0,4В
|
|
11
|
Выходной уровень
«1»
|
> 2,4В
|
|
12
|
Рабочий
диапазон температур
|
-10oC..+70oC
|
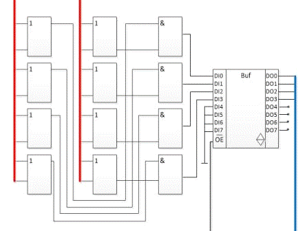
Буферы
Информация от дешифратора в нашей схеме передается в буфер.
Так мы определяем, какая операция, логическая или арифметическая, будет
выполняться.
Также буфер используется для вывода результата выполненной
операции (логической или арифметической) на шину результата.
В качестве буфера используется буферный регистр К1533ИР35.
Для формирование 16 разрядного сигнала мы используем 2 буферных регистра
К1533ИР35, для 4 разрядного неиспользуемые входы заземляются.
КР1533ИР35-Микросхема представляет собой
восьмиразрядный регистр на регистрах D-типа с общим входом сброса. При низком U0
на входе R выходы регистров устанавливаются в нулевое состояние вне зависимости
от состояния других входов. При высоком уровне U0 на входе R
информация со входов D по фронту тактового импульса на входе WR записывается в
триггер и передается на выход.
1) R ̅ - Вход сброса
) Q0 - Выход данных
) D0 - Вход данных
) D1 - Вход данных
) Q1 - Выход данных
) Q2 - Выход данных
) D2 - Вход данных
) D3 - Вход данных
) Q3 - Выход данных
) OV - Общий вывод
) WR - Вход разрешения записи
) Q4 - Выход данных
) D4 - Вход данных
) D5 - Вход данных
) Q5 - Выход данных
) Q6 - Выход данных
) D6 - Вход данных
) D7 - Вход данных
) Q7 - Выход данных
) U - Вывод питания от источника напряжения
|
1
|
Частота -
Тактовый генератор
|
35MHz
|
|
2
|
Время задержки
|
2ns
|
|
3
|
Тип триггера
|
Positive Edge
|
|
4
|
Ток выходной
макс., мин.
|
2.6mA, 24mA
|
|
5
|
Напряжение
питания
|
4.5 V ~ 5.5 V
|
|
6
|
Рабочая
температура
|
0°C ~ 70°C
|
Элементы мелкой и средней логики
В данной БИС используются элементы мелкой логики: ИЛИ,
ИЛИ-НЕ, И, И-НЕ, НЕ, Сумма по модулю 2; а также элементы средней логики:
сумматор, счетчик, индикатор. Так же при разработке схемы использовались буферы
и регистры.
Микросхема К155ЛИ1 (4 логических элемента 2И)
Микросхема К155ЛИ1
|
1
|
Функциональность
|
И
|
|
2
|
Номинальное
напряжение питания
|
5
|
|
3
|
Выходное
напряжение низкого уровня
|
0.4
|
|
4
|
Выходное
напряжение высокого уровня
|
2
|
|
5
|
Входной ток
низкого уровня
|
0.34
|
|
6
|
Входной ток
высокого уровня
|
0.02
|
|
7
|
Ток
потребления, мА
|
-
|
|
8
|
Время задержки
включения, нс
|
-
|
|
9
|
Время задержки
выключения, нс
|
-
|
|
10
|
Диапазон
рабочих температур, гр. С
|
-10.00…70.00
|
|
11
|
Корпус
|
-
|
|
12
|
Производитель
|
Россия
|
Микросхема К155ЛА7 (4И-НЕ)
|
1
|
Функциональность
|
И-НЕ
|
|
2
|
Номинальное
напряжение питания
|
5
|
|
3
|
Выходное
напряжение низкого уровня
|
0.4
|
|
4
|
Выходное
напряжение высокого уровня
|
2
|
|
5
|
Входной ток
низкого уровня
|
0.34
|
|
6
|
Входной ток
высокого уровня
|
0.002
|
|
7
|
Ток
потребления, мА
|
-
|
|
8
|
Время задержки
включения, нс
|
-
|
|
9
|
Время задержки
выключения, нс
|
-
|
|
10
|
Диапазон
рабочих температур, гр. С
|
-10.00…70.00
|
|
11
|
Корпус
|
-
|
|
12
|
Производитель
|
Россия
|
Микросхема К561ЛА7 (4 логических элемента 2И-НЕ)
|
1
|
Напряжение
питания
|
3…18В
|
|
2
|
Максимальное
напряжение лог. «0»
|
<2.9В
|
|
3
|
минимальное
напряжение лог «1»
|
>7.2В
|
|
4
|
Ток
потребеления при лог. «0» и Uпит=18В
|
15mA
|
|
5
|
Ток
потребеления при лог. «1» и Uпит=18В
|
30mA
|
|
6
|
Выходной ток
|
42mA
|
|
7
|
Время задержки
распространения сигнала
|
80нС
|
|
8
|
Диапазон
рабочих температур
|
-45…+85С
|
Микросхема К555ЛН1 (6 инверторов)
Микросхема К555ЛН1
|
1
|
Функциональность
|
НЕ
|
|
2
|
Номинальное
напряжение питания
|
5
|
|
3
|
Выходное
напряжение низкого уровня
|
0.4
|
|
4
|
Выходное
напряжение высокого уровня
|
2.7
|
|
5
|
Входной ток
низкого уровня
|
0.4
|
|
6
|
Входной ток
высокого уровня
|
0.02
|
|
7
|
Ток
потребления, мА
|
11.5
|
|
8
|
Время задержки
включения, нс
|
-
|
|
9
|
Время задержки
выключения, нс
|
-
|
|
10
|
Диапазон
рабочих температур, гр. С
|
-10.00…70.00
|
|
11
|
Корпус
|
-
|
|
12
|
Производитель
|
Россия
|
Микросхема К155ЛЛ1 (4 логических элемента 2ИЛИ)
Микросхема К155ЛЛ1 потребляет ток равный 38 мА, если
на всех входах присутствует напряжение низкого уровня.
Микросхема К155ЛЛ1
|
1ФункциональностьИЛИ
|
|
|
|
2
|
Номинальное
напряжение питания
|
5
|
|
3
|
Выходное
напряжение низкого уровня
|
0.4
|
|
4
|
Выходное
напряжение высокого уровня
|
2
|
|
5
|
Входной ток
низкого уровня
|
0.34
|
|
6
|
Входной ток
высокого уровня
|
0.02
|
|
7
|
Ток
потребления, мА
|
-
|
|
8
|
Время задержки
включения, нс
|
-
|
|
9
|
Время задержки
выключения, нс
|
-
|
|
10
|
Диапазон
рабочих температур, гр. С
|
-10.00…70.00
|
|
11
|
Корпус
|
-
|
|
12
|
Производитель
|
Россия
|
Микросхема К561ЛЕ5 (4 логических элемента 2ИЛИ-НЕ)
|
1
|
Напряжение
питания
|
3..15V
|
|
2
|
Напряжение
макс.
|
18V
|
|
3
|
Напряжение лог.
0
|
<0.05V
|
|
4
|
Напряжение лог.
1
|
Uпит-0,05V
|
Микросхема К155ЛА4 (3 элемента 3И-НЕ)

Микросхема К155ЛА4
|
1
|
Функциональность
|
И-НЕ
|
|
2
|
Номинальное
напряжение питания
|
5
|
|
3
|
Выходное
напряжение низкого уровня
|
0.4
|
|
4
|
Выходное
напряжение высокого уровня
|
2
|
|
5
|
Входной ток
низкого уровня
|
0.34
|
|
6
|
Входной ток
высокого уровня
|
0.002
|
|
7
|
Ток
потребления, мА
|
-
|
|
8
|
Время задержки
включения, нс
|
-
|
|
9
|
Время задержки
выключения, нс
|
-
|
|
10
|
Диапазон
рабочих температур, гр. С
|
-10.00…70.00
|
|
11
|
Корпус
|
201,14-1
|
|
12
|
Производитель
|
Россия
|
Микросхема К155ЛП5 (сумма по модулю 2)
К155ЛП5
|
1Функциональностьлогика
|
|
|
|
2
|
Номинальное
напряжение питания
|
5
|
|
3
|
Выходное
напряжение низкого уровня
|
0.4
|
|
4
|
Выходное
напряжение высокого уровня
|
2
|
|
5
|
Входной ток
низкого уровня
|
0.34
|
|
6
|
Входной ток
высокого уровня
|
0.002
|
|
7
|
Ток
потребления, мА
|
50
|
|
8
|
Время задержки
включения, нс
|
-
|
|
9
|
Время задержки
выключения, нс
|
-
|
|
10
|
Диапазон
рабочих температур, гр. С
|
-10.00…70.00
|
|
11
|
Корпус
|
-
|
|
12
|
Производитель
|
Россия
|
Микросхема К155ИМ3 (2 разрядный двоичный сумматор)
|
1
|
Номинальное
напряжение питания
|
5 В 5%
|
|
2
|
Выходное
напряжение низкого уровня
|
не более 0,4 В
|
|
3
|
Выходное
напряжение высокого уровня
|
не менее 2,4 В
|
|
4
|
Помехоустойчивость
|
не менее 0,4 В
|
|
5
|
Напряжение на
антизвонном диоде
|
не менее -1,5 В
|
|
6
|
Входной
пробивной ток
|
не более 1 мА
|
|
7
|
Ток короткого
замыкания
|
-18… - 55 мА
|
|
8
|
Ток потребления
|
не более 128 мА
|
|
9
|
Потребляемая
статическая мощность
|
не более 670
мВт
|
|
10
|
Время задержки
распространения при включении от вывода 13 до 15
|
не более 55 нс
|
|
11
|
Время задержки
распространения при выключении от вывода 13 до 15
|
не более 55 нс
|
|
12
|
Время задержки
распространения по цепи суммы
|
не более 37,5
нс
|
|
13
|
Время задержки
распространения по цепи переноса
|
не более 40 нс
|
Микросхема представляет собой быстродействующий полный
сумматор. Он принимает два четырехразрядных слова по входам данных Аn, Вn, и по входу Pn сигнал переноса.
Сумматор работает как с положительной (высокий уровень - единица), так и с
отрицательной логикой (низкий уровень - единица) Суммирование происходит
согласно уравнению
Если выбрана положительная логика, то вход Сn нельзя оставлять
свободным, если он не используется, необходимо соединить его с низким уровнем
Микросхема К176ИЕ1 (счетчик)
|
1
|
Функциональность
|
счетчик
|
|
2
|
Номинальное
напряжение питания
|
5
|
|
3
|
Выходное
напряжение низкого уровня
|
0.3
|
|
4
|
Выходное
напряжение высокого уровня
|
2.4
|
|
5
|
Входной ток
низкого уровня
|
-
|
|
6
|
Входной ток
высокого уровня
|
-
|
|
7
|
Ток
потребления, мА
|
0.2
|
|
8
|
Время задержки
включения, нс
|
-
|
|
9
|
Время задержки
выключения, нс
|
-
|
|
10
|
Диапазон
рабочих температур, гр. С
|
-10.00…70.00
|
|
11
|
Корпус
|
-
|
|
12
|
Производитель
|
Россия
|
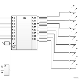
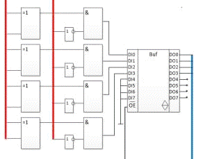
Блок индикации
Блок индикации содержит следующие микросхемы: 8-ми разрядный
регистр серии К555ИР22, 8 резисторов и 8 светодиодов.
Схема блока светодиодной индикации
Микросхема К555ИР22 - восьмиразрядный регистр хранения
информации. Запись информации в триггеры регистра происходит при подаче лог. 1
на вход С, в этом случае сигналы на выходах регистра повторяют входные. При
подаче лог. 0 на вход С регистр переходит в режим хранения информации. Выходы
микросхемы находятся в активном состоянии, если на вход ОЕ подан лог. 0. Если
же на вход ОЕ подать лог. 1, выходы регистра переходят в Z - состояние. Сигнал на
входе ОЕ не влияет на запись в триггеры, запись может производиться как при 0,
так и при 1 на этом входе.
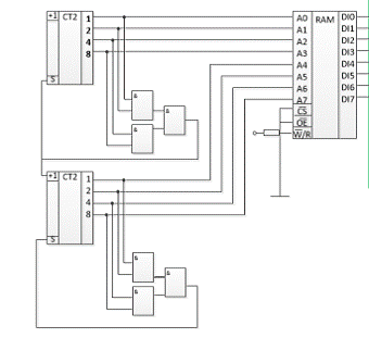
Модуль памяти
Модуль памяти нашей структурной схемы состоит из модуля
памяти ОЗУ, двух счетчиков и мелкой логики. Структурная схема модуля памяти
имеет вид
Модуль памяти ОЗУ - КР537РУ9А
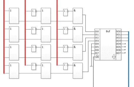
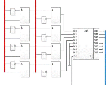
Блок логических операций
+^B-Схема выполнена на базе микросхем К555ЛН1, К155ЛЛ1, КР1533ИР35
^(A+^B) - Схема выполнена на базе микросхем К555ЛН1, К561ЛЕ5, КР1533ИР35
^B*(^A*(A+^B)) - Схема выполнена на базе микросхем К555ЛН1, К155ЛЛ1, К155ЛИ1,
КР1533ИР35
^B+^A*B))
- Схема выполнена на базе микросхем К555ЛН1, К155ЛЛ1, К155ЛИ1, КР1533ИР35
^A*(B+A+^A))) - Схема выполнена на
базе микросхем К555ЛН1, К155ЛЛ1, К155ЛИ1, КР1533ИР35
^(B+A)
- Схема выполнена на базе микросхем К561ЛЕ5, КР1533ИР35
^(^B*^A+B)
- Схема выполнена на базе микросхем К555ЛН1, К155ЛИ1, К561ЛЕ5, КР1533ИР35
(A+B)*(A+B) - Схема выполнена на
базе микросхем К155ЛЛ1, К155ЛИ1, КР1533ИР35
- Схема выполнена на базе микросхем К555ЛН1, К155ЛЛ1, К155ЛП5,
КР1533ИР35
B
A - Схема
выполнена на базе микросхем К155ЛП5, КР1533ИР35
(A*B)
(B+^A) - Схема выполнена на базе микросхем К155ЛИ1, К155ЛЛ1,
К155ЛП5, КР1533ИР35
^B*(A
B) - Схема
выполнена на базе микросхем К155ЛП5, К555ЛН1, К155ЛИ1, КР1533ИР35
Блок арифметических операций\
+B-Схема выполнена на базе микросхем
К155ИМ3, КР1533ИР35
-A-Схема выполнена на базе микросхем
К555ЛН1, К155ИМ3, КР1533ИР35
(B+A)*
3 Схема выполнена на базе микросхем К555ЛН1, К155ИМ3, КР1533ИР35, К176ИЕ1,
К155ЛА7
(B-A)*
3 - Схема выполнена на базе микросхем К555ЛН1, К155ИМ3, КР1533ИР35, К176ИЕ1,
К155ЛА7
(B-A)*8
- Схема выполнена на базе микросхем К555ЛН1, К155ИМ3, КР1533ИР35, К176ИЕ1,
К155ЛА4, К155ИР13
*A*3 - Схема выполнена на базе микросхем К555ЛН1, К155ИМ3,
КР1533ИР35, К555ИЕ15, К155ЛА4, К155ИР13
^2 - Схема выполнена на базе микросхем К561ЛЕ5,
К155ИМ3, КР1533ИР35, К555ИЕ15, К155ЛА4
*3 - Схема выполнена на базе микросхем К551ЛН,
К155ИМ3, КР1533ИР35, К176ИЕ1, К155ЛА7, К155ЛЛ1
(B+A)*4
Схема выполнена на базе микросхем К551ЛН, К155ИМ3, КР1533ИР35, К176ИЕ1,
К155ЛА7, К155ЛЛ1, К155ИР13
*B - Схема выполнена на базе микросхем К561ЛЕ5, К155ИМ3,
КР1533ИР35, К555ИЕ15, К155ЛА7, К155ЛЛ1
/2 - Схема выполнена на базе микросхем К561ЛЕ5,
К155ИМ3, КР1533ИР35, К176ИЕ1, К155ЛА7, К155ЛА4
(B+A)/4-Схема
выполнена на базе микросхем К561ЛЕ5, К155ИМ3, КР1533ИР35, К176ИЕ1, К155ЛА7,
К155ЛА4, К155ИР13
^2*A Схема выполнена на базе микросхем К555ЛН1, К155ИМ3,
КР1533ИР35, К176ИЕ1, К155ЛА7, К155ЛА4, К155ИР13
4.
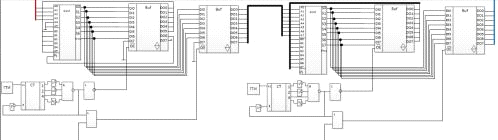
Разработка общей электрической принципиальной схемы
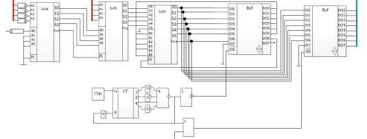
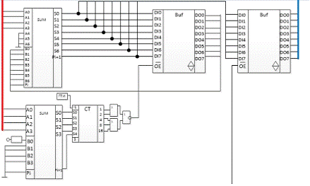
Общая электрическая схема микроконтроллера с портом ввода /
вывода, портом управления, блоками логических и арифметических операций,
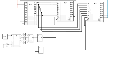
модулем памяти и индикацией представлена в приложении 1 к курсовому проекту.
Структурная схема разрабатываемого микроконтроллера
.
Расчет потребляемой мощности и разработка источника питания
Расчет потребляемой мощности.
На данном этапе проектирования БИС большой степени интеграции
на микросхемах малой и средней степени интеграции, необходимо произвести расчёт
потребляемого тока разработанной БИС. Для определения тока потребления всей
разработанной микросхемой необходимо найти ток потребления каждым блоком в
отдельности. Так как при проектировании структурных блоков микросхемы
использовалась ТТЛ логика, то при расчёте будет использоваться напряжение U = +5В.
Для расчета суммарной мощности достаточно просуммировать
потребляемую мощность всех компонентов, входящих в состав разработанной схемы.
|
Микросхема
|
Потребляемый
ток, мА
|
Количество
м/с
|
|
К555ЛН1
|
33
|
18
|
|
К561ЛЕ5
|
22
|
4
|
|
К155ЛА7
|
22
|
3
|
|
К155ЛЛ1
|
38
|
13
|
|
К155ЛА4
|
16
|
2
|
33
|
10
|
|
К155ЛП5
|
50
|
4
|
|
К155ИД3
|
56
|
1
|
|
К155ИР35
|
24
|
41
|
|
К155ИР22
|
31
|
3
|
|
К155ИР13
|
0.04
|
4
|
|
К155ИМ3
|
127
|
23
|
|
К176ИЕ1
|
0.2
|
18
|
|
КР537РУ9А
|
20
|
1
|
|
АЛ307А
|
10
|
8
|
Рпотр=(33*18+22*4+22*3+38*13+16*2+33*10+50*4+56*1+24*41+31*3+0,04*4+127*23+0,2*18+20*1+8*10)*5*10^-3= 29.1 Вт
Выбор источника питания
При Выборе источника питания мы опирались на характеристики
используемых микросхем а так же рассчитанной мощности всего АЛУ. Мой выбор
встал на блок питания NED-35A
|
Модель:
|
NED-35A
|
|
Мощность:
|
32 Вт
|
|
Количество
выходов:
|
2
|
|
Выходное
напряжение 1:
|
5 В
|
|
Выходной ток 1:
|
4 А
|
|
Номинальный
выходной ток 1:
|
0.5 - 5 А
|
|
Уровень
пульсаций (размах) 1:
|
80 мА
|
|
Выходное
напряжение 2:
|
12 В
|
|
Выходной ток 2:
|
1 А
|
|
Номинальный
выходной ток 2:
|
0,1 - 1.5 А
|
|
Уровень
пульсаций (размах) 2:
|
120 мВ
|
|
КПД:
|
78%
|
|
Режим
стабилизации ток/напряжение:
|
напряжение
|
|
Входное
напряжение:
|
85 - 264 В (AC)
|
|
120 - 370 В
(DC)
|
|
Номинальное
входное напряжение:
|
230 В
|
|
Частота:
|
47 - 63 Гц
|
|
Напряжение
изоляции вход-выход:
|
3 кВ
|
|
Напряжение
изоляции вход-корпус:
|
1,5 кВ
|
|
Напряжение
изоляции выход-корпус:
|
0,5 кВ
|
|
Защита от
короткого замыкания:
|
Да
|
|
Защита от
перегрузки:
|
Да
|
|
Защита от
перенапряжения:
|
Да
|
|
Защита от
перегрева:
|
Да
|
|
Конструктив:
|
В железном
кожухе
|
|
Рабочая
температура:
|
-20 - + 70
градусов
|
|
Температура
хранения:
|
-40 - + 85
градусов
|
|
Влажность:
|
20 - 90%
|
|
Габаритные
размеры:
|
99 * 97 * 36 мм
|
|
Вес:
|
0.36 кг
|
|
Сертификат
безопасности:
|
UL60950-1, TUV
EN60950-1 approved
|
|
Сертификат ЭМИ:
|
EN55022
(CISPR22) Class B, EN61000-3-2, - 3, EN61000-4-2, 3, 4, 5, 6, 8,11, ENV50204,
EN55024, EN61000-6-1, light industry level, criteria A
|
Заключение
В процессе выполнения курсовой работы был разработан
простейший микроконтроллер, выполняющий логические и арифметические операции, и
сопряженного с модулями памяти и индикации.
При разработке данной работы разработаны арифметический,
логический блоки, блок выбора функции, порты ввода / вывода, блок индикации
результата, запоминающее устройство и блок питания.
Обеспечен параллельный ввод операндов, разрядность операндов
равна четырем, индикация светодиодная, тип используемой логики - ТТЛ и ТТЛШ.
Список
литературы
1. Кропотов Ю.А. Методы синтеза цифровой
схемотехники: учеб. пособие / Ю.А. Кропотов. - Муром: Изд.-полиграфический
центр МИ ВлГУ, 2006. - 164 с.
. Кулигин М.Н. Организация ЭВМ и систем: учебное пособие
/ М.Н. Кулигин. - Муром, МИ ВлГУ, 2007. - 138 с.
. Кропотов Ю.А., Кулигин М.Н., Кузичкин О.Р.
Цифровые и микропроцессорные устройства: учеб. пособие / Ю.А. Кропотов, М.Н.
Кулигин, О.Р. Кузичкин - Муром: Изд. - полиграфический центр МИ ВлГУ, 2009. -
232 c.
. Методические указания к курсовому проекту по
дисциплинам: «Микропроцессорные системы», «Цифровые устройства и
микропроцессоры» / Муром. ин-т (фил.) Влад. гос. ун-та.; Сост.: М.Н. Кулигин, -
Муром: ИПЦ МИ ВлГУ, 2008. - 60 с.
. Е.П. Угрюмов. Цифровая схемотехника. 2-е
издание - СПб.: БХВ - Петербург, 2007 г. - 769 с.
. Джон Ф. Уэйкерли. Проектирование цифровых
устройств, Т1, Т2 - М.: Постмаркет, 2002. - 1088 с.
. О.Н. Лебедев Применение ИМС памяти в
электронных устройствах. М.: Радио и связь, 1994.
. Дерюгин А.Н. Применение ИМС памяти /под ред.
А.Ю. Гордонова - М.: Радио и связь, 1994.
. Предко М. Руководство по микроконтроллерам, в
двух томах. М.: Постмаркет, 2001.
. Применение интегральных микросхем в электронной
вычислительной технике: Справочник/Р.В. Данилов и др.; Под редакцией Б.Н.
Файзулаева, Б.В. Тарабрина. - М.: Радио и связь, 1986, - 384 с.