Материал: Разработка микропроцессорной системы для сигнала от 16 аналоговых датчиков, записывая 16 отсчетов от каждого из датчиков в область памяти

Внимание! Если размещение файла нарушает Ваши авторские права, то обязательно сообщите нам

Разработка микропроцессорной системы для сигнала от 16 аналоговых датчиков, записывая 16 отсчетов от каждого из датчиков в область памяти

МИНИСТЕРСТВО ТРАНСПОРТА РОССИЙСКОЙ ФЕДЕРАЦИИ

ФЕДЕРАЛЬНОЕ АГЕНТСТВО ЖЕЛЕЗНОДОРОЖНОГОТРАНСПОРТА

ФЕДЕРАЛЬНОЕ ГОСУДАРСТВЕННОЕ БЮДЖЕТНОЕ ОБРАЗОВАТЕЛЬНОЕ УЧРЕЖДЕНИЕ ВЫСШЕГО ОБРАЗОВАНИЯ

САМАРСКИЙ ГОСУДАРСТВЕННЫЙ УНИВЕРСИТЕТ ПУТЕЙ СООБЩЕНИЯ

(СамГУПС)

Кафедра «Мехатроника в автоматизированных производствах»





Курсовая работа

по дисциплине

«Микропроцессорная техника в мехатронике и робототехнике»

на тему

«Разработка микропроцессорной системы для сигнала от 16 аналоговых датчиков, записывая 16 отсчетов от каждого из датчиков в область памяти»

Выполнил: студент группы МР-41

Е. В. Жидков

Проверил: к.т.н., доцент

В. А. Засов

Самара 2016

ВВЕДЕНИЕ


Применение микропроцессорных систем практически во всех электрических устройствах - важнейшая черта технической инфраструктуры современного общества. Электроэнергетика, промышленность, транспорт, системы связи существенно зависят от компьютерных систем управления. Микропроцессорные системы встраиваются в измерительные приборы, электрические аппараты, осветительные установки и д.р. Всё это обязывает электрика знать хотя бы основы работы микропроцессорной техники.

Микропроцессорные системы предназначены для автоматизации обработки информации и управления различными процессами. Понятие «Микропроцессорная система» очень широко и объединяет такие понятия как «Электронно-вычислительная машина (ЭВМ)», «управляющая ЭВМ», «Компьютер» и т.п.

Микропроцессор - программно-управляемое устройство, предназначенное для обработки цифровой информации и управления процессом этой обработки, выполненное в виде одной (или нескольких) интегральной схемы с высокой степенью интеграции электронных элементов.

Микропроцессор характеризуется большим числом параметров, поскольку он одновременно является сложным программно-управляемым устройством и электронным прибором (микросхемой). Поэтому для микропроцессора важны, как тип корпуса, так и система команд процессора. Возможности микропроцессора определяются понятием архитектуры микропроцессора. Приставка «микро» в названии процессора означает, что выполняется он по микронной технологии.

Микропроцессорные системы предназначены для решения следующих задач записи сигналов от 16 аналоговых датчиков:

. Отсчет о состояний устройства

. Мониторинг и запись данных о устройстве

Таким образом, МС является важным звеном различных систем обработки и передач сигналов и имеет широкую область применения.

2. ОПИСАНИЕ ФУНКЦИЙ МИКРОПРОЦЕССОРНОЙ СИСТЕМЫ

.1 Структурная схема микропроцессорной системы для записи отсчетов от 16 аналоговых датчиков область памяти


Структурная схема вычисленной системы для записи отсчетов от 16 аналоговых датчиков изображена на рис 2.1 Схема состоит из: к - Коммутатора, АЦП - аналогово - цифовой преобразователь, УВВ - устройство ввода, УТВ - устройство вывода, ВУ- вычислительное устройство. Реализация алгоритма производится вычислительным устройством (ВС) по программе, записанной в ПЗУ памяти программ. Для хранения данных предназначено ОЗУ памяти данных.

Рис 2.1 Структурная схема микропроцессорной системы для записи отсчетов от 16 аналоговых датчиков

2.2 Схема алгоритма работы микропроцессорной системы


Схема алгоритма МС приведена на рис.2.2











































Рис 2.2 Схема алгоритма МС

3. критерии эффективности и обоснование выбора базисных элементов для записи отсчетов от 16 аналоговых датчиков в область памяти

Актуальным критерием эффективности МС будет стоимость и сложность. В настоящее время 8-разрядные МП в основном применяются в программируемых контроллерах, используемых автоматизированных системах управления технологическими процессами, в бортовых и встраиваемых информационно-управляющих системах, в микроконтроллерах различного назначения. Эти устройства- целевые микропроцессорные системы обеспечивают только выполнение отлаженных загрузочных программных модулей, записанных в постоянное запоминающее устройство, входящее в состав системы.

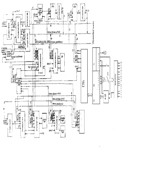
4. ФУНКЦИОНАЛЬНАЯ СХЕМА МИКРОПРОЦЕССОРНОЙ СИСТЕМЫ ДЛЯ ЗАПИСИ ОТСЧЕТОВ ОТ 16 АНАЛОГОВЫХ ДАТЧИКОВ В ОБЛАСТЬ ПАМЯТИ

4.1 Описание функциональной схемы МС


Функциональная схема компьютерной системы управления железнодорожным переездом представлена на рисунке 4. Схема содержит микропроцессор МП, шинный формирователь адреса ШФА, системный контроллер СК, генератор тактовых импульсов ГТИ, постоянное и оперативное запоминающее устройство (ПЗУ и ОЗУ), шины адреса ША, шины данных ШД, шины управления ШУ, интерфейсный модуль - программируемый периферийный адаптер ППА.

Полная функциональная схема микропроцессорной системы на основе типового промышленно выпускаемого контроллера приведена на рис 4.1 Число и состав микросхем в системе определяется требованиями, предъявляемыми потребителями.

В контроллере применяется следующие микросхемы: микропроцессор КР580ВМ80А, генератор КР580 ГФ24, системный контроллер КР580ВК28, буферная схема адреса, построенная на двух микросхемах КР580ВА86 для обеспечения нагрузочной способности по шине адреса. Объем памяти ЗУ и использование одной или нескольких периферийных микросхем определяет пользователь.

Компьютерная система имеет системную шину, образуемую из трех шин: адреса А15-А0, данных D7-D0 и управления. Системная шина позволяет строить микропроцессорную систему по модульному принципу: модуль центрального процессора, модуль ЗУ, модуль и т.д. Каждый модуль может содержать собственные буферные схемы адреса и данных.

Двунаправленные выводы данных периферийных микросхем подключают к системной шине через шинные формирователи.

Магистральная структура микропроцессорной системы позволяет подключать микросхемы ЗУ общей емкостью до 64К байт и микросхемы УВВ до 256 каналов ввода и до 256 каналов вывода.

Это устройство выполнено на базе микроконтроллера i8031 (или его КМОП аналога i80C31), обозначенного на схеме DD1. С помощью кварца ZQ1 и конденсаторов C2 и C3 тактовый генератор МК настроен на частоту 11 МГц. Регистр-защелка DD2, стробируемый сигналом ALE контроллера, предназначен для получения восьми младших бит кода адреса. Старшие восемь бит кода адреса формируются на выходе порта P2.

  

                     



                                                                                                                                                                                                                                                                              ШУ

                                       

                                                      

                                                                                                                                                           

                               

                                                                                                                                                                                                                 0   1  2  3  4 5 6    7  8   9    10 11   12  13  14   15

Рис 4. Функциональная схема МС

Рис.4.1 Функциональная схема для записи отсчетов 16 аналоговых датчиков в область памяти


5. СХЕМА И ТЕКСТ ПРОГРАММЫ ДЛЯ ЗАПИСИ ОТСЧЕТОВ ОТ 16 АНАЛОГОВЫХ ДАТЧИКОВ В ОБЛАСТЬ ПАМЯТИ

5.1 Схема программы


Описание блоков схемы алгоритма работы программы:

Блок 1-4- Ввод начальных значений и инициализация ППА;

Блок 5-7 - Проверка на включение

Блок 8-9 -Формирорование адреса датчика и включение коммутатора

Блок 9-17 Включение выключение и преобразование в АЦП

Блок 18-21 Происходит запись в ячейку

Блок 22-25 Завершение или повтор цикла записи отсчета датчиков.











5





Нет

8




11

17



19























1 MVI A,98H; Вводим в аккумулятор CW 1100010

OUT 53H; Отправляем CW в РУС

LXI H,0500H; Устанавливаем начальный адрес

L:

MVI D, 16H Количество циклов:

IN 52H

ANI 20H

JZ N

MVI B, 01H; Номер датчика

9 MVI B; 46H Включение коммутатора:

MVI A,F8H; Запись в аккумулятор бита включения АЦП

OUT 52H; Включение АЦП

MVI A,F0H; Остановка АЦП

OUT 52H; Вводим бита завершения

S:

IN 52H; Ввод завершения АЦП

ANI 10H; Сигнал завершения поступил?

JZ S; Если нет, то переходим на метку S

INX H; Увеличиваем на 1 адрес памяти

MVI A,B ; Записываем номер в аккумулятор

OUT 51H; Выводим из датчика под номером А

STAX H; Запись содержимого аккумулятора в ячейку с адресом HL

DCR B; Увеличиваем номер датчика

JNZ M; Если датчик равен нулю, то идём в M

DCR D; Уменьшаем на 1 количество циклов

JNZ L; Если не равны нулю, идём в L;

ЗАКЛЮЧЕНИЕ


В данной курсовой работе была разработана микропроцессорная система для записи 16 аналоговых датчиков в область памяти. Создана структурная и функциональная схемы, составлены алгоритм работы для записи отсчетов 16 аналоговых датчиков в свою область памяти

СПИСОК ИСПОЛЬЗУЕМОЙ ЛИТЕРАТУРЫ

1.     Засов В.А. Микропроцессорная техника. - Самара: СамГУПС, 2008 г.

2.      Засов В.А. Основы микропроцессорных систем: Учебное пособие. - Самара: СамИИТ, 2001 г.

.        Засов В.А.Проектирование микропроцессорных информационно-управляющих систем МИУС на базе 8 - разрядных процессоров.Методические указания для студентов специальностей «Информационные системы в технике и технологиях» и «Автоматика, телемеханика и связь на железнодорожном транспорте». - Самара:СамИИТ, 2001г.

.        Тарабардин М.А. Микропроцессорная техника: методические указания к выполнению лабораторных работ для студентов специальностей 220401 «Мехатроника» очной формы обучения. Часть 1. - Самара: СамГУПС, 2010г.