Материал: Разработка микронасоса

Внимание! Если размещение файла нарушает Ваши авторские права, то обязательно сообщите нам

Рисунок 2.10 - концептуальный вид разрабатываемого насоса.

3. Моделирование перистальтического пьезонасоса


3.1 Теория обратного пьезоэффекта


Поляризованная вдоль по толщине (обычно вдоль оси Z) пьезокерамическая пластина представляет собой трансверсально изотропное (или монотропное) тело. Тогда плоскостью изотропии будет плоскость (XY). Уравнения обратного пьезоэффекта в матричной форме имеют вид [28]:

{ej} = [sij] E×{sj} + [djn] t×{En}. (3.1)

Здесь{ej} - вектор относительных деформаций, (j = 1,.,6);

{sj} - вектор механических напряжений от внешних и внутренних сил;

[sij] E - матрица податливости при постоянном электрическом поле E, обратная к матрице жёсткости [cij] E, (i, j = 1,.,6);

{En} - вектор напряжённости электрического поля (n = 1, 2,3);

[djn] t - транспонированная матрица пьезомодулей.

Первое слагаемое в (3.1) - закон Гука, второе - обратный пьезоэффект. В системе координат (XYZ), направления осей нумеруются: 1-X, 2-Y, 3 - Z.

Компоненты вектора относительной деформации могут быть записаны в виде:

{ej} = {ex, ey, ez, gyz, gzx, gxy}t, (3.2)

где e1 = ex, e2 = ey, e3 = ez - линейные относительные деформации вдоль осей X, Y, Z;

e4 = gyz, e5 = gzx, e6 = gxy - угловые деформации в плоскостях YZ (^X), ZX, XY (^Z).

Верхний индекс t означает запись вектора строкой.

Вектор механических внутренних напряжений также имеет 6 компонент:

{sj} = {sx, sy, sz, tyz, tzx, txy}t, (3.3)

где s1= sx, s2= sy, s3= sz - нормальные напряжения по осям X, Y, Z соответственно;

s4= tyz, s5= tzx, s6= txy - касательные напряжения в плоскостях YZ, ZX, XY (^Z).

Матрица пьезомодулей (не транспонированная) для пьезокерамики типа ЦТС (или PZT) используется в записи прямого пьезоэффекта. Она имеет размер (3x6) с тремя независимыми пьезомодулями (одинаковые элементы матрицы заменены):

. (3.4)

Здесь d32 = d31 - поперечные пьезомодули (например, для PZT-5A имеют величину порядка d31 = - 170 пКл/Н или 10-12 м/В);

d33 - продольный пьезомодуль (его величина примерно d33 = 370 пКл/Н);

d15 = d24 - сдвиговой пьезомодуль (его величина порядка d15 = - 580 пКл/Н).

Для пьезокерамики американской фирмы APC значения линейных пьезомодулей (в Кл/Н или м/В) лежат в следующих пределах:

31 = (-95. - 276) ×10-12; d33 = (215.630) ×10-12.

Квадратная симметричная матрица упругой податливости имеет размер (6x6), содержит пять независимых компонент и имеет вид:

. (3.5)

Здесь коэффициенты податливости s22 = s11; s23 = s13; s55 = s44 попарно равны по свойству изотропии в плоскости [X (1), Y (2)].

Кроме того, в [7] показано, что s66 = 2 (s11-s12). А по свойству симметрии матрицы относительно главной диагонали: s21 = s12; s31 = s13; s32 = s23.

Таким образом, в матрице податливости (3.5) из 12 ненулевых коэффициентов 5 являются независимыми. Это: s11, s12, s13, s33 и s44. Они обычно приводятся в справочной литературе. Например, для пьезокерамики PZT-5A коэффициенты податливости имеют следующие величины sE2/Н×10-12) [7]:

11 = 16,4; s12 = - 5,74; s13 = - 7,22; s33 = 18,8; s44 = 47,5.

Вектор напряжённости электрического поля имеет три составляющих компонента и может быть записан в виде транспонированного вектора:

 = {En} = {E1, E2, E3}t, (3.6)

где составляющие E1, E2, E3 - проекции вектора напряжённости соответственно на оси X, Y, Z декартовой системы, связанной с пьезоэлементом.

3.2 Аналитическое описание работы насоса


В основе построения математической модели лежат уравнения обратного пьезоэффекта и теория изгиба двухслойных узких пластин, представляющих стенки камеры пьезонасоса.

Модель микронасоса представляется двухслойной пластиной, разделённой на участки, заданной длины. На части участков один из слоёв выполнен из сравнительно тонких пьезокерамических пластин. При подаче электрического напряжения пьезокерамическая пластина деформируется во всех направлениях, но не одинаково. Поляризованная по толщине пьезокерамическая пластина расширяется по толщине, если вектор напряжённости электрического поля EЭ в ней совпадает по направлению с вектором начальной поляризации P0.

Расчётная схема одного участка двухслойной модели показана на рисунке 3.1.

Нижний слой - подложка, выполнена из токопроводящего материала, верхний слой - пьезокерамика. Приложенное напряжение U создаёт напряжённость поля

Э = U/h, (3.7)

совпадающую с вектором P0. Здесь h - толщина пьезоэлемента. Напряжение U считается положительным. Причём EЭ = E3, а проекции E1 = E2= 0. На рисунке показаны: R0 - радиус кривизны, Vm - максимальное поперечное перемещение.

Рисунок 3.1 - Расчетная схема двухслойного участка стенки камеры

Пьезоэлектрические деформации свободного пьезоэлемента будут следующими. По толщине относительная деформация составит

eY = d33×EЭ = d33×U/h, (3.8)

где d33 - продольный пьезомодуль, имеет величину (215.630) ×10-12 Кл/Н или м/В для пьезокерамик американской фирмы.

Абсолютное увеличение толщины составляет

Dh = h×eY = d33×U, (3.9)

которое, как видно, не зависит от начальной толщины h.

Свободная относительная деформация eX вдоль оси X от пьезоэффекта определяется величиной поперечного пьезомодуля d31 согласно уравнению обратного пьезоэффекта:

eX = eПЭ = d31×EЭ. (3.10)

При этом пьезоэлемент сокращается по длине L и ширине b в своей плоскости, т.к. пьезомодуль d31 < 0. Для пьезокерамик APC значения пьезомодуля d31 лежат в пределах (-95. - 276) ×10-12 Кл/Н или м/В.

Связанная с сокращающимся в плане пьезоэлементом подложка изгибается вогнутостью вверх, как показано на рисунке 3.1 Кривизна χ = 1/r изгиба c радиусом кривизны r в этом случае считается положительной.

При произвольной абсциссе x ордината y соответствует прогибу V двухслойной балки, а угол φ - определяет наклон касательной к оси X. При x = L прогиб будет максимальным Vm.

Деформации слоёв двухслойной, как и обычной балки при изгибе распределены по высоте сечения линейно (гипотеза Бернулли), причём верхние слои сжаты (e < 0), а нижние растянуты (e > 0). При положительной кривизне c линейная функция от y для полной деформации имеет вид:

e (y) = - cy + e0, (3.11)

где e0 - деформация нижнего слоя при z = 0, но положение нейтрального слоя, где e = 0 пока неизвестно.

С другой стороны (физической) полная деформация складывается из пьезоэлектрической и упругой eупр.:

e (y) = eПЭ + eупр. (y). (3.12)

В результате выражение для упругой деформации в слоях системы будет:

eупр. (y) = e0 - cy - eПЭ (3.13)

Нормальные продольные напряжения в слоях с модулями Юнга Y1 и Y2 при изгибе определяются по закону Гука следующими формулами:

s1 (y) = Y1eупр. (y) при 0 ≤ yh1 - для нижнего слоя 1,s2 (y) = Y2eупр. (y) при h1zh1 + h2 - для верхнего слоя 2.

В пассивном слое 1 - подложке - пьезоэффекта нет (d31 = 0), но для общности решения сохраним условное слагаемое пьезодеформации eПЭ1 в выражении для нормальных напряжений (это позволит рассчитывать биморфные системы):

s1 (y) = Y1 (e0 - cy - eПЭ1). (3.14)

В активном слое 2 нормальные напряжения имеют аналогичный вид:

s2 (y) = Y2 (e0 - cy - eПЭ2). (3.15)

Неизвестные χ и e0 определяются из однородных уравнений равновесия.

Отсутствие внешних сил требует самоуравновешивания внутренних продольных усилий в поперечных сечениях слоёв с площадью F1 и F2:

. (3.16)

В прямоугольных сечениях элементы площади dF1 = b1dy и dF2 = b2dy. Тогда получаем первое уравнение относительно c и e0:

. (3.17)

Здесь ордината y2 = h1 + h2.

Аналогично, отсутствие внешних изгибающих моментов даёт второе уравнение:

. (3.18)

Из решения системы двух последних уравнений получаем формулу для расчёта кривизны двухслойной системы с различными пьезомодулями слоёв при следующих обозначениях:

eПЭ1 = d31 (1) U1/h1, eПЭ2 = d31 (2) U2/h2 - пьезоэлектрические деформации слоёв 1 и 2,G1 = Y1b1h1, G2 = Y2b2h2 - жёсткости поперечных сечений слоёв.

Кривизна системы вычисляется по соотношению:

 (3.19)

Функция пьезоэлектрического прогиба двухслойной балки определяется её кривизной и рассчитывается по формуле:

 (x) = 0,5c×x2, (3.20)

которая при x = L даёт максимальный прогиб

m = 0,5c×L2. (3.21)

Функция угла наклона касательной как производная от прогиба по x:

j (y) = dv (x) /dx = c×x, (3.22)

как видно, линейная.

На конце x = L угол между касательной к оси балки и осью X составит:

в радианах jm = c×L,

в градусах jm° = c×L×180°/p.

3.3 Численные расчеты толщин элементов


В данном разделе представлены результаты численного моделирования, выполненные в различных программных пакетах, таких как MS Excel, МБВД [8], MathLab. Численное моделирование решало такие задачи как выбор материала, определение толщин слоев и их оптимальное соотношение.

В качестве математической модели была выбрана двухслойная консоль, слоя которой имеют разную ширину и толщину. Расчет проводились с тем упрощением, что деформации предполагаются в плоскости.

3.3.1 Работа с теоретическим диапазоном

Исследовалась функция кривизны для консольной модели вычисляемая по формуле [11]:

, (3.23)

где: χ - кривизна; Y1 - модуль упругости материала слоя 1; Y2 - модуль упругости материала подложки; h1 - толщина пьезокерамического слоя (ПЭ); h2 - толщина слоя подложки; d31 - пьезомодуль материала ПЭ; E напряжённость внешнего поля, прикладываемая к ПЭ.

Для исследования применялись пакеты Microsoft Excel и MathLab (для получения матриц с более разрядными значениями) где вводилась функция от двух переменных. При этом как результат получали матрицу значений функции кривизны и строились графики поверхности.

Из оригинальной целевой функции сокращена ширина слоев, так как ее влияние линейно изменяет жесткость. Данная формула (3.23) справедлива для отношения значений ширин слоев 1:

. Аналогичная зависимость приведена в [5] при расчете температурных деформаций биметаллических пластин.

Исследование функции кривизны от толщин слоев

В данном исследовании постоянными считались: пьезомодуль d31, напряжённость поля E, модуль Юнга пьезокерамики Y1, модуль Юнга подложки Y2. Переменными принимались толщины: h1 - пьезокерамики и h2 подложки.

Таблица 3.1 - Исходные физические и геометрические данные исследуемой модели

Модуль упругости ПЭ Y1 (МПа)

6,50·104

Модуль упругости подложки Y2 (МПа)

1,27·105

Пьезомодуль ПЭ d31 (мм/В)

-2·10-7

Напряженность на ПЭ E (В/мм)

1500

Толщина ПЭ h1 (мм)

0,05…0,15 с шагом 0,001

Толщина подложки h2 (мм)

0,05…0,15 с шагом 0,001


Рисунок 3.2 - График поверхности фунции кривизны от толщин слоёв

Поиск экстремумов функции кривизны от толщин слоев

Данное исследование является продолжением исследования функции кривизны от толщин слоев, представляет собой обработку полученных данных (рисунок 3.2). Среди полученных данных производился поиск экстремумов для функций с одной переменной (отдельно h1 и h2) и построение графиков, как плоского h1 (h2) (рисунок 3.3), так и трехмерного (рисунок 3.4).

Таблица 3.2 - Исходные физические и геометрические данные исследуемой модели

Модуль упругости ПЭ Y1 (МПа)

6,50·104

Модуль упругости подложки Y2 (МПа)

1,27·105

Пьезомодуль ПЭ d31 (мм/В)

-2·10-7

Напряженность на ПЭ E (В/мм)

1500

Толщина ПЭ h1 (мм)

0,01…0,09 с шагом 0,001

Толщина подложки h2 (мм)

0,01…0,09 с шагом 0,001


Рисунок 3.3 - График распределения экстремумов функции кривизны от толщин слоев в плоскости h1 h2

Рисунок 3.4 - Объёмный график экстремумов функции кривизны от толщин слоёв

 

3.3.2 Работа с реальным диапазоном

Теоретические исследования дают возможность проследить тренд зависимостей, однако реалии инженерии не позволяют нам создавать элементы с подобными параметрами, по этому для данного исследования был предложен диапазон толщин, которые близки к реализации и задуманному конструкторскому решению.

Для оценки прогиба была использована приведенная кривизна:

 

, (3.24)

 (3.25)

В приведенных уравнениях χ* - приведенная кривизна, ΔПЭ = d31 (2) E2 - d31 (1) E1 - свободная пьезоэлектрическая деформация, b - ширина слоя.

В таблицах 3.3 и 3.4 представлены значения приведенной кривизны, не зависящей от пьезомодуля и приложенного напряжения. В таблицах полагается, что пьезокерамика выполнена из ЦТС-19 и имеет модуль упругости Y = 61 ГПа, а подложка из никеля и латуни с модулями упругости 210 ГПа и 105 ГПа соответственно.

Таблица 3.3 - Значения приведенной кривизны Х* (1/мм) для модели с подложкой, выполненной из никеля. Толщины h1 и h2 даны в мм.

h1\h2

0,05

0,08

0,1

0,15

0,2

0,3

h2_опт

Х*опт

0,05

8,620

3,886

2,532

1,117

0,616

0,266

0,0075

24,997

0,08

9,528

5,387

3,775

1,795

1,013

0,440

0,0125

15,618

0,1

9,122

5,837

4,310

2,189

1,266

0,558

0,015

12,499

0,15

7,436

5,806

4,773

2,873

1,802

0,844

0,0225

8,332

0,2

5,995

5,183

4,561

3,152

2,155

1,095

0,03

6,249

0,3

4,159

3,947

3,718

3,041

2,387

1,437

0,045

4,166

h1_опт

0,08

0,1

0,15

0,2

0,3

0,5



Х*опт

9,528

5,837

4,773

3,152

2,387

1,582




Таблица 3.4 - Значения приведенной кривизны Х* (1/мм) для модели с подложкой, выполненной из латуни. Толщины h1 и h2 даны в мм.

h1\h2

0,05

0,08

0,1

0,15

0,2

0,3

h2_опт

Х*опт

0,05

11,412

5,985

4,131

1,968

1,126

0,503

0,015

21,496

0,08

10,857

7,133

5,389

2,884

1,731

0,799

0,02

13,435

0,1

9,835

7,168

5,706

3,309

2,065

0,984

0,03

10,748

0,15

7,475

6,353

5,539

3,804

2,626

1,377

0,45

7,166

0,2

5,824

5,355

4,917

3,791

2,853

1,654

5,349

0,3

3,880

3,862

3,737

3,278

2,770

1,902

0,08

3,578

h1_опт

0,0425

0,08

0,08

0,15

0,15

0,2



Х*опт

13,817

8,518

6,901

4,543

3,434

2,271





4. Создание действующего макета


После проведения моделирования были созданы чертежи, по которым были произведены все составляющие насоса по отдельности и в частичной сборке: отдельные пьезоэлементы с контактными поверхностями и юниморфы с различными материалами подложки. Корпус макета насоса производился на производственных мощностях НИИ ПМТ, а так же окончательная сборка.

Данный раздел посвящён проведению испытаний и обработке экспериментальных данных. Для установления эмпирических зависимостей и практических данных были проведены многочисленные измерения отдельных элементов насоса и его макета.

 

4.1 Испытания элементов насоса


Данный подраздел описывает испытания пьезоэлементов, отдельных и находящихся на юниморфах, для определения механических возможностей пьезопривода и электрических зависимостей и показателей, а также для оценки энергетических параметров.

 

4.1.1 Измерение резонансных частот

Теоретические сведения

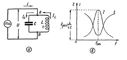
Известно, что пьезоэлемент представляет собой смешанный (последовательно-параллельный) контур (рисунок 4.1). Одновременное наличие последовательного и параллельного контуров также означает наличие двух резонансных частот - резонанс напряжений (для последовательного контура) и резонанс токов, так же известного как "антирезонанс" (для параллельного контура). Обычно эти резонансные частоты находятся на незначительном расстоянии друг от друга по оси частот.

Рисунок 4.1 - Эквивалентная схема пьезоэлемента

Для нахождения этих частот для конкретного пьезоэлемента необходимо обратиться к самому определению резонанса напряжений и токов в контуре. Из радиотехники известно, что в момент резонанса напряжений полное сопротивление последовательного контура становится минимальным, а общий ток в цепи - максимальным (рисунок 4.2). Поэтому резонанс напряжений можно обнаружить по резкому увеличению амплитуды напряжения на нагрузочном сопротивлении. Также в момент резонанса наблюдается сдвиг фаз между напряжением и током в цепи на 90ْ.

Рисунок 4.2 - Схема и резонансные кривые для резонанса напряжений

Резонанс токов легко отследить по току, потребляемому от генератора. На пике резонансной частоты это ток становится максимальным (рисунок 4.3).

Рисунок 4.3 - Схема и резонансные кривые для резонанса токов

Методика измерения и описание стенда

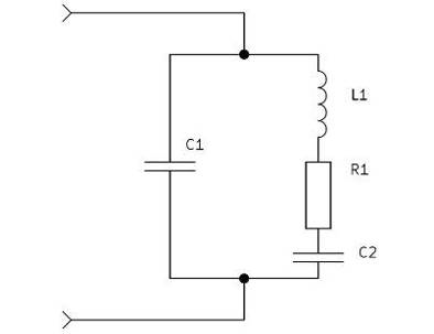
Как уже упоминалось выше, для определения резонансной и антирезонансной частот можно использовать зависимости изменения напряжений и токов в цепи пьезоэлемента. Для проведения замеров была использована схема, изображенная на рисунке 4.4 Схема представляет собой контур, в который последовательно включены: генератор, сопротивление и сам пьезоэлемент. Резистор R1 служит для снятия зависимости тока в цепи. Первый канал осциллографа подключен напрямую к выходу генератора, а второй канал снимает падение напряжения на резисторе R1. При этом функция падения напряжения на резисторе R1 совпадает с функцией зависимости тока в цепи.

Рисунок 4.4 - Схема для измерения резонансных частот пьезоэлемента

Алгоритм проведения опыта следующий:

.        Прогреть осциллограф и генератор в течение 1 часа;

2.      Собрать установку:

2.1.   Выбрать схему базирования пьезоэлемента (свободная, консольная, полностью зажатая);

2.2.   Собрать стенд по выбранной схеме базирования.

3.      Найти частоту резонанса:

.1.     Установить частоту генератора на 1 кГц, форма сигнала - синус;

3.2.   Проконтролировать наличие двух синусоид на экране осциллографа;

.3.     Плавно увеличивать частоту генератора, при этом контролируя амплитуду сигнала на втором канале осциллографа. После нахождения верхнего экстремума функции удостовериться, что фазы напряжения и тока в цепи сдвинулись на 90ْ;

3.4.   Зафиксировать в протоколе частоту генератора, которая соответствует максимальной амплитуде сигнала.

4.      Найти частоту антирезонанса:

.1.     Продвигаясь далее по частоте относительно ранее найденной частоты резонанса, найти такую частоту, при которой падение напряжения на резисторе R1 будет минимальным;

4.2.   Зафиксировать полученную частоту в результатах измерения.

Выбранный тип закрепления - консоль, представлен на рисунке 4.5.

 

Ðèñóíîê 4.5 - Êîíñîëüíàÿ ñõåìà áàçèðîâàíèÿ ïüåçîýëåìåíòà

Ñõåìà ñîáðàííîé èçìåðèòåëüíîé öåïè ïðåäñòàâëåíà íà ðèñóíêå 4.6

Ðèñóíîê 4.6 - Ñõåìà öåïè äëÿ èçìåðåíèÿ ðåçîíàíñíûõ ÷àñòîò ïüåçîýëåìåíòà. à - âûñîêî÷àñòîòíûé ãåíåðàòîð; R1 - ñîïðîòèâëåíèå 1,13 Îì; Q1 - ÏÝ; ïðèñîåäèíåííûå âåòâè - êîíòàêòû îñöèëëîãðàôà, íå âêëþ÷åííîãî â ñõåìó äëÿ åå óïðîùåíèÿ

Ðåçóëüòàòû èçìåðåíèé

Íèæå ïðèâåäåíà òàáëèöà ñ ïîëó÷åííûìè ðåçóëüòàòàìè.

Òàáëèöà 4.1 - Ðåçóëüòàòû èçìåðåíèÿ ðåçîíàíñíûõ ÷àñòîò è åìêîñòè ÏÝ

¹ ÏÝ

Ñ, íÔ

Fð, êÃö

Xc, Îì

Fà, êÃö

1

43,85

145,8

24,89

155,2

2

44,76

155,3

22,90

164,9

3

41, 20

162,2

23,82

165,8

4

44,30

154,5

23,25

160,7

5

44,21

153,3

23,48

159,5

6

43,76

154,8

23,50

165,8

7

47,23

155,5

21,67

162,0

8

46,50

154,8

22,11

164,9

9

45,79

155,5

22,35

162,4

10

44,65

153,2

23,27

163,4

11

44,66

152,5

23,37

160,3


Ïðåäâàðèòåëüíî èçìåðèòåëåì èììèòàíñà Å7-20Ì, èçìåðÿëàñü åìêîñòü ÏÝ äëÿ ïîñëåäóþùèõ ðàñ÷åòîâ ðåàêòèâíîãî ñîïðîòèâëåíèÿ.

 

4.1.2 Измерение ВАХ пьезоэлементов

Èçìåðåíèÿ âîëüò-àìïåðíîé õàðàêòåðèñòèêè îòäåëüíûõ ïðÿìîóãîëüíûõ ïüåçîýëåìåíòîâ áûëè ïðîâåäåíû ñ öåëüþ óñòàíîâèòü ïîòðåáëÿåìóþ ìîùíîñòü ïðè ÷àñòîòàõ è íàïðÿæåíèè êîòîðûå áûëè ðàíåå óñòàíîâëåíû êàê ðàáî÷èå (10 … 50 Ãö è 5 … 100  ñîîòâåòñòâåííî)

Îïèñàíèå ñòåíäà è ìåòîäèêà èçìåðåíèé

Äëÿ ïðîâåäåíèÿ äàííûõ èçìåðåíèé èñïîëüçîâàëàñü öåïü, ïðèâåäåííàÿ íà ðèñóíêå 4.6.

Ðèñóíîê 4.6 - ñõåìà äëÿ ñíÿòèÿ ÂÀÕ

 äàííîé öåïè îáîçíà÷åíî:

à - ãåíåðàòîð âûñîêîâîëüòíûé ìíîãîôàçíûé äëÿ ìàòðè÷íûõ ñòðóêòóð

À - ïðåöèçèîííûé ìóëüòèìåòð Fluke 8508A èñïîëüçóåìûé â êà÷åñòâå- ìóëüòèìåòð Fluke 17B+1 - ïüåçîýëåìåíò

Ïüåçîýëåìåíò çàêðåïëÿåòñÿ â çàæèìå, ïðèâåäåííîì íà ðèñóíêå 4.7

Ðèñóíîê 4.7 - Çàæèì äëÿ âêëþ÷åíèÿ ÏÝ â èçìåðèòåëüíóþ öåïü

Ïîñëåäîâàòåëüíîñòü ïðîâåäåíèÿ èçìåðåíèÿ:

.        Ñáîðêà öåïè

2.      Âêëþ÷åíèå îáîðóäîâàíèå è ïðîãðåâ â òå÷åíèå 15 ìèíóò.

.        Ïîäà÷à ñèíóñîèäàëüíîãî ñèãíàëà ÷àñòîòîé 10 Ãö è íàïðÿæåíèåì 5  (êîíòðîëü íàïðÿæåíèÿ ïî âîëüòìåòðó)

.        Ôèêñàöèÿ ïîêàçàíèé àìïåðìåòðà.

.        Ïîâòîð ïóíêòîâ 3-4 ñ èçìåíåíèåì íàïðÿæåíèÿ 5 … 100 Â ñ øàãîì 5 Â.

.        Ïîâòîð ïóíêòîâ 3-5 ñ èçìåíåíèåì ÷àñòîòû 10 … 50 Ãö ñ øàãîì 10 Ãö.

Ðåçóëüòàòû èçìåðåíèé

Ïîñëå ïîëó÷åíèÿ äàííûõ ðåçóëüòàòîâ ñ íåñêîëüêèõ ÏÝ áûëà ïðîâåäåíà ñòàòèñòè÷åñêàÿ îáðàáîòêà, ðåçóëüòàòîì êîòîðîé ÿâëÿþòñÿ òàáëèöà 4.2 è ãðàôèê íà ðèñóíêå 4.8

Òàáëèöà 4.2 - ñðåäíåå çíà÷åíèå òîêà îò íàïðÿæåíèÿ ïðè ðàçíûõ ÷àñòîòàõ

F, Ãö

10

20

30

40

50

V, Â

I, ìÀ

I, ìÀ

I, ìÀ

I, ìÀ

I, ìÀ

5

1,30

1,16

1,23

1,18

1,28

10

1,30

1, 19

1,25

1,18

1,25

15

1,30

1, 19

1,26

1,22

1,24

20

1,29

1,22

1,24

1,23

1,27

25

1,27

1,22

1,26

1,25

1,30

30

1,18

1,22

1,29

1,30

1,35

35

1,15

1,21

1,28

1,34

1,41

40

1,18

1,22

1,30

1,37

1,47

45

1,17

1,23

1,34

1,43

1,54

50

1, 20

1,26

1,39

1,49

1,63

55

1,25

1,29

1,47

1,57

1,74

60

1,26

1,33

1,54

1,69

1,88

65

1,27

1,40

1,66

1,84

2,11

70

1,29

1,52

1,87

2,17

2,51

75

1,34

1,77

2,31

2,90

3,59

80

1,45

2,18

3,17

4,33

5,37

85

1,61

2,67

3,94

5,40

6,89

90

1,78

3,07

4,54

6,13

7,81

95

1,94

3,42

5,02

6,71

8,53

100

2,11

3,68

5,43

7,21

9,10


Ðèñóíîê 4.8 - Ãðàôèêè çàâèñèìîñòè òîêà, ïðîòåêàþùåãî ÷åðåç ïüåçîýëåìåíòû, îò íàïðÿæåíèÿ ïðè ðàçëè÷íûõ ÷àñòîòàõ ïîñëå ñòàòèñòè÷åñêîé îáðàáîòêè

4.1.3 Испытание юниморфа на деформацию

Îïèñàíèå è ñõåìà ñòåíäà

Ðèñóíîê 4.9 - Îáùèé âèä èçìåðèòåëüíîãî ñòåíäà

Äëÿ ïîëó÷åíèÿ ãðàôèêîâ çàâèñèìîñòåé ïåðåìåùåíèé ïüåçîýëåìåíòîâ îò ïîäàííûõ íàïðÿæåíèé ïîäãîòîâëåí èçìåðèòåëüíûé ñòåíä (ðèñóíîê 4.9), ñîñòîÿùèé èç:

) Ëàçåðíûé èçìåðèòåëü ïåðåìåùåíèé Keyence LC2400A.

) Ñåíñîðíûå ãîëîâêè LC2420 è LC2450.

) Áëîê ïèòàíèÿ "Á5 - 50"

) Êîîðäèíàòíûé ñòîë ñ íåïîäâèæíûì êðîíøòåéíîì äëÿ êðåïëåíèÿ ñåíñîðíîé ãîëîâêè ëàçåðíîãî èçìåðèòåëÿ ïåðåìåùåíèé.

) Öèôðîâîé ìèêðîñêîï, ïîäêëþ÷àåìûé ê êîìïüþòåðó.

) Ïåðñîíàëüíûé êîìïüþòåð äëÿ íàáëþäåíèÿ çà îáðàçöîì ÷åðåç öèôðîâîé ìèêðîñêîï (íà ðèñóíêå íå ïðåäñòàâëåí)

) Êîîðäèíàòíûé ñòîëèê äëÿ çàêðåïëåíèÿ öèôðîâîãî ìèêðîñêîïà.

Ðàñïîëîæåíèå îáðàçöà ìîæíî óâèäåòü íà ðèñóíêå 4.10.

Ðèñóíîê 4.10 - Ðàñïîëîæåíèå îáðàçöà (1) íà êîîðäèíàòíîì ñòîëèêå (2) ñ ïîäâåøåííîé ãîëîâêîé ëàçåðíîãî èçìåðèòåëÿ (3) è ðàñïîëîæåííûé ðÿäîì êîîðäèíàòíûé ñòîëèê ñ öèôðîâûì ìèêðîñêîïîì (4)

Íàñòðîéêà Keyence LC2400A

Äëÿ èçìåðåíèÿ âåëè÷èí ïåðåìåùåíèé ïüåçîýëåìåíòîâ â çàâèñèìîñòè îò ïðèëîæåííîãî íàïðÿæåíèÿ áûë âûáðàí ëàçåðíûé èçìåðèòåëü ïåðåìåùåíèé Keyence LC2400A.  îòëè÷èå îò àíàëîãè÷íûõ óñòðîéñòâ äðóãèõ òèïîâ, äàííûé ïðèáîð ïîçâîëÿåò ïðîèçâîäèòü èçìåðåíèÿ áåñêîíòàêòíûì ìåòîäîì (îòñóòñòâóþò ìåõàíè÷åñêèå âîçäåéñòâèÿ íà èçìåðÿåìûé îáðàçåö).LC2400A (äàëåå - èçìåðèòåëü ïåðåìåùåíèé) ïîçâîëÿåò èñïîëüçîâàòü íåñêîëüêî òèïîâ ñåíñîðíûõ ãîëîâîê ðàçíîé òî÷íîñòè. Âûáîð òîé èëè èíîé ñåíñîðíîé ãîëîâêè çàâèñèò îò îòðàæàòåëüíûõ ñâîéñòâ èçìåðÿåìîé öåëè (ïîâåðõíîñòè), à òàêæå îò âåëè÷èí èçìåðÿåìûõ ïåðåìåùåíèé.  äàííîì èçìåðèòåëüíîì ñòåíäå ïðèìåíÿþòñÿ äâå ñåíñîðíûõ ãîëîâêè. LC2420 îáëàäàåò õîðîøåé òî÷íîñòüþ, íî ïîçâîëÿåò ïðîâîäèòü èçìåðåíèÿ â âåñüìà óçêîì äèàïàçîíå ±300 ìêì. Êðîìå òîãî, îí ïðåäíàçíà÷åí äëÿ èçìåðåíèÿ òåë ñ âûñîêèìè îòðàæàòåëüíûìè ñïîñîáíîñòÿìè. Ñåíñîðíàÿ ãîëîâêà LC2450 ïîçâîëÿåò ïðîèçâîäèòü èçìåðåíèÿ ïåðåìåùåíèé òåë ñ ìàòîâûìè ïîâåðõíîñòÿìè (ñåðåáðÿíûé ýëåêòðîä) â áîëåå øèðîêèõ ïðåäåëàõ (±8 ìì). Ñåíñîðíàÿ ãîëîâêà âûñòàâëÿåòñÿ ïîä óãëàìè 90° ê öåëè (äëÿ ýòîãî èñïîëüçóþòñÿ ïîâåðõíîñòè êîðïóñà 2) è çàêðåïëÿåòñÿ íà êðîíøòåéíå øòàòèâà ñ âûñîêîé òî÷íîñòüþ ïðè ïîìîùè âèíòîâ. Äëÿ ýòîãî â êîðïóñå ñåíñîðà ïðåäóñìîòðåíû òðè îòâåðñòèÿ 1. Ñõåìà óñòàíîâêè ñåíñîðíîé ãîëîâêè ïðèâåäåíà íà ðèñóíêå 4.11.

Ðèñóíîê 4.11 - Óñòàíîâêà ñåíñîðíîé ãîëîâêè

Ïîñëå çàêðåïëåíèÿ ñåíñîðíîé ãîëîâêè íà øòàòèâå íåîáõîäèìî ïðîèçâåñòè íàñòðîéêó äèñòàíöèè ìåæäó ñåíñîðíîé ãîëîâêîé è èçìåðÿåìûì îáðàçöîì. Äëÿ ýòîãî ñëåäóåò ïåðåìåñòèòü êðîíøòåéí â òàêîå ïîëîæåíèå, ïðè êîòîðîì èíäèêàòîð íà âåðõíåé ÷àñòè ñåíñîðà çàãîðèòñÿ çåë¸íûé öâåò. Îðàíæåâûé ñâåò èíäèêàòîðà ãîâîðèò î òîì, ÷òî ïîëîæåíèå ñåíñîðíîé ãîëîâêè ïîäîáðàíî íå ïðàâèëüíî. Òàêæå äëÿ íàñòðîéêè ìîæíî èñïîëüçîâàòü èíäèêàòîðû íà ëèöåâîé ïàíåëè èçìåðèòåëÿ ïåðåìåùåíèé (ðèñóíîê 4.12) - ñâåòîäèîäû HIGH 9 è LOW 7 ñîîáùàþò î âûõîäå çà ïðåäåëû èçìåðåíèÿ, èíäèêàòîð GO 8 ñîîáùàåò î ãîòîâíîñòè.

Äëÿ êîìïåíñàöèè ïîãðåøíîñòåé óñòðîéñòâî îòîáðàæàåò óñðåäí¸ííîå çíà÷åíèå èçìåðåíèé, çàâîäñêàÿ íàñòðîéêà - ñðåäíåå îò 2400 èçìåðåíèé. Äëÿ äîñòèæåíèÿ áîëüøîé òî÷íîñòè ñëåäóåò çàäàòü ìåíüøåå ÷èñëî çíà÷åíèé äëÿ óñðåäíåíèÿ, íî ïðè ñëèøêîì ìàëîì êîëè÷åñòâå çíà÷åíèé â èçìåðåíèÿõ ïîÿâèòñÿ "øóì". Ñäåëàòü ýòî âîçìîæíî íàæèìàÿ êíîïêó AVERAGE. Êàê ïðàâèëî, â äàííîì ñòåíäå ïðè ðàçëè÷íûõ èçìåðåíèÿõ äàííûé ïàðàìåòð èìååò çíà÷åíèå 512.

Ðèñóíîê 4.12 - Ëèöåâàÿ ïàíåëü Keyence LC2400A

Ëàçåðíûé èçìåðèòåëü ïåðåìåùåíèé ïðîèçâîäèò èçìåðåíèÿ îñíîâûâàÿñü íà èíòåíñèâíîñòè îòðàæàåìîãî îáðàçöîì ñâåòà. Òàê êàê äàííûé ïàðàìåòð çàâèñèò îò îòðàæàòåëüíûõ ñïîñîáíîñòåé èçìåðÿåìûõ ïîâåðõíîñòåé, íåîáõîäèìî íàñòðîèòü ÷óâñòâèòåëüíîñòü ñåíñîðà. Ó èçìåðèòåëÿ ïåðåìåùåíèé ñóùåñòâóåò ÷åòûðå ðåæèìà ÷óâñòâèòåëüíîñòè (ñì. ðèñóíîê 4.13), âûáîð ïðîèçâîäèòñÿ íàæàòèåì êíîïêè GAIN íà ëèöåâîé ïàíåëè ïðèáîðà.  ñëó÷àå âûáîðà ðåæèìà AUTO ïðèáîð àâòîìàòè÷åñêè îïðåäåëèò ïðåäïî÷òèòåëüíóþ ÷óâñòâèòåëüíîñòü.

Ðèñóíîê 4.13 - Íàñòðîéêà ÷óâñòâèòåëüíîñòè ñåíñîðíîé ãîëîâêè

Ïåðåä íà÷àëîì èçìåðåíèé ðåêîìåíäóåòñÿ ïðîãðåòü ïðèáîð â òå÷åíèå 60 ìèíóò. Äëÿ íà÷àëà èçìåðåíèé íåîáõîäèìî âûáðàòü ðåæèì NORMAL, òåêóùåå èçìåðåíèå áóäåò îòîáðàæàòüñÿ íà èíäèêàöèîííîé ïàíåëè èçìåðèòåëÿ ïåðåìåùåíèé. Ëàçåðíûé ëó÷ íàïðàâëÿåòñÿ ïåðïåíäèêóëÿðíî ê ïîâåðõíîñòè ïüåçîýëåìåíòà è âûñòàâëÿåòñÿ â òî÷êó, ïîïåðå÷íûå ïåðåìåùåíèÿ êîòîðîé òðåáóåòñÿ èçìåðèòü. Äàëåå ñëåäóåò çàäàòü íà÷àëî êîîðäèíàò (íóëåâàÿ òî÷êà) ïðè ïîìîùè ôóíêöèè ZERO. Ïðèáîð ãîòîâ ê èñïîëüçîâàíèþ è îòîáðàæàåò ïåðåìåùåíèÿ íà äèñïëåå.

Îïèñàíèå ïðîöåäóðû èçìåðåíèÿ

Íèæå îïèñàí õîä ïðîâåäåíèÿ èñïûòàíèé ïüåçîýëåìåíòîâ.

Øàã 1 - Âûáîð è óñòàíîâêà ñåíñîðà â çàâèñèìîñòè îò âåëè÷èíû ïðåäïîëàãàåìûõ ïåðåìåùåíèé, à òàêæå îòðàæàòåëüíûõ ñïîñîáíîñòåé èçìåðÿåìîãî îáðàçöà.

Øàã 2 - Ïðîâåðêà êîððåêòíîñòè ïîäêëþ÷åíèÿ âñåõ ïðèáîðîâ. Ïîäêëþ÷åíèå ê ýëåêòðîñåòè, çàçåìëåíèå. Ïîäêëþ÷åíèå ñåíñîðíîé ãîëîâêè.

Øàã 3 - Çàêðåïëåíèå èçìåðÿåìîãî îáðàçöà íà ñòîëèêå, ïîäêëþ÷åíèå ê áëîêó ïèòàíèÿ.

Øàã 4 - Âêëþ÷åíèå èçìåðèòåëÿ ïåðåìåùåíèé è åãî ïðîãðåâ â òå÷åíèå øåñòèäåñÿòè ìèíóò. Íàñòðîéêà ÷óâñòâèòåëüíîñòè, êîëè÷åñòâà óñðåäíåíèé.

Øàã 5 - Âêëþ÷åíèå áëîêà ïèòàíèÿ è ïðîãðåâ â òå÷åíèå ïÿòíàäöàòè ìèíóò.

Øàã 6 - Ïåðåìåùåíèå îáðàçöà ïðè ïîìîùè êîîðäèíàòíîãî ñòîëèêà èç èñõîäíûõ êîîðäèíàò (10; 15) (ðèñóíîê 4.14) â êîîðäèíàòû ïåðâîãî èçìåðåíèÿ (9; 14) (ðèñóíîê 4.15).

Ðèñóíîê 4.14 - Óñòàíîâêà îáðàçöà â êîîðäèíàòû (10; 15)

Ðèñóíîê 4.15 - Óñòàíîâêà îáðàçöà â êîîðäèíàòû (9; 14).

 

Øàã 7 - Óñòàíîâêà òî÷êè íà÷àëà êîîðäèíàò ïðè ïîìîùè êíîïêè ZERO íà ëèöåâîé ïàíåëè èçìåðèòåëÿ ïåðåìåùåíèé.

Øàã 9 - Ïîäà÷à íàïðÿæåíèÿ íà îáðàçåö ñ ãåíåðàòîðà.

Øàã 10 - Ñíÿòèå äàííûõ ñ èçìåðèòåëÿ ïåðåìåùåíèé è ïåðåíîñ èõ â òàáëèöó Excel.

Øàã 11 - Îòêëþ÷åíèå ãåíåðàòîðà è îæèäàíèå âîçâðàòà îáðàçöà â èñõîäíîå ïîëîæåíèå (ñâÿçàíî ñ îñòàòî÷íûìè äåôîðìàöèÿìè).

Øàã 12 - Ïåðåìåùåíèå îáðàçöà ïðè ïîìîùè êîîðäèíàòíîãî ñòîëèêà â êîîðäèíàòû ñëåäóþùåãî èçìåðåíèÿ (8; 14).

Äàëåå øàãè 5-12 ïîâòîðÿþòñÿ äî äîñòèæåíèÿ êîîðäèíàò (1;

). Äàëüíåéøèå èçìåðåíèÿ çàòðóäíÿþòñÿ íàëè÷èåì ýëåêòðîäà íà ïîâåðõíîñòè ÏÝ.

Àíàëèç ðåçóëüòàòîâ

Ïîëó÷åííûå äàííûå ïðåäñòàâëÿþò ñîáîé ïîëîâèíó ÏÝ.  ñâÿçè ñ ýòèì ïîëó÷åííûå çíà÷åíèÿ îòðàæàþòñÿ îòíîñèòåëüíî ñåðåäèíû ÏÝ, è ñòðîèòñÿ ãðàôèê ïîâåðõíîñòè.

Áûëî èññëåäîâàíî òðè ïüåçîýëåìåíòà ñ ìàðêèðîâî÷íûìè íîìåðàìè 84, 85, 86. Êàê ðåçóëüòàò áûëè ïîëó÷åíû ìàòðèöû çíà÷åíèå ïåðåìåùåíèÿ òî÷åê ñ êîîðäèíàòàìè { (1;1): (9;7) }. Äàëåå äëÿ âñåõ òî÷åê ñ îäèíàêîâûìè êîîðäèíàòàìè áûëî âçÿòî ñðåäíåå àðèôìåòè÷åñêîå è ñîçäàíà íîâàÿ ìàòðèöà. Ãðàôèê ïîâåðõíîñòè åå çíà÷åíèé ïðèâåäåí íà ðèñóíêå 4.16

Ðèñóíîê 4.16 - Ãðàôèê ïîâåðõíîñòè ïðîãèáîâ òî÷åê ñ êîîðäèíàòàìè (õ; ó) ïîñëå ñòàòèñòè÷åñêîé îáðàáîòêè äàííûõ

 

4.2 Испытания макета насоса


Îïèñàíèå ìàêåòà ïüåçîíàñîñà

Ìàêåò ïüåçîýëåêòðè÷åñêîãî íàñîñà, ïîêàçàííûé íà ðèñóíêå 4.17, âêëþ÷àåò ïëàñòèíó-îñíîâàíèå 1, øòóöåðû 2, ãèáêóþ ìåìáðàíó 3, ïüåçîïðèâîä 4, ïðèæèìíûå ðåéêè 5, ëåïåñòêè 6, ïîäæèìíûå êîíòàêòû 7, à òàêæå ýëåìåíòû êðåïåæà.

Ðèñóíîê 4.17 - Ìàêåò ïüåçîíàñîñà

Ïëàñòèíà-îñíîâàíèå 1 íà îäíîé èç ãðàíåé èìååò êàìåðó (âûðåç) äëÿ ïðîêà÷êè æèäêîñòè (ãëóáèíà êàìåðû 120 ìêì, øèðèíà 14 ìì), à òàêæå ââîäíîé è âûâîäíîé Ã-îáðàçíûå êàíàëû äëÿ ïîäà÷è è îòâîäà æèäêîñòè.  êàíàëàõ, ñ òîðöåâûõ ñòîðîí îñíîâàíèÿ, äëÿ ïðèñîåäèíåíèÿ ãèáêèõ òðóáîê ïðåäóñìîòðåíû øòóöåðû 2. Ãèáêàÿ ìåìáðàíà 2 ðàçìåùàåòñÿ íà îñíîâàíèè 1 ñî ñòîðîíû êàìåðû è ãåðìåòèçèðóåòñÿ ñèëèêîíîâûì ãåðìåòèêîì.

Ïüåçîïðèâîä (4) ïðåäñòàâëÿåò ñîáîé ïîäëîæêó èç íåðæàâåþùåé ñòàëè, ñ ïðèïàÿííûìè ïüåçîýëåìåíòàìè ïðÿìîóãîëüíîé ôîðìû. Òîëùèíà ïîäëîæêè ñîñòàâëÿåò 50 ìêì, òîëùèíà ïüåçîýëåìåíòîâ 100 ìêì.

 

4.2.1 Испытание микронасоса на выходное давление

Îïèñàíèå è ñõåìà ñòåíäà

Äëÿ îïðåäåëåíèÿ îïòèìàëüíûõ ïàðàìåòðîâ óïðàâëÿþùåãî ñèãíàëà áûë ïîäãîòîâëåí èñïûòàòåëüíûé ñòåíä, ïîêàçàííûé íà ðèñóíêå 4.18. Ñòåíä ñîñòîèò èç ìàêåòà ïüåçîýëåêòðè÷åñêîãî íàñîñà 1, òðóáîê äëÿ ïåðåêà÷èâàíèÿ æèäêîñòè 2, ðåçåðâóàðà ñ âîäîé 3, äâóõ øòàòèâîâ 4 (ñëóæàò äëÿ ïîäâåñà òðóáîê 2 è ðåçåðâóàðà 3), ëèíåéêè 5 äëÿ èçìåðåíèÿ óðîâíÿ âîäû â òðóáêàõ, ìíîãîôàçíîãî âûñîêîâîëüòíîãî ãåíåðàòîðà ñèãíàëîâ 6 ïîäêëþ÷¸ííîãî ê ïåðñîíàëüíîìó êîìïüþòåðó, à òàêæå ñîåäèíèòåëüíûõ ïðîâîäîâ.

Ðèñóíîê 4.18 - Ñòåíä äëÿ èñïûòàíèé ìàêåòà ïüåçîíàñîñà

Òàêæå äëÿ ïðîâåäåíèÿ îïûòîâ òðåáóåòñÿ: øïðèö îáúåìîì 10 ìë, íåîáõîäèìûé äëÿ ïðîêà÷êè æèäêîñòè ÷åðåç ñèñòåìó, ãðàäóñíèê äëÿ èçìåðåíèÿ êîìíàòíîé òåìïåðàòóðû è ïèðîìåòð FLUKE 561 äëÿ çàìåðà òåìïåðàòóðû âîäû â ðåçåðâóàðå è êîíòðîëÿ íàãðåâà ïüåçîïðèâîäà â ïðîöåññå ðàáîòû.

Ìåòîäèêà èñïîëüçîâàíèÿ ãåíåðàòîðà ïðè ïðîâåäåíèè èñïûòàíèé ìàêåòîâ íàñîñà

Ïðè èñïûòàíèÿõ ìàêåòîâ ìèêðîíàñîñà èñïîëüçîâàëñÿ "âûñîêîâîëüòíûé ìíîãîôàçíûé ãåíåðàòîð äëÿ ìàòðè÷íûõ ñòðóêòóð" äàëåå èìåíóåìûé êàê "ãåíåðàòîð"

Ìàêåò ïüåçîíàñîñà (ñ ïðèïàÿííûìè ïðîâîäàìè) ïîäêëþ÷àåòñÿ ê ãåíåðàòîðó. Ïðîâåðÿåòñÿ ñîåäèíåíèå ãåíåðàòîðà è óïðàâëÿþùåãî ÏÊ. Çàòåì ïðîèçâîäèòñÿ çàïóñê ãåíåðàòîðà è ÏÊ.

Ãåíåðàòîð ïðîãðåâàåòñÿ â òå÷åíèå 15 ìèíóò, ïîñëå ÷åãî ãîòîâ ê èñïûòàíèÿì.

Äëÿ òîãî, ÷òî áû çàäàòü ñèãíàë ãåíåðàòîðà, çàïóñêàåòñÿ ñïåöèàëüíàÿ ïðîãðàììà "Generator".

Íà ëèöåâîé ïàíåëè ïðîãðàììû (Ðèñóíîê 4.18) âûáèðàåì çàäàíèå ïàðàìåòðîâ ïî êàíàëàì "ÃÐÓÏÏÎÉ"

Ðèñóíîê 4.18 - Ëèöåâàÿ ïàíåëü ïðîãðàììû ãåíåðàòîðà

Âî âêëàäêå "ÃÐÓÏÏÎÉ" íàñòðàèâàåòñÿ ôîðìà ñèãíàëà (äëÿ ïðîâåðêè ðàáîòîñïîñîáíîñòè "ÏÐßÌÎÓÃ. ÈÌÏ." äëÿ âûïîëíåíèÿ èñïûòàíèé - "ÑÈÍÓÑ"), àìïëèòóäà íàïðÿæåíèÿ, ÷àñòîòà è ñìåùåíèå ôàç (îêíî ÔÀÇÀ, ÃÐÀÄ. îòîáðàæàåò ñìåùåíèå ôàç êàæäîãî îòäåëüíîãî âûõîäà).  îñòàëüíûå íàñòðîéêè êîððåêòèðîâêè íå âíîñÿòñÿ. Ïðèìåð çàïîëíåíèÿ ïðåäñòàâëåí íà ðèñóíêå 4.19.

Ðèñóíîê 4.19 - Ïðèìåð çàïîëíåíèÿ îêíà "ÃÐÓÏÏÎÉ" äëÿ çàäàíèÿ ñèíóñîèäàëüíîãî ñèãíàëà ñ íàïðÿæåíèåì 100 Â, ñìåùåíèåì ôàç êàæäîãî ñëåäóþùåãî êàíàëà 45° è ÷àñòîòîé 1 Ãö

Çàòåì íåîáõîäèìî íàæàòü "ÂÎÇÂÐÀÒÈÒÜÑß Â ÎÑÍÎÂÍÓÞ ÏÐÎÃÐÀÌÌÓ". Îòêðîåòñÿ ëèöåâàÿ ïàíåëü ïðîãðàììû, íà êîòîðîé íàäî âûáðàòü "ÑÒÀÐÒ ÃÅÍÅÐÀÖÈÈ".

Äëÿ ïðåêðàùåíèÿ ïîäà÷è ñèãíàëà è åãî èçìåíåíèÿ íåîáõîäèìî íàæàòü "ÑÒÎÏ ÃÅÍÅÐÀÖÈÈ" è ïîâòîðèòü îïèñàííûé âûøå àëãîðèòì.

Îïèñàíèå ïðîöåäóðû èçìåðåíèÿ

 õîäå ýêñïåðèìåíòà íà ìàêåò íàñîñà ïîäàâàëîñü óïðàâëÿþùåå ñèíóñîèäàëüíîå íàïðÿæåíèå ñ îïðåäåëåííûì ñìåùåíèåì ôàç îòíîñèòåëüíî êàæäîãî ñëåäóþùåãî ÏÝ. Ê ïðèìåðó, åñëè óêàçàíî "ñäâèã ôàç 20°", çíà÷èò, ôàçû íà ÏÝ ðàñïðåäåëåíû ñëåäóþùèì îáðàçîì:

ÏÝ: ¹1¹2¹3¹4¹5¹6¹7¹8

Ôàçà φ°: 0 20 40 60 80100120140

 ïðîöåññå èññëåäîâàíèÿ èçìåíÿëèñü ÷àñòîòû â ïðåäåëàõ 1…50 Ãö, ñ øàãîì 1 Ãö. Èçìåðÿëîñü èçìåíåíèå âûñîòû ñòîëáà æèäêîñòè â âûõîäíîé òðóáêå.

Ïîêàçàíèÿ ñíèìàëèñü ñëåäóþùèì îáðàçîì: ìèíèìàëüíîå çíà÷åíèå âûñîòû ñíèìàëîñü ïî óñòàíîâèâøåìóñÿ óðîâíþ æèäêîñòè (îæèäàíèå ~15 ìèíóò), äàííîå çíà÷åíèå ïðèíèìàëîñü ïîñòîÿííûì íà ïðîòÿæåíèè âñåãî èññëåäîâàíèÿ, çàòåì âêëþ÷àëñÿ íàñîñ, êîòîðûé ðàáîòàë äî òåõ ïîð, ïîêà âûñîòà ñòîëáà æèäêîñòè íå ïåðåñòàâàëà ìåíÿòüñÿ. Ïîñëå ñíÿòèÿ ýòîãî çíà÷åíèÿ, íàñîñ îòêëþ÷àëñÿ, èçìåíÿëèñü íàñòðîéêè óïðàâëÿþùåãî íàïðÿæåíèÿ, è ñíîâà çàïóñêàëñÿ.

Èñïûòàíèå ìàêåòà ñ ïîäëîæêîé èç íåðæàâåþùåé ñòàëè

Íà ìàêåòå ñ ïîäëîæêîé èç íåðæàâåéêè áûëè ïðîâåäåíû èññëåäîâàíèÿ äëÿ ôàç (20…75) ° ñ øàãîì 5°. Íà ñäâèãå ôàç 80° ïðîèçîøëà êðèòè÷åñêàÿ ïîëîìêà ïüåçîýëåìåíòîâ (ñì. ïðîòîêîëû 12 è 16). Âñå ïîëó÷åííûå äàííûå ïðèâåäåíû íà ðèñóíêå 4.21. Èç ðàññìîòðåíèÿ âûâåäåíû òå äàííûå, êîòîðûå áûëè ïðîâåäåíû íåâåðíî, ñ áîëüøîé ñëó÷àéíîé ïîãðåøíîñòüþ è òå, ãäå íàðóøàëèñü óñëîâèÿ ýêñïåðèìåíòà.

Äëÿ íàãëÿäíîñòè íà ðèñóíêå 4.20 ïðèâåäåíà çàâèñèìîñòü ìàêñèìàëüíîãî âûõîäíîãî äàâëåíèÿ îò ñìåùåíèÿ ôàç. ßâíî çàìåòåí ðîñò äàâëåíèÿ íà âûõîäå ïðè ïîâûøåíèè ñäâèãà ôàç.

Ðèñóíîê 4.20 - Çàâèñèìîñòü ìàêñèìàëüíîãî äàâëåíèÿ ñòîëáà æèäêîñòè, âûòàëêèâàåìîãî íàñîñîì, îò ñäâèãà ôàç

Ðèñóíîê 4.21 - Ñâîäíûé ãðàôèê âûñîòû ñòîëáà æèäêîñòè îò ÷àñòîòû ïðè ðàçëè÷íûõ ñìåùåíèÿõ ôàç

Èç ïðèâåäåííûõ ãðàôèêîâ âèäíî, ÷òî ìàêñèìóì äàâëåíèÿ ïîâûøàåòñÿ ïðè óâåëè÷åíèè ñäâèãà ôàç è ñìåùàåòñÿ â îáëàñòü áîëåå âûñîêèõ ÷àñòîò.

Äëÿ âñåõ êðèâûõ ÿâíî çàìåòåí âûõîä íà ìàêñèìóì, êîòîðûé ñìåíÿåòñÿ ïàäåíèåì âûõîäíîãî äàâëåíèÿ, êîòîðîå ñòðåìèòñÿ ê íåêîòîðîìó çíà÷åíèþ, èíäèâèäóàëüíîìó äëÿ êàæäîãî ñìåùåíèÿ ôàç, îáóñëîâëåííîå îáúåìîì, âûòàëêèâàåìûì èç íàñîñà ïðè äåôîðìèðîâàíèè ïëåíêè íàñîñîì, êîòîðàÿ, â ñâîþ î÷åðåäü, íå óñïåâàåò âåðíóòüñÿ â èñõîäíîå ñîñòîÿíèå ïðè ïîâûøåíèè ÷àñòîòû. Âèäíî, ÷òî ÷åì áîëüøå ôàçà, òåì áîëåå ïîëîãèé ðîñò äàâëåíèÿ, â òî âðåìÿ êàê äëÿ ìàëûõ ôàç ðîñò äàâëåíèÿ áûñòð è ñìåíÿåòñÿ àíàëîãè÷íî áîëåå ðåçêèì ïàäåíèåì, ÷åì íà áîëüøèõ ôàçàõ ñìåùåíèÿ.

Òåì íå ìåíåå, íà ôàçàõ 30 è 35° çàìåòíî äâà ìàêñèìóìà (ðèñóíîê 4.22).

Ðèñóíîê 4.22 - Çàâèñèìîñòü âûñîòû ñòîëáà âûòàëêèâàåìîé æèäêîñòè îò ÷àñòîòû äëÿ ñìåùåíèÿ ôàç 30° è 35° îòíîñèòåëüíî êàæäîãî ñëåäóþùåãî ÏÝ

Âåðîÿòíî, íàëè÷èå äâóõ ìàêñèìóìîâ ñâÿçàíî ñ òåì, ÷òî îäèí ìåõàíèçì âûòàëêèâàíèÿ æèäêîñòè, ïðîÿâëÿþùèéñÿ íà ìàëûõ ñäâèãàõ ôàç è ïðèñóùèé ìàëûì ÷àñòîòàì, ñìåíÿåòñÿ äðóãèì, ñâîéñòâåííûé äàííîé ñèñòåìå ïðè ðàáîòå íà âûñîêèõ ñäâèãàõ ôàç è èìåþùèé ìåñòî íà áîëåå âûñîêèõ ÷àñòîòàõ.

Íà ðèñóíêå 4.23 ìîæíî ïðîñëåäèòü, ÷òî íà ìàëûõ ñäâèãàõ ôàç (20°-25°) ïðèñóòñòâóåò ëèøü îäèí ìàêñèìóì, ñîîòâåòñòâóþùèé ÷àñòîòàì îêîëî 5 Ãö. Ïðè ôàçå 30° çàìåòíî îáðàçîâàíèå âòîðîãî ìàêñèìóìà, êîòîðûé íà ïîñëåäóþùèõ ôàçàõ ðàñòåò, â òî âðåìÿ êàê ïåðâûé ìàêñèìóì çàìåäëÿåò ñâîé ðîñò, ïðåâðàùàåòñÿ â ïîëî÷êó ïåðåä âòîðûì ìàêñèìóìîì (40°), à çàòåì èñ÷åçàåò (50°).

Ðèñóíîê 4.23 - Ñâîäíûé ãðàôèê âûñîòû ñòîëáà æèäêîñòè îò ÷àñòîòû ïðè ðàçëè÷íûõ ñìåùåíèÿõ ôàç

Âûâîäû

Ïðîâåäåííûå ðàáîòû äàëè, íåñîìíåííî, âàæíûå äàííûå äëÿ ïîíèìàíèÿ ìåõàíèçìà ðàáîòû íàñîñà, ïîçâîëèëà âûÿâèòü íåäîñòàòêîâ ìàêåòà è, ñîîòâåòñòâåííî, îïðåäåëèòü ðÿä òðåáóåìûõ äîðàáîòîê. Òàêæå äàííûå èññëåäîâàíèÿ äàþò ïðåäñòàâëåíèå î ïàðàìåòðàõ íàñîñà.

 

4.2.2 Измерение АЧХ пьезоэлементов

Îïèñàíèå ñòåíäà è ìåòîäèêà èçìåðåíèé

Äëÿ èçìåðåíèé À×Õ èñïîëüçóåòñÿ îïèñàííûé âûøå ñòåíä äëÿ ñíÿòèÿ ÂÀÕ. Îòëè÷èå çàêëþ÷àåòñÿ â ïðèìåíåíèè ãåíåðàòîðà.

 äàííîì èññëåäîâàíèè ïîñëåäîâàòåëü äåéñòâèé áûëà ñëåäóþùàÿ:

.        Ñáîðêà öåïè

2.      Âêëþ÷åíèå îáîðóäîâàíèå è ïðîãðåâ â òå÷åíèå 15 ìèíóò.

.        Ïîäà÷à ñèíóñîèäàëüíîãî ñèãíàëà ÷àñòîòîé 10 Ãö è íàïðÿæåíèåì 5  (êîíòðîëü íàïðÿæåíèÿ ïî âîëüòìåòðó)

.        Ôèêñàöèÿ ïîêàçàíèé àìïåðìåòðà.

.        Ïîâòîð ïóíêòîâ 3-4 ñ èçìåíåíèåì ÷àñòîòû 50 … 1000 Ãö ñ øàãîì 50 Ãö.

.        Ïîâòîð ïóíêòîâ 3-5 ñ èçìåíåíèåì íàïðÿæåíèÿ 10 … 100 Â ñ øàãîì 10 Â.

Ðåçóëüòàòû èçìåðåíèé

Áûë èçìåðåí îòäåëüíûé ïðÿìîóãîëüíûé ÏÝ ñ ìàðêèðîâêîé "3". Íèæå ïðèâåäåíà òàáëèöà 4.3, îòðàæàþùàÿ çíà÷åíèÿ òîêà îò ÷àñòîòû è íàïðÿæåíèÿ ñèãíàëà, ïîäàâàåìîãî íà ÏÝ, è ðèñóíîê 4.24, èçîáðàæàþùèé çàâèñèìîñòè òîêà îò ÷àñòîòû ïðè ðàçëè÷íûõ íàïðÿæåíèÿõ.

Ðèñóíîê 4.24 - Çàâèñèìîñòè òîêà îò ÷àñòîòû ïðè ðàçëè÷íûõ íàïðÿæåíèÿõ

Òàáëèöà 4.3 - Çíà÷åíèÿ òîêà â ìÀ, ïðè ðàçëè÷íûõ ÷àñòîòàõ è íàïðÿæåíèÿõ

I, ìÀ

V, Â

f, Ãö

10

20

30

40

50

60

70

80

90

100

50

1,09

1,34

1,37

1,45

1,53

1,59

2,16

3,45

6,24

7,79

100

1,12

1,45

1,65

1,93

2,28

2,70

3,78

8,45

13,58

16,03

150

1, 19

1,64

2,02

2,51

3,11

4,37

6,15

16,58

21,18

23,26

200

1,27

1,87

2,44

3,15

4,01

6,10

8,96

23,63

27,27

29, 20

250

1,35

2,12

2,88

3,78

4,92

7,42

17,63

29,72

32,48

34,29

300

1,45

2,39

3,34

4,45

5,79

8,77

25,66

34,47

36,85

38,37

350

1,57

2,66

3,81

5,16

6,79

10,22

33,32

38,32

40,45

42,11

400

1,68

2,95

4,28

5,83

7,82

11,17

37,53

40,98

43,13

44,88

450

1,79

3,24

4,75

6,56

8,75

12,56

40,26

43,91

46,08

47,01

500

1,91

3,54

5,25

7,27

9,95

13,59

43,28

46,10

48, 20

49,36

550

2,16

3,84

5,71

8,03

11,06

15,48

45,78

48,39

50,01

50,93

600

2,29

4,14

6,22

8,72

12,16

17,63

47,84

49,78

51,16

51,73

650

2,42

4,45

6,72

9,47

13,30

20,73

49,37

50,57

51,58

52,00

700

2,55

4,76

7,22

10,27

14,52

23,81

50,50

51,16

52,05

52,45

750

2,69

5,06

7,73

11,01

15,66

28,86

51,14

51,25

52,36

52,18

800

2,82

5,38

8,25

11,71

16,78

35,48

51,15

51,79

52,34

52,75

850

2,96

5,68

8,79

12,56

17,94

47,05

51,14

52,03

52,80

52,99

900

3,10

5,99

9,31

13,42

19,35

49,23

51,12

51,73

52,61

53,02

950

3,23

6,34

9,82

14,26

20,98

49,51

52,21

52,03

52,35

53,09

1000

3,38

6,62

10,35

15,10

23,12

50,21

52,27

52,11

52,96

52,81


Ðåçóëüòàòû èçìåðåíèé òîêà ÷åðåç ÏÝ, ðàçìåùåííîãî íà ìàêåòå íàñîñà

Äàííûå èçìåðåíèÿ ïðîâîäèëèñü â äâà ïîäõîäà: áåç âîäû â êàìåðå íàñîñà è ñ âîäîé. Ìåòîäèêà îñòàâàëàñü ïðåæíåé. Ãðàôèêè òîêà îò ÷àñòîòû ïðèâåäåíû íà ðèñóíêàõ 4.25 - 4.28.

Ðèñóíîê 4.25 - Ðåçóëüòàòû èçìåðåíèé À×Õ íà ÏÝ ¹81 áåç æèäêîñòè

Ðèñóíîê 4.26 - Ðåçóëüòàòû èçìåðåíèé À×Õ íà ÏÝ ¹81 ñ æèäêîñòüþ

Ðèñóíîê 4.27 - Ðåçóëüòàòû èçìåðåíèé À×Õ íà ÏÝ ¹82 áåç æèäêîñòè

Ðèñóíîê 4.28 - Ðåçóëüòàòû èçìåðåíèé À×Õ íà ÏÝ ¹82 ñ æèäêîñòüþ

 õîäå èñïûòàíèÿ ïîëó÷åíû çíà÷åíèÿ òîêà îò íàïðÿæåíèÿ ïðè ðàçëè÷íûõ ÷àñòîòàõ äëÿ ÏÝ èç ìàêåòà íàñîñà. Ïî ãðàôèêàì çàìåòíî, ÷òî òîê, ïðîòåêàþùèé ÷åðåç ÏÝ, ðàñòåò ïî÷òè ëèíåéíî íà âñåì èññëåäóåìîì äèàïàçîíå ÷àñòîò è íàïðÿæåíèé. Îäíàêî çàìåòíû îòêëîíåíèÿ â ðàéîíå 200-400 è 650-900 Ãö. Âñïëåñêè è ïðîâàëû íà ãðàôèêàõ À×Õ îïðåäåëÿþòñÿ, âèäèìî, ðåçîíàíñíûìè ÿâëåíèÿìè ïðè êîëåáàíèÿõ ïîäëîæåê ñ ÏÝ - ñòåíîê êàìåð íàñîñà.

Ñðåäíÿÿ ðàçíèöà ìåæäó çàâèñèìîñòüþ òîêà ÷åðåç ÏÝ íà ìàêåòå ñ âîäîé è áåç âîäû ñîñòàâèëà - 2,64 % (â ñðåäíåì òîê íà ìàêåòå ñ âîäîé áîëüøå). Èç ýòîãî ñäåëàí âûâîä î íåçíà÷èòåëüíîì ïîâûøåíèè ïîòðåáëåíèÿ òîêà îòíîñèòåëüíî õîëîñòîãî õîäà.

5. Заключение


Íà îñíîâàíèè ëèòåðàòóðíûõ è ïàòåíòíûõ èññëåäîâàíèé ðàçðàáîòàíî ñõåìíîå ðåøåíèå ïüåçîýëåêòðè÷åñêîãî ìèêðîíàñîñà, ñ èñïîëüçîâàíèåì ïåðèñòàëüòè÷åñêîãî ïðèíöèïà ïåðåìåùåíèÿ æèäêîñòåé.

 îñíîâå äåéñòâèÿ íàñîñà ïîëîæåíî âîçáóæäåíèå áåãóùåé âîëíû èçãèáíûõ äåôîðìàöèé ñòåíîê ðàáî÷åé êàìåðû.

 êà÷åñòâå áàçîâîé ïðèíÿòà è ïîñòðîåíà ðàñ÷åòíàÿ äâóìåðíàÿ ìîäåëü ïüåçîíàñîñà íà áàçå óðàâíåíèé ïüåçîýôôåêòà â ìàòðè÷íîé ôîðìå. Óñòàíîâëåíî, ÷òî äåôîðìàöèè ñòåíîê êàìåðû îïðåäåëÿþòñÿ êðèâèçíîé ó÷àñòêà ñ ïüåçîýëåìåíòàìè.

Òåîðåòè÷åñêîå ìîäåëèðîâàíèå ïîçâîëèëî îïòèìèçèðîâàòü ïàðàìåòðû ýëåìåíòîâ ïüåçîíàñîñà, â ÷àñòíîñòè, òîëùèíû ñëîåâ åãî äâóõñëîéíîé ìîäåëè.  ðåçóëüòàòå áûëè ñîñòàâëåíû òàáëèöû ñîîòâåòñòâèÿ òîëùèí ñëîåâ êðèâèçíå ñèñòåìû äëÿ ëàòóííûõ è íèêåëåâûõ ïîäëîæåê.

Äëÿ ïðîâåäåíèÿ ýêñïåðèìåíòîâ áûëè èçãîòîâëåíû ìàêåòû, ðàçëè÷àþùèåñÿ ìàòåðèàëîì ïîäëîæêè (ëàòóíü, íèêåëü, íåðæàâåþùàÿ ñòàëü).  êà÷åñòâå ïüåçîýëåìåíòîâ èñïîëüçîâàíû ïëàñòèíû èç ïüåçîêåðàìèêè ìàðêè ÖÒÑ-19.

Ïðîâåäåííûå èñïûòàíèÿ ìàêåòîâ ïüåçîíàñîñà ñ 8 ïüåçîýëåìåíòàìè ïîêàçàëè ðåçóëüòàòû ïî àìïëèòóäå äåôîðìàöèé êàìåðû îêîëî 90 ìêì è âûõîäíîå äàâëåíèå îêîëî 0,6 êÏà. Óñòàíîâëåíà ñóùåñòâåííàÿ çàâèñèìîñòü âûõîäíûõ ïàðàìåòðîâ îò ñîîòíîøåíèÿ ôàç íà ïüåçîýëåìåíòàõ. Îïòèìàëüíîå ñîîòíîøåíèå ôàç ìåæäó ñîñåäíèìè ÏÝ ñîñòàâèëî 75° ïðè ÷àñòîòå 37 - 38 Ãö.

Ýëåêòðè÷åñêèå èñïûòàíèÿ ïîêàçàëè íåçíà÷èòåëüíîå (ïîðÿäêà 3%) óâåëè÷åíèå ïîòðåáëÿåìîãî òîêà â ñëó÷àå çàïîëíåíèÿ êàìåðû âîäîé ïî ñðàâíåíèþ ñ ïóñòîé êàìåðîé.

 èòîãå, ïîñòàâëåííûå çàäà÷è ðåøåíû, öåëü äàííîé ðàáîòû äîñòèãíóòà: ðàçðàáîòàíû è èññëåäîâàíû ôèçè÷åñêèå ìîäåëè ìèêðîíàñîñîâ ïåðèñòàëüòè÷åñêîãî òèïà ñ ïüåçîýëåêòðè÷åñêèì ïðèâîäîì, ñôîðìóëèðîâàíû ðåêîìåíäàöèè ïî èõ óñîâåðøåíñòâîâàíèþ.

Список использованной литературы


1.      D.J. Laser and J.G. Santiago. A review of micropumps / Journal of Micromechanics and Microengineering, 14.2004.Ñ. R35-R64.

2.      Smits J.G. 1990 Piezoelectric micropump with 3 valves working peristaltically Sensors Actuators A 21 203-6 [Ñìèòñ ß.Ã. 1990 Ïüåçîýëåêòðè÷åñêèé íàñîñ ñ òðåìÿ ìåìáðàíàìè ïåðèñòàëüòè÷åñêè àêòèâèðóåìûå, Sensors Actuators A 21 203-6]

.        Kim H.H. et al. - 2009. Design and modeling of piezoelectric pump for microfluid devices // Ferroelectrics. - Ò.378. - ¹.1. - Ñ.92-100. [Êèì Õ. è äð. - 2009. Ðàçðàáîòêà è ìîäåëèðîâàíèå ïüåçîýëåêòðè÷åñêîãî íàñîñà äëÿ ìèêðîæèäêîñòíûõ óñòðîéñòâ. Æóðíàë: Ferroelectrics (Taylor & Francis Group)].

.        Kim et al. H. - H. - 2010 Design of a Valveless Type Piezoelectric Pump for Micro-Fluid Devices - TRANSACTIONS ON ELECTRICAL AND ELECTRONIC MATERIALS Vol.11, No.2, pp.65-68, April 25, 2010 [Êèì Õ. è äð. - 2010. Ðàçðàáîòêà áåñêëàïàííîãî ïüåçîýëåêòðè÷åñêîãî íàñîñà äëÿ ìèêðîæèäêîñòíûõ óñòðîéñòâ. Æóðíàë: TRANSACTIONS ON ELECTRICAL AND ELECTRONIC MATERIALS, òîì 11].

.        Ïîíîìàðåâ Ñ.Ä., Àíäðååâà Ë.Å. Ðàñ÷åò óïðóãèõ ýëåìåíòîâ ìàøèí è ïðèáîðîâ. - Ì.: Ìàøèíîñòðîåíèå, 1980. - 326 ñ.

.        Ïîïëàâêî Þ.Ì., ßêèìåíêî Þ.È. "Ôèçè÷åñêèå ìåõàíèçìû ïüåçîýëåêòðè÷åñòâà" - Êèåâ: Àâåðñ, 1997, - 153 ñ. ISBN 966-95297-0-0

.        Ïüåçîýëåêòðè÷åñêàÿ êåðàìèêà: ïðèíöèïû è ïðèìåíåíèå / Ïåð. ñ àíãë. Ñ.Í. Æóêîâà. - Ìí. ÎÎÎ "ÔÓÀèíôîðì", 2003. - 112 ñ. ISBN 985-6564-76-X (ðóñ.)

.        Âèíîãðàäîâ À.Í., Äóõîâåíñêèé Ã.Å. Èññëåäîâàíèå ïüåçîýëåêòðè÷åñêèõ ìèêðîíàñîñîâ äëÿ ìåäèöèíñêîé è êîñìè÷åñêîé òåõíèêè // Òðóäû XII Ìåæâóçîâñêîé íàó÷íîé øêîëû ìîëîäûõ ñïåöèàëèñòîâ "Êîíöåíòðèðîâàííûå ïîòîêè ýíåðãèè â êîñìè÷åñêîé òåõíèêå, ýëåêòðîíèêå, ýêîëîãèè è ìåäèöèíå": Ñá. íàó÷í. òð. - Ì: ÍÈÈßÔ ÌÃÓ. 2011. - Ñ.82 - 87.

.        Âèíîãðàäîâ À. Í, Äóõîâåíñêèé Ã.Å., Ìàòâååâ Å.Â. Ìîäåëèðîâàíèå è àíàëèç ïåðèñòàëüòè÷åñêèõ ïüåçîíàñîñîâ // "Âàêóóìíàÿ íàóêà è òåõíèêà" Ìàòåðèàëû XX ÍÒÊ. Ïîä ðåäàêöèåé ä. ò. í., ïðîôåññîðà Ä.Â. Áûêîâà.Ì. ~: ÌÈÝÌ ÍÈÓ ÂØÝ, 2013. - Ñ.54-60.

10.    ÌÁÂÄ - Ïðîãðàììà ïî ìîäåëèðîâàíèþ áåãóùåé âîëíû äåôîðìàöèé // Âèíîãðàäîâ À.Í.  <http://www.hse.ru/org/persons/47633625>, Äóõîâåíñêèé Ã.Å. - Ñâèäåòåëüñòâî ÐÔ î ãîñ. ðåãèñòðàöèè ¹ 2012610487. Ïðàâîîáëàäàòåëü ÃÍÓ ÍÈÈ ÏÌÒ, 2011. - 58 ñ.

.        Ï.À. Òèòîâ "Ìîäåëèðîâàíèå äåôîðìèðîâàííîãî ñîñòîÿíèÿ è îïòèìèçàöèÿ êàìåð ìèêðîíàñîñîâ ñ ïüåçîýëåêòðè÷åñêèì ïðèâîäîì" Ñáîðíèê íàó÷íî-èññëåäîâàòåëüñêèõ ðàáîò ñòóäåíòîâ - ïîáåäèòåëåé Êîíêóðñà ÍÈÐÑ 2013-2014 ãã. / Íàö. èññëåä. óí-ò "Âûñøàÿ øêîëà ýêîíîìèêè". - Ì.: Èçä. äîì Âûñøåé øêîëû ýêîíîìèêè, 2015. - Ñ.774-787.

Ðàçìåùåíî íà Allbest.ru