Введение
Современные изделия металлургической промышленности отличаются многообразием размеров, форм, материалов, конструктивного исполнения, технологий и другими особенностями. Производство стальных и чугунных корпусных изделий и труб, алюминиевой и медно-сплавной арматуры, жаропрочных стальных лопаток и титановых изделий, изделий из пластмасс и драгоценных металлов и много других наименований - все они требуют визуального контроля.
Визуальная оценка состояния обследуемой поверхности объекта предполагает зрительное восприятие ее изображения на некотором удалении от самого участка. Оптическое изображение у объекта дистанцируется потребителю (оператору) посредством технологических операций и технических устройств, объединенных в единую систему визуально-оптической дефектоскопии. Важными составными частями такой системы являются техника и технологии оптического обзора предметной поверхности.
При всех различиях в технике и технологиях, все виды контроля, в том числе и оптический, являются весьма ответственными и трудоемкими, требующими значительного психо-эмоционального и физического напряжения. Значимость и объемы работ (например, все изделия литейного производства подвергаются стопроцентному осмотру) предъявляют повышенные эксплуатационные и эргономические требования к технике и технологиям визуального осмотра. Они для оператора должны быть сравнительно простыми, легко воспринимаемыми и производительными.
Наиболее прогрессивным направлением в оптическом виде
контроля на сегодняшний день является эндоскопия, которая возникла в результате
сближения и частичного слияния волоконно-линзовой оптики, с одной стороны и
визуального контроля, с другой. Эта быстро развивающаяся область
визуально-оптического контроля представлена большим количеством теоретических
работ и многочисленными образцами оригинальных и высокотемпературных оптических
систем, устройств и приборов различного назначения. Многие из этих оптических
средств выпускаются промышленностью серийно [1].
1. Общая часть (обзор и сравнительный анализ)
.1 Анализ характеристик объекта контроля
Основным объектом контроля в рамках данного дипломного проекта являются стальные трубы внутренним диаметром от 100 до 180 мм. Согласно [2], трубы по наружному диаметру можно разделить на 3 группы:
- малого диаметра (от 10 до 114 мм);
- среднего диаметра (от 114 до 530 мм);
- большого диаметра (от 530 до 1620 мм).
Контролируемые объекты, попадают под категорию труб малых и
средних диаметров. Толщина стенок, область применения, а также материал
изготовления указан в таблице 1.1.
Таблица 1.1 - Некоторые характеристики стальных труб
Нормативный
документ
Наружный
диаметр, мм
Толщина стенки,
мм
Марка стали
Область
применения
ГОСТ 3262-75
Трубы стальные водогазопроводные
21,3
2,35-2,8
Ст1, Ст2, СтЗ
по ГОСТ 380-94
Применяются для
водопроводов и газопроводов, систем отопления, а также для водопроводных и
газопроводных конструкций
26,8
2,35-3,2
33,5
2,8-3,2
42,3
2,8-3,2
48,0
3,0-4,0
60,0
3,0-4,0
75,5
3,2-4,0
88,5
3,5-4,0
101,3
3,5-4,0
ГОСТ 10705-80
Трубы стальные электросварные
25,0
1,5-2,0
Ст1, Ст2, СтЗ
По ГОСТ 380-94 08,10,20 по ГОСТ 1050-88
Применяются для
строительства трубопроводов и конструкций различного назначения
33,0
2,0-3,2
42,0
1,5-3,2
48,0
1,5-2,0
51,0
1,5-2,5
57,0
2,0-4,0
60,0
2,0-4,0
76,0
2,2-4,0
89,0
2,8-4,0
102,0
3,0-4,0
108,0
3,0-4,0
ПГОСТ 20295-85
159, 168, 219,
245, 273, 325, 377, 426
4,0-10,0
СтЗсп, СтЗпс
Для сооружения
магистральных газонефтепроводов, нефтепро-дуктопроводов, технологических и
промысловых трубопроводов.
ГОСТ 10704-91
ГОСТ 10705-80
114, 140, 146,
159, 168, 178, 219, 245, 273, 325, 377, 426, 530
4,0-10,0
Ст10, Ст10пс,
Ст20, Ст20пс
Для
трубопроводов и конструкций разного назначения
Основные дефекты, подлежащие выявлению проектируемым
устройством при визуальном контроле состояния основного материала и сварных
соединений трубопроводов:
- механические повреждения внутренних поверхностей;
- формоизменения изделий (деформированные
участки типа выбоин и вмятин);
- поверхностные дефекты в корне сварного
шва;
- выход трубы из ряда и других отклонений от
первоначального расположения;
- коррозионный и эрозионный износ
поверхностей.
Кроме того с помощью проектируемого устройства, в трубах
можно производить поиск засоров и утерянных деталей.
К выявляемым дефектам корня сварного шва относятся следующие
дефекты [3].
Вогнутость корня шва. Неглубокая канавка со
стороны корня одностороннего сварного шва (рисунок 1.1 а).
Местное превышение проплава. Местный избыточный
проплав сверх установленного значения (рисунок 1.1 б).
Наплыв. Избыток наплавленного металла сварного шва,
натекший на поверхность основного металла, но не сплавленный с ним (рисунок 1.1
в).
Натёк. Металл шва осевший от тяжести и не сплавленный
с соединяемой поверхностью, нижнем или потолочном положении сварки (рисунок 1.1
г.).
Непровар в корне шва. Несплошность по всей
длине шва или на его отдельном участке, возникающая из-за неспособности
расплавленного металла проникнуть внутрь соединения (рисунок 1.1 д).
Превышение проплава. Избыток наплавленного
металла на обратной стороне стыкового шва (рисунок 1.1 е).
а - вогнутость корня шва; б - местное превышение проплава;
в-наплыв;
г - натёк; д - непровар в корне шва; е - превышение проплава;
Рисунок 1.1 - Основные дефекты в корне сварного шва
1.2 Технология визуального осмотра
Простейшим видом визуального контроля является традиционно
выполняемый осмотр. В соответствии с нормативно-технологическими требованиями
оператор (контролер) визуально оценивает фактическое состояние поверхности,
отдельных ее участков и наиболее склонных к отклонениям элементов, зон и других
областей. Для повышения восприимчивости потенциальных отклонений применяются
оптические приборы увеличения изображений (лупы, микроскопы, бинокли).
В линзовых приборах визуального осмотра воспринимаемое
изображение осматриваемого участка (зоны) формируется и передается оптической
системой, построенной на элементах геометрической оптики. Посредством линзовых
объективов, длиннофокусных цилиндрических световодов, оптических дефлекторов и
других устройств осуществляется целенаправленное преобразование и передача всех
элементов структуры осматриваемого предмета с их переносом к адекватному
отображению у оператора. С помощью такой техники контролер больше и лучше видит
и воспринимает увиденное и с учетом своего опыта и знаний по концептуальной
модели делает заключение о дальнейшей пригодности изготовленного предмета.
Такие действия осуществляются как при оценке готовой продукции, так и при
определении объемов работ и его ремонтопригодности при восстановлении в
процессе ремонта [4].
В каждом конкретном случае характер визуального осмотра
определяется видом контроля. Например, при приемочном контроле осматривается
состояние исходных комплектующих, материалов, сборочных единиц и других
объектов. В операционном контроле визуально оценивается состояние изделия или
полуфабриката на той или иной операции производственного процесса. При
сдаточном контроле визуальный осмотр может быть некоторой составной частью всего
комплекса контрольно-измерительных операций, предназначенных для установления
полного соответствия фактического состояния изделия его стандартным
требованиям. Т.е. сдаточный контроль для некоторого этапа производства является
заключительным.
В зависимости от характера пространственного и
технологического сосредоточения потенциально значимых аномальных отклонений и
источников информации используются различные виды осмотра.
При случайном осмотре пространственно-временное положение
участка может быть ограничено только имеющимися статистическими данными; как
пространственные характеристики, так и качественные характеристики возможных
дефектов не определены и не предсказуемы. Такая ситуация имеет место при
отработке технологических режимов, выборе материалов, испытаниях и доводке
конструктивных схем различных отливок и форм. Достоверность результатов
определяется только статистическими данными и комбинированным применением
разрушающих и неразрушающих методов контроля.
За счет ориентирования наблюдатель ведет целенаправленный
осмотр технологически и конструктивно означенных мест (участков, зон). Такое
ориентирование задается заранее предусмотренными технологическими точками (в
авиационно-космической отрасли) или с помощью специальной технологической
оснастки.
В дефектоскопии объектов со случайно распределенными по длине
или в пространстве источниками информации эффективно применение сканирования
предметной поверхности. Особо важное значение имеет сканирование внутренних
поверхностей протяженных длинномеров с изменяющейся формой поверхности [4].
Выбор схемы сканирования преимущественно определяется
конструктивными и габаритными особенностями объектов. Для длинномеров
используются:
сканирование вращательно-поступательным движением предметной
поверхности со статически фиксированными неподвижными приемниками изображений;
сканирование перемещающимся (вращательное, прямолинейное или
совместное) приемником изображения при статически фиксированном положении
предметной поверхности (рисунок 1.2).
а)
б)
в)
(а) с сосредоточенными приемниками 1 на поверхности
2 объекта 3; (б) передвижной приемник 1, поверхность 2; (в)
сканирование программное. 1 - сканер, 2 - преобразователь, 3 - канал передачи,
4 - устройство ОС, 5 - органы управления и регулирования.
Рисунок 1.2 - Схемы сканирования предметной поверхности
На контрольной позиции n-приемников 1
располагаются в соответствии с алгоритмом контроля и числом аппроксимированных
участков по развертке предметной поверхности 2 (рисунок 1.2, а).
Информация с поступательно перемещающегося и вращающегося объекта 3 считывается
приемниками. Для протяженных длиномеров рациональнее схема сканирования
подвижным приемником 1, перемещающимся относительно предметной поверхности
объекта 2 (рисунок 1.2, б).
Посредством сканирующего устройства 1 производится
непрерывное восприятие изображения предметной поверхности объекта О
(рисунок Осмотр динамических объектов на основе метода наложения
первичного изображения обследуемого места (элемента конструкции) и изображения
эталона (образца) реализуется по схеме стробирования. Для обеспечения
стробоскопического эффекта наблюдаемый элемент освещается частотно-фазовым
регулируемым светом, передаваемым по осветительному световоду. Фиксируемое
изображение по информационному световоду передается в устройство регистрации и
для зрительного восприятия наблюдателем.
Посредством сканирования и стробирования значительно
улучшается качество дефектоскопии, особенно труднодоступных, сложнопрофильных и
динамических объектов [4].
1.3 Технические средства визуально-оптической
дефектоскопии
В технологическом контроле объектами дефектоскопии выступают
как отдельные детали, узлы и целые конструкции, так и машины и аппараты. Выбор
методов дефектоскопии и их применимость определяется результатами анализа
конструкторско-технологической документации, условиями ремонтопригодности,
технико-экономическими и другими показателями. Особенно для сложных объектов
литейного производства эффективно применение визуально-оптических методов и технологий,
позволяющих наблюдать и оценивать реальное состояние труднодоступных участков
без разрушения и демонтажа.
Визуальный контроль внутренних поверхностей является весьма
трудоемкой и ответственной операцией и используемые технические средства и
технологии контроля должны быть сравнительно просты в пользовании. При всей
своей специфичности они должны быть хорошо и быстро осваиваемыми и не требовать
высокой квалификации.
Массо-габаритные параметры изделий, производственная
структура производственных цехов и участков зачастую ограничивают применение
стационарных контрольно-измерительных комплексов. Более употребительными
являются переносные, малогабаритные и эргономически удобные
волоконно-оптические или жесткие эндоскопы с автономными и стационарными осветителями
[1].
Эндоскопы или бороскопы - это смотровые приборы, построенные
на базе волоконной и линзовой оптики и механических устройств.
Принцип действия эндоскопов заключается в осмотре объекта
контроля с помощью специальной оптической системы (часто типа микроскоп,
телескоп), позволяющей передавать изображение на значительные расстояния (до
нескольких десятков метров) с отношением эффективной длины эндоскопа L к его наружному диаметру
d: L/d >> 1.
Современный серийный эндоскоп является универсальным оптико-механическим
прибором, обеспечивающим любой вид визуальной диагностики и контроля внутри
закрытого пространства на значительную глубину (практически до 30 м).
Использование в эндоскопах холодных источников света высокой
яркости открыло безопасный метод контроля поверхностей в полостях, содержащих
взрывчатые материалы, жидкости или газы, а также обеспечило качественное
фотографирование, киносъемку и телевизионную передачу изображения указанных
поверхностей при малых размерах входного отверстия контролируемой полости.
Эффективные методы жидкого и газового охлаждения позволяют
использовать эндоскопы в горячих местах ядерных реакторов, ракетных установок и
металлургических печах при температуре до 2000°С.
Существуют линзовые, волоконно-оптические и комбинированные
эндоскопы.
Линзовые (жесткие) эндоскопы.
Оптическая схема современного типичного линзового эндоскопа
показана на рисунке 1.3.
- объектив; 2 - металлическая трубка; 3 - система
оборачивающих линз; 4 - световод, передающий световую энергию от
источника в металлическую трубку для освещения ОК;
5 - окуляр.
Рисунок 1.3 - Структурная схема линзового (жесткого)
эндоскопа:
Освещенное, с использованием световода, изображение участка
объекта контроля (ОК) передается наблюдателю по цепочке, содержащей линзы
объектива, иногда и призм, систему поворачивающих линз, служащих для увеличения
эффективности рабочей длины прибора, и линз окуляра. Эндоскопы этого типа
снабжаются системой фокусировки, позволяющей получать резкое изображение
анализируемого участка ОК как в ближней, так и в дальней зоне. Управляя
поворотной ручкой, можно поворачивать трубку на угол более 360° и легко
изменять анализируемый участок ОК.
Вводимые в ОК элементы линзового эндоскопа работоспособны при
температурах от -40 до +150°С и под давлением 4 атм. Водонепроницаемая
конструкция трубки эндоскопа позволяет вести контроль в воде и масле. Линзовыми
эндоскопами можно контролировать стены зданий, поверхности разнообразных
трубопроводов, авиационные двигатели, автомобильные литые детали и т.п. и
обнаруживать царапины, трещины, коррозионные пятна, выбоины и другие дефекты
размерами 0,03… 0,08 мм в изделиях длиной 10 м и диаметром 5… 100 мм и более.
Линзовые эндоскопы обычно представляют собой жесткую
конструкцию. Но уже созданы приборы, имеющие участки корпуса с гибкой
оболочкой, изгибающиеся в пределах 5… 10° [1].
Волоконно-оптические эндоскопы.
Возможности технической эндоскопии существенно расширены,
благодаря созданию волоконно-оптических элементов.
Волоконные световоды представляют собой набор тонких
стеклянных светопроводящих волокон диаметром 9… 30 мкм, собранных в жгут.
Каждый элементарный световод (волокно с большим показателем преломления) покрыт
снаружи тонким слоем (1… 2 мкм) стекла с более низким показателем преломления.
На границе волокно-покрытие происходит полное внутреннее отражение
света, входящего в основное волокно, что обеспечивает его прохождение по
световоду с минимальным ослаблением (рисунок 1.4). При значительных размерах
световода число отражений бывает более 10 а - с прямыми торцами; б - с косыми
торцами; в-изогнутые; г - фокен (уменьшает размеры передаваемого
изображения); д - афокен (увеличивает размеры передаваемого зображения).
Рисунок 1.4 - Структурные схемы волоконных световодов
Для работы в ультрафиолетовой области используют кварцевые
волокна, прозрачные в диапазоне 0,2… 4 мкм.
В инфракрасном диапазоне (0,9… 10 мкм и более) применяют
волокна из специальных халькогенидных бескислородных стекол.
Световоды для передачи световой энергии изготовляют из
беспорядочно уложенных волокон диаметром около 30 мкм.
Для передачи изображения используют пучок
волоконно-оптических элементов с упорядоченной структурой. При этом число
элементарных волокон может превышать 106 на 1 см2 при
диаметре волокон 9 мкм. Торцы световодов полируют. При использовании световодов
следует иметь в виду, что они могут сильно деполяризировать проходящий свет.
Разрешающая способность серийных световодов составляет в
среднем 15…20 мм В целом волоконные световоды, используемые в эндоскопах, пока
уступают по качеству изображения линзовым системам. Однако разрабатываются меры
по устранению мозаичной структуры изображения в световодах и повышению их
разрешающей способности.
Волоконные световоды обладают преимуществами, делающими их
незаменимыми при решении многих задач. Так, они позволяют передавать
изображение без искажения при их изгибе по любому криволинейному профилю.
Высокая световая эффективность световодов используется при создании
осветительных систем эндоскопов. При этом источник света располагается вне
прибора, что позволяет исключить нагрев изделия.
Âîëîêîííûå
îñâåòèòåëè «õîëîäíîãî»
ñâåòà ìîãóò èìåòü
òîðöû ëþáîé ôîðìû,
íàïðèìåð êîëüöåâîé,
÷òî îáåñïå÷èâàåò
âûñîêóþ ðàâíîìåðíîñòü
îñâåùåíèÿ îáúåêòà
[1].
Îñîáåííîñòè
îïòè÷åñêèõ ñõåì
ýíäîñêîïîâ.
Òåõíè÷åñêèé
ïðîãðåññ â ïðîìûøëåííîé
ýíäîñêîïèè íåðàçðûâíî
ñâÿçàí ñ ðåøåíèåì
òàêèõ âàæíûõ
çàäà÷, êàê áîëüøîå
ïîëå çðåíèÿ, îòñóòñòâèå
èñêàæåíèé èçîáðàæåíèÿ,
òî÷íàÿ ïåðåäà÷à
öâåòîâ è íåîáõîäèìàÿ
ÿðêîñòü.
Ñàìûå ÿðêèå
èçîáðàæåíèÿ
ïîëó÷àþò ýíäîñêîïàìè
ìàëîé äëèíû è
áîëüøîãî äèàìåòðà.
Ïðè óâåëè÷åíèè
äëèíû ýíäîñêîïà
èçîáðàæåíèå
ñòàíîâèòñÿ ìåíåå
ÿðêèì èç-çà ïîòåðü
ñâåòà â äîïîëíèòåëüíûõ
îïòè÷åñêèõ ýëåìåíòàõ,
óñòàíàâëèâàåìûõ
äëÿ ïåðåäà÷è èçîáðàæåíèÿ
íà äîñòàòî÷íî
áîëüøèå ðàññòîÿíèÿ.
Äëÿ ìèíèìèçàöèè
òàêèõ ïîòåðü
îïòè÷åñêèå ýëåìåíòû
ïðîñâåòëÿþò.
 çàâèñèìîñòè
îò äëèíû òåëåñêîïè÷åñêîãî
ó÷àñòêà èçîáðàæåíèå
òðåáóåò ãîðèçîíòàëüíîãî,
âåðòèêàëüíîãî,
ëèáî äâîéíîãî
ïåðåâåðòûâàíèÿ
(èíâåðñèè). Òàêîå
ïðåîáðàçîâàíèå
îñóùåñòâëÿåòñÿ
â îêóëÿðíîì óñòðîéñòâå
ñ ïîìîùüþ êîððåêòèðóþùèõ
ëèíç â ýíäîñêîïàõ
ìàëîãî äèàìåòðà
èëè îáîðà÷èâàþùèõ
ëèíç â ýíäîñêîïàõ
áîëüøîãî äèàìåòðà.
×àñòî îêóëÿðíûå
óñòðîéñòâà áûâàþò
ñìåííîé êîíñòðóêöèè
íà ðàçëè÷íûå
óâåëè÷åíèÿ.
Ðàáî÷åå ðàññòîÿíèå,
ïðè êîòîðîì ìîæåò
áûòü íàäåæíî
âèçóàëüíî ïðîêîíòðîëèðîâàí
ÎÊ ïðè äîñòàòî÷íîé
ÿðêîñòè èçîáðàæåíèÿ
åãî ïîâåðõíîñòè,
çàâèñèò îò êîýôôèöèåíòà
îòðàæåíèÿ ïîâåðõíîñòè,
äëèíû ýíäîñêîïà,
òèïà è óâåëè÷åíèÿ
îêóëÿðíîãî óñòðîéñòâà,
óãëîâîãî ïîëÿ
çðåíèÿ, à òàêæå
òèïà íàáëþäåíèÿ
(îáçîðà åãî ïîâåðõíîñòè).
Ïîýòîìó äàëåå
êîðîòêî ðàññìîòðèì
îñîáåííîñòè
ýíäîñêîïîâ ñ
ðàçëè÷íûìè òèïàìè
îáçîðà ïîâåðõíîñòåé
ÎÊ.
Ïðÿìîíàïðàâëåííûé
(ïðÿìîé) îáçîð. Òèï
I, äàþùèé ïðÿìîå
(òîðöîâîå) íàáëþäåíèå
íà óãîë âèçèðîâàíèÿ,
ïðèìåíÿåòñÿ äëÿ
êîíòðîëÿ òîðöà
èëè äíà êàíàëà,
èëè øòóöåðà (ðèñ.
4.21). Ýíäîñêîïû ñ
òàêèì òèïîì îáçîðà
èìåþò òèïè÷íîå
óãëîâîå ïîëå çðåíèÿ
îêîëî 45° (ëèíåéíîå
ïîëå çðåíèÿ 20 ìì
íà ðàññòîÿíèè
25 ìì îò ëèíçû äî
ïîâåðõíîñòè
ÎÊ). Äëÿ îñâåùåíèÿ
ïîâåðõíîñòè
ÎÊ â òàêèõ ýíäîñêîïàõ
ìîãóò áûòü ïðèìåíåíû
ìàëîãàáàðèòíûå
ëàìïî÷êè, ðàñïîëîæåííûå
ïî îêðóæíîñòè,
â öåíòðå êîòîðîé
èìååòñÿ îòâåðñòèå
äëÿ ïðîõîæäåíèÿ
îòðàæåííîãî
îò ÎÊ ñâåòà. Òàêàÿ
îáúåêòèâíàÿ
÷àñòü íå èñïîëüçóåòñÿ
ïðè ìàëûõ ðàáî÷èõ
ðàññòîÿíèÿõ
è ïðè êîíòðîëå
íåáîëüøîãî ó÷àñòêà
â ãëóõèõ îòâåðñòèÿõ.
Êîñîïðèöåëåííûé
âïåðåä îáçîð. Òèï
II, äàþùèé íàáëþäåíèå,
íàêëîííîå âïåðåä
íà óãîë âèçèðîâàíèÿ
25 è 45°, ïðèìåíÿåòñÿ
äëÿ êîíòðîëÿ, íàïðèìåð,
ñâàðíûõ øâîâ
â òîðöå. Â òàêèõ
ýíäîñêîïàõ èñòî÷íèêè
ñâåòà îáû÷íî
ìîíòèðóþòñÿ
íà äèñòàëüíîì
êîíöå ýíäîñêîïà.
Ðàçìåð ïîëÿ êîíòðîëÿ
ìîæíî óâåëè÷èâàòü
ïðè âðàùåíèè
íàïðàâëåíèÿ âèçèðîâàíèÿ
îòíîñèòåëüíî
îïòè÷åñêîé îñè
ýíäîñêîïà.
Áîêîâîé
îáçîð. Òèï III, îáåñïå÷èâàþùèé
áîêîâîé êîíòðîëü
ñ óãëîì âèçèðîâàíèÿ
90°, èñïîëüçóåòñÿ
ïðè äåòàëüíîì
êîíòðîëå ñòåíîê
ÎÊ ñ äîñòàòî÷íî
áîëüøèì óâåëè÷åíèåì.
Ýòî ýôôåêòèâíûé
ïðèáîð äëÿ âèçóàëüíîãî
êîíòðîëÿ ñòâîëîâ
ðóæåé, ïèñòîëåòîâ,
öèëèíäðè÷åñêèõ
ñòåíîê èëè óãëóáëåííûõ
îòâåðñòèé. Ýíäîñêîïû
ýòîãî òèïà îáû÷íî
ñíàáæàþòñÿ èñòî÷íèêîì
ñâåòà, ðàçìåùåííûì
ïåðåä ëèíçîé îáúåêòèâà.
Ðåòðîñïåêòèâíûé
îáçîð. Òèï IV, îáåñïå÷èâàþùèé
íàêëîííûå íàáëþäåíèÿ
íàçàä íà óãîë
135°, èñïîëüçóåòñÿ
äëÿ êîíòðîëÿ çàäíèõ
òîðöîâûõ ñòåíîê,
îòâåðñòèé ñ âíóòðåííèìè
óñòóïàìè è ò.ï.
Ïàíîðàìíûé
(êîëüöåâîé îáçîð). Òèï V
îáåñïå÷èâàåò
âûñîêîïðîèçâîäèòåëüíûé
îñìîòð öèëèíäðè÷åñêîé
ïîëîñòè ñðàçó
ïî âñåé êîëüöåâîé
ïîâåðõíîñòè
ÎÊ. Îáúåêòèâ òàêîãî
ýíäîñêîïà ìîæåò
îáîçðåâàòü öèëèíäðè÷åñêóþ
ïîëîñó ñ óãëîâîé
øèðèíîé 30º ïî âñåé îêðóæíîñòè
îòâåðñòèé.
Íåñìîòðÿ íà
ñâîè ïðåèìóùåñòâà
ïåðåä æ¸ñòêèìè
ýíäîñêîïàìè,
ãèáêèå âîëîêîííî-îïòè÷åñêèå
ýíäîñêîïû òîæå
îáëàäàþò íåêîòîðûìè
íåäîñòàòêàìè,
êîòîðûå îñîáåííî
ïðîÿâëÿþòñÿ ïðè
êîíòðîëå âíóòðåííåé
ïîâåðõíîñòè
òðóá.
Âî-ïåðâûõ, ýòî
äëèíà ãèáêèõ
ýíäîñêîïîâ. Â
áîëüøèíñòâå
ñëó÷àåâ, îíà ñîñòàâëÿåò
îò 0,5 äî 3 ìåòðîâ è
ýòîãî, åñòåñòâåííî,
íå äîñòàòî÷íî
äëÿ êîíòðîëÿ îáúåêòîâ
áîëüøîé äëèíû.
Ñ óâåëè÷åíèåì
äëèíû ýíäîñêîïà
ìíîãîêðàòíî
âîçðàñòàåò åãî
ñòîèìîñòü, ò.ê.
êà÷åñòâåííîå
îïòîâîëîêíî íà
ñåãîäíÿøíèé
äåíü ñòîèò íå
䏸åâî. Ê ïðèìåðó,
êà÷åñòâåííûé
ýíäîñêîï ÝÒÃ
10-2,7 Ðîññèéñêîãî
ïðîèçâîäñòâà
ñ äèíîé êàáåëÿ
2,7 ì è äèàìåòðîì
ðàáî÷åé ÷àñòè
10 ìì, ïî ñîñòîÿíèþ
íà ôåâðàëü 2010 ãîäà
ñòîèò 102 000 ðîññèéñêèõ
ðóáëåé (≈ 3200 ó. å.).
Ðèñóíîê 1.5 - Êîíñòðóêöèè
äèñòàëüíûõ êîíöîâ
ýíäîñêîïîâ äëÿ
ðàçëè÷íûõ òèïîâ
íàïðàâëåíèé
âèçèðîâàíèÿ
Âî-âòîðûõ, ýòî
êà÷åñòâî èçîáðàæåíèÿ.
 ðåçóëüòàòå
ìíîãîêðàòíûõ
îòðàæåíèé â îïòîâîëîêíå,
ñâåòîâîé ñèãíàë
èñïûòûâàåò îñëàáëåíèå,
÷òî ïðèâîäèò
ê óõóäøåíèþ âèäèìîãî
èçîáðàæåíèÿ
íà îêóëÿðå. Äëÿ
óâåëè÷åíèÿ ðàçðåøàþùåé
ñïîñîáíîñòè
èçîáðàæåíèÿ,
òðåáóåòñÿ óâåëè÷èòü
êîëè÷åñòâî îïòè÷åñêèõ
âîëîêîí â êàáåëå,
÷òî â ñâîþ î÷åðåäü
âåä¸ò ê óâåëè÷åíèþ
äèàìåòðà êàáåëÿ
è êàê ñëåäñòâèå,
ê óäîðîæàíèþ
ýíäîñêîïà.
Èç âûøåñêàçàííîãî
ìîæíî ñäåëàòü
âûâîä, ÷òî äëÿ êîíòðîëÿ
âíóòðåííèõ ïîâåðõíîñòåé
äîñòàòî÷íî äëèííûõ
îáúåêòîâ, íåîáõîäèìî
ñîçäàíèå èíîãî
óñòðîéñòâà. Îäíèì
èç òàêèõ óñòðîéñòâ
ÿâëÿåòñÿ âèäåîêðîóëåð.
Êðîóëåðû - ýòî óñòðîéñòâà,
ïðåäíàçíà÷åííûå
äëÿ ñàìîñòîÿòåëüíîãî
ïåðåìåùåíèÿ ïî
ÎÊ è íåñóùèå íà
ñâî¸ì áîðòó àïïàðàòóðó
äëÿ åãî êîíòðîëÿ.
Êðîóëåðû, êàê ïðàâèëî,
äåëàþòñÿ íà êîë¸ñíîì
õîäó, íî ñóùåñòâóþò
òàêæå ìîäåëè
è äëÿ ïåðåìåùåíèÿ
íà ïëàâó.
Êðóã çàäà÷,
ðåøàåìûõ ñ ïîìîùüþ
âèäåîêðîóëåðîâ,
ñëåäóþùèé:
- êîíòðîëü
êîððîçèîííîãî
ñîñòîÿíèÿ âíóòðåííèõ
ïîâåðõíîñòåé
ÎÊ.
- êîíòðîëü
çàäûìë¸ííîñòè
è çàòóìàíåííîñòè
ÎÊ.
- âèçóàëüíûé
îñìîòð ñâàðíûõ
øâîâ.
- ïîèñê çàñîðîâ
è óòåðÿííûõ äåòàëåé.
Îáëàñòè ïðèìåíåíèÿ
âèäåîêðîóëåðîâ:
- âîçäóøíûå
êàíàëû è êàáåëåïðîâîäû.
- ìàñëî- è
ïàðîïðîâîäû.
- ñîñóäû
âûñîêîãî è íèçêîãî
äàâëåíèÿ, à òàêæå
ðåçåðâóàðû.
- ïàðîñáîðíèêè.
- ãàçî- è âîäîïðîâîäû.
Àíàëèç ãîòîâûõ
ðåøåíèé, èìåþùèõñÿ
íà ðûíêå.
Íèçêîïðîôèëüíûé
ðîáîò ROVVER 400 îöåíåí
âî âñåì ìèðå çà
åãî øèðîêóþ óíèâåðñàëüíîñòü.
Ñèñòåìà ROVVER 400 èìååò
ìîäóëüíóþ êîíñòðóêöèþ,
è ìàêñèìàëüíóþ
àäàïòèðóåìîñòü.
Îáåñïå÷èâàåò
øèðîêèé îáçîð
â ãîðèçîíòàëüíîé
òðóáå èëè òóííåëå
ñ ïîìîùüþ îáçîðíîé
òåëåâèçèîííîé
êàìåðû. Êàìåðà
èìååò äèñòàíöèîííî-ðåãóëèðóåìûé
ôîêóñ è âñåãäà
äà¸ò ÷åòêóþ êàðòèíêó
[5].
Ðèñóíîê 1.5 - Âèäåîêðîóëåð
Rovver 400
Òàáëèöà 1.2 - Òåõíè÷åñêèå
õàðàêòåðèñòèêè
âèäåîêðîóëåðà
Rovver 400
ÐÎÁÎÒ
Äëèíà: 247 ìì ñ êóðñîâîé
òåëåêàìåðîé
Øèðèíà: 94 ìì
Âûñîòà: 80 ìì
Âåñ: 4.5 êã
Ìàòåðèàë: Íèêåëèðîâàííàÿ
ìåäü, íåðæàâåþùóþ
ñòàëü, àëþìèíèé
Äâèãàòåëü: îäèí äâèãàòåëü
ïîñòîÿííîãî
òîêà íà 20 Âò, 6 êîëåñ,
èçìåíåíÿåìîå
íàïðàâëåíèå,
ðåãóëèðóåìûå
ñêîðîñòè
Äîïóñòèìàÿ
ãëóáèíà: 1 áàð - Ýêâèâàëåíòíî
ãëóáèíå âîäû
â 10 ì
Íàáîðû
êîë¸ñ:
Ø 64 ìì
äèñêè äëÿ 100.0 ìì
òðóáû Ø 86 ìì äèñêè
äëÿ 150.0 ìì òðóáû
Ø 90 ìì
ðàñøèðåííûå
äèñêè äëÿ 175 ìì
òðóáû
ÊÀÌÅÐÀ
Òèï:
Öâåòíàÿ
1/2» CCD ìàòðèöà
Ðàçðåøåíèå: 380,000 ïèêñåëåé,
360 HTV ëèíèé
Ëèíçà: 4 ìì, ƒ1.2, óäàë¸ííàÿ
ôîêóñèðîâêà
Ëèíçà
FOV: 68 ãðàä.
x 90 ãðàä. x 100 ãðàä.
Ôîêóñ: 6 ìì äî áåñêîíå÷íîñòè
(äèñòàíöèîííî
ðåãóëèðóåìûé)
Ãàáàðèòû: Êóðñîâàÿ
- ø 48 ìì
x 78 ìì
ÁËÎÊ
ÓÏÐÀÂËÅÍÈß
Ãàáàðèòû: 420 ìì x 343 ìì
x 292 ìì
Óïðàâëÿåìûå
âåëè÷èíû: Íàïðàâëåíèå
äâèæåíèÿ, ñêîðîñòü
õîäà, ñèëà ñâåòà,
óïðàâëåíèå êàðòàìè
ðàñøèðåíèé / ïðèñïîñîáëåíèÿ
Ìîùíîñòü: 110/230 Â, 50/60 Ãö
CE
Âûõîäû: êîìïîçèòíûé
NTSC (EIA-170A) âèäåî (PAL) 19 äþéìîâûé
óñòàíàâëèâàåìûé
â ñòåíäà êîíòðîëëåð
Âåñ: 18.2 êã
ÑÂÅÒ
Íà
êàìåðå: 10 Âò, 16 x 0.6 Âò, ãàëîãåí
Íà
ïëàòôîðìå: 40 Âò, 2 x 20 Âò,
ãàëîãåí
Äîïîëíèòåëüíûé: 40 Âò, 2 x 20 Âò,
äèõðîè÷íûé ðåôëåêòîð
Ìàêñèìóì: 90 Âò
ÊÀÁÅËÜÍÛÉ
ÁÀÐÀÁÀÍ
Êàáåëü:
7 ìì
(0.28 äþéìà) äèàìåòðà,
ìíîãîæèëüíûé
ñ îñíîâîé èç
Kevlar® ñ ïðî÷íîñòüþ
íà ðàçðûâ 227 êãñ
è ïîëèýòèëåíîâîé
âíåøíåé îáîëî÷êîé
Äëèíà:
äî 200 ì
Áàðàáàí: êàáåëüíûé
áàðàáàí ñ êîíòàêòíûìè
êîëüöàìè ïîä êàáåëü
ðàçëè÷íîé äëèííû
Îïöèîíàëüíî
- àâòîìàòè÷åñêèé
ìîòîðèçîâàííûé
êàáåëüíûé áàðàáàí
ñ ðåãóëèðóåìîé
ïîäà÷åé
Âåñ: Ïðèáëèçèòåëüíî
23 êã - ìîäåëü, â çàâèñèìîñòè
îò äëèíû êàáåëÿ
ROVVER 600 íèçêîïðîôèëüíûé
ðîáîò - ìîáèëüíûé
è óíèâåðñàëüíûé
ñïîñîá èíñïåêöèè
òðóáîïðîâîäîâ.
Èäåàëüíî ïîäõîäèò
äëÿ ðàçëè÷íûõ
ïðèìåíåíèé áëàãîäàðÿ
åãî ìîäóëüíîé
êîíñòðóêöèè
è åãî ñïîñîáíîñòè
îñìàòðèâàòü
âíóòðåííîñòè
òðóá ñ äèàìåòðàìè
â ïðåäåëàõ îò
150 ìì äî 900 ìì. Ýòî
ìàëûé êîë¸ñíûé
ðîáîò â ñâîåì
êëàññå, ÷òî äàåò
åìó ñïîñîáíîñòü
ïðîéòè ÷åðåç çàìóñîðåííûå
òðóáû, áîëüøèå
âûñòóïû, è âûäàþùèåñÿ
òðóáíûå øâû. Äèñòàíöèîííîå
óïðàâëåíèå ðîáîòà
ROVVER äàåò ñïîñîáíîñòü
êîíòðîëèðîâàòü
ôîêóñ è îñâåùåíèå,
à òàêæå íàïðàâëÿòü
õîä, êîãäà åñòü
ïðåïÿòñòâèÿ, òèïà
ìóñîðà èëè îòâåòâëåíèé
[5].
Ðèñóíîê 1.6 - Âèäåîêðîóëåð
Rovver 600
Òàáëèöà 1.3 - Òåõíè÷åñêèå
õàðàêòåðèñòèêè
âèäåîêðîóëåðà
Rovver 600
ÐÎÁÎÒ
Äëèíà: 282 ìì ñ êóðñîâîé
òåëåêàìåðîé,
374 ìì ñ îáçîðíîé
òåëåêàìåðîé
Øèðèíà: 118 ìì
Âûñîòà: 90 ìì
Âåñ: 8 êã
Ìàòåðèàë: Íèêåëèðîâàííàÿ
ìåäü, íåðæàâåþùóþ
ñòàëü, àëþìèíèé
Äâèãàòåëü: äâà äâèãàòåëÿ
ïîñòîÿííîãî
òîêà íà 20 Âò, 4 êîëåñà,
èçìåíåíÿåìîå
íàïðàâëåíèå,
ðåãóëèðóåìûå
ñêîðîñòè
Äîïóñòèìàÿ
ãëóáèíà: 1 áàð - Ýêâèâàëåíòíî
ãëóáèíå âîäû
â 10 ì
Óêëîí: +/ - 10% îïöèîíàëüíî
Íàáîðû
êîë¸ñ:
Ø 90 ìì
äèñêè äëÿ 150.0 ìì
òðóáû Ø 110 ìì äèñêè
äëÿ 200.0 ìì òðóáû
Ø 135 ìì
ðàñøèðåííûå
äèñêè äëÿ 225 ìì
òðóáû
ÊÀÌÅÐÀ
Òèï:
Öâåòíàÿ
1/2» CCD ìàòðèöà
Ðàçðåøåíèå: 380,000 ïèêñåëåé,
360 HTV ëèíèé
Ëèíçà: 4 ìì, ƒ1.2, óäàë¸ííàÿ
ôîêóñèðîâêà
Ôîêóñ: 6 ìì äî áåñêîíå÷íîñòè
(äèñòàíöèîííî
ðåãóëèðóåìûé)
Ãàáàðèòû: Êóðñîâàÿ
- ø 48 ìì
x 78 ìì, îáçîðíàÿ
ïðè ïàíîðàìèðîâàíèè
(175 ãðàä.), ïðè íàêëîíå
(135 ãðàä.) - ø 88 ìì x 192 ìì
ÁËÎÊ
ÓÏÐÀÂËÅÍÈß
Ãàáàðèòû: 420 ìì x 343 ìì
x 292 ìì
Óïðàâëÿåìûå
âåëè÷èíû: Íàïðàâëåíèå
äâèæåíèÿ, ñêîðîñòü
õîäà, ñèëà ñâåòà,
óïðàâëåíèå êàðòàìè
ðàñøèðåíèé / ïðèñïîñîáëåíèÿ
Ìîùíîñòü: 110/230 ÂÀ, 50/60 Ãö
CE
Âûõîäû: êîìïîçèòíûé
NTSC (EIA-170A) âèäåî (PAL) 19 äþéìîâûé
óñòàíàâëèâàåìûé
â ñòåíäà êîíòðîëëåð
Âåñ: 18.2 êã
ÊÀÁÅËÜÍÛÉ
ÁÀÐÀÁÀÍ
Êàáåëü:
7 ìì
(0.28 äþéìà) äèàìåòðà,
ìíîãîæèëüíûé
ñ îñíîâîé èç
Kevlar® ñ ïðî÷íîñòüþ
íà ðàçðûâ 227 êãñ
è ïîëèýòèëåíîâîé
âíåøíåé îáîëî÷êîé
Äëèíà:
äî 200 ì
Áàðàáàí: êàáåëüíûé
áàðàáàí ñ êîíòàêòíûìè
êîëüöàìè ïîä êàáåëü
ðàçëè÷íîé äëèííû
Îïöèîíàëüíî
- àâòîìàòè÷åñêèé
ìîòîðèçîâàííûé
êàáåëüíûé áàðàáàí
ñ ðåãóëèðóåìîé
ïîäà÷åé
Âåñ: Ïðèáëèçèòåëüíî
23 êã - ìîäåëü, â çàâèñèìîñòè
îò äëèíû êàáåëÿ
ROVVER 900 íåñåò êóðñîâóþ
è îáçîðíóþ öâåòíûå
âèäåî êàìåðû,
ñ êîòîðûìè ìîæåò
îñóùåñòâëÿòü
ïîèñê è îñìîòð
íà ðàññòîÿíèè
äî 200 ì. Ýòè õàðàêòåðèñòèêè
èäåàëüíî óäîâëåòâîðÿþò
ìíîãèå ïîòðåáíîñòè
èç-çà åãî ìîäóëüíîé
êîíñòðóêöèè
è ñïîñîáíîñòè
îñìîòðåòü âíóòðåííèå
òðóáû ñ äèàìåòðàìè,
áîëüøèìè ÷åì
225 ìì. Óïðàâëÿåìàÿ
ïëàòôîðìà ñèñòåìû
ROVVER ïîçâîëÿåò îïåðàòîðó
ïîäíèìàòü è îïóñêàòü
êàìåðó, óïðàâëÿòü
ôîêóñèðîâêîé
è îñâåùåíèåì,
óïðàâëÿòü ñöåïëåíèåì
è íàïðàâëåíèåì
äâèæåíèÿ òðàíñïîðòåðà,
êîãäà íà ïóòè
åãî äâèæåíèÿ
âñòðå÷àþòñÿ
ïðåïÿòñòâèÿ
[5].
Ðèñóíîê 1.7 - Âèäåîêðîóëåð
Rovver 900
Òàáëèöà 1.4 - Òåõíè÷åñêèå
õàðàêòåðèñòèêè
âèäåîêðîóëåðà
Rovver 900
ÐÎÁÎÒ
Äëèíà: 488 ìì ñ êóðñîâîé
òåëåêàìåðîé,
582 ìì ñ îáçîðíîé
òåëåêàìåðîé
Øèðèíà: 200 ìì
Âûñîòà: 150 ìì
Âåñ: 25 êã
Ìàòåðèàë: Íèêåëèðîâàííàÿ
ìåäü, íåðæàâåþùàÿ
ñòàëü, àëþìèíèé
Äâèãàòåëü: äâà äâèãàòåëÿ
ïîñòîÿííîãî
òîêà íà 20 Âò, 4 êîëåñà,
èçìåíåíÿåìîå
íàïðàâëåíèå,
ðåãóëèðóåìûå
ñêîðîñòè
Äîïóñòèìàÿ
ãëóáèíà: 1 áàð - Ýêâèâàëåíòíî
ãëóáèíå âîäû
â 10 ì
Óêëîí: +/ - 10% îïöèîíàëüíî
Íàáîðû
êîë¸ñ:
Ø 110 ìì
äèñêè äëÿ 225.0 ìì
òðóáû Ø 135 ìì äèñêè
äëÿ 300.0 ìì òðóáû
Ø 220 ìì
ðàñøèðåííûå
äèñêè äëÿ 400 ìì
òðóáû
ÊÀÌÅÐÀ
Òèï:
Öâåòíàÿ
1/2» CCD ìàòðèöà
Ðàçðåøåíèå: 380,000 ïèêñåëåé,
360 HTV ëèíèé
Ëèíçà: 4 ìì, ƒ1.2, óäàë¸ííàÿ
ôîêóñèðîâêà
Ôîêóñ: îò 6 ìì äî
áåñêîíå÷íîñòè
(äèñòàíöèîííî
ðåãóëèðóåìûé)
Ãàáàðèòû: Êóðñîâàÿ
- ø 48 ìì
x 78 ìì, îáçîðíàÿ
ïðè ïàíîðàìèðîâàíèè
(175 ãðàä.), ïðè íàêëîíå
(135 ãðàä.) - ø 88 ìì x 192 ìì
Ïîäú¸ì
òåëåêàìåðû: óäàë¸ííî-óïðàâëÿåìàÿ
â òðóáàõ îò 225 ìì
äî 800 ìì
ÊÀÁÅËÜÍÛÉ
ÁÀÐÀÁÀÍ
Êàáåëü:
7 ìì
(0.28 äþéìà) äèàìåòðà,
ìíîãîæèëüíûé
ñ îñíîâîé èç
Kevlar® ñ ïðî÷íîñòüþ
íà ðàçðûâ 227 êãñ
è ïîëèýòèëåíîâîé
âíåøíåé îáîëî÷êîé
Äëèíà:
äî 200 ì
Âåñ: Ïðèáëèçèòåëüíî
23 êã - ìîäåëü, â çàâèñèìîñòè
îò äëèíû êàáåëÿ
P-200 - ýòî êîìïëåêñ
íà áàçå êîë¸ñíîãî
ñàìîõîäíîãî
ðîáîòà ñ öâåòíîé
âèäåîêàìåðîé,
èìåþùåé ôóíêöèþ
óâåëè÷åíèÿ (10õ
îïòè÷åñêîå è
4õ öèôðîâîå). Ðîáîò
çàïîëíÿåòñÿ ñóõèì
àçîòîì äëÿ ïðåäîòâðàùåíèÿ
êîíäåíñàöèè
âëàãè âíóòðè
êîðïóñà è íà ñòåêëå
âèäåîêàìåðû ïðè
ðàáîòå â óñëîâèÿõ
ïåðåïàäà òåìïåðàòóð.
Ïðåäíàçíà÷åí
äëÿ òåëåèíñïåêöèè
òðóáîïðîâîäîâ
äèàìåòðîì îò
250 äî 1200 ìì. Îïðåäåëÿåò
ïðîôèëü çàëåãàíèÿ
òðóáîïðîâîäà
íà îñíîâå ïîêàçàíèé
äàò÷èêà òàíãàæà.
Íàëè÷èå ñèñòåìû
áîðòîâîãî ïîâîðîòà
äëÿ ìàíåâðèðîâàíèÿ
â òðóáàõ. Ïàíòîãðàôè÷åñêèé
ìåõàíèçì ïîäú¸ìà
âèäåîêàìåðû îáåñïå÷èâàåò
ðàñïîëîæåíèå
âèäåîêàìåðû ïî
îñè òðóáîïðîâîäà
â òðóáàõ äèàìåòðîì
äî 1200 ìì [6].
Ðèñóíîê 1.8 - Âèäåîêðîóëåð
Ð-200
Âèäåîêðîóëåð
SUPERVISION ìîäåëü äëÿ èíñïåêöèé
òðóáîïðîâîäîâ
äèàìåòðîì îò
250 äî 1000 ìì äëèíîé
äî 300 ì. 4 âåäóùèõ
êîëåñà, âîäîíåïðîíèöàåìîñòü
äî 10 áàð.
Ðèñóíîê 1.9 - Âèäåîêðîóëåð
SuperVision
1.4 Ïîñòàíîâêà
çàäà÷è ïðîåêòèðîâàíèÿ
Èç âûøåïðèâåä¸ííîãî
àíàëèçà âèäíî,
÷òî íà ñåãîäíÿøíèé
äåíü íà ðûíêå
âèäåîêðîóëåðîâ
ïðèñóòñòâóåò
íåìàëî êà÷åñòâåííûõ
ðàçðàáîòîê. Îäíàêî
ïîäàâëÿþùåå áîëüøèíñòâî
ìîäåëåé íå ïðåäíàçíà÷åíî
äëÿ êîíòðîëÿ òðóá
äèàìåòðîì ïîðÿäêà
100 ìì. Êðîìå òîãî,
âñå ðàçðàáîòêè
èìåþò èìïîðòíîå
ïðîèñõîæäåíèå,
÷òî âåä¸ò ê óâåëè÷åíèþ
èõ ñòîèìîñòè
äëÿ êîíå÷íîãî
ïîòðåáèòåëÿ â
ÐÁ. Ê ïðèìåðó, öåíà
íåêîòîðûõ êðîóëåðîâ
â ïîëíîé êîìïëåêòàöèè,
ìîæåò äîõîäèòü
äî 10000 ó. å.
Ïîýòîìó âîçíèêàåò
âîïðîñ î öåëåñîîáðàçíîñòè
ñîçäàíèÿ ìàëîãàáàðèòíîãî
âèäåîêðîóëåðà,
ïðåäíàçíà÷åííîãî
äëÿ êîíòðîëÿ òðóá
îòíîñèòåëüíî
íåáîëüøèõ äèàìåòðîâ
(îò 100 äî 180 ìì). Ãîòîâîå
ðåøåíèå ïðåäïîëàãàåòñÿ
áûòü áîëåå ïðîñòûì,
ïî ñðàâíåíèþ
ñî ñâîèìè àíàëîãàìè,
îäíàêî è áîëåå
äîñòóïíûì ïî
öåíå.
Ñôîðìóëèðóåì
îñíîâíûå çàäà÷è
äèïëîìíîãî ïðîåêòà:
– âûáîð è îáîñíîâàíèå
ìåòîäà êîíòðîëÿ;
– ðàñ÷¸ò ïàðàìåòðîâ
êîíòðîëÿ;
– îöåíêà ÷óâñòâèòåëüíîñòè
êîíòðîëÿ;
– ðàçðàáîòêà
ñòðóêòóðíîé
ñõåìû óñòàíîâêè
êîíòðîëÿ;
– ìîäåëèðîâàíèå
è ðàñ÷åò ìåõàíè÷åñêîé
÷àñòè óñòðîéñòâà;
– ìîäåëèðîâàíèå
è ðàñ÷åò ýëåêòðîííîé
÷àñòè óñòðîéñòâà;
– ðàçðàáîòêà
ìåòðîëîãè÷åñêîãî
îáåñïå÷åíèÿ;
– îáåñïå÷åíèå
áåçîïàñíîñòè
è ýêîëîãè÷íîñòè
ïðîåêòà;
– ýêîíîìè÷åñêîå
îáîñíîâàíèå
ïðîåêòà.
2. Âûáîð ìåòîäà
êîíòðîëÿ è òåîðåòè÷åñêîå
ìîäåëèðîâàíèå
2.1 Âûáîð è îáîñíîâàíèå
ìåòîäà êîíòðîëÿ
Îñíîâíîé ìåòîä
îïòè÷åñêîãî
âèäà êîíòðîëÿ,
êîòîðûé ðåàëèçóþò
âèäåîêðîóëåðû
- ýòî âèçóàëüíî-îïòè÷åñêèé
ìåòîä. Åãî õàðàêòåðèñòèêè
äàíû â òàáëèöå
2.1 [7].
Òàáëèöà 2.1 - Õàðàêòåðèñòèêè
âèçóàëüíî-îïòè÷åñêîãî
ìåòîäà ÍÊ
Íàçâàíèå
ìåòîäà
Îáëàñòü
ïðèìåíåíèÿ
Ôàêòîðû,
îãðàíè÷èâàþùèå
îáëàñòü ïðèìåííåíèÿ
Êîíòðîëèðóåìûå
ïàðàìåòðû
×óâñòâèòåëüíîñòü
Ïîãðåøíîñòü
%
Âèçóàëüíî-îïòè÷åñêèé
Äåôåêòîñêîïèÿ
ñ ïîìîùüþ ìèêðîñêîïîâ,
ñòåðåîñêîïèÿ.
Ðàçìåðíûé êîíòðîëü
ñ ïîìîùüþ ïðîåêöèîííûõ
óñòðîéñòâ. Ýíäîñêîïèÿ
âíóòðåííèõ ïîâåðõíîñòåé,
èíòðîñêîïèÿ
Ìèíèìàëüíàÿ
ÿðêîñòü èçîáðàæåíèÿ
ÎÊ íå ìåíåå 1 êä/ì2.
Ðàçìåðû
èçäåëèé, äåôåêòîâ,
îòêëîíåíèÿ îò
çàäàííîé ôîðìû.
(0.6*ë)/À
0,1 - 1
Âèäåîêðîóëåðû
òàê æå ìîãóò îñíàùàòüñÿ
äîïîëíèòåëüíîé
èçìåðèòåëüíîé
àïïàðàòóðîé, êîòîðàÿ
ðàñøèðÿåò âîçìîæíîñòè
óñòðîéñòâà ïî
êîíòðîëþ èëè äèàãíîñòèêå
çàäàííîãî ÎÊ.
Ýòî ìîãóò áûòü,
íàïðèìåð, àêóñòè÷åñêèå
èëè âèõðåòîêîâûå
äàò÷èêè.  ðàìêàõ
äàííîãî äèïëîìíîãî
ïðîåêòà, íà óñòðîéñòâî
ïëàíèðóåòñÿ óñòàíîâêà
äàò÷èêà ãîðþ÷èõ
ãàçîâ (ïðîïàí,
áóòàí, ìåòàí)
èëè äàò÷èêà ïàðîâ
æèäêèõ óãëåâîäîðîäîâ
(áåíçèí, àöåòîí).
Ýòè äàò÷èêè ïîçâîëÿò
ïðîèçâîäèòü ïðåäðåìîíòíóþ
äèàãíîñòèêó
îáúåêòîâ íåôòåãàçîâîãî
êîìïëåêñà (ãàçîïðîâîäû,
áåíçîïðîâîäû,
ðåçåðâóàðû äëÿ
ÃÑÌ), äëÿ ïðèíÿòèÿ
ðåøåíèÿ î âîçìîæíîñòè
äàëüíåéøåãî
ïðîâåäåíèÿ ðåìîíòíûõ
ðàáîò.
Ñóùåñòâóåò
ìíîæåñòâî ðàçëè÷íûõ
òèïîâ ãàçîàíàëèòè÷åñêèõ
äàò÷èêîâ. Ðàññìîòðèì
òðè íàèáîëåå
ðàñïðîñòðàíåííûõ
òèïà [8].
Îïòèêî-àáñîðáöèîííûå. Â îñíîâó
ïðèíöèïà äåéñòâèÿ
ãàçîàíàëèçàòîðîâ
çàëîæåí îïòèêî-àáñîðáöèîííûé
ìåòîä àíàëèçà
ãàçà, îñíîâàííûé
íà èçìåðåíèè
ïîãëîùåíèÿ èíôðàêðàñíîé
(ÈÊ) ýíåðãèè àíàëèçèðóåìûì
êîìïîíåíòîì.
Ñòåïåíü ïîãëîùåíèÿ
ÈÊ-ýíåðãèè èçëó÷åíèÿ
çàâèñèò îò êîíöåíòðàöèè
àíàëèçèðóåìîãî
êîìïîíåíòà â
ãàçîâîé ñìåñè.
Êàæäîìó ãàçó
ïðèñóùà ñâîÿ
îáëàñòü äëèí
âîëí ïîãëîùåíèÿ,
ýòî îáóñëàâëèâàåò
âîçìîæíîñòü
ïðîâåäåíèÿ èçáèðàòåëüíîãî
àíàëèçà ãàçîâ.
Ôóíêöèîíàëüíàÿ
ñõåìà ðàáîòû
ýòèõ äàò÷èêîâ
èçîáðàæåíà íà
ðèñóíêå 2.1.
Ðèñóíîê 2.1 - Ôóíêöèîíàëüíàÿ
ñõåìà îïòèêî-àáñîðáöèîííûõ
äàò÷èêîâ.
Ê ïðåèìóùåñòâàì
äàò÷èêîâ äàííîãî
òèïà ñëåäóåò
îòíåñòè êðàéíå
ìàëóþ ïîãðåøíîñòü
âûõîäíîãî ñèãíàëà
îò òåìïåðàòóðû
îêðóæàþùåé ñðåäû,
à òàêæå âîçìîæíîñòü
ðàáîòû â øèðîêîì
äèàïàçîíå èçìåðåíèé.
Ê íåäîñòàòêàì,
äàò÷èêîâ äàííîãî
òèïà îòíîñÿòñÿ
çàâèñèìîñòü
âûõîäíîãî ñèãíàëà
îò íàëè÷èÿ â ñðåäå
ïûëè èëè äûìà,
à òàêæå îòíîñèòåëüíî
áîëüøèå ãàáàðèòû
èç-çà íàëè÷èÿ
ãàçîâîé êþâåòû
ñ ìíîæåñòâîì
ñâåòîâûõ ïðèçì
äëÿ óâåëè÷åíèÿ
ïðîõîäèìîãî ÈÊ-ëó÷îì
ïóòè. Ýòîò íåäîñòàòîê
íå ïîçâîëÿåò ïðèìåíÿòü
äàííûå äàò÷èêè
â ìàëîãàáàðèòíûõ
óñòðîéñòâàõ,
òàêèõ êàê ïðîåêòèðóåìûé
âèäåîêðîóëåð.
Òåðìîêàòàëèòè÷åñêèå. Ïðèíöèï
äåéñòâèÿ äàò÷èêà
îñíîâàí íà êàòàëèòè÷åñêîì
ñãîðàíèè óãëåâîäîðîäíûõ
ãàçîâ è ïàðîâ
íà ÷óâñòâèòåëüíîì
ýëåìåíòå äàò÷èêà.
Äàò÷èê ñîñòîèò
èç äâóõ ýëåìåíòîâ
(÷óâñòâèòåëüíîãî
è îïîðíîãî), óñòàíîâëåííûõ
â îäíîì êîðïóñå
è ðàçäåëåííûõ
ýêðàíîì (ðèñóíîê
2.2). Ýëåìåíòû ïðåäñòàâëÿþò
ñîáîé ïëàòèíîâûå
òåðìîðåçèñòîðû,
ïîêðûòûå êåðàìèêîé
îêñèäà àëþìèíèÿ
(÷óâñòâèòåëüíûé
ýëåìåíò - àêòèâèðîâàí
Pt - Pd êàòàëèçàòîðîì).
Âûõîäíîé ñèãíàë
äàò÷èêà îáóñëîâëåí
ðàçíîñòüþ òåìïåðàòóð
÷óâñòâèòåëüíîãî
è îïîðíîãî ýëåìåíòà
â ïðèñóòñòâèè
ãîðþ÷èõ ãàçîâ.
Ðèñóíîê 2.2 - Óñòðîéñòâî
òåðìîêàòàëèòè÷åñêîãî
äàò÷èêà
Ïðåèìóùåñòâîì
ýòèõ äàò÷èêîâ
ÿâëÿåòñÿ èõ ìàëûå
ãàáàðèòû è âåñ,
à íåäîñòàòêîì
- âîçìîæíîñòü
èçìåðÿòü ëèøü
äîâçðûâíûå êîíöåíòðàöèè
ãîðþ÷èõ ãàçîâ.
Îäíàêî, äàæå â
ýòîì ñëó÷àå ïðèìåíåíèå
äàííîãî äàò÷èêà
âîçìîæíî â ðàìêàõ
ïðîåêòèðóåìîãî
óñòðîéñòâà.
Ïîëóïðîâîäíèêîâûå. Ïðèíöèï
äåéñòâèÿ äàò÷èêà
îñíîâàí íà óâåëè÷åíèè
ïðîâîäèìîñòè
ïîëóïðîâîäíèêîâîé
êåðàìèêè, íàõîäÿùåéñÿ
ïðè òåìïåðàòóðå
400 - 450 îÑ â ïðèñóòñòâèè
âîññòàíàâëèâàþùèõ
ãàçîâ (ðèñóíîê
2.3). Ïðè ïèòàíèè
äàò÷èêà ñòàáèëèçèðîâàííûì
òîêîì âûõîäíîé
ñèãíàë (Uâûõ)
îáðàçóåòñÿ çà
ñ÷åò ðàçíèöû
ïàäåíèÿ íàïðÿæåíèÿ
íà ÷óâñòâèòåëüíîì
ýëåìåíòå â ÷èñòîì
âîçäóõå (Uâ) è ãàçîâîé
ñðåäå (Ur).
Ðèñóíîê 2.3 - Óñòðîéñòâî
ïîëóïðîâîäíèêîâîãî
äàò÷èêà
Ïðåèìóùåñòâà
è íåäîñòàòêè
ó ïîëóïðîâîäíèêîâîãî
äàò÷èêà ïðàêòè÷åñêè
òå æå, ÷òî è ó òåðìîêàòàëèòè÷åñêîãî.
Îäíàêî èç-çà îòñóòñòâèÿ
îïîðíîãî ýëåìåíòà
â äàò÷èêå, êîë-âî
ïðîâîäîâ äëÿ ðàáîòû
ñ íèì ñîêðàùåíî
ñ 3 äî 2. Ýòî ïîçâîëèò
ïðèìåíèòü êàáåëü
ñ ìåíüøèì ÷èñëîì
æèë, ÷òî áîëåå
ïðèåìëåìî äëÿ
ïðîåêòèðóåìîãî
óñòðîéñòâà.
Ïîñëå àíàëèçà
íàèáîëåå ðàñïðîñòðàí¸ííûõ
òèïîâ ãàçîàíàëèòè÷åñêèõ
äàò÷èêîâ, äëÿ
ïðèìåíåíèÿ âûáðàí
ïîëóïðîâîäíèêîâûé
äàò÷èê.
2.2 Ðàñ÷¸ò ïàðàìåòðîâ
êîíòðîëÿ
 êà÷åñòâå
èçìåðèòåëüíîãî
îáîðóäîâàíèÿ
íà âèäåîêðîóëåð
óñòàíîâëåí ïîëóïðîâîäíèêîâûé
äàò÷èê ãîðþ÷èõ
ãàçîâ ÏÃÑ-1Åõ.
Áîëåå ïîäðîáíîå
îïèñàíèå ýòîãî
äàò÷èêà áóäåò
äàíî â ïóíêòå
3. Çäåñü æå îñòàíîâèìñÿ
íà ïàðàìåòðàõ
èçìåðåíèÿ äàííûì
óñòðîéñòâîì
ãîðþ÷èõ ãàçîâ
(ïàðîâ æèäêèõ
óãëåâîäîðîäîâ).
Çíà÷åíèÿ îñíîâíûõ
ïàðàìåòðîâ äàò÷èêà,
äëÿ êàæäîãî èçìåðÿåìîãî
êîìïîíåíòà, äàíû
â òàáëèöå 2.2.
Òàáëèöà 2.2 - Ïàðàìåòðû
äàò÷èêà äëÿ èçìåðÿåìûõ
êîìïîíåíòîâ
Îïðåäåëÿåìûé
êîìïîíåíò
Åäåíèöà
èçìåðåíèÿ, %
Äèàïàçîí
èçìåðåíèé
Êîýôôèöèåíò
ïðåîáðàçîâàíèÿ
Åäåíèöà
ôèç. âåëè÷èíû
Ìåòàí
(ÑÍ4)
ÍÊÏÐ
0 - 50
0.32
ìÂ
Ïðîïàí
(Ñ3Í8)
ÍÊÏÐ
0 - 50
0.64
ìÂ
Áåíçèí
(C6H6)
ÍÊÏÐ
0 - 50
0.9
ìÂ
ÍÊÏÐ - ìèíèìàëüíîå
ñîäåðæàíèå ãîðþ÷åãî
ãàçà èëè ïàðà
â âîçäóõå, ïðè
êîòîðîì âîçìîæíî
ðàñïðîñòðàíåíèå
ïëàìåíè ïî ñìåñè
íà ëþáîå ðàññòîÿíèå
îò èñòî÷íèêà
[9].
Íàïðèìåð, äëÿ
ìåòàíà ÍÊÏÐ ðàâåí
5% îáúåìíîé äîëè
â âîçäóõå, äëÿ
ïðîïàíà - 2,1%, äëÿ áåíçèíà
- 4%.
Ãàçîàíàëèçàòîð
îáåñïå÷èâàåò
âûäà÷ó ñèãíàëà,
ïðîïîðöèîíàëüíîãî
çíà÷åíèþ êîíöåíòðàöèè
îïðåäåëÿåìîãî
êîìïîíåíòà. Çíà÷åíèå
êîíöåíòðàöèè
îïðåäåëÿåìîãî
êîìïîíåíòà ïî
âûõîäíîìó ñèãíàëó
âû÷èñëÿåòñÿ
ïî ôîðìóëå:
ãäå Uâûõ - âûõîäíîé ñèãíàë
äàò÷èêà â ìÂ;-
íèæíÿÿ ãðàíèöà
âûõîäíîãî ñèãíàëà,
ðàâíàÿ 2 ìÂ; Ñëåäîâàòåëüíî,
íîìèíàëüíàÿ
ôóíêöèÿ ïðåîáðàçîâàíèÿ
äàò÷èêà ïî âûõîäíîìó
òîêîâîìó ñèãíàëó
èìååò âèä:
ãäå Ñ - çíà÷åíèå
êîíöåíòðàöèè
îïðåäåëÿåìîãî
êîìïîíåíòà;
Ãðàôèê çàâèñèìîñòè
âûõîäíîãî ñèãíàëà
â ì îò ïðîöåíòíîãî
ñîäåðæàíèÿ èññëåäóåìîãî
êîìïîíåíòà â
åäèíèöàõ ÍÊÏÐ,
ïðåäñòàâëåí íà
ðèñóíêå 2.4.
Ðèñóíîê 2.4 - Çíà÷åíèå
âûõîäíîãî ñèãíàëà
îò êîíöåíòðàöèè
èçìåðÿåìîãî
êîìïîíåíòà äëÿ
äàò÷èêà ÏÃÑ-1Åõ
2.3 Îöåíêà ÷óâñòâèòåëüíîñòè
êîíòðîëÿ
Äëÿ ãàçîàíàëèòè÷åñêèõ
äàò÷èêîâ ÷óâñòâèòåëüíîñòü
ê èçìåðÿåìûì
êîìïîíåíòàì
îáû÷íî âûðàæàåòñÿ
â ñïåöèàëüíûõ
åäèíèöàõ - PPM.(ñîêðàùåíèå
îò àíãë. parts per million - «÷àñòåé
íà ìèëëèîí») - åäèíèöà
èçìåðåíèÿ êîíöåíòðàöèé
è äðóãèõ îòíîñèòåëüíî
ìàëûõ âåëè÷èí.
ppm = 0,001 ‰ = 0,0001%
Äëÿ äàò÷èêà
ÏÃÑ-1Åõ ÷óâñòâèòåëüíîñòü
ê ìåòàíó è ïðîïàíó
ñîñòàâëÿåò 10
ppm, à äëÿ áåíçèíà
- 100 ppm.  ïåðåñ÷¸òå
íà îáú¸ìíóþ äîëþ
â âîçäóõå, ýòî
ñîñòàâèò 0,001% è
0,01% ñîîòâåòñòâåííî.
Áîëåå ïîäðîáíûå
õàðàêòåðèñòèêè
÷óâñòâèòåëüíîñòè
äàò÷èêà ïðèâåäåíû
â òàáëèöå 2.3.
Ñòîèò îòìåòèòü,
÷òî äàííàÿ ÷óâñòâèòåëüíîñòü,
à òàêæå ïðî÷èå
òåõíè÷åñêèå
õàðàêòåðèñòèêè
äàò÷èêà îáåñïå÷èâàþòñÿ
òîëüêî ïðè ïîëíîì
ñîáëþäåíèè óñëîâèé
ýêñïëóàòàöèè,
êîòîðûå ïîäðîáíî
îãîâîðåíû â ïóíêòå
3.5.
Òàáëèöà 2.3 - Ïàðàìåòðû
÷óâñòâèòåëüíîñòè
äàò÷èêà ÏÃÑ-1Åõ
Ðåãèñòðèðóåìûé
ãàç â ãàçî-âîçäóøíîé
ñìåñè
×óâñòâèòåëüíîñòü
ê èçìåðÿåìîìó
êîìïîíåíòó,
ppm
Äèàïàçîí
ðåãèñòðàöèè,
% îá.
Ãàçî÷óâñòâèòåëüòåëüíîñòü
(îòíîøåíèå ñîïðîòèâëåíèÿ
ãàçî÷óâñòâ.
ñëîÿ â âîçäóõå
ê ñîïðîòèâëåíèþ
â êîíòðîëüíîé
ãàçîâîé ñìåñè
(Râîçäóõ/Rc, ãäå èí-äåêñ
Ñ-êîíöåíòðàöèÿ
ãàçà â ãàçîâîé
ñìåñè, % îá.)
Îòíîñè-òåëüíàÿ
ïîãðåø-íîñòü
ðåãè-ñòðàöèè,
%
Âðåìÿ
óñòàíîâ-ëåíèÿ
95% ñèãíàëà (t0.95), íå áîëåå, ñ
Áåíçèí
100
0,01 - 2,0
Râîçäóõ/R0.5 íå ìåíåå 7
10
2
Ìåòàí
10
0,001 - 2,5
Râîçäóõ/R1.0 íå ìåíåå 3
10
2
Ïðîïàí
10
0,001 - 1,0
Râîçäóõ/R0.5 íå ìåíåå
5
10
2
Ïðèìåíÿåìàÿ
â ðàçðàáàòûâàåìîì
óñòðîéñòâå âèäåîêàìåðà,
îáëàäàåò ñâåòî÷óâñòâèòåëüíîñòüþ
0,5 ëê. Áîëåå ïîäðîáíûå
õàðàêòåðèñòèêè
âèäåîêàìåðû, ïðèâåäåíû
â ïóíêòå 3.4.
3. Ðàçðàáîòêà
òåõíè÷åñêèõ
ñðåäñòâ êîíòðîëÿ
3.1 Ðàçðàáîòêà
ñòðóêòóðíîé
ñõåìû óñòàíîâêè
êîíòðîëÿ
Íà íà÷àëüíîì
ýòàïå ïðîåêòèðîâàíèÿ
ëþáîé óñòàíîâêè
íåîáõîäèìî ðàçðàáîòàòü
è ñîñòàâèòü ñòðóêòóðíóþ
ñõåìó óñòàíîâêè
êîíòðîëÿ.
Ñõåìû ñòðóêòóðíûå
è ôóíêöèîíàëüíûå
ïðåäíàçíà÷åíû
äëÿ îáùåãî îçíàêîìëåíèÿ
ñ èçäåëèåì è äëÿ
èçó÷åíèÿ îáùèõ
ïðèíöèïîâ ðàáîòû
èçäåëèÿ.
Äàííûå ñõåìû
ðàçðàáàòûâàþò
íà ýòàïàõ ýñêèçíîãî
è òåõíè÷åñêîãî
ïðîåêòèðîâàíèÿ.
Îíè îïðåäåëÿþòñÿ
ñëîæíîñòüþ èçäåëèÿ
è íåîáõîäèìîñòüþ
îáåñïå÷èòü èñõîäíûìè
äàííûìè ïîñëåäóþùèé
ýòàï ïðîåêòèðîâàíèÿ
[10].
Íà ñòðóêòóðíîé
ñõåìå â âèäå ïðÿìîóãîëüíèêîâ
äîëæíû áûòü èçîáðàæåíû
âñå îñíîâíûå
ôóíêöèîíàëüíûå
÷àñòè èçäåëèÿ.
Äîïóñêàåòñÿ
èçîáðàæàòü ýëåìåíòû,
óñòðîéñòâà, ôóíêöèîíàëüíûå
÷àñòè â âèäå óñëîâíûõ
ãðàôè÷åñêèõ
îáîçíà÷åíèé
(ÓÃÎ). Îñíîâíûå
ñîñòàâíûå ÷àñòè
èçäåëèÿ èçîáðàæàþòñÿ,
êàê ïðàâèëî, áåç
ó÷åòà èõ äåéñòâèòåëüíîãî
ðàñïîëîæåíèÿ
è ïîäðîáíîñòåé.
Îäíàêî ãðàôè÷åñêîå
ïîñòðîåíèå ñõåìû
äîëæíî íàãëÿäíî
ïîêàçûâàòü âçàèìîäåéñòâèå
ôóíêöèîíàëüíûõ
÷àñòåé â èçäåëèè.
Íà ñõåìå äîëæíû
áûòü ïîêàçàíû
âçàèìîñâÿçè
ýëåêòðè÷åñêèå
è, ïðè íåîáõîäèìîñòè,
ìåõàíè÷åñêèå,
ñóùåñòâóþùèå
ìåæäó ôóíêöèîíàëüíûìè
÷àñòÿìè. Íà ëèíèÿõ
âçàèìîñâÿçè
ìîæíî ñòðåëêàìè
ïîêàçûâàòü íàïðàâëåíèå
õîäà ïðîöåññîâ,
ïðîèñõîäÿùèõ
â èçäåëèè. Ãðàôè÷åñêîå
ïîñòðîåíèå ñòðóêòóðíîé
ñõåìû äîëæíî
íàãëÿäíî ïîêàçûâàòü
âçàèìîäåéñòâèå
ôóíêöèîíàëüíûõ
÷àñòåé â èçäåëèè.
Ñòðóêòóðíàÿ
ñõåìà ïðèìåíÿåòñÿ
äëÿ èçó÷åíèÿ
ïðèíöèïîâ ðàáîòû
ïðè íàëàäêå, ðåãóëèðîâêå,
êîíòðîëå è ðåìîíòå.
Ñòðóêòóðíàÿ
ñõåìà ñîñòîèò
èç ñëåäóþùèõ
áëîêîâ:
- îáúåêò êîíòðîëÿ;
- äàò÷èê
ãîðþ÷èõ ãàçîâ;
- îñâåòèòåëüíîå
óñòðîéñòâî;
- âèäåîêàìåðà;
- ïåðåäâèæíàÿ
ïëàòôîðìà;
- ìíîãîæèëüíûé
ñîåäèíèòåëüíûé
êàáåëü;
- ãàçîàíàëèçàòîð;
- áëîê óïðàâëåíèÿ;
- âèäåîðåãèñòðàòîð;
- áëîê ïèòàíèÿ.
Ñòðóêòóðíàÿ
ñõåìà óñòàíîâêè
êîíòðîëÿ ïðåäñòàâëåíà
íà ÷åðòåæå 20.01.02
00.00.000 C1.
3.2 Âûáîð ñòðóêòóðíûõ
ýëåìåíòîâ è îñíîâíûå
òðåáîâàíèÿ ê
íèì
Îïèøåì òðåáîâàíèÿ
è íàçíà÷åíèå
äëÿ êàæäîãî áëîêà
ñòðóêòóðíîé
ñõåìû è îïðåäåëèì
âûáîð èëè åãî
äàëüíåéøóþ ðàçðàáîòêó.
Äàò÷èê ãîðþ÷èõ
ãàçîâ ïðåäíàçíà÷åí
äëÿ èçìåðåíèÿ
îáú¸ìíîé êîíöåíòðàöèè
óãëåâîäîðîäîâ,
êîòîðûå íàõîäÿòñÿ
(ìåòàí, ïðîïàí)
èëè ìîãóò íàõîäèòñÿ
â ãàçîîáðàçíîì
ñîñòîÿíèè (áåíçèí)
ïðè íîðìàëüíûõ
óñëîâèÿõ âíóòðè
ÎÊ.
Îñâåòèòåëüíîå
óñòðîéñòâî äîëæíî
îáåñïå÷èâàòü
îñâåù¸ííîñòü
ÎÊ, äîñòàòî÷íîå
äëÿ åãî âèçóàëüíî-îïòè÷åñêîãî
îñìîòðà.
Âèäåîêàìåðà âûïîëíÿåò
ðîëü ïåðâè÷íîãî
ïðè¸ìíèêà â ýëåêòðîííî-îïòè÷åñêîé
ñõåìå. Ñ ïîìîùüþ
íå¸ è îñóùåñòâëÿåòñÿ
âèçóàëüíî-îïòè÷åñêèé
îñìîòð âíóòðåííèõ
ïîâåðõíîñòåé
ÎÊ.
Ïåðåäâèæíàÿ
ïëàòôîðìà ïðåäíàçíà÷åíà
äëÿ ïåðåìåùåíèÿ
ïî ÎÊ îñâåòèòåëüíîãî,
èçìåðèòåëüíîãî,
ðåãèñòðèðóþùåãî,
è äðóãîãî îáîðóäîâàíèÿ.
Äëÿ ïåðåäâèæåíèÿ
ïî ÎÊ, êðîóëåð îñíàùàåòñÿ
ýëåêòðîïðèâîäîì,
êîòîðûé ïåðåäà¸ò
âðàùåíèå íà ðàáî÷èé
îðãàí (êîëåñî
èëè ãðåáíîé âèíò).
Ìíîãîæèëüíûé
ñîåäèíèòåëüíûé êàáåëü
ñëóæèò äëÿ ïåðåäà÷è
èíôîðìàöèîííûõ
ñèãíàëîâ îò âèäåîêàìåðû
è äàò÷èêà ãîðþ÷èõ
ãàçîâ ê âèäåî
ðåãèñòðàòîðó
è ãàçîàíàëèçàòîðó
ñîîòâåòñòâåííî.
Îò áëîêà óïðàâëåíèÿ
ñèãíàë ìîæåò
ïîäàâàòüñÿ íà
óïðàâëåíèå ýëåêòðîïðèâîäîì,
îñâåòèòåëüíûì
óñòðîéñòâîì,
âèäåîêàìåðîé.
Òàêæå ÷åðåç êàáåëü
ïðîèñõîäèò ñíàáæåíèå
âñåõ ñèñòåì âèäåîêðîóëåðà
ýëåêòðîýíåðãèåé.
 êà÷åñòâå
ãàçîàíàëèçàòîðà
ìîæåò ïðèìåíÿòüñÿ
ëþáîé ïåðåíîñíîé
ïðèáîð, ñïîñîáíûé
ðàáîòàòü ñ ïîëóïðîâîäíèêîâûìè
äàò÷èêàìè ãîðþ÷èõ
ãàçîâ. Ïðèáîð
äîëæåí áûòü ñîãëàñîâàí
ñ äàò÷èêîì êàê
ïî òèïó îïðåäåëÿåìîãî
ãàçà, òàê è ïî
äèàïàçîíàì èçìåðåíèÿ.
Áëîê óïðàâëåíèÿ ñëóæèò
äëÿ ìàíèïóëÿöèè
ðàçëè÷íûìè ñèñòåìàìè
êðîóëåðà. Íàïðèìåð,
èíòåíñèâíîñòüþ
îñâåòèòåëüíûõ
óñòðîéñòâ, ñêîðîñòüþ
è íàïðàâëåíèåì
âðàùåíèÿ ýëåêòðîïðèâîäà.
 êà÷åñòâå
âèäåîðåãèñòðàòîðà
ìîæåò áûòü èñïîëüçîâàí
ïîðòàòèâíûé
ÆÊ-ìîíèòîð. Îäíàêî,
íàèáîëåå ïðèåìëåìûì
âàðèàíòîì áóäåò
èñïîëüçîâàíèå
íîóòáóêà ñ íàëè÷èåì
âèäåî âõîäà. Ýòî
ïîçâîëèò çàïèñûâàòü
ðåçóëüòàòû êîíòðîëÿ
â âèäåî èëè ãðàôè÷åñêèé
ôàéë, äëÿ èõ ïîñëåäóþùåãî
ïðîñìîòðà è âûâîäà
íà ïå÷àòü.
Áëîê ïèòàíèÿ îáåñïå÷èâàåò
âñå ýëåêòðè÷åñêèå
ñèñòåìû âèäåîêðîóëåðà
ýíåðãèåé. Îí äîëæåí
âûäàâàòü ïîñòîÿííûé
òîê òðåáóåìîãî
íàïðÿæåíèÿ, à
åãî ìîùíîñòè
äîëæíî õâàòàòü
äëÿ îáåñïå÷åíèÿ
ðàáîòû âèäåîêðîóëåðà
â òå÷åíèè äîñòàòî÷íî
ïðîäîëæèòåëüíîãî
âðåìåíè.
3.3 Ìîäåëèðîâàíèå
è ðàñ÷¸ò ìåõàíè÷åñêîé
÷àñòè êðîóëåðà
Ïî òåõíè÷åñêîìó
çàäàíèþ ìàêñèìàëüíàÿ
äëèíà îáñëåäóåìîé
÷àñòè òðóáû äîëæíà
ñîñòàâëÿòü 50 ì.
Äëÿ ýòîãî íåîáõîäèìî
èñïîëüçîâàòü
ìíîãîæèëüíûé
êàáåëü ñîîòâåòñòâóþùåé
äëèíû. Äëÿ ðåøåíèÿ
ýòîé çàäà÷è áûë
âûáðàí 10-òè æèëüíûé
êàáåëü ÊÑÏÂ ïðîèçâîäñòâà
ôèðìû «Ïàðèòåò»
(ÐÔ). Äàííûé òèï
êàáåëÿ ïðåäíàçíà÷åí
äëÿ èñïîëüçîâàíèÿ
â ñèñòåìàõ ñèãíàëèçàöèè
è òåëåêîììóíèêàöèè.
Òåõíè÷åñêèå
õàðàêòåðèñòèêè
êàáåëåé äàííîãî
òèïà ïðåäñòàâëåíû
íèæå [11].
Òàáëèöà 3.1 - Òåõíè÷åñêèå
õàðàêòåðèñòèêè
êàáåëåé ÊÑÏÂ
×èñëî
æèë / äèàìåòð æèëû
(ìì)
Íîìèíàëüíûé
íàðóæíûé äèàìåòð
(ìì)
Ìàññà
êàáåëÿ (êã/êì)
Ýëåêòðè÷åñêîå
ñîïðîòèâëåíèå
ïðîâîäÿùèõ æèë
0,4 ìì ïîñòîÿííîìó
òîêó ïðè 200Ñ, ÍÅ
áîëåå (Îì/êì)
2 õ 0,4
2,8
7,27
148
4 õ 0,4
3,2
12,10
6 õ 0,4
3,7
16,43
8 õ 0,4
4,0
20,62
10 õ 0,4
4,8
26,10
12 õ 0,4
5,0
30,27
Èç òàáëèöû
âèäíî, ÷òî óäåëüíàÿ
ìàññà 10-òè æèëüíîãî
êàáåëÿ ñîñòàâëÿåò
26,1 ã/ì. Ñëåäîâàòåëüíî
ìàññà êàáåëÿ
äëèííîé 50 ì ñîñòàâèò:
Êðîìå òîãî,
èçíà÷àëüíî ïðåäïîëàãàëîñü,
÷òî ìàññà ñàìîãî
êðîóëåðà íå ïðåâûñèò
1,8 êèëîãðàììà. Ñëåäîâàòåëüíî,
ìàêñèìàëüíàÿ
ìàññà ãðóçà,
êîòîðóþ íåîáõîäèìî
ïåðåìåùàòü íå
ïðåâûñèò 3,1 êã.
Ïîñëå ïðåäâàðèòåëüíîãî
ýñêèçèðîâàíèÿ
ïîëîæåíèÿ êðîóëåðà
â òðóáå äèàìåòðîì
100 ìì, áûëî âûÿñíåíî,
÷òî äëÿ ýôôåêòèâíîãî
èñïîëüçîâàíèÿ
âñåãî ñâîáîäíîãî
ïðîñòðàíñòâà
òðóáû òàêîãî
äèàìåòðà, óãîë
ñêîñà êîë¸ñ äîëæåí
ñîñòàâëÿòü 50°, à
øèðèíà êîëåñ
10 ìì. Ñêîñ êîë¸ñ
íóæåí äëÿ òîãî,
÷òîáû âî âðåìÿ
ïðîäâèæåíèÿ ïî
òðóáàì ñ ìàëûì
ðàäèóñîì êðèâèçíû,
êðîóëåð âñ¸ âðåìÿ
ñîõðàíÿë ïðÿìîé
êóðñ. Äèàìåòð
êîë¸ñ áûë êîíñòðóêòèâíî
âûáðàí ðàâíûì
60 ìì, à çàçîð ìåæäó
êîëåñîì è êîðïóñîì
êðîóëåðà 3 ìì.
Øèðèíà ïëàòôîðìû
êðîóëåðà ñîñòàâèëà
ïðè ýòîì 50 ìì. Èç
ýòîãî ñëåäîâàëî,
÷òî äâèãàòåëü,
íåîáõîäèìûé
äëÿ ïåðåäâèæåíèÿ
êðîóëåðà ñ îáùåé
ìàññîé 2,8 êã, íóæíî
ðàñïîëàãàòü âäîëü
ïëàòôîðìû, à äëÿ
ïåðåäà÷è âðàùàòåëüíîãî
äâèæåíèÿ íà êîë¸ñà,
ïîòðåáóåòñÿ êîíè÷åñêèé
ðåäóêòîð.
Îñíîâíûå õàðàêòåðèñòèêè
ïåðåäà÷:
– ìîùíîñòü
Ð1 íà âõîäå è
Ð2 íà âûõîäå, Âò;
– áûñòðîõîäíîñòü,
êîòîðàÿ âûðàæàåòñÿ
÷àñòîòîé âðàùåíèÿ
n1 íà âõîäå è n2 íà âûõîäå,
ìèí-1, èëè óãëîâûìè
ñêîðîñòÿìè ù1 è ù2, ñ-1.
Ýòè õàðàêòåðèñòèêè
ìèíèìàëüíî íåîáõîäèìû
è äîñòàòî÷íû
äëÿ ïðîåêòíîãî
ðàñ÷¸òà ëþáîé
ïåðåäà÷è [12].
Ïðîâåä¸ì ýíåðãåòè÷åñêèé
è êèíåìàòè÷åñêèé
ðàñ÷¸ò ïðèâîäà.
Èñõîäíûìè äàííûìè
äëÿ ýòîãî ðàñ÷¸òà
ÿâëÿþòñÿ:
– ìàêñèìàëüíàÿ
ìàññà êðîóëåðà
(âìåñòå ñ ïðîâîäîì):
m = 3,1 êã;
– äèàìåòð êîëåñ:
d = 0.06 ì;
– ìàêñèìàëüíàÿ
ñêîðîñòü êðîóëåðà:
v = 0,1 ì/ñ;
– óñêîðåíèå
ñâîáîäíîãî ïàäåíèÿ:
g = 9.8 ì/ñ2;
– êîýôôèöèåíò
ñîïðîòèâëåíèÿ
ïåðåêàòûâàíèþ:
fk = 0.08 (ïðèáëèæ¸ííî);
– êîýôôèöèåíò
ñîïðîòèâëåíèÿ
êà÷åíèþ: Õ = 10 (ïðèáëèæ¸ííî);
– ÊÏÄ âñåãî
ïðèâîäà: ç0 = 0.7 (êîíñòðóêòèâíî).
Âåñ òåëåæêè
G:
Ñèëà ñîïðîòèâëåíèÿ
êà÷åíèþ F:
Ñèëà ñîïðîòèâëåíèÿ
äâèæåíèþ êðîóëåðà
Fc:
Ìîùíîñòü,
ïîòðåáëÿåìàÿ
ðàáî÷èì îðãàíîì
Ðñ:
Ìîùíîñòü,
ïîòðåáëÿåìàÿ
ýëåêòðîäâèãàòåëåì
Ðýä:
Óãëîâàÿ ñêîðîñòü
âðàùåíèÿ êîëåñà
ùÊÎË:
×àñòîòà âðàùåíèÿ
êîëåñà nÊÎË:
 êà÷åñòâå
ñèëîâîé óñòàíîâêè
áûëî ïðèíÿòî ðåøåíèå
èñïîëüçîâàòü
áåñêîëëåêòîðíûé
ìèêðîäâèãàòåëü
ïîñòîÿííîãî
òîêà. Ýòè äâèãàòåëè
íàõîäÿò øèðîêîå
ïðèìåíåíèå â
ñèñòåìàõ àâòîìàòèêè,
òåëåìåõàíèêè,
â âû÷èñëèòåëüíîé
òåõíèêå, âûïîëíÿÿ
ðàçëè÷íûå, ïîðîé
óíèêàëüíûå ôóíêöèè.
Ýëåêòðè÷åñêèå
ìèêðîìàøèíû
îòëè÷àþòñÿ îò
ìàøèí ñðåäíåé
è áîëüøîé ìîùíîñòè
íå òîëüêî ìàëûìè
ðàçìåðàìè. Äëÿ
íèõ õàðàêòåðíû
î÷åíü øèðîêèå
äèàïàçîíû ÷àñòîòû
âðàùåíèÿ (îò îäíîãî
îáîðîòà â ñóòêè
äëÿ äâèãàòåëÿ
ñ ðåäóêòîðîì, äî
íåñêîëüêèõ äåñÿòêîâ
òûñÿ÷ îáîðîòîâ
â ìèíóòó), îòíîñèòåëüíî
áîëüøîå çíà÷åíèå
òîêà õîëîñòîãî
õîäà (äî 90%), ìàëî
èëè ïðàêòè÷åñêè
ñîâñåì íå íàñûùåííûå
ìàãíèòíûå öåïè,
çíà÷èòåëüíî
ìåíüøèå ïîòåðè
â ñòàëè, ïî ñðàâíåíèþ
ñ ïîòåðÿìè â îáìîòêàõ,
áîëüøèå ïëîòíîñòè
òîêà â îáìîòêàõ.
Êðîìå òîãî, â îòëè÷èå
îò êîëëåêòîðíûõ
äâèãàòåëåé, îòñóòñòâèå
òðóùèõñÿ ÷àñòåé,
òàêèõ, êàê ù¸òêà
è êîëëåêòîð, äåëàåò
äâèãàòåëü ãîðàçäî
ìåíåå òðåáîâàòåëüíûì
ê îáñëóæèâàíèþ
è ðåìîíòó.
Íåäîñòàòêîì
äàííûõ äâèãàòåëåé
ïî ñðàâíåíèþ
ñ øàãîâûìè ïðèâîäàìè,
ÿâëÿåòñÿ íåâîçìîæíîñòü
òî÷íîãî ïîçèöèîíèðîâàíèÿ
âàëà. Âìåñòå ñ
òåì, êîãäà íå òðåáóåòñÿ
òî÷íîå ïîçèöèîíèðîâàíèå,
à òîëüêî óïðàâëåíèå
ñêîðîñòüþ, áåñêîëëåêòîðíûé
äâèãàòåëü ïîñòîÿííîãî
òîêà ñ ðåäóêòîðîì
ÿâëÿåòñÿ íàèáîëåå
ýêîíîìè÷íûì
ðåøåíèåì, ïîñêîëüêó,
â îòëè÷èå îò øàãîâûõ
äâèãàòåëåé, íå
òðåáóåò ñëîæíûõ
ñõåì óïðàâëåíèÿ.
Ýòî î÷åíü âàæíî,
òàê êàê ñòîèìîñòü
ñõåìû óïðàâëåíèÿ
øàãîâûì äâèãàòåëåì
ñîïîñòàâèìà
ñî ñòîèìîñòüþ
ñàìîãî äâèãàòåëÿ.
Êðîìå òîãî ïðîáëåìà
ïîçèöèîíèðîâàíèÿ
âàëà, ìîæåò ÷àñòè÷íî
ðåøàòüñÿ óñòàíîâêîé
îïòè÷åñêèõ è
ìàãíèòíûõ ýíêîäåðîâ
(äàò÷èêîâ Õîëëà).
Íåñìîòðÿ íà ñêðîìíûå
ãàáàðèòû óðîâåíü
âðàùàþùåãî ìîìåíòà
è äîïóñòèìûå
ñêîðîñòè âðàùåíèÿ
äîñòàòî÷íî âûñîêè.
Èñõîäÿ èç ðàñ÷¸òíîé
ìîùíîñòè äâèãàòåëÿ
è øèðèíû ïëàòôîðìû,
áûë âûáðàí ìîòîð-ðåäóêòîð
ñåðèè IG-32GM ôèðìû
KING RIGHT MOTOR (ðèñóíîê 3.1).
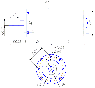
Ðèñóíîê 3.1 - Ìîòîð-ðåäóêòîð
IG-32GM
Ìîòîð-ðåäóêòîð
ñåðèè IG-32GM ñîñòîèò
èç ðåâåðñèâíîãî
áåñêîëëåêòîðíîãî
äâèãàòåëÿ ïîñòîÿííîãî
òîêà è ïëàíåòàðíîãî
ðåäóêòîðà. Ýëåêòðîäâèãàòåëü
íåîáñëóæèâàåìûé.
Ïåðåäàòî÷íûå
÷èñëà ïðèëàãàåìûõ
ðåäóêòîðîâ 5~721. Êîëè÷åñòâî
ñòóïåíåé 1~4. Òåìïåðàòóðíûé
äèàïàçîí ýêñïëóàòàöèè
îò -10°Ñ äî +50°Ñ. Ìîäóëü
çóá÷àòûõ êîëåñ
0,5 ìì. Ðàäèàëüíîå
áèåíèå âûõîäíîãî
âàëà ðåäóêòîðà
íå áîëåå 0,05 ìì, îñåâîå
áèåíèå íå áîëåå
0,3 ìì [13]. Ãàáàðèòíûå
è ïðèñîåäèíèòåëüíûå
ðàçìåðû äâèãàòåëÿ
ïðèâåäåíû íà ðèñóíêå
3.2.
Ðèñóíîê 3.2 - Ãàáàðèòíûå
è ïðèñîåäèíèòåëüíûå
ðàçìåðû ìîòîð-ðåäóêòîðà
IG-32GM
Íàïðÿæåíèå
ïèòàíèÿ äâèãàòåëÿ
12Â. Âûõîäíàÿ ìîùíîñòü
4 Âò. Íîìèíàëüíàÿ
÷àñòîòà âðàùåíèÿ
äàííîãî äâèãàòåëÿ
nÝÄ ñîñòàâëÿåò
5300 ìèí-1. Ñëåäîâàòåëüíî
îáùåå ïåðåäàòî÷íîå
÷èñëî âñåãî ïðèâîäà
U0:
Ïåðåäàòî÷íîå
îòíîøåíèå ñëåäóåò
ðàçäåëèòü íà
2 ñòóïåíè. Ïåðâîé
ñòóïåíüþ áóäåò
ÿâëÿòüñÿ ïëàíåòàðíûé
ðåäóêòîð, êîòîðûé
âñòðàèâàåòñÿ
â ìîòîð IG-32GM, à âòîðîé
ñòóïåíüþ áóäåò
ÿâëÿòüñÿ êîíè÷åñêèé
ðåäóêòîð. Èç ïîñòàâëÿåìûõ
ê äàííîìó ýëåêòðîäâèãàòåëþ
ïîíèæàþùèõ ïåðåäà÷,
áûë âûáðàí ïëàíåòàðíûé
ðåäóêòîð ñ ïåðåäàòî÷íûì
÷èñëîì ðàâíûì
U1 = 14. Ñëåäîâàòåëüíî,
ïåðåäàòî÷íîå
îòíîøåíèå êîíè÷åñêîãî
ðåäóêòîðà U2 äîëæíî
ñîñòàâëÿòü:
Èñõîäÿ èç ãàáàðèòíûõ
õàðàêòåðèñòèê
(øèðèíà ïëàòôîðìû)
è ïåðåäàòî÷íîãî
îòíîøåíèÿ, áûë
âûáðàí êîíè÷åñêèé
ðåäóêòîð ñ äâóìÿ
âûõîäíûìè âàëàìè
ôèðìû SHAYANG YE INDUSTRIAL (ðèñóíîê
3.3).
Ðèñóíîê 3.3 - Êîíè÷åñêèé
ðåäóêòîð ñ äâóìÿ
âûõîäíûìè âàëàìè
Íåêîòîðûå
õàðàêòåðèñòèêè
äàííîãî ðåäóêòîðà:
– ïåðåäàòî÷íîå
îòíîøåíèå U = 12;
– ìàññà m = 250 ã.;
– íîìèíàëüíûé
ñðîê ñëóæáû t =
12000 ÷.
Ïîñëå ìîäåëèðîâàíèÿ
âèäåîêðîóëåðà
â ñèñòåìå Kompas 3D, ðàñ÷åò
ÌÖÕ ìîäåëè ïîêàçàë,
÷òî ìàññà óñòðîéñòâà
áåç ïðîâîäà ñîñòàâèëà
1404 ãðàììà. Ò.å. ó ñèëîâîé
óñòàíîâêè êðîóëåðà
åñòü äîñòàòî÷íûé
çàïàñ ïî ìîùíîñòè.
3.4 Ìîäåëèðîâàíèå
è ðàñ÷¸ò îïòèêî-ýëåêòðîííîé
÷àñòè êðîóëåðà
Ïî òåõíè÷åñêîìó
çàäàíèþ, ðàçðåøàþùàÿ
ñïîñîáíîñòü
âèäåîêàìåðû äîëæíà
ñîñòàâëÿòü íå
ìåíåå 420 ÒÂ ëèíèé.
Èñõîäÿ èç ýòîãî,
áûëà âçÿòà ìèíèêîðïóñíàÿ
êàìåðà KPC-VSN700PHB (ðèñóíîê
3.4) ôèðìû KT&C (Þæíàÿ
Êîðåÿ).
Ðèñóíîê 3.4 - Ìèíèêîðïóñíàÿ
êàìåðà KPC-VSN700PHB
Òåõíè÷åñêèå
õàðàêòåðèñòèêè
äàííîãî óñòðîéñòâà
ïðåäñòàâëåíû
â òàáëèöå 3.2 [11].
Òàáëèöà 3.2 - Òåõíè÷åñêèå
õàðàêòåðèñòèêè
êàìåðû KPC-VSN700PHB
ÏÇÑ-ìàòðèöà
1/3»
SONY Super HAD CCD II
×àñòîòà
ðàçâåðòêè
PAL:15,625 êÃö
(Ã), 50 Ãö (Â)
Ðàçðåøåíèå
550 ÒÂË
Äåéñòâóþùèå
ïèêñåëè
PAL: 752 (Ã)
õ 582 (Â)
Óãîë
ïîëÿ çðåíèÿ
72î
Ñâåòî÷óâñòâèòåëüíîñòü
0,5 ëê
/ F2.0
Îòíîøåíèå
ñèãí./øóì
48 äÁ
Íàïðÿæåíèå
ïèòàíèÿ
12Â, IMAX = 90 ìÀ
Ìàññà
81 ã
Ãàáàðèòíûå
ðàçìåðû
30õ30õ28,5
 êà÷åñòâå
îñíîâíîãî îñâåùåíèÿ,
íà âèäåîêðîóëåð
áûë óñòàíîâëåí
ñâåòîäèîäíûé
ïðîæåêòîð PicLight, ñîñòîÿùàÿ
èç 3 ñâåòîäèîäîâ
ìîùíîñòüþ ïî
1 Âò êàæäûé (ðèñóíîê
3.7). Äîïîëíèòåëüíîå
îñâåùåíèå ñîñòîèò
èç 7 ñâåòîäèîäîâ
ìàðêè ÊÈÏÄ 80Ý20-Á1-Ï,
îêàéìëÿþùèõ
îáúåêòèâ âèäåîêàìåðû
ïî êîíòóðó.
Äàííûå ñâåòîäèîäû
èìåþò âûñîêóþ
ÿðêîñòü, è ìàëûé
äèàìåòð (5 ìì). Ïðîèçâîäèòåëü
ÎÀÎ «Ïðîòîí» (ðèñóíîê
3.5).
Ðèñóíîê 3.5 - Ñâåòîäèîäû
ñåðèè ÊÈÏÄ
Îñíîâíûå õàðàêòåðèñòèêè
ñâåòîäèîäîâ ìàðêè
ÊÈÏÄ 80Ý20-Á1-Ï ïðåäñòàâëåíû
â òàáëèöå 3.3.
Òàáëèöà 3.3 - Õàðàêòåðèñòèêè
ñâåòîäèîäîâ ÊÈÏÄ
80Ý20-Á1-Ï
Äèàïàçîí
ðàáî÷èõ òåìïåðàòóð
- 60°Ñ …
+ 85°Ñ
Îñíîâíûå
õàðàêòåðèñòèêè
ïðè t
25°Ñ
Öâåò
ëèíçû
Ïðîçðà÷íûé
Öâåò
ñâå÷åíèÿ
Áåëûé
Ñèëà
ñâåòà ïðè If = 20 ìÀ, ìêä
15000 - 20000
Ïðÿìîå
íàïðÿæåíèå Uf (íîìèíàë./ìàêñ.),
Â
3,5 / 4.0
Ïîëíûé
óãîë îáçîðà, ãðàä.
(íå ìåíåå)
20
Ñâåòîäèîäû
ñëåäóåò âêëþ÷àòü
â öåïü ÷åðåç áàëëàñòíûå
ñîïðîòèâëåíèÿ,
ò.ê. íàïðÿæåíèå
ïèòàíèÿ èñòî÷íèêà
ïðåâûøàåò ïðÿìîå
íàïðÿæåíèå ñâåòîäèîäîâ.
Äëÿ âñïîìîãàòåëüíîãî
îñâåùåíèÿ, ñâåòîäèîäû
áóäåì âêëþ÷àòü
â öåïü ïî ñëåäóþùåé
ñõåìå:
Ðèñóíîê 3.6 - Ýëåêòðè÷åñêàÿ
ñõåìà âñïîìîãàòåëüíîãî
îñâåùåíèÿ
Ðèñóíîê 3.7 - Ñâåòîäèîäíûé
ïðîæåêòîð PicLight
Ïðîèçâåä¸ì
ðàñ÷¸ò áàëëàñòíûõ
ñîïðîòèâëåíèé.
Èñõîäíûìè äàííûìè
äëÿ ðàñ÷¸òà ÿâëÿþòñÿ:ÏÈÒ
= 12 Â, Uf = 3,5 Â, If = 20 ìÀ =
0.02 À.
Ïàäåíèå íàïðÿæåíèÿ
íà ðåçèñòîðàõ
R1 è R2 UÁÀËËÀÑÒÍ.:
Ñîïðîòèâëåíèÿ
ðåçèñòîðîâ R1 è
R2:
Èç ñòàíäàðòíîãî
ðÿäà Å48 âûáèðàåì
ðåçèñòîðû íîìèíàëîì
249 Îì. Àíàëîãè÷íî
ïðîâîäèì ðàñ÷åò
äëÿ ðåçèñòîðîâ
R3 - R7. Ïîëó÷åííîå
ñîïðîòèâëåíèå
ïðè ýòîì ñîñòàâèëî
75 Îì.
3.5 Óñòàíîâêà
èçìåðèòåëüíîãî
îáîðóäîâàíèÿ
Íà ïðîåêòèðóåìîå
óñòðîéñòâî, ïëàíèðóåòñÿ
óñòàíîâêà äàò÷èêà
ãîðþ÷èõ ãàçîâ,
êîòîðûé ÷åðåç
ìíîãîæèëüíûé
ñîåäèíèòåëüíûé
êàáåëü áóäåò
ïîäêëþ÷àòüñÿ
ê ñîîòâåòñòâóþùåìó
ïîðòàòèâíîìó
ãàçîàíàëèçàòîðó.
 êà÷åñòâå
äàò÷èêà, áûë âûáðàí
ïîëóïðîâîäíèêîâûé
ñåíñîð ÏÃÑ-1Åõ,
ïðîèçâîäñòâà
ôèðìû «Ôàðìýê»
[14].
Ñåíñîð ðàçðàáîòàí
äëÿ èñïîëüçîâàíèÿ
â ïðèáîðàõ, ïðåäíàçíà÷åííûõ
äëÿ îáíàðóæåíèÿ
óòå÷åê, ñèãíàëèçàòîðàõ,
èçìåðèòåëÿõ
êîíöåíòðàöèè
ãîðþ÷èõ è òîêñè÷íûõ
ãàçîâ â âîçäóõå
(ðèñóíîê 3.8).
Åãî ïðåèìóùåñòâàìè
ÿâëÿþòñÿ âûñîêàÿ
÷óâñòâèòåëüíîñòü
è áûñòðîäåéñòâèå,
íèçêîå ýíåðãîïîòðåáëåíèå,
âçðûâîáåçîïàñíîå
èñïîëíåíèå, íåáîëüøîé
ðàçìåð è âåñ.
Ðèñóíîê 3.8 - Äàò÷èê
ÏÃÑ-1Åõ â îáû÷íîì
è âçðûâîçàùèù¸ííîì
èñïîëíåíèè
Âî âçðûâîçàùèù¸ííîì
èñïîëíåíèè, äàò÷èê
ìîæåò ïîñòàâëÿòüñÿ
êàê äëÿ êîíòðîëÿ
äâóõ êîìïîíåíòîâ
(ìåòàí - ïðîïàí),
òàê è òð¸õ (ìåòàí
- ïðîïàí, áåíçèíà).
Òåõíè÷åñêèå
õàðàêòåðèñòèêè
äàò÷èêà ïðåäñòàâëåíû
â òàáëèöå 3.4.
Òàáëèöà 3.4 - Òåõíè÷åñêèå
õàðàêòåðèñòèêè
äàò÷èêà ÏÃÑ-1Åõ
Íàïðÿæåíèå
ïèòàíèÿ, Â
1 - 2,4
Ïîòðåáëÿåìûé
òîê, ìÀ
40 - 110
Ñîïðîòèâëåíèå
÷óâñòâèòåëüíîãî
ñëîÿ, ÌÎì
1 - 3
Ëèíåéíîñòü
â äèàïàçîíå, ÍÊÏÐ%
0 - 50
Èñïîëíåíèå
Âçðûâîáåçîïàñíîå
Áûñòðîäåéñòâèå,
ñ (íå áîëåå)
3
Âðåìÿ
ïðîãðåâà, ìèí
(íå áîëåå)
2
Ìàññà,
ã (íå áîëåå): - ñ âçðûâîáåçîïàñíûì
êîðïóñîì - áåç
âçðûâîáåçîïàñíîãî
êîðïóñà
120 3
Ñðåäíÿÿ
íàðàáîòêà íà
îòêàç ïðè ñîáëþäåíèè
óñëîâèé ýêñïëóàòàöèè,
÷ (íå ìåíåå)
10 000
Óñëîâèÿ ýêñïëóàòàöèè
ñåíñîðà:
- òåìïåðàòóðà
îêðóæàþùåé ñðåäû
îò ìèíóñ 60 äî ïëþñ
100 0Ñ;
- îòíîñèòåëüíàÿ
âëàæíîñòü ãàçà
äî 98% ïðè 35 0Ñ áåç
êîíäåíñàöèè
âëàãè;
- àòìîñôåðíîå
äàâëåíèå 87.8 - 19.7 êÏà
(660 - 900 ìì. ðò. ñò.);
- ñîäåðæàíèå
â âîçäóõå ñåðíèñòûõ
ãàçîâ (SO2, H2S), è
õëîðñîäåðæàùèõ
ñîåäèíåíèé, âûçûâàþùèõ
êîððîçèþ ÷óâñòâèòåëüíîãî
ñëîÿ è êîðïóñà
íåäîïóñòèìî;
- çíà÷åíèå
êîíöåíòðàöèè
èññëåäóåìûõ
êîìïîíåíòîâ
íå äîëæíî ïðåâûøàòü
âåðõíèé ïîðîã
èçìåðåíèÿ íà
25%;
- îðèåíòàöèÿ
â ïðîñòðàíñòâå
- ëþáàÿ.
Äëÿ ðàáîòû
ñ äàò÷èêîì ÏÃÑ-1Åõ
áûë âûáðàí ïåðåíîñíîé
ãàçîàíàëèçàòîð
«Ñèãíàë-02» (ðèñóíîê
3.9). Äàííûé ïðèáîð
ïðåäíàçíà÷åí
äëÿ ïîèñêà è ëîêàëèçàöèè
óòå÷åê âçðûâîîïàñíûõ
ãàçîâ è ïàðîâ
(ìåòàí, ïðîïàí,
áóòàí, ãåêñàí
ïàðû ñïèðòà, áåíçèíà
è ò.ï.). Ãàçîàíàëèçàòîð
«Ñèãíàë-02» îïðåäåëÿåò
óðîâåíü çàãàçîâàííîñòè
â ïîäâàëàõ, êîëîäöàõ
è äðóãèõ ïîìåùåíèÿõ
òåõíîëîãè÷åñêèõ
îáúåêòîâ, ãäå
ïî óñëîâèÿì ýêñïëóàòàöèè
âîçìîæíî îáðàçîâàíèå
âçðûâîîïàñíûõ
ñìåñåé êàòåãîðèè
ÏÂ, Ò4 [15].
Ðèñóíîê 3.9 - Ñèãíàëèçàòîð
ãîðþ÷èõ ãàçîâ
«Ñèãíàë-02»
Òåõíè÷åñêèå
õàðàêòåðèñòèêè
ïðèáîðà ïðèâåäåíû
â òàáëèöå 3.5.
Òàáëèöà 3.5 - Òåõíè÷åñêèå
õàðàêòåðèñòèêè
ïðèáîðà «Ñèãíàë-02»
Ïàðàìåòð
Çíà÷åíèå
Òåìïåðàòóðíûå
óñëîâèÿ ðàáîòû,
ãð.0Ñ
Îò
-20 äî +40
Îòíîñèòåëüíàÿ
âëàæíîñòü ðàáî÷åé
ñðåäû, ïðè òåìïåðàòóðå
+35 ãð.0Ñ è àòìîñôåðíîì
äàâëåíèè îò 84
êÏà äî 106,7 êÏà.
äî
95%
Ñòåïåíü
çàùèòû îò âíåøíèõ
âîçäåéñòâèé,
íå íèæå
IP-54
Âûäåðæèâàåò
âèáðàöèîííûå
âîçäåéñòâèÿ
ñ àìïëèòóäîé,
íå áîëåå
0,5 ìì
è ÷àñòîòîé äî
35Ãö
Ìàðêà
âçðûâîçàùèòû
1 ExbdIIBT 4
Èçìåðåíèå
êîíöåíòðàöèè
âçðûâîîïàñíûõ
ãàçîâ è ïàðîâ
â äèàïàçîíå
(0…50)% ÍÊÏÐ ïðè îñíîâíîé
àáñîëþòíîé ïîãðåøíîñòè
íå áîëåå
± 5% ÍÊÏÐ
Äîïîëíèòåëüíàÿ
àáñîëþòíàÿ ïîãðåøíîñòü
ïðè èçìåíåíèè
òåìïåðàòóðû
îêðóæàþùåé ñðåäû
íà êàæäûå 10 ãð.
Ñ.
± 2,5% ÍÊÏÐ
Âðåìÿ
ñðàáàòûâàíèÿ
çâóêîâîé ñèãíàëèçàöèè,
ñåê (íå áîëåå)
10
Ïîðîã
ñðàáàòûâàíèÿ
îãðàíè÷èòåëÿ
òîêà â öåïÿõ èñêðîçàùèòû,
À (íå áîëåå)
0,5
Ïîäà÷à
çâóêîâîãî ñèãíàëà
ðàçðÿäà àêêóìóëÿòîðîâ
è ìèãàþùåãî
ñâåòîâîãî ñèãíàëà
ïðîèñõîäèò ïðè
íàïðÿæåíèè ïèòàíèÿ
íèæå
4,2 Â
Ïðè
âêëþ÷åíèè ïèòàíèÿ
è ðàçáàëàíñå
ìîñòîâîé ñõåìû
èçìåðåíèé íà
âîçäóõå ïðîèñõîäèò
ñâåòîâàÿ
èíäèêàöèÿ
Âðåìÿ
íåïðåðûâíîé ðàáîòû
ñèãíàëèçàòîðà,
÷ (íå ìåíåå)
7
Ñðåäíÿÿ
íàðàáîòêà íà
îòêàç ñèãíàëèçàòîðà,
áåç ó÷åòà äàò÷èêà
è àêêóìóëÿòîðîâ,
÷ (íå ìåíåå)
10 000
Ìàññà
ñíàðÿæåííîãî
ñèãíàëèçàòîðà,
ã (íå áîëåå)
550
Ãàáàðèòíûå
ðàçìåðû ñíàðÿæåííîãî
ñèãíàëèçàòîðà,
ìì:
194õ92õ36
Ñðåäíèé
ñðîê ñëóæáû, ëåò
(íå ìåíåå)
10
 êîìïëåêò
ïîñòàâêè ïðèáîðà
âõîäÿò: ñèãíàëèçàòîð
«Ñèãíàë-02», óäëèíèòåëüíûé
êàáåëü, ñåíñîð
ÒÊÑ-1, ñåòåâîé
àäàïòåð, èíñòðóêöèÿ
ïî ýêñïëóàòàöèè,
÷åìîäàí óêëàäî÷íûé
(ðèñóíîê 3.10).
Ïî òðåáîâàíèþ
çàêàç÷èêà ñèãíàëèçàòîð
ìîæåò êîìïëåêòîâàòüñÿ
óäëèíèòåëåì
êàáåëüíûì ðàçëè÷íîé
äëèíû.
Ðèñóíîê 3.10 - Êîìïëåêò
ïîñòàâêè ãàçîàíàëèçàòîðà
«Ñèãíàë-02»
Ïðèíöèï ðàáîòû
ñèãíàëèçàòîðà
îñíîâàí íà ðåãèñòðàöèè
èçìåíåíèÿ ñîïðîòèâëåíèÿ
ãàçî÷óâñòâèòåëüíîãî
ñåíñîðà ïðè íàëè÷èè
â âîçäóõå èçìåðÿåìîãî
êîìïîíåíòà. Íàïðÿæåíèå
ðàçáàëàíñà âñòðîåííîãî
â ïðèáîð èçìåðèòåëüíîãî
ìîñòà, ïðîïîðöèîíàëüíî
êîíöåíòðàöèè
èññëåäóåìîãî
êîìïîíåíòà (íàïðèìåð,
ìåòàíà).
Îòñ÷åò ðåçóëüòàòîâ
èçìåðåíèÿ ïðîèçâîäèòñÿ
ïî ñâåòîäèîäíîé
ëèíåéêå ñ äèñêðåòíîñòüþ
5% ÍÊÏÐ.
4. Ðàçðàáîòêà
ìåòîäèêè è îðãàíèçàöèÿ
êîíòðîëÿ
4.1 Ôîðìèðîâàíèå
àëãîðèòìà êîíòðîëÿ
Òåõíè÷åñêèé
êîíòðîëü ïðîâîäèòñÿ
â ñîîòâåòñòâèè
ñ òåõíè÷åñêîé
äîêóìåíòàöèè
è îðãàíèçóåòñÿ
ïî ïðàâèëàì, óñòàíîâëåííûì
ñòàíäàðòîì ïðåäïðèÿòèÿ.
Àëãîðèòì âûïîëíåíèÿ
îïåðàöèè êîíòðîëÿ
ïðåäñòàâëåí íà
ðèñóíêå 4.1.
Ðèñóíîê 4.1 - Àëãîðèòì
êîíòðîëÿ
Àíàëèç ïðèâåäåííîé
ñõåìû ïîêàçûâàåò,
÷òî ñóùíîñòü
êîíòðîëÿ îïðåäåëÿåòñÿ
âûïîëíåíèåì
äâóõ ñëåäóþùèõ
ôóíêöèé:
ïîëó÷åíèå
èíôîðìàöèè î
ôàêòè÷åñêîì
ñîñòîÿíèè îáúåêòà
êîíòðîëÿ, åãî êîíòðîëèðóåìûõ
ïàðàìåòðàõ è
ïîêàçàòåëÿõ
êà÷åñòâà (ýòó
èíôîðìàöèþ íàçûâàþò
ïåðâè÷íîé);
ñîïîñòàâëåíèå
ïåðâè÷íîé èíôîðìàöèè
ñ óñòàíîâëåííûìè
òðåáîâàíèÿìè,
êðèòåðèÿìè è
íîðìàìè (èíôîðìàöèÿ
îá îòêëîíåíèÿõ
ôàêòè÷åñêèõ
ïàðàìåòðîâ è ïîêàçàòåëåé
êà÷åñòâà îò çàäàííûõ
íàçûâàåòñÿ âòîðè÷íîé).
Âòîðè÷íàÿ
èíôîðìàöèÿ èñïîëüçóåòñÿ
äëÿ âûðàáîòêè
óïðàâëÿþùåãî
ðåøåíèÿ, íàïðàâëåííîãî
íà îáúåêò êîíòðîëÿ.
Ïðè ýòîì ðåøàåòñÿ
ãëàâíàÿ çàäà÷à
óïðàâëåíèÿ êà÷åñòâîì
- ñâåäåíèå ê ìèíèìóìó
èëè ïîëíîå óñòðàíåíèå
âûÿâëåííûõ îòêëîíåíèé
â õîäå òåõíîëîãè÷åñêîãî
ïðîöåññà èçãîòîâëåíèÿ
ïðîäóêöèè.
4.2 Ðàçðàáîòêà
ìåòîäèêè êîíòðîëÿ
Ïîìåùåíèå
óñòðîéñòâà âíóòðü
ÎÊ ìîæåò ïðîèçâîäèòüñÿ
÷åðåç ðàáî÷èå
êîëîäöû èëè æå
îòâîäû (ðèñóíîê
4.2).
Ðèñóíîê 4.2 - Ïîìåùåíèå
âèäåîêðîóëåðà
â òðóáîïðîâîä
÷åðåç ðàáî÷èé
êîëîäåö
 ñëó÷àå îòñóòñòâèÿ
ïðÿìîãî äîñòóïà
ê òðóáàì îòíîñèòåëüíî
ìàëûõ äèàìåòðîâ
(ïîðÿäêà 100 ìì), äîïóñêàåòñÿ
âûâàðèâàíèå
ñïåöèàëüíîãî
òåõíîëîãè÷åñêîãî
îòâåðñòèÿ.
Óñòðîéñòâî
ïî ñâîåé êîíñòðóêöèè
íå ãåðìåòè÷íî,
è ïîýòîìó íå ïðåäíàçíà÷åíî
äëÿ êîíòðîëÿ òðóá
ñ ñèëüíûì çàòîïëåíèåì
èëè æå ñ ïîâûøåííîé
âëàæíîñòüþ âîçäóõà
(îòíîñèòåëüíàÿ
âëàæíîñòü âîçäóõà
íå áîëåå 80%). Ïåðåä
íà÷àëîì ðàáîò,
ïðîâåðÿåòñÿ óðîâåíü
çàðÿäà ïèòàþùåé
áàòàðåè. Åãî äîëæíî
õâàòàòü äëÿ çàïëàíèðîâàííîãî
âðåìåíè êîíòðîëÿ.
Ïî ìåðå ïðîäâèæåíèÿ
óñòðîéñòâà ïî
ÎÊ, îïåðàòîð âíèìàòåëüíî
íàáëþäàåò çà
åãî âíóòðåííèì
ñîñòîÿíèåì. Âîçìîæíûå
äåôåêòû, êîòîðûå
ìîãóò âñòðå÷àòüñÿ
íà ïóòè âèäåîêðîóëåðà
(ðèñóíîê 4.3):
- êîððîçèîííûå
è äðóãèå îáðàçîâàíèÿ
íà âíóòðåííèõ
ñòåíêàõ ÎÊ (ðèñóíîê
4.3 à);
- âûñòóïàþùèå
÷àñòè. Íàïðèìåð,
îòâîäû òðóá (ðèñóíîê
4.3 á);
- çàñîðû
(ðèñóíîê 4.3 â);
- ïðîáîèíû
è âìÿòèíû (ðèñóíîê
4.3 ã.);
- âûõîä òðóáû
èç ðÿäà è äðóãèõ
îòêëîíåíèé îò
ïåðâîíà÷àëüíîãî
ðàñïîëîæåíèÿ;
- äåôåêòû
â êîðíå ñâàðíîãî
øâà (ïîäðîáíî
îïèñàíû â ï. 1.1).
à - êîððîçèÿ
è äðóãèå îáðàçîâàíèÿ
íà âíóòðåííèõ
ñòåíêàõ îáúåêòà
êîíòðîëÿ;
á - âûñòóïàþùèå
÷àñòè; â-çàñîðû;
ã - ïðîáîèíû è âìÿòèíû;
Ðèñóíîê 4.3 - Âîçìîæíûå
âíóòðåííèå äåôåêòû
âíóòðè ÎÊ
Ïî îêîí÷àíèè
ðàáîò, öåëåñîîáðàçíî
îòêëþ÷èòü ïèòàíèå
âèäåîêðîóëåðà
â öåëÿõ ýêîíîìèè
çàðÿäà áàòàðåè,
à çàòåì èçâëå÷ü
óñòðîéñòâî ñ
ïîìîùüþ êàáåëÿ.
Ðàñøèôðîâêà ðåçóëüòàòîâ
êîíòðîëÿ ìîæåò
ïðîâîäèòüñÿ íåïîñðåäñòâåííî
âî âðåìÿ êîíòðîëÿ
îáúåêòà, èëè æå,
â ñëó÷àå çàïèñè
âèäåîñèãíàëà
â ôàéë, ïîñëå ïðîâåäåíèÿ
ðàáîò.
Ìåòîäèêà ïðîâåäåíèÿ
èçìåðåíèé êîíöåíòðàöèè
ãîðþ÷èõ ãàçîâ
ñ ïîìîùüþ ïðèáîðà
«Ñèãíàë-02», ïðèâåäåíà
íèæå.
4.2.1 Ïåðåä íà÷àëîì
ðàáîòû ñëåäóåò
íåïîñðåäñòâåííî
ïîäñîåäèíèòü
äàò÷èê ê ðàçúåìó,
ðàñïîëîæåííîìó
íà ëèöåâîé ïàíåëè
ñèãíàëèçàòîðà,
ëèáî ÷åðåç óäëèíèòåëü
êàáåëüíûé, âõîäÿùèé
â êîìïëåêò ïðèáîðà.
ÂÍÈÌÀÍÈÅ: Íå
äîïóñêàåòñÿ
âêëþ÷åíèå ïðèáîðà
áåç ïðèñîåäèí¸ííîãî
äàò÷èêà âî èçáåæàíèå
âûõîäà ñèãíàëèçàòîðà
èç ñòðîÿ.
4.2.2 Âêëþ÷èòü
òóìáëåð ïèòàíèÿ,
ðàñïîëîæåííûé
íà áîêîâîé íàêëàäêå
ñèãíàëèçàòîðà.
Ïîñëå âêëþ÷åíèÿ
òóìáëåðà ïèòàíèÿ
ïðîèñõîäèò ïðîãðåâ
äàò÷èêà ïðèáîðà
â òå÷åíèè 60 ñ. Âî
âðåìÿ ïðîãðåâà
âñå ñâåòîäèîäû
øêàëû ìèãàþò
ñ ïåðèîäîì 2 ñ. Ïîñëå
çàâåðøåíèÿ ïðîãðåâà
íà ñâåòîäèîäíîé
øêàëå çàæèãàåòñÿ
êðàéíèé ñëåâà
æåëòûé ñâåòîäèîä
(êðóãëîãî ñå÷åíèÿ),
èíäèöèðóþùèé
âêëþ÷åíèå øêàëû%
ÍÊÏÐ.
4.2.3 Ïî èñòå÷åíèè
ýòîãî âðåìåíè
ïðîãðåâà íà ñâåòîäèîäíîì
èíäèêàòîðå ñèãíàëèçàòîðà
äîëæåí ñâåòèòüñÿ
ñâåòîäèîä øêàëû,
ñîîòâåòñòâóþùèé
«íóëåâîìó» ïîêàçàíèþ
ïðèáîðà.
4.2.4 Åñëè â îòñóòñòâèè
ãîðþ÷èõ ãàçîâ
èëè ïàðîâ â ìåñòå
ðàñïîëîæåíèÿ
äàò÷èêà, ïîêàçàíèå
øêàëû îòëè÷àåòñÿ
îò íóëåâîãî, íåîáõîäèìî
ïðîâåñòè êîððåêöèþ
«íóëÿ» ñèãíàëèçàòîðà
â ñîîòâåòñòâèè
ñ ï. 4.2.9. Ìèãàíèå
ñâåòîäèîäà, ñîîòâåòñòâóþùåãî
«íóëåâîìó» ïîêàçàíèþ
ïðèáîðà, ñâèäåòåëüñòâóåò
îá óõîäå íóëÿ
ïðèáîðà â îáëàñòü
îòðèöàòåëüíûõ
ñèãíàëîâ, è òðåáóåòñÿ
ïðîâåñòè êîððåêöèþ
íóëÿ.
4.2.5 Êîððåêöèÿ
«íóëÿ» ñèãíàëèçàòîðà
ïðîèçâîäèòñÿ
â îòñóòñòâèè
ãîðþ÷èõ ãàçîâ
èëè ïàðîâ â ìåñòå
ðàñïîëîæåíèÿ
äàò÷èêà.
4.2.6 Íàëè÷èå
â ìåñòå ðàñïîëîæåíèÿ
äàò÷èêà ñèãíàëèçàòîðà
ãîðþ÷èõ ãàçîâ
è ïàðîâ èíäèöèðóåòñÿ
ñâåòîäèîäíîé
øêàëîé ïðèáîðà
ñ äèñêðåòíîñòüþ
5% ÍÊÏÐ.
4.2.7 Ïðè êîíöåíòðàöèè
ãîðþ÷åãî ãàçà
è ïàðîâ áîëåå
20% ÍÊÏÐ, ñèãíàëèçàòîð
ïîäàåò ïðåðûâèñòûé
çâóêîâîé ñèãíàë
ïðè ýòîì çàæèãàåòñÿ
êðàñíûé ñâåòîäèîä
ñ ìàðêèðîâêîé
«ÏÎÐÎû.
4.2.8 Ïðè ñíèæåíèè
íàïðÿæåíèÿ àêêóìóëÿòîðíûõ
áàòàðåé ñèãíàëèçàòîðà
íèæå 4,2 - 4,4 Â, ðàçäàåòñÿ
ïðåðûâèñòûé çâóêîâîé
ñèãíàë è íà÷èíàåò
ìèãàòü êðàéíèé
ñëåâà æåëòûé
ñâåòîäèîä (êðóãëîãî
ñå÷åíèÿ), èíäèöèðóþùèé
âêëþ÷åíèå øêàëû%
ÍÊÏÐ. ÂÍÈÌÀÍÈÅ:
Äëÿ ïðåäîòâðàùåíèÿ
âûõîäà àêêóìóëÿòîðîâ
èç ñòðîÿ íåîáõîäèìî
âûêëþ÷èòü òóìáëåð
ïèòàíèÿ ñèãíàëèçàòîðà
è îñóùåñòâèòü
èõ çàðÿäêó.
.2.9 Åñëè ïîêàçàíèÿ
øêàëû ñèãíàëèçàòîðà
â ÷èñòîì âîçäóõå
îòëè÷àþòñÿ îò
«0», òî êîðîòêèì íàæàòèåì
íà êíîïêó, ðàñïîëîæåííóþ
ïîä ñåòåâûì òóìáëåðîì,
íà âðåìÿ ìåíåå
0,5 ñ ïðîèçâîäèòñÿ
êîððåêöèÿ íóëÿ
ïðèáîðà. Ñêîððåêòèðîâàííîå
íóëåâîå ïîêàçàíèå
ñâåòîäèîäíîé
øêàëû ñèãíàëèçàòîðà
ïîÿâëÿåòñÿ ÷åðåç
0.5 ñ ïîñëå íàæàòèÿ
íà êíîïêó. Ïðè
ïîâòîðíîì íàæàòèè
íà êíîïêó ñâåòîäèîäíàÿ
øêàëà ñèãíàëèçàòîðà
ñíîâà ïîêàæåò
íåêîððåêòèðîâàííîå
çíà÷åíèå.
4.2.10 Ïîñëå âûêëþ÷åíèÿ
ñèãíàëèçàòîðà
ïîâòîðíîå âêëþ÷åíèå
äîïóñêàåòñÿ
íå ìåíåå, ÷åì ÷åðåç
10 ñ.
4.3 Ðàçðàáîòêà
ìåòðîëîãè÷åñêîãî
îáåñïå÷åíèÿ
Ê ïðèìåíåíèþ
äîïóñêàåòñÿ
êîíòðîëüíî-èñïûòàòåëüíîå
îáîðóäîâàíèå,
ïðîøåäøåå ïîâåðêó
èëè ìåòðîëîãè÷åñêóþ
àòòåñòàöèþ, èìåþùåå
ñâèäåòåëüñòâà
î ïîâåðêå èëè àòòåñòàöèè
è èñïîëüçóþòñÿ
òîëüêî â òå÷åíèå
ñðîêà äåéñòâèÿ
ýòèõ äîêóìåíòîâ.
Ïîâåðêà è ìåòðîëîãè÷åñêàÿ
àòòåñòàöèÿ îáîðóäîâàíèÿ
îñóùåñòâëÿåòñÿ
ñòîðîííèìè îðãàíèçàöèÿìè,
èìåþùèìè ëèöåíçèè
íà ïðàâî ïðîâåäåíèÿ
ïîâåðêè èëè àòòåñòàöèè
ñîãëàñíî ïåðèîäè÷íîñòè
ýòîé ðàáîòû, óêàçàííîé
â ó÷¸òíîé êàðòî÷êå
íà îáîðóäîâàíèå.
Îðãàíèçóåò
ïðîâåäåíèå ïîâåðêè
è àòòåñòàöèè
(îòáîð, äîñòàâêó,
âîçâðàò, ðåãèñòðàöèþ
ðåçóëüòàòîâ)
íà÷àëüíèê ëàáîðàòîðèè.
Èçúÿòîå èç ïðèìåíåíèÿ
äëÿ ïîâåðêè, àòòåñòàöèè
èëè ðåìîíòà êîíòðîëüíî-èñïûòàòåëüíîå
îáîðóäîâàíèå
äî îòïðàâêè íà
ïîâåðêó èëè ìåòðîëîãè÷åñêóþ
àòòåñòàöèþ ñòàâèòñÿ
â ïîìåùåíèå äëÿ
õðàíåíèÿ ïðèáîðîâ
íà îòäåëüíîå
ìåñòî èëè îáîçíà÷àåòñÿ
ñîîòâåòñòâóþùèìè
òàáëè÷êàìè äëÿ
íåäîïóùåíèÿ
ïîïàäàíèÿ â ýêñïëóàòàöèþ.
Ðåçóëüòàòû
ïîâåðêè, ìåòðîëîãè÷åñêîé
àòòåñòàöèè èëè
ðåìîíòà ôèêñèðóåòñÿ
íà÷àëüíèêîì
ëàáîðàòîðèè â
ó÷¸òíûõ êàðòî÷êàõ
íà îáîðóäîâàíèå.
Ïîâåðêà îáîðóäîâàíèÿ
ïîäòâåðæäàåòñÿ
ñâèäåòåëüñòâîì,
âûäàâàåìûì íà
êàæäóþ åäèíèöó,
àòòåñòàöèÿ - ñâèäåòåëüñòâîì
èëè àòòåñòàòîì,
òåõíè÷åñêîå
îñâèäåòåëüñòâîâàíèå
- àêòîì òåõíè÷åñêîãî
îñâèäåòåëüñòâîâàíèÿ.
Êîïèè ñâèäåòåëüñòâ,
àòòåñòàòîâ, àêòîâ
òåõíè÷åñêèõ
îñâèäåòåëüñòâîâàíèé
õðàíÿòñÿ â ñïåöèàëüíîé
ïàïêå ó íà÷àëüíèêà
ëàáîðàòîðèè.
Ê êàæäîé ïðèìåíÿåìîé
åäèíèöå îáîðóäîâàíèÿ
â ìåñòàõ, äîñòóïíûõ
äëÿ îñìîòðà, ïðèêðåïëåíà
áèðêà. Áèðêà äà¸ò
èíôîðìàöèþ î
ïðèãîäíîñòè
îáîðóäîâàíèÿ
ê ïðèìåíåíèþ.
Ïðè íàïðàâëåíèè
íà ðåìîíò, ïîâåðêó,
ìåòðîëîãè÷åñêóþ
àòòåñòàöèþ èëè
æå òåõíè÷åñêîå
îñâèäåòåëüñòâîâàíèå
áèðêà èçûìàåòñÿ,
à ïîñëå óäîñòîâåðåíèÿ
ïðèãîäíîñòè
îáîðóäîâàíèÿ
ê ïðèìåíåíèþ
- âîçîáíîâëÿåòñÿ
[16].
Îñíîâíîé ïîâåðÿåìûé
îáúåêò â ðàìêàõ
ïðîåêòèðóåìîãî
êîìïëåêñà - ñèãíàëèçàòîð
ãîðþ÷èõ ãàçîâ
«Ñèãíàë-02». Íèæå
îïèñàíà ìåòîäèêà,
à òàêæå ñðåäñòâà
ïîâåðêè äàííîãî
ïðèáîðà.
4.3.1.1 Ïåðèîäè÷íîñòü
ïîâåðêè óñòàíàâëèâàåòñÿ
ïðåäïðèÿòèåì,
ýêñïëóàòèðóþùèì
ñèãíàëèçàòîð,
â çàâèñèìîñòè
îò óñëîâèé ýêñïëóàòàöèè,
íî íå ðåæå îäíîãî
ðàçà â ãîä.
4.3.1.2 Ñèãíàëèçàòîð
ïîäëåæèò îáÿçàòåëüíîé
ïîâåðêå ïðè çàìåíå
ãàçî÷óâñòâèòåëüíîãî
ñåíñîðà.
4.3.1.3 Äèàïàçîí
èçìåðåíèé êîíöåíòðàöèé
ìåòàíà, ïðîïàíà,
áóòàíà, à òàêæå
èíûõ âçðûâîîïàñíûõ
ãàçîâ è ïàðîâ:
(0…50)% ÍÊÏÐ.
4.3.1.4 Îñíîâíàÿ
àáñîëþòíàÿ ïîãðåøíîñòü
äîëæíà áûòü íå
áîëåå ±5% ÍÊÏÐ (ÑÍ4).
4.3.1.5 Ïðè ïðîâåäåíèè
ïîâåðêè äîëæíû
ñîáëþäàòüñÿ ñëåäóþùèå
óñëîâèÿ:
- òåìïåðàòóðà
îêðóæàþùåãî
âîçäóõà: (+5…+40)°Ñ;
- îòíîñèòåëüíàÿ
âëàæíîñòü îêðóæàþùåãî
âîçäóõà: äî 80%;
- àòìîñôåðíîå
äàâëåíèå: 108 êÏà.
4.3.1.5 Áàëëîí ñ
ÏÃÑ äîëæåí ýêñïëóàòèðîâàòüñÿ
ïðè ñîáëþäåíèè
ñëåäóþùèõ óñëîâèé:
- òåìïåðàòóðà
îêðóæàþùåãî
âîçäóõà: (+5…+40)°Ñ;
- ðàñõîä
ñìåñè: (100±25) ìë/ìèí.
4.3.1.6 Áàëëîíû,
ïðåäíàçíà÷åííûå
äëÿ ïîâåðî÷íûõ
ãàçîâûõ ñìåñåé
äàííîãî ñîñòàâà,
çàïðåùàåòñÿ
çàïîëíÿòü äðóãèìè
ãàçàìè è ãàçîâûìè
ñìåñÿìè, ïðîèçâîäèòü
ëþáûå îïåðàöèè,
êîòîðûå ìîãóò
óâëàæíèòü èëè
çàìàñëèòü èõ
âíóòðåííèå ïîâåðõíîñòè,
çàïðåùàåòñÿ
òàêæå ïåðåêðàøèâàòü
áàëëîíû èëè èçìåíÿòü
èõ ìàðêèðîâêó.
4.3.1.7 Îïðåäåëåíèå
îñíîâíîé àáñîëþòíîé
ïîãðåøíîñòè
èçìåðåíèÿ ïðîèçâîäèòñÿ
ñ ïðèìåíåíèåì
ïîâåðî÷íûõ ãàçîâûõ
ñìåñåé èç áàëëîíîâ
ïîä äàâëåíèåì.
4.3.1.8 Ïðè ïðîâåäåíèè
ïîâåðêè äîëæíû
ïðèìåíÿòüñÿ ñðåäñòâà
ïîâåðêè, óêàçàííûå
â òàáëèöå 4.1.
Òàáëèöà 4.1 - Ñðåäñòâà
ïîâåðêè ñèãíàëèçàòîðà
«Ñèãíàë-02»
Íàèìåíîâàíèå
Òèï
ÃÎÑÒ
(ÒÓ)
Ïðèìå÷àíèå
Ïðèáîð
êîìáèíèðîâàííûé
Ö4317
ÃÎÑÒ
10373-82
Òåðìîìåòð
ëàáîðàòîðíûé
ÃÎÑÒ
215-73 Ðîòàìåòð
ÐÊÑ-1-0.25
ÃÎÑÒ
9932-75
ÏÃÑ
¹1
Àòìîñôåðíûé
âîçäóõ
ÏÃÑ
¹2 â áàëëîíàõ
ÒÓ6-16-3907-87
(1…1,5)% ÑÍ4
ñ âîçäóõîì
ÏÃÑ
¹3 â áàëëîíàõ
ÒÓ6-16-3907-87
(2,2-2,5)% ÑÍ4
ñ âîçäóõîì
Ïñèõðîìåòð
ÏÂ-1Á
ÃÎÑÒ
27544-87
Ñåêóíäîìåð
ÑÌ-60
ÃÎÑÒ
5072-79
Ïðèìå÷àíèå:
ïðè ïðîâåäåíèè
ïîâåðêè äîïóñêàåòñÿ
çàìåíà ñðåäñòâ
èçìåðåíèé, ïðèâåäåííûõ
â òàáëèöå 4.1, ëþáûìè
äðóãèìè, èìåþùèìè
ìåòðîëîãè÷åñêèå
õàðàêòåðèñòèêè
íå õóæå óêàçàííûõ
ñðåäñòâ èçìåðåíèé.
4.3.1.9 Ïîâåðÿþùèå
ïðèáîðû äîëæíû
áûòü íàäåæíî
çàçåìëåíû.
4.3.1.10 Ïåðåä ïðîâåäåíèåì
ïîâåðêè ñèãíàëèçàòîðà
«Ñèãíàë-02» íåîáõîäèìî:
- ïðîâåðèòü
ñèãíàëèçàòîð
íà îòñóòñòâèå
âíåøíèõ ïîâðåæäåíèé;
- âêëþ÷èòü
ïèòàíèå ñèãíàëèçàòîðà
è ïðîãðåòü ïðèáîð
â ñîîòâåòñòâèè
ñ èíñòðóêöèåé
ïî ýêñïëóàòàöèè;
- ïðîâåðèòü
èñïðàâíîñòü
ôóíêöèîíèðîâàíèÿ
ïðèáîðà.
4.3.2. Ïðîâåäåíèå
ïîâåðêè
4.3.2.1 Ïðîâåñòè
ïðîâåðêó êîìïëåêòíîñòè
ñèãíàëèçàòîðà
â ñîîòâåòñòâèè
ñ ïàñïîðòîì íà
óñòðîéñòâî.
4.3.2.2 Ïðîâåðèòü
ñîîòâåòñòâèå
ñåðèéíîãî íîìåðà
íà êîðïóñå ïðèáîðà
ïðèâåäåííîìó
â ïàñïîðòå.
4.3.2.3 Óáåäèòüñÿ
â ñîõðàííîñòè
ïëîìáû çàâîäà-èçãîòîâèòåëÿ
èëè ðåìîíòíîé
îðãàíèçàöèè.
Ïðèáîðû, íå óäîâëåòâîðÿþùèå
òðåáîâàíèÿì
ïï. 4.3.2.1 - 4.3.2.3, ê äàëüíåéøèì
îïåðàöèÿì ïî ïîâåðêå
íå äîïóñêàþòñÿ.
.3.2.4 Ìåòîäèêà
îïðåäåëåíèÿ ïîãðåøíîñòè
èçìåðåíèÿ:
- âêëþ÷èòü
ïèòàíèå ñèãíàëèçàòîðà
è ïðîãðåòü ïðèáîð
â òå÷åíèè íå ìåíåå
15 ìèí äî ñòàáèëèçàöèè
ïîêàçàíèé;
- ïîìåñòèòü
äàò÷èê ñèãíàëèçàòîðà
â ÏÃÑ ¹1 (àòìîñôåðíûé
âîçäóõ) è ïðè íåîáõîäèìîñòè
óñòàíîâèòü íóëåâîå
ïîêàçàíèå ñâåòîäèîäíîé
øêàëû ñîãëàñíî
ï. 4.2.9.
- ñîáðàòü
ïîâåðî÷íûé ñòåíä
â ñîîòâåòñòâèè
ñî ñõåìîé, ïðèâåä¸ííîé
íà ÷åðòåæå 20.01.02
00.00.000 Ä3.
- ïîäàòü íà
äàò÷èê ñèãíàëèçàòîðà
ïîî÷åðåäíî ñìåñè
èç áàëëîíîâ ÏÃÑ
No2 è ÏÃÑ No3. Êàæäóþ
ÏÃÑ ïîäàâàòü
äî ïîëó÷åíèÿ óñòàíîâèâøèõñÿ
ïîêàçàíèé öèôðîâîãî
òàáëî, íî íå áîëåå
1 ìèí. Ðàñõîä ÏÃÑ:
(100±25) ìë/ìèí.
- çàôèêñèðîâàòü
ðåçóëüòàòû èçìåðåíèé
ïî ñâåòîäèîäíîé
øêàëå ñèãíàëèçàòîðà;
- ïðè íåîáõîäèìîñòè
îñóùåñòâèòü
êîððåêöèþ ÷óâñòâèòåëüíîñòè
ïîòåíöèîìåòðîì
ðåãóëèðîâêè óñèëåíèÿ.
Îòâèíòèòü âèíò
ïîä ïëîìáîé êðåïÿùèé
áîêîâóþ íàêëàäêó.
Ñíÿòü íàêëàäêó,
ïðè ýòîì îñâîáîäèòñÿ
äîñòóï ê ðåãóëèðîâî÷íîìó
âèíòó ïîòåíöèîìåòðà
ðåãóëèðîâêè óñèëåíèÿ.
Ðåãóëèðîâêà ÷óâñòâèòåëüíîñòè
ïðîâîäèòñÿ íà
ìàêñèìàëüíîé
êîíöåíòðàöèè
ìåòàíà, ðåãèñòðèðóåìîé
ñèãíàëèçàòîðîì
(50% ÍÊÏÐ).
4.3.2.5 Ìåòîäèêà
ïðîâåðêè âðåìåíè
ñðàáàòûâàíèÿ
àâàðèéíîé ñèãíàëèçàöèè:
- âêëþ÷èòü
ïèòàíèå ñèãíàëèçàòîðà
è ïðîãðåòü ïðèáîð
â òå÷åíèè íå ìåíåå
15 ìèí äî ñòàáèëèçàöèè
ïîêàçàíèé;
- ñîáðàòü
ïîâåðî÷íûé ñòåíä
â ñîîòâåòñòâèè
ñî ñõåìîé, ïðèâåä¸ííîé
íà ÷åðòåæå 20.01.02
00.00.000 Ä3.
- ïîäàòü íà
äàò÷èê ñèãíàëèçàòîðà
ñìåñü èç áàëëîíà
ÏÃÑ ¹3. Ðàñõîä ÏÃÑ:
(100±25) ìë/ìèí;
- çàôèêñèðîâàòü
ñåêóíäîìåðîì
ìîìåíò ïîÿâëåíèÿ
ñâå÷åíèÿ êðàñíîãî
ñâåòîäèîäà, èíäèöèðóþùåãî
ïîðîã 20% ÍÊÏÐ. Èçìåðåííûé
ñåêóíäîìåðîì
èíòåðâàë âðåìåíè
îò ìîìåíòà ïîäà÷è
ñìåñè ÏÃÑ ¹3 íà
ñåíñîð äî ìîìåíòà
ïîÿâëåíèÿ ñâå÷åíèÿ
êðàñíîãî ñâåòîäèîäà,
èíäèöèðóþùåãî
ñèãíàëüíûé ïîðîã
(20% ÍÊÏÐ), íàçûâàåòñÿ
âðåìåíåì ñðàáàòûâàíèÿ
àâàðèéíîé ñâåòîâîé
ñèãíàëèçàöèè
äàò÷èêà. Âðåìÿ
ñðàáàòûâàíèÿ
àâàðèéíîé ñâåòîâîé
ñèãíàëèçàöèè
ñèãíàëèçàòîðà
íå äîëæíî ïðåâûøàòü
8 ñ.
4.3.2.6 Â îáðàòíîé
ïîñëåäîâàòåëüíîñòè
ñìîíòèðîâàòü
êîðïóñ ñèãíàëèçàòîðà
è ïðîèçâåñòè
îïëîìáèðîâàíèå.
.3.3 Îáðàáîòêà
ðåçóëüòàòîâ èçìåðåíèÿ.
.3.3.1 Ïîãðåøíîñòü
èçìåðåíèÿ ñèãíàëèçàòîðà
îïðåäåëÿåòñÿ
êàê:
Ñ = |Ñi - Cï|,
(4.1)
ãäå Ñï - ïàñïîðòíîå
çíà÷åíèå êîíöåíòðàöèè
ÏÃÑ;
Ñi - èçìåðåííîå
çíà÷åíèå.
4.3.3.2 Ñèãíàëèçàòîð
«Ñèãíàë-02» ñ÷èòàåòñÿ
ãîäíûì, åñëè Ñ
£ 5% ÍÊÏÐ.
.3.4 Îôîðìëåíèå
ðåçóëüòàòîâ ïîâåðêè
4.3.4.1 Íà ñèãíàëèçàòîð,
ïðîøåäøåé èñïûòàíèÿ
ñ ïîëîæèòåëüíûì
ðåçóëüòàòîì,
âûäàåòñÿ ñâèäåòåëüñòâî
î ïîâåðêå ïî óñòàíîâëåííîé
ôîðìå.
4.3.4.2 Íà ñèãíàëèçàòîð,
íå ïðîøåäøèé
èñïûòàíèé, âûäàåòñÿ
ñïðàâêà î íåïðèãîäíîñòè.
Îôîðìëåíèå
ïðîòîêîëà ïîâåðêè
ïðèâåäåíî â ïðèëîæåíèè
À.
4.4 Îðãàíèçàöèÿ
êîíòðîëÿ
4.4.1 Îðãàíèçàöèÿ
ðàáî÷èõ ìåñò. Àêêðåäèòàöèÿ
ëàáîðàòîðèè.
Îöåíêó òåõíè÷åñêîé
êîìïåòåíòíîñòè
ëàáîðàòîðèé íåðàçðóøàþùåãî
êîíòðîëÿ îñóùåñòâëÿåò
Îðãàí ïî àêêðåäèòàöèè
ëàáîðàòîðèé íåðàçðóøàþùåãî
êîíòðîëÿ (ÍÊ) è
òåõíè÷åñêîé
äîêóìåíòàöèè
(ÒÄ) Ãîñïðîìíàäçîðà.
Ïðîöåäóðà àêêðåäèòàöèè
ïðåäóñìàòðèâàåò
òàêæå ïåðèîäè÷åñêèé
èíñïåêöèîííûé
íàäçîð çà äåÿòåëüíîñòüþ
àêêðåäèòîâàííûõ
ëàáîðàòîðèé è
ñîáëþäåíèå óñëîâèé
è òðåáîâàíèé
àêêðåäèòàöèè.
Àêêðåäèòàöèÿ
ëàáîðàòîðèè ÍÊ
è ÒÄ ÿâëÿåòñÿ îôèöèàëüíûì
ïðèçíàíèåì òåõíè÷åñêîé
êîìïåòåíòíîñòè
ëàáîðàòîðèè â
ïðîâåäåíèè íåðàçðóøàþùåãî
êîíòðîëÿ îïðåäåëåííûõ
îáúåêòîâ, â ïîëíîì
ñîîòâåòñòâèè
ñ òðåáîâàíèÿìè
íîðìàòèâíîé
äîêóìåíòàöèè
ïðè èõ èçãîòîâëåíèè,
ìîíòàæå, ðåìîíòå
è òåõíè÷åñêîì
äèàãíîñòèðîâàíèè
â ýêñïëóàòàöèè.
Ëàáîðàòîðèÿ
ÍÊ è ÒÄ ìîæåò áûòü
àêêðåäèòîâàíà
íà 3 ãîäà.  èñêëþ÷èòåëüíûõ
ñëó÷àÿõ ñðîê
äåéñòâèÿ àêêðåäèòàöèè
ìîæåò áûòü óìåíüøåí
Îðãàíîì ïî àêêðåäèòàöèè
[17].
Àòòåñòàò
àêêðåäèòàöèè
ìîæåò áûòü âûäàí
ëàáîðàòîðèè ÍÊ
è ÒÄ â òîì ñëó÷àå,
åñëè îíà:
- óäîâëåòâîðÿåò
îáùèì êðèòåðèÿì
îöåíêè ëàáîðàòîðèé
ñîãëàñíî ÑÒÁ
941.3;
- âûïîëíÿåò
ñïåöèàëüíûå òðåáîâàíèÿ
ê êîìïåòåíòíîñòè
ëàáîðàòîðèé ÍÊ
è ÒÄ â îáëàñòè
êîíòðîëÿ êîíêðåòíîãî
âèäà îáúåêòà
ñîãëàñíî ÏÌÃ
15;
- ïðåäñòàâëÿåò
ïîäòâåðæäåíèå
òîãî, ÷òî ïðè ïðîâåäåíèè
êîíòðîëÿ áóäóò
èñïîëüçîâàíû
òàêèå ìåòîäû
è ñðåäñòâà, êîòîðûå
íåîáõîäèìû äëÿ
êîíòðîëÿ êîíêðåòíûõ
îáúåêòîâ â ñîîòâåòñòâèè
ñ òðåáîâàíèÿìè
äåéñòâóþùåé
íîðìàòèâíîé
äîêóìåíòàöèè;
- îáëàäàåò
Ñèñòåìîé êà÷åñòâà,
ðåàëèçóþùåé
ïðèíöèïû, íîðìû,
ïðàâèëà, òðåáîâàíèÿ
è ïðîöåäóðû Ñèñòåìû
ïîâåðî÷íûõ è
èñïûòàòåëüíûõ
ëàáîðàòîðèé Ðåñïóáëèêè
Áåëàðóñü.
Àêêðåäèòàöèÿ
ÿâëÿåòñÿ îñíîâàíèåì
äëÿ ïîëó÷åíèÿ
ëàáîðàòîðèåé
èëè îðãàíèçàöèåé,
â ñîñòàâ êîòîðîé
âõîäèò ëàáîðàòîðèÿ,
ëèöåíçèè íà ïðàâî
ïðîâåäåíèÿ îïðåäåëåííîãî
âèäà ðàáîò, ñîîòâåòñòâóþùèõ
îáëàñòè àêêðåäèòàöèè.
Êðîìå ýòîãî, àêêðåäèòàöèÿ
ëàáîðàòîðèè ïîçâîëÿåò
äðóãèì îðãàíèçàöèÿì
ïðèíÿòü ðåøåíèå
î ïðàâîìåðíîñòè
èñïîëüçîâàíèÿ
ðåçóëüòàòîâ êîíòðîëÿ,
ïîëó÷åííûõ äàííîé
ëàáîðàòîðèåé.
Îáëàñòü
äåÿòåëüíîñòè. Îáëàñòü
äåÿòåëüíîñòè,
íà êîòîðóþ ïðåäîñòàâëÿåòñÿ
àêêðåäèòàöèÿ,
îïðåäåëÿåòñÿ
êîíêðåòíûì âèäîì
êîíòðîëèðóåìîãî
îáúåêòà è ìåòîäàìè
íåðàçðóøàþùåãî
è ðàçðóøàþùåãî
êîíòðîëÿ ïðè ïîëíîì
ñîîòâåòñòâèè
ñ íîðìàòèâíîé
äîêóìåíòàöèåé,
ðåãëàìåíòèðóþùåé
òðåáîâàíèÿ ïî
êîíòðîëþ äàííîãî
îáúåêòà ïðè èçãîòîâëåíèè,
ìîíòàæå, ðåìîíòå
è òåõíè÷åñêîì
äèàãíîñòèðîâàíèè
â ýêñïëóàòàöèè.
Îáëàñòü äåÿòåëüíîñòè
äîëæíà áûòü âçàèìîóâÿçàíà
ñ íîðìàòèâíîé
äîêóìåíòàöèåé,
óñòàíàâëèâàþùåé
òðåáîâàíèÿ ê
îáúåêòó è íà
ìåòîäû ÍÊ.
Ïîðÿäîê ïðîâåäåíèÿ
àêêðåäèòàöèè. Ëàáîðàòîðèÿ,
ïðåòåíäóþùàÿ
íà àêêðåäèòàöèþ,
íàïðàâëÿåò îôèöèàëüíóþ
çàÿâêó óñòàíîâëåííîé
ôîðìû â Îðãàí
ïî àêêðåäèòàöèè.
Ê çàÿâêå ïðèëàãàþòñÿ:
ïîëîæåíèå î ëàáîðàòîðèè,
ïàñïîðò ëàáîðàòîðèè,
ðóêîâîäñòâî ïî
êà÷åñòâó, îáëàñòü
äåÿòåëüíîñòè
ëàáîðàòîðèè.
Ïîëîæåíèå
î ëàáîðàòîðèè. Ïîëîæåíèå
î ëàáîðàòîðèè
äîëæíî îïðåäåëÿòü
öåëè è çàäà÷è,
ôóíêöèè, ïðàâà,
îáÿçàííîñòè,
îòâåòñòâåííîñòü
ëàáîðàòîðèè,
åå âçàèìîäåéñòâèå
ñ äðóãèìè îðãàíèçàöèÿìè
è ïðåäïðèÿòèÿìè
ïðè ïðîâåäåíèè
ðàáîò ïî íåðàçðóøàþùåìó
è äðóãèì âèäàì
èñïûòàíèé ñ öåëüþ
ïîëíîãî îáåñïå÷åíèÿ
òðåáîâàíèé íîðìàòèâíîé
äîêóìåíòàöèè
ïî êîíòðîëþ êîíêðåòíûõ
îáúåêòîâ, à òàêæå
äðóãèå àñïåêòû
äåÿòåëüíîñòè
àêêðåäèòóåìîé
ëàáîðàòîðèè.
Ïàñïîðò ëàáîðàòîðèè. Â ïàñïîðòå
ëàáîðàòîðèè ïðèâîäèòñÿ
êîíêðåòíàÿ èíôîðìàöèÿ
î ñîñòàâå ñïåöèàëèñòîâ,
èõ îáðàçîâàíèè
è ïðîôåññèîíàëüíîé
êâàëèôèêàöèè,
î êîíòðîëèðóåìûõ
îáúåêòàõ, îá èñïîëüçóåìûõ
âèäàõ è ìåòîäàõ
êîíòðîëÿ, îá èñïîëüçóåìûõ
ïðèáîðàõ è îáîðóäîâàíèÿ.
Ðóêîâîäñòâî
ïî êà÷åñòâó.  ëàáîðàòîðèè
äîëæíà äåéñòâîâàòü
ðàçðàáîòàííàÿ
è äîêóìåíòèðîâàííàÿ
ñèñòåìà êà÷åñòâà,
ñîîòâåòñòâóþùàÿ
îáëàñòè äåÿòåëüíîñòè,
õàðàêòåðó è îáúåìó
âûïîëíÿåìûõ ðàáîò.
Äîêóìåíòàöèÿ
ñèñòåìû êà÷åñòâà
îôîðìëÿåòñÿ â
âèäå «Ðóêîâîäñòâà
ïî êà÷åñòâó».
Ðóêîâîäñòâî
ïî êà÷åñòâó îïðåäåëÿåò
ïîëèòèêó â îáëàñòè
êà÷åñòâà è îïèñûâàåò
ñèñòåìó êà÷åñòâà
îðãàíèçàöèè.
 íåì èçëàãàþòñÿ
êîíêðåòíûå ìåòîäû
è ïðîöåäóðû, ïîçâîëÿþùèå
ëàáîðàòîðèè âûïîëíèòü
çàäà÷è â îáëàñòè
êà÷åñòâà è îáåñïå÷èòü
äîâåðèå ê ñâîåé
ðàáîòå. Ãëàâíîå
íàçíà÷åíèå Ðóêîâîäñòâà
ïî êà÷åñòâó ñîñòîèò
â òîì, ÷òîáû îïðåäåëèòü
è äîêóìåíòàëüíî
îïèñàòü ñòðóêòóðó
ñèñòåìû êà÷åñòâà,
îäíîâðåìåííî
âûïîëíÿÿ ðîëü ïîñòîÿííîãî
ñïðàâî÷íîãî
ïîñîáèÿ ïî âíåäðåíèþ
è ïîääåðæàíèþ
äàííîé ñèñòåìû
â ðàáî÷åì ñîñòîÿíèè.
Ðóêîâîäñòâî
ïî êà÷åñòâó äîëæíî
âêëþ÷àòü:
- çàÿâëåíèå
î ïîëèòèêå â îáëàñòè
êà÷åñòâà, êîòîðîå
ÿâëÿåòñÿ îáÿçàòåëüñòâîì
è â ñîîòâåòñòâèè
ñ êîòîðûì ëàáîðàòîðèÿ
äîëæíà îáåñïå÷èâàòü
è ïîääåðæèâàòü
çàïëàíèðîâàííûé
óðîâåíü êà÷åñòâà;
- îðãàíèçàöèîííûå
è àäìèíèñòðàòèâíûå
ïðîöåäóðû: â òîì
÷èñëå ðàñïðåäåëåíèå
îòâåòñòâåííîñòè
è ïîëíîìî÷èé
ìåæäó ðàçëè÷íûìè
èñïîëíèòåëÿìè;
- ðàáî÷èå
èíñòðóêöèè íà
êîíêðåòíûå ìåòîäû
è òåõíè÷åñêèå
èíñòðóêöèè, êîòîðûå
íåîáõîäèìû äëÿ
âûïîëíåíèÿ ðàáî÷èõ
çàäàíèé è ïðîâåäåíèÿ
êîíòðîëÿ.
Ðóêîâîäñòâî
ïî êà÷åñòâó è
ñâÿçàííûå ñ íèì
äðóãèå äîêóìåíòû
äîëæíû óñòàíàâëèâàòü:
- îðãàíèçàöèîííóþ
ñòðóêòóðó ëàáîðàòîðèè,
åå ìåñòî â îðãàíèçàöèè,
â ñîñòàâ êîòîðîé
îíà âõîäèò;
- ïðîöåäóðû
ó÷åòà, êîíòðîëÿ
è èñïîëüçîâàíèÿ
äîêóìåíòàöèè;
- îïèñàíèå
äåÿòåëüíîñòè
ðóêîâîäÿùåãî
ïåðñîíàëà è ñîòðóäíèêîâ,
ðàñïðåäåëåíèå
èõ ôóíêöèîíàëüíûõ
îáÿçàííîñòåé
ñîãëàñíî äîëæíîñòíûõ
èíñòðóêöèé;
- îáëàñòü
äåÿòåëüíîñòè
ëàáîðàòîðèè;
- ïðîöåäóðû
ïðîâåäåíèÿ ðàáîò
ïî êîíòðîëþ, âêëþ÷àÿ
îôîðìëåíèå ðåçóëüòàòîâ
êîíòðîëÿ è âûäà÷ó
çàêëþ÷åíèé;
- ññûëêè
íà ìåòîäèêè êîíòðîëÿ,
èíñòðóêöèè è
äðóãèå íîðìàòèâíûå
äîêóìåíòû, èñïîëüçóåìûå
ïðè êîíòðîëå;
- îðãàíèçàöèþ
è ïðîâåäåíèå ïîâåðêè
ñðåäñòâ êîíòðîëÿ
è òåõíè÷åñêîãî
îáñëóæèâàíèÿ
îáîðóäîâàíèÿ;
- ïðàâèëà
îáåñïå÷åíèÿ
êîíôèäåíöèàëüíîñòè
è îõðàíû ïðàâ.
Îáîðóäîâàíèå
ëàáîðàòîðèè. Ëàáîðàòîðèÿ
äîëæíà áûòü îñíàùåíà
îáîðóäîâàíèåì,
íåîáõîäèìûì
äëÿ ïðîâåäåíèÿ
âñåõ âèäîâ ðàáîò
ïî íåðàçðóøàþùåìó
êîíòðîëþ â ñîîòâåòñòâèè
ñ åå îáëàñòüþ
äåÿòåëüíîñòè.
Âñå èñïîëüçóåìîå
îáîðóäîâàíèå
äîëæíî ïîäâåðãàòüñÿ
ïåðèîäè÷åñêîìó
òåõíè÷åñêîìó
îáñëóæèâàíèþ.
Ëàáîðàòîðèÿ äîëæíà
èìåòü ïðîãðàììó
òåõíè÷åñêîãî
îáñëóæèâàíèÿ
è ïðîâåðêè òåõíè÷åñêîãî
ñîñòîÿíèÿ èñïîëüçóåìîãî
îáîðóäîâàíèÿ,
à òàêæå ãðàôèê
ïîâåðêè.
Íàäçîð çà
àêêðåäèòîâàííûìè
ëàáîðàòîðèÿìè. Îðãàí
ïî àêêðåäèòàöèè
â ñîîòâåòñòâèè
ñ äîãîâîðîì îñóùåñòâëÿåò
ïîñòîÿííûé íàäçîð
çà ïðàâèëüíîñòüþ
èñïîëüçîâàíèÿ
àòòåñòàòà àêêðåäèòàöèè
â ïðîöåññå äåÿòåëüíîñòè
àêêðåäèòîâàííîé
ëàáîðàòîðèè.
Ïîëîæèòåëüíûå
ðåçóëüòàòû íàäçîðà
çà äåÿòåëüíîñòüþ
àêêðåäèòîâàííûõ
ëàáîðàòîðèé ñëóæàò
îñíîâàíèåì äëÿ
ïîäòâåðæäåíèÿ
ñòàòóñà àêêðåäèòàöèè.
Îòêàç àêêðåäèòîâàííîé
ëàáîðàòîðèè Îðãàíó
ïî àêêðåäèòàöèè
â ïðîâåäåíèè íàäçîðà
ÿâëÿåòñÿ îñíîâàíèåì
äëÿ ïðèîñòàíîâëåíèÿ
äåéñòâèÿ àòòåñòàòà
àêêðåäèòàöèè.
Íåóäîâëåòâîðèòåëüíûå
ðåçóëüòàòû íàäçîðà
ÿâëÿþòñÿ îñíîâàíèåì
äëÿ ïðèîñòàíîâëåíèÿ
àêêðåäèòàöèè,
åå îòìåíû èëè
îãðàíè÷åíèÿ
îáëàñòè äåÿòåëüíîñòè.
Äîïîëíèòåëüíàÿ
àêêðåäèòàöèÿ. Äëÿ ðàñøèðåíèÿ
îáëàñòè àêêðåäèòàöèè,
çàêðåïëåííîé
àòòåñòàòîì,
ëàáîðàòîðèÿ íàïðàâëÿåò
â Îðãàí ïî àêêðåäèòàöèè
çàÿâêó, íà îñíîâàíèè
êîòîðîé ïðîâîäèòñÿ
äîïîëíèòåëüíàÿ
àêêðåäèòàöèÿ
â óñòàíîâëåííîì
ïîðÿäêå. Ïðè ïîëîæèòåëüíûõ
ðåçóëüòàòàõ
àêêðåäèòàöèè
îôîðìëÿåòñÿ äîïîëíåíèå
ê îáëàñòè àêêðåäèòàöèè
èëè èçìåíåííàÿ
îáëàñòü àêêðåäèòàöèè
[17].
Àííóëèðîâàíèå
àòòåñòàòà àêêðåäèòàöèè. Àòòåñòàò
àêêðåäèòàöèè
ìîæåò áûòü àííóëèðîâàí
â ñëåäóþùèõ ñëó÷àÿõ:
íåñîîòâåòñòâèå
ëàáîðàòîðèè ïðåäúÿâëÿåìûì
òðåáîâàíèÿì
ïî ðåçóëüòàòàì
èíñïåêöèîííîãî
êîíòðîëÿ;
àâàðèÿ íà îáúåêòå,
ïðè÷èíàìè êîòîðîé
ÿâèëèñü íåäîñòîâåðíûå
ðåçóëüòàòû êîíòðîëÿ,
ïðåäñòàâëåííûå
ëàáîðàòîðèåé;
íåïðåäîñòàâëåíèå
âîçìîæíîñòè
ïðîâåäåíèÿ íàäçîðà;
íàðóøåíèå
äîãîâîðà;
îáîñíîâàííàÿ
æàëîáà íà äåÿòåëüíîñòü
àêêðåäèòîâàííîé
ëàáîðàòîðèè.
4.4.2 Îáîðóäîâàíèå
è äîêóìåíòàöèÿ. Ñðåäñòâà
èçìåðåíèé. Âñå
òåõíè÷åñêèå
ñðåäñòâà, èñïîëüçóåìûå
ïðè èçìåðåíèÿõ
è èìåþùèå íîðìèðîâàííûå
ìåòðîëîãè÷åñêèå
õàðàêòåðèñòèêè,
íàçûâàþò ñðåäñòâàìè
èçìåðåíèé.
 ÍÊ ê ñðåäñòâàì
èçìåðåíèÿ îòíîñÿòñÿ:
ñòàíäàðòíûå
îáðàçöû, ïðåîáðàçîâàòåëè,
èçìåðèòåëüíûå
ïðèáîðû (äåôåêòîñêîïû),
óñòàíîâêè ÍÊ.
Ñòàíäàðòíûå
îáðàçöû. Ñòàíäàðòíûå
îáðàçöû ïðåäíàçíà÷åíû
äëÿ âîñïðîèçâåäåíèÿ
ôèçè÷åñêîé âåëè÷èíû
çàäàííîãî ðàçìåðà,
êîòîðûé õàðàêòåðèçóåòñÿ
òàê íàçûâàåìûì
íîìèíàëüíûì
çíà÷åíèåì.
Ïðåîáðàçîâàòåëè
(äåòåêòîðû) - ýòî
ñðåäñòâà èçìåðåíèé,
âûðàáàòûâàþùèå
èíôîðìàöèþ, óäîáíóþ
äëÿ äàëüíåéøåé
îáðàáîòêè, íî,
êàê ïðàâèëî, íåäîñòóïíóþ
äëÿ íåïîñðåäñòâåííîãî
âîñïðèÿòèÿ îïåðàòîðîì.
Äåôåêòîñêîïû (èëè èçìåðèòåëüíûå
ïðèáîðû ÍÊ) ïðåäñòàâëÿþò
ñîáîé ñîâîêóïíîñòü
ýëåìåíòîâ, ñîçäàþùèõ
ïðîíèêàþùèå
ïîëÿ (âåùåñòâà)
è îáðàáàòûâàþùèõ
èíôîðìàöèþ ñ
âûõîäà ïðåîáðàçîâàòåëÿ,
è îòñ÷åòíîå óñòðîéñòâî,
÷àñòî íàçûâàåìîå
èíäèêàòîðîì
äåôåêòîñêîïà.
Ìåòðîëîãè÷åñêèå
õàðàêòåðèñòèêè. Êàæäîìó
ñðåäñòâó èçìåðåíèé
ïðèñóùè îïðåäåëåííûå
òåõíè÷åñêèå
õàðàêòåðèñòèêè,
îáóñëîâëèâàþùèå
ðåçóëüòàò è òî÷íîñòü
èçìåðåíèé - ìåòðîëîãè÷åñêèå
õàðàêòåðèñòèêè.
Íîìåíêëàòóðà
è íîìèíàëüíûå
çíà÷åíèÿ ìåòðîëîãè÷åñêèõ
õàðàêòåðèñòèê
è ïðåäåëû äîïóñòèìûõ
îòêëîíåíèé îò
íîìèíàëüíûõ
çíà÷åíèé ïðèâîäÿòñÿ
â ðàçðàáàòûâàåìîé
òåõíîëîãè÷åñêîé
è ýêñïëóàòàöèîííîé
äîêóìåíòàöèè
íà ñðåäñòâà èçìåðåíèÿ.
Ñîîòâåòñòâèå
ìåòðîëîãè÷åñêèõ
õàðàêòåðèñòèê
óñòàíîâëåííûì
äîëæíî ñèñòåìàòè÷åñêè
ïðîâåðÿòüñÿ ìåòðîëîãè÷åñêèìè
îðãàíàìè.
Ïðîâåðêà ñ
öåëüþ óñòàíîâëåíèÿ
ïðèãîäíîñòè
ñðåäñòâ èçìåðåíèé
ê èñïîëüçîâàíèþ
íàçûâàåòñÿ ïîâåðêîé.
Ïîâåðêà. Áîëüøèíñòâî
ñðåäñòâ ÍÊ îòíîñèòñÿ
ê êëàññó ñðåäñòâ
èçìåðåíèÿ è ïîýòîìó
ïîäëåæèò ïîâåðêå.
Äëÿ ïîâåðêè ñðåäñòâ
ÍÊ äîëæíû áûòü
ïðåäóñìîòðåíû
ñîîòâåòñòâóþùèå
ñðåäñòâà è ìåòîäèêè
ïîâåðêè, ò.å. ñòàíäàðòíûå
îáðàçöû, ïðåîáðàçîâàòåëè,
äåôåêòîñêîïû
è óñòàíîâêè
(èñêëþ÷àÿ èíäèêàòîðû
äåôåêòîâ) äîëæíû
áûòü ìåòðîëîãè÷åñêè
îáåñïå÷åíû. Ìåòîäèêè
ïîâåðêè ðåãëàìåíòèðóþòñÿ
ñîîòâåòñòâóþùèìè
äîêóìåíòàìè,
îñíîâîïîëàãàþùèìè
èç êîòîðûõ ÿâëÿþòñÿ
ñòàíäàðòû [18].
Íîðìàòèâíî-òåõíè÷åñêàÿ
äîêóìåíòàöèÿ
íà ÍÊ. Íîðìàòèâíî-òåõíè÷åñêèé
äîêóìåíò (ÍÒÄ)
- äîêóìåíò, óñòàíàâëèâàþùèé
òðåáîâàíèÿ ê
îáúåêòàì ñòàíäàðòèçàöèè,
îáÿçàòåëüíûé
äëÿ èñïîëíåíèÿ
â îïðåäåëåííûõ
îáëàñòÿõ äåÿòåëüíîñòè,
ðàçðàáîòàííûé
â óñòàíîâëåííîì
ïîðÿäêå è óòâåðæäåííûé
êîìïåòåíòíûì
îðãàíîì.
ÍÒÄ:
ïðàâèëà êîíòðîëÿ
(ÏÊ), â êîòîðûõ îãîâàðèâàþò
òðåáîâàíèÿ ê
ïîêàçàòåëÿì
êà÷åñòâà, äîïóñêè
íà èõ îòêëîíåíèÿ
îò íîìèíàëüíûõ
è õàðàêòåð (ñïëîøíîé,
âûáîðî÷íûé) êîíòðîëÿ;
òåõíè÷åñêèå
óñëîâèÿ (ÒÓ) íà
ïðîäóêöèþ, â êîòîðûõ,
êàê è â ÏÊ, îïðåäåëåíû
òðåáîâàíèÿ ê
ïîêàçàòåëÿì
êà÷åñòâà ïðîäóêöèè,
à òàêæå êîíêðåòíûå
ìåòîäû êîíòðîëÿ
(ïîâåðêè) ýòèõ
ïàðàìåòðîâ; ê ýòîìó
âèäó ÍÒÄ îòíîñÿòñÿ
è ÒÓ íà ñðåäñòâà
ÍÊ (ñòàíäàðòíûå
îáðàçöû, ïðåîáðàçîâàòåëè,
äåôåêòîñêîïû).
Òåõíè÷åñêèå
óñëîâèÿ ðàçðàáàòûâàþò
â ñîîòâåòñòâèè
ñ ÃÎÑÒ;
èíñòðóêöèè
íà ìåòîäû ÍÊ. Êàê
ïðàâèëî, òàêèå
èíñòðóêöèè îõâàòûâàþò
êîíòðîëü è îöåíêó
êà÷åñòâà êîíêðåòíûõ
îáúåêòîâ êîíêðåòíûìè
ìåòîäàìè èëè
îäíèì ìåòîäîì
íà ïðåäïðèÿòèè
èëè â âåäîìñòâå;
íàïðèìåð, «Èíñòðóêöèÿ
ïî óëüòðàçâóêîâîìó
êîíòðîëþ ðåëüñîâ
â ïóòè äåôåêòîñêîïîì
òèïà «Ðåëüñ-5»;
ìåòîäèêè (ðåêîìåíäàöèè)
íà ÍÊ, â îòëè÷èå
îò èíñòðóêöèé,
îõâàòûâàþò, êàê
ïðàâèëî, îñíîâíûå
ïîëîæåíèÿ ÍÊ îáúåêòîâ
îïðåäåëåííîãî
âèäà, íå îãîâàðèâàÿ
ïðàâèëà îöåíêè
èõ êà÷åñòâà ïî
ðåçóëüòàòàì
ÍÊ;
ðóêîâîäÿùèå
òåõíè÷åñêèå
ìàòåðèàëû (ÐÒÌ)
íà ÍÊ, â îòëè÷èå
îò èíñòðóêöèé
è ìåòîäèê, ñîäåðæàò
íå òîëüêî óêàçàíèÿ
ïî êîíòðîëþ è îöåíêå
êà÷åñòâà ïðîäóêöèè,
íî è îãîâàðèâàþò
ïîðÿäîê îðãàíèçàöèè
ñëóæáû ÍÊ â âåäîìñòâå
èëè â îòðàñëè.
Îñíîâîïîëàãàþùèìè
èç íîðìàòèâíî-òåõíè÷åñêèõ
äîêóìåíòîâ ÿâëÿþòñÿ
ñòàíäàðòû, óñòàíàâëèâàþùèå
òðåáîâàíèÿ ê
ãðóïïàì îäíîðîäíîé
ïðîäóêöèè (òåõíîëîãè÷åñêèì
ïðîöåññàì), è ïðàâèëà,
îáåñïå÷èâàþùèå
åå ðàçðàáîòêó,
ïðîèçâîäñòâî
è ïðèìåíåíèå.
Ìåòðîëîãè÷åñêîå
îáåñïå÷åíèå
ñðåäñòâ ÍÊ. Ìåòðîëîãè÷åñêîå
îáåñïå÷åíèå
ñðåäñòâ ÍÊ, ò.å.
óñòàíîâëåíèå
è ïðèìåíåíèå
íàó÷íûõ è îðãàíèçàöèîííûõ
îñíîâ, ïðèáîðîâ
è óñòðîéñòâ, ïðàâèë
è íîðì, íåîáõîäèìûõ
äëÿ äîñòèæåíèÿ
åäèíñòâà è òðåáóåìîé
òî÷íîñòè èçìåðåíèé,
- îáÿçàòåëüíàÿ
ñîñòàâíàÿ ÷àñòü
íåðàçðóøàþùåãî
êîíòðîëÿ.
Íîðìàòèâíîé
áàçîé ìåòðîëîãè÷åñêîãî
îáåñïå÷åíèÿ
ÿâëÿþòñÿ ñòàíäàðòû
Ãîñóäàðñòâåííîé
ñèñòåìû îáåñïå÷åíèÿ
åäèíñòâà èçìåðåíèé
(ÃÑÈ).
 ñîñòàâ ÃÑÈ
íàðÿäó ñ ãîñóäàðñòâåííûìè
âõîäÿò îòðàñëåâûå
ñòàíäàðòû, òåõíè÷åñêèå
óñëîâèÿ è äðóãèå
íîðìàòèâíî-òåõíè÷åñêèå
äîêóìåíòû.
Ìåòðîëîãè÷åñêîå
îáåñïå÷åíèå
ñðåäñòâ ÍÊ îõâàòûâàåò
ñòàäèè: îáîñíîâàíèÿ
ïðåäëîæåíèé íà
ðàçðàáîòêó íîâûõ
ñðåäñòâ; îïûòíî-êîíñòðóêòîðñêîé
ðàçðàáîòêè (ÎÊÐ)
ñðåäñòâ; ïîñòàíîâêè
íà ïðîèçâîäñòâî;
ïðîèçâîäñòâà
ñðåäñòâ; ýêñïëóàòàöèè
è ðåìîíòà.
Ïðè ïîñòàíîâêå
ñðåäñòâ ÍÊ íà
ïðîèçâîäñòâî
ðàáîòû ïî ìåòðîëîãè÷åñêîìó
îáåñïå÷åíèþ
ñâîäÿòñÿ ê îáåñïå÷åíèþ
òåõíîëîãè÷åñêèõ
ïðîöåññîâ íàèáîëåå
ñîâåðøåííûìè
ìåòîäèêàìè âûïîëíåíèÿ
èçìåðåíèé è ñðåäñòâàìè
èçìåðåíèé, ãàðàíòèðóþùèìè
íåîáõîäèìóþ
òî÷íîñòü àòòåñòàöèè
è ñòàíäàðòèçàöèè
ýòèõ ìåòîäèê,
à òàêæå ê ïîäãîòîâêå
ïðîèçâîäñòâåííîãî
ïåðñîíàëà è ðàáî÷èõ
ìåñò ê âûïîëíåíèþ
êîíòðîëüíî-èçìåðèòåëüíûõ
îïåðàöèé.
 ïðîöåññå
ïðîèçâîäñòâà
ñðåäñòâ ÍÊ êàæäîå
ñðåäñòâî ïîäëåæèò
ïîâåðêå (ïåðâè÷íîé)
ðàáîòíèêàìè
ÎÒÊ, à òàêæå ðàáîòíèêàìè
ïðèåìêè, åñëè
òàêîâàÿ ââåäåíà
íà ïðåäïðèÿòèè.
Ìåòîäèêà ïåðâè÷íîé
ïîâåðêè èçëîæåíà
â ÒÓ íà ñðåäñòâà
ÍÊ.
Ïåðâè÷íàÿ
ïîâåðêà ñâîäèòñÿ
ê ïðîâåðêå (èçìåðåíèþ,
êîíòðîëþ) ñîîòâåòñòâèÿ
ïàðàìåòðîâ âûïóñêàåìîãî
ñðåäñòâà ÍÊ ïàðàìåòðàì,
çàäàííûì â ÒÓ.
 ïðîöåññå
ýêñïëóàòàöèè
ñðåäñòâ ÍÊ äîñòàòî÷íî
èõ ïîâåðÿòü (ïåðèîäè÷åñêàÿ
ïîâåðêà) íà ñîîòâåòñòâèå
çíà÷åíèé îñíîâíûõ
ïàðàìåòðîâ àïïàðàòóðû
èëè ìåòîäà çíà÷åíèÿì,
ïðåäóñìîòðåííûì
â ÍÒÄ.
Ïðè ýòîì ñðåäñòâî
ÍÊ, íå ñîîòâåòñòâóþùåå
ÒÓ ïî êàêèì-òî
õàðàêòåðèñòèêàì,
ìîæåò îêàçàòüñÿ
óäîâëåòâîðÿþùèì
ïî îñíîâíûì ïàðàìåòðàì
òðåáîâàíèÿì
ÍÒÄ íà êîíòðîëü
è ïîýòîìó ýôôåêòèâíûì
ñðåäñòâîì êîíòðîëÿ
êîíêðåòíûõ îáúåêòîâ.
Ïðè ïîâåðêå,
à òàêæå ïðè íàñòðîéêå
ñðåäñòâ ÍÊ øèðîêî
ïðèìåíÿþò ñòàíäàðòíûå
îáðàçöû (ÑÎ). Ðàçëè÷àþò
ãîñóäàðñòâåííûå
(ÃÑÎ), îòðàñëåâûå
(ÎÑÎ) ñòàíäàðòíûå
îáðàçöû è ñòàíäàðòíûå
îáðàçöû ïðåäïðèÿòèé
(ÑÎÏ).
Îñíîâíîå íàçíà÷åíèå
ëþáûõ ñòàíäàðòíûõ
îáðàçöîâ - îáåñïå÷åíèå
åäèíñòâà è âîñïðîèçâîäèìîñòè
ñ çàäàííîé òî÷íîñòüþ
îñíîâíûõ ïàðàìåòðîâ
ñðåäñòâ ÍÊ, îáóñëîâëèâàþùèõ
äîñòîâåðíîñòü
ðåçóëüòàòîâ êîíòðîëÿ.
Ïðèìåíåíèå
íåïîâåðåííûõ
ñðåäñòâ ÍÊ çàïðåùåíî.
Èñïûòàíèÿ
ñðåäñòâ íåðàçðóøàþùåãî
êîíòðîëÿ. Ñ öåëüþ
îáåñïå÷åíèÿ
åäèíñòâà ðåçóëüòàòîâ
ÍÊ, ïîñòàíîâêè
íà ïðîèçâîäñòâî
è âûïóñêà ñðåäñòâ,
ïî ñâîåìó òåõíè÷åñêîìó
óðîâíþ ñîîòâåòñòâóþùèõ
ëó÷øèì îòå÷åñòâåííûì
è çàðóáåæíûì
îáðàçöàì èëè
ïðåâûøàþùèõ
èõ, ÃÑÈ ïðåäóñìîòðåíî
ïðîâåäåíèå ãîñóäàðñòâåííûõ
èñïûòàíèé ñðåäñòâ
ÍÊ, êàê ñðåäñòâ
èçìåðåíèé.
Óñòàíîâëåíî
äâà âèäà ãîñóäàðñòâåííûõ
èñïûòàíèé: ïðèåìî÷íûå
è êîíòðîëüíûå
(ÃÎÑÒ 8.383-80).
Ãîñóäàðñòâåííûì
ïðèåìî÷íûì èñïûòàíèÿì
ïîäëåæàò îïûòíûå
îáðàçöû ñðåäñòâ
ÍÊ, ïðåäíàçíà÷åííûå
äëÿ ñåðèéíîãî
ïðîèçâîäñòâà,
à òàêæå îáðàçöû
ñðåäñòâ ÍÊ, ïîäëåæàùèå
ââîçó èç-çà ãðàíèöû
ïàðòèÿìè.
Ïîëîæèòåëüíûå
ðåçóëüòàòû ãîñóäàðñòâåííûõ
ïðèåìî÷íûõ èñïûòàíèé
ÿâëÿþòñÿ îñíîâàíèåì
äëÿ óòâåðæäåíèÿ
òèïà ñðåäñòâ
ÍÊ è âûäà÷è ðàçðåøåíèÿ
íà ïðîèçâîäñòâî
óñòàíîâî÷íîé
ïàðòèè.
Òèïû ñðåäñòâ
ÍÊ, ïðîøåäøèõ
ãîñóäàðñòâåííûå
èñïûòàíèÿ, çàíîñÿòñÿ
â Ãîñóäàðñòâåííûé
ðååñòð ñðåäñòâ
èçìåðåíèé.
Ñåðèéíî èçãîòàâëèâàåìûå
ñðåäñòâà ÍÊ ïîäâåðãàþò
ïðåäúÿâèòåëüñêèì,
ïðèåìîñäàòî÷íûì
è ïåðèîäè÷åñêèì
èñïûòàíèÿì.
Öåëü ýòèõ èñïûòàíèé
- óñòàíîâèòü ïðèãîäíîñòü
ñðåäñòâ ê ïðèìåíåíèþ.
Ïðåäúÿâèòåëüñêèå
èñïûòàíèÿ êàæäîãî
ñðåäñòâà ÍÊ ïðîâîäÿòñÿ
îòäåëîì òåõíè÷åñêîãî
êîíòðîëÿ ïðåäïðèÿòèÿ-èçãîòîâèòåëÿ,
à ïðèåìîñäàòî÷íûå
- îðãàíàìè ïðèåìêè.
Ïåðèîäè÷åñêèå
èñïûòàíèÿ ïðîâîäÿò
â ñîîòâåòñòâèè
ñ ÃÎÑÒ 26964-86 íà íåñêîëüêèõ
îáðàçöàõ èçäåëèÿ,
âûäåðæàâøèõ ïðèåìîñäàòî÷íûå
èñïûòàíèÿ.
Âûñîêîå êà÷åñòâî
ñðåäñòâ ÍÊ ïðè
èõ ïðîèçâîäñòâå
ìîæåò áûòü îáåñïå÷åíî
ïðè óñëîâèè ââåäåíèÿ
ñåðòèôèêàöèè
ñðåäñòâ ÍÊ [18].
4.4.3 Òðåáóåìûé
ïåðñîíàë. Ñåðòèôèêàöèÿ
ïåðñîíàëà. Ñåðòèôèêàöèÿ
ïåðñîíàëà â îáëàñòè
íåðàçðóøàþùåãî
êîíòðîëÿ ïðîâîäèòñÿ
â Ðåñïóáëèêå Áåëàðóñü
â ñîîòâåòñòâèè
ñ ÑÒÁ EN 473 -2005 «Îïðåäåëåíèå
óðîâíÿ êâàëèôèêàöèè
è ñåðòèôèêàöèè
ïåðñîíàëà â îáëàñòè
íåðàçðóøàþùåãî
êîíòðîëÿ».
Ñåðòèôèêàöèÿ
ïåðñîíàëà HK ÿâëÿåòñÿ
îáÿçàòåëüíîé
äëÿ ñïåöèàëèñòîâ,
îáåñïå÷èâàþùèõ
êîíòðîëü è òåõíè÷åñêóþ
äèàãíîñòèêó
ïðîäóêöèè, îáîðóäîâàíèÿ
è ïðîìûøëåííûõ
îáúåêòîâ, ïîäêîíòðîëüíûõ
Ãîñïðîìíàäçîðó
ÐÁ.
Ñåðòèôèêàöèþ
ïåðñîíàëà ÍÊ
îñóùåñòâëÿåò
îðãàí ïî ñåðòèôèêàöèè
ïåðñîíàëà «Ïðîôñåðòèêî»,
îòâå÷àþùèé òðåáîâàíèÿì
ñòàíäàðòà EN 45013 «Îáùèå
òðåáîâàíèÿ ê
îðãàíàì ïî ñåðòèôèêàöèè
ïåðñîíàëà».
Îðãàí ïî ñåðòèôèêàöèè
«Ïðîôñåðòèêî» âõîäèò
â ñîñòàâ ó÷ðåæäåíèÿ
îáðàçîâàíèÿ
«Áåëîðóññêèé
ãîñóäàðñòâåííûé
èíñòèòóò ïîâûøåíèÿ
êâàëèôèêàöèè
è ïåðåïîäãîòîâêè
êàäðîâ ïî ñòàíäàðòèçàöèè,
ìåòðîëîãèè è
óïðàâëåíèþ êà÷åñòâîì»,
êîòîðîå àêêðåäèòîâàíî
â êà÷åñòâå îðãàíà
ïî ñåðòèôèêàöèè
ïåðñîíàëà Íàöèîíàëüíûì
îðãàíîì ïî àêêðåäèòàöèè
Ðåñïóáëèêè Áåëàðóñü
(àòòåñòàò àêêðåäèòàöèè
BY/112.01.6.0.0004).
ÎÑÏ «Ïðîôñåðòèêî»
îñóùåñòâëÿåò
ñåðòèôèêàöèþ
ïåðñîíàëà ïî: âèõðåòîêîâîìó
(ÅÒ), ìàãíèòíîìó
(ÌÒ), êàïèëëÿðíîìó
(ÐÒ), ðàäèîãðàôè÷åñêîìó
(RT), óëüòðàçâóêîâîìó
(UT), âèçóàëüíîìó
(VT), êîíòðîëü ãåðìåòè÷íîñòè
(LT), âèäàì (ìåòîäàì)
êîíòðîëÿ íà I, II, è
III óðîâíè ïðîôåññèîíàëüíîé
êîìïåòåíòíîñòè
ïåðñîíàëà.
Ïðîãðàììû
ïîäãîòîâêè ïî
âèäàì è ìåòîäàì
ÍÊ ðàçðàáîòàíû
ñ ó÷åòîì «Ðåêîìåíäàöèé
Ìåæäóíàðîäíîãî
êîìèòåòà íåðàçðóøàþùåãî
êîíòðîëÿ ICNDT WN 22-85 ïî
ìèíèìàëüíûì
òðåáîâàíèÿì
ê òåõíè÷åñêèì
çíàíèÿì ïðè îáó÷åíèè
ïåðñîíàëà ÍÊ»
è òðåáîâàíèé
Åâðîïåéñêèõ Äèðåêòèâ
97/23/ÅÑ è 87/404/ÅÑ.
Ïðîöåäóðà
ñåðòèôèêàöèè.
Êàíäèäàò,
æåëàþùèé ïðîéòè
ñåðòèôèêàöèþ,
ïîäàåò çàÿâêó
â îðãàí ïî ñåðòèôèêàöèè
ïåðñîíàëà ñ óêàçàíèåì
ìåòîäà(îâ) êîíòðîëÿ,
óðîâåíü êâàëèôèêàöèè,
êîòîðûå îí õî÷åò
ïîäòâåðäèòü è
ïðîèçâîäñòâåííîãî
ñåêòîðà.
Çàÿâêà äîëæíà
áûòü ïîäïèñàíà
ðàáîòîäàòåëåì
è èìåòü âñå íåîáõîäèìûå
ïðèëîæåíèÿ: ñïðàâêó
î ñîñòîÿíèè çðåíèÿ;
ñïðàâêó î ñòàæå
ðàáîòû; ñïðàâêó
î ïðîõîæäåíèè
îáó÷åíèÿ.
Ïîñëå óñïåøíîé
ñäà÷è êâàëèôèêàöèîííûõ
ýêçàìåíîâ (îáùèé,
ñïåöèàëüíûé è
ïðàêòè÷åñêèé)
è ïðè íàëè÷èè
íåîáõîäèìûõ
äîêóìåíòîâ, ïîäòâåðæäàþùèõ
ñîáëþäåíèå óñòàíîâëåííûõ
êðèòåðèåâ, êàíäèäàò
ïîëó÷àåò ñåðòèôèêàò
ñ óêàçàíèåì
ìåòîäà ÍÊ, ïðîìûøëåííîãî
ñåêòîðà è ñðîêà
äåéñòâèÿ ñåðòèôèêàòà.
Ñåðòèôèêàò âûäàåòñÿ
íà ñðîê íå áîëåå
òðåõ ëåò.
Ñåðòèôèêàò
âûäàåòñÿ òîëüêî
ïîñëå ïîëíîé îïëàòû
îêàçàííûõ êàíäèäàòó
óñëóã.
Îñíîâàíèåì
äëÿ îòêëîíåíèÿ
çàÿâêè íà ñåðòèôèêàöèþ
ìîæåò áûòü: íåóäîâëåòâîðèòåëüíîå
ñîñòîÿíèå çäîðîâüÿ;
íåäîñòàòî÷íûé
ñòàæ ïðîèçâîäñòâåííîé
äåÿòåëüíîñòè;
íåäîñòàòî÷íûé
îáúåì îáó÷åíèÿ
ïî çàÿâëåííîìó
ìåòîäó; îòñóòñòâèå
îïëàòû çà óñëóãè
ïî ñåðòèôèêàöèè
êîíêðåòíîãî
ñïåöèàëèñòà;
íàðóøåíèå ïðàâèë
ïðîôåññèîíàëüíîé
ýòèêè.
Ïî ðåçóëüòàòàì
ñåðòèôèêàöèè
ñïåöèàëèñòó
ÍÊ ïðèñâàèâàåòñÿ
1, 2 èëè 3-é óðîâåíü
êâàëèôèêàöèè
ïî êîíêðåòíîìó
ìåòîäó êîíòðîëÿ
â îïðåäåëåííîì
ïðîèçâîäñòâåííîì
ñåêòîðå [19].
1-é óðîâåíü. Ñïåöèàëèñò,
àòòåñòîâàííûé
íà 1-é óðîâåíü, ïîëó÷àåò
êâàëèôèêàöèþ
äëÿ ïðîâåäåíèÿ
ðàáîò ïî íåðàçðóøàþùåìó
êîíòðîëþ â ñîîòâåòñòâèè
ñ ïèñüìåííûìè
èíñòðóêöèÿìè
è ïîä íàáëþäåíèåì
ïåðñîíàëà 2-ãî
èëè 3-ãî óðîâíÿ.
Ïðè ýòîì îí
äîëæåí óìåòü:
íàñòðàèâàòü
îáîðóäîâàíèå;
îñóùåñòâëÿòü
êîíòðîëü; ðåãèñòðèðîâàòü
è êëàññèôèöèðîâàòü
ðåçóëüòàòû â
ñîîòâåòñòâèè
ñ êðèòåðèÿìè,
óñòàíîâëåííûìè
â äîêóìåíòàõ;
ïðåäñòàâëÿòü
îò÷åò ïî ðåçóëüòàòàì.
Îäíàêî îí íå íåñåò
îòâåòñòâåííîñòü
çà âûáîð ìåòîäà
è òåõíè÷åñêîãî
îáîðóäîâàíèÿ
äëÿ êîíòðîëÿ, à
òàêæå çà îöåíêó
èëè îïèñàíèå
õàðàêòåðà ðåçóëüòàòîâ
êîíòðîëÿ.
2-é óðîâåíü. Ñïåöèàëèñò,
àòòåñòîâàííûé
íà 2-é óðîâåíü, ïîëó÷àåò
êâàëèôèêàöèþ
äëÿ îñóùåñòâëåíèÿ
è ðóêîâîäñòâà
ÍÊ â ñîîòâåòñòâèè
ñ óñòàíîâëåííûìè
èëè óòâåðæäåííûìè
ìåòîäèêàìè.
Îí äîëæåí áûòü
êîìïåòåíòíûì
â: âûáîðå òåõíè÷åñêîãî
îáîðóäîâàíèÿ
äëÿ êîíòðîëÿ; îïðåäåëåíèè
îãðàíè÷åíèé
â ïðèìåíåíèè
ìåòîäà êîíòðîëÿ;
ïîíèìàíèè ñòàíäàðòîâ
è òåõíè÷åñêèõ
óñëîâèé ïî ÍÊ,
èõ ïåðåðàáîòêå
â èíñòðóêöèè
ïî ïðàêòè÷åñêîìó
êîíòðîëþ; íàñòðîéêå
è êàëèáðîâêå
îáîðóäîâàíèÿ;
îñóùåñòâëåíèè
êîíòðîëÿ è íàáëþäåíèè
çà íèì; òîëêîâàíèè
è îöåíêå ðåçóëüòàòîâ
â ñîîòâåòñòâèè
ñ ïðèìåíÿåìûìè
ñòàíäàðòàìè,
íîðìàìè èëè óñëîâèÿìè;
ïîäãîòîâêå ïèñüìåííûõ
èíñòðóêöèé ïî
êîíòðîëþ; ïîäãîòîâêå
èëè ðóêîâîäñòâå
ïåðñîíàëîì íèæå
2-ãî óðîâíÿ; îðãàíèçàöèè
è ñîñòàâëåíèè
îò÷åòà ïî ðåçóëüòàòàì
ÍÊ.
3-é óðîâåíü. Ñïåöèàëèñò,
àòòåñòîâàííûé
íà 3-é óðîâåíü, ïîëó÷àåò
êâàëèôèêàöèþ
äëÿ ïðîâåäåíèÿ
ëþáûõ îïåðàöèé
ïî ÍÊ.
Îí äîëæåí áûòü
êîìïåòåíòíûì
â âûïîëíåíèè
ñëåäóþùèõ çàäà÷:
áðàòü íà ñåáÿ
îòâåòñòâåííîñòü
çà êîíòðîëüíóþ
àïïàðàòóðó è
ïåðñîíàë; îïðåäåëÿòü
è óòâåðæäàòü
ïðèìåíåíèå òåõíè÷åñêîãî
îáîðóäîâàíèÿ
è ìåòîäèê; òîëêîâàòü
ñòàíäàðòû, íîðìû,
òåõíè÷åñêèå
óñëîâèÿ è ìåòîäèêè;
îïðåäåëÿòü êîíêðåòíûå
ìåòîäû êîíòðîëÿ,
îáîðóäîâàíèå
è ìåòîäèêè, ïîäëåæàùèå
èñïîëüçîâàíèþ;
îöåíèâàòü ðåçóëüòàòû
â ñîîòâåòñòâèè
ñ äåéñòâóþùèìè
ñòàíäàðòàìè,
íîðìàìè è óñëîâèÿìè;
áûòü ñïîñîáíûì
ðóêîâîäèòü ïåðñîíàëîì
íèæå 3-ãî óðîâíÿ.
Ñðîê äåéñòâèÿ
ñåðòèôèêàòà. Ñðîê
äåéñòâèÿ àòòåñòàòà
ñîñòàâëÿåò 5 ëåò
ñ äàòû àòòåñòàöèè.
Ïîñëå îêîí÷àíèÿ
ïåðâîãî ñðîêà
äåéñòâèÿ è êàæäûå
ïîñëåäóþùèå ïåðèîäû
àòòåñòàò ìîæåò
áûòü ïðîäëåí àòòåñòàöèîííûì
îðãàíîì íà íîâûé
ñðîê [19].
Àííóëèðîâàíèå
ñåðòèôèêàòà. Ñåðòèôèêàò
ìîæåò áûòü àííóëèðîâàí
ïî ðåøåíèþ îðãàíà
ïî ñåðòèôèêàöèè,
åñëè:
- óñòàíîâëåíî,
÷òî ñïåöèàëèñò
ðàáîòàåò íå â
òîì ïðîèçâîäñòâåííîì
ñåêòîðå èëè íå
ïî òîìó ìåòîäó,
íà êîòîðûå îí
ñåðòèôèöèðîâàí;
- óñòàíîâëåíû
ôàêòû íåýòè÷íîãî
ïîâåäåíèÿ;
- óñòàíîâëåí
çíà÷èòåëüíûé
ïåðåðûâ â ðàáîòå.
5. Áåçîïàñíîñòü
è ýêîëîãè÷íîñòü
ïðîåêòà
5.1 Èäåíòèôèêàöèÿ
è àíàëèç âðåäíûõ
è îïàñíûõ ôàêòîðîâ
â ïðîåêòèðóåìîì
óñòðîéñòâå
Ïðåâðàùåíèå
âñåõ ïðîèçâîäñòâ
- â áåçîïàñíûå,
ñ ïåðåõîäîì îò
òåõíèêè áåçîïàñíîñòè
ê áåçîïàñíîé
òåõíèêå, ÿâëÿåòñÿ
äîëãîâðåìåííîé
è ãëîáàëüíîé
çàäà÷åé â îáëàñòè
ÁÆÄ è ýêîëîãè÷íîñòè.
 íàñòîÿùåå âðåìÿ
àêòóàëüíîé ñòàëà
íåîáõîäèìîñòü
èçó÷àòü âðåäíûå
è îïàñíûå ïðîèçâîäñòâåííûå
ôàêòîðû, ïðîãíîçèðîâàòü
èíæåíåðíûå ðåøåíèÿ
áåçîïàñíîñòè
è ýêîëîãè÷íîñòè
íà îñíîâå îòêðûòèé
çàêîíîâ ôèçè÷åñêèõ
ÿâëåíèè è òåõíè÷åñêèõ
íàóê, ñ òåì, ÷òîáû
ïðåäóñìàòðèâàòü,
èõ âíåäðåíèå
â ïðîåêòíî-êîíñòðóêòîðñêèõ
ðàçðàáîòêàõ
è óñëîâèÿõ ïðîèçâîäñòâà.
Íà ñîâðåìåííîì
ýòàíå ðàçâèòèÿ
ëþáîå òåõíè÷åñêîå
ðåøåíèå äîëæíî
ïðèíèìàòüñÿ
íå òîëüêî ñ ó÷åòîì
òåõíîëîãè÷åñêèõ
è ýêîíîìè÷åñêèõ
òðåáîâàíèé, íî
è â îáÿçàòåëüíîì
ïîðÿäêå äîëæíî
ó÷èòûâàòü ýêîëîãè÷åñêèå
àñïåêòû.
Ñîáëþäåíèå
ñòàíäàðòîâ ïî
áåçîïàñíîñòè
òðóäà, ïðàâèë, èíñòðóêöèé
ïî áåçîïàñíîñòè
è ýêîëîãè÷íîñòè
îáåñïå÷èâàåò
áåçîïàñíîñòü
òðóäà.
 ýïîõó íàó÷íî-òåõíè÷åñêîãî
ïðîãðåññà (ÍÒÏ)
â òðóäîâîé äåÿòåëüíîñòè
âñå áîëüøåå çíà÷åíèå
ïðèîáðåòàþò ïñèõîëîãè÷åñêèå
õàðàêòåðèñòèêè
÷åëîâåêà, à ñàì
òðóä âñå ÷àùå
ïðåâðàùàåòñÿ
â ïðåèìóùåñòâåííî
óìñòâåííûé òðóä.
Ãëàâíîé çàäà÷åé
áåçîïàñíîñòè
è ýêîëîãè÷íîñòè
ÿâëÿåòñÿ âûâîä
÷åëîâåêà èç îïàñíûõ
çîí íà ïðåäïðèÿòèè.
Ñðåäè ðàçëè÷íûõ
âèäîâ ïðîôåññèîíàëüíîé
äåÿòåëüíîñòè
ðàñòåò çíà÷åíèå
îïåðàòîðñêèõ
ñïåöèàëüíîñòåé.
Ýôôåêòèâíîñòü
òðóäà, ïðåæäå âñåãî,
îïðåäåëÿåòñÿ
òî÷íîñòüþ âîñïðèÿòèÿ
èíôîðìàöèè, ñêîðîñòüþ
åå ïåðåðàáîòêè
è ïðàâèëüíîñòüþ
ïðèíèìàåìûõ
ðåøåíèé, à íå ôèçè÷åñêèìè
âîçìîæíîñòÿìè
ðàáîòíèêà. Ïîâûøåíèå
òðåáîâàíèé ê
ïñèõîëîãè÷åñêèì
êà÷åñòâàì ñïåöèàëèñòà,
âûñîêàÿ îòâåòñòâåííîñòü
çà ïðèíèìàåìûå
ðåøåíèÿ, îñîáåííî
â óñëîâèÿõ äåôèöèòà
âðåìåíè èëè íåäîñòàòêà
èíôîðìàöèè ÿâëÿåòñÿ
ïðè÷èíîé ïðîôåññèîíàëüíîãî
ñòðåññà, ïðè êîòîðîì
íàðóøàåòñÿ àäåêâàòíîñòü
ðåàêöèè ÷åëîâåêà,
óõóäøàåòñÿ êà÷åñòâî
åãî äåÿòåëüíîñòè,
ñíèæàåòñÿ óðîâåíü
çäîðîâüÿ è ðàñòåò
ïðîèçâîäñòâåííûé
òðàâìàòèçì.
Îáåñïå÷åíèå
áåçîïàñíîé æèçíåäåÿòåëüíîñòè
÷åëîâåêà â çíà÷èòåëüíîé
ñòåïåíè çàâèñèò
îò ïðàâèëüíîé
îöåíêè îïàñíûõ,
âðåäíûõ ïðîèçâîäñòâåííûõ
ôàêòîðîâ. Îäèíàêîâûå
ïî òÿæåñòè èçìåíåíèÿ
â îðãàíèçìå ÷åëîâåêà
ìîãóò áûòü âûçâàíû
ðàçëè÷íûìè ïðè÷èíàìè.
Ýòî ìîãóò áûòü
êàêèå-ëèáî ôàêòîðû
ïðîèçâîäñòâåííîé
ñðåäû, ÷ðåçìåðíàÿ
ôèçè÷åñêàÿ è
óìñòâåííàÿ íàãðóçêà,
íåðâíî-ýìîöèîíàëüíîå
íàïðÿæåíèå, à
òàêæå ðàçíîå
ñî÷åòàíèå ýòèõ
ïðè÷èí.
Ïðîåêòèðîâàíèå
óñòðîéñòâà äîëæíî
âåñòèñü â ñîîòâåòñòâèè
ñ óòâåðæä¸ííûìè
ïðàâèëàìè, íîðìàìè
è ÃÎÑÒàìè.
Âîïðîñû áåçîïàñíîñòè
è ýêîëîãè÷íîñòè
ðàññìàòðèâàþòñÿ
â òåñíîé ñâÿçè
ñ óëó÷øåíèåì
óñëîâèé òðóäà,
ñíèæåíèåì íåðâíî-ïñèõîëîãè÷åñêèõ
íàãðóçîê è ðÿäîì
äðóãèõ ôàêòîðîâ.
Ïîýòîìó çàäà÷à
áåçîïàñíîñòè
è ýêîëîãè÷íîñòè
ñîñòîèò â òîì,
÷òîáû ñâåñòè
ê ìèíèìóìó âåðîÿòíîñòü
ïîðàæåíèÿ èëè
çàáîëåâàíèÿ
ðàáîòàþùåãî
ñ îäíîâðåìåííûì
îáåñïå÷åíèåì
êîìôîðòà ïðè ìàêñèìàëüíîé
ïðîèçâîäèòåëüíîñòè
òðóäà.
Èäåíòèôèêàöèÿ
îïàñíûõ è âðåäíûõ
ïðîèçâîäñòâåííûõ
ôàêòîðîâ ïðîèçâåäåíà
â ñîîòâåòñòâèè
ñ [20]. Âûäåëÿþò ñëåäóþùèå
ôàêòîðû:
ôèçè÷åñêèå;
õèìè÷åñêèå;
áèîëîãè÷åñêèå;
ïñèõîôèçèîëîãè÷åñêèå.
Ôèçè÷åñêèå
ôàêòîðû. Ðàçðàáîòàííîå
â äèïëîìíîì ïðîåêòå
óñòðîéñòâî äëÿ
âèçóàëüíî-îïòè÷åñêîãî
êîíòðîëÿ âíóòðåííåãî
ñîñòîÿíèÿ òðóá
è áëîê óïðàâëåíèÿ
ÿâëÿþòñÿ ïîòåíöèàëüíî
îïàñíûìè.
Âñëåäñòâèå
íåèñïðàâíîñòè
ýëåêòðîóñòàíîâêè
è ïîâðåæäåíèé
èçîëÿöèè òîêîâåäóùèõ
÷àñòåé ìîæåò
âîçíèêíóòü ïåðåãðåâ
ïðîâîäíèêîâ è
èñêðåíèå, ÷òî
ìîæåò ïîñëóæèòü
ïðè÷èíîé âîçãîðàíèÿ
íàõîäÿùèõñÿ
âíóòðè ÎÊ ãîðþ÷èõ
ãàçîâ.
Òåïëîâûå ïîòîêè
îò âû÷èñëèòåëüíîãî
óñòðîéñòâà, äåéñòâóþùèå
íà ëèöî è äðóãèå
ó÷àñòêè òåëà,
âûçûâàþò ñîíëèâîñòü,
âåäóò ê óòîìëåíèþ.
Äëÿ îáåñïå÷åíèÿ
êîìôîðòíûõ óñëîâèé
òðóäà â çîíå äîëæåí
ïîääåðæèâàòüñÿ
îïðåäåë¸ííûé
òåìïåðàòóðíûé
ðåæèì. Íàðóøåíèå
òåìïåðàòóðíîãî
ðåæèìà â ðàáî÷åé
çîíå ìîæåò ïðèâåñòè
íå òîëüêî ê ôèçè÷åñêîìó
äèñêîìôîðòó
ðàáîòíèêà, íî
è ê íàðóøåíèþ
ôóíêöèîíèðîâàíèÿ
óñòðîéñòâà. Èçëèøíåå
îòêëîíåíèå òåìïåðàòóðû
îò íîðìû â ñòîðîíó
óâåëè÷åíèÿ, ìîæåò
ïðèâåñòè ê ïåðåãðåâó
ïðèáîðà. Íå ñëåäóåò
çàáûâàòü, ÷òî
ïðè ïðîâåäåíèè
ðàáîò íà îòêðûòîì
âîçäóõå â æàðêîå
ëåòíåå âðåìÿ åñòü
ðèñê âîçíèêíîâåíèÿ
òåïëîâîãî óäàðà.
Ïðè ïðîâåäåíèè
êîíòðîëÿ âáëèçè
ðàáîòàþùèõ òåõíè÷åñêèõ
óñòàíîâîê, íà
îïåðàòîðà âîçìîæíî
âîçäåéñòâèå
àêóñòè÷åñêîãî
øóìà. Íåïðàâèëüíûé
øóìîâîé è âèáðàöèîííûé
ðåæèìû â ðàáî÷åé
çîíå, à òàêæå âëèÿíèå
âíåøíåé îáñòàíîâêè,
ïðèâîäÿò ê óòîìëåíèþ
ñëóõîâîãî àïïàðàòà
ðàáîòíèêà, ÷òî
ïðè äëèòåëüíîì
âîçäåéñòâèè
ìîæåò ñêàçàòüñÿ
íà ïðîôåññèîíàëüíûõ
êà÷åñòâàõ ñïåöèàëèñòà.
Äîïóñòèìûé óðîâåíü
øóìà â ðàáî÷åé
çîíå, íå äîëæåí
ïðåâûøàòü 50 äÁ,
â ñîîòâåòñòâèè
ñ ÃÎÑÒ 12.1.005-88 [21].
Õèìè÷åñêèå
ôàêòîðû. Ïðè ïðîâåäåíèè
êîíòðîëÿ îáúåêòîâ
íåôòåãàçîâîãî
êîìïëåêñà (ãàçîïðîâîäû,
áåíçîïðîâîäû,
ðåçåðâóàðû äëÿ
ÃÑÌ) âîçìîæíî
îòðàâëåíèå ïðîäóêòàìè,
êîòîðûå ìîãëè
îñòàòüñÿ ïîñëå
âðåìåííîãî âûâåäåíèÿ
ÎÊ èç ýêñïëóàòàöèè.
Íàèáîëåå âåðîÿòíûì
âèäîì îòðàâëåíèÿ
ïðè ïðîâåäåíèè
êîíòðîëÿ ïðîåêòèðóåìûì
óñòðîéñòâîì,
âîçìîæíî îòðàâëåíèå
áåíçèíîì. Áåíçèí
îêàçûâàåò îáùåòîêñè÷åñêîå
äåéñòâèå íà îðãàíèçì
÷åëîâåêà ïðè âäûõàíèè
ïàðîâ, ïîïàäàíèè
â æåëóäîê èëè
÷åðåç êîæíûå
ïîêðîâû. Îòðàâëåíèå
áåíçèíîì ìîæåò
áûòü îñòðîå èëè
õðîíè÷åñêîå.
Îñòðîå îòðàâëåíèå
âîçíèêàåò ïðè
âäûõàíèè âîçäóõà,
ñîäåðæàùåãî ïàðû
áåíçèíà â âûñîêîé
êîíöåíòðàöèè.
Ïðèçíàêè îòðàâëåíèÿ
ïàðàìè áåíçèíà:
- âîçáóæäåíèå,
ïîäîáíîå îïüÿíåíèþ
(ýéôîðèÿ);
- ãîëîâîêðóæåíèå;
- òîøíîòà,
ðâîòà;
- ïîòåðÿ ñîçíàíèÿ,
ñóäîðîãè, íàðóøåíèÿ
äûõàíèÿ;
Õðîíè÷åñêîå
îòðàâëåíèå ïàðàìè
áåíçèíà âîçíèêàåò
ïðè äëèòåëüíîì
âäûõàíèè âîçäóõà
ñ íåáîëüøèì ñîäåðæàíèåì
ïàðîâ áåíçèíà.
Ïðîÿâëÿåòñÿ îíî
áûñòðîé óòîìëÿåìîñòüþ,
íåóñòîé÷èâîñòüþ
íàñòðîåíèÿ, ãîëîâíîé
áîëüþ.
Ñàìîå ãëàâíîå
ìåðîïðèÿòèå ïðè
îòðàâëåíèè ïàðàìè
áåíçèíà - âûâåñòè
ïîñòðàäàâøåãî
íà ñâåæèé âîçäóõ.
Êàê ïðàâèëî, äëÿ
ïîëíîãî âûçäîðîâëåíèÿ
íåîáõîäèìî îò
2 äî 5 äíåé [22].
Ïñèõîôèçèîëîãè÷åñêèå
ôàêòîðû. Ïðè äëèòåëüíîé
ðàáîòå ñ óñòðîéñòâîì
ìîæåò ïðîÿâèòüñÿ
âðåäíîå ðàçäðàæàþùåå
âîçäåéñòâèå
íà ðàáîòíèêà.
Òàêæå, ïðè íàðóøåíèè
ãðàôèêà ðàáîò
è íåðàöèîíàëüíîì
èñïîëüçîâàíèè
âðåìåíè âîçìîæíî
âîçíèêíîâåíèå
ôèçè÷åñêèõ è
íåðâíî-ïñèõè÷åñêèõ
ïåðåãðóçîê. Ïîñëåäíèå
ìîãóò ñòàòü ïðè÷èíîé
íåðâíûõ çàáîëåâàíèé.
Ïðè ðàáîòå
ñ âèäåîêðîóëåðîì
â ïîëîæåíèè ñòîÿ
è íà êîðòî÷êàõ,
íîãè îïåðàòîðà
áóäóò áûñòðî
óñòàâàòü. Ïîýòîìó
íàèáîëåå óäîáíûì
ïîëîæåíèåì äëÿ
äåôåêòîñêîïèñòà
áóäåò ÿâëÿòüñÿ
ñèäÿ÷åå ïîëîæåíèå.
Íà ðàáî÷åì ìåñòå
ñëåäóåò ïðåäóñìîòðåòü
óñòàíîâêó ñòîëà
è ñòóëà äëÿ ðàñïîëîæåíèÿ
íà íèõ îáîðóäîâàíèÿ
è äåôåêòîñêîïèñòà.
5.2 Ðàçðàáîòêà
òåõíè÷åñêèõ,
òåõíîëîãè÷åñêèõ
ðåøåíèé è çàùèòíûõ
ñðåäñòâ ïî óñòðàíåíèþ
îïàñíûõ è âðåäíûõ
ôàêòîðîâ
Ïðè ïðîâåäåíèè
äåôåêòîñêîïè÷åñêèõ
ðàáîò ñ èñïîëüçîâàíèåì
ïðîåêòèðóåìîãî
óñòðîéñòâà, íàèáîëåå
îïàñíîé ïî ñâîåìó
âîçäåéñòâèþ
è ïîñëåäñòâèÿì
ñèòóàöèåé ÿâëÿåòñÿ
âîçíèêíîâåíèå
ïîæàðà.
Íåèçîëèðîâàííûå
ïèòàþùèå êàáåëè
ïðèáîðà ïðè ëþáîì
íàïðÿæåíèè äîëæíû
áûòü îãðàæäåíû
îò ñëó÷àéíîãî
ïðèêîñíîâåíèÿ.
 ïðîåêòèðóåìîì
óñòðîéñòâå ñëåäóåò
óñòàíàâëèâàòü
òîëüêî áåñêîëëåêòîðíûå
äâèãàòåëè ïîñòîÿííîãî
òîêà, ò.ê. êîëëåêòîðíûå
äâèãàòåëè ñîäåðæàò
ù¸òêó è êîëëåêòîð,
ïðè òðåíèè êîòîðûõ
âîçíèêàþò èñêðû.
Ïîæàðíàÿ áåçîïàñíîñòü
óñòðîéñòâà äîëæíà
îáåñïå÷èâàòüñÿ
ñèñòåìàìè ïðåäîòâðàùåíèÿ
ïîæàðà è ïðîòèâîïîæàðíîé
çàùèòû, â òîì
÷èñëå îðãàíèçàöèîííî-òåõíè÷åñêèìè
ìåðîïðèÿòèÿìè.
Ãîðåíèå - ýòî
õèìè÷åñêàÿ ðåàêöèÿ
ñîåäèíåíèÿ êèñëîðîäà
âîçäóõà ñ ãîðþ÷èì
âåùåñòâîì, ñîïðîâîæäàþùàÿñÿ
âûäåëåíèåì òåïëîòû
è ñâåòà.
Âçðûâ õèìè÷åñêè
íå îòëè÷àåòñÿ
îò ãîðåíèÿ, íî
ïðîòåêàåò â î÷åíü
êîðîòêèå ïðîìåæóòêè
âðåìåíè è ñîïðîâîæäàåòñÿ
çâóêîâûì ýôôåêòîì.
Íà íåêîòîðûõ
èç îáúåêòîâ êîíòðîëÿ,
îòíîñÿùèõñÿ
ê íåôòåãàçîâîìó
è òîïëåâíî-ýíåðãåòè÷åñêîìó
êîìïëåêñó, âîçìîæíî
íàëè÷èå îñòàòêîâ
ãîðþ÷èõ óãëåâîäîðîäîâ
(ìåòàí, ïðîïàí,
áåíçèí è ò.ï.). Ïîýòîìó
ïðè ïðîâåäåíèè
äåôåêòîñêîïè÷åñêèõ
ðàáîò, èñòî÷íèêàìè
ãîðåíèÿ è âçðûâà
ìîãóò ñòàòü:
îòêðûòîå ïëàìÿ,
êðàòêîâðåìåííîå
èñêðåíèå ýëåêòðîïðîâîäíûõ
ýëåìåíòîâ, ìåõàíè÷åñêîå
âîçäåéñòâèå
è äð.
Îñíîâíûå ïðè÷èíû
âîçíèêíîâåíèÿ
ïîæàðîâ íà ïðîèçâîäñòâå:
íåèñïðàâíîñòü
îòîïèòåëüíûõ
ñèñòåì è íàðóøåíèå
ðåæèìîâ èõ ðàáîòû;
íåèñïðàâíîñòü
èëè ïåðåãðóçêà
ýëåêòðè÷åñêèõ
óñòàíîâîê è ñåòåé,
à òàêæå ïðîèçâîäñòâåííîãî
îáîðóäîâàíèÿ;
íåèñïðàâíîñòü
âåíòèëÿöèîííûõ
ñèñòåì; íåïðàâèëüíîå
õðàíåíèå ãîðþ÷èõ
è ëåãêîâîñïëàìåíÿþùèõñÿ
ìàòåðèàëîâ è
æèäêîñòåé;
âîçíèêíîâåíèå
ñòàòè÷åñêîãî
ýëåêòðè÷åñòâà;
íåáðåæíîå îáðàùåíèå
ñ îòêðûòûì îãíåì,
íàðóøåíèå ïðàâèë
âíóòðåííåãî
ðàñïîðÿäêà ïðåäïðèÿòèÿ
(íàïðèìåð, êóðåíèå
è õðàíåíèå ñïåöîäåæäû
â íåïîëîæåííûõ
ìåñòàõ è ò.ä.).
Ñèñòåìû ïîæàðíîé
áåçîïàñíîñòè
âûïîëíÿþò îäíó
èç ñëåäóþùèõ
çàäà÷:
- èñêëþ÷àòü
âîçíèêíîâåíèå
ïîæàðà;
- îáåñïå÷èâàòü
ïîæàðíóþ áåçîïàñíîñòü
ëþäåé;
- îáåñïå÷èâàòü
ïîæàðíóþ áåçîïàñíîñòü
ìàòåðèàëüíûõ
öåííîñòåé;
Ïåðåä òóøåíèåì
óñòàíîâêè å¸
íåîáõîäèìî ïðåäâàðèòåëüíî
îáåñòî÷èòü. Íåáîëüøèå
çàãîðàíèÿ ìîãóò
áûòü ëèêâèäèðîâàíû
ñ ïîìîùüþ óãëåêèñëîòíûõ
îãíåòóøèòåëåé.
Òàêèìè îãíåòóøèòåëÿìè
òàêæå ìîæíî òóøèòü
çàãîðàíèÿ ýëåêòðîóñòàíîâîê,
íàõîäÿùèõñÿ
ïîä íàïðÿæåíèåì.
Ïðåäåëüíî äîïóñòèìûé
óðîâåíü íàïðÿæ¸ííîñòè
âîçäåéñòâóþùåãî
ýëåêòðè÷åñêîãî
ïîëÿ óñòàíàâëèâàåòñÿ
ðàâíûì 25 êÂ/ì ïî
[23]. Ïðåáûâàíèå â
ýëåêòðè÷åñêîì
ïîëå íàïðÿæ¸ííîñòüþ
äî 5 êÂ/ì âêëþ÷èòåëüíî
äîïóñêàåòñÿ
â òå÷åíèå ðàáî÷åãî
äíÿ. Ðàçðàáàòûâàåìîå
óñòðîéñòâî çàïèòûâàåòñÿ
îò èñòî÷íèêà
ïîñòîÿííîãî
òîêà è ïîòðåáëÿåò
íåçíà÷èòåëüíóþ
ìîùíîñòü, ïîýòîìó
îíà ñïîñîáíà
ñîçäàòü óðîâåíü
íàïðÿæ¸ííîñòè
ýëåêòðè÷åñêîãî
ïîëÿ íà íåñêîëüêî
ïîðÿäêîâ íèæå,
÷åì ïðåäåëüíî
äîïóñòèìûé.
Òðåáóåìàÿ
îñâåù¸ííîñòü
äëÿ ðàáîòû ñ óñòàíîâêîé
íàõîäèòñÿ â äèàïàçîíå
îò 300 äî 400 ëê â ñîîòâåòñòâèè
ñî [24], â çàâèñèìîñòè
îò ÿðêîñòè ýêðàíà,
åãî öâåòà è ñîîòíîøåíèÿ
âðåìåíè ðàáîòû
ñ äèñïëååì è ñ
äîêóìåíòàöèåé.
Åñëè íîóòáóê
áóäåò èñïîëüçîâàòüñÿ
â ÿðêóþ ñîëíå÷íóþ
ïîãîäó, òî óäîáíî
èñïîëüçîâàòü
ïðîòèâîáëèêîâûå
ýêðàííûå ôèëüòðû.
5.3 Ðàçðàáîòêà
ìåð áåçîïàñíîñòè
ïðè ýêñïëóàòàöèè
óñòðîéñòâà
Ðàçðàáîòàåì
èíñòðóêöèþ ïî
îõðàíå òðóäà
ïðè ðàáîòå ñ ïðîåêòèðóåìûì
óñòðîéñòâîì.
Îíà âêëþ÷àåò
ñëåäóþùèå ðàçäåëû:
Îáùèå òðåáîâàíèÿ
áåçîïàñíîñòè. Ê ïðîâåäåíèþ
ðàáîò äîïóñêàþòñÿ
ñïåöèàëüíî ïîäãîòîâëåííûå
äåôåêòîñêîïèñòû,
ñäàâøèå ñîîòâåòñòâóþùèå
èñïûòàíèÿ, ïðîøåäøèå
ïðîèçâîäñòâåííóþ
ñòàæèðîâêó ñ
îïûòíûì äåôåêòîñêîïèñòîì
â òå÷åíèè äâóõ
ìåñÿöåâ è èìåþùèõ
óäîñòîâåðåíèå
óñòàíîâëåííîé
ôîðìû.
Ê ðàáîòå ñ óñòðîéñòâîì
äåôåêòîñêîïèñò
ìîæåò ïðèñòóïèòü
ïîñëå ïðîõîæäåíèÿ
ââîäíîãî èíñòðóêòàæà
è ïåðâè÷íîãî
èíñòðóêòàæà
íà ðàáî÷åì ìåñòå.
Äåôåêòîñêîïèñò
îäèí ðàç â øåñòü
ìåñÿöåâ äîëæåí
ïîëó÷èòü ïîâòîðíûé
èíñòðóêòàæ.
Äåôåêòîñêîïèñò
äîëæåí êàæäûé
äåíü îñóùåñòâëÿòü
ïðîâåðêó îáîðóäîâàíèÿ
è â ñëó÷àå åãî
íåèñïðàâíîñòè
íå ïðèñòóïàòü
ê ñàìîñòîÿòåëüíîé
ðàáîòå äî óñòðàíåíèÿ
íåèñïðàâíîñòè.
Äåôåêòîñêîïèñò
äîëæåí óìåòü
îêàçàòü ïåðâóþ
äîâðà÷åáíóþ
ïîìîùü ïîñòðàäàâøèì
ïðè íåñ÷àñòíîì
ñëó÷àå è ïîñòàâèòü
â èçâåñòíîñòü
î ïðîèñøåäøåì
íà÷àëüíèêà öåõà.
Äåôåêòîñêîïèñò
îáÿçàí ñîáëþäàòü
ïðàâèëà âíóòðåííåãî
ðàñïîðÿäêà, íå
äîïóñêàòü:
óïîòðåáëåíèå
àëêîãîëüíûõ,
íàðêîòè÷åñêèõ
è òîêñè÷åñêèõ
ñðåäñòâ;
êóðåíèå â íåóñòàíîâëåííîì
ìåñòå.
Òðåáîâàíèÿ
áåçîïàñíîñòè
ïåðåä íà÷àëîì
ðàáîòû. Äåôåêòîñêîïèñò
ïåðåä íà÷àëîì
ðàáîòû äîëæåí
ïîäãîòîâèòü ñâîå
ðàáî÷åå ìåñòî.
Ïåðåä âêëþ÷åíèåì
ïðèáîðîâ, äåôåêòîñêîïèñò
ïðîâîäèò âèçóàëüíûé
îñìîòð íà ïðåäìåò
ïîëîìêè, è òîëüêî
ïîñëå ïðîèçâîäèò
âêëþ÷åíèå óñòàíîâêè.
Åñëè ïðè ðàáîòå
ïðèáîðà íàáëþäàþòñÿ
îòêëîíåíèÿ â
âèäå çàïàõà ãàðè,
äåéñòâèå òîêà
íà ñòåíêàõ ïðèáîðà
ïðè ïðèêîñíîâåíèè,
äåôåêòîñêîïèñò
îáÿçàí âûêëþ÷èòü
ïðèáîð, äàáû ïðåäîòâðàòèòü
íåãàòèâíûå ïîñëåäñòâèÿ.
Òðåáîâàíèÿ
áåçîïàñíîñòè
ïðè âûïîëíåíèè
ðàáîò. Áîëüøèíñòâî
ñðåäñòâ íåðàçðóøàþùåãî
êîíòðîëÿ â ïðîöåññå
ðàáîòû ïîëíîñòüþ
èëè ÷àñòè÷íî
íàõîäÿòñÿ ïîä
íàïðÿæåíèåì.
Ïðè èõ ýêñïëóàòàöèè
íåîáõîäèìî ïðèäåðæèâàòüñÿ
«Ïðàâèëà òåõíè÷åñêîé
ýêñïëóàòàöèè
ýëåêòðîóñòàíîâîê
ïîòðåáèòåëåé».
Ïðè ðàáîòå
íåîáõîäèìî ñëåäèòü,
÷òîáû ïèòàþùèé
ïðîâîä íå êàñàëñÿ
ìåòàëëè÷åñêèõ
è âëàæíûõ ïîâåðõíîñòåé,
íå äîïóñêàòü
ïåðåêðó÷èâàíèÿ
èëè îáðàçîâàíèÿ
ïåòåëü íà ïðîâîäå.
Îáÿçàííîñòüþ
äåôåêòîñêîïèñòà
ÿâëÿåòñÿ ñîäåðæàíèå
ñâîåãî ðàáî÷åãî
ìåñòà â ïîðÿäêå.
 ïðîöåññå
ðàáîòû íå ðàçðåøàåòñÿ:
âñêðûâàòü
êîðïóñ óñòðîéñòâà,
ïðîèçâîäèòü åãî
ðåìîíò âî âðåìÿ
êîíòðîëÿ;
êëàñòü íà êîðïóñ
óñòðîéñòâà êàêèå-ëèáî
ïîñòîðîííèå
ïðåäìåòû;
äîïóñêàòü
ê ðàáîòå ïîñòîðîííèõ
ëèö.
Òðåáîâàíèÿ
áåçîïàñíîñòè
ïî îêîí÷àíèè
ðàáîòû. Ïîñëå îêîí÷àíèÿ
ðàáîòû äåôåêòîñêîïèñò
îòêëþ÷àåò ïðèáîð
îò èñòî÷íèêà
òîêà. Ïðè îòêëþ÷åíèè
ïðèáîðà, íåëüçÿ
äåðæàòüñÿ çà ïèòàþùèé
ïðîâîä.
Ðàáî÷åå ìåñòî
ïî îêîí÷àíèè
ñìåíû äåôåêòîñêîïèñò
îáÿçàí óáðàòü
è ïðèâåñòè â ïîðÿäîê.
Ïðîèçâîäñòâåííàÿ
ñàíèòàðèÿ. Äëÿ ñîáëþäåíèÿ
áëàãîïðèÿòíûõ
ñàíèòàðíî-ãèãèåíè÷åñêèõ
óñëîâèé íà ïðîèçâîäñòâå
íåîáõîäèìî ñîáëþäàòü
ïðàâèëà ïðîèçâîäñòâåííîé
ñàíèòàðèè è ãèãèåíû
òðóäà.
Íà êàæäîì
ðàáî÷åì ó÷àñòêå
íåîáõîäèìî èìåòü
àïòå÷êó, óêîìïëåêòîâàííóþ
ìåäèêàìåíòàìè
è ïåðåâÿçî÷íûìè
ñðåäñòâàìè.
Ðàáîòàþùèì
íåîáõîäèìî ñîáëþäàòü
ïðàâèëà ãèãèåíû
òðóäà è ëè÷íîé
ãèãèåíû: ïðîâåòðèâàòü
ïîìåùåíèå, ïðîèçâîäèòü
âëàæíóþ óáîðêó
ïîëîâ, ìûòü ðóêè
ãîðÿ÷åé âîäîé
ñ ìûëîì ïåðåä ïðèíÿòèåì
ïèùè, ñëåäèòü
çà èñïðàâíîñòüþ
ñïåöîäåæäû è ò.ä.
Òðåáîâàíèÿ
áåçîïàñíîñòè
â àâàðèéíûõ ñèòóàöèÿõ
[22].
Ïðè ïîðàæåíèè
ýëåêòðè÷åñêèì
òîêîì, äî ïðèáûòèÿ
âðà÷à ïîñòðàäàâøåìó
îêàçûâàþò ïåðâóþ
ïîìîùü. Íå ïîòåðÿâøåìó
ñîçíàíèå ÷åëîâåêó
íåîáõîäèìî îáåñïå÷èòü
ïîêîé â òå÷åíèè
2-3 ÷àñîâ, à çàòåì
äîñòàâèòü åãî
â ìåäèöèíñêîå
ó÷ðåæäåíèå.
Åñëè ïîñòðàäàâøèé
íàõîäèòñÿ â òÿæåëîì
ñîñòîÿíèè, òî
èñêóññòâåííîå
äûõàíèå íåîáõîäèìî
äåëàòü áåç ïðîìåäëåíèÿ
äî òåõ ïîð, ïîêà
äûõàíèå íå ñòàíåò
íîðìàëüíûì.
Îäíîâðåìåííî
ñ îêàçàíèåì ïåðâîé
ïîìîùè íåîáõîäèìî
âûçâàòü ìåäèöèíñêóþ
ïîìîùü, äîëîæèâ
î ñëó÷èâøåìñÿ
ñàíèòàðíîìó
ïîñòó, öåõîâîìó
èëè çàâîäñêîìó
ìåäïóíêòó è àäìèíèñòðàöèè.
Íåáîëüøèå
ïîðåçû ñìàçûâàþò
éîäîì è ïåðåâÿçûâàþò
÷èñòûì áèíòîì.
Íà ìåñòî ëåãêîãî
óøèáà íåîáõîäèìî
ïðèëîæèòü õîëîäíûé
êîìïðåññ. Ïðè òÿæåëûõ
óøèáàõ ïîñòðàäàâøåãî
îòïðàâëÿþò ê âðà÷ó.
 ñëó÷àå îòðàâëåíèÿ
ïàðàìè áåíçèíà,
ñëåäóåò:
- óäàëèòü
ïîñòðàäàâøåãî
èç ïîìåùåíèÿ,
ãäå ïðîèçîøëî
îòðàâëåíèå;
- äàòü ïîäûøàòü
ñâåæèì âîçäóõîì
(èäåàëüíî - ìåäèöèíñêèì
êèñëîðîäîì);
- ïðè ïîâåðõíîñòíîì
äûõàíèè èëè åãî
îòñóòñòâèè
- íà÷àòü èñêóññòâåííîå
äûõàíèå;
- ðàñòåðåòü
òåëî, ïðèëîæèòü
òåïëî ê íîãàì,
äàòü êðàòêîâðåìåííî
ïîäûøàòü ïàðàìè
íàøàòûðíîãî
ñïèðòà, ÷òî òàêæå
ñïîñîáñòâóåò
ëèêâèäàöèè ïðèçíàêîâ
îòðàâëåíèÿ;
- Âûçâàòü
âðà÷à ïî òåëåôîíó
103 è òðàíñïîðòèðîâàòü
ïîñòðàäàâøåãî
â áîëüíèöó;
Äåéñòâèÿ
ïðè ïîæàðå. Ïðè òóøåíèè
î÷àãîâ çàãîðàíèÿ
ëåãêî âîñïëàìåíÿþùèõñÿ
æèäêîñòåé ïðèìåíÿòü
òîëüêî óãëåêèñëîòíûå
ïåííûå îãíåòóøèòåëè.
 ïîìåùåíèè ñ
ýëåêòðè÷åñêèì
îáîðóäîâàíèåì
äîëæíî áûòü íå
ìåíåå äâóõ îãíåòóøèòåëåé
òèïà ÎÓ-5 èëè ÎÓ-8.
Ìåðû ïðåäîñòîðîæíîñòè
ïðèìåíÿåìûå äëÿ
ñîêðàùåíèÿ âåðîÿòíîñòè
âîçíèêíîâåíèÿ
ïîæàðîîïàñíîé
ñèòóàöèè:
âñå ðàáî÷èå
è ÈÒÐ, ñâÿçàííûå
ñ ðàáîòàìè íà
ïîæàðîîïàñíûõ
ïðîèçâîäñòâàõ,
äîëæíû óìåòü
ïîëüçîâàòüñÿ
îãíåòóøèòåëÿìè;
òåìïåðàòóðà
ðàáî÷åé æèäêîñòè
íå äîëæíà ïðåâûøàòü
50°Ñ ïðè ðàáîòå ñ
êåðîñèíîì è 60 -
70°Ñ ïðè ðàáîòå ñ
ìàñëîì;
êàòåãîðè÷åñêè
çàïðåùàåòñÿ
õðàíåíèå íà ðàáî÷èõ
ó÷àñòêàõ ïðîìàñëåííîé
ñïåöîäåæäû, çàïàñîâ
ËÂÆ è ïðîòèðî÷íûõ
ìàòåðèàëîâ, ïðåâûøàþùèõ
ñìåííóþ ïîòðåáíîñòü;
çàïðåùàåòñÿ
ïðèñóòñòâèå
â ïîìåùåíèè ïîñòîðîííèõ
ëèö, íå çàíÿòûõ
íåïîñðåäñòâåííîé
ýêñïëóàòàöèåé
è ðåìîíòîì äåôåêòîñêîïè÷åñêîãî
îáîðóäîâàíèÿ,
à òàêæå äðóãèìè
ïðîèçâîäñòâåííûìè
çàäàíèÿìè;
çàïðåùàåòñÿ
ïðèìåíåíèå ýëåêòðîïðåäîõðàíèòåëåé,
íå ñîîòâåòñòâóþùèõ
óñòàíîâëåííîìó
íîìèíàëó;
ïðè óõîäå íà
îáåä è ïîñëå îêîí÷àíèÿ
ñìåíû îáÿçàòåëüíî
çàêðûâàòü âñå
ôîðòî÷êè, ôðàìóãè
è îêíà, à òàêæå
âûêëþ÷àòü ñèëîâóþ
è ñâåòîâóþ ýëåêòðîýíåðãèþ.
Îáÿçàòåëüíîå
âûïîëíåíèå âñåõ
ïðàâèë âíóòðåííåãî
ðàñïîðÿäêà, óñòàíîâëåííûõ
äëÿ ïðåäïðèÿòèÿ,
ÿâëÿåòñÿ ãëàâíûì
óñëîâèåì îáåñïå÷åíèÿ
ïðîòèâîïîæàðíûõ
òðåáîâàíèé.
 ñëó÷àå âîçíèêíîâåíèÿ
ïîæàðà, ñëåäóåò
íåìåäëåííî âûçâàòü
ñëóæáó Ì×Ñ ïî
òåëåôîíó 101, à çàòåì
ïðåäïðèíèìàòü
ìåðû ïî ñàìîñòîÿòåëüíîìó
òóøåíèþ.
6. Ýíåðãî- è
ðåñóðñîñáåðåæåíèå
6.1 Âëèÿíèå
ÒÝÖ íà îêðóæàþùóþ
ñðåäó
îïòè÷åñêèé
âèäåîêðîóëåð
êîíòðîëü
Ýëåêòðè÷åñêàÿ
ýíåðãèÿ - âàæíåéøèé,
óíèâåðñàëüíûé,
ñàìûé ýôôåêòèâíûé
òåõíè÷åñêè è
ýêîíîìè÷åñêè
âèä ýíåðãèè. Äðóãîå
åãî ïðåèìóùåñòâî
- ýêîëîãè÷åñêàÿ
áåçîïàñíîñòü
èñïîëüçîâàíèÿ
è ïåðåäà÷è ýëåêòðîýíåðãèè
ïî ëèíèÿì ýëåêòðîïåðåäà÷
ïî ñðàâíåíèþ
ñ ïåðåâîçêîé òîïëèâ,
ïåðåêà÷êîé èõ
ïî ñèñòåìàì òðóáîïðîâîäîâ.
Ýëåêòðè÷åñòâî
ñïîñîáñòâóåò
ðàçâèòèþ ïðèðîäîñáåðåãàþùèõ
òåõíîëîãèé âî
âñåõ îòðàñëÿõ
ïðîèçâîäñòâà.
Îäíàêî âûðàáîòêà
ýëåêòðîýíåðãèè
íà ìíîãî÷èñëåííûõ
ÒÝÑ, ÃÝÑ, ÀÝÑ ñîïðÿæåíà
ñî çíà÷èòåëüíûìè
îòðèöàòåëüíûìè
âîçäåéñòâèÿìè
íà îêðóæàþùóþ
ñðåäó. Ýíåðãåòè÷åñêèå
îáúåêòû ïî ñòåïåíè
âëèÿíèÿ ïðèíàäëåæàò
ê ÷èñëó íàèáîëåå
èíòåíñèâíî âîçäåéñòâóþùèõ
íà áèîñôåðó ïðîìûøëåííûõ
îáúåêòîâ.
Íàèáîëüøàÿ
äîëÿ ýëåêòðîýíåðãèè
(63,2%) â ìèðå âûðàáàòûâàåòñÿ
íà ÒÝÑ. Ïîýòîìó
âðåäíûå âûáðîñû
ýòîãî òèïà ýëåêòðîñòàíöèé
â àòìîñôåðó îáåñïå÷èâàþò
íàèáîëüøåå êîëè÷åñòâî
àíòðîïîãåííûõ
çàãðÿçíåíèé
â íåé. Òàê, íà èõ
äîëþ ïðèõîäèòñÿ
ïðèìåðíî 25% âñåõ
âðåäíûõ âûáðîñîâ,
ïîñòóïàþùèõ
â àòìîñôåðó îò
ïðîìûøëåííûõ
ïðåäïðèÿòèé [25].
Ãàçîîáðàçíûå
âûáðîñû ãëàâíûì
îáðàçîì âêëþ÷àþò
ñîåäèíåíèÿ óãëåðîäà,
ñåðû, àçîòà, à òàêæå
àýðîçîëè è êàíöåðîãåííûå
âåùåñòâà.
Îêèñëû óãëåðîäà
(CO è CO2) ïðàêòè÷åñêè
íå âçàèìîäåéñòâóþò
ñ äðóãèìè âåùåñòâàìè
â àòìîñôåðå è
âðåìÿ èõ ñóùåñòâîâàíèÿ
ïðàêòè÷åñêè
íå îãðàíè÷åíî.
Ñâîéñòâà
CO è CO2, êàê è äðóãèõ
ãàçîâ, ïî îòíîøåíèþ
ê ñîëíå÷íîìó
èçëó÷åíèþ õàðàêòåðèçóþòñÿ
èçáèðàòåëüíîñòüþ
â íåáîëüøèõ ó÷àñòêàõ
ñïåêòðà. Òàê, äëÿ
CO2 ïðè íîðìàëüíûõ
óñëîâèÿõ õàðàêòåðíû
òðè ïîëîñû ñåëåêòèâíîãî
ïîãëîùåíèÿ èçëó÷åíèÿ
â äèàïàçîíàõ
äëèí âîëí: 2,4 - 3,0; 4,0 -
4,8; 12,5 - 16,5 ìêì. Ñ ðîñòîì
òåìïåðàòóðû øèðèíà
ïîëîñ óâåëè÷èâàåòñÿ,
à ïîãëîùàòåëüíàÿ
ñïîñîáíîñòü
óìåíüøàåòñÿ,
ò.ê. óìåíüøàåòñÿ
ïëîòíîñòü ãàçà.
Îäíèì èç ôàêòîðîâ
âçàèìîäåéñòâèÿ
ÒÝÑ ñ âîäíîé ñðåäîé
ÿâëÿåòñÿ ïîòðåáëåíèå
âîäû ñèñòåìàìè
òåõíè÷åñêîãî
âîäîñíàáæåíèÿ,
â ò.÷. áåçâîçâðàòíîå
ïîòðåáëåíèå âîäû.
Îñíîâíàÿ ÷àñòü
ðàñõîäà âîäû â
ýòèõ ñèñòåìàõ
èä¸ò íà îõëàæäåíèå
êîíäåíñàòîðîâ
ïàðîâûõ òóðáèí.
Îñòàëüíûå ïîòðåáèòåëè
òåõíè÷åñêîé
âîäû (ñèñòåìû
çîëî- è øëàêîóäàëåíèÿ,
õèìâîäîî÷èñòêè,
îõëàæäåíèÿ è
ïðîìûâêè îáîðóäîâàíèÿ)
ïîòðåáëÿþò îêîëî
7% îáùåãî ðàñõîäà
âîäû. Â òîæå âðåìÿ
èìåííî îíè ÿâëÿþòñÿ
îñíîâíûìè èñòî÷íèêàìè
ïðèìåñíîãî çàãðÿçíåíèÿ.
Íàïðèìåð, ïðè ïðîìûâêå
ïîâåðõíîñòåé
íàãðåâà êîòëîàãðåãàòîâ
ñåðèéíûõ áëîêîâ
ÒÝÑ ìîùíîñòüþ
300 ÌÂò îáðàçóåòñÿ
äî 10000 ì3 ðàçáàâëåííûõ
ðàñòâîðîâ ñîëÿíîé
êèñëîòû, åäêîãî
íàòðà, àììèàêà,
ñîëåé àììîíèÿ
[26].
Êðîìå òîãî,
ñòî÷íûå âîäû
ÒÝÑ ñîäåðæàò
âàíàäèé, íèêåëü,
ôòîð, ôåíîëû è
íåôòåïðîäóêòû.
Íà êðóïíûõ ýëåêòðîñòàíöèÿõ
ðàñõîä âîäû, çàãðÿçí¸ííîé
íåôòåïðîäóêòàìè
(ìàñëà è ìàçóò),
äîõîäèò äî 10-15 ì3/÷
ïðè ñðåäíåì ñîäåðæàíèè
íåôòåïðîäóêòîâ
1-30 ìã/êã (ïîñëå î÷èñòêè).
Ïðè ñáðîñå èõ
â âîäî¸ìû îíè
îêàçûâàþò ïàãóáíîå
âëèÿíèå íà êà÷åñòâî
âîäû, âîäíûå îðãàíèçìû.
Ïðåäñòàâëÿåò
îïàñíîñòü è òàê
íàçûâàåìîå òåïëîâîå
çàãðÿçíåíèå
âîäî¸ìîâ, âûçûâàþùåå
ìíîãîîáðàçíûå
íàðóøåíèÿ èõ
ñîñòîÿíèÿ. ÒÝÑ
ïðîèçâîäÿò ýíåðãèþ
ïðè ïîìîùè òóðáèí,
ïðèâîäèìûõ â äâèæåíèå
íàãðåòûì ïàðîì,
à îòðàáîòàííûé
ïàð îõëàæäàåòñÿ
âîäîé. Ïîýòîìó
îò ýëåêòðîñòàíöèé
â âîäî¸ìû íåïðåðûâíî
ïîñòóïàåò ïîòîê
âîäû ñ òåìïåðàòóðîé
íà 8-12 îC ïðåâûøàþùåé
òåìïåðàòóðó âîäû
â âîäî¸ìå. Êðóïíûå
ÒÝÑ ñáðàñûâàþò
äî 90 ì3/ñ íàãðåòîé
âîäû.
Íóæíî ñêàçàòü,
÷òî âîçäåéñòâèÿ
ÒÝÑ íà îêðóæàþùóþ
ñðåäó çíà÷èòåëüíî
îòëè÷àþòñÿ ïî
âèäàì òîïëèâà.
Îäíèì èç ôàêòîðîâ
âîçäåéñòâèÿ
ÒÝÑ íà óãëå ÿâëÿþòñÿ
âûáðîñû ñèñòåì
ñêëàäèðîâàíèÿ,
òðàíñïîðòèðîâêè,
ïûëåïðèãîòîâëåíèÿ
è çîëîóäàëåíèÿ.
Ïðè òðàíñïîðòèðîâêå
è ñêëàäèðîâàíèè
âîçìîæíî íå òîëüêî
ïûëåâîå çàãðÿçíåíèå
âîçäóõà è ïî÷âû,
íî è âûäåëåíèå
ïðîäóêòîâ îêèñëåíèÿ
òîïëèâà.
Íàèáîëåå «÷èñòîå»
òîïëèâî äëÿ òåïëîâûõ
ýëåêòðîñòàíöèé
- ãàç, êàê ïðèðîäíûé,
òàê è ïîëó÷àåìûé
ïðè ïåðåðàáîòêå
íåôòè èëè â ïðîöåññå
ìåòàíîâîãî áðîæåíèÿ
îðãàíè÷åñêèõ
âåùåñòâ. Íàèáîëåå
«ãðÿçíîå» òîïëèâî
- ãîðþ÷èå ñëàíöû,
òîðô, áóðûé óãîëü.
Ïðè èõ ñæèãàíèè
îáðàçóåòñÿ áîëüøå
âñåãî ïûëåâûõ
÷àñòèö è îêñèäîâ
ñåðû.
6.2 Óñòðàíåíèå
îòðèöàòåëüíîãî
âëèÿíèÿ ÒÝÖ íà
îêðóæàþùóþ ñðåäó
Äëÿ ñîåäèíåíèé
ñåðû ñóùåñòâóþò
äâà ïîäõîäà ê ðåøåíèþ
ïðîáëåìû ìèíèìèçàöèè
âûáðîñîâ â àòìîñôåðó
ïðè ñæèãàíèè
îðãàíè÷åñêèõ
òîïëèâ:
à) î÷èñòêà
îò ñîåäèíåíèé
ñåðû ïðîäóêòîâ
ñãîðàíèÿ òîïëèâà
(ñåðîî÷èñòêà
äûìîâûõ ãàçîâ);
á) óäàëåíèå
ñåðû èç òîïëèâà
äî åãî ñæèãàíèÿ.
Ê íàñòîÿùåìó
âðåìåíè ïî îáîèì
íàïðàâëåíèÿì
äîñòèãíóòû îïðåäåë¸ííûå
ðåçóëüòàòû. Â
÷èñëå äîñòîèíñòâ
ïåðâîãî ïîäõîäà
ñëåäóåò íàçâàòü
åãî áåçóñëîâíóþ
ýôôåêòèâíîñòü
- óäàëÿåòñÿ äî
90 - 95% ñåðû, à òàêæå
âîçìîæíîñòü
ïðèìåíåíèÿ ïðàêòè÷åñêè
âíå çàâèñèìîñòè
îò âèäà òîïëèâà.
Ê íåäîñòàòêàì
ñëåäóåò îòíåñòè
áîëüøèå êàïèòàëîâëîæåíèÿ.
Ýíåðãåòè÷åñêèå
ïîòåðè äëÿ ÒÝÑ,
ñâÿçàííûå ñ ñåðîî÷èñòêîé,
îðèåíòèðîâî÷íî
ñîñòàâëÿþò 3-7%.
Îñíîâíûì ïðåèìóùåñòâîì
âòîðîãî ïóòè
ÿâëÿåòñÿ òî, ÷òî
î÷èñòêà îñóùåñòâëÿåòñÿ
íåçàâèñèìî îò
ðåæèìîâ ðàáîòû
ÒÝÑ, â òî âðåìÿ
êàê óñòàíîâêè
ïî ñåðîî÷èñòêå
äûìîâûõ ãàçîâ
ðåçêî óõóäøàþò
ýêîíîìè÷åñêèå
ïîêàçàòåëè ýëåêòðîñòàíöèé
çà ñ÷¸ò òîãî,
÷òî áîëüøóþ ÷àñòü
âðåìåíè âûíóæäåíû
ðàáîòàòü â íåðàñ÷¸òíîì
ðåæèìå. Óñòàíîâêè
æå ïî ñåðîî÷èñòêå
òîïëèâ ìîæíî
âñåãäà èñïîëüçîâàòü
â íîìèíàëüíîì
ðåæèìå, ñêëàäèðóÿ
î÷èùåííîå òîïëèâî.
Ïðîáëåìà ñíèæåíèÿ
âûáðîñîâ îêèñëîâ
àçîòà ÒÝÑ ñåðü¸çíî
ðàññìàòðèâàåòñÿ
ñ êîíöà 60-õ ãîäîâ.
 íàñòîÿùåå âðåìÿ
ïî ýòîìó âîïðîñó
óæå íàêîïëåí
îïðåäåë¸ííûé
îïûò. Ìîæíî íàçâàòü
ñëåäóþùèå ìåòîäû:
à) óìåíüøåíèå
êîýôôèöèåíòà
èçáûòêà âîçäóõà
(òàê ìîæíî äîáèòüñÿ
ñíèæåíèÿ ñîäåðæàíèÿ
îêèñëîâ àçîòà
íà 25-30%, óìåíüøèâ
êîýôôèöèåíò
èçáûòêà âîçäóõà
ñ 1,15 - 1,20 äî 1,03);
á) óëàâëèâàíèå
îêèñëîâ ñ ïîñëåäóþùåé
ïåðåðàáîòêîé
â òîâàðíûå ïðîäóêòû;
â) ðàçðóøåíèå
îêèñëîâ äî íåòîêñè÷íûõ
ñîñòàâëÿþùèõ.
Äëÿ óìåíüøåíèÿ
êîíöåíòðàöèè
âðåäíûõ ñîåäèíåíèé
â ïðèçåìíîì ñëîå
âîçäóõà êîòåëüíûå
ÒÝÑ îáîðóäóþò
âûñîêèìè, äî
100-200 è áîëåå ìåòðîâ,
äûìîâûìè òðóáàìè.
Íî ýòî ïðèâîäèò
òàêæå ê óâåëè÷åíèþ
ïëîùàäè èõ ðàññåèâàíèÿ.
 ðåçóëüòàòå
êðóïíûìè ïðîìûøëåííûìè
öåíòðàìè îáðàçóþòñÿ
çàãðÿçí¸ííûå
îáëàñòè ïðîòÿæåííîñòüþ
â äåñÿòêè, à ïðè
óñòîé÷èâîì âåòðå
- â ñîòíè êèëîìåòðîâ
[26].
Ðàçâèòèå ýíåðãåòèêè
îêàçûâàåò âîçäåéñòâèå
íà ðàçëè÷íûå
êîìïîíåíòû ïðèðîäíîé
ñðåäû: íà àòìîñôåðó,
íà ãèäðîñôåðó,
íà ëèòîñôåðó.
 íàñòîÿùåå âðåìÿ
ýòî âîçäåéñòâèå
ïðèîáðåòàåò ãëîáàëüíûé
õàðàêòåð, çàòðàãèâàÿ
âñå ñòðóêòóðíûå
êîìïîíåíòû íàøåé
ïëàíåòû. Âûõîäîì
äëÿ îáùåñòâà
èç ýòîé ñèòóàöèè
äîëæíû ñòàòü:
âíåäðåíèå íîâûõ
òåõíîëîãèé, à
òàêæå ðàñïðîñòðàíåíèå
àëüòåðíàòèâíîé
ýíåðãåòèêè è
èñïîëüçîâàíèå
âîçîáíîâëÿåìûõ
èñòî÷íèêîâ ýíåðãèè.
 öåëîì, ïðåäïðèíÿòûé
àíàëèç ïðîáëåìû
âëèÿíèÿ ýëåêòðîñòàíöèé
íà îêðóæàþùóþ
ñðåäó, ïîçâîëèë
âûÿâèòü îñíîâíûå
âîçäåéñòâèÿ,
ïðîàíàëèçèðîâàòü
èõ è íàìåòèòü
íàïðàâëåíèÿ èõ
ìèíèìèçàöèè
è óñòðàíåíèÿ.
7. Ýêîíîìè÷åñêîå
îáîñíîâàíèå
ïðîåêòà
7.1 Îáùàÿ ïîñòàíîâêà
çàäà÷è ýêîíîìè÷åñêîãî
îáîñíîâàíèÿ
Íà âñåõ ñòàäèÿõ
ñîçäàíèÿ è âíåäðåíèÿ
ñðåäñòâ íåðàçðóøàþùåãî
êîíòðîëÿ íåîáõîäèìî
ïðîâîäèòü òåõíèêî-ýêîíîìè÷åñêèé
àíàëèç è îïðåäåëÿòü
òåõíèêî-ýêîíîìè÷åñêóþ
ýôôåêòèâíîñòü
èõ ïðèìåíåíèÿ.
Òåõíèêî-ýêîíîìè÷åñêîå
îáîñíîâàíèå
è ðàñ÷åò ñîäåðæàò
êðàòêîå îïèñàíèå
ïîñòàâëåííîé
çàäà÷è è âàðèàíòû
âîçìîæíûõ ðåøåíèé,
îöåíêó òåõíè÷åñêîé
ýôôåêòèâíîñòè
ïðèìåíåíèÿ íåðàçðóøàþùåãî
êîíòðîëÿ è âîçìîæíîñòü
ïîâûøåíèÿ íàäåæíîñòè
ïðîêîíòðîëèðîâàííûõ
èçäåëèé, à òàêæå
ýêîíîìè÷åñêóþ
îöåíêó êàæäîãî
âàðèàíòà è èõ
ñðàâíåíèå [27].
Òåõíèêî-ýêîíîìè÷åñêèé
àíàëèç è îïðåäåëåíèå
òåõíèêî-ýêîíîìè÷åñêîé
ýôôåêòèâíîñòè
ïîçâîëÿþò:
îáîñíîâàòü
ðàöèîíàëüíîå
íàïðàâëåíèå è
î÷åðåäíîñòü âíåäðåíèÿ
òåõ èëè èíûõ ñðåäñòâ
íåðàçðóøàþùåãî
êîíòðîëÿ;
âûáðàòü íàèáîëåå
ýêîíîìè÷íûå
âàðèàíòû ñîçäàíèÿ
íîâûõ èçäåëèé,
îáîðóäîâàíèÿ
è ò.ä.;
 ïðîöåññå
ðàçðàáîòêè äèïëîìà
íåîáõîäèìî ïðîèçâåñòè
ñðàâíèòåëüíóþ
îöåíêó ïðîèçâîäèòåëüíîñòè
è ýôôåêòèâíîñòè
óñòðîéñòâ äëÿ
òåëåèíñïåêöèè
òðóáîïðîâîäîâ:
à) ðàçðàáàòûâàåìûé
ìàëîãàáàðèòíûé
âèäåîêðîóëåð;
á) âèäåîêðîóëåð
«Rovver 400».
Îñíîâíûì îáúåêòîì
êîíòðîëÿ ÿâëÿþòñÿ
òðóáû ñ ïðîäîëüíûì
ñâàðíûì øâîì.
Ãîäîâàÿ ïðîãðàììà
âûïóñêà ÀÃ
= 5000 øò.
Òåëåèíñïåêöèÿ
âíóòðåííåãî
ñîñòîÿíèÿ òðóá
îñóùåñòâëÿåòñÿ
ñëåäóþùèì îáðàçîì:
îïåðàòîð âûáèðàåò
ìåòîäèêó êîíòðîëÿ,
âåëè÷èíû íåäîïóñòèìûõ
äåôåêòîâ è çàïóñêàåò
óñòàíîâêó â ðàáîòó.
Ïîñëå îêîí÷àíèÿ
êîíòðîëÿ äåëàåòñÿ
âûâîä î ãîäíîñòè
ê äàëüíåéøåé
ýêñïëóàòàöèè
îáúåêòà, ïðîøåäøåãî
êîíòðîëü. Ïðåäñòàâëåí
ðàñ÷åò òðóäî¸ìêîñòè
(ïðîèçâîäèòåëüíîñòè),
åäèíîâðåìåííûõ
çàòðàò, òåêóùèõ
èçäåðæåê, ãîäîâûõ
ïîòåðü îò ïîãðåøíîñòåé
êîíòðîëÿ, à òàê
æå ðàñ÷åò ïîêàçàòåëåé
ýêîíîìè÷åñêîé
ýôôåêòèâíîñòè.
Íà îáúåêòå
êîíòðîëÿ îñóùåñòâëÿåòñÿ
2-õ ñìåííûé ðåæèì
ðàáîòû. Ñõåìà
ðàçáðàêîâêè äåôåêòíîãî
ó÷àñòêà òðóáû
- ðåìîíò.
Äëèíà êîíòðîëèðóåìîé
òðóáû LÒ = 12 ì.
Öåíà â äàííîì
ðàñ÷åòå ïðåäñòàâëåíà
â ðóáëÿõ Ðîññèéñêîé
Ôåäåðàöèè, êóðñ
êîòîðîãî ñîñòàâëÿåò:
1 ðóáëü ÐÔ = 95 áåë. ðóá.
(1.06.2010 ã.)
Ýêîíîìè÷åñêîå
îáîñíîâàíèå
ðàçðàáîòêè ïðîèçâîäèòñÿ
â ñëåäóþùåé ïîñëåäîâàòåëüíîñòè:
ðàñ÷åò òðóäîåìêîñòè;
åäèíîâðåìåííûõ
çàòðàò;
òåêóùèõ èçäåðæåê;
ãîäîâûõ ïîòåðü
îò ïîãðåøíîñòåé
êîíòðîëÿ;
îïðåäåëåíèå
ïîêàçàòåëåé
ýêîíîìè÷åñêîé
ýôôåêòèâíîñòè.
Õàðàêòåðèñòèêà
ñèñòåìû êîíòðîëÿ
ïðåäñòàâëåíà
â òàáëèöå 7.1.
Òàáëèöà 7.1.1 - Õàðàêòåðèñòèêè
ñèñòåìû êîíòðîëÿ
Ýëåìåíòû
ñèñòåìû êîíòðîëÿ
Çíà÷åíèÿ
ïî âàðèàíòàì
Áàçîâûé
Ïðîåêòíàÿ
1 Îáúåêò
êîíòðîëÿ
Êîðåíü
ïðîäîëüíîãî øâà
òðóáû
1.1 Âèä
äåôåêòà
Íåïðîâàð,
ïðåâûøåíèå ïðîïëàâà,
íàïëûâ, íàò¸ê,
âîãíóòîñòü êîðíÿ
øâà
1.2 Êîíòð.
ïàðàìåòð
Íàëè÷èå
èëè îòñóòñòâèå
äåôåêòà
2 Ïðîöåññ
êîíòðîëÿ
Àâòîìàòèçèðîâàííûé
Àâòîìàòèçèðîâàííûé
2.1 Âèä
êîíòðîëÿ
Îïòè÷åñêèé
2.2 Ìåòîä
êîíòðîëÿ
Âèçóàëüíî-îïòè÷åñêèé
3 Ñðåäñòâà
êîíòðîëÿ
Ïîäâèæíàÿ
ïëàòôîðìà
3.1 Ñðåäñòâà
ðåãèñòðàöèè
Âèäåîêàìåðà
(360 ÒÂ ëèíèé)
Âèäåîêàìåðà
(550 ÒÂ ëèíèé)
4 Óñëîâèÿ
êîíòðîëÿ
Öåõîâûå
5 Ñòàäèÿ
æèçíåííîãî öèêëà
Ïðîèçâîäñòâî
Èñïîëüçóåì
ìåòîäèêó ñðàâíèòåëüíîé
ýêîíîìè÷åñêîé
ýôôåêòèâíîñòè.
Çà áàçó ñðàâíåíèÿ
ïðèìåì âèäåîêðîóëåð
«Rovver 400», â ñâÿçè
ñ òåì, ÷òî äàííûé
êðîóëåð èìååò
íàèáîëåå áëèçêèå
ê ñïðîåêòèðîâàííîìó
óñòðîéñòâó ãàáàðèòíûå
õàðàêòåðèñòèêè.
Êðîìå òîãî îáà
óñòðîéñòâà ñíàáæåíû
íåïîâîðîòíûìè
âèäåîêàìåðàìè.
7.2 Ðàñ÷åò ãîäîâîé
òðóäîåìêîñòè
êîíòðîëÿ
Ïðîèçâîäèòåëüíîñòü
êîíòðîëÿ çàâèñèò
îò îáúåêòà êîíòðîëÿ
è õàðàêòåðà ðåãëàìåíòà
åãî ïîñòóïëåíèÿ
íà ðàáî÷åå ìåñòî
êîíòðîëåðà, òåõíîëîãèè
è ìåòîäèêè êîíòðîëÿ,
òàê æå ôîðìû îðãàíèçàöèè
êîíòðîëÿ.
Ïîòðåáíîñòü
â êîíòðîëüíûõ
îïåðàöèÿõ ïî îáúåêòó
êîíòðîëÿ îöåíèâàåòñÿ
âåëè÷èíîé òàêòà
â ìèíóòàõ ïî ñëåäóþùåé
ôîðìóëå:
ãäå FÄ - ãîäîâîé
äåéñòâèòåëüíûé
ôîíä ðàáîòû ðàáî÷åãî
ìåñòà êîíòðîëåðà,
÷àñ;
ÊÍ - êîýôôèöèåíò,
ó÷èòûâàþùèé
íåðàâíîìåðíîñòü
ïîñòóïëåíèÿ îáúåêòà
êîíòðîëÿ ïðè ìàññîâîì
ïðîèçâîäñòâå
(ÊÍ = 0.9);
ÀÃ
- ãîäîâàÿ ïðîãðàììà
âûïóñêà îáúåêòîâ
êîíòðîëÿ, øòóê
(ÀÃ = 5000 øò.);Ê - êîýôôèöèåíò
(äîëÿ) âûáîðî÷íîñòè
êîíòðîëÿ (dÊ =
1).
Âåëè÷èíà
ãîäîâîãî äåéñòâèòåëüíîãî
ôîíäà ðàáî÷åãî
ìåñòà êîíòðîëåðà
îïðåäåëÿåòñÿ
ïî ñëåäóþùåé
ôîðìóëå:
ãäå FÑÌ - íîìèíàëüíûé
ñìåííûé ôîíä
ðàáîòû, ÷ (FÑÌ
= 8 ÷);
ÊÑÌ - êîýôôèöèåíò
ñìåííîñòè - ÷èñëî
ñìåí ðàáîòû â
òå÷åíèå ðàáî÷åãî
äíÿ (ÊÑÌ = 2);
ÊÂÏ - êîýôôèöèåíò,
ó÷èòûâàþùèé
âíóòðèñìåííûå
ïðîñòîè ïî îðãàíèçàöèîííî-òåõíè÷åñêèì
ïðè÷èíàì (åäèíè÷íîå
ïðîèçâîäñòâî
- 0.85);P - ÷èñëî ðàáî÷èõ
äíåé â ãîäó (DP
= 248 ïðè ïÿòèäíåâíîé
ðàáî÷åé íåäåëå);
ÊÏÐ - êîýôôèöèåíò,
ó÷èòûâàþùèé
äîëþ âðåìåíè ïðîñòîåâ
â ïëàíîâûõ ðåìîíòàõ
(ÊÏÐ = 0.06).
Íàéäåì FÄ:
Ïîëó÷àåì:
Íîðìà øòó÷íî-êàëüêóëÿöèîííîãî
âðåìåíè ñêëàäûâàåòñÿ
èç ñëåäóþùèõ
ýëåìåíòîâ [28]:
ãäå tÏÇ - ïîäãîòîâèòåëüíî-çàêëþ÷åííîå
âðåìÿ íà îäèí
îáúåêò êîíòðîëÿ,
ìèí/øò.;
tÎÏ - îïåðàòèâíîå
âðåìÿ íà îïåðàöèþ
íà îäèí îáúåêò
êîíòðîëÿ, ìèí/øò.;
tÎÁ, ÎÒË - âðåìÿ
îáñëóæèâàíèÿ,
íà îòäûõ è ëè÷íûå
íàäîáíîñòè (îïðåäåëÿåòñÿ
êàê äîëÿ îò îïåðàòèâíîãî
âðåìåíè â ðàçìåðå
0.12 - 0.16 (tÎÁ, ÎÒË = = 0.12).
Ïîäãîòîâèòåëüíî-çàêëþ÷åííîå
âðåìÿ îïðåäåëÿåòñÿ:
ãäå ÒÏÇ - íîðìà
ïîäãîòîâèòåëüíî-çàêëþ÷èòåëüíîãî
âðåìåíè íà îïåðàöèþ
çà ñìåíó (äëÿ ÂÎÊ
ÒÏÇ(ïîäãîòîâêà)
= 10 ìèí).
Ïîäãîòîâèòåëüíî-çàêëþ÷èòåëüíîå
âðåìÿ íà îïåðàöèþ
äëÿ ïðîåêòíîãî
è áàçîâîãî âàðèàíòà
îïðåäåëÿåòñÿ
êàê:
Îïåðàòèâíîå
âðåìÿ íà îïåðàöèþ
îïðåäåëÿåòñÿ
êàê:
Îïåðàòèâíîå
âðåìÿ íà îïåðàöèþ
äëÿ ïðîåêòíîãî
âàðèàíòà îïðåäåëÿåòñÿ:
Îïåðàòèâíîå
âðåìÿ íà îïåðàöèþ
äëÿ áàçîâîãî
âàðèàíòà îïðåäåëÿåòñÿ:
Âðåìÿ îáñëóæèâàíèÿ,
íà îòäûõ è ëè÷íûå
íàäîáíîñòè íà
îïåðàöèþ îïðåäåëÿåòñÿ
ïî ôîðìóëå:
Âðåìÿ îáñëóæèâàíèÿ,
íà îòäûõ è ëè÷íûå
íàäîáíîñòè íà
îïåðàöèþ äëÿ ïðîåêòíîãî
âàðèàíòà:
Âðåìÿ îáñëóæèâàíèÿ,
íà îòäûõ è ëè÷íûå
íàäîáíîñòè íà
îïåðàöèþ äëÿ áàçîâîãî
âàðèàíòà:
Ðàññ÷èòàåì
òðóäîåìêîñòü
îïåðàöèé ïî ìåòîäàì
êîíòðîëÿ ïî ôîðìóëå
7.2.3 äëÿ ïðîåêòíîãî
âàðèàíòà:
Ðàññ÷èòàåì
òðóäîåìêîñòü
îïåðàöèé ïî ìåòîäàì
êîíòðîëÿ ïî ôîðìóëå
7.2.3 äëÿ áàçîâîãî
âàðèàíòà:
Ðåçóëüòàòû
ðàñ÷¸òà òðóäî¸ìêîñòè
êîíòðîëÿ ïðèâåäåíû
â òàáëèöå 7.2.1.
Òàáëèöà 7.2.1 - Òðóäîåìêîñòü
êîíòðîëüíûõ îïåðàöèé
è òàêò
Íàèìåíîâàíèå
îïåðàöèé
Âåëè÷èíà
ïî âàðèàíòàì
Áàçîâûé
Ïðîåêòíûé
Ïîäãîòîâèòåëüíî-çàêëþ÷èòåëüíîå
âðåìÿ, tÏÇ(êîíòðîëü), ìèí
1
1
Îïåðàòèâíîå
âðåìÿ, tÎÏ(êîíòðîëü), ìèí
2
2.4
Âðåìÿ
îáñëóæèâàíèÿ,
íà îòäûõ è ëè÷íûå
íàäîáíîñòè,
tÎÁ,ÎÒ,Ë(êîíòðîëü), ìèí
0.32
0.39
Êîíòðîëü
òðóáû tØÊ(êîíòðîëü), ìèí
3.3
3.8
Âåëè÷èíà
òàêòà rÊ, ìèí
34.2
7.3 Ðàñ÷åò åäèíîâðåìåííûõ
çàòðàò
Åäèíîâðåìåííûå
çàòðàòû ðàññ÷èòûâàþòñÿ
ïî ýëåìåíòàì:
ãäå ÊÎ - ñòîèìîñòü
îáîðóäîâàíèÿ,
ðóá.;
ÊÎÁ - ñòîèìîñòü
îáîðîòíûõ ñðåäñòâ,
ñâÿçàííûõ ñ êîíòðîëåì,
ðóá.;
ÊÇÄ - ñòîèìîñòü
ïîòðåáíîé ïëîùàäè
çäàíèÿ, ðóá.;
ÊÑÊ - ñòîèìîñòü
â ñîöèàëüíî-êóëüòóðíóþ
ñôåðó, ðóá.;
ÊÏÐ - çàòðàòû
íà ïðîåêòèðîâàíèå,
ðóá.
Çàòðàòû íà
îáîðóäîâàíèå
îïðåäåëÿþòñÿ
ïî ôîðìóëå:
ãäå Nni - ïðèíÿòîå
÷èñëî åäèíèö
îáîðóäîâàíèÿ
(Nni ≥ Nði - äî áëèæàéøåãî
öåëîãî ÷èñëà
â áîëüøóþ ñòîðîíó
èëè öåëàÿ ÷àñòü
Ni, åñëè
äðîáíàÿ ÷àñòü
Nði < 0.1), øò.;
Pi - öåíà ïðèîáðåòåíèÿ
îáîðóäîâàíèÿ
äëÿ ðàáîòû íà
i-îé îïåðàöèè,
ðóá.;
ÊÇi - êîýôôèöèåíò,
ó÷èòûâàþùèé
çàíÿòîñòü îáîðóäîâàíèÿ
i-îé îïåðàöèè
ïî äàííîìó îáúåêòó
êîíòðîëÿ (ÊÇi < 1 íå äîëæíà
ïðåâûøàòü åãî
ðàñ÷åòíîé âåëè÷èíû
ÊÇiÐ);
àÒi - êîýôôèöèåíò,
ó÷èòûâàþùèé
òðàíñïîðòíî-çàãîòîâèòåëüíûå
ðàñõîäû 0.05 - 0.1 (àÒi = 0.1);
àÌi - êîýôôèöèåíò,
ó÷èòûâàþùèé
çàòðàòû íà ìîíòàæ
è îòëàäêó îáîðóäîâàíèÿ
0.1 - 0.15 (àÌi = 0.15).
Ïðèíÿòîå ÷èñëî
åäèíèö îáîðóäîâàíèÿ
îïðåäåëèì ïî ôîðìóëå:
Íàéäåì êîýôôèöèåíò,
ó÷èòûâàþùèé
çàíÿòîñòü îáîðóäîâàíèÿ
i-îé îïåðàöèè
ïî äàííîìó îáúåêòó
êîíòðîëÿ ïî ôîðìóëå:
Ïîëó÷àåì:
áàçîâûé âàðèàíò:
Nð = 3.9/34.5 = 0.111 øò.;
Nn = 1 øò.; ÊÇ
= 0.111/1 = 0.111. Ïðèíèìàåì
ÊÇ = 0.11;
ïðîåêòíûé
âàðèàíò: Nð = 3.3/34.5 = 0.096 øò.;
Nn = 1 øò.; ÊÇ
= 0.096 /1 = 0.096 Ïðèíèìàåì
ÊÇ = 0.1.
Öåíû ïðèîáðåòåíèÿ
îáîðóäîâàíèÿ
ïðèâåäåíû â òàáëèöå
7.3.1.
Òàáëèöà 7.3.1 - Öåíû
ïðèîáðåòåíèÿ
îáîðóäîâàíèÿ
äëÿ ðàáîòû íà
i-îé îïåðàöèè
Îáîðóäîâàíèå
Öåíà,
ðóá.
Áàçîâûé
Ïðîåêòíûé
Âèäåîêðîóëåð
180 000
32 400
Äîïîëíèòåëüíîå
îáîðóäîâàíèå
120 000
Ãàçîàíàëèçàòîð
«Ñèãíàë-02»
8 500
Äàò÷èê
íà ìåòàí
2 650
Äàò÷èê
íà ïðîïàí / áóòàí
2 650
Äàò÷èê
íà ïàðû áåíçèíà
2 650
Çàðÿäíîå
óñòðîéñòâî
180
Ïëàñòìàññîâûé
÷åìîäàí÷èê
350
Âèäåîðåãèñòðàòîð
9000
Áëîê
ïèòàíèÿ
1050
Êàáåëü
(50 ì) ñ ðàçú¸ìîì
Ëåìî
900
Èòîãî
27 930
Çàòðàòû íà
îáîðóäîâàíèå:
áàçîâûé: ÊÎ
= 1×(180 000+120 000)×0.11×(1+0.1+0.15) = 37 950 ðóá.;
ïðîåêòíûé:
ÊÎ = 1×(32 400 + 27 930)×0.1×(1+0.1+0.15) = 6 938 ðóá.
Åäèíîâðåìåííûå
çàòðàòû â îáîðîòíûå
ñðåäñòâà ðàññ÷èòûâàþòñÿ
ïî ôîðìóëå:
ãäå ÊZi - êîýôôèöèåíò,
ó÷èòûâàþùèé
ñòðàõîâîé çàïàñ
(ÊZi = 0.05);
ÀÃ - ãîäîâàÿ
ïðîãðàììà (ÀÃ
= 5000 øò.);Ò - äëèíà
òðóáû (LÒ = 12 ì);
ÍÌ - íîðìà
ðàñõîäà ìàòåðèàëîâ
íà êîíòðîëü íà
1 ì ñâàðíîãî øâà
(äëÿ ÂÎÊ ÍÌ = 0.1 ðóá.).
Åäèíîâðåìåííûå
çàòðàòû â îáîðîòíûå
ñðåäñòâà äëÿ ïðîåêòíîãî
è áàçîâîãî âàðèàíòîâ:
ÊÎÁ = 0.1×12×5000×0.05 = 300 ðóá.
Ñòîèìîñòü
ïîòðåáíîé ïëîùàäè
çäàíèé îïðåäåëÿåòñÿ
ïî ôîðìóëå:
ãäå Sãàái -
ãàáàðèòíàÿ ïëîùàäü
i-îé åäèíèöû ïåðåíîñíîãî
îáîðóäîâàíèÿ,
ì2 (Sãàái = 2 ì2);ñá
- íîðìàòèâ ïëîùàäè
ñëóæåáíî-áûòîâîãî
íàçíà÷åíèÿ íà
îäíîãî ðàáî÷åãî,
ì2 (Sñá = 5 ì2);
ÊÄ - êîýôôèöèåíò,
ó÷èòûâàþùèé
äîïîëíèòåëüíóþ
ïëîùàäü ê ãàáàðèòíîé
(ÊÄ = 4 - äëÿ âñåõ
ïðèáîðîâ ò.ê. ïëîùàäü
ìåíåå 2 ì2);
Ñòîèìîñòü
ïîòðåáíîé ïëîùàäè
çäàíèé:
áàçîâûé: ÊÇÄ
= (1∙2∙1∙1∙6 975∙(1+0.25))+(5∙2∙1∙6
820∙0.24) = 13 640 ðóá.;
ïðîåêòíûé: ÊÇÄ
= (1∙2∙1∙0.24∙6 975∙(1+0.25))+(5∙2∙1∙6
820∙0.24) = 12 400 ðóá.
Ðàññ÷èòàåì
çàòðàòû íà ñîöèàëüíî-êóëüòóðíóþ
ñôåðó ïî ôîðìóëå:
ãäå ÐÑÊ - åäèíîâðåìåííûå
çàòðàòû íà îäíîãî
ðàáî÷åãî (ÐÑÊ
= 186 000 ðóá.).
Çàòðàòû íà
ñîöèàëüíî-êóëüòóðíóþ
ñôåðó:
áàçîâûé: ÊÑÊ
= 1×2×186 000×0.11 = 40 920 ðóá.;
ïðîåêòíûé:
ÊÑÊ = 1×2×186 000×0.1 = 37 200 ðóá.
Çàòðàòû íà
èññëåäîâàíèå
è ïðîåêòèðîâàíèå
îïðåäåëÿþòñÿ
ïî ôîðìóëå:
ãäå ÒÏÐÊ -
òðóäîåìêîñòü
ïðîåêòèðîâàíèÿ
ïî k-ìó âèäó ðàáîò
(1 ìåñ.);
ÐÏÐ - ñìåòíàÿ
ñòîèìîñòü îäíîãî
÷åëîâåêà-÷àñà
ïðîåêòèðîâàíèÿ.
Ñìåòíàÿ ñòîèìîñòü
îäíîãî ÷åëîâåêà-÷àñà
ïðîåêòèðîâàíèÿ
ðàññ÷èòûâàåòñÿ
ïî ôîðìóëå:
ãäå ÇÒ - ÷àñîâàÿ
òàðèôíàÿ ñòàâêà
1 - ãî ðàçðÿäà, ðóá.;
ÊÒ - òàðèôíûé
êîýôôèöèåíò
ïðîåêòèðîâùèêà
(ñïåöèàëèñòû
ñ âûñøèì îáðàçîâàíèåì
10 ðàçðÿäà ÊÒ =
2.047);
ÊÏ - êîýôôèöèåíò
ïðåìèðîâàíèÿ
(ÊÏ = 1.5);
ÊÄ - êîýôôèöèåíò,
ó÷èòûâàþùèé
äîïîëíèòåëüíóþ
çàðàáîòíóþ ïëàòó
(ÊÄ = 0.1);
ÊÑÑ - êîýôôèöèåíò,
ó÷èòûâàþùèé
îò÷èñëåíèÿ â
ôîíä ñîöèàëüíîãî
îáåñïå÷åíèÿ
(ÊÑÑ = 0.26);
ÊÍÐ - êîýôôèöèåíò,
ó÷èòûâàþùèé
íàêëàäíûå ðàñõîäû
0.6 - 0.8 (ÊÍÐ = 0.6).
×àñîâàÿ òàðèôíàÿ
ñòàâêà 1 - ãî ðàçðÿäà
îïðåäåëÿåòñÿ
äåëåíèåì ïðèíÿòîé
íà ïåðèîä ïðîåêòèðîâàíèÿ
ìåñÿ÷íîé ñòàâêè
1-ãî ðàçðÿäà íà
ìåñÿ÷íûé ôîíä
ðàáî÷åãî âðåìåíè
166 ÷. Îïðåäåëÿåòñÿ
ïî ôîðìóëå:
ÇT = Ç/FM = 4600/166 = 27.7 ðóá., (7.3.10)
ãäå Ç - ìåñÿ÷íàÿ
òàðèôíàÿ ñòàâêà
ïåðâîãî ðàçðÿäà
íà ïðåäïðèÿòèè
(Ç = 4600 ðóá.);Ì - ìåñÿ÷íûé
ôîíä ðàáî÷åãî
âðåìåíè (FÌ = 166 ÷).
Îïðåäåëèì òðóäîåìêîñòü
ïðîåêòèðîâàíèÿ
ïî k-ìó âèäó ðàáîò
çà 1 ìåñÿö ïî ôîðìóëå:
ÒÏÐÊ = 1∙FÌ = 1∙166 = 166 ÷. (7.3.11)
Îïðåäåëèì ñìåòíóþ
ñòîèìîñòü îäíîãî
÷åëîâåêà-÷àñà
ïðîåêòèðîâàíèÿ:
ÐÏÐ = 27.7∙2.047∙1.5∙(1+0.1)∙(1+0.26)∙(1+0.6)
= 188.6 ðóá.
Îïðåäåëèì çàòðàòû
íà èññëåäîâàíèå
è ïðîåêòèðîâàíèå:
ÊÏÐ = 166∙188.6 = 31 307 ðóá.
Ðàññ÷èòàåì
åäèíîâðåìåííûå
çàòðàòû:
áàçîâûé: Ê
= 37 950+300+13 640+40 920 = 92 810 ðóá.
ïðîåêòíûé:
Ê = 6 938+300+12 400+37 200+31 307 = 88 145 ðóá.;
Åäèíîâðåìåííûå
çàòðàòû ïðèâåäåíû
â òàáëèöå 7.3.2.
Òàáëèöà 7.3.2 - Åäèíîâðåìåííûå
çàòðàòû
Íàèìåíîâàíèå
çàòðàò
Çíà÷åíèÿ
ïî âàðèàíòàì,
ðóá.
Áàçîâûé
Ïðîåêòíûé
Åäèíîâðåìåííûå
çàòðàòû â îáîðóäîâàíèå
37 950
6 938
Åäèíîâðåìåííûå
çàòðàòû â îáîðîòíûå
ñðåäñòâà
300
300
Åäèíîâðåìåííûå
çàòðàòû â çäàíèÿ
13 640
12 400
Åäèíîâðåìåííûå
çàòðàòû â ñîöèàëüíî-êóëüòóðíóþ
ñôåðó
40 920
37 200
Åäèíîâðåìåííûå
çàòðàòû íà èññëåäîâàíèå
è ïðîåêòèðîâàíèå
-
31 307
Èòîãî
92 810
88 145
7.4 Ðàñ÷åò òåêóùèõ
èçäåðæåê
Ãîäîâûå òåêóùèå
èçäåðæêè íà êîíòðîëü
ðàññ÷èòûâàþòñÿ
ïî ôîðìóëå:
È = ÈÌ+ÈÇ+ÈÝ+ÈÐÎ+ÈÐÇ+ÈÍÐ, (7.4.1)
ãäå ÈÌ - ãîäîâûå
çàòðàòû íà ìàòåðèàëû
(îñíîâíûå è âñïîìîãàòåëüíûå
ìàòåðèàëû, ïîêóïíûå
ïîëóôàáðèêàòû,
êîìïëåêòóþùèå
èçäåëèÿ), ðóá.;
ÈÇ - ãîäîâûå
çàòðàòû íà çàðàáîòíóþ
ïëàòó îñíîâíûì
ðàáî÷èì (îïåðàòîðàì)
ñ íà÷èñëåíèÿìè,
ðóá.;
ÈÝ - ãîäîâûå
çàòðàòû íà ýíåðãèþ
(ñèëîâóþ è òåõíîëîãè÷åñêóþ
ýëåêòðîýíåðãèè,
òîïëèâî), ðóá.;
ÈÐÎ - ãîäîâûå
çàòðàòû íà ðåìîíò
è ñîäåðæàíèå
îáîðóäîâàíèÿ,
ðóá.;
ÈÐÇ - ãîäîâûå
çàòðàòû íà ðåìîíò
è ñîäåðæàíèå
çäàíèé, ðóá.;
ÈÍÐ - ãîäîâûå
íàêëàäíûå ðàñõîäû
ïî îáñëóæèâàíèþ
è óïðàâëåíèþ
ïðîèçâîäñòâà,
ðóá.
Ðàññ÷èòàåì
çàòðàòû íà ìàòåðèàëû
ïî ôîðìóëå [28]:
ÈÌ = ÍÌ (1-dÎÒ)∙(1+áÒÇ)∙LÒ∙ÀÃ, (7.4.2)
ãäå
ÍÌ - íîðìà ðàñõîäà
ìàòåðèàëîâ íà
1 ì òðóáû (äëÿ ÂÎÊ
ÍÌ = 0 ðóá.);OT - äîëÿ
â ðàñõîäå ìàòåðèàëîâ
âîçâðàòíûõ îòõîäîâ
(äëÿ ÂÎÊ dOT = = 0.08);
áÒÇ
- êîýôôèöèåíò,
ó÷èòûâàþùèé
òðàíñïîðòíî-çàãîòîâèòåëüíûé
ðàáîòû (áÒÇ
= 0.1).
Çàòðàòû
íà ìàòåðèàëû
äëÿ ïðîåêòíîãî
è áàçîâîãî âàðèàíòà:
ÈÌ
= 0.1∙(1-0.08)∙(1+0.01)∙12∙5000 = 6 072 ðóá.
Çàòðàòû
íà çàðàáîòíóþ
ïëàòó ñ íà÷èñëåíèÿìè
íàõîäèì ïî ôîðìóëå:
ãäå ÇÒ - ÷àñîâàÿ
òàðèôíàÿ ñòàâêà
äåôåêòîñêîïèñòà
(ÇÒ = 27.7 ðóá.);
ÊÓ - êîýôôèöèåíò,
ó÷èòûâàþùèé
óñëîâèÿ òðóäà
êîíòðîë¸ðîâ (ÊÓ
= 0 - äëÿ ÂÎÊ);
ÊÏi - êîýôôèöèåíò
ïðåìèðîâàíèÿ
ïî i-é îïåðàöèè
0.4 - 0.5 (ÊÏi = 0.5);
ÊÄ - êîýôôèöèåíò
ó÷èòûâàþùèé
ïðåìèè, äîïîëíèòåëüíóþ
çàðàáîòíóþ ïëàòó
(ÊÄ = 0.1);
ÊÑÑ - êîýôôèöèåíò,
ó÷èòûâàþùèé
îò÷èñëåíèÿ â
ôîíä ñîöèàëüíîé
çàùèòû (ÊÑÑ
= 0.26);
ÊÒ - òàðèôíûé
êîýôôèöèåíò
ðàçðÿäà ïî îïåðàöèÿì
(ÊÒ = 1.407 - êîíòðîëü
(6-îé ðàçðÿä));
ÊÍ - êîýôôèöèåíò
äîïëàò ê òàðèôíîé
ñòàâêå çà ðàáîòó
â íî÷íîå âðåìÿ
(ÊÍ = 0.1).
Çàòðàòû íà
çàðàáîòíóþ ïëàòó
ñ íà÷èñëåíèÿìè:
áàçîâûé: ÈÇ
= 3.9/60∙27.7∙1.407∙(1+0.5)∙(1+0.1)∙(1+0.26)∙(1+0.1)∙5000
= = 28 224 ðóá.;
ïðîåêòíûé:
ÈÇ = 3.3/60∙27.7∙1.407∙(1+0.5)∙(1+0.1)∙(1+0.26)∙(1+0.1)∙5000
= 24 510 ðóá.
Ãîäîâûå èçäåðæêè
ïîòðåáëÿåìîé
ýëåêòðîýíåðãèè
ðàññ÷èòûâàåì
ïî ôîðìóëå:
ãäå Wi - ìîùíîñòü
èñòî÷íèêà, êÂò
(Rovver 400 - 0.07 êÂò,
Ïðîåêòèðóåìîå
óñòðîéñòâî -
0.015 êÂò);
ÊW - êîýôôèöèåíò,
ó÷èòûâàþùèé
èñïîëüçîâàíèå
ìîùíîñòè (ÊW = 0.8);
ÊÒ - êîýôôèöèåíò,
ó÷èòûâàþùèé
èñïîëüçîâàíèå
âî âðåìåíè (ÊÒ
= 0.7);
ÊÏ - êîýôôèöèåíò,
ó÷èòûâàþùèé
ïîòåðè â çàâîäñêîé
ñåòè (ÊÏ = 1.05);
h - êîýôôèöèåíò
ïîëåçíîãî äåéñòâèÿ
ýëåêòðîóñòàíîâêè
(h
= 0.9);
ÐÝ - öåíà îäíîãî
êÂò×÷, ðóá. (ÐÝ
= 3 ðóá.).
Ãîäîâûå èçäåðæêè
ïîòðåáëÿåìîé
ýëåêòðîýíåðãèè:
- áàçîâûé: ïðîåêòíûé: Ðàññ÷èòàåì
ãîäîâûå èçäåðæêè
íà ðåìîíò îáîðóäîâàíèÿ
(ïåðåíîñíîãî)
ïî ôîðìóëå:
Ãîäîâûå èçäåðæêè
íà ðåìîíò îáîðóäîâàíèÿ
(ïåðåíîñíîãî):
áàçîâûé: ÈÐÎ
= (30∙27.7∙166) ∙ 0.11 + 0.33∙37 950 = 27 698 ðóá.;
ïðîåêòíûé:
ÈÐÎ = (30∙27.7∙166) ∙ 0.1 + 0.33∙6
938 = 16 084 ðóá.
Çàòðàòû íà
ðåìîíò è ñîäåðæàíèå
çäàíèé íàõîäèì
ïî ôîðìóëå:
ãäå ÍÐÇ - íîðìàòèâ
çàòðàò íà ñîäåðæàíèå
è ðåìîíò çäàíèé
2.2 - 3% (ÍÇÄ = = 3%). Çàòðàòû
íà ðåìîíò è ñîäåðæàíèå
çäàíèé:
áàçîâûé: ÈÐÇ
= (13 640∙3)/100 = 409 ðóá.;
ïðîåêòíûé:
ÈÐÇ = (12 400∙3)/100 = 372 ðóá.
Ãîäîâûå íàêëàäíûå
ðàñõîäû ñêëàäûâàþòñÿ
èç çàòðàò íà
óïðàâëåíèå (ÈÓ),
îñâåùåíèå (ÈÎÑ),
âîäó íà áûòîâûå
íóæäû (ÈÁÂ),
òåïëîýíåðãèè
íà ãîðÿ÷óþ âîäó
(ÈÃÂÒÝ), îòîïëåíèå
(ÈÎÒÒÝ), âåíòèëÿöèþ
(ÈÂÒÒÝ):
Çàòðàòû íà
óïðàâëåíèå íàéäåì
ïî ôîðìóëå:
ãäå ÊÊÓ - êîýôôèöèåíò,
ó÷èòûâàþùèé
êîñâåííûå ðàñõîäû
ïî óïðàâëåíèþ
îò 0.2 - 0.3 (ÊÊÓ = 0.3).
Çàòðàòû íà
óïðàâëåíèå:
áàçîâûé: ÈÓ
= 92 100∙0.3 = 8 467 ðóá.;
ïðîåêòíûé:
ÈÓ = 24 510∙0.3 = 7 353 ðóá.
Çàòðàòû íà
îñâåùåíèå íàéäåì
ïî ôîðìóëå:
ãäå WS - íîðìà
îñâåùåííîñòè
0.02 - 0.036 êÂò/ì2 (WS = 0.036
êÂò/ì2);- ïëîùàäü
çäàíèé ïðîèçâîäñòâåííûõ
è ñëóæåáíî-áûòîâûõ,
ì2 (S = 40 ì2);
FÄ - ãîäîâîé
äåéñòâèòåëüíûé
ôîíä ðàáîòû îáîðóäîâàíèÿ,
÷.
Çàòðàòû íà
îñâåùåíèå:
áàçîâûé: ÈÎÑ
= 3∙0.036∙40∙3.9/60∙5000 = 1 368 ðóá.
ïðîåêòíûé:
ÈÎÑ = 3∙0.036∙40∙3.3/60∙5000
= 1 188 ðóá.;
Çàòðàòû íà
âîäó íà áûòîâûå
íóæäû íàéäåì
ïî ôîðìóëå:
ãäå ÐÁÂ
- öåíà âîäû íà áûòîâûå
íóæäû 1.46 - 1.52 (ÐÁÂ
= 1.5 ðóá./ì3);
ÍÁÐ - íîðìà
ðàñõîäà âîäû íà
áûòîâûå íóæäû
çà ñóòêè íà îäíîãî
ðàáîòíèêà, ì3
(ÍÁÐ = 0.025 ì3);
×Ð - ÷èñëåííîñòü
ðàáî÷èõ, ÷åë.
Çàòðàòû íà
âîäó íà áûòîâûå
íóæäû äëÿ ïðîåêòíîãî
è áàçîâîãî âàðèàíòà:
ÈÁÂ = 1.5∙0.025∙1∙250
= 9 ðóá.
Çàòðàòû òåïëîýíåðãèè
íà òåïëóþ âîäó
íàéäåì ïî ôîðìóëå:
ãäå ÐÒÝ - öåíà
(òàðèô) çà òåïëîýíåðãèþ
496 - 558 (ÐÒÝ= 558 ðóá./ Ãêàë);ÂÒÕ
- óäåëüíàÿ òåïëîâàÿ
õàðàêòåðèñòèêà
âîäû, êêàë/ì3∙÷
ºÑ (qÂÒÕ = 1 êêàë/ì3∙÷
ºÑ);à- îáúåì
ïîòðåáëåíèÿ âîäû
ãîðÿ÷åé çà ÷àñ,
ë (VÃÂ - îïðåäåëÿåòñÿ
èç ðàñ÷åòà 3 ë íà
îäíîãî ðàáîòàþùåãî);ÂÃ,
tÂÕ - òåìïåðàòóðà
ãîðÿ÷åé âîäû â
ñèñòåìå, ºÑ (ïðèíèìàåòñÿ
tÂà = +65 ºÑ), õîëîäíîé
âîäû (ïðèíèìàåòñÿ
tÂÕ = +5 ºÑ);ÃÂ
- ïåðèîä òåïëîñíàáæåíèÿ
ãîðÿ÷åé âîäîé,
÷ (FÃÂ = FÑÌ ÊÑÌ
DÐ).
Çàòðàòû òåïëîýíåðãèè
íà òåïëóþ âîäó
äëÿ ïðîåêòíîãî
è áàçîâîãî âàðèàíòà:
ÈÃÂÒÝ
= 558∙1∙(65-5)∙10-6∙3∙8∙2∙248
= 398 ðóá.
Çàòðàòû íà
îòîïëåíèå íàéäåì
ïî ôîðìóëå:
ãäå qÇÄÒÕ
- óäåëüíàÿ òåïëîâàÿ
õàðàêòåðèñòèêà
çäàíèÿ 0.3 - 0.4 êêàë/ì3∙÷
ºÑ (qÇÄÒÕ =
0.40 êêàë/ì3∙÷ ºÑ);ÇÄ - îáúåì
çäàíèÿ ïî íàðóæíîìó
îáìåðó, ì3 (VÇÄ
= SH, ãäå âûñîòà Í
= 4 ì);ÇÄÂÍ, tÇÄÍ
- òåìïåðàòóðà
âîçäóõà âíóòðè
ïîìåùåíèÿ, ñ íàðóæè,
ºÑ (tÇÄÂÍ =
+20 ºC, tÇÄÍ = - 10 ºC);ÎÒ - îòîïèòåëüíûé
ïåðèîä çà ãîä,
÷ (FÎÒ = 4320 ÷).
Çàòðàòû íà
îòîïëåíèå äëÿ
ïðîåêòíîãî è
áàçîâîãî âàðèàíòà:
ÈÎÒÒÝ
= 558∙0.40∙(20+10)∙10-6∙(40∙4)∙4320
= 4 628 ðóá.
Çàòðàòû íà
âåíòèëÿöèþ íàéäåì
ïî ôîðìóëå:
ãäå qÂÒÒÕ
- óäåëüíàÿ òåïëîâàÿ
õàðàêòåðèñòèêà
âåíòèëÿöèè çäàíèÿ,
0.12 - 0.15 êêàë/ì3∙÷ ºÑ (qÂÒÒÕ =
0.15 êêàë/ì3∙÷ ºÑ);ÂÒÂÍ, tÂÒÍ
- òåìïåðàòóðà
âîçäóõà âûòÿæíîãî,
ñ íàðóæè, ºÑ (tÂÒÂÍ =
+20 ºC, tÂÒÍ = - 1.5 ºC);ÂÒ - ïåðèîä
ðàáîòû âåíòèëÿöèîííîé
ñèñòåìû çà ãîä
1100-1200 (FÂÒ = 1200 ÷.);
ÊÏÒÝ - êîýôôèöèåíò,
ó÷èòûâàþùèé
ïîòåðè òåïëîýíåðãèè
(ÊÏÒÝ = 1.18).
Çàòðàòû íà
âåíòèëÿöèþ äëÿ
ïðîåêòíîãî è
áàçîâîãî âàðèàíòà:
ÈÂÒÒÝ
= 558∙0.15∙(20+1.5)∙10-6∙(40∙4)∙1200∙1.18
= 408 ðóá.
Ãîäîâûå íàêëàäíûå
ðàñõîäû ðàññ÷èòàåì
ñ ó÷åòîì êîýôôèöèåíòà
çàíÿòîñòè:
áàçîâûé: ÈÍÐ
= 8 467+(1 368+9+398+4 628+408)∙0.11 = 9 216 ðóá.;
ïðîåêòíûé:
ÈÍÐ = 7 353+(1 188+9+398+4 628+408)∙0.1 = 8
016 ðóá.
Ãîäîâûå òåêóùèå
èçäåðæêè:
áàçîâûé: È
= 6 072+28 224+43+27 698+409+9 216 = 71 662 ðóá.;
ïðîåêòíûé:
È = 6 072+24 510+8+16 084+372+8 016 = 55 062 ðóá.
Ãîäîâûå èçäåðæêè
íà êîíòðîëü ïðèâåäåíû
â òàáëèöå 7.4.1.
Òàáëèöà 7.4.1 - Ãîäîâûå
èçäåðæêè íà êîíòðîëü
Íàèìåíîâàíèå
çàòðàò
Çíà÷åíèå
ïî âàðèàíòàì,
ðóá.
Áàçîâûé
Ïðîåêòíûé
Çàòðàòû
íà ìàòåðèàëû
6 072
6 072
Çàòðàòû
íà çàðàáîòíóþ
ïëàòó
28 224
24 510
Çàòðàòû
íà ýëåêòðîýíåðãèþ
43
8
Çàòðàòû
íà ðåìîíò è ñîäåðæàíèå
îáîðóäîâàíèÿ
27 698
16 084
Çàòðàòû
íà ðåìîíò è ñîäåðæàíèå
çäàíèé
409
372
Çàòðàòû
íà íàêëàäíûå
ðàñõîäû
9 216
8 016
Èòîãî
71 662
55 062
7.5 Ðàñ÷åò ïîòåðü
îò ïîãðåøíîñòåé
êîíòðîëÿ
Òåõíè÷åñêèå
ðåøåíèÿ, íàïðàâëåííûå
íà ñíèæåíèå ïîãðåøíîñòåé
èçìåðåíèé è êîíòðîëÿ
êà÷åñòâà, ïîçâîëÿþò
ñíèçèòü ïîòåðè
îò îøèáîê ïåðâîãî
è âòîðîãî ðîäà,
à òàêæå â íåêîòîðûõ
ñëó÷àÿõ ïîëó÷àòü
äîïîëíèòåëüíóþ
ýêîíîìèþ (ýôôåêò)
îò ïîâûøåíèÿ
öåíû îáúåêòà
êîíòðîëÿ çà ñ÷åò
ïîëó÷åíèÿ ãàðàíòèðîâàííîãî
ïîâûøåíèÿ åãî
êà÷åñòâà. Ãîäîâàÿ
ñóììà ïîòåðü
îò ïîãðåøíîñòåé
èçìåðåíèÿ è êîíòðîëÿ
ïî ñðàâíèâàåìûì
âàðèàíòàì ñêëàäûâàåòñÿ
èç ñëåäóþùèõ
ýëåìåíòîâ:
ãäå ÏÃÄ - ïîòåðè
îò îøèáîê ïåðâîãî
ðîäà, ñâÿçàííûõ
ñ ïðèçíàíèåì
îáúåêòîâ êîíòðîëÿ
äåôåêòíûìè, êîòîðûå
â äåéñòâèòåëüíîñòè
ÿâëÿþòñÿ ãîäíûìè,
ðóá.;
ÏÄÃ - ïîòåðè
îò îøèáîê âòîðîãî
ðîäà, ñâÿçàííûõ
ñ ïðèçíàíèåì
îáúåêòîâ êîíòðîëÿ
ãîäíûìè, êîòîðûå
â äåéñòâèòåëüíîñòè
ÿâëÿþòñÿ äåôåêòíûìè,
ðóá.
ãäå ÐÃÄ, ÐÄÃ
- âåðîÿòíîñòü
(÷àñòîòà) îøèáîê
ïåðâîãî, âòîðîãî
ðîäà;
ÇÃÄ, ÇÄÃ
- ñðåäíèå óäåëüíûå
çàòðàòû (ïîòåðè)
íà îáúåêò êîíòðîëÿ
îò îøèáîê ïåðâîãî,
âòîðîãî ðîäà, ðóá.
Âåëè÷èíà âåðîÿòíîñòè
(÷àñòîòû) ïîÿâëåíèÿ
îøèáîê 1-ãî è 2-ãî
ðîäà óñòàíàâëèâàåòñÿ
íà îñíîâå èìåþùèõñÿ
ñòàòèñòè÷åñêèõ
äàííûõ èëè îïðåäåëÿòñÿ
àíàëèòè÷åñêè
ñ èñïîëüçîâàíèåì
òàáëè÷íûõ çíà÷åíèé
ôóíêöèè ñòàíäàðòíîãî
íîðìàëüíîãî ðàñïðåäåëåíèÿ
Ô(õ) ïî ñëåäóþùèì
ôîðìóëàì:
ãäå DÒ - ïîëîâèííàÿ
âåëè÷èíà äîïóñêà
(DÒ = DÄ / 2), ñèììåòðè÷íî
ðàñïîëîæåííîãî
îò öåíòðà ðàññåèâàíèÿ
(íîìèíàëà) ïàðàìåòðà
êîíòðîëÿ (DÒ = 0.9);
óÒÅÕ - ñðåäíåêâàäðàòè÷åñêîå
îòêëîíåíèå ïàðàìåòðà
êîíòðîëÿ (áàçîâûé
óÒÅÕ = 0.30 ìì, ïðîåêòíûé
óÒÅÕ = 0.27 ìì);Ä
- ïîãðåøíîñòü
èçìåðåíèÿ, èìåþùàÿ
íîðìàëüíîå ðàñïðåäåëåíèå
ñî ñðåäíåêâàäðàòè÷åñêèì
îòêëîíåíèåì
óZ (áàçîâûé ZÄ
= 0.40 ìì, ïðîåêòíûé
ZÄ = = 0.38 ìì);
Ô - çíà÷åíèå
ôóíêöèè íîðìèðîâàííîãî
íîðìàëüíîãî ðàñïðåäåëåíèÿ
îò âû÷èñëåííîãî
ïàðàìåòðà.
Íàéäåì çíà÷åíèÿ
îøèáîê ïåðâîãî
è âòîðîãî ðîäà
ñîîòâåòñòâåííî:
ïðîåêòíûé:
áàçîâûé:
Âûáîð âàðèàíòà
ðàñ÷åòà óäåëüíûõ
çàòðàò (ïîòåðü)
îò ïåðåáðàêîâêè
(ÇÃÄ) ìû äåëàåì
ñ ó÷åòîì âàæíîñòè
è îòâåòñòâåííîñòè
îáúåêòà êîíòðîëÿ,
òåõíîëîãè÷åñêèõ
âîçìîæíîñòåé
è ýêîíîìè÷åñêîé
öåëåñîîáðàçíîñòè.
Ïðèíèìàåì
âàðèàíò âîññòàíîâëåíèÿ
- ðåìîíò äåôåêòíîãî
ó÷àñòêà òðóáû.
Äëÿ îñóùåñòâëåíèÿ
ðåìîíòà íåîáõîäèìî
âûïîëíèòü ñëåäóþùèå
îïåðàöèè ïðè ëîæíî
çàáðàêîâàííîé
ïðîäóêöèè:
à) âûñâåðëèâàíèå
äåôåêòíîãî ó÷àñòêà
òðóáû;
á) çàâàðèâàíèå
ó÷àñòêà;
â) ïîâòîðíûé
êîíòðîëü.
Òàêèì îáðàçîì
ñðåäíèå çàòðàòû
íà åäèíèöó ëîæíî
çàáðàêîâàííîé
ïðîäóêöèè íàéäåì
ïî ôîðìóëå:
ãäå ÑÂ - ñåáåñòîèìîñòü
âûñâåðëèâàíèÿ
1 ìåòðà äåôåêòíîãî
ó÷àñòêà ñâàðíîãî
øâà, ðóá./ì (ÑÂ
= 62 ðóá./ì);
ÑÇ - ñåáåñòîèìîñòü
çàâàðèâàíèÿ
1 ìåòðà äåôåêòíîãî
ó÷àñòêà ñâàðíîãî
øâà, ðóá./ì (ÑÂ
= 180 ðóá./ì);
LÐ - óñëîâíàÿ
ïðîòÿæåííîñòü
äåôåêòíîãî ó÷àñòêà
ñâàðíîãî øâà,
ì (LÐ = 0.1 ì);
ÅÍ - íîðìàòèâíûé
êîýôôèöèåíò
ýôôåêòèâíîñòè
(ÅÍ = 0.1).
Ñðåäíèå çàòðàòû
íà åäèíèöó ëîæíî
çàáðàêîâàííîé
ïðîäóêöèè:
- áàçîâûé: ïðîåêòíûé: Çàòðàòû îò
íåäîáðàêîâêè
íàéäåì ïî ôîðìóëå:
ãäå ÐÎÊ - ñòîèìîñòü
îáúåêòà êîíòðîëÿ,
ðóá. (ÐÎÊ = 1500 ðóá.)
ÊÒÐ - ñòàâêà
òðàíñïîðòíûõ
ðàñõîäîâ â ïðåäåëàõ
0.05 - 0.1 (ÊÒÐ = 0.1).
Çàòðàòû îò
íåäîáðàêîâêè:
áàçîâûé: ÇÄÃ
= 26 + 1500∙0.1 = 176 ðóá.;
ïðîåêòíûé:
ÇÄÃ = 25 + 1500∙0.1 = 175 ðóá.
 ðåçóëüòàòå
ãîäîâûå çàòðàòû
ñîñòàâÿò:
áàçîâûé: ÏÃÄ
= 0.0962∙26∙5000 = 12506 ðóá.; ÏÄÃ
= 0.00264∙176∙5000 = = 2323 ðóá.;
ïðîåêòíûé:
ÏÃÄ = 0.05039∙25∙5000 = 6300 ðóá.;
ÏÄÃ = =0.00075∙175∙5000 = 656 ðóá.
Ðåçóëüòàòû
ãîäîâûõ çàòðàò
îò ïîãðåøíîñòåé
èçìåðåíèé ïðèâåäåíû
â òàáëèöå 7.5.1.
Òàáëèöà 7.5.1 - Ãîäîâûå
ïîòåðè îò ïîãðåøíîñòåé
èçìåðåíèé
Íàèìåíîâàíèå
ïîòåðü
Çíà÷åíèå
ïî âàðèàíòàì,
ðóá.
Áàçîâûé
Ïðîåêòíûé
Ïîòåðè
îò îøèáîê ïåðâîãî
ðîäà
12 506
6 300
Ïîòåðè
îò îøèáîê âòîðîãî
ðîäà
2 323
656
Èòîãî
14 829
6 956
.6 Ðàñ÷åò ïîêàçàòåëåé
ýôôåêòèâíîñòè
Ãîäîâûå íåèçìåííûå
(ïðèâåäåííûå) çàòðàòû
ðàññ÷èòûâàþòñÿ
ïî ôîðìóëå
ãäå ÅÍ - íîðìàòèâ
ïðèâåäåíèÿ ðàçíîâðåìåííûõ
çàòðàò, ÷èñëåííî
ðàâíûé íîðìàòèâó
ýôôåêòèâíîñòè
êàïèòàëüíûõ
âëîæåíèé (ÅÍ
= 0.1);
ði - íîðìà ðåíîâàöèè
ñðåäñòâ.
Íîðìà ðåíîâàöèè
ðàññ÷èòûâàåòñÿ
ïî ôîðìóëå:
ãäå tÑË - ñðîê
ñëóæáû, ëåò.
Íàéäåì íîðìû
ðåíîâàöèè: çäàíèÿ: îáîðîòíûå ñðåäñòâà:
ñîöèàëüíàÿ
ñôåðà: ïðîåêòèðîâàíèå:
Ãîäîâûå íåèçìåííûå
çàòðàòû áóäóò
ðàâíû:
áàçîâûé: ÇÃ
= 0.1∙92 810 + 37950∙0.087 + 13640∙0.0022 + 6 250∙0.1638
+ 40920∙0.0061 + 71 662 + 14829 = 99 402 ðóá.;
ïðîåêòíûé: ÇÃ
= 0.1∙88 145+ 6938∙0.087 + 12400∙0.0022 + 6 250∙0.1638
+ 37200∙0.0061 + 300∙0.1638 + 55 062 + 6 956 = 83 074 ðóá.
Ãîäîâîé ýêîíîìè÷åñêèé
ýôôåêò ðàññ÷èòàåì
ïî ôîðìóëå:
ÝÃ = ÇÁÃ
- ÇÏÃ. (7.6.3)
Ãîäîâîé ýêîíîìè÷åñêèé
ýôôåêò:
ÝÃ = 99 402 - 83 074 = 16 328 ðóá.
Òåõíèêî-ýêîíîìè÷åñêèå
ïîêàçàòåëè ñðàâíèâàåìûõ
âàðèàíòîâ ïðèâåäåíû
â òàáëèöå 7.6.1.
Òàáëèöà 7.6.1 - Òåõíèêî-ýêîíîìè÷åñêèå
ïîêàçàòåëè ñðàâíèâàåìûõ
âàðèàíòîâ
Íàèìåíîâàíèå
ïîêàçàòåëåé
Çíà÷åíèÿ
ïî âàðèàíòàì,
ðóá.
Áàçîâûé
Ïðîåêòíûé
1. Ãîäîâàÿ
ïðîãðàììà êîíòðîëÿ
ÀÃ, øò.
5000
5000
2. Íîðìà
øòó÷íî-êàëüêóëÿöèîíí.
âðåìåíè tØÊ,
ìèí.
3.8
3.3
3. Ïîòðåáëÿåìàÿ
ìîùíîñòü ñðåäñòâ
êîíòðîëÿ Wi, Âò.
70
15
4. Äîñòîâåðíîñòü
êîíòðîëÿ.
0,9012
0.9589
5. Åäèíîâðåìåííûå
çàòðàòû Ê, òûñ.
ðóá.
92
88
6. Ãîäîâûå
òåêóùèå èçäåðæêè
È, òûñ. ðóá.
72
55
7. Ãîäîâûå
ïîòåðè îò ïîãð.
èçìåðåíèé Ï, òûñ.
ðóá.
15
7
8. Ãîäîâûå
ïðèâåäåííûå çàòðàòû
ÇÃ, òûñ. ðóá.
99
83
9. Ãîäîâîé
ýêîíîìè÷åñêèé
ýôôåêò ÝÃ, òûñ.
ðóá.
-
16
7.7 Âíåäðåíèå
â ïðîèçâîäñòâî
êîìïëåêñà äëÿ
òåëåèíñïåêöèè
òðóá
Âíåäðåíèå
óñòðîéñòâà äëÿ
òåëåèíñïåêöèè
òðóá, ïðåäóñìàòðèâàåò
âûïîëíåíèå ýòàïîâ
ïðèâåäåííûõ â
òàáëèöå 7.7.1.
Òàáëèöà 7.7.1 - Ìîäåëü
îðãàíèçàöèè
âíåäðåíèÿ â ïðîèçâîäñòâî
ðàçðàáîòàííîãî
óñòðîéñòâà äëÿ
òåëåèíñïåêöèè
òðóá
Ýòàïû
âíåäðåíèÿ ìîäåðíèçèðîâàííîãî
ïðèáîðà
Èñïîëíèòåëü
Âðåìÿ,
äíè
1. Ñáîðêà
óñòðîéñòâà ïî
÷åðòåæàì
Ðàáî÷èé
ïî ìîíòàæó
5
2. Îðãàíèçàöèÿ
ìåñòà êîíòðîëÿ
Íà÷.
ÎÒÊ
-
3. Óñòàíîâêà
ïðèáîðà íà ðàáî÷åì
ìåñòå
Ðàáî÷èé
-
4. Ïîâåðêà
ðàçðàáîòàííîãî
óñòðîéñòâà
Èíæåíåð-ìåòðîëîã
7
5. Îçíàêîìëåíèå
îáñëóæèâàþùåãî
ïåðñîíàëà: ñ òåõíè÷åñêîé;
äîêóìåíòàöèåé
è ìåòîäèêàìè
êîíòðîëÿ
Âåäóùèé
ñïåöèàëèñò ÎÒÊ
3
6. Îáó÷åíèå
ïåðñîíàëà ðàáîòå
ñ êîìïëåêñîì
Âåäóùèé
ñïåöèàëèñò ÎÒÊ
3
7. Îçíàêîìëåíèå
ïåðñîíàëà ñ áåçîïàñíûìè
ìåòîäàìè ðàáîòû
Èíæåíåð
ïî ÒÁ
1
8. Îðãàíèçàöèÿ
õðàíåíèÿ îñíîâíûõ
óçëîâ êîìïëåêñà
Èíæåíåð
ÎÒÊ
3
9. Îðãàíèçàöèÿ
òåõíè÷åñêîãî
îáñëóæèâàíèÿ
è ðåìîíòà â ñëó÷àå
îáíàðóæåíèÿ
íåèñïðàâíîñòåé
Ñïåöèàëèñò
ïî ðåìîíòó
2
Èòîãî
-
24
Íà îñíîâàíèè
ýêîíîìè÷åñêîãî
îáîñíîâàíèÿ
ðàçðàáîòêè äàííîãî
êîìïëåêñà ìîæíî
ñäåëàòü âûâîä,
÷òî âíåäðåíèå
êîìïëåêñà äëÿ
òåëåèíñïåêöèè
òðóá äàåò ïîëîæèòåëüíûé
ýêîíîìè÷åñêèé
ýôôåêò (16 328 ðóá.).
Ïîëîæèòåëüíûé
ýêîíîìè÷åñêèé
ýôôåêò ïîëó÷åí
â ðåçóëüòàòå:
óìåíüøåíèÿ
òðóäîåìêîñòè
êîíòðîëÿ çà ñ÷åò
óìåíüøåíèÿ ïîäãîòîâèòåëüíî-çàêëþ÷èòåëüíîãî
âðåìåíè, îñíîâíîãî
âðåìåíè è âðåìåíè
íà îáñëóæèâàíèå
ðàáî÷åãî ìåñòà;
óìåíüøåíèÿ
åäèíîâðåìåííûõ
çàòðàò â ñâÿçè
ñ óìåíüøåíèåì
çàòðàò â îáîðóäîâàíèè;
óìåíüøåíèÿ
ãîäîâûõ òåêóùèõ
èçäåðæåê èç-çà
ñîêðàùåíèÿ ðàñõîäîâ
íà çàðàáîòíóþ
ïëàòó, ýëåêòðîýíåðãèþ,
ðåìîíò è ñîäåðæàíèå
îáîðóäîâàíèÿ
è çäàíèé, à òàê
æå ðàñõîäîâ íà
óïðàâëåíèå.
Çàêëþ÷åíèå
 ïðîöåññå
ðàáîòû íàä òåõíè÷åñêèì
çàäàíèåì áûëî
ðàçðàáîòàíî
óñòðîéñòâî äëÿ
òåëåèíñïêöèè
òðóá - ìàëîãàáàðèòíûé
âèäåîêðîóëåð.
Áûë ïðîèçâåäåí
àíàëèç: îáúåêòà
êîíòðîëÿ, âîçìîæíûõ
äåôåêòîâ, ñóùåñòâóþùèõ
òåõíîëîãèé âèçóàëüíîãî-îïòè÷åñêîãî
îñìîòðà, à òàêæå
òåõíè÷åñêèõ
ñðåäñòâ äëÿ ïðîâåäåíèÿ
òåëåèíñïåêöèè.
Ñôîðìóëèðîâàíû
îñíîâíûå çàäà÷è
äëÿ äàëüíåéøåãî
ïðîåêòèðîâàíèÿ.
Áûëî ïðèíÿòî
ðåøåíèå î ðàñøèðåíèè
âîçìîæíîñòåé
óñòðîéñòâà ïî
äèàãíîñòèêå
îáúåêòîâ íåôòåãàçîâîé
îòðàñëè, ïóò¸ì
óñòàíîâêè íà
íåãî äàò÷èêà
ãîðþ÷èõ ãàçîâ
è ïàðîâ æèäêèõ
óãëåâîäîðîäîâ.
Ïîñëå àíàëèçà
îñíîâíûõ òèïîâ
ãàçîàíàëèòè÷åñêèõ
äàò÷èêîâ, áûëî
ïðèíÿòî ðåøåíèå
îá óñòàíîâêå
ïîëóïðîâîäíèêîâîãî
äàò÷èêà ãîðþ÷èõ
ãàçîâ.
Ïîñëå ðàçðàáîòêè
ñòðóêòóðíîé
ñõåìû óñòàíîâêè
êîíòðîëÿ, áûë ñïðîåêòèðîâàí
ìàëîãàáàðèòíûé
âèäåîêðîóëåð.
 ïðîöåññå ïðîåêòèðîâàíèÿ
áûëè ïðîèçâåäåíû
íåîáõîäèìûå
ðàñ÷¸òû ïî ìåõàíè÷åñêîé
è ýëåêòðîííîé
÷àñòè óñòðîéñòâà.
Êðîìå òîãî, áûëà
ïîäîáðàíà êîíêðåòíàÿ
ìîäåëü äàò÷èêà
ãîðþ÷èõ ãàçîâ
è ïîðòàòèâíûé
ãàçîàíàëèçàòîð
ê íåìó.
Áûëà ðàçðàáîòàíà
ìåòîäèêà ïðîâåäåíèÿ
êîíòðîëÿ, à òàêæå
ìåòîäèêà ïîâåðêè
èñïîëüçóåìîãî
â óñòðîéñòâå
ïðèáîðà - ñèãíàëèçàòîðà
ãîðþ÷èõ ãàçîâ
«Ñèãíàë-02». Ñîãëàñíî
ñòàíäàðòàì îïðåäåëåíû
îñíîâíûå òðåáîâàíèÿ
ê îðãàíèçàöèè
ëàáîðàòîðèè íåðàçðóøàþùåãî
êîíòðîëÿ è êâàëèôèêàöèîííûå
òðåáîâàíèÿ ê
ïåðñîíàëó ëàáîðàòîðèè
äëÿ ðåàëèçàöèè
êîíòðîëÿ è äèàãíîñòèðîâàíèÿ
ðàññìàòðèâàåìûõ
îáúåêòîâ.
 ðàçäåëå «Áåçîïàñíîñòü
è ýêîëîãè÷íîñòü
ïðîåêòà» áûëè
îïðåäåëåíû îñíîâíûå
âðåäíûå è îïàñíûå
ôàêòîðû ïðè ðàáîòå
ñ ïðîåêòèðóåìûì
óñòðîéñòâîì.
Äàíû íåêîòîðûå
ðåêîìåíäàöèè
ïî óñòðàíåíèþ
ýòèõ ôàêòîðîâ.
Ðàçðàáîòàíû
ðåêîìåíäàöèè
ïî áåçîïàñíîé
ýêñïëóàòàöèè
äàííîãî óñòðîéñòâà,
÷òî óìåíüøàåò
ïîòåíöèàëüíóþ
îïàñíîñòü ïðè
îáðàùåíèè ñ íèì.
Òàêæå äàíû ðåêîìåíäàöèè
ïî ïðîòèâîïîæàðíûì
ìåðîïðèÿòèÿì,
ïðîèçâîäñòâåííîé
ñàíèòàðèè, îêàçàíèþ
ïåðâîé ìåäèöèíñêîé
ïîìîùè.
Ñïðîåêòèðîâàííîå
óñòðîéñòâî ïî
êîíñòðóêöèè
è âîçìîæíîñòÿì
óñòóïàåò ñâîèì
çàðóáåæíûì àíàëîãàì,
îäíàêî ïî ñòîèìîñòè
äëÿ êîíå÷íîãî
ïîòðåáèòåëÿ â
ÐÁ ïðåâîñõîäèò.
Íà îñíîâàíèè
ýêîíîìè÷åñêîãî
îáîñíîâàíèÿ
ðàçðàáîòêè äàííîãî
êîìïëåêñà, ìîæíî
ñäåëàòü âûâîä,
÷òî âíåäðåíèå
äàííîãî êîìïëåêñà
äëÿ òåëåèíñïåêöèè
òðóá, äàåò ïîëîæèòåëüíûé
ãîäîâîé ýêîíîìè÷åñêèé
ýôôåêò (16 òûñ. ðîññèéñêèõ
ðóá.).
 ïðîöåññå
ðàáîòû íàä äèïëîìíûì
ïðîåêòîì áûëî
îñâîåíî òð¸õìåðíîå
ìîäåëèðîâàíèå,
à òàêæå ïðîöåññ
àâòîìàòèçàöèè
ñîçäàíèÿ êîíñòðóêòîðñêîé
äîêóìåíòàöèè
â ÑÀÏÐ Êompas 3D. Òàêæå
çàêðåïëåíû íàâûêè
ïî ðàáîòå â âû÷èñëèòåëüíîé
ñèñòåìå ÌathCAD.
Ñïèñîê ëèòåðàòóðû
1. Áóñóðèí,
Â.È. Âîëîêîííî-îïòè÷åñêèå
äàò÷èêè. Ôèçè÷åñêèå
îñíîâû, âîïðîñû
ðàñ÷¸òà è ïðèìåíåíèÿ
/ Â.È. Áóñóðèí, Þ.Ð.
Íîñîâ. - Ì.: Ýíåðãîàòîìèçäàò,
1990. - 256 ñ.
2. ÃÎÑÒ 10705-80.
Òðóáû ñòàëüíûå
ýëåêòðîñâàðíûå.
- Ì.: ÈÏÊ Èçä-âî ñòàíäàðòîâ,
1980. - 39 ñ.
. Þõèí, Í.À.
Äåôåêòû ñâàðíûõ
øâîâ è ñîåäèíåíèé
/ Í.À. Þõèí. - Ì.: Ýíåðãîàòîìèçäàò,
2007. - 214 ñ.
. Ìàðêîâ,
Ï.È. Âîëîêîííî-îïòè÷åñêàÿ
èíòðîñêîïèÿ
/ Ï.È. Ìàðêîâ, À.À.
Êåòêîâè÷, Ä.Ê. Ñàòàðîâ.
- Ë.: Ìàøèíîñòðîåíèå,
1987. - 286 ñ.
. Ñàéò ÎÀÎ
«Ïåðãàì-èíæèíèðèíã».
Îáîðóäîâàíèå
äëÿ âèçóàëüíî-îïòè÷åñêîé
äåôåêòîñêîïèè
[Ýëåêòðîí. ðåñóðñ]
- Ðåæèì äîñòóïà:
www.mirndt.ru
. Ñàéò «Ìèð
ðîáîòîòåõíèêè»
[Ýëåêòðîí. ðåñóðñ]
- Ðåæèì äîñòóïà:
www.roboart.narod.ru
. ÃÎÑÒ
23479-79. Êîíòðîëü íåðàçðóøàþùèé.
Ìåòîäû îïòè÷åñêîãî
âèäà. Îáùèå òðåáîâàíèÿ.
- Ì.: ÈÏÊ Èçä-âî ñòàíäàðòîâ,
1980. - 270 ñ.
. Êîòþê, À.Ô.
Äàò÷èêè â ñîâðåìåííûõ
èçìåðåíèÿõ / À.Ô.
Êîòþê. - Ì.: Ðàäèî
è ñâÿçü, 2006. - 296 ñ.
. ÃÎÑÒ Ð
51330.9-99. Ýëåêòðîîáîðóäîâàíèå
âçðûâîçàùèù¸ííîå.
×àñòü 10. Êëàññèôèêàöèÿ
âçðûâîîïàñíûõ
çîí. - Ì.: Èçä-âî ñòàíäàðòîâ,
2001. - 41 ñ.
. Êîíñòðóèðîâàíèå
ðàäèîýëåêòðîííîé
àïïàðàòóðû: Ìåòîäè÷åñêèå
óêàçàíèÿ ê êóðñîâîé
ðàáîòå äëÿ ñòóäåíòîâ
çàî÷íîé ôîðìû
îáó÷åíèÿ ñïåöèàëüíîñòè
1-54 01 01 «Ìåòîäû è ïðèáîðû
êîíòðîëÿ êà÷åñòâà
è äèàãíîñòèêè
ñîñòîÿíèÿ îáúåêòîâ»
/ Ñîñò. Â.Ô. Ïîçäíÿêîâ
- Ìîãèëåâ: ÃÓÂÏÎ
Áåëîðóññêî-Ðîññèéñêèé
óíèâåðñèòåò,
2005. - 28 ñ.
. Ñàéò ÎÄÎ
«Ñôåðàòðåéä» [Ýëåêòðîí.
ðåñóðñ] - Ðåæèì
äîñòóïà: www.secur.by
. Èâàíîâ,
Ì.Í. Äåòàëè ìàøèí:
Ó÷åáíèê äëÿ ìàøèíîñòðîèòåëüíûõ
ñïåöèàëüíîñòåé
âóçîâ / Ì.Í. Èâàíîâ,
Â.À. Ôèãåíîâ. - 12-å
èçä. èñïð. - Ì.: Âûñø.
øê., 2008. - 408.: èë.
. Ñàéò ÍÏÔ
«Ýëåêòðîïðèâîä»
[Ýëåêòðîí. ðåñóðñ]
- Ðåæèì äîñòóïà:
www.electroprivod.ru
. Ñàéò ÎÄÎ
«Ôàðìýê» [Ýëåêòðîí.
ðåñóðñ] - Ðåæèì
äîñòóïà: http://pharmec.net
. Ñàéò ÎÎÎ
«Ïîëèòåõôîðì-Ì».
Àïïàðàòóðà êîíòðîëÿ
äëÿ ïðåäîòâðàùåíèÿ
òåõíîãåííûõ
êàòàñòðîô [Ýëåêòðîí.
ðåñóðñ] - Ðåæèì
äîñòóïà: www.ptfm.ru
. Åðìîëîâ,
È.Í. Ìåòîäû è ñðåäñòâà
íåðàçðóøàþùåãî
êîíòðîëÿ êà÷åñòâà
/ È.Í. Åðìîëîâ, Þ.ß.
Îñòàíèí. - Ì.: Âûñø.
øê., 1988. - 368 ñ.
. Ñóäàðèêîâà,
Å.Â. Íåðàçðóøàþùèé
êîíòðîëü â ïðîèçâîäñòâå:
Ó÷åáíîå ïîñîáèå.
÷. 2 / Å.Â. Ñóäàðèêîâà
- ÑÏá.: ÃÓÀÏ, 2007. - 137 ñ.
. Ñóäàðèêîâà,
Å.Â. Íåðàçðóøàþùèé
êîíòðîëü â ïðîèçâîäñòâå:
Ó÷åáíîå ïîñîáèå.
÷. 1 / Å.Â. Ñóäàðèêîâà
- ÑÏá.: ÃÓÀÏ, 2007. - 192 ñ.
. Ïðîõîð÷èê,
Í.À. Ñåðòèôèêàöèÿ
ïåðñîíàëà â îáëàñòè
íåðàçðóøàþùåãî
êîíòðîëÿ. Æóðíàë
«Ñòàíäàðòèçàöèÿ»
¹1 / Í.À. Ïðîõîð÷èê
- Ìí.: ÁåëÃÈÑÑ,
2002. - 80 ñ.
. ÃÎÑÒ
12.0.003-74 ÑÑÁÒ. Îïàñíûå
è âðåäíûå ïðîèçâîäñòâåííûå
ôàêòîðû. Êëàññèôèêàöèÿ.
- Ì.: Èçäàòåëüñòâî
ñòàíäàðòîâ,
1975. - 11 ñ.
. ÃÎÑÒ
12.1.005-88 ÑÑÁÒ. Îáùèå
ñàíèòàðíî-ãèãèåíè÷åñêèå
òðåáîâàíèÿ ê
âîçäóõó ðàáî÷åé
çîíû. - Ì.: Èçäàòåëüñòâî
ñòàíäàðòîâ,
1988. - 5 ñ.
. ßíóøåâñêèé,
Â.Ã. Àòëàñ ïåðâîé
ìåäèöèíñêîé
ïîìîùè / Â.Ã. ßíóøåâñêèé.
- Ì.: Ïðîñâåùåíèå,
1986. - 140 ñ.
. ÃÎÑÒ
12.1.002-84 ÑÑÁÒ. Ýëåêòðè÷åñêèå
ïîëÿ ïðîìûøëåííîé
÷àñòîòû. Äîïóñòèìûå
óðîâíè íàïðÿæ¸ííîñòè
è òðåáîâàíèÿ
ê ïðîâåäåíèþ êîíòðîëÿ
íà ðàáî÷èõ ìåñòàõ.
- Ì. Èçäàòåëüñòâî
ñòàíäàðòîâ,
1984. - 11 ñ.
. ÑÍÁ 2.04.05-98 Åñòåñòâåííîå
è èñêóññòâåííîå
îñâåùåíèå. - Ìí.
Èçäàòåëüñòâî
ñòàíäàðòîâ,
1998. - 25 ñ.
. Àëèñîâ,
Í.Â. Ýêîíîìè÷åñêàÿ
è ñîöèàëüíàÿ
ãåîãðàôèÿ ìèðà
/ Í.Â. Àëèñîâ, Á.Ñ.
Õîðååâ. - Ì.: Ãàðäàðèêè,
2001. - 237 ñ.
. Ñòàäíèöêèé,
Ã.Â. Ýêîëîãèÿ: ó÷åáíèê
äëÿ ÂÓÇîâ / Ã.Â. Ñòàäíèöêèé.
- ÑÏá: Õèìèçäàò,
2001. - 311 ñ.
. Áåñôàìèëüíàÿ,
Ë.Â. Ýêîíîìè÷åñêàÿ
ýôôåêòèâíîñòü
ñðåäñòâ èçìåðåíèÿ
ïðè êîíòðîëå êà÷åñòâà
ïðîäóêöèè / Ë.Â.
Áåñôàìèëüíàÿ.
- Ì.: Èçä-âî ñòàíäàðòîâ,
1986. - 182 ñ.
. Îðãàíèçàöèÿ
ïðîèçâîäñòâà:
ìåòîä. óêàçàíèÿ
ê âûïîëíåíèþ
êóðñîâîé ðàáîòû
äëÿ ñòóäåíòîâ
ñïåö. 1-54 01 02 «Ìåòîäû
è ïðèáîðû êîíòðîëÿ
êà÷åñòâà è äèàãíîñòèêè
ñîñòîÿíèÿ îáúåêòîâ»
/ Ñîñò. À.Ï. Òðåíèõèí
- Ìîãèëåâ: ÃÓÂÏÎ
Áåëîðóññêî-Ðîññèéñêèé
óíèâåðñèòåò,
2008. - 32 ñ.
. ÃÎÑÒ
2.106-96. ÅÑÊÄ. Îáùèå òðåáîâàíèÿ
ê òåêñòîâûì äîêóìåíòàì.
- Ì.: Èçä-âî ñòàíäàðòîâ,
1997. - 28 ñ.: èë.
Ðàçìåùåíî
íà Allbest.ru

3.9, в) в различных его участках. Сканируемое оптическое изображение
одновременно передается на преобразователь 2, согласующий его параметры с
соответствующими параметрами канала передачи 3. Вся координация операций
сканирования на первичном уровне осуществляется органами регулирования 5 и
управления 4 с необходимыми механическими а, электрическими b и оптическими c связями. При
необходимости наблюдатель может производить повторный (неоднократный) просмотр
сомнительных мест за счет реверсивного привода.
. Это приводит к ослаблению сигнала, которое связано с длиной
световода экспоненциальной зависимостью.
- ïðÿìîíàïðàâëåííûé;
II è III - êîñîïðèöåëüíûé
è áîêîâîé;- ðåòðîñïåêòèâíûé;
V - ïàíîðàìíûé.
(2.1)
(2.2)
(3.1)
. (3.2)
. (3.3)
. (3.4)
(3.5)
. (3.6)
. (3.7)
. (3.8)
(3.9)
(3.10)
. (3.11)
. (3.12)
4.3.1.
Óñëîâèÿ ïîâåðêè.
, (7.2.1)
, (7.2.2)
÷.
ìèí.
, (7.2.3)
, (7.2.4)
ìèí/øò.
, (7.2.5)
ìèí.
ìèí.
. (7.2.6)
ìèí.
ìèí.
ìèí.
ìèí.
, (7.3.1)
, (7.3.2)
. (7.3.3)
. (7.3.4)
, (7.3.5)
(7.3.6)
- öåíà (ñòîèìîñòü)
îäíîãî ì2 çäàíèÿ
ïðîèçâîäñòâåííîãî
íàçíà÷åíèÿ (
= = 6 975 ðóá.);
- öåíà (ñòîèìîñòü)
îäíîãî ì2 çäàíèÿ
ñëóæåáíî-áûòîâîãî
íàçíà÷åíèÿ (
= = 6 820 ðóá.);
- êîýôôèöèåíò,
ó÷èòûâàþùèé
ïëîùàäü ïîä ñêëàäèðîâàíèå
ìàòåðèàëîâ äëÿ
êîíòðîëÿ (äëÿ ÂÎÏ
= 0.25).
, (7.3.7)
, (7.3.8)
(7.3.9)
(7.4.3)
, (7.4.4)
ðóá.;
ðóá.
. (7.4.5)
, (7.4.6)
. (7.4.7)
, (7.4.8)
, (7.4.9)
, (7.4.10)
, (7.4.11)
, (7.4.12)
, (7.4.13)
, (7.5.1)
, (7.5.2)
(7.5.3)
, (7.5.4)
, (7.5.5)
;
;
;
.
, (7.5.6)
ðóá.;
ðóá.
, (7.5.7)
(7.6.1)
, (7.6.2)
;
;
;
.