Введение
Электроника является универсальным и исключительно эффективным средством при решении самых различных проблем в области сбора и преобразования информации, автоматического и автоматизированного управления, выработки и преобразования энергии. Знания в области электроники становятся необходимыми все более широкому кругу специалистов.
Усилители, одни из самых широко используемых устройств в радиотехнике. Усилители можно разделить по многим признакам: виду используемых усилительных элементов, количеству усилительных каскадов, частотному диапазону усиливаемых сигналов, выходному сигналу, способам соединения усилителя с нагрузкой и др. По типу используемых элементов усилители делятся на ламповые, транзисторные и диодные. По количеству каскадов усилители могут быть однокаскадными, двухкаскадными и многокаскадными. По диапазону частот усилители принято делить на низкочастотные, высокочастотные, полосовые, постоянного тока (или напряжения). Связь усилителя с нагрузкой может быть выполнена непосредственно (гальваническая связь), через разделительный конденсатор (емкостная связь) и через трансформатор (трансформаторная связь).
Все характеристики усилителя можно разделить на три группы: входные, выходные и передаточные. К входным характеристикам относятся: допустимые значения входного напряжения или тока, входное сопротивление и входная емкость. Обычно эти характеристики определяются параметрами источника входного сигнала.
Часто работа усилителя необходима в определенном спектре частот. Одним из вариантов решения подобных задач заключается в использовании усилителей низкой частоты.
Курсовая работа посвящена исследованию и разработке измерителя уровня
шума. К таким блокам относится усилитель низкой частоты, генератор НЧ, цифровой
вольтметр.
1. Измерение шума. Приборы для
измерения уровня шума
Всемирная организация здравоохранения обращает внимание на недооценку общественностью влияния шума на здоровье, обращая внимание на неуклонное повышение фонового уровня шума, в частности в Европе. По сравнению с 80-ми годами в 90-е шумовой фон вырос на 26%. В большой степени это увеличение связывают с ростом числа автомобильного транспорта. Доказано, что превышение допустимых уровней шумового воздействия приводит к повышенной возбудимости нервной системы, ухудшению памяти, нарушениям кровообращения и другим негативным воздействиям.
Все методы измерения шума делятся на стандартные и нестандартные.
Стандартные измерения шума регламентируются соответствующими стандартами и обеспечиваются стандартизованными средствами измерения. Величины, подлежащие измерению, так же стандартизованы.
Нестандартные методы применяются при научных исследованиях и при решении специальных задач.
Измерительные стенды, установки, приборы и звукоизмерительные камеры подлежат метрологической аттестации в соответствующих службах с выдачей аттестационных документов, в которых указываются основные метрологические параметры, предельные значения измеряемых величин и погрешности измерения.
Стандартными величинами, подлежащими измерению, для постоянных шумов являются:
· уровень звукового давления Lp, дБ, в октавных или третьоктавных полосах частот в контрольных точках;
· корректированный по шкале А уровень звука LA, дБА, в контрольных точках непостоянных шумов измеряются эквивалентные уровни Lpэк или LAэк.
Приборы для измерения шума - шумомеры - состоят, как правило, из датчика (микрофона), усилителя, частотных фильтров (анализатора частоты), регистрирующего прибора (самописца или магнитофона) и индикатора, показывающего уровень измеряемой величины в дБ.
По точности шумомеры делятся на четыре класса 0, 1, 2 и 3.
Шумомеры класса 0 используются как образцовые средства измерения; приборы класса
- для лабораторных и натурных измерений;
- для технических измерений;
- для ориентировочных измерений шума.
Каждому классу приборов соответствует диапазон измерений по частотам: шумомеры классов 0 и 1 рассчитаны на диапазон частот от 20 Гц до 18 кГц, класса 2 - от 20 Гц до 8 кГц, класса 3 - от 31,5 Гц до 8 кГц.
Для измерения эквивалентного уровня шума при усреднении за длительный период времени применяются интегрирующие шумомеры. Приборы для измерения шума строятся на основе частотных анализаторов, состоящих из набора полосовых фильтров и приборов, показывающих уровень звукового давления в определенной полосе частот. В зависимости от вида частотных характеристик фильтров анализаторы подразделяются на октавные, третьеоктавные и узкополосные. Частотная характеристика фильтра К( f ) =Uвых /Uвх представляет собой зависимость коэффициента передачи сигнала со входа фильтра Uвхна его выход Uвых от частоты сигнала f. Для измерения производственного шума преимущественно используется шумомер ВШВ-003-М2 <#"804362.files/image001.gif">
Рисунок 1.1. Измеритель уровня шума фирмы Testo:
- микрофон; 2 - измерительная головка; 3 - калибратор шума
Фирма Testo (Германия) выпускает измерители уровня шума Testo 815 (3
класс) и Testo 816 (2класс). Фирма QuestTechnologies, Inc. (США) выпускает ряд
измерителей уровня шума 1 и 2класса. С помощью прибора RT-1000 (1 класс) можно
получить результат в виде средневзвешенного значения с весовыми коэффициентами
A, B, C и D по всему диапазону частот или средневзвешенные по октавам (рис.
1.2). Последние значения можно вывести на индикатор в форме таблицы или графика
(рис. 1.3). Кроме того, шумомер можно подключить к персональному компьютеру и
производить измерение непрерывно в течение 24 часов.
Рисунок 1.2. Измерители уровня шума фирмы QuestTechnologies, Inc.
Рисунок 1.3. Индикация результатов измерений прибором RT - 1000.
Если измерять уровень звука непосредственно в помещении, где установлен
кондиционер, то мы измерим суммарный уровень шумов кондиционера, окружающей
среды и отраженных сигналов от ограждений (стены, потолки, пол и др.) Поэтому
измерение уровня звука кондиционеров производится в акустических
"безэховых" камерах, имеющих низкий уровень собственных шумов и
звукопоглощающие ограждения (рис. 1.4). Уровни шумов вентиляторов и канальных
кондиционеров измеряются в трех точках: по входу, по выходу и от корпуса по
ГОСТ 12.2.028-84 с использованием специальных зондов, поглощающих отраженные
сигналы, (рис. 1.5) или в камерах, в которых можно измерить отдельно эти три
вида шумов (рис. 1.6). Измерение шумов вентиляторов и кондиционеров в открытом
пространстве - распространенная ошибка монтажников, наладчиков и даже
контролирующих органов.
Рисунок 1.4.- Акустическая камера для измерения уровня шумов
Рисунок 1.5. Концевое поглощающее устройство для измерения шумов
вентиляторов по ГОСТ 12.2.028-84
Рисунок 1.6. Измерение шумов вентиляторов в звукоизоляционных помещениях
по ГОСТ 12.2.028-84
Таблица 1.1. Технические характеристики измерителей уровня шума Testo 816
(2 класс) и RT-1000 (1класс) фирмы QuestTechnologies, Inc.
Технические характеристики
Testo 816
RT-1000
Диапазон измеряемых частот,
Гц
31,5-20000
20-20000
Диапазон уровня измеряемых
шумов dB (A) dB (C)
30-130 -
25-140 28-140
Время измерения,
123 мс, 1 с
10 мс
Длительность регистрации, ч
-
24
Время непрерывной работы
батарейного питания, ч
15
13
Наличие октавного фильтра
Нет
Есть
Наличие калибратора
Есть
Есть
Масса, г
170
500
Габаритные размеры, мм
168 х 72 х 27
85 х 279 х 50
Уровни шума, создаваемого оборудованием в различных помещениях и в разное
время суток, оговариваются стандартами стран. Ими предусматриваются также
методы измерения шума и характеристики измерительных приборов. Это, например,
стандарт NF 831-123 "Шум, издаваемый холодильным оборудованием, снабженным
герметичными и разъемными герметичными компрессорами. Правила испытания для
измерения акустической мощности".
Кроме того, органы Госнадзора Украины признают правомерными только те
протоколы испытаний уровня шума, которые произведены приборами, аттестованными
метрологической службой Украины как приборы первого или второго класса. При
этом требования к классу приборов у разных стран различные. Так, приборы для
измерения уровня шума, относящиеся в Германии ко второму классу, сертификационными
службами Украины относятся к третьему классу. Основными способами выполнения требований стандартов по снижению уровня
звукового воздействия являются:
§ выбор оборудования с допустимым уровнем шума;
§ установка оборудования с недопустимым уровнем шума в
звукоизолированные помещения;
§ удаление оборудования на расстояние, обеспечивающее
необходимое уменьшение шума (затухание);
§ создание локальной звукоизоляции для отдельных элементов
оборудования, являющихся источником повышенного уровня шума.
При выборе оборудования с допустимым уровнем шума может оказаться, что
оно не удовлетворяет другим требованиям технического задания. В этом случае,
конечно, необходимо брать "шумное" оборудование, но принимать
дополнительные меры по снижению шума в зоне расположения людей. Если есть
возможность удалить сильно шумящий блок от места расположения людей, то эффект
от расстояния до точечного источника звука (в сферическом звуковом поле) может
быть определен по формуле:
где r - расстояния от источника шума до точки измерения уровня шума.
В случае излучения в полусферу (например, компрессорно-конденсаторный
блок, установленный на крыше):
Однако в этих уравнениях не учтено затухание звука в воздухе, зависящее
от частоты звука, температуры и влажности воздуха. В некоторых случаях это
затухание может превышать 13 дБ. Кроме того, необходимо учитывать
направленность Q источника звука.
Величина Q зависит от данного телесного угла, в котором излучается
звуковая энергия.
Так, Q = 1 при телесном угле 2π; Q = 8 при π/2 и т. д.
Когда оборудование находится вне помещения, эффективным способом снижения
уровня шума является установка экранов.
Рисунок 2.1. Снижение уровня звука экраном. S - источник звука; P - точка
измерения звука.
Возможно применение крышек, коробов или кожухов.
Если источник шума расположен в помещении, то необходимо учитывать
поглощение звука стенами, полом и потолком. Частично звук отражается от
ограждений. В этом случае уровень звукового давления определяется по формуле:
где Sэкв - эквивалентная поглощающая поверхность помещения.
где Si - площадь поверхности помещения;
αi - коэффициент поглощения.
Рисунок 2.2. Коэффициент поглощения различных материалов: а - гладкая
штукатурка; б - древесноволокнистая плита толщиной 2,5 см ; в - тоже, 5 см ; г
- стекловата слоем 3 см ; д - совокупность пористых материалов, способных к
резонансу; е - клеенчатая ткань, брезент, заполненный стекловатой; ж -
многослойная фанера с воздушной прослойкой
Для уменьшения шумов в воздуховодах используются глушители со
звукопоглощающим акустическим экраном и покрытиями.
3. Разработка структурной принципиальной схемы индикатора уровня шума
Операционный усилитель(ОУ)- это высококачественный усилитель,
предназначенный для усиления как постоянных, так и переменных сигналов. Ранее
такие усилители использовали главным образом в аналоговых вычислительных
устройствах для выполнения математических операций (сложения, вычитания и
т.д.),.это объясняет происхождение термина "операционный". В
настоящее время очень широко используются операционные усилители в виде
полупроводниковых интегральных схем.
Классификация усилителей.
Усилители можно разделить по многим признакам: виду используемых
усилительных элементов, количеству усилительных каскадов, частотному диапазону
усиливаемых сигналов, выходному сигналу, способам соединения усилителя с
нагрузкой и др. По типу используемых элементов усилители делятся на ламповые,
транзисторные и диодные. По количеству каскадов усилители могут быть
однокаскадными, двухкаскадными и многокаскадными. По диапазону частот усилители
принято делить на низкочастотные, высокочастотные, полосовые, постоянного тока (или
напряжения). Связь усилителя с нагрузкой может быть выполнена непосредственно
(гальваническая связь), через разделительный конденсатор (емкостная связь) и
через трансформатор (трансформаторная связь).
Основные характеристики усилителей.
Все характеристики можно разделить на три группы: входные, выходные и
передаточные. К входным характеристикам относятся: допустимые значения входного
напряжения или тока, входное сопротивление и входная емкость. Обычно эти
характеристики определяются параметрами источника входного сигнала.
Основной передаточной характеристикой усилителя является его коэффициент
усиления. Различают коэффициенты усиления по напряжению, току и мощности
Ku =U2/U1, Ki=I2/I1,
Kp=P2/P1,
где U1,I1 и P1 - значения напряжения, тока и
мощности на входе усилителя; U2,I2 и P2 - значения напряжения, тока и
мощности на выходе усилителя.
Коэффициент усиления в общем случае является комплексной величиной, т.е.
он зависит от частоты входного сигнала и характеризуется не только изменением
амплитуды выходного сигнала с изменением частоты, но и его задержкой во
времени, т.е. изменением его фазы. Частотные характеристики усилителя описывают
его динамические свойства в частотной области. Для описания динамических
свойств усилителям во временной области пользуются его переходной
характеристикой. Переходная характеристика усилителя является его реакцией на
скачкообразное изменение входного сигнала.
Для количественной оценки динамических свойств усилителя в частотной
области используются такие параметры, как полоса пропускаемых частот Δf, граничные значения частот - верхней
fв и нижней fн. Аналогично во временной области используют параметры
переходной характеристики: время ее нарастания τнар и спада τсп. Если переходная характеристика
имеет выбросы, то их значение также нормируется.
При прохождении сигнала через усилитель его форма подвергается изменению.
Эти изменения формы обычно называют искажением сигнала. Искажения сигнала
называют линейными, если при передаче его через усилитель спектральный анализ
не изменяется. Это означает, что если гармонический сигнал подать на вход
усилителя, то на выходе усилителя сигнал также будет гармоническим и с той же
частотой. Основной причиной линейных искажений является зависимость
комплексного коэффициента усиления от частоты входного сигнала.
Нелинейные искажения связаны с изменением спектрального состава сигнала
при его передаче через усилитель. Появление нелинейных искажений обусловлено
нелинейностью передаточных характеристик усилительных элементов. Для оценки
нелинейных искажений обычно коэффициентом гармоник Кг, равным
отношению действующего значения высших гармоник выходного напряжения (или тока)
к действующему значению первой гармоники при подаче на вход усилителя
гармонического сигнала
где
U1 -
действующее значение напряжения первой гармоники, U2…Un - действующие значения второй и других высших
гармоник.
Обобщенная
схема усилителя приведена на рисунке 3.1. Она содержит входную цепь, которая
обеспечивает режим работы усилительного элемента и ввод входного сигнала;
управляемый источник напряжения или тока на одном из видов усилительных
элементов; выходную цепь, которая обеспечивает передачу сигнала к нагрузке, и
цепь обратной, которая определяет усилительные свойства усилителя. В реальных
схемах некоторые из этих узлов могут отсутствовать.
Рисунок
3.1 Обобщенная структурная схема усилителя.
Операционным
усилителем (ОУ) называют усилитель напряжения, предназначенный для выполнения
различных операций с аналоговыми сигналами: их усиление или ослабление,
сложение или вычитание, интегрирование или дифференцирование, логарифмирование
или потенцирование, преобразование их формы и др. Все эти операции ОУ выполняет
с помощью цепей положительной и отрицательной обратной связи, в состав которых
могут входить сопротивления, емкости и индуктивности, диоды, стабилитроны,
транзисторы и некоторые другие электронные элементы. Поскольку все операции,
выполняемые при помощи ОУ, могут иметь нормированную погрешность, то к его
характеристикам предъявляются определенные требования.
Требования
эти в основном сводятся к тому, чтобы ОУ как можно ближе соответствовал
идеальному источнику напряжения, управляемому напряжением с бесконечно большим
коэффициентом усиления. А это значит, что входное сопротивление ОУ должно быть
равно бесконечности, а следовательно, входной ток должен быть равен нулю.
Выходное сопротивление должно быть равно нулю, а следовательно, нагрузка не
должна влиять на выходное напряжение. Частотный диапазон усиливаемых сигналов
должен простираться от постоянного напряжения до очень высокой частоты.
Поскольку коэффициент усиления ОУ очень велик, то при конечном значении
выходного напряжения напряжение на его входе должно быть близким к нулю.
Входная
цепь ОУ обычно выполняется по дифференциальной схеме, а это значит, что входные
сигналы можно подавать на любой из двух входов, один из которых изменяет
полярность выходного напряжения и поэтому называется инвертирующим, а другой не
изменяет полярности выходного напряжения и называется - неинвертирующим.
Инвертирующий вход можно отмечать кружочек или писать около него знак (-).
Неинвертирующий вход или совсем не отмечается, или около него пишется знак плюс
(+). Два вывода ОУ используются для подачи на него напряжения питания +Еп
и -Еп. Положительное и отрицательное напряжение питания
обычно имеют одно и то же значение, а их общий вывод одновременно является
общим выводом для входных и выходных сигналов.
Если
один из двух входов ОУ соединить с общим выводом, то можно получить два ОУ с
одним входом, один из которых будет инвертирующим, а другой - неинвертирующим.
Выходное напряжение для дифференциального усилителя определяется по формуле
Uвых=(Uвх1 - Uвх2)А,(3.1)
где А→∞ - коэффициент усиления ОУ.
Для инвертирующего ОУ выходное напряжение равно Uвых=- Uвх2А, а для неинвертирующего Uвых=Uвх1А. Разностное напряжение (Uвх1 - Uвх2)=Uдиф - называют дифференциальным входным
сигналом. По сути дела, это напряжение приложено между инвертирующим и неинвертирующим
входами ОУ.
Если оба входа ОУ соединить вместе, то получившаяся схема будет иметь
только один вход, а приложенный к нему сигнал называют синфазным Uсф=Uвх1=Uвх2. Для синфазного сигнала в
соответствии с формулой (3.1) выходное напряжение должно быть равно нулю,
однако в реальных условиях этого не происходит и выходной сигнал присутствует,
хотя и имеет малое значение.
Основные характеристики операционных усилителей можно разделить на две
группы: статические и динамические. К статическим относятся характеристики,
определяющие работу ОУ в установившемся режиме:
· коэффициент усиления на постоянном напряжении К(0)=ΔUвых/ ΔUвх;
· напряжение смещения нулевого уровня есм -
это напряжение, которое нужно приложить ко входу ОУ, чтобы сделать Uвых=0;
· входные токи iвх+ и iвх- это токи, протекающие через входные
цепи ОУ;
· разность входных токов Δiвх =iвх+ - iвх-;
· температурный коэффициент напряжения смещения нулевого уровня
Δесм/ΔТ;
· коэффициент ослабления синфазного сигнала Косс
- это отношение коэффициента усиления дифференциального сигнала к коэффициенту
усиления синфазного сигнала Кдиф/Ксф=Косс;
· максимальный выходной ток Iвых.макс..
Динамические характеристики ОУ описываются обычно двумя параметрами:
предельной частотой (частотой единичного усиления) fпр=f1 и максимальной скоростью нарастания выходного
напряжения Vuвых.макс.. Параметры динамического режима во многом зависят от цепей
частотной коррекции, которая осуществляется с помощью RC-цепей, подключаемых к
соответствующим зажимам ОУ. Основное назначение коррекции - предотвращать
возникновение автоколебаний в ОУ при охвате его цепью отрицательной обратной
связи.
Причина возникновения автоколебаний кроется в том, что в самом ОУ и в
цепях обратной связи имеются фазовые сдвиги, вследствие чего отрицательная
обратная связь на некоторой частоте превращается в положительную. Цепи
коррекции снижают коэффициент усиления на частоте, на которой фазовый сдвиг в
замкнутом контуре составляет 360°. Иногда используют цепи коррекции, которые
уменьшают фазовый сдвиг на тех частотах, на которых коэффициент усиления в
замкнутом контуре больше единицы. Такую коррекцию называют опережающей, так как
она обеспечивает опережение по фазе. Корректирующие цепи обычно рекомендуются
предприятием, изготовителем и приводятся в справочных руководствах. В то же
время большое количество ОУ с внутренней коррекцией. Внутренняя коррекция
упрощает использование ОУ, но не позволяет полно реализовать его динамические
свойства.
Классификация ОУ по совокупности их параметров:
· универсальные, или общего применения (К(0)=103…105,
fпр=1,0…10 МГц, есм>0,5
мВ);
· прецизионные, или инструментальные (К(0)>0,5*106,
есм<0,5мВ);
· быстродействующие (Vuвых.макс>20 В/мкс, fпр>15 МГц);
· микромощные (Iпотр<1 мА).
Операционные усилители продолжают совершенствоваться; появляются новые
типы, обладающие некоторыми особыми свойствами.
Функционирование генератора можно разделить на два этапа: этап
возбуждения генератора и этап стационарного режима. На этапе возбуждения
колебаний в генераторе появляются колебания, и амплитуда их постепенно
нарастает. На втором этапе амплитуда колебаний стабилизируется, и генератор
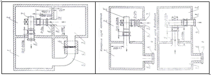
переходит в стационарный режим. Рисунок 3.2 Схема принципиальная индикатора уровня шума
Уровни шума, создаваемого оборудованием в различных помещениях и в разное
время суток, оговариваются стандартами стран. Ими предусматриваются также
методы измерения шума и характеристики измерительных приборов. Это, например,
стандарт NF 831-123 "Шум, издаваемый холодильным оборудованием, снабженным
герметичными и разъемными герметичными компрессорами. Правила испытания для
измерения акустической мощности".
Кроме того, органы Госнадзора Украины признают правомерными только те
протоколы испытаний уровня шума, которые произведены приборами, аттестованными
метрологической службой Украины как приборы первого или второго класса. При
этом требования к классу приборов у разных стран различные. Так, приборы для
измерения уровня шума, относящиеся в Германии ко второму классу,
сертификационными службами Украины относятся к третьему классу.
В технической документации заводов-производителей часто отсутствует
ссылка как на стандарт, по которому определяется сам термин "уровень шума",
так и на стандарт по методике измерения. Под параметром "уровень
шума" некоторые производители приводят значения уровня звукового давления
или уровня звуковой мощности. Это не позволяет потребителю правильно выбрать
необходимое оборудование и однозначно сравнить уровень акустического
воздействия оборудования на пользователя.
Основными способами выполнения требований стандартов по снижению уровня
звукового воздействия являются:
§ выбор оборудования с допустимым уровнем шума;
§ установка оборудования с недопустимым уровнем шума в
звукоизолированные помещения;
§ удаление оборудования на расстояние, обеспечивающее
необходимое уменьшение шума (затухание);
§ создание локальной звукоизоляции для отдельных элементов
оборудования, являющихся источником повышенного уровня шума.
По виду измеряемой величины цифровые вольтметры делятся на: вольтметры
постоянного тока, переменного тока (средневыпрямленного или среднего
квадратического значения), импульсные вольтметры - для измерения параметров
видео- и радиоимпульсных сигналов и универсальные вольтметры, предназначенные
для измерения напряжения постоянного и переменного тока, а также ряда других
электрических и неэлектрических величин (сопротивления, температуры и прочее).
Рисунок 3.3. Структурная схема цифрового вольтметра
Принцип работы цифровых измерительных приборов основан на дискретном и
цифровом представлении непрерывных измеряемых величин. Упрощенная структурная
схема цифрового вольтметра приведена на рис.3.3. Схема состоит из входного
устройства, АЦП, цифрового отсчетного устройства и управляющего устройства.
Входное устройство содержит делитель напряжения; в вольтметрах
переменного тока оно включает в себя также преобразователь переменного тока в
постоянный.
АЦП преобразует аналоговый сигнал в цифровой, представляемый цифровом
кодом. Процесс аналого-цифрового преобразования составляет сущность любого
цифрового прибора, в том числе и вольтметра. Использование в ацп цифровых
вольтметров двоично-десятичного кода облегчает обратное преобразование
цифрового кода в десятичное число, отражаемое цифровым отсчетным устройством.
Цифровое отсчетное устройство измерительного прибора регистрирует
измеряемую величину. Управляющее устройство объединяет и управляет всеми узлами
вольтметра.
По типу АЦП цифровые вольтметры могут быть разделены на четыре основные
группы:
• кодоимпульсные (с поразрядным уравновешиванием);
• времяимпульсные;
• частотно-импульсные;
• пространственного кодирования.
В настоящее время цифровые вольтметры строятся чаще на основе
кодо-импульсного и времяимпульсного преобразования.
АЦП вольтметров преобразуют сигнал постоянного тока в цифровой код,
поэтому и цифровые вольтметры также считаются приборами постоянного тока. Для
измерения напряжения переменного тока на входе вольтметра ставится
преобразователь переменного напряжения в постоянное напряжение, чаще всего это
детектор средневыпрямленного значения.
Проанализируем основные технические характеристики среднестатистического
цифрового вольтметра постоянного тока:
• диапазон измерения: 100 мВ, 1 В, 10 В, 100 В, 1000 В;
• порог чувствительности (уровень квантования амплитуды напряжения или
единица дискретности) на диапазоне напряжения в 100 мВ может быть 1мВ, 10ОмкВ,
10мкВ;
• количество знаков (длина цифровой шкалы) - отношение максимальной
измеряемой величины на этом диапазоне к минимальной, например диапазону
измерения 100 мВ при уровне квантования 10 мкВ соответствует 104 знаков;
• входное сопротивление электрической схемы - очень высокое, обычно более
100 МОм;
• помехозащищенность - так как цифровые вольтметры обладают высокой
чувствительностью, очень важно обеспечить хорошую помехозащищенность.
Помеха общего вида возникает в электрической схеме из-за несовершенства
источников питания на частотах 50 и 100 Гц, создает падение напряжения на
сопротивлении r0 соединительного провода и переходит во входную цепь
вольтметра, если сопротивление утечки Rут между клеммами и корпусом невелико.
Если же одну из клемм прибора заземлить, то доля помехи общего вида,
переходящая во входную цепь, увеличится. Поэтому при измерении малых сигналов
пользуются изолированным от земли (корпуса) входом вольтметра.
Рисунок 3.4. Схема возникновения помех на входе цифрового вольтметра
Здесь Ес - источнике сигнала; Енв - помеха, приложенная ко входу
вольтметра (помеха нормального вида, наводки); Еов - помеха общего вида,
возникающая из-за разности потенциалов корпусов источника сигнала и вольтметра;
Ri - внутренне сопротивление источника сигнала; Rвх-входное.
уровень шум звуковой усилитель
Заключение
Итак, согласно заданию к курсовому проекту, я рассмотрела принцип работы
и построения структурной и принципиальной схем индикатора уровня шума,
удовлетворяющий всем заданным условиям.
Рассмотрела виды шума, изменение шума. А также рассмотрела и описала
методы снижения уровня шума, указала приборы для измерения уровня шума.
2. Методы снижения уровня шума
, дБ,(2.1)
, дБ(2.2)
. (2.3)
, (2.4)
, (2.5)

,