Материал: Разработка и проектирование логических схем при помощи программы ORCAD

Внимание! Если размещение файла нарушает Ваши авторские права, то обязательно сообщите нам

Разработка и проектирование логических схем при помощи программы ORCAD

Введение

В данном курсовом проекте будут описаны разновидности логических схем их разработку и проектирование при помощи программы ORCAD. Цель данной работы состоит в том, чтобы больше узнать о логических схемах и разработать схему управляющего автомата. В данной работе будут рассмотрены и описаны: схемы логических элементов, последовательностные и комбинационные схемы.

Работа логических схем основана на законах и правилах алгебры логики, которая оперирует двумя понятиями: истинности и ложности высказывания. В соответствии с такой двоичной природой высказываний условились называть их логическими двоичными переменными и обозначать 1 в случае истинности и 0 в случае ложности.

Данный курсовой проект будет начинаться с описания простых логических схем. Логической схемой называется совокупность логических электронных элементов, соединенных между собой таким образом, чтобы выполнялся заданный закон функционирования схемы, иначе говоря, - выполнялась заданная логическая функция. Далее будет описано, на какие типы подразделяются логические схемы. Логические схемы подразделяются на последовательностные и комбинационные схемы. Последовательностные схемы, у которых выходы зависят не только от текущих значений сигналов на входах, но также и от предыстории состояний этих входов, нуждаются, еще в одном типе элемента. Комбинационная схема - это схема, в которой выходные сигналы в определенный момент времени однозначно определяются совокупностью входных сигналов, поданных в тот же момент времени t. В данном случае название комбинационный обусловлено тем, что выход комбинационной схемы определяется комбинацией входных сигналов. Особенность комбинационной схемы заключается в том, что выход формируется в момент поступления входных сигналов. Это обстоятельство обуславливает высокое быстродействие данного типа схем.

Существуют тысячи серийно выпускаемых типов схем для использования в цифровой электронике. По существу, все они представляют собой интегральные схемы в широком диапазоне - от простых схем из нескольких транзисторов до весьма сложных «компьютеров на кристалле», содержащих в себе сотни тысяч транзисторов. В большинстве своем эти схемы строятся из базовых блоков двух типов - последовательностных и комбинационных.

Как для комбинационных, так и для последовательностных логических схем выходные состояния определяются двумя уровнями напряжения; названия этих состояний выбирают из следующего набора пар: высокое или низкое, истинное или ложное, включенное или выключенное, единица или нуль. Хотя используются все эти пары, последняя из них получила большее распространение. Реальные значения двух выбранных уровней напряжения в целом несущественны; важно лишь, что они должны быть легко отличимые друг от друга. Для большинства широко распространенных логических приборов, так называемых схем транзисторно-транзисторной логики, уровни напряжения между 2,5 и 5,0 вольтами считают логической единицей, а уровни от 0 до ~0,75 вольт - логическим нулем. Уровни напряжений, находящиеся между этими диапазонами, игнорируются. Следует отметить, что существует несколько семейств логических устройств, в каждом из которых приняты свои пределы значений для уровней напряжений.

В данном курсовом проекте предметами исследования являются логические схемы. Так как на протяжении всего проекта буду исследовать логические схемы, и описывать принцип разработки управляющего автомата.

Основными задачами данной работы являются: исследовать логические схемы, научиться распознавать их и рассмотреть управляющий автомат. А после того как подобрали нужный принцип, описать разработку управляющего автомата.

1. Логические схемы

.1 Логические схемы: общие сведения

Логической схемой называется совокупность логических электронных элементов, соединенных между собой таким образом, чтобы выполнялся заданный закон функционирования схемы, иначе говоря, - выполнялась заданная логическая функция. По зависимости выходного сигнала от входного все электронные логические схемы можно условно разбить на: схемы первого рода, т.е. комбинационные схемы, выходной сигнал которых зависит только от состояния входных сигналов в каждый момент времени; схемы второго рода или накапливающие схемы (схемы последовательностные), содержащие накапливающие схемы (элементы с памятью), выходной сигнал которых зависит как от входных сигналов, так и от состояния схемы в предыдущие моменты времени. По количеству входов и выходов схемы бывают: с одним входом и одним выходом, с несколькими входами и одним выходом, с одним входом и несколькими выходами, с несколькими входами и выходами. По способу осуществления синхронизации схемы бывают с внешней синхронизацией, с внутренней синхронизацией.

Практически любой компьютер состоит из комбинации схем первого и второго рода разной сложности. Таким образом, основой любого цифрового автомата, обрабатывающего цифровую информацию, являются электронные элементы двух типов: логические или комбинационные и запоминающие. Логические элементы выполняют простейшие логические операции над цифровой информацией, а запоминающие служат для ее хранения. Как известно, логическая операция состоит в преобразовании по определенным правилам входной цифровой информации в выходную. Можно считать, что элементарные логические функции являются логическими операторами упомянутых электронных элементов, т.е. схем. Каждая такая схема обозначается определенным графическим символом.

1.2 Последовательностные схемы

Схемы, у которых выходы зависят не только от текущих значений сигналов на входах, но также и от предыстории состояний этих входов, нуждаются, еще в одном типе элемента. Такого рода дополнительный элемент меняет свой выходной сигнал особым образом в зависимости от состояний на входах и может запоминать свое состояние. Этот элемент часто называют триггером, более точный термин - мультивибратор с двумя устойчивыми состояниями. На выходе мультивибратора может быть лишь одно из двух логических состояний, и это состояние будет оставаться неизменным, пока не произойдет новое событие, которое и вызовет изменение данного стабильного состояния.

Используются и другие виды мультивибраторов. В мультивибраторе только одно из выходных состояний устойчиво; при вводе внешнего сигнала это состояние может измениться, но лишь на некоторое время, по истечении которого схема возвращается в свое исходное состояние. Мультивибратор с одним устойчивым состоянием может генерировать импульсы фиксированной длительности из приходящего на вход сигнала. Не синхронизированный мультивибратор - автогенератор несинусоидальных колебаний - может быть полезен для генерации непрерывных последовательностей импульсов, или «тактовых» сигналов.

Один из наиболее распространенных типов триггеров - J-K-триггер. Этот триггер имеет J- и K-входы логических сигналов, вход тактовых сигналов, два входа управления через которые на выходе Q устанавливаются соответственно логическая единица или логический нуль независимо от других входов. Любое изменение на выходе может происходить только в связи с изменением тактовых сигналов на входе. На рисунке 1 приведены текущие состояния входов J и K, а также выхода Q, и показано, что следующее состояние Q+ появится на выходе только после прихода тактового сигнала. Данная таблица похожа на таблицы истинности для приведенных выше комбинационных схем, за исключением того, что здесь в явной форме присутствует время.

Рисунок 1 - Состояние входов J и K, а также выхода Q

Отметим, что если на входе J имеется логическая единица, а на K - логический нуль, то на выходе Q после прихода тактового сигнала установится логическая единица, причем это произойдет независимо от того, что было до прихода тактового сигнала. Если на входе J логический нуль, а на K - логическая единица, то после прихода тактового импульса на выходе Q установится логический нуль. Если на обоих входах J и K имеются логические нули, то выход Q с приходом тактового сигнала не изменится. Если же на обоих входах J и K имеются логические единицы, то после прихода тактового импульса на выходе установится значение, инверсное по отношению к тому, которое было перед приходом тактового сигнала. Эти четыре режима называют соответственно: установка, сброс, без изменений и переключательный режим.

Рассмотренные здесь базовые вентили комбинаторной логики и триггер представляют собой элементы цифровых электронных схем, используемых в широком диапазоне применений - от простых счетных устройств до сложных схем кодирования и универсальных компьютеров.

1.3 Комбинационные схемы

Не смотря на то, что комбинационные схемы могут выполнять сложные логические функции, их можно разделить на три базовые функции, из которых нетрудно получить более сложные. Первая из таких базовых функций - логическая инверсия, схема, выполняющая эту функцию, называется инвертором или инвертирующим логическим вентилем. На рисунке 2 приведен символ, используемый для инвертора, и таблица значений, получаемых на выходе при том или ином входном сигнале. Такая таблица называется таблицей истинности и служит удобным способом представления возможных характеристик вход-выход логических схем. Черточка над логической переменной указывает на логическую инверсию данной переменной. Таким образом, - это инверсия A.

Рисунок 2 - Символ инвертора и таблица значений

Вторая базовая логическая операция, выполняемая цифровыми электронными схемами, - это логическое произведение двух или большего числа входных сигналов. Такая функция известна под названием логического И, а схему называют логическим элементом И. Функция И двух или большего числа входов принимает значение логической единицы только тогда, когда все входы одновременно являются логическими единицами.

Третья логическая операция - логическая сумма, или функция ИЛИ. Различаются две ее разновидности. Функция «Включающее ИЛИ» двух логических переменных принимает значение логической единицы, когда не обе переменные, а любая из них имеет значение логической единицы. На рисунке 3 показан символ, используемый для логического элемента «Включающее ИЛИ», и приведена соответствующая таблица истинности. На рисунке 3 приведены символ и таблица истинности для логического элемента «Исключающее ИЛИ». Операция «Включающее ИЛИ» обозначается символом +, а операция «Исключающее ИЛИ» - символом Е.

Рисунок 3 - Символ и таблица истинности элемента «ИЛИ»

Используя описанные выше типы логических элементов, разработчики могут создавать системы высокой сложности, позволяющие выполнять любые логические операции над входными переменными.

Простейшим логическим элементом является инвертор, который просто изменяет значение входного сигнала на прямо противоположное значение. Его логическая функция записывается в следующем виде:

, (1.1)

где F(x) - зависимость переменной X от переменной Y;

 - переменная.

Где черта над входным значением и обозначает изменение его на противоположное. То же самое действие можно записать при помощи таблицы истинности, приведённой в таблице 1. Так как вход у этого логического элемента только один, то его таблица истинности состоит только из двух строк. логическая схема управляющий автомат

Таблица 1- Таблица истинности логического инвертора

In

Out

0

1

1

0


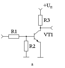
В качестве логического инвертора можно использовать обычный транзисторный усилитель с транзистором, включенном по схеме с общим эмиттером или истоком. Схема логического инвертора, выполненная на биполярном n-p-n транзисторе, приведена на рисунке 4.

Рисунок 4 - Схема простейшего логического инвертора

Схемы логических инверторов могут обладать различным временем распространения сигнала и могут работать на различные виды нагрузки. Они могут быть выполнены на одном или на нескольких транзисторах, но независимо от схемы этого логического элемента и её параметров они осуществляют одну и ту же функцию. Для того, чтобы особенности включения транзисторов не затеняли выполняемую функцию, были введены специальные обозначения для цифровых микросхем - условно-графические обозначения. Условно-графическое изображение инвертора приведено на рисунке 5.

Рисунок 5 - Условно-графическое изображение логического инвертора

Следующим простейшим логическим элементом является схема, реализующая операцию логического умножения «И»:

(x1,x2) = x1^x2, (1.2)

где F(x1,x2) - значение переменной x1, x2;

x1, x2 -переменные;

где символ ^ - обозначает функцию логического умножения.

То же самое действие можно записать при помощи таблицы истинности, приведённой в таблице 2. В формуле, приведенной выше, использовано два аргумента. Поэтому элемент, выполняющий, эту функцию имеет два входа. Такой элемент обозначается «2И». Для элемента «2И» таблица истинности будет состоять из четырех строк.

Таблица 2 - Таблица истинности схемы, выполняющей логическую функцию «2И»

In1

In2

Out

0

0

0

0

1

0

1

0

0

1

1

1

Проще всего понять, как работает логический элемент «И», при помощи схемы, построенной на идеализированных ключах с электронным управлением, как это показано на рисунке 6. В этой схеме ток будет протекать только тогда, когда оба ключа будут замкнуты, а значит, единичный уровень на выходе схемы появится только при двух логических единицах на входе.

Рисунок 6 - Принципиальная схема, реализующая логическую функцию «2И»

Условно-графическое изображение схемы, выполняющей логическую функцию «2И», на принципиальных схемах приведено на рисунке 7, и с этого момента схемы, выполняющие функцию «И» будут приводиться именно в таком виде. Это изображение не зависит от конкретной принципиальной схемы устройства, реализующей функцию логического умножения.

Рисунок 7 - Условно-графическое изображение схемы, выполняющей логическую функцию «2И»

Точно так же описывается и функция логического умножения трёх переменных:

F(x1,x2,x3)=x1^x2^x3, (1.3)

где F(x1, x2, x3) - значение переменных;

x1, x2, x3, - переменные.

Её таблица истинности будет содержать уже восемь строк. Таблица истинности трёх входовой схемы логического умножения «3И» приведена в таблице 3, а условно-графическое изображение на рисунке 8. В схеме же, построенной по принципу схемы, приведённой на рисунке 6, придётся добавить третий ключ.

Таблица 3 - Таблица истинности схемы, выполняющей логическую функцию «3И»

In1

In2

In3

Out

0

0

0

0

0

0

1

0

0

1

0

0

0

1

1

0

1

0

0

0

1

0

1

0

1

1

0

0

1

1

1

1


Рисунок 8 - Условно-графическое изображение схемы, выполняющей логическую функцию «3И»

Логический элемент «ИЛИ»

Следующим простейшим логическим элементом является схема, реализующая операцию логического умножения «И»:

(x1,x2) = x1Vx2, (1.4)

где F(x1, x2) - значение переменных;

x1, x2 - переменные;

где символ V обозначает функцию логического сложения.

То же самое действие можно записать при помощи таблицы истинности, приведённой в таблице 4. В формуле, приведенной выше использовано два аргумента. Поэтому логический элемент, выполняющий эту функцию имеет два входа. Такой элемент обозначается «2ИЛИ». Для элемента «2ИЛИ» таблица истинности будет состоять из четырех строк.

Таблица 4 - Таблица истинности схемы, выполняющей логическую функцию «2ИЛИ»

In1

In2

Out

0

0

0

0

1

1

1

0

1

1

1


Как и в случае, рассмотренном для схемы логического умножения, воспользуемся для реализации схемы «2ИЛИ» ключами. На этот раз соединим ключи параллельно. Схема, реализующая таблицу истинности 4, приведена на рисунке 9. Как видно из приведённой схемы, уровень логической единицы появится на её выходе, как только будет замкнут любой из ключей, то есть схема реализует таблицу истинности, приведённую в таблице 4.

Рисунок 9 - Принципиальная схема, реализующая логическую функцию «2ИЛИ»

Так как функция логического суммирования может быть реализована различными принципиальными схемами, то для обозначения этой функции на принципиальных схемах используется специальный символ «1», как это приведено на рисунке 10.

Рисунок 10 - Условно - графическое изображение функции суммирования

2. Разработка схемы управляющего автомата

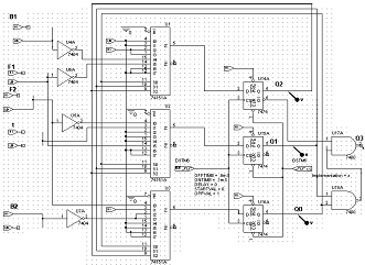
Схема управляющего автомата выглядит следующим образом:

Рисунок 11 - Схема управляющего автомата.

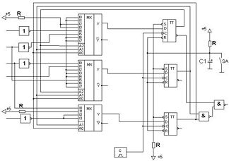
Составление модели в OrCAD на основе полученных упрощенных выражений.

Рисунок 12 - Схема управляющего автомата при моделировании.

2.1 Выбор элементной базы

С учётом промышленного назначения проектируемого автомата целесообразно использовать транзисторно-транзисторную логику (для простоты коммутации - так как часть входных сигналов задается уровнем Транзисторно-транзисторной логики (b1) при напряжении питания 12 В).

Для реализации автомата потребуются микросхемы: два 8-входовых мультиплексора (74151А), один 4-входовый мультиплексор, три D-триггера с дополнительными входами установки и сброса (7474), четыре элемента НЕ (7404), два элемента И-НЕ (7400). Также в состав автомата входят некоторые другие микросхемы, которые будут рассмотрены при разработке соответствующих функциональных блоков.

Выбираем следующие элементы:

          3 D-триггера КР1533ТМ2 (2 триггера в одном корпусе)

          4 логических элементов НЕ - КР1522ЛН1 (6 эл. в 1 корпусе)

          2 логических элементов 2И-НЕ - КР1533ЛА3 (4 эл. в 1 корпусе)

          2 8-входовых мультиплексора

          1 4-входовый мультиплексор

2.2 Выбор аналоговых элементов

Светодиоды VD1,VD2-АЛ307БМ.

Таблица 5 - общие сведения о данных светодиодов

Тип Светодиода

Цвет Свечения

Сила света, мкд, не более

Пост. пр. напряжение В, не более

Iпр,мА

Iпрmax,мА

АЛ307БМ

Красный

0.9

2,0

10

20


Светодиод VD3-АЛ119А.

Общие сведения:

Постоянное переменное напряжение (Uпр) В, не более 3,прямой ток мА 300,

Электролампа (60 Вт, 127 В).

Датчик освещенности выбираем из условия, что измерения будут производиться в диапазоне от 50 до 200лк.

Датчик два позволяет измерять действующее значение освещенности и в зависимости от этого формирует выходное напряжение. Внешний вид датчика приведен на рисунке 13.

Рисунок 13 - Внешний вид датчика освещенности

Таблица 6 - характеристики и параметры датчика освещенности

Характеристика

Параметры

Диапазон измеряемой освещенности

От 10 люкс до 1500 люкс

Выходное напряжение датчика

От 0 В до 5 В

Напряжение питания

Постоянное 12 В ±10%

Потребляемый ток

Не более 12 мА


Датчик устанавливается в разъём RJ-11. Внешний вид разъёма приведен на Рисунок 14.

Рисунок 14 - Внешний вид разъёма RJ-11

Таблица 7 - назначение контактов разъема RJ-11

Контакт

Рекомендуемая цветовая маркировка

Назначение

1

2

3

1

оранжевый

2

-

-

3

синий и бело-синий

выход

4

бело-оранжевый

«общий»



Заключение

В ходе выполнения данного курсового проекта были изучены логические схемы, их разновидности и описан принцип проектирования управляющего автомата. Разобрали пример разработки управляющего автомата и спроектировали его. Таким образом, все поставленные цели были освоены, задачи - раскрыты и достигнуты.

В результате исследования отметим, что логические схемы это совокупность логических элементов, соединенных между собой для того чтобы выполнялась заданная логическая функция. А также стало известно на какие виды подразделяются логические схемы - это последовательностные у которых выходы зависят не только от значений сигналов на входах, но также и от предыстории состояний этих входов, нуждаются, еще в одном типе элемента, и комбинационные схемы - это схемы, в которых выходные сигналы в определенный момент времени однозначно определяются совокупностью входных сигналов, поданных в тот же момент времени t.

Простые логические схемы могут входить в состав более сложной цифровой комбинационной схемы или схемы с памятью. Как самостоятельные части схемы, логические элементы могут применяться в качестве управляющей логики какого-либо устройства, а также в качестве генератора прямоугольных импульсов с подключённой ёмкостью или кварцевым резонатором. В качестве комбинационных схем логические элементы используются в составе микросхем БИС и СБИС, а также в дешифраторах и шифраторах, выполненных в виде отдельных микросхем. Также, логические элементы могут входить в состав схем с памятью (триггеры, регистры, счётчики и т.д.), выполненных в виде отдельной микросхемы или в составе других микросхем.

В процессе работы над данным курсовым проектом я понял, как устроены логические схемы и разобрал один из принципов разработки управляющего автомата. Знание этого мне позволило лучше понимать работу логических схем, оценивать все их плюсы и минусы.

Список использованных источников

1.   Бобровников Л. З. Радиотехника и электроника. М. Недра, 2007 г.

2.   Быстров Ю.А., Мироненко И.Г. Электронные цепи и схемотехника. - М.: Высшая школа. 2008. - 384 с.

3.   Гусев В.Г., Гусев Ю.М. Электроники и микропроцессорная техника. - М.: Высшая школа. 2009. - 790 с.

4.       Гутников В. С. Интегральная электроника в измерительных приборах. Л. Энергия, 2007 г.

.         Дубровский В.В., Иванов Д.М. Резисторы: Справочник. - М.: Радио и связь2009. - 528 с.

.         Нефёдов В. И. Основы радиоэлектроники. М. Высшая школа, 2006 г.

.         Титце У., Шенк К. Полупроводниковая схемотехника: Справочное руководство. - М.: Мир. 2007. - 512 с.

.         Якубовский С.В., Ниссельсон Л.И., и др. Цифровые и аналоговые микросхемы: Справочник. - М.: Радио и связь. 2008. - 496 с.

.         Ямпольский В. С. Основы автоматики и вычислительной техники. М. Просвещение2008г.

10. Логический элемент//digteh[Электронный ресурс]. - М.: 2013. - Режим доступа:#"804354.files/image019.gif">


Не нашли материал для своей работы?
Поможем написать уникальную работу Без плагиата!