Материал: Расчет усилительного каскада с общим эмиттером

Внимание! Если размещение файла нарушает Ваши авторские права, то обязательно сообщите нам

Решаем совместно (1) и (3). Для этого через семейство выходных характеристик транзистора (рис. 7) проводим через точку покоя линию нагрузки по переменному току АОВ в соответствии с выражением (3). Поскольку RK > (RK + RН)/( RK RН), прямая АОВ идет круче линии нагрузки по постоянному току.

При увеличении iб рабочая точка каскада кэ, iк) перемещается вверх по прямой ОА, ток iк растет, икЭ падает. При уменьшении тока базы рабочая точка перемещается по прямой ОВ, ток iк падает, икэ растет. Прямая АОВ - это траектория рабочей точки каскада

Графический анализ позволяет учесть нелинейность характеристик транзистора, дает возможность рассматривать действие любых сигналов в любом классе усиления. Недостатком его являются громоздкость и невозможность выбора параметров элементов каскада по заданным требованиям. Главное достоинство графического анализа - наглядное представление о работе каскада как о схеме с нелинейным элементом.

2. Практическая часть

.1 Предварительные данные для расчета усилительного каскада

1.      Сопротивление нагрузки Rн = 0,3 кОм

2.      Амплитуда напряжения на нагрузке Uнm = 2,8 В

.        Нижний уровень частоты входного сигнала fн = 100 Гц

.        Верхний уровень частоты входного сигнала fв = 6 МГц

.        Внутренне сопротивление источника синусоидального входного сигнала Rг = 5 кОм

.        Рабочая температура транзистора t0р = 25

.        Максимальная рабочая температура транзистора t0рm = 40

.        Коэффициент частотных искажений на низких частотах Мн = 1,4 дБ

.        Коэффициент частотных искажений на высоких частотах Мв = 1,4 дБ

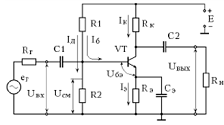
Рис. 8. Усилительный каскад с ОЭ.

.2 Выбор типа транзистора

Осуществим выбор транзистора по следующим параметрам:

1.       Мощность, рассеиваемая на коллекторе Рк.

2.      Граничная частота передачи тока базы fг ≥ fв.

Определим мощность рассеивания на коллекторе:

Рк = 8 * к1 * Рн = 8 * к1 * Uн2 / Rн;

где к1 = 1,1.

Рк = 8 * 1,1 * 282 / 300 = 22,99 Вт.

Определим граничную частоту передачи тока базы:

Граничная частота передачи тока базы fβ должна более чем в пять раз превышать заданную верхнюю частоту усилителя fВ: fг > 5fВ, fВ = 6 МГц, тогда fг > 30 МГц. Предложенная схема усилительного каскада предполагает тип транзистора n-р-n. Полученным параметрам Рк = 22,99 Вт и fг = 30 МГц удовлетворяет транзистор КТ601А.

.3 Выбор режима работы транзистора по постоянному току и расчет номиналов элементов усилителя

Допущения:

1.       Усилительный каскад работает в статическом режиме А.

2.      Сопротивление источника колебаний Rг во много раз больше входного сопротивления Rвх транзистора, т.е. источник работает как генератор тока. Нелинейность сопротивления Rвх не учитывается, т.к. свойства входной цепи определяются сопротивлением Rг . Сопротивление Rг линейно. Входной, выходной токи синусоидальны и выходное напряжение синусоидальны. Усиление происходит с малыми нелинейными искажениями.

.        Сопротивление нагрузки во много раз меньше выходного сопротивления транзистора Rн << Rвых.

.        Сопротивление нагрузки одинаково для постоянного и переменного тока.

·        Рассчитаем сопротивление резистора в цепи коллектора транзистора:

Rк = (1 + КR) Rн= (1 + 1,1)·300 = 630 (Ом).

Принимаем, что Rк = 630Ом. От величины этого резистора зависит коэффициент усиления каскада по переменному току.

·        Определим эквивалентное сопротивление нагрузки каскада:


·        Найдем амплитуду коллекторного тока:


·        Рассчитаем ток покоя транзистора:

3 - коэффициент запаса,

k3 =0,7÷0,95

Принимаем = 16 (мА).

·      Определим минимальное напряжение коллектор - эмиттер в рабочей точке транзистора:


где Uкост - напряжение коллектор-эмиттер, соответствующее области начальных участков выходных ВАХ транзистора (обычно принимается равным 1В).

Т.к.  меньше типового значения , принимаем

·        Рассчитываем напряжение источника питания:

Пусть

·        Определяем сопротивление резистора:

Пусть

На выходных характеристиках транзистора построим нагрузочную прямую по постоянному току по точка М и N. В точке М ток Iк=0. А поскольку для выходной цепи транзистора справедливо уравнение Ек = Uк + Iк (Rк+ Rэ)то при Iк=0 получаем Ек = Uк = 30В. Из этого же равенства в точке N, где Uк = 0, получаем Ек = Iк (Rк+ Rэ) или Iк = Ек / (Rк+ Rэ) = 30 / (630 + 187,5) = 37*10-3(А) = 37(мА).

Рис. 9. Нагрузочная прямая усилительного каскада по постоянному току.

Соединяя эти точки прямой, получаем линию нагрузки (рабочую характеристику). На ней выбираем рабочий участок. Например, для получения большой выходной мощности следует взять рабочий участок АБ. На рисунке заштрихован треугольник полезной мощности . Его гипотенузой является рабочий участок АБ, а катетами соответственно двойные амплитуды тока 2 Iкmax и напряжения 2 Uк-эmax. Из графика 2 Iкmax = 35 мА и 2 Uк-эmax = 28 В. Откуда Iкmax = 17,5 мА и Uк-эmax = 14 В.

На рабочей характеристике наносим рабочую точку Т так, чтобы она находилась примерно посредине участка АБ и обеспечивала вышеуказанные амплитуды тока и напряжения. Тогда ее координаты равны:

кп = Iкmax + Iкб0 = 17,5 + 0,2 = 17,7 (мА)кэп = Uк-эmax + UкэНЛ = 14 + 1 = 15 (В).

где UкэНЛ - напряжение нелинейных участков выходных характеристик, принимаемое равным 1 В;кб0 - коллекторный ток при нулевом токе базы, принимаемый равным о,2 мА.

На этом же графике видно, что 2I = 375мкА.

Следовательно, ток базы покоя равен Iбп = 187,5мкА. Рассчитаем мощность в точке покоя транзистора:


Определим максимальную допустимую мощность рассеивания на коллекторе транзистора. В табл. 1. находим для выбранного транзистора:

Таблица 1

Структура

fгр, МГц

Ркmax, Вт

Iкmax, мА

Iкб0, мкА

U кб0, В

U кэ0, В

h21Э

КТ206А

n-р-n

10

0,015

20

1

20

20

30-90

КТ301

n-р-n

20

0,15

10

10

20

20

20-60

КТ315А

n-р-n

250

0,15

100

0,5

25

25

20-90

КТ503А

n-р-n

5

0,350

150

1

40

25

40-120

КТ601А

n-р-n

40

0,5

30

50

100

100

216

КТ704А

n-р-n

1

15

2500



500

10-100

КТ801А

n-р-n

2

5

2000

10

80

80

15-50

КТ902А

35

30

5000

10

65

110

15

КТ817А

n-р-n

3

25

3000

100

40

40

25

КТ815А

n-р-n

3

10

1500

50

40

30

40



Тогда : Ркдоп = IкдопUк-эдоп = 30·10-3·100 = 3000·10-3 (Вт) = 3 (Вт)

Определим наибольшую мощность рассеивания транзистора при максимальной рабочей температуре:


где t0пmax - максимальная температура перехода транзистора;0рm - рабочая температура транзистора0рm - максимальная рабочая температура транзистора.

, следовательно, транзистор выбран правильно.

Ток покоя базы Iбп найден ранее. Определим напряжение база-эмиттер в режиме покоя Uб-эп . Для этого найдем рабочий интервал А1Б1 и рабочую точку Т1 на входной характеристике, перенеся точки А, Б и Т на входную характеристику и получив точки А1Б1 и Т1 (рис. 3).

Из графика следует 2Umб-э = 0,34 В, Umб-э = 0,17 В и Uб-эп = 0,85 В.

Рассчитаем сопротивления базового делителя R1, R2. Для этого определим ток базового делителя :

д = (5÷10) Iбп .

Пусть Iд = 5 Iбп = 5·150·10-6 = 0,75·10-3 (А)

Рис. 10. Входная характеристика транзистора с рабочей точкой и рабочим интервалом.

Рассчитаем сопротивление резистора базового делителя R2:


Найдем сопротивление резистора базового делителя R1:


Найдем входное сопротивление каскада Rвх. Для этого определим параметр h11Э.и эквивалентное сопротивление базового делителя RД. По приращениям ΔIб, ΔUб-э на входной характеристике транзистора между точками Т1 и А1 при постоянном напряжении Uк-э найдем:

h11Э = ΔUб-э / ΔIб = 0,1 / 0,195·10-3 = 512,8 (Ом).

Найдем эквивалентное сопротивление базового делителя RД:


Найдем входное сопротивление каскада:


Рассчитаем выходное сопротивление каскада:

Заключение

Свойства усилителей во многом определяются областью их применения. Чтобы судить о возможности использования конкретного усилителя в том или ином электронном устройстве, необходимо знать его основные параметры, такие как коэффициент усиления, выходная мощность, чувствительность, диапазон усиливаемых частот, входное и выходное сопротивление и другие.

Промышленность выпускает сотни типов операционных усилителей, которые обладают различными преимуществами друг перед другом и позволяют строить различные схемы усилителей. Кроме того, усилители представляют собой миниатюрные электронные блоки. Выпускаются также специализированные интегральные усилители.

Все это позволило не только повысить надежность электронных изделий, снизить энергопотребление (возможность использования в портативных и переносных изделиях), но и создавать устройства с высококачественным звучанием и большой функциональной насыщенностью.

Список использованной литературы

1. Гусев В.Г., Гусев Ю.М. Электроника и микропроцессорная техника. Учеб. для вузов.- 4-е издание. - М.: Высшая школа, 2006 г.

2. Жаворонков М.А., Кузин А.В. Электротехника и электроника: учебное пособие для вузов - М.: Академия, 2012 г.

. Полещук В.И. Задачник по электротехнике и электронике: учебное пособие для студентов - М.: Академия, 2006 г.

. Антипов Б.Л. и др. Материалы электронной техники: задачи и вопросы: учебник для вузов - СПб: Лань, 2011 г.

. Ференец А.В., Хайруллина Г.С. Применение программы EWB для моделирования аналоговых устройств электроники: учебное пособие - Казань: из-во КГТУ, 2004 г.

. Опадчий Ю.Ф. Аналоговая и цифровая электроника (Полный курс): Учеб. для вузов/ -М.: Горячая Линия - Телеком, 2009 г.

. Прянишников В.А. Электроника. Полный курс лекций/ -4-е изд. -СПб: "КОРОНА- Принт", 2004 г.

. Титце У., Шенк К. Полупроводниковая схемотехника. Справочное руководство. Пер. с нем. - М.: Мир, 1982 г.

. Волович Г.И. Схемотехника аналоговых и аналого-цифровых электронных устройств. - М.: Изд. Дом "Додэка-XXI", 2005 г.

. Лачин В.И., Савелов Н.С. Электроника. Учеб. Пособие. - 4-е изд. перераб. и доп. - Ростов н/Д. Изд-во "Феникс", 2009 г.