Материал: Расчет усилительного каскада с общим эмиттером

Внимание! Если размещение файла нарушает Ваши авторские права, то обязательно сообщите нам

Расчет усилительного каскада с общим эмиттером













ПОЯСНИТЕЛЬНАЯ ЗАПИСКА

к курсовой работе

по дисциплине "Электротехника, электроника и схемотехника"

на тему: Расчет усилительного каскада с общим эмиттером

Содержание

Введение

. Теоретическая часть

.1 Общие понятия

.2 Режим покоя в каскаде с общим эмиттером

. Практическая часть

.1 Предварительные данные для расчета усилительного каскада

.2 Выбор типа транзистора

2.3 Выбор режима работы транзистора по постоянному току и расчет номиналов элементов усилителя

Заключение

Список использованной литературы

Введение

В современной электронике все большая роль отводится использованию достижений цифровой и (в несколько меньшей мере) аналоговой микросхемотехники. Устройства на микросхемах (более того, иногда только на микросхемах) стали проникать даже в те области, где ранее никому не приходило в голову их использовать из-за явно большей себестоимости по сравнению с простейшими транзисторными цепочками (различные датчики, игрушки, бытовые и промышленные индикаторы и сигнализаторы и т.п.). Несмотря на это все еще остаются сферы, где применение дискретных элементов по-прежнему популярно, а иногда и неизбежно. Кроме того, знание способов включения и режимов работы транзисторов, а также методик построения и анализа транзисторных схем является обязательным для любого инженера - электронщика, даже если ему и не приходится в реальной жизни проектировать схемы на дискретных элементах (ведь современные микросхемы - суть транзисторные схемы, помещенные в один общий корпус с внешними выводами).

1.      Теоретическая часть

.1 Общие понятия

Усилителями называются устройства, в которых сравнительно маломощный входной сигнал управляет передачей значительно большей мощности из источника питания в нагрузку. Наибольшее распространение получили усилители, построенные на полупроводниковых усилительных элементах (биполярных и полевых транзисторах); в последние годы усилители преимущественно используются в виде готовых неделимых компонентов - усилительных ИМС. Простейшая ячейка, позволяющая осуществить усиление, называется усилительным каскадом.

Электрические сигналы, подаваемые на вход усилителей, могут быть чрезвычайно разнообразны; это могут быть непрерывно изменяющиеся величины, в частности гармонические колебания, однополярные или двухполярные импульсы. Как правило, эти сигналы пропорциональны определенным физическим величинам. В установившихся режимах многие физические величины постоянны либо изменяются весьма медленно (напряжение и частота сети, частота вращения двигателя, напор воды на гидроэлектростанции). В переходных и особенно аварийных режимах те же величины могут изменяться в течение малых промежутков времени. Поэтому усилитель должен обладать способностью усиливать как переменные, так и постоянные или медленно изменяющиеся величины. Такие усилители являются наиболее универсальными и распространенными. По традиции их называют усилителями постоянного тока (УПТ), хотя такое название и не вполне точно: УПТ усиливают не только постоянную, но и переменную составляющую {приращения сигнала) и в подавляющем большинстве случаев они являются усилителями напряжения, а не тока. В УПТ нельзя связывать источник и приемник сигнала через трансформаторы и конденсаторы, которые не пропускают постоянной составляющий сигнала. Это условие вызывает некоторые трудности при создании УПТ, с которыми мы познакомимся ниже, но оно же обусловило еще большее распространение УПТ с появлением микроэлектроники: УПТ не содержат элементов, выполнение которых в составе ИМС невозможно (трансформаторы и конденсаторы большой емкости).

Анализируя возможность использования биполярных транзисторов для усиления электрических сигналов, мы ограничивались только одним частным случаем подачи на электроды транзистора определенных напряжений и не рассматривали некоторые достаточно важные физические процессы в полупроводнике. Но помимо уже описанной ситуации возможны и другие, приводящие, например, к протеканию в n-p-n-структуре тока не от коллектора к эмиттеру, а, наоборот, от эмиттера к коллектору и т.п. В общем случае для биполярноголярного транзистора возможны четыре устойчивых состояния (режима). Они отличаются друг от друга тем, в каком состоянии (прямое или обратное смещение) находятся эмиттерный и коллекторный переходы транзистора. Приведем их полное описание.

Активный режим - соответствует случаю, рассмотренному при анализе усилительных свойств транзистора. В этом режиме прямосмещенным оказывается эмиттерный переход, а на коллекторном присутствует обратное напряжение, именно в активном режиме транзистор наилучшим образом проявляет свои усилительные свойства. Поэтому часто такой режим называют основным или нормальным.

Инверсный режим - полностью противоположен активному режиму, т.е. обратносмещенным является эмиттерный переход, а прямосмещенным - коллекторный. В таком режиме транзистор также может использоваться для усиления. Однако из-за конструктивных различий между областями коллектора и эмиттера усилительные свойства транзистора в инверсном режиме проявляются гораздо хуже, чем в режиме активном. Поэтому на практике инверсный режим практически не используется.

Режим насыщения (режим двойной инжекции) - оба перехода транзистора находятся под прямым смещением. В этомом случае выходной ток транзистора не может управлять его входным током, т.е. усиление сигналов невозможно. Режим насыщения используется в ключевых схемах, где в задачу транзисторов входит не усиление сигналов, а замыкание/размыкание разнообразных электрических цепей.

Режим отсечки - к обоим переходам подведены обратные напряжения. Такой режим также используется в ключевых схемах. Поскольку в нем выходной ток транзистора практически равен нулю, то он соответствует размыканию транзисторного ключа. Заметим, что кроме названных основных рабочих режимов в транзисторе возможен режим пробоя на различных переходах. Обычно он возникает только в случае аварии и не используется в работе, однако существуют специальные лавинные биполярные транзисторы, в которых режим пробоя является как раз основным рабочим режимом.

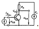
Для того чтобы рассмотреть принцип действия простейшего усилительного каскада, включенного по схеме с общим эмиттером (ОЭ), рассмотрим схему с транзистором n-р-n -типа, представленную на рис. 1.

биполярный транзистор усилительный резистор

Рис. 1. Простейшая схема включения транзистора с ОЭ.

Источник напряжения Ек >> Uкэн, где Uкэн - обозначено на выходной характеристике транзистора (рис. 2.), связан с коллекторным электродом транзистора через сопротивление нагрузки Rк. Входной сигнал подается на базу транзистора (напряжение ибэ и ток iб). Построим зависимость Uкэ f(Uбэ)> называемую передаточной характеристикой каскада.

 

Рис. 2. Выходные характеристики биполярного транзистора с ОЭ.

При увеличении напряжения ибэ растет ток iБ (см. входную характеристику транзистора рис. 3 при икэ ≥ Uкэн), растет и ток коллектора: iK =(β+1)IКБ0 + β iб..

Рис. 3. Входные характеристики биполярного транзистора с ОЭ.

В результате увеличивается падение напряжения на резисторе Rк, уменьшается напряжение икэ = Ек - iк R (рис. 4). При достижении напряжения икэ = Uкэн дальнейшее увеличение ибэ не вызывает изменений напряжения икэ и тока iк, протекающего через резистор Rк. В этом режиме к Rк приложено напряжение Ек - Uкэн , и поэтому ток коллектора iк = Iкн =( Ек - Uкэн)/ Rк .

Рассмотрение передаточной характеристики каскада показывает, что при изменении напряжения ибэ или тока iБ в цепи маломощного источника сигнала можно изменить ток iк и напряжение икэ в цепи более мощного источника Ек. Однако коллекторное напряжение можно изменять лишь в пределах Uкэникэ ≤ Ек, а ток - в пределах IКБоiкэ ≤ (Ек - Uкэн)/ Rк (участок 11 на передаточной характеристике). При отрицательных ибэ и на участке 1 через транзистор протекает только малый неуправляемый ток коллекторного перехода, а на участке 111 икэ = Uкэн и транзистор теряет свойства усилительного элемента. Еще один вывод, который можно сделать из анализа передаточной характеристики рассмотренного усилительного каскада: при увеличении ибэ (участок II) икэ уменьшается. Усилитель, в котором приращение выходного сигнала противоположно по знаку приращению входного сигнала, называется инвертирующим.

Передаточная характеристика каскада позволяет нам рассмотреть различные способы работы каскада, называемые классами усиления.

На рис. 4 показаны произвольный двухполярный входной сигнал uвх(t) и форма кривой напряжения на коллекторе икэ (t) в различных режимах (классах усиления). При работе в классе усиления В ибэ = ивх. Нелинейность передаточной характеристики каскада приводит к тому, что в классе В на выход передается сигнал только одной полярности: ивх > 0. Класс В в рассмотренном простейшем каскаде можно использовать только для передачи не столь часто встречающихся однополярных сигналов. При передаче двухполярного напряжения форма его искажается, часть информации безвозвратно теряется.

Рис. 4. Передаточная характеристика транзисторного каскада с ОЭ

При работе в классе усиления А на вход усилителя одновременно со входным сигналом uBX(t) подается также постоянное напряжение смещения, так что ибэ = ивх + Uсм(см. временные диаграммы сигналов на рис. 4). Благодаря смещению в кривой напряжения ибэ(t) входной сигнал воспроизводится полностью, практически без искажений формы, так как значения ибэ постоянно соответствуют участку 11 передаточной характеристики. Режим работы усилителя, когда включены источники питания и подано смещение, но ивх= 0, называется режимом покоя. В этом режиме ибэ = Uбэп и iб = Iбп, а икэ = Uкэп. При приложении отрицательного (или положительного) напряжения ивх уменьшатся (или соответственно увеличатся) токи iб и iк и падение напряжения на Rк, в результате увеличится (уменьшится) напряжение

икэ = Uкэп + Δ Uкэ

где Δ Uкэ = ивых - полезный эффект усиления.

При работе в ключевом режиме (режим большого сигнала) изменение входного напряжения захватывает участки 1 - 111 передаточной характеристики (см. временные диаграммы на рис. 4). Форма передаваемого сигнала искажается (ограничивается его амплитуда). Подобный режим работы каскада находит широкое применение в импульсной технике при передаче импульсов прямоугольной формы, где ограничение амплитуды импульсов несущественно.

Выбор класса усиления и выбор режима покоя определяет не только форму передаваемого сигнала, но и мощность потерь, вызывающую нагрев транзистора:


На диаграммах рис. пунктиром изображена зависимость мощности Рк в режиме покоя от напряжения смещения Uбэп Эта зависимость показывает, что выбор Uбэп в середине участка 11 передаточной характеристики каскада соответствует максимальным потерям мощности в транзисторе.

1.2    Режим покоя в каскаде с общим эмиттером

Выделение режима покоя при анализе электронных схем является одним из типовых приемов схемотехнической электроники. Продолжим рассмотрение каскада с ОЭ в наиболее распространенном классе усиления - классе А.

Схема каскада приведена на рис. 5; вначале будем рассматривать упрощенный вариант каскада при RЭ = 0. Схема содержит знакомые нам компоненты: усилительный элемент- транзистор, источник питания Ек. сопротивление коллекторной нагрузки Rк. На схеме появилось сопротивление коллекторной нагрузки RHt к которому приложено напряжение ивых, а входная цепь условно представлена в виде последовательного включения двух источников напряжения ивх и Uсм.

На рис. 6 представлены временные диаграммы напряжений и токов в каскаде с ОЭ. При ивх = 0 в режиме покоя через транзистор протекают постоянные токи IБп, IКп, IЭп и к базе и коллектору транзистора приложены постоянные напряжения UБЭп и UБЭп ≠ 0.

Рис. 5. Каскад с ОЭ

Рис. 6. Временные диаграммы токов и напряжений в каскаде с ОЭ

Для того чтобы в режиме покоя Uвых = 0, в цепь нагрузки RН необходимо ввести источник постоянного компенсирующего напряжения Uком п = UКЭп. При приложении входного напряжения токи и напряжения в транзисторе получают приращения UБЭ = ивх, ΔIк, ΔIЭ, ΔUКЭ =Uвых, которые показаны на рис. 6 для входного сигнала произвольной формы. Мгновенные значения токов и напряжений в транзисторе могут быть найдены с помощью графического метода, который является одним из эффективных средств анализа нелинейных цепей.

В схеме рис. 5 имеется лишь один нелинейный элемент- транзистор; связь токов и напряжений в транзисторе представлена его ВАХ (см. рис. 1), в частности его выходными характеристиками

Iк = f(икэ) при IБ = const (1)

При графическом анализе линейная часть схемы описывается уравнением в тех же координатах (iк, икэ).

Рассмотрим режим покоя. Допустим, что в цепь нагрузки включен источник компенсирующего напряжения Uкомп = UКЭ п. Тогда в режиме покоя ток в нагрузочную цепь (Rн, Uкомп) не ответвляется и уравнение линейной части схемы записывается в виде

 

iк = (Ек - икэп)/Rк (2)

Решаем систему уравнений (1), (2) графически, для этого через семейство выходных характеристик транзистора (рис. 7) проводим линию нагрузки по постоянному току, описываемую (2). Из (2) находим, что при iк = 0, икэ = Ек и при iк = Ек/Rк. Через две найденные точки проводим прямую линию. Зададим ток базы в режиме покоя IБп, тогда пересечение линии нагрузки по постоянному току с выходной характеристикой транзистора при iБ = IБп будет соответствовать решению системы уравнений (1), (2)-точке покоя 0 (UКЭ п, IКп).



Рис. 7. Графический расчет каскада с ОЭ:

Графический анализ каскада при наличии входного сигнала производится аналогично. Рассмотрим контур прохождения тока ΔIк через линейную часть схемы. Этот ток может пройти через RK и ЕК, а также через Uкомп и Rн. Поскольку сопротивление источников постоянного напряжения для приращений тока (т. е. их сопротивление для переменной составляющей тока) равно нулю, уравнение линейной части схемы имеет вид

ΔIк = ΔUкэ(RK + RН)/( RK RН)          (3)