Материал: Расчет статически неопределимых стержневых систем. Построение эпюр перерезывающих сил, изгибающих моментов и подбор сечений балок при изгибе

Внимание! Если размещение файла нарушает Ваши авторские права, то обязательно сообщите нам

Изгибающий момент на этом участке изменяется по параболе:

;

где  и .

На втором участке x2 изменяется в пределах . Перерезывающая сила на этом участке изменяется линейно:

,

где и .

Изгибающий момент на этом участке изменяется по параболе:

;

где и .

Эпюра  пересекает ось Х, меняя знак с "-" на "+" слева на право, значит в этой точке будет минимум значения на эпюре М . Найдем значение координаты , при котором .


Найдем минимальное значение изгибающего момента

На третьем участке x3 изменяется в пределах . Перерезывающая сила на этом участке постоянна: . Изгибающий момент на этом участке изменяется линейно:

;

где и .


Подбор поперечного сечения по нормальным напряжениям

Абсолютная величина максимального изгибающего момента равна 65 кНм. Тогда необходимый момент сопротивления


Момент сопротивления прямоугольника относительно нейтральной оси равен


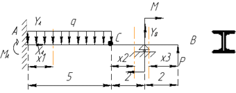
Задача 3. Двутавровая балка


Исходные данные

1

2

M

кН/м

кН/м

кН/м

МПа

10

5

30

160



Для определения Q и M в любом сечении балки необходимо знать все внешние силы, действующие на балку, т.е. приложенные нагрузки и опорные реакции.

Определим неизвестные реакции опор, используя уравнения равновесия статики.



Для проверки составим уравнение статики, не использованное при расчете реакций, например, сумму проекций всех сил на ось Y:


На первом участке x1 изменяется в пределах . Перерезывающая сила на этом участке изменяется линейно:

,

где и .

Изгибающий момент на этом участке изменяется по параболе:


Эпюра  пересекает ось Х, меняя знак с "+" на "-" слева на право, значит в этой точке будет максимум значения на эпюре М. Найдем значение координаты , при котором .


Найдем максимальное значение изгибающего момента

На втором участке x2 изменяется в пределах . Перерезывающая сила на этом участке постоянна: . Изгибающий момент на этом участке изменяется линейно:

;

где и .

На третьем участке x3 изменяется в пределах . Перерезывающая сила на третьем участке изменяется линейно:

;

где и. Изгибающий момент на этом участке изменяется по параболе:

;

где и .


Подбор поперечного сечения по нормальным напряжениям

Абсолютная величина максимального изгибающего момента равна 31,25 кНм. Тогда необходимый момент сопротивления


Исходя из таблицы стандартов ГОСТ 8239-89, выбираем двутавр № 20а ().

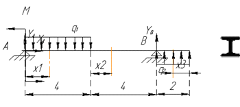
Задача 4. Швеллер двойной


Исходные данные

M




кН/м

кН/м

кН/м

МПа

10

5

30

160



Для определения Q и M в любом сечении балки необходимо знать все внешние силы, действующие на балку, т.е. приложенные нагрузки и опорные реакции. Статика позволяет написать только 3 уравнения равновесия. Четвертое уравнение составим из условия, что шарнир С по свойству конструкции не может передать момента, так как не препятствует повороту одной части балки АС относительно другой СВ. Следовательно, сумма моментов относительно точки С сил, приложенных слева или справа от шарнира, равняется нулю.

;

Для проверки составим уравнение статики, не использованное при расчете реакций, например, сумму проекций всех сил на ось Y:


На первом участке x1 изменяется в пределах . Перерезывающая сила на этом участке изменяется линейно:

;

где и .

Изгибающий момент на этом участке изменяется по параболе

;

где  и .

Эпюра  пересекает ось Х, меняя знак с "+" на "-" слева на право, значит в этой точке будет максимум значения на эпюре М. Найдем значение координаты , при котором .


Найдем максимальное значение изгибающего момента

На втором участке x2 изменяется в пределах . Перерезывающая сила на этом участке постоянна:

.

Изгибающий момент на этом участке изменяется линейно:

;

где и .

На третьем участке x3 изменяется в пределах . Перерезывающая сила на этом участке постоянна:

.

Изгибающий момент на этом участке изменяется линейно:

;

где и .


Подбор поперечного сечения по нормальным напряжениям

Абсолютная величина максимального изгибающего момента равна 75 кНм. Тогда необходимый момент сопротивления


Исходя из таблицы стандартов ГОСТ 8240-89, выбираем швеллер №24 ().

Библиографический список


1. Яковлев А.А. Сопротивление материалов: методические указания к расчетно-графической работе / Национальный минерально-сырьевой университет "Горный". Сост.: А.А. Яковлев, В.Г. Гореликов. СПб, 2012. 51 с.