Материал: Расчет скоростного теплообменника. Методические указания к курсовой работе

Внимание! Если размещение файла нарушает Ваши авторские права, то обязательно сообщите нам

Таблица П.7

Теплообменники ТТ из коррозионностойкой стали

 

 

 

Условная

Расчетная

 

 

Основные размеры, мм

 

 

 

 

Длина

 

 

 

 

 

 

 

поверхность

поверхность

Количе-

D s

d s

~ L1

B

Индекс изделия

нагрева

нагрева

трубы,

 

 

 

Fy , м

2

Fp , м

2

ство труб

l , мм

 

 

 

 

 

 

 

 

 

 

 

 

 

 

 

 

 

 

 

 

 

 

 

 

 

 

ТТ114. 001. 012

1

 

1,07

 

1

6000

89x4,5

57x3,5

6200

300

 

 

 

 

 

 

 

 

 

 

 

ТТ114. 001. 022

2

 

2,14

 

2

6000

89x4,5

57x3,5

6920

300

 

 

 

 

 

 

 

 

 

 

 

ТТ114. 001. 032

3,15

 

3,21

 

3

6000

89x4,5

57X3,5

6920

300

 

 

 

 

 

 

 

 

 

 

 

 

ТТ114. 002. 042

 

3,05

 

1

9000

159x6

108x5

9250

400

 

 

 

 

 

 

 

 

 

 

 

 

 

 

ТТ114. 001. 052

4

 

4,28

 

4

6000

89 x 4,5

57x3,5

6920

300

 

 

 

 

 

 

 

 

 

 

 

ТТ114. 001. 062

5

 

5,35

 

5

6000

89x4,5

57X3,5

6920

300

 

 

 

 

 

 

 

 

 

 

 

ТТ114. 001. 072

6 3

 

6,42

 

6

6000

89x4,5

57x3,5

6920

300

 

 

 

 

 

 

 

 

 

 

 

 

ТТ114. 002. 082

 

6,1

 

2

9000

159x6

108x5

9980

400

 

 

 

 

 

 

 

 

 

 

 

 

 

 

 

ТТ114. 001.

092

8

 

8,56

 

8

6000

89x4,5

57x3,5

6920

300

 

 

 

 

 

 

 

 

 

 

 

 

ТТ114. 001.

102

10

 

10,7

 

10

6000

89x4,5

57x3,5

6920

300

 

 

 

 

 

 

 

 

 

 

 

 

ТТ114. 002.

112

 

9,15

 

3

9000

159x6

108x5

9980

400

 

 

 

 

 

 

 

 

 

 

 

 

 

 

 

ТТ114. 001.

122

12.5

 

12,85

 

12

6000

89x4,5

57x3,5

6920

300

 

 

 

 

 

 

 

 

 

 

 

 

ТТ114. 002. 132

 

12,2

 

4

9000

159x6

108 x 5

9980

400

 

 

 

 

 

 

 

 

 

 

 

 

 

 

 

ТТ114. 001.

142

16

 

17,1

 

16

6000

89x4,5

57x3,5

6920

300

 

 

 

 

 

 

 

 

 

 

 

 

ТТ114.

002.

152

 

15,25

 

5

9000

159x6

108x5

9980

400

 

 

 

 

 

 

 

 

 

 

 

 

 

 

 

ТТ114. 001.

162

20

 

21,4

 

20

6000

89x4,5

57x3,5

6920

300

 

 

 

 

 

 

 

 

 

 

 

 

ТТ114. 002.

172

 

18,3

 

6

9000

159x6

108x5

9980

400

 

 

 

 

 

 

 

 

 

 

 

 

 

 

 

ТТ114. 001.

182

25

 

25,6

 

24

6000

89x4,5

57x3,5

6920

300

 

 

 

 

 

 

 

 

 

 

 

 

ТТ114. 002.

192

 

24,2

 

8

9000

159x6

108x5

9980

400

 

 

 

 

 

 

 

 

 

 

 

 

 

 

ТТ114. 001. 202

31,5

 

30,2

 

30

6000

89x4,5

57x3,5

6920

300

 

 

 

 

 

 

 

 

 

 

 

 

ТТ114. 002. 212

 

30,5

 

10

9000

159x6

108x5

9980

400

 

 

 

 

 

 

 

 

 

 

 

 

 

 

ТТ114. 001. 222

40

 

40,6

 

38

6000

89x4,5

57x3,5

6920

300

 

 

 

 

 

 

 

 

 

 

 

 

ТТ114. 002.

232

 

39,6

 

13

9000

159x6

108x5

9S80

400

 

 

 

 

 

 

 

 

 

 

 

 

 

 

ТТ114. 001. 242

50

 

51,2

 

48

6000

89x4,5

57x3,5

6920

300

 

 

 

 

 

 

 

 

 

 

 

 

ТТ114. 002. 252

 

48,7

 

16

9000

159x6

108x5

9980

400

 

 

 

 

 

 

 

 

 

 

 

 

 

 

ТТ114. 001. 262

63

 

64,2

 

60

6000

89x4,5

57x3,5

6920

300

 

 

 

 

 

 

 

 

 

 

 

 

ТТ114. 002. 272

 

61

 

20

9000

159x6

108 x 5

9980

400

 

 

 

 

 

 

 

 

 

 

 

 

 

 

ТТ114. 001. 282

80

 

81,3

 

76

6000

89x4,5

57x3,5

6920

300

 

 

 

 

 

 

 

 

 

 

 

 

ТТ114. 002. 292

 

79,3

 

26

9000

159x6

108x5

9980

400

 

 

 

 

 

 

 

 

 

 

 

 

 

 

ТТ114. 001, 302

100

 

100

 

94

6000

89x4,5

57x3,5

6920

300

 

 

 

 

 

 

 

 

 

 

 

 

ТТ114. 002.

312

 

97,5

 

32

9000

59x6

08x5

9980

400

 

 

 

 

 

 

 

 

 

 

 

 

 

 

ТТ114. 001. 322

125

 

126

 

118

6000

89x4,5

57x3,5

6920

300

 

 

 

 

 

 

 

 

 

 

 

 

ТТ114. 002.

332

 

122

 

40

9000

59x6

08x5

9980

400

 

 

 

 

 

 

 

 

 

 

 

 

 

 

 

ТТ114. 001.

342

160

 

160,5

 

150

6000

89x4,5

57x3,5

6920

300

 

 

 

 

 

 

 

 

 

 

 

 

Till 4. 002. 352

 

158,5

 

52

9000

59x6

08x5

9980

400

 

 

 

 

 

 

 

 

 

 

 

 

 

 

TT114. 001. 362

200

 

203

 

190

6000

89x4,5

57x3,5

6920

300

 

 

 

 

 

 

 

 

 

 

 

 

TT114. 002. 372

 

201,3

 

66

9000

59x6

08x5

9980

400

 

 

 

 

 

 

 

 

 

 

 

 

 

 

 

 

21

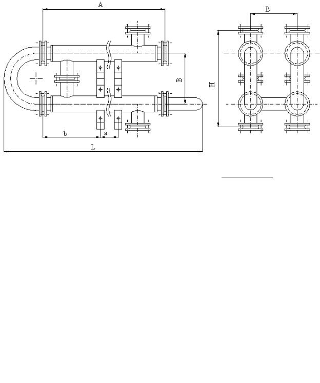
Размеры, мм

При диаметре внутренней трубы

L

H

a

b

57

6200

599

4000

1100

108

9250

799

5000

2125

Рис. П.1. Блок теплообменника ТТ

Размеры, мм

При длине трубы

d y

l1

l2

6000

50

105

150

9000

100

120

210

Рис. П.2. Элемент теплообменника ТТ

22

Рис. П.3. Сборочный чертеж теплообменника типа ТТ

Рис. П.4. Сборочный чертеж теплообменника типа ТТ, вид сбоку

23

 

 

 

 

 

 

 

 

 

 

 

 

 

Таблица П.8

 

Коэффициенты местных сопротивлений ζ элементов теплообменника

 

 

 

 

Вид местного сопротивления

 

 

 

 

 

ζ

 

 

 

 

 

 

 

 

 

 

 

 

 

Входная и выходная камера (удар и поворот)

 

 

 

 

 

 

 

1,5

 

 

 

 

 

 

 

 

 

 

 

 

 

Поворот на 1800 между ходами и секциями

 

 

 

 

 

 

 

2,5

Поворот на 1800 через колено

 

 

 

 

 

 

 

 

 

2

Вход в трубы или выход из них

 

 

 

 

 

 

 

 

 

1

 

 

 

 

 

 

 

 

 

 

 

Вход в межтрубное пространство под углом 900 к рабочему потоку

 

 

1,5

Выход из межтрубного пространства под углом 900 к рабочему потоку

 

 

1

Поворот на 900 в межтрубном пространстве

 

 

 

 

 

 

 

1

 

 

Коэффициенты теплопроводности некоторых материалов

Таблица П.9

 

 

 

 

 

 

 

Наименование материала

 

 

 

 

, Вт/(м×К).

 

 

 

 

 

 

 

 

 

 

 

 

 

200

 

 

 

Алюминий

 

 

 

 

 

 

 

 

 

 

Латунь

 

 

 

 

 

 

 

85

 

 

 

Медь

 

 

 

 

 

 

 

380

 

 

 

Накипь котельная

 

 

 

 

 

 

 

1,4 3,1

 

 

 

Свинец

 

 

 

 

 

 

 

35

 

 

 

Сталь, чугун

 

 

 

 

 

 

 

45

 

 

 

Сталь нержавеющая

 

 

 

 

 

17

 

 

 

Стекло

 

 

 

 

 

 

 

0,75

 

 

 

Шлаковая вата

 

 

 

 

 

 

 

0,07

 

 

 

 

 

Технические характеристики центробежных насосов

Таблица П.10

 

 

 

 

 

Марка

 

Q, м3

 

Н, м

 

n, с-1

 

ηн

 

Электродвигатель

 

 

 

 

 

тип

 

N, кВт

 

 

ηдв

 

 

 

 

 

 

 

 

 

 

 

 

 

 

 

 

 

 

 

 

 

 

 

 

 

 

 

 

Х2/25

 

4,2×10-4

 

25

 

50

 

-

 

АОЛ-12-2

 

1,1

 

-

 

 

2,4×10-3

 

11,3

 

48,3

 

0,4

 

АО2-31-2

 

3

 

-

Х8/18

 

 

14,8

 

 

 

АО2-31-2

 

 

-

 

 

 

 

 

 

 

 

 

 

 

 

 

 

 

18

 

 

 

 

 

ВАО-31-2

 

 

 

0,82

Х8/30

 

2,4×10-3

 

17,7

 

48,3

 

0,5

 

АО2-32-2

 

4

 

-

 

 

24

 

 

 

АО2-32-2

 

 

0,83

 

 

 

 

30

 

 

 

 

 

ВАО-31-2

 

 

 

-

Х20/18

 

5,5×10-3

 

10,5

 

48,3

 

0,6

 

АО2-31-2

 

3

 

0,82

 

 

13,8

 

 

 

АО2-31-2

 

 

0,87

 

 

 

 

18

 

 

 

 

 

ВАО-31-2

 

 

 

-

Х20/13

 

5,5×10-3

 

18

 

48,3

 

0,55

 

АО2-41-2

 

5,5

 

0,87

 

 

25

 

 

 

АО2-41-2

 

 

-

 

 

 

 

31

 

 

 

 

 

ВАО-41-2

 

 

 

0,84

Х20/53

 

5,5×10-3

 

34,4

 

48,3

 

0,6

 

АО2-51-2

 

13

 

0,89

 

 

44

 

 

 

АО2-51-2

 

 

-

 

 

 

 

53

 

 

 

 

 

ВАО-51-2

 

 

 

0,87

24

МЕТОДИЧЕСКИЕ УКАЗАНИЯ К КУРСОВОЙ РАБОТЕ

«Расчет скоростного теплообменника»

Для бакалавров профиля «Промышленное и гражданское строительство» направления 270800 (08.03.01) «Строительство»

Составители: Сафиуллин Ринат Габдуллович Замалеев Зуфар Харисович

Издательство Казанского государственного архитектурно-строительного университета

Подписано в печать

 

Формат 60 84/16

Тираж 50 экз.

Бумага офсетная №1

Усл. печ. л.

Заказ

Печать ризографическая

Уч. - изд. л.

Отпечатано в полиграфическом секторе издательства КГАСУ 420043, г. Казань, ул.Зеленая, 1

25