Материал: Расчет системы теплоснабжения жилого микрорайона г. Кемерово

Внимание! Если размещение файла нарушает Ваши авторские права, то обязательно сообщите нам

= 1,22 МВт

= 2,92 МВт

= 0,78 МВт

3. Расчет графиков потребления тепла по месяцам, часового и годового потребления тепла по периодам

Для организации расчетных работ всего топливного хозяйства района, города, предприятия и всего хозяйства ТЭЦ необходимо рассчитать значение и характер тепловой нагрузки. Другими словами необходимо иметь графики потребления тепла во времени: сезон года, месяц, год и т.д.

.1 График годового потребления тепла по периодам

Этот график построен по данным табл. 3 и по продолжительности расчетных периодов Nпер.

Для г. Кемерово Nпер:

max холодный период - 17 сут;

среднеотопительный - 215 сут;

летний - 133 сут. [1]

График представлен на рис. 1.

3.2 График потребления тепла по месяцам

Расчет был сделан по средним температурам каждого месяца. Значения среднемесячных температур для г. Кемерово [1]. Результаты расчета расходов тепла на отопление, вентиляцию и горячее водопотребление даны в табл. 4.

График представлен на рис. 2.


3.3 График годового потребления тепла

График часового потребления тепла в зависимости от температуры наружного воздуха и длительности стояния данной температуры в отопительный период.

Тепловые нагрузки на отопление, вентиляцию, горячее водоснабжение в зависимости от наружной температуры:


где  и соответственно средние и максимальные нагрузки на отопление и вентиляцию. табл.3;

 - расчетная внутренняя температура помещений зданий, ºС

[2];

 - температура наружного воздуха принимаемая для расчета графика. табл. 4;

Расчетная температура на горячее водопотребление не зависит от температур наружного воздуха и будет оставаться постоянной.

Полученные результаты расчетов занесены в табл. 5.

Длительности стояния температур наружного воздуха в отопительный период для г. Кемерово. [1] приведены в табл. 6.

График представлен на рис. 3.

Анализ графика, представленный на рис 3:

. Полученный по диаграмме средний расход тепла за отопительный период 10,25 МВт совпадает с расчетным значением 10,25 МВт (табл. 3).

cd =

,25 = 10,25

2. В построенном прямоугольнике okln с площадью равной площади графика основание on показывает длительность использования расчетной нагрузки в течении отопительного периода:= 3397 часов.

. Из графика - отрезок lm = 8,66 МВт указывает, что данная нагрузка будет компенсироваться пиковой котельной.

Таблица 3. Сводная таблица потребления тепла жилым домом и предприятием по видам теплопотребления

Наименование потребителей

Теплоноситель

Расходы тепла по режимам, МВт



Максимальный

Средне-отопительный

Летний

Отопление

Вода

9,86

4,52

-

Вентиляция

Вода

6,13

2,81

-

Горячее водопотребление

Вода

2,92

2,92

0,78

ИТОГО


18,91

10,25

0,78


Таблица 4. Средняя температура и расходы тепла на отопление, вентиляцию и горячее водопотребление по месяцам за отопительный период [1]

Месяц

Янв.

Февр.

Март

Апр.

Май

Сент.

Окт.

Ноябрь

Дек.

, ºС-19,2-17-10,60+9,2+9,3+1,1-9,8-17










Потребляемая мощность, МВт

Qотпл

6,43

6,05

4,95

3,11

1,52

1,50

2,92

4,80

6,05


Qвент

4,00

3,76

3,07

1,93

0,94

0,93

1,81

2,98

3,76


Qг.в.

2,92

2,92

2,92

2,92

2,92

2,92

2,92

2,92

2,92

13,35

12,73

10,94

7,96

5,38

5,35

7,65

10,70

12,73


Таблица 5. Расчет тепловых нагрузок в зависимости от температур наружного воздуха

Потре- битель, МВт

Температура наружного воздуха, ºС


-39

-35

-30

-25

-20

-15

-10

-5

0

+5

+8

Qотопл

9,86

9,16

8,30

7,43

6,57

5,7

4,80

3,97

3,11

2,24

1,72

Qвент

6,13

5,69

5,16

4,62

4,08

3,54

3,01

2,47

1,93

1,39

1,07

Qг.в.

2,92

2,92

2,92

2,92

2,92

2,92

2,92

2,92

2,92

2,92

2,92

18,91

17,77

16,38

14,97

13,57

12,16

10,73

9,36

7,96

6,55

5,71


Таблица 6. Длительность стояния температур для г. Кемерово [1]

, ºС-39-35-30-25-20-15-10-50+5+8












z, ч

15

90

207

494

926

1584

2467

3352

4237

5568

4. Система теплоснабжения

Источником тепла для жилищно-коммунальной застройки города является районная котельная (РК) - теплоноситель сетевая вода, имеющая следующие преимущества: возможность транспортировать на большие расстояния и осуществлять центральное регулирование отпуска тепла изменением температуры, обладает высокой аккумулирующей способностью.

Подпитка осуществляется из городской водопроводной сети водой прошедшей водоподготовку. В связи с тем, что требуемая нагрузка для потребителей постоянна и примерно одинаковым температурным режимом выбрана открытая 2-х трубная система теплоснабжения.

Из геологических условий и застроек ген. плана для магистральной теплосети эффективно принять надземную прокладку, обеспечивающая меньшие капитальные и эксплуатационные затраты, более ремонтно пригодна, простота определения аварийных участков.

Участковые и домовые сети выполнены прокладкой в непроходных каналах.

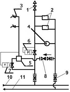
5. Схема присоединения теплопотребителей к теплосети и тепловой узел

Для выбранной системы теплоснабжения представляется возможность принять зависимую со смесительным насосом схему присоединения отопления и открытую схему присоединения горячего водоснабжения.

Смесительный насос, включенный в систему отопления, позволяет поддерживать циркуляцию воды в системе при недостаточном давлении, а в аварийных ситуациях позволяет исключить замерзание системы.

Выбранная схема представлена на рис.4.

1 - воздушный кран; 2 - отопительный прибор; 3 - водоразборный кран; 4 - смесительный насос в системе отпления; 5 - смеситель в системе горячего водоснабжения; 6 и 7 - регуляторы расхода и температуры; 8 - обратный клапан; 9 - задвижка; 10 и 11 - подающий и обратный трубопроводы.

Рис.4. Схемы присоединения: открытая для горячего водоснабжения и зависимая для системы отопления

При зависимой схеме присоединения отопительной установки вода из подающей линии тепловой сети поступает через клапан регулятора расхода 6 непосредственно в отопительную систему здания, проходит через нагревательные приборы 2 и отдает в них тепло окружающему воздуху. Часть охлажденной воды поступает в обратную линию тепловой сети, другая часть в смесительный насос 4.

При открытой схеме горячего водоснабжения горячая вода поступает из обратного 11 и подающего трубопроводов 10 через смесительный бак 5, температура воды в котором регулируется регулятором температуры 7.

Обе системы (отопление и водоснабжение) работают независимо друг от друга. Расход сетевой воды в отопительной системе не зависит от горячего водоотбора и поддерживается постоянным регулятором расхода 6. Расход сетевой воды на горячее водоснабжение изменяется от максимума до нуля.

Соотношение расходов воды на горячее водоснабжение из подающей и обратной линий, зависящее от температур на абонентском вводе, устанавливается регулятором температуры 7. Максимальный расход сетевой воды будет иметь место при пиковом водоразборе и минимальной температуре в подающей линии, т.к. в этих условиях нагрузка на горячее водоснабжение целиком обеспечивается из подающей линии.Максимальный расход воды в обратной линии равен расходу на отопление. Этот режим будет соблюдаться, когда расход на горячее водоснабжение полностью отсутствует - ночное время или при температуре сетевой воды в подающей линии равной температуре воды горячего водоснабжения 55-60°С.

Для выбранной схемы присоединения потребителей подобрана схема теплового узла рис. 8. Спецификация оборудования представлена на стр. 24.

Тепловые узлы монтируются в каждое здание абонента и выполняют роль индивидуального теплового пункта (ИТП).

.

6. Выбор способа регулирования отпуска тепла потребителям

В условиях проекта тепловая нагрузка на жилищно-коммунальные нужды составляет 68 % (при норме 65 % ) от суммарной нагрузки района, отношение среднечасовой нагрузки на горячее водоснабжение к расчетной нагрузке на отопление

 μ= (при норме 0,15).

При данном соотношении эффективно использовать центральное качественное регулирование тепла по совмещенной нагрузке, которое осуществляется по повышенному (скорректированному) графику температур воды (рис. 5.).

 

6.1 Расчет повышенного (скорректированного) графика температур вод

Расчет скорректированного температурного графика заключается в определении температуры воды в подающей и обратной магистарил в диапазоне температур наружного воздуха от +8ºС до , при которой температура воды в обратной магистрали равна 60 ºС.

Температура сетевой воды в подающем τ1п и обратном τ2п теплопроводах для скорректированного графика определена по следующим формулам:


,где ∆t - температурный напор нагревательного элемента, ºС


tэ - температура воды в подающем трубопроводе системы отопления после смесительного насоса, ºС;

∆Т = τ1 - τ2 = 130 - 70 = 60 ºС,

где τ1, τ2 - температуры воды в подающем и обратном трубопроводах тепловой сети, ºС;

Θ - расчетный перепад температур воды в местной системе отопления, Θ = τэ - τ2 = 95 - 70 = 25 ºС;

- относительный расход теплоты на отопление, представляющий отношение теплового потока на отопление при нерасчетных условиях к максимальному тепловому потоку.


- относительный расход сетевой воды, представляющий отношение расхода сетевой воды на отопление при нерасчетных условиях к максимальному расходу воды.


где,  ( табл. 3)

 МВт

χ - балансовый коэффициент, для открытых тепловых систем теплоснабжения χ = 1,1 [5];

Регулирование по повышенному графику осуществляется в диапазоне температур наружного воздуха от +8º до -27º (участок BKN и BK`N`). Температура наружного воздуха -27º соответствует началу периода, когда температура сетевой воды в обратном трубопроводе достигает 60 ºС и весь водоразбор на горячее водоснабжение в диапазоне наружных температур от -27º до - 39º осуществляется только из обратного трубопровода.