Материал: Расчет параметров кремниевого интегрального МДП-транзистора

Внимание! Если размещение файла нарушает Ваши авторские права, то обязательно сообщите нам

Расчет параметров кремниевого интегрального МДП-транзистора

НАЦИОНАЛЬНЫЙ ИССЛЕДОВАТЕЛЬСКИЙ УНИВЕРСИТЕТ

МИЭТ

Кафедра ИЭМС








Курсовая работа

по предмету "Твердотельная электроника"

Расчет параметров кремниевого интегрального МДП-транзистора


Выполнил

студент ЭКТ-45

Григорьев Петр

Проверил Красюков А.Ю.





НИУ МИЭТ 2014

Содержание

Введение

1. Теоретические сведения

. Расчет электрических характеристик кремниевого интегрального n-канального МДП-транзистора

.1 Исходные данные. Задание

2.2 Расчет и корректировка порогового напряжения транзистора

.3 Расчет ВАХ в рамках идеализированной модели

.4 Расчет ВАХ с учетом неоднородности ОПЗ под затвором

.5 Малосигнальная эквивалентная схема и ее параметры

.6 Факультативное задание: расчет и корректировка порогового напряжения с учетом эффектов короткого и узкого канала

.7 Факультативное задание: расчет реальной ВАХ, зависящей от

.8 Факультативное задание: расчет параметров эквивалентной схемы

2.9 Структура и топология МДП-транзистора

2.10 Краткий технологический маршрут изготовления МДП-структур

Выводы главы

интегральный кремниевый транзистор напряжение

Введение

Транзистор (от англ. transfer - переносить и resistor - сопротивление) - электронный прибор на основе полупроводникового кристалла, имеющий три (или более) вывода, предназначенный для генерирования и преобразования электрических колебаний. Изобретён в 1948 У. Шокли, У.Браттейном и Дж. Бардином (Нобелевская премия, 1956). На основе транзисторов и их применений выросла широкая отрасль промышленности - полупроводниковая электроника. Транзисторы выпускаются в виде дискретных компонентов в индивидуальных корпусах или в виде активных элементов - интегральных схем.

Транзисторы делятся на два больших класса - униполярные (полевые или МДП-транзисторы) и биполярные. И в полевых, и в биполярных транзисторах управление током в выходной цепи осуществляется за счёт изменения входного напряжения или тока. Небольшое изменение входных величин может приводить к существенно большему изменению выходного напряжения и тока. Это усилительное свойство транзисторов используется в аналоговой технике (аналоговые ТВ, радио, связь и т. п.). В настоящее время в аналоговой технике доминируют биполярные транзисторы (БТ) (международный термин - BJT, bipolar junction transistor).

Другой важнейшей отраслью электроники является цифровая техника (логика, память, процессоры, компьютеры, цифровая связь и т. п.), где, напротив, биполярные транзисторы почти полностью вытеснены полевыми. [1]

. Теоретические сведения

В первой части курсового проекта рассчитываются параметры МДП-транзистора, поэтому остановлюсь подробнее на информации о полевых транзисторах.

По физической структуре и механизму работы полевые транзисторы условно делят на 2 группы. Первую образуют транзисторы с управляющим p-n-переходом, или переходом "металл - полупроводник" (барьер Шоттки), вторую -транзисторы с управлением посредством изолированного электрода (затвора), т. н. транзисторы МДП ("металл - диэлектрик - полупроводник").

Полевой транзистор с управляющим p-n-переходом - это полевой транзистор, затвор которого изолирован (то есть отделён в электрическом отношении) от канала p-n-переходом, смещённым в обратном направлении.

Такой транзистор имеет два невыпрямляющих контакта к области, по которой проходит управляемый ток основных носителей заряда, и один или два управляющих электронно-дырочных перехода, смещённых в обратном направлении (см. рис. 1). При изменении обратного напряжения на p-n-переходе изменяется его толщина и, следовательно, толщина области, по которой проходит управляемый ток основных носителей заряда. [1] Область, толщина и поперечное сечение которой управляется внешним напряжением на управляющем p-n-переходе и по которой проходит управляемый ток основных носителей, называют каналом. Электроды полевого транзистора называются следующим образом:

·              исток (англ. source) - электрод, из которого в канал входят основные носители заряда;

·              сток (англ. drain) - электрод, через который из канала уходят основные носители заряда;

·              затвор (англ. gate) - электрод, служащий для регулирования поперечного сечения канала.

Проводимость канала может быть как n-, так и p-типа. Поэтому по типу проводимости канала различают полевые транзисторы с n-каналом и р-каналом. Полярность напряжений смещения, подаваемых на электроды транзисторов с n- и с p-каналом, противоположны. [2]

Управление током стока, то есть током от внешнего относительно мощного источника питания в цепи нагрузки, происходит при изменении обратного напряжения на p-n-переходе затвора (или на двух p-n-переходах одновременно). В связи с незначительностью обратных токов p-n-перехода мощность, необходимая для управления током стока и потребляемая от источника сигнала в цепи затвора, оказывается ничтожно малой.

От биполярного транзистора полевой транзистор отличается, во-первых, принципом действия: в биполярном транзисторе управление выходным сигналом производится входным током, а в полевом транзисторе - входным напряжением или электрическим полем. Во-вторых, полевые транзисторы имеют значительно большие входные сопротивления, что связано с обратным смещением p-n-перехода затвора в рассматриваемом типе полевых транзисторов. В-третьих, полевые транзисторы могут обладать низким уровнем шума (особенно на низких частотах), так как в полевых транзисторах не используется явление инжекции неосновных носителей заряда и канал полевого транзистора может быть отделён от поверхности полупроводникового кристалла. Процессы рекомбинации носителей в p-n-переходе и в базе биполярного транзистора, а также генерационно-рекомбинационные процессы на поверхности кристалла полупроводника сопровождаются возникновением низкочастотных шумов.

Полевой транзистор с изолированным затвором - это полевой транзистор, затвор которого отделён в электрическом отношении от канала слоем диэлектрика. В кристалле полупроводника с относительно высоким удельным сопротивлением, который называют подложкой, созданы две сильнолегированные области с противоположным относительно подложки типом проводимости. На эти области нанесены металлические электроды - исток и сток. Расстояние между сильно легированными областями истока и стока может быть меньше микрона. Поверхность кристалла полупроводника между истоком и стоком покрыта тонким слоем (порядка 0,1 мкм) диэлектрика. Так как исходным полупроводником для полевых транзисторов обычно является кремний, то в качестве диэлектрика используется слой двуокиси кремния SiO2, выращенный на поверхности кристалла кремния путём высокотемпературного окисления. На слой диэлектрика нанесён металлический электрод - затвор. Получается структура, состоящая из металла, диэлектрика и полупроводника. Поэтому полевые транзисторы с изолированным затвором часто называют МДП-транзисторами.

Входное сопротивление МДП-транзисторов может достигать 1010…1014 Ом (у полевых транзисторов с управляющим p-n-переходом 107…109), что является преимуществом при построении высокоточных устройств. [3]

Существуют две разновидности МДП-транзисторов: с индуцированным каналом и со встроенным каналом.

В МДП-транзисторах с индуцированным каналом проводящий канал между сильнолегированными областями истока и стока отсутствует и, следовательно, заметный ток стока появляется только при определённой полярности и при определённом значении напряжения на затворе относительно истока, которое называют пороговым напряжением (UЗИпор). В связи с тем, что затвор отделён от подложки диэлектрическим слоем, ток в цепи затвора ничтожно мал, мала и мощность, потребляемая от источника сигнала в цепи затвора и необходимая для управления относительно большим током стока. Таким образом, МДП-транзистор с индуцированным каналом может производить усиление электромагнитных колебаний по напряжению и по мощности.

В МДП-транзисторах со встроенным каналом у поверхности полупроводника под затвором при нулевом напряжении на затворе относительно истока существует инверсный слой - канал, который соединяет исток со стоком. В связи с наличием встроенного канала в таком МДП-транзисторе при нулевом напряжении на затворе поперечное сечение и проводимость канала будут изменяться при изменении напряжения на затворе как отрицательной, так и положительной полярности. Таким образом, МДП-транзистор со встроенным каналом может работать в двух режимах: в режиме обогащения и в режиме обеднения канала носителями заряда. Эта особенность МДП-транзисторов со встроенным каналом отражается и на смещении выходных статических характеристик при изменении напряжения на затворе и его полярности. [2]

Рис. 1.1 - виды полевых транзисторов и их обозначения на принципиальных схемах

 

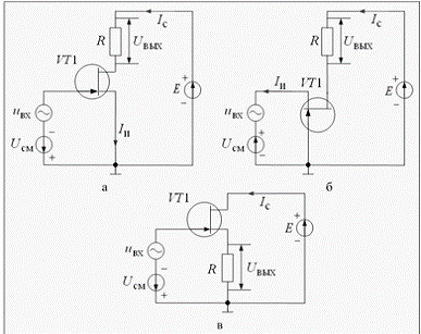
Схемы включения МДП-транзистора

Полевой транзистор можно включать по одной из трех основных схем: с общим истоком (ОИ), общим стоком (ОС) и общим затвором (ОЗ). На практике чаще всего применяется схема с ОИ, аналогичная схеме на биполярном транзисторе с общим эмиттером (ОЭ). Каскад с общим истоком даёт очень большое усиление тока и мощности. Схема с ОЗ аналогична схеме с общей базой (ОБ). Она не даёт усиления тока, и поэтому усиление мощности в ней во много раз меньше, чем в схеме ОИ. Каскад ОЗ обладает низким входным сопротивлением, в связи с чем он имеет ограниченное практическое применение в усилительной технике.

Рис. 1.2 - схемы включения МДП-транзистора с ОИ (а), ОЗ (б) и ОС (в)

Режимы работы полевых транзисторов

Динамическим режимом работы называют такой режим, в котором к транзистору, который усиливает входной сигнал, подключена нагрузка. Такой нагрузкой может служить резистор Rс, подсоединённый последовательно со стоком полевого транзистора, включённого по схеме с общим истоком.

Ключевым называют такой режим работы транзистора, при котором он может быть либо полностью открыт, либо полностью закрыт, а промежуточное состояние, при котором компонент частично открыт, в идеале отсутствует. Мощность, которая выделяется в транзисторе, в статическом режиме равна произведению тока, протекающего через выводы сток-исток, и напряжения, приложенного между этими выводами.

В идеальном случае, когда транзистор открыт, т.е. в режиме насыщения, его сопротивление межу выводами сток-исток стремится к нулю. Мощность потерь в открытом состоянии представляет произведение равного нулю напряжения на определённую величину тока. Таким образом, рассеиваемая мощность равна нулю.

В идеале, когда транзистор закрыт, т.е. в режиме отсечки, его сопротивление между выводами сток-исток стремится к бесконечности. Мощность потерь в закрытом состоянии есть произведение определённой величины напряжения на равное нулю значение тока. Следовательно, мощность потерь равна нулю.

Выходит, что в ключевом режиме, в идеальном случае, мощность потерь транзистора равна нулю. На практике, естественно, когда транзистор открыт, присутствует некоторое небольшое сопротивление сток-исток. Когда транзистор закрыт, по выводам сток-исток протекает ток небольшой величины. Таким образом, мощность потерь в транзисторе в статическом режиме мала. Однако в динамическом режиме, когда транзистор открывается или закрывается, его рабочая точка форсирует линейную область, в которой ток через транзистор может условно составлять половину максимального тока стока, а напряжение сток-исток может достигать половины от максимальной величины. Таким образом, в динамическом режиме в транзисторе выделяется огромная мощность потерь, которая свела бы на нет все замечательные качества ключевого режима, но к счастью длительность нахождения транзистора в динамическом режиме много меньше длительности пребывания в статическом режиме. В результате этого КПД реального транзисторного каскада, работающего в ключевом режиме, может быть очень высок и составлять до 93% - 98%.

Работающие в ключевом режиме транзисторы широко применяют в силовых преобразовательных установках, импульсных источниках электропитания, в выходных каскадах некоторых передатчиков и пр. [3]

В связи с современными тенденциями необходимо знать и уметь рассчитывать параметры транзисторов. Актуальность данного вопроса крайне велика, так как область интегрально кремниевой микроэлектроники развивается быстрыми темпами.

2. Расчет электрических характеристик кремниевого интегрального n-канального МДП-транзистора

2.1 Исходные данные. Задание

Исходные данные

1

Вариант

6

2

Материал затвора

Si*

3

Длина канала L, мкм

2

Ширина канала W, мкм

60

5

Толщина подзатворного диэлектрика d, мкм

0,1

6

Концентрация примеси в подложке NB, см-3

6∙1015

7

Подвижность электронов в канале mn, см2/В∙с

500

8

Плотность поверхностных состояний Nss (Qss > 0), см-2

7∙1010

9

Концентрация примеси в контактных n+-слоях N +, см-3

1020

10

Толщина контактных п+-слоев xj, мкм

0.6


Общие данные

e = 1.62*10-19 Кл - заряд электрона,

ε0 = 8.85*10-14 Ф/см диэлектрическая проницаемость вакуума,

ε = 11.9 - относительная проницаемость Si,

εd = 3.4 - относительная проницаемость диэлектрика,

Еs = 1.5*104 В/см - продольное электрическое поле в канале,

Vt = 1 В - пороговое напряжение.

Задание

1. Нарисовать масштабный эскиз и топологию МДП-транзистора в соответствии с заданием.

. Рассчитать пороговое напряжение МДП-транзистора при заданных исходных данных и  = 0 В. Внести изменения в конструкцию транзистора, чтобы обеспечить пороговое напряжение  = +1 В.

. Рассчитать и построить выходные характеристики в приближении идеализированной модели при  = 0 В в диапазоне напряжений: 

 0-5 В;  = 0 - 5 В (шаг 1 В)

. Рассчитать выходную характеристику с учетом неоднородности ОПЗ под затвором (реальная ВАХ) при  0-5 В,  4 В,0 В.

. Построить выходные ВАХ транзистора в рамках идеальной и реальной моделей при  0-5 В,  4 В, 0 В.

. Привести малосигнальную эквивалентную схему, объяснить смысл элементов.

Факультативно

7. Провести расчет и корректировку  с учетом эффектов короткого и узкого канала.

. В дополнение к п.5 построить реальную выходную ВАХ для  = 4 В,  = -2 В. На одном графике совместить следующие ВАХ:

Идеальная ВАХ при  = 0-5 В,  = 4 В, = 0 В.

Реальная ВАХ при  = 0-5 В,  = 4 В, = 0 В.

Реальная ВАХ при  = 0-5 В,  = 4 В, = -2 В.

. Рассчитать параметры эквивалентной схемы.

2.2 Расчет и корректировка порогового напряжения транзистора


При  пороговое напряжение n-МДП-транзистора рассчитывается по формуле (1.1):

 , (1.1)

где:

φGB - контактная разность потенциалов затвор - подложка,

φG, φB - их потенциалы соответственно,

Qss - плотность поверхностного заряда на границе диэлектрик-полупроводник,

QsB0 - поверхностная плотность заряда в канале,

CS - удельная емкость диэлектрика.

На основе исходных данных рассчитываем компоненты для (1.1):

Потенциал подложки

 (1.2)

Контактная разность потенциалов затвор - подложка

 (1.3)

Заряд, связанный с ОПЗ полупроводника

, (1.4)

где  - ширина ОПЗ под затвором.

Таким образом .

Заряд, связанный с поверхностными состояниями на границе оксид-кремний

. (1.5)

Удельная емкость диэлектрика

. (1.6)

Таким образом, при заданных исходных данных обеспечивается пороговое напряжение .

Для обеспечения величины порогового напряжения  необходимо уменьшить его на величину . Если затвор сделать из р+-Si, то получим . Остается добавить . Так как эта величина отрицательная, то под затвором необходимо выполнить подлегирование поверхности примесью n-типа (мелкими донорами) на глубину .

Необходимая доза подлегирования составляет

. (1.7)

Средняя концентрация доноров в подзатворном слое

. (1.8)

 

Вывод: рассчитано пороговое напряжение МДП-транзистора ; оно же скорректировано с учетом технического задания. Доза подлегирования составляет .


; .

Данные для построения семейства идеальных ВАХ МДП-транзистора представлены в таблице 1.2, а само семейство изображено на рисунке 1.3.

Табл. 1.2 - расчетные данные для построения семейства ВАХ в рамках идеализированной модели.

 

VGS = 2 B

VGS = 3 B

VGS = 4 B

VGS = 5 B

Vds = 0 B; Id, мкА

0

0

0

0

Vds = 0.5 B; Id, мкА

169.3125

395.0625

620.8125

846.5625

Vds = 1.0 B; Id, мкА

225.75

677.25

1128.75

1580.25

Vds = 1.5 B; Id, мкА

225.75

846.5625

1523.813

2201.063

Vds = 2.0 B; Id, мкА

225.75

903

1806

2709

Vds = 2.5 B; Id, мкА

225.75

903

1975.313

3104.063

Vds = 3.0 B; Id, мкА

225.75

903

2031.75

3386.25

Vds = 3.5 B; Id, мкА

225.75

903

2031.75

3555.563

Vds = 4.0 B; Id, мкА

225.75

903

2031.75

3612

Vds = 4.5 B; Id, мкА

225.75

903

2031.75

3612



Рис. 1.3 - семейство ВАХ в рамках идеализированной модели.

 

Вывод: вычислено и построено семейство ВАХ идеального транзистора при различных напряжениях затвор-исток ( В).

 

.4 Расчет ВАХ с учетом неоднородности ОПЗ под затвором

 

Крутая область ВАХ


Коэффициент влияния подложки:

 

Расчет проведем при , .

Напряжение насыщения  определяется соотношением:

 

Для , : .

Ток насыщения IDS определяется из выражения (1.10) при :

 

Пологая область ВАХ

Для пологой области расчет ВАХ проводится следующим образом (рисунок 1.4):

рассчитывается эффективная длина канала с учетом насыщения дрейфовой скорости носителей в канале и модуляции длины канала

рассчитывается ток стока с учетом предыдущего пункта при

строится пологая область ВАХ как линия, проходящая через точки

Рис. 1.4 - Методика построения ВАХ реального транзистора в пологой области

Вычислим  при  из соотношения


. (1.12)

Эффективная длина канала:

, (1.13)

где ES = 15 кВ/см - поле насыщения скорости электронов,

 - (1.14)

толщина ОПЗ под стоком на границе с пологой областью,

 - (1.15)

контактная разность потенциалов сток-подложка.

Из (1.13) , (1.14) и (1.15) найдем толщину ОПЗ под стоком:

см

Эффективная длина канала:

.

Ток стока:

.

На рисунке 1.5 показаны ВАХ транзистора в рамках идеальной и реальной моделей при .

Рис. 1.5 - ВАХ идеальной(а) и реальной(б) моделей при Vgs=4 B, Vbs=0 В.

Вывод: в результате расчета была вычислена реальная ВАХ транзистора в отсутствие напряжения подложка-исток.

2.5 Малосигнальная эквивалентная схема и ее параметры


Малосигнальная эквивалентная схема МДП-транзистора приведена на рисунке 1.6.

Рис. 1.6 - малосигнальная эквивалентная схема МДП-транзистора

Сопротивления между внутренними и внешними узлами:

§  RG - сопротивление затвора;

§  RD - сопротивление стока;

§  RS - сопротивление истока;

§  RB - сопротивление подложки;

Емкости определяются режимом работы транзистора по постоянному току:

§  CGD - диффузионная емкость перехода затвор-сток;

§  CG - барьерная емкость затвора;

§  Cbd - диффузионная емкость перехода подложка-сток;

§  Cbs - диффузионная емкость перехода подложка-исток;

Прочие обозначения:

§  G - выходная проводимость, ;  - выходное сопротивление

§  gSVgs - генератор тока; gbVbs - генератор тока; генераторы моделируют ВАХ транзистора.

В данной схеме режим работы транзистора (постоянные составляющие напряжений Vgs, Vds, Vbs и постоянная составляющая тока Id) считается заданным и исследуются только малые переменные составляющие напряжений и токов (сигналов).

 

.6 Факультативное задание: расчет и корректировка порогового напряжения с учетом эффектов короткого и узкого канала


С учетом эффекта короткого канала изменение порогового напряжения рассчитывается по формуле 1.16:


, (1.16)

, ,

- толщина ОПЗ под затвором, истоком и стоком соответственно, xj - толщина n+-областей,  - контактная разность потенциалов n+-область - p-подложка.

Считаем случай, когда , .

,

,

,

,

.

С учетом эффекта узкого канала изменение порогового напряжения рассчитывается по формуле 1.17:

, (1.17)

.

 

Вывод: с учетом эффектов короткого и узкого канала получим изменение порогового напряжения .

2.7 Факультативное задание: расчет реальной ВАХ, зависящей от


Расчет реальной ВАХ при VBS=-2В проводится аналогично §2.2.3. Результаты расчета выходной ВАХ рассматриваемого МДП-транзистора при VGS=4B, VDS = 0-5В, VBS = -2B в рамках модели вместе с данными рисунка 1.5 показаны на рисунке 1.7.

Крутая область ВАХ:

Коэффициент влияния подложки:

 

Расчет проведем для , :

;

напряжение насыщения

=2,15 В.

 

Пологая область ВАХ:

Вычислим  при  из соотношения (1.12).

Из формул (1.13) , (1.14) и (1.15) найдем:

 - толщина ОПЗ под стоком на границе с пологой областью,

 - эффективная длина канала.

Ток стока при :

 

Рис. 1.7 - ВАХ транзистора, рассчитанные при VGS = 4В с учетом различных приближений: а - идеальная модель, VBS =0B; б - реальная модель, VBS=0B; в - реальная модель, VBS =-2B

Вывод: в результате расчета была вычислена реальная ВАХ транзистора при напряжений подложка-исток .

.8 Факультативное задание: расчет параметров эквивалентной схемы

Рассчитаем малосигнальные параметры эквивалентной схемы, показанной на рисунке 1.6.

Крутизна ВАХ:

 (1.18)

Выходная проводимость:

 (1.19)

Собственный коэффициент усиления по напряжению:

 (1.20)

 

Вывод: используя реальную ВАХ транзистора в отсутствие напряжения подложка-исток, провели расчет малосигнальных параметров эквивалентной схемы МДП-транзистора.

.9 Структура и топология МДП-транзистора

Рис. 1.8: а - структура МДП-транзистора; б - топология МДП-транзистора

2.10 Краткий технологический маршрут изготовления МДП-структур


Наибольший практический интерес представляет изопланарная технология изготовления МДП-структур, особенностью которой является изоляция МДП-структур толстым слоем оксида кремния. Применение этой технологии позволяет совместно формировать на одной подложке как биполярные, так и МДП-структуры. Процесс поэтапного формирования МДП-структуры:

а) на поверхности кремниевой подложки р-типа формируют маску из нитрида кремния, через отверстия в которой внедряют ионы бора, в результате чего формируются противоканальные р+-области;


б) окислением через маску создают разделительные слои диоксида кремния, после чего удаляют слой нитрида кремния, затем ионным легированием бора создают слой с повышенной концентрацией акцепторов, который необходим для снижения порогового напряжения;



в) формируют тонкий подзатворный слой диоксида кремния и наносят на него слой поликремния (затвор);


г) ионным легированием мышьяка формируют n+-области истока и стока;


д) химическим паровым осаждением наносят слой диоксида кремния, формируют в нем окна, напыляют пленку алюминия и методом фотолитографии создают рисунок металлических проводников.

 


Выводы главы


В данной главе произведен расчет параметров МДП-транзистора. Сводка результатов представлена в таблице 1.3.

Параметр

Результат

1

Структура исследуемого МДП-транзистора

Рис. 1.8а

2

Топологический чертеж исследуемого МДП-транзистора

Рис. 1.8б

3

Рассчитанное пороговое напряжение Vt0, B

4

Доза подлегирования D, см-2

5

Коэффициент влияния подложки КB,B1/2

6

Толщина ОПЗ под затвором lT, мкм

0.16

7

Толщина ОПЗ под истоком lS, мкм

0.44

8

Толщина ОПЗ под стоком lD, мкм

1.03

9

Крутизна ВАХ g, мкА/В

1097

10

Выходная проводимость G, мкОм-1

678

11

12

Маршрутная карта изготовления транзистора

§1.2.1



Список литературы

1.      Старосельский В.И. Физика полупроводниковых приборов микроэлектроники: учеб. пособие - М.: Высшее образование; Юрайт-Издат, 2009

.        Титова И.Н. Методические указания по выполнению курсового проекта. Учебно-методическая разработка для самостоятельной работы студентов по курсу "Элементы твердотельной электроники и физики полупроводниковых приборов"

.        Москатов Е. А. Электронная техника. Начало. Ростов н/Д: Феникс, 2010