Материал: Расчёт и проектирование фундаментов различного заложения

Внимание! Если размещение файла нарушает Ваши авторские права, то обязательно сообщите нам

γm=17 êÍ/ì3g=2,45 ì

Îïðåäåëåíèå êîëè÷åñòâà ñâàé :


ηm - êîýôôèöèåíò, ó÷èòûâàþùèé äåéñòâèå ìîìåíòà, äëÿ öåíòðàëüíî íàãðóæåííûõ ôóíäàìåíòîâ ðàâåí 1;âåñ ðîñòâåðêà è ãðóíòà íà óñòóïàõ=18,5+71,73=90,23 êÍ


3.4 Êîíñòðóèðîâàíèå ðîñòâåðêà

Ìèíèìàëüíîå ðàññòîÿíèå ìåæäó ñâàÿìè 3d, d - äèàìåòð ïîïåðå÷íîãî ñå÷åíèÿ ñâàè. Ðàññòîÿíèå â ñâåòó îò êðàÿ ñâàè äî êðàÿ ðîñòâåðêà äîëæíî áûòü íå ìåíåå 5 ñì. Ïðîâåðêà óñèëèé, ïåðåäàâàåìûõ íà ñâàþ:

 êÍ < 222,77êÍ

Ãäå N - íàãðóçêà- êîëè÷åñòâî ñâàé

Îïðåäåëÿåì ïåðåãðóç:

 % >5%-ôóíäàìåíò ïîäîáðàí âåðíî

Ðèñóíîê 8.

3.5 Ðàñ÷åò îñàäêè ñâàéíîãî ôóíäàìåíòà

Îïðåäåëÿåì ñðåäíåâçâåøåííîå çíà÷åíèå óãëà âíóòðåííåãî òðåíèÿ


 - ðàñ÷åòíîå çíà÷åíèå, ñîîòâåòñòâåííî óãëà âíóòðåííåãî òðåíèÿ i ñëîÿ, ïðîðåçàåìîãî ñâàåé è òîëùèíà i-îãî ñëîÿ1=1,6 ì, φ1=23, h2=1,7 ì

φ2=173=2,05 ì

φ3=27

Îïðåäåëÿåì ðàçìåðû ïîäîøâû óñëîâíîãî ôóíäàìåíòà


 

Ðèñóíîê 9.                                                Ðèñóíîê 10.

Îïðåäåëÿåì âåñ óñëîâíîãî ôóíäàìåíòà:

2,71*3,99*(1,6*20,1+0,5*18,9+1,2*10,185+2,05*9,65)=795,04êÍ

Äàâëåíèå íà ãðóíò îò óñëîâíîãî ôóíäàìåíòà:

=(1200+795,04)/10,8=184,73 êÏà

Îïðåäåëÿåì ðàñ÷åòíîå ñîïðîòèâëåíèå ãðóíòà R, ðàñïîëîæåííîãî íèæå óñëîâíîãî ôóíäàìåíòà

c - ãëóáèíà çàëîæåíèÿ óñëîâíîãî ôóíäàìåíòà;

γ11=(9,65*1,85+19,8*4,7)/(1,85+4,7)=16,93 êÍ/ì3 - îñðåäíåííîå çíà÷åíèå óäåëüíîãî âåñà ãðóíòîâ ïîä ïîäîøâîé ôóíäàìåíòà

γ111=(2,05*9,65+1,2*10,185+0,5*18,9+1,6*20,1)/(2,05+1,2+0,5+1,6)=13,76 êÍ/ì3 - âûøå ïîäîøâû ôóíäàìåíòà

γc1, γc2 - êîýôôèöèåíòû óñëîâèÿ ðàáîòû

γc1=1,3

γc2=1,3

ê - êîýôôèöèåíò ïðèíèìàåìûé ðàâíûì 1.

ê=1

Ìγ, Ìq, Ìñ - êîýôôèöèåíòû, ïðèíèìàåìûå â çàâèñèìîñòè îò óãëà âíóòðåííåãî òðåíèÿ φ =270 Ñ

Ìγ =0,91, Ìq =4,64, Ìñ =7,14.

êz - êîýôôèöèåíò, ïðèíèìàåìûé ðàâíûì 1, ò. ê.  < 10 ì.II - ðàñ÷åòíîå çíà÷åíèå óäåëüíîãî ñöåïëåíèÿ ãðóíòà, çàëåãàþùåãî íåïîñðåäñòâåííî ïîä ïîäîøâîé ôóíäàìåíòà.

184,73 êÏà<R=647,57 êÏà - òðåáîâàíèå âûïîëíÿåòñÿ.

Ðàñ÷åò îñàäêè âûïîëíÿåì ìåòîäîì ïîñëîéíîãî ñóììèðîâàíèÿ.

. Îïðåäåëÿåì îðäèíàòû ýïþðû.

) Íà ïîâåðõíîñòè çåìëè:

Äîïîëíèòåëüíîå âåðòèêàëüíîå íàïðÿæåíèå:

) Âåðòèêàëüíîå íàïðÿæåíèå îò ñîáñòâåííîãî âåñà ãðóíòà íà óðîâíå ïîäîøâû 1-ãî ñëîÿ:

= êÏà

Äîïîëíèòåëüíîå âåðòèêàëüíîå íàïðÿæåíèå:  êÏà

) Âåðòèêàëüíîå íàïðÿæåíèå îò ñîáñòâåííîãî âåñà ãðóíòà íà óðîâíå ãðóíòîâûõ âîä:

= êÏà

 êÏà

) Âåðòèêàëüíîå íàïðÿæåíèå îò ñîáñòâåííîãî âåñà ãðóíòà íà óðîâíå ïîäîøâû 2-ãî ñëîÿ:

= êÏà

 êÏà 5) Âåðòèêàëüíîå íàïðÿæåíèå îò ñîáñòâåííîãî âåñà ãðóíòà íà óðîâíå ïîäîøâû óñëîâíîãî ôóíäàìåíòà:

= êÏà

 êÏà

) Âåðòèêàëüíîå íàïðÿæåíèå îò ñîáñòâåííîãî âåñà ãðóíòà íà óðîâíå ïîäîøâû 3-ãî ñëîÿ:

= êÏà

 êÏà

) Âåðòèêàëüíîå íàïðÿæåíèå îò ñîáñòâåííîãî âåñà ãðóíòà íà êðîâëå âîäîóïîðà:

 êÏà

 êÏà

 êÏà

) Âåðòèêàëüíîå íàïðÿæåíèå îò ñîáñòâåííîãî âåñà ãðóíòà íà ïîäîøâå 4-ãî ñëîÿ:

 êÏà

 êÏà

2.      Îïðåäåëÿåì äîïîëíèòåëüíîå äàâëåíèå íà ïîäîøâó ôóíäàìåíòà.

;

 êÏà.

3.      Îïðåäåëÿåì ýëåìåíòàðíóþ âûñîòó ñëîÿ.

;

 ì.

4.      Ðàçáèâàåì ãðóíòîâóþ òîëùó îò ïîäîøâû íà ýëåìåíòàðíûå ñëîè.

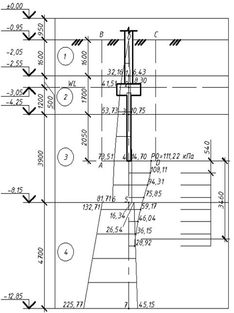
.        Îïðåäåëÿåì íàïðÿæåíèÿ íà êàæäîì ýëåìåíòàðíîì ñëîå. Äëÿ ýòîãî ñîñòàâèì òàáëèöó:

Òàáëèöà 5.

¹

Íàèìåíîâàíèå ñëîÿ

zi, ì

hi, ì



 êÏà

Eo, êÏà









1

Ïåñîê ìåëêèé ñðåäíåé ïëîòíîñòè íàñûùåííûé âîäîé å=0,72

0

5,35

0

1

111,22

18000

2


0,54

5,89

0,4

0,972

108,11


3


1,08

6,43

0,8

0,848

94,31


4


1,62

6,97

1,2

0,682

75,85


5

Ãëèíà ïîëóòâ¸ðäàÿ å=0,73

2,16

7,51

1,6

0,532

59,17

21000

6


2,7

8,05

2,0

0,414

46,04


7


3,24

8,59

2,4

0,325

36,15


8


3,78

9,13

2,8

0,260

28,92



.        Îïðåäåëÿåì îñàäêó ôóíäàìåíòà.

,

ãäå  - êîððåêòèðóþùèé êîýôôèöèåíò,

- ìîäóëü äåôîðìàöèè,

- ñðåäíåå íàïðÿæåíèå â i-îì ñëîå.

Âûâîä: îñàäêà óäîâëåòâîðÿåò óñëîâèþ, ñëåäîâàòåëüíî äîïóñòèìà.

Ðèñóíîê 11.

Ñïèñîê ëèòåðàòóðû

1. ÑÍèÏ 2.02.01-83. Îñíîâàíèÿ çäàíèé è ñîîðóæåíèé. Ì.: Ñòðîéèçäàò, 1983 ã.

. Áåðëèíîâ Ì.Â. Îñíîâàíèÿ è ôóíäàìåíòû. Ì.: Âûñøàÿ øêîëà, 1988ã.-319 ñ.

. Ãóñåâà Â. È. Ìåòîäè÷åñêèå óêàçàíèÿ «Ìåõàíèêà ãðóíòîâ, îñíîâàíèÿ è ôóíäàìåíòû». Ì.: Èçäàòåëüñòâî Âñåñîþçíîãî çàî÷íîãî ïîëèòåõíè÷åñêîãî èíñòèòóòà, 1991 ã.-50ñ.

. Óõîâ Ñ. Á., Ñåìåíîâ Â. Â., Çíàìåíñêèé Â. Â. è äð. Ìåõàíèêà ãðóíòîâ, îñíîâàíèÿ è ôóíäàìåíòû. Ì.: Èçäàòåëüñòâà ÀÑÂ, 1994 ã.-527 ñ.

. Äàëìàòîâ Á. È. Ìåõàíèêà ãðóíòîâ, îñíîâàíèÿ è ôóíäàìåíòû. Ì.: Ñòðîéèçäàò, 1981 ã.-319ñ.

. ÑÍèÏ 2.02.03-85. Ñâàéíûå ôóíäàìåíòû / Ãîññòðîé ÑÑÑÐ. - Ì.: ÖÈÒÏ Ãîññòðîÿ ÑÑÑÐ, 1983 ã.

. ÑÍèÏ 2.01.01-82. Ñòðîèòåëüíàÿ êëèìàòîëîãèÿ è ãåîôèçèêà / Ãîññòðîé ÑÑÑÐ. - Ì.: ÖÈÒÏ Ãîññòðîÿ ÑÑÑÐ, 1987 ã.

. ÑÍèÏ 25100-95. Ãðóíòû. Êëàññèôèêàöèÿ. - Ì.: Èç-âî ñòàíäàðòîâ, 1986 ã.

Ðàçìåùåíî íà Allbest.ru