Материал: Расчёт и проектирование фундаментов различного заложения

Внимание! Если размещение файла нарушает Ваши авторские права, то обязательно сообщите нам

2.3 Расчет осадки фундамента методом послойного суммирования

1.      Определяем природное и вспомогательное напряжение от собственного веса грунта.

 - природное

- вспомогательное

Определяем удельный вес грунтов:

ρ·g =2,01·10=20,1 кН/м3

ρ·g =1,89·10=18,9 кН/м3

Так как во втором слое грунта проходит уровень грунтовых вод, то удельный вес  необходимо пересчитать с учётом взвешивающего действия воды.

γsb2= кН/м3

Аналогично

γsb3= кН/м3

ρ·g =1,98·10=19,8 кН/м3

1) На поверхности земли:

Дополнительное вертикальное напряжение

) Вертикальное напряжение от собственного веса грунта на подошве фундамента:

= кПа

Дополнительное вертикальное напряжение

 кПа

) Вертикальное напряжение от собственного веса грунта на уровне подошвы 1-го слоя:

= кПа

 кПа

) Вертикальное напряжение от собственного веса грунта на уровне грунтовых вод:

= кПа

 кПа

) Вертикальное напряжение от собственного веса грунта на уровне подошвы 2-го слоя:

= кПа

 кПа

) Вертикальное напряжение от собственного веса грунта на уровне подошвы 3-го слоя:

= кПа

 кПа

) Вертикальное напряжение от собственного веса грунта на кровле водоупора:

 кПа

 кПа

 кПа

) Вертикальное напряжение от собственного веса грунта на подошве 4-го слоя:

 кПа

 кПа

. Определяем дополнительное давление на подошву фундамента


 кПа

. Сжимающую толщу грунта ниже подошвы фундамента разбиваем на элементарные слои высотой zi Определяем высоту элементарного слоя :


 м < 0,3м, следовательно zi=0,4 м

. Определяем напряжение на каждом элементарном слое.

Для этого составляем таблицу.

Таблица 4.

Наименование слоя

zi, м

hi, м



кПа

Eo, кПа









1

Супесь твёрдая IL=-2,46 е=0,42

0

1,1

0

1

190,08

32000

2


0,4

1,5

0,8

0,881

167,46


3

Суглинок тугопластичный IL=0,48 е=0,62

0,8

1,9

1,6

0,642

122,03

19000

4


1,2

2,3

2,4

0,477

90,67


5


1,6

2,7

3,2

0,374

71,09


6


2,0

3,1

4,0

0,306

58,16


7

Песок мелкий средней плотности насыщенный водой е=0,72

2,4

3,5

4,8

0,258

49,04

18000

8


2,8

3,9

5,6

0,223

42,39


9


3,2

4,3

6,4

0,196

37,26


10


3,6

4,7

7,2

0,175

33,26


11


4,0

5,1

8,0

0,158


12


4,4

5,5

8,8

0,143

27,18


13


4,8

5,9

9,6

0,132

25,09


14


5,2

6,3

10,4

0,122

23,19


15


5,6

6,7

11,2

0,113

21,48


16


6,0

7,1

12,0

0,106

20,15



. Определяем осадку фундамента.


где β=0,8 - коэффициент бокового расширения,

- модуль деформации,

- среднее напряжение в i-ом слое.

1,36 см < 8 см

Вывод: осадка удовлетворяет условию, следовательно, допустима.

Рисунок 3.

2.4 Ðàñ÷åò îñàäêè ôóíäàìåíòà ìåòîäîì ýêâèâàëåíòíîãî ñëîÿ (ìåòîä Öûòîâè÷à)

. Íàéäåì êîýôôèöèåíò îòíîñèòåëüíîé ñæèìàåìîñòè ïî ôîðìóëå:

-êîýôôèöèåíò ñæèìàåìîñòèêîýôôèöèåíò ïîðèñòîñòè

êÏà-1

 êÏà-1

 êÏà-1

. Îïðåäåëèì ìîùíîñòü ýêâèâàëåíòíîé ýïþðû ïî ôîðìóëå:

=2,60 - êîýôôèöèåíò ýêâèâàëåíòíîãî ñëîÿ (ïðè êîýôôèöèåíòå Ïóàññîíà = 0,3- äëÿ ïåñêîâ è ñóïåñåé)=1 ì - øèðèíà ïîäîøâû ôóíäàìåíòà

. Îïðåäåëÿåì âåëè÷èíó ñæèìàþùåé òîëùè ïî ôîðìóëå:

. Ñòðîèì ýïþðó è îïðåäåëÿåì çíà÷åíèÿ hi è zi

Ðèñóíîê 4.

=0,5 ì z1=4,95 ì=1,7 ì z2=3,85 ì=3,0 ì z3=1,5 ì

. Îïðåäåëÿåì ñðåäíåå çíà÷åíèå êîýôôèöèåíòà îòíîñèòåëüíîé ñæèìàåìîñòè:


. Îïðåäåëÿåì îñàäêó ôóíäàìåíòà:


Âûâîä: 0,465 ñì <8 ñì, ÷òî óäîâëåòâîðÿåò óñëîâèþ S<Su

.5 Ðàñ÷åò çàòóõàíèÿ îñàäêè âî âðåìåíè

Âåëè÷èíà ñæèìàåìîé òîëùè:

Âåëè÷èíà îñàäêè:

Îïðåäåëåíèå ñðåäíåãî çíà÷åíèÿ êîýôôèöèåíòà ôèëüòðàöèè:


Îïðåäåëåíèå êîýôôèöèåíòà êîíñîëèäàöèè:

Îïðåäåëåíèå ïåðèîäà êîíñîëèäàöèè:



U

N

t=N*T, ãîä

St=S*U, ñì

0,2

0,02

0,06

0,09

0,4

0,13

0,42

0,19

0,6

0,42

1,34

0,28

0,8

1,08

3,46

0,37

0,95

2,54

8,13

0,44


Ðèñóíîê 5. Ãðàôèê çàòóõàíèÿ îñàäêè âî âðåìåíè.

3. Ðàñ÷åò ñâàéíîãî ôóíäàìåíòà

.1 Âûáîð ãëóáèíû çàëîæåíèÿ ðîñòâåðêà, íåñóùåãî ñëîÿ ãðóíòà è êîíñòðóêöèè ñâàè

Ãëóáèíó çàëîæåíèÿ ðîñòâåðêà ïðèíèìàåì êîíñòðóêòèâíî d=2,45 ì.

Âûñîòà ðîñòâåðêà ïðèíèìàåì 0,5 ì

Ïðèíèìàåì ãëóáèíó çàäåëêè ñâàè â ðîñòâåðê ∆Z=0,1 ì

Ðèñóíîê 6.

Ïðèíèìàåì ñå÷åíèå ñâàè:

30 ñì  30 ñì, ò. å. 0,3 ì  0,3 ì

äëèíó ñâàè ïðèíèìàåì 3 ì

.2 Îïðåäåëÿåì íåñóùóþ ñïîñîáíîñòü è ñèëû ðàñ÷¸òíîãî ñîïðîòèâëåíèÿ ñâàè ïî ìàòåðèàëó è ãðóíòó

.Îïðåäåëåíèå ñèëû ðàñ÷åòíîãî ñîïðîòèâëåíèÿ ñâàè ïî ìàòåðèàëó:

, ãäå

 - êîýôôèöèåíò óñëîâèé ðàáîòû ñâàè â ãðóíòå;

 - êîýôôèöèåíò ïðîäîëüíîãî èçãèáà (çàâèñèò îò âèäà ðîñòâåðêà);

- êîýôôèöèåíò ðàáîòû áåòîíà (çàâèñèò îò ñïîñîáà ïîãðóæåíèÿ ñâàè);

- ðàñ÷åòíîå ñîïðîòèâëåíèå áåòîíà;

- ïëîùàäü ñå÷åíèÿ ñâàè;

- ðàñ÷¸òíîå ñîïðîòèâëåíèå àðìàòóðû;

- ïëîùàäü ïîïåðå÷íîãî ñå÷åíèÿ àðìàòóðû.

 =1

 =1

=1

=8,5ÌÏà

=225ÌÏà

=0,09 ì2

=4,52*10-4 ì2

.Îïðåäåëåíèå ñèëû ðàñ÷åòíîãî ñîïðîòèâëåíèÿ ñâàè ïî ãðóíòó:


- íåñóùàÿ ñïîñîáíîñòü ñâàè ïî ãðóíòó;

=1 - êîýôôèöèåíò óñëîâèÿ ðàáîòû ñâàè â ãðóíòå;

, - êîýôôèöèåíòû óñëîâèÿ ðàáîòû ãðóíòà ñîîòâåòñòâåííî ïîä íèæíèì êîíöîì ñâàè è ïî å¸ áîêîâîé ïîâåðõíîñòè.

=1, =1 ïî ÑÍèÏ.- ðàñ÷åòíîå ñîïðîòèâëåíèå ãðóíòà ïîä íèæíèì êîíöîì ñâàè;

À - ïëîùàäü îïèðàíèÿ ñâàè íà ãðóíò (ïëîùàäü ñå÷åíèÿ ñâàè);- íàðóæíûé ïåðèìåòð ïîïåðå÷íîãî ñå÷åíèÿ ñâàè;i - ðàñ÷åòíîå ñîïðîòèâëåíèå i-òîãî ñëîÿ ãðóíòà ïî áîêîâîé ïîâåðõíîñòè ñâàè;i - òîëùèíà i-òîãî ñëîÿ ãðóíòà;

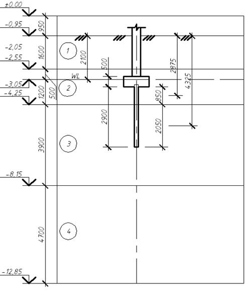
; ì2;  ì;1 =20 êÏà h1=0,85 ì2 = 38 êÏà h2=2,05 ì

.Îïðåäåëåíèå ñèëû ðàñ÷åòíîãî ñîïðîòèâëåíèÿ ñâàè ïî ãðóíòó:

RS - ñèëà ðàñ÷åòíîãî ñîïðîòèâëåíèÿ ñâàè ïî ãðóíòó;

γk - êîýôôèöèåíò íàäåæíîñòè, íàçíà÷àåìûé â çàâèñèìîñòè îò ìåòîäà îïðåäåëåíèÿ íåñóùåé ñïîñîáíîñòè ñâàè;

γk=1,4

 êÍ.

Ðèñóíîê 7.

3.3    Îïðåäåëåíèå ïðèáëèæ¸ííîãî âåñà ðîñòâåðêà è ÷èñëà ñâàé


ãäå NII - íàãðóçêà âåðòèêàëüíàÿ ïî îáðåçó ôóíäàìåíòà ïî 1 ãðóïïå ïðåäåëüíûõ ñîñòîÿíèé,

Îïðåäåëåíèå ñðåäíåãî äàâëåíèÿ íà îñíîâàíèå ïîä ðîñòâåðêîì:

- äèàìåòð ñâàè

Îïðåäåëåíèå ïëîùàäè ïîäîøâû ðîñòâåðêà Ag


γf - êîýôôèöèåíò íàäåæíîñòè ïî ãðóíòó,

γm - êîýôôèöèåíò ñðåäíåãî çíà÷åíèÿ óäåëüíîãî âåñà ìàòåðèàëà ðîñòâåðêà è ãðóíòà íà óñòóïàõ.

γm ñ ïîäâàëîì - 17 êÍ/ì3

dg - ãëóáèíà çàëîæåíèÿ ðîñòâåðêà

γf=1,1