Материал: Расчет и подбор оборудования штанговых скважинных насосных установок

Внимание! Если размещение файла нарушает Ваши авторские права, то обязательно сообщите нам

Расчет и подбор оборудования штанговых скважинных насосных установок

Министерство образования и науки

Филиал государственного образовательного учреждения

Высшего профессионального образования

"Российский государственный университет нефти и газа имени И.М. Губкина" в г. Оренбурге







Контрольная работа

по дисциплине "Оборудование для добычи нефти"

Тема: Расчет и подбор оборудования штанговых скважинных насосных установок



Выполнил:

студент группы ОРГб-10-01

Кротов П.В.

Преподаватель: Ахмедзянов О.Х.



г. Оренбург, 2016 г.

Содержание

1. Состояние применения ШСНУ в современных условиях

2. Схема ШСНУ

3. Скважинные штанговые насосы

4. Расчет и подбор оборудования ШСНУ

5. Характеристика работы насосных штанг

Список литературы

1. Состояние применения ШСНУ в современных условиях


В России к началу 90-х годов из всего комплекса оборудования ШСНУ производились только насосные штанги (ОАО "Мотовилихинские заводы", г. Пермь, "Очерский машиностроительный завод", г. Очер Пермской области). Отсутствие производства необходимого оборудования вынуждало нефтяные компании осуществлять его закупки по импорту у западных фирм: "Лафкин" и "Трайко" (США), "Шеллер-Блекман" (Австрия) и др. опыт эксплуатации оборудования показал, что его качество и технологические возможности значительно превосходили параметры ранее использовавшегося оборудования, которое получали с бакинских заводов.

В этих условиях встала задача быстрой разработки и освоения серийного производства российскими заводами высококачественного оборудования, которое ранее в нашей стране не выпускалось. При этом из-за отсутствия своих современных стандартов на нефтепромысловое оборудование отечественные производители ориентировались на принятые в "нефтяном мире" стандарты Американского нефтяного института, кстати, далеко не во всем превосходившие старые советские ГОСТы и ОСТы. Три российских предприятия "Уралтрансмаш" (г. Екатеринбург), "Ижнефтемаш" (г. Ижевск) и "Очерский машиностроительный завод" - провели комплексную аттестацию производства и получили на свои изделия сертификат Американского нефтяного института (API).

К настоящему времени российским заводам удалось практически полностью решить задачу серийного производства основных видов глубинно-насосного оборудования при значительном повышении качества их изготовления. Производство станков-качалок (СК) в различной комплектации освоили 11 заводов, выпускающих всю гамму этого оборудования грузоподъемностью от 3 до 12 т с длиной хода от 1,2 до 3,5 м и числом качаний от 1,2 до 10 двойных ходов в минуту. "Уралтрансмаш" освоило серийное производство станков-качалок улучшенной кинематики грузоподъемностью 6 и 8 т (длина хода 3,5 м), аналогичных "Марк П", выпускаемым фирмой "Лафкин", а также передвижных с приводом от автономного газового двигателя.

Штанговые глубинные насосы (ШГН) диаметром от 28 до 70 мм (вставные и трубные) серийно выпускаются 10 российскими заводами. Два предприятия "Ижнефтемаш" (г. Ижевск) и "Кубань-Аксельсон" (г. Краснодар) - выпускают насосы по стандарту API, а остальные пользуются его положениями в большей или меньшей степени. Изготовители ШГН приступили также к освоению серийного производства вспомогательного оборудования для глубинно-насосной эксплуатации скважин - газовых и песочных якорей, шламоуловителей, автосцепов, сбивных клапанов.

Пермская компания нефтяного машиностроения по документации "Техника и технология добычи нефти" изготовила опытную партию двухступенчатых насосов НН1Б-44-ДГ и НН1-57-ДП предназначенных для эксплуатации скважин с высоким газовым фактором. Конструкция насосов выполнена по принятым за рубежом схемам и реализована на базе впервые найденных в России технологических решений, которые позволяют значительно повысить эффективность работы оборудования.

Акционерные общества "Очерский машиностроительный завод" и "Мотовилихинские заводы" освоили серийное производство всей номенклатуры насосных штанг диаметром от 13 до 28 мм. Кроме того, "Очерский машиностроительный завод" начал производство насосных штанг с защитными протекторами различных конструкций и материального исполнения. Здесь проведен комплекс мероприятий по улучшению качества штанг, введена дробеструйная обработка с последующим нанесением антикоррозионного покрытия, осуществляется правка методом растяжения, "Мотовилихинские заводы" впервые в России приступили к выпуску улучшенных насосных штанг из проката повышенной точности исполнения М-2 для тяжелых условий эксплуатации. По своим техническим характеристикам штанги полностью соответствуют марке "Д" стандарта API.

В настоящее время созданные в России мощности по производству таких видов глубинно-насосного оборудования, как станки-качалки, ШГН и насосные штанги, значительно превосходят потребность в них нефтедобывающих предприятий. Это дает возможность потребителю при закупке оборудования выбирать того поставщика, оборудование которого отвечает его требованиям как по цене, так и по качеству и техническому уровню. Освоенная отечественными предприятиями широкая гамма достаточно надежного оборудования ШСНУ по своим техническим показателям и качеству изготовления в значительной степени отвечает предъявляемым к нему технологическим требованиям, что позволяет практически полностью отказаться от его закупки за рубежом.

К основным проблемам в области производства оборудования для глубинно-насосной эксплуатации можно отнести следующие. Это, прежде всего, освоение серийного производства высокоточной трубной заготовки для цилиндра насоса, чтобы не приходилось ее импортировать. Далее речь идет об увеличении производства прутка из высоколегированной стали повышенной прочности для изготовления насосных штанг, имеющих наработку в искривленных скважинах с тяжелыми условиями эксплуатации до 30 млн. циклов.

Таким образом, имеющийся у нефтедобывающих предприятий широкий набор достаточно надежного оборудования позволяет им успешно эксплуатировать установками штанговых насосов скважины глубиной до 3500м в диапазоне подач от 0,5 до 100м3/сут.

2. Схема ШСНУ


Наиболее распространенный способ эксплуатации нефтяных скважин охватывает более 59% действующего фонда скважин. Отбор жидкости этим способом составляет от нескольких сот килограммов до сотен тонн в сутки при различной глубине спуска насоса в скважину.

Штанговая насосная установка (рис.2.2) состоит из скважинного насоса 2 вставного или невставного типов, насосных штанг 4, насосно-компрессорных труб 3, подвешенных на планшайбе или в трубной подвеске устьевой арматуры 5, сальникового уплотнения 6, сальникового штока 7, станка качалки 8 и фундамента 9. На приеме скважинного насоса устанавливают защитное приспособление в виде газового или песочного фильтра 1.

Насос 2 спускают в скважину под уровень жидкости

Возвратно-поступательное движение плунжера насоса, подвешенного на штангах, обеспечивает подъем жидкости на поверхность. При наличии парафина в продукции скважины на штангах устанавливают скребки, очищающие внутренние стенки насосно-компрессорных труб. В зависимости от глубины скважины, дебита и других факторов подбирают тип станка-качалки, диаметр насосно-компрессорных труб, штанг и скважинного насоса, устанавливают необходимую длину хода и число качаний в минуту.

Вставные скважинные насосы наиболее эффективно применять в глубоких скважинах с относительно небольшими межремонтными периодами. Невставные насосы эффективней применять в скважинах относительно небольшой глубины с большими межремонтными периодами.

Штанговый скважинный насос состоит из цилиндра, плунжера, всасывающего и нагнетательного клапанов. Цилиндр насоса крепится к НКТ. На нижнем конце цилиндра установлен неподвижный всасывающий клапан, открывающийся при ходе плунжера вверх. Плунжер пустотелый (со сквозным каналом) имеет нагнетательный шариковый клапан, открывающийся при ходе плунжера вниз.

Электродвигатель через клиноременную передачу и редуктор придает двум массивным кривошипам, расположенным с двух сторон редуктора, круговое движение. Кривошипно-шатунный механизм в целом превращает круговое движение в возвратно-поступательное движение балансира, который качается на опорной оси. Балансир сообщает возвратно-поступательное движение штангам и через них плунжеру насоса.

При ходе плунжера вверх нагнетательный клапан под действием жидкости закрывается и вся жидкость, находящаяся над плунжером, поднимается вверх на высоту, равную длине хода плунжера. В это время скважинная жидкость через всасывающий клапан заполняет цилиндр насоса.

Рис. 2.2 Схема штанговой скважинной насосной установки

- фильтр; 2 - скважинный насос; 3 - насосно-компрессорные трубы; 4 - насосные штанги; 5 - тройник; 6 - устьевой сальник; 7 - сальниковый шток; 8 - станок-качалка; 9 - фундамент

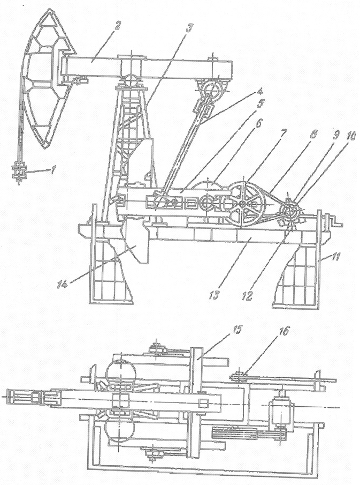
Станки-качалки

Станок-качалка - балансирный индивидуальный механический привод штангового скважинного насоса.

Рис. 2.3 Станок-качалка типа СКД

- подвеска устьевого штока; 2 - балансир с опорой; 3 - стойка; 4 - шатун; 5 - кривошип; 6 - редуктор; 7 - ведомый шкив; 8 - ремень; 9 - электродвигатель; 10 - ведущий шкив; 11 ограждение; 12 - поворотная плита; 13 - рама; 14 - противовес; 15 - траверса; 16 - тормоз.

Станок-качалка каждого типа характеризуется максимальными допустимыми нагрузками на устьевой шток, длиной хода устьевого штока и крутящим моментом на кривошипном валу редуктора.

Станки-качалки выпускают двух исполнений: СК семи типоразмеров и СКД шести типоразмеров. Технические характеристики станков-качалок и их области применения приведены в табл.2.4 и 2.5.

Таблица 2.4

Станок-качалка

Показатели


Номинальная нагрузка (на устьевом штоке), кН

Номинальная длина хода устьевого штока, м

Число ходов балансира в минуту

Масса, кг

СКЗ-1, 2-630

30

1,2

5-15

3787

СК5-3-2500

50

3

5-15

9500

СК6-2Д-2500

60

2,1

5-15

8600

СК12-2,5-4000

120

5-15

14415

СК8-3,5-4000

80

3,5

5-12

14200

СК8-3,5-5600

80

3,5

5-12

14245

СКЮ-3-5600

100

3

5-12

14120


Таблица 2.5

Станок-качалка

Показатели


Номинальная нагрузка (на устьевом штоке), кН

Номинальная длина хода устьевого штока, м

Число ходов балансира в минуту

Масса, кг

СКДЗ-1,5-710

30

1,5

5-15

3270

СКД4-2Д-1400

40

2,1

5-15

6230

СКД6-2,5-2800

60

2,5

5-14

7620

СКД8-3-4000

80

3

5-14

11600

СКДЮ-3,5-5600

100

3,5

5-12

12170

СКД12-3-5600

120

3

5-12

12065


Отличительные особенности станков-качалок типа СКД: кинематическая схема преобразующего механизма несимметричная (дезаксиальная) с углом дезаксиал 9° с повышенным кинематическим отношением 0,6; меньшие габариты и масса; редуктор установлен непосредственно на раме станка-качалки без подредукторной тумбы.

В шифре станка-качалки типа СК, например СК6-2,1-2500 указано: 6 - наибольшая допускаемая нагрузка на головку балансира в точке подвеса штанг в тоннах (1т = 10 кН); 2,1 - наибольшая длина хода устьевого штока в м; 2500 - наибольший допускаемый крутящий момент на ведом валу редуктора в кгс*м (1 кгс*м = 10-2 кН*м).

3. Скважинные штанговые насосы


Скважинные штанговые насосы предназначены для откачивания из нефтяных скважин жидкости обводненностью до 99%, температурой не более 130°С, содержанием сероводорода не более 50 мг/л, минерализацией воды не более 10 г/л. Рекомендуемая область применения штанговых насосов приведена в таблице 2.6.

Таблица 2.6

Насос

Условный диаметр, мм

Длина хода плунжера, мм

Концентрация механических примесей, г/л

Вязкость добываемой жидкости, Па*с, не более

Объемное содержание свободного газа, %, не более

Водородный показатель рН

НВ1Б

29, 32, 38,

1200-6000






44,57






НВ2Б

1800-6000






57






НН2Б

32, 44, 57,

1200-4500

<1,3



4,2-6,8


70, 95






НВ1С

29, 32, 38,

1200-3500






44, 57






НН1С

29, 32, 38,

900


0,025

10



44, 57






НН2БУ

44, 57

1800-3500





ННБА

70, 95, 102

2500-4500





НВ1БИ

29, 32, 38,

1200-6000






44,57






НН2БИ

32, 44, 57,

1200-4500

>1,3



6-8


70,95






НВ1ВТИ

44,57

1200-3000





НН2БТИ

44,57

1200-3000





НВ1БД1

38/57, 57/44

1800-3500


0,3



ННБД1

44/29,57/31,

1800-3500

<1,3


25

4,2-6,8


70.44






НВ1БД2

38.57

1800-3500


0,025




Скважинные насосы имеют вертикальную конструкцию одинарного действия с неподвижным цилиндром, подвижным металлическим плунжером и шариковыми клапанами. Насосы спускают в скважину на штангах и насосно-компрессорных трубах. Скважинные насосы изготовляют следующих типов (рис. 2.4):

НВ1 - вставные с замком наверху;

НВ2 - вставные с замком внизу;

НН - невставные без ловителя;

НН1 - невставные с захватным штоком;

НН2 - невставные с ловителем

Рис. 2.4 Скважинные штанговые насосы

Выпускают насосы следующих конструктивных исполнений:

а) по цилиндру:

Б - с толстостенным цельным (безвтулочным) цилиндром;

С - с составным (втулочным) цилиндром;

б) - специальные:

Т - с полым (трубчатым) штоком для подъема жидкости по каналу колонны трубчатых штанг;

А - со сцепляющим устройством (только для насосов типа НН), обеспечивающим сцепление колонны насосных штанг с плунжером насоса;

Д2 - двухступенчатые, двухплунжерные, обеспечивающие двухступенчатое сжатие откачиваемой жидкости;

У - с разгруженным цилиндром (только для насосов типа НН2), обеспечивающим снятие с цилиндра циклической нагрузки при работе.

Насосы всех исполнений, кроме Д1 и Д2, одноступенчатые, одноплунжерные.

в) по стойкости к среде:

без обозначения - стойкие к среде с содержанием механических примесей до 1,3 г/л - нормальные;

И - стойкие к среде с содержанием механических примесей более 1,3 г/л - абразивостойкие.

Скважинные штанговые насосы являются гидравлической машиной объемного типа, где уплотнение между плунжером и цилиндром достигается за счет высокой точности их рабочих поверхностей и регламентируемых зазоров. При этом в зависимости от размера зазора в паре "цилиндр-плунжер" выпускают насосы четырех групп посадок (табл.2.7).

Таблица 2.7

Группа посадки

Размер зазора между цилиндром и плунжером насоса в мм, при исполнении цилиндра


Б

С

0

<0,045

<0,045

1

0,01-0,07

0,02-0,07

2

0,06-0,12

0,07-0,12

3

0,11-0,17

0,12-0,17


Цилиндры насосов изготовляют двух исполнений:

ЦБ - цельный (безвтулочный), толстостенный;

ЦС - составной, из набора втулок, стянутых внутри кожуха переводниками.

Исходя из назначения и области применения скважинных насосов плунжеры и пары "седло-шарик" клапанов выпускают различных конструкций, материальных исполнений их рабочих поверхностей.

Плунжеры насосов изготовляют четырех исполнений:

П1Х - с кольцевыми канавками, цилиндрической расточкой на верхнем конце и с хромовым покрытием наружной поверхности;

ШХ - то же, без цилиндрической расточки на верхнем конце;

П1И - с кольцевыми канавками, цилиндрической расточкой на верхнем конце и упрочнением наружной поверхности напылением износостойкого порошка;

П2И - то же, без цилиндрической расточки на верхнем конце.

Скважинные насосы нормального исполнения по стойкости в среде, применяемые для подъема жидкости с незначительным содержанием (до 1,3 г/л механических примесей, комплектуются плунжерами исполнения П1Х или ШХ с парами "седло-шарик" исполнения К или КБ. Скважинные насосы абразивностойкого исполнения И, применяемые преимущественно для подъема жидкости, содержащей более 1,3 г/л механических примесей, комплектуются плунжерами исполнения П1И или П2И и парами "седло-шарик" исполнения КИ.

Конструктивно все скважинные насосы состоят из цилиндра, плунжера, клапанов, замка (для вставных насосов), присоединительных и установочных деталей, максимально унифицированных.

штанговая скважинная насосная установка

Скважинные насосы типа НВ1 выпускаются шести исполнений: НВ! С - вставной с замком наверху, с втулочным цилиндром исполнения ЦС, нормального исполнения по стойкости к среде;

НВ1Б - вставной с замком наверху, с безвтулочным цилиндром исполнения ЦБ, нормального исполнения по стойкости к среде;

НВ1БИ - то же, абразивостойкого исполнения по стойкости к среде;

НВ1БТИ - то же, с полым штоком;

НВ1БД1 - вставной с замком наверху, цельным цилиндром исполнения ЦБ, одноступенчатый, двухплунжерный, нормального исполнения по стойкости к среде;

НВ1БД2 - вставной с замком наверху, цельным цилиндром исполнения ЦБ, двухступенчатый, двухплунжерный, нормального исполнения по стойкости к среде.

Скважинные насосы, всех исполнений, кроме исполнения НВ1БД1 и НВ1БД2, одноплунжерные, одноступенчатые.

Скважинные насосы типа НВ2 изготовляют одного исполнения: НВ2Б - вставной с замком внизу, цельным цилиндром исполнения ЦБ, одноплунжерный, одноступенчатый, нормального исполнения по стойкости к среде.

Скважинные насосы типа НН выпускают двух исполнений:

ННБА - невставной без ловителя, с цельным цилиндром исполнения ЦБ, сцепляющим устройством, одноступенчатый, одноплунжерный, нормального исполнения по стойкости к среде.

ННБД1 - невставной без ловителя, с цельным цилиндром исполнения ЦБ, одноступенчатый, двухплунжерный, нормального исполнения по стойкости к среде.

Скважинные насосы типа НН1 изготовляют одного исполнения: НН1С - невставной с захватным штоком, составным цилиндром исполнения ЦС, нормального исполнения по стойкости к среде.

Скважинные насосы типа НН2 выпускают пяти исполнений:

НН2С - невставной с ловителем, составным цилиндром исполнения ЦС, нормального исполнения по стойкости к среде;

НН2Б - невставной с ловителем, цельным цилиндром исполнения ЦБ, нормального исполнения по стойкости к среде;

НН2БИ - то же, абразивостойкого исполнения по стойкости к среде;

НН2БТИ - то же, с полым штоком, абразивостойкого исполнения по стойкости к среде;

НН2БУ - невставной с ловителем, разгруженным цельным цилиндром исполнения ЦБ, нормального исполнения по стойкости к среде.

Все насосы типа НН2 - одноплунжерные, одноступенчатые.

4. Расчет и подбор оборудования ШСНУ


В конце фонтанирования дебит скважины составлял 12 т/сут. при обводнености продукции 54%, то есть дебит по нефти составлял 5,5 т/сут. После перевода скважины с фонтанного способа добычи на ШСНУ дебит возрос до значения 22 т/сут. при сохранении обводненности, дебит по нефти возрос до значения 10,1 т/сут.

Определить по данным исследования режим работы скважины оборудованной ШСНУ и подобрать оборудование, а также определить мощность и подобрать электродвигатель при следующих исходных данных по скважине:

Глубина спуска насоса, L, м 1080Дебит жидкости, Q1, т/сут.22 Плотность нефти, рн9 кг/м3 830Плотность пластовой воды, рв, кг/м3 1030. Обводненность продукции, пв9 % 54

Решение:

. Определяем плотность смеси:

Рcм = Рв*Пв + рнн (3.1)

где пн - доля нефти в продукции скважины,

пн = 1 - пв (3.2)

пн = 1 - 0,54 = 0,46

Рсм = 1030*0,54 + 830*0,46 = 937 кг/м3

. Переводим дебит из т/сут в м3/сут

      103Q1*

Q = - --- (3.3)

        Рсм

      10322*

     937

. По диаграмме Адонина выбираем тип станка-качалки и диаметр насоса в зависимости от планируемого дебита и глубины спуска насоса. Для наших условий нас устраивает 5СК-4-2Д-1600 с диаметром насоса 32 мм.

Проводим расшифровку СК: 5 - модификация СК;

. - наибольшая допускаемая нагрузка на головку балансира в тоннах или 40 кН; 2,1 - максимальная длина хода сальникового штока в м;

- наибольший допускаемый крутящий момент на ведомом валу редуктора в кгс*м или 16кН*м.

. Проводим выбор насоса по таблице в зависимости от глубины спуска насоса и планируемого дебита. Для наших условий подходит насос НСН2 с предельной глубиной спуска 1200 м. Выписываем техническую характеристику насоса:

вязкость жидкости до 25 мПа*с;

объемное содержание механических примесей не более 0,05 %;

условный размер насоса 32 мм;

идеальная подача при п = 10 мин-1 35 м3/сут;

максимальная длина хода плунжера 3 м;

максимальная высота подъема жидкости 1200 м

условный диаметр НКТ - 48 мм.

. Проводим выбор штанг по таблице в зависимости от диаметра насоса и глубины спуска. Для наших условий рекомендуется одноступенчатая колонна штанг диаметром 19 мм с предельной глубиной спуска 1170м изготовленных из углеродистой стали нормализованной при [Qпр] = 70МПа.

Вес 1 метра штанг диаметра 19 мм по таблице соответственно: q19 = 23,0535 Н

. С целью создания статического режима откачки и уменьшения нагрузки на головку балансира принимаем длину хода сальникового штока равную максимальной для данного СК S = 2,1 м.

. Определяем необходимое число качаний: n= (3.4)


где а - коэффициент подачи насоса, находится в пределах 0,7-0,8, принимаем а = 0,75;

Fпл - площадь сечения плунжера, определяется по формуле:

Fпл =п*d2/4 (3.5) Fпл = 3.14*0,0322/4 = 0,000804 м2

n = 13

. Определяем максимальную нагрузку на головку балансира:

Рмак = Рж + Рш* (в + м) (3.6)

где Рж - вес столба жидкости в НКТ,

рж = Fпл*L*Рсм*g (3.7)

Рж = 0,000804*1080*937*9,81 = 7982 Н

Рш - вес колонны насосных штанг,

Рш = q19*L (3.8)

Рш = 23,0535*1080 = 24900 Н

в - коэффициент потери веса штанг в жидкости,

в = Рш - Рсм Рш (3.9)

где рш - вес материала штанг, рш = 7850 кг/м,

в = 0,88

м - коэффициент динамичности,

     S* n2

м = ___- = (3.10)

     1440

м =  0,25

Рмак = 7982 + 24900* (0,88 + 0,25) = 36119 Н

Сравниваем полученное значение с допустимым для данного СК, так как 40 > 36,2, то данный СК нас устраивает.

. Определяем максимальный крутящий момент:

Мкр. мак = 300*S + 0,236*S* (Рмак - Рмин) (3.11)

Где рмин - минимальная нагрузка на головку балансира, определяем ее по формуле Милса:

Рмин= Pш* 1- (3.12)

Р =24900 * 1 - = 19963Н

Мкр. мак = 300*2,1 + 0,236*2,1* (36119 - 19963) = 8640 Н*м

. Сравниваем полученное значение с допустимым значением для данного СК, так как 16 > 8,64, то данный СК нас устраивает. Ю.

Определяем необходимую мощность электродвигателя СК:

N =0,401*10-4*p*d2*S*n*pсм*L*Kу* +а (3.13)

где Ку - коэффициент уравновешенности, для балансирных СК

Ку=1,2;

N = 0,401*10-4*3.14*0,0322*2,1*13*937*1080*1,2*{ +0.75}= 4,9кВт

По таблице выбираем стандартный электродвигатель АОП-52-4 мощностью 7 кВт, число оборотов в минуту 1440, к. п. д.86%.

. Рассчитываем напряжения в штангах. Обоснование конструкции штанговой колонны - наиболее ответственный этап проектирования установки, так как штанговая колонна - это тот элемент системы, который, в первую очередь, определяет длительность и безотказность работы установки в целом.

При нормальной работе насосной установки наибольшие напряжения действуют в точке подвеса штанг. Поэтому расчет ведем для штанг диаметром 19 мм.

.1 Определяем максимальное напряжение цикла:

 

мак ~ Рмак/fшт (2,14)

где fшт - площадь поперечного сечения штанг в точке подвеса, м2. Так как наибольшие нагрузки приходятся в верхней части колонны, берем диаметр верхней секции штанг.

fшт = 3,14*0,0192/4 = 2,83*10-4 м2 мак = 36119/2,83* Ю-4 = 127,6* 106 Па

= 127,6 МПа

.2 Определяем минимальное напряжение цикла:

 

мин = Рмин/fшт (2.15)

мин = 19963/2,83* 10-4 = 70,6*106Па = 70,6 МПа

.3 Определяем амплитудное напряжение цикла:

а = (мак - мин) /2 (2.16)

аа = (127,6 - 70,6) 72 = 28,5 МПа

 

סïð = 60, ЗМПа

Так как допускаемое приведенное напряжение для принятой колонны штанг [омак] = 70 МПа, а расчетное סïð = 60,3 МПа, то данная колонна штанг выбрана правильно.

5. Õàðàêòåðèñòèêà ðàáîòû íàñîñíûõ øòàíã


Íàñîñíûå øòàíãè ñëóæàò ñîåäèíèòåëüíûì çâåíîì ìåæäó íàçåìíûì èíäèâèäóàëüíûì ïðèâîäîì ñòàíêà-êà÷àëêè è ñêâàæèííûì íàñîñîì. Ê øòàíãàì ïðåäúÿâëÿþò ïîâûøåííûå òðåáîâàíèÿ, òàê êàê â ïðîöåññå ðàáîòû îíè èñïûòûâàþò çíà÷èòåëüíûå íàãðóçêè, èçìåíÿþùèåñÿ â øèðîêèõ ïðåäåëàõ â òå÷åíèå êàæäîãî õîäà ñòàíêà-êà÷àëêè.

Íàñîñíûå øòàíãè èçãîòîâëÿþò èç ñòàëåé ðàçíûõ ìàðîê, êîòîðûå äëÿ ïðèäàíèÿ ðàâíîïðî÷íîñòè ïîäâåðãàþò òåðìè÷åñêîé îáðàáîòêå (íîðìàëèçàöèè) è îáðàáîòêå òîêàìè âûñîêîé ÷àñòîòû (ÒÂ×).

Íàñîñíûå øòàíãè (òàáë. 2.8) ïðèìåíÿþò â âèäå êîëîíí, ñîñòàâëåííûõ èç îòäåëüíûõ, ñîåäèíåííûõ ïîñðåäñòâîì ìóôò, øòàíã.

Òàáëèöà 2.8

Øòàíãà

Íîìèíàëüíûé äèàìåòð

Ðàçìåðû êâàäðàòíîé ÷àñòè


øòàíãè

Ðåçüáû øòàíãè

ãîëîâêè

Øòàíãè


 (ïî òåëó)

 (íàðóæíûé)



ØÍ 16

16

23,824

35

22

ØÍ 19

19

26,999

35

27

ØÍ 22

22

30,17

35

27

ØÍ 25

25

34,936

42

32


Øòàíãîâûå ìóôòû âûïóñêàþò ñëåäóþùèõ òèïîâ:

ñîåäèíèòåëüíûå ÌØ - äëÿ ñîåäèíåíèÿ øòàíã îäèíàêîâûõ ðàçìåðîâ;

ïåðåâîäíûå ÌÒÒÒÏ - äëÿ ñîåäèíåíèÿ øòàíã ðàçíûõ ðàçìåðîâ.

Ìóôòû êàæäîãî òèïà èçãîòîâëÿþò â èñïîëíåíèè 1-å "ëûñêàìè" ïîä êëþ÷ è â èñïîëíåíèè II - áåç "ëûñîê".

Ìóôòû â îñíîâíîì èçãîòîâëÿþò èç óãëåðîäèñòîé ñòàëè ìàðîê 40 è 45. Ïðåäóñìàòðèâàåòñÿ òàêæå èçãîòîâëåíèå ìóôò èç ëåãèðîâàííîé ñòàëè ìàðêè 20Í2Ì äëÿ ýêñïëóàòàöèè â òÿæåëûõ óñëîâèÿõ. Ìóôòû, êàê ïðàâèëî, ïîäâåðãàþò ïîâåðõíîñòíîé òåðìîîáðàáîòêå ÒÂ×.

Øòàíãè ïîñòàâëÿþò ñ ïëîòíî íàâèí÷åííûìè íà îäèí êîíåö ìóôòàìè. Îòêðûòàÿ ðåçüáà øòàíãè è ìóôòû ïðåäîõðàíÿåòñÿ êîëïà÷êàìè èëè ïðîáêàìè.

Êàæäóþ øòàíãó ìàðêèðóþò íà äâóõ ïðîòèâîïîëîæíûõ ñòîðîíàõ êàæäîãî êâàäðàòà. Íà îäíó ñòîðîíó êâàäðàòà íàíîñÿò òîâàðíûé çíàê èëè óñëîâíîå îáîçíà÷åíèå ïðåäïðèÿòèÿ-èçãîòîâèòåëÿ è óñëîâíûé íîìåð ïëàâêè. Íà äðóãîé ñòîðîíå êâàäðàòà ïðîñòàâëÿþò ìàðêó ñòàëè, ãîä âûïóñêà, êâàðòàë è òåõíîëîãè÷åñêóþ ìàðêèðîâêó ïðåäïðèÿòèÿ èçãîòîâèòåëÿ. Øòàíãó, ïîäâåðãíóòóþ îáðàáîòêå ÒÂ×, ìàðêèðóþò íà òðåòüåé ñòîðîíå êàæäîãî êâàäðàòà áóêâîé "Ò".

Îñíîâíûå ïàðàìåòðû, èñïîëüçóåìûå ïðè âûáîðå êîëîííû íàñîñíûõ øòàíã äëÿ îáû÷íûõ óñëîâèé, - ýòî ìàêñèìàëüíàÿ íàãðóçêà íà øòàíãè è åå âîçìîæíûå êîëåáàíèÿ. Äëÿ áûñòðîãî è ïðàâèëüíîãî ïîäáîðà øòàíãîâûõ êîëîíí ñëåäóåò ïîëüçîâàòüñÿ òàáëèöàìè è ñïåöèàëüíûìè íîìîãðàììàìè.

Äëÿ îáåñïå÷åíèÿ íàèáîëüøåãî ñðîêà ñëóæáû íàñîñíûõ øòàíã òðåáóþòñÿ òùàòåëüíîå íàáëþäåíèå çà êàæäûì êîìïëåêòîì øòàíã, ñïóñêàåìûõ â ñêâàæèíó, è ñâîåâðåìåííàÿ îòáðàêîâêà íåãîäíûõ.

Íàñîñíûå øòàíãè è ìóôòû ê íèì âûïóñêàþò:

äëÿ ëåãêèõ óñëîâèé ðàáîòû - èç ñòàëè ìàðêè 40, íîðìàëèçîâàííûå;

äëÿ ñðåäíèõ è ñðåäíåòÿæåëûõ óñëîâèé ðàáîòû - èç ñòàëè ìàðêè 20Í2Ì, íîðìàëèçîâàííûå;

äëÿ òÿæåëûõ óñëîâèé ðàáîòû - èç ñòàëè ìàðêè 40, íîðìàëèçîâàííûå ñ ïîñëåäóþùèì ïîâåðõíîñòíûì óïðî÷íåíèåì òåëà øòàíãè ïî âñåé äëèíå ÒÂ× è èç ñòàëè ÇÎÕÌÀ, íîðìàëèçîâàííûå ñ ïîñëåäóþùèì âûñîêèì îòïóñêîì è óïðî÷íåíèåì òåëà øòàíãè ïî âñåé äëèíå ÒÂ×;

äëÿ îñîáî òÿæåëûõ óñëîâèé ðàáîòû - èç ñòàëè ìàðêè 20Í2Ì, íîðìàëèçîâàííûå ñ ïîñëåäóþùèì óïðî÷íåíèåì òåëà øòàíãè ÒÂ×. Äàííûå î ìåõàíè÷åñêèõ ñâîéñòâàõ ìàòåðèàëîâ øòàíã ïðèâåäåíû â òàáëèöå 2.9

ÃÎÑÒ ïðåäóñìàòðèâàåò èçãîòîâëåíèå øòàíã äèàìåòðîì 12; 16; 19; 22 è 25 ìì äëèíîé 8 ì. Äîïóñêàåòñÿ âûïóñê øòàíã äëèíîé 7,5 ì â êîëè÷åñòâå íå áîëåå 8 % îò ÷èñëà øòàíã äëèíîé 8 ì. Êðîìå øòàíã íîðìàëüíîé äëèíû, äëÿ ïîäáîðà íåîáõîäèìîé äëèíû ïîäâåñêè èçãîòîâëÿþò øòàíãè óêîðî÷åííûå äëèíîé 1; 1,2; 1,5; 2 è Çì

Òàáëèöà 2.9

Ìàðêè ñòàëè

Âèä òåðìè÷åñêîé îáðàáîòêè

Âðåìåííîå ñîïðîòèâëåíèå ðàçðûâó, ÌÏà

Ïðåäåë òåêó÷åñòè, ÌÏà

Îòíîñèòåëüíîå óäëèíåíèå, %

40

Íîðìàëèçàöèÿ èëè íîðìàëèçàöèÿ

570

320

16

20Í2Ì

ñ ïîñëåäóþùèì ïîâåðõíîñòíûì óïðî÷íåíèåì íàãðåâîì ÒÂ× Òî æå

600

390

21


Îáúåìíàÿ çàêàëêà è âûñîêèé

630

520

ÇÎÕÌÀ

îòïóñê Íîðìàëèçàöèÿ è âûñîêèé îòïóñê

610

400

20

15ÍÇÌÀ

ñ ïîñëåäóþùèì ïîâåðõíîñòíûì óïðî÷íåíèåì íàãðåâîì ÒÂ× Íîðìàëèçàöèÿ ñ ïîñëåäóþùèì

650

500

22

15Õ2ÍÌÔ

ïîâåðõíîñòíûì óïðî÷íåíèåì íàãðåâîì ÒÂ× Çàêàëêà è âûñîêèé îòïóñê èëè íîðìàëèçàöèÿ è âûñîêèé îòïóñê

700

630

16


Îñíîâíûå âèäû èçíîñà è ðàçðóøåíèÿ íàñîñíûõ øòàíã

Ïåðåìåííàÿ íàãðóçêà íà øòàíãè âûçûâàåò óñòàëîñòü, ïðèâîäÿùóþ ê âíåçàïíîìó îáðûâó. Ïðè ðàñ÷åòå øòàíã ïðèíèìàåòñÿ, ÷òî íàïðÿæåíèÿ ðàñòÿæåíèÿ (ñæàòèÿ) ïî ïîïåðå÷íîìó ñå÷åíèþ øòàíã îäèíàêîâû â ëþáûõ òî÷êàõ ñå÷åíèÿ.  äåéñòâèòåëüíîñòè â íåêîòîðûõ òî÷êàõ ñå÷åíèÿ îíî ìåíüøå, ÷åì ðàñ÷åòíîå.  ýòèõ òî÷êàõ øòàíãè ñ òå÷åíèåì âðåìåíè ïðîèñõîäèò ìèêðîñêîïè÷åñêèé ñäâèã ÷àñòèö ìåòàëëà è ïîñòåïåííî îáðàçóåòñÿ òðåùèíà, ÿâëÿþùàÿñÿ êîíöåíòðàòîðîì íàïðÿæåíèÿ. Êîíöåíòðàöèÿ íàïðÿæåíèé ðàçâèâàåò òðåùèíó, âñëåäñòâèå ÷åãî ÷åðåç íåêîòîðûé ìîìåíò âðåìåíè ïðîèñõîäèò îáðûâ.

Óñòàëîñòíûå òðåùèíû îáðàçóþòñÿ òàêæå ïî ñëåäóþùèì ïðè÷èíàì.

. Íàëè÷èå íà ïîâåðõíîñòè øòàíã ìåõàíè÷åñêèõ ïîâðåæäåíèé îò óäàðîâ ìåòàëëè÷åñêèìè ïðåäìåòàìè. Íà äíå ðèñêè ñîçäàåòñÿ êîíöåíòðàöèÿ íàïðÿæåíèÿ è ðàçâèâàåòñÿ òðåùèíà.

. Ïîÿâëåíèå ïåðåíàïðÿæåíèé â ïîâåðõíîñòíîì ñëîå ìåòàëëà, âîçíèêøèõ âñëåäñòâèå èçãèáà øòàíãè ïðè åå òðàíñïîðòèðîâêå èëè ñïóñêî-ïîäúåìíûõ îïåðàöèÿõ.

Èç-çà óñòàëîñòè ìåòàëëà ïðîèñõîäèò ïî÷òè 100% âñåõ îáðûâîâ. Ïðîìûñëîâûå íàáëþäåíèÿ ïîêàçàëè, ÷òî áîëåå 50% îáðûâîâ øòàíã ïðîèñõîäèò ïî ðåçüáå. Íà îáðûâû â ðåçüáå òàêæå âëèÿåò êðóòÿùèé ìîìåíò, ïðèëàãàåìûé ïðè çàòÿæêå ðåçüáû âî âðåìÿ ñïóñêà øòàíã â ñêâàæèíó. Îïòèìàëüíûé êðóòÿùèé ìîìåíò äëÿ øòàíã äèàìåòðàìè 16, 19, 22 è 25 ìì ðàâåí ñîîòâåòñòâåííî 0,3; 0,5; 0,7 è 1,05 êÍ*ì. Íà óñòàëîñòíóþ ïðî÷íîñòü áîëüøîå âëèÿíèå îêàçûâàåò òàêæå ðàáî÷àÿ ñðåäà, òî åñòü ñâîéñòâà îòêà÷èâàåìûõ æèäêîñòè è ãàçà. Îñîáåííî ñèëüíîå (êîððîçèîííîå) âîçäåéñòâèå îêàçûâàåò âîäíûé ðàñòâîð ñåðîâîäîðîäà. Èññëåäóÿ óñòàëîñòíóþ ïðî÷íîñòü ìàòåðèàëîâ øòàíã â óñëîâèÿõ àãðåññèâíîé ñðåäû, óñòàíîâëåíà ïðè÷èíà ñíèæåíèÿ ïðåäåëà óñòàëîñòè. Ïðè÷èíà ýòîãî ÿâëåíèÿ â òîì, ÷òî íàõîäÿùèåñÿ â æèäêîñòè ïîâåðõíîñòíî-àêòèâíûå âåùåñòâà àäñîðáèðóþòñÿ íà ïîâåðõíîñòè ìåòàëëà, â òîì ÷èñëå è â ìåëü÷àéøèõ òðåùèíàõ, è ïðè ïåðåìåííîé íàãðóçêå íà øòàíãè íå äàþò âîçìîæíîñòè ñèëàì ñöåïëåíèÿ ìåæäó ÷àñòèöàìè ìåòàëëà ñîìêíóòü öåïü.  ðåçóëüòàòå êîíöåíòðàöèÿ íàïðÿæåíèé â òðåùèíàõ óâåëè÷èâàåòñÿ, è òðåùèíû áûñòðî ðàçâèâàþòñÿ. Ïîýòîìó ïðè ðàñ÷åòå øòàíã íåîáõîäèìî ó÷èòûâàòü êîððîçèîííûé ïðåäåë óñòàëîñòè.

Ïðè÷èíà ïðåæäåâðåìåííîãî âûõîäà øòàíã èç ñòðîÿ - èçíîñ ìóôò.  èñêðèâëåííûõ ñêâàæèíàõ øòàíãîâûå ìóôòû èñòèðàþòñÿ î íàñîñíûå òðóáû, áûâàþò ñëó÷àè èñòèðàíèÿ íàñîñíûõ òðóá.  òàêèõ ñëó÷àÿõ ñëåäóåò ïðèìåíÿòü çàêàëåííûå øëèôîâàííûå øòàíãîâûå ìóôòû, èìåþùèå ìåíüøèé êîýôôèöèåíò òðåíèÿ, èëè óñòàíàâëèâàòü ñêðåáêè-çàâèõðèòåëè, çàêàëåííûå ÒÂ×. Ñêðåáêè ñîïðèêàñàþòñÿ ñ íàñîñíîé òðóáîé áîëüøåé ïîâåðõíîñòüþ, óìåíüøàåòñÿ óäåëüíîå äàâëåíèå íà òðóáó è ñêðåáîê èçíàøèâàåòñÿ ìåäëåííåå, ÷åì øòàíãîâàÿ ìóôòà.  ìåñòàõ ðåçêîãî èñêðèâëåíèÿ ñêâàæèí íà íàñîñíûõ øòàíãàõ ñòàâÿò ðîëèêîâûå ôîíàðè.

Ñïèñîê ëèòåðàòóðû


1. Àêóëüøèí À.È., Áîéêî B.C., Çàðóáèí Þ.À., Äîðîøåíêî Â.Ì. Ýêñïëóàòàöèÿ íåôòÿíûõ è ãàçîâûõ ñêâàæèí, Ì., Íåäðà, 1989.

. Þð÷óê À.Ì., Èñòîìèí À.Ç., Ðàñ÷åòû â äîáû÷å íåôòè, Ì., Íåäðà, 1989.

. Ìèùåíêî È.Ò., Ðàñ÷åòû â äîáû÷å íåôòè, Ì., Íåäðà, 1989.

. Ñåðåäà Í.Ã., Ñàõàðîâ Â.À., Òèìàøåâ À.Í., Ñïóòíèê íåôòÿíèêà è ãàçîâèêà, Ì., Íåäðà, 1986.

. Ñóëåéìàíîâ À.Â., Êàðàïåòîâ Ê.À., ßøèí À.Ñ., Ïðàêòè÷åñêèå ðàñ÷åòû ïðè òåêóùåì è êàïèòàëüíîì ðåìîíòå ñêâàæèí, Ì., Íåäðà, 1984.

. Áóõàëåíêî Å.È., Áóõàëåíêî Â.Å., Îáîðóäîâàíèå è èíñòðóìåíò äëÿ ðåìîíòà ñêâàæèí, Ì., Íåäðà, 1991.

. Ñóëåéìàíîâ À.Á., Êàðàïåòîâ Ê.À., ßøèí À.Ñ., Òåõíèêà è òåõíîëîãèÿ êàïèòàëüíîãî ðåìîíòà ñêâàæèí, Ì., Íåäðà, 1987.

. Áóõàëåíêî Å.È., Àáäóëëàåâ Þ.Ã., Ìîíòàæ, îáñëóæèâàíèå è ðåìîíò íåôòåïðîìûñëîâîãî îáîðóäîâàíèÿ, Ì., Íåäðà, 1985.

. Ìàòåðèàëû ÍÃÄÓ.Þ. Êóöûí Ï.Â., Îõðàíà òðóäà â íåôòÿíîé è ãàçîâîé ïðîìûøëåííîñòè, Ì., Íåäðà, 1987.

. Áîéêî Â.Ñ., Ðàçðàáîòêà è ýêñïëóàòàöèÿ íåôòÿíûõ ìåñòîðîæäåíèé, Ì., Íåäðà, 1990.

. Óìåòáàåâ Â.Ã., Ãåîëîãî-òåõíè÷åñêèå ìåðîïðèÿòèÿ ïðè ýêñïëóàòàöèè ñêâàæèí, Ì. Íåäðà, 1989.

. Ìàõìóäîâ Ñ.À., Àáóçåðëè Ì.Ñ., Ìîíòàæ, îáñëóæèâàíèå è ðåìîíò ñêâàæèííûõ ýëåêòðîíàñîñîâ, Ì., Íåäðà, 1995.

Ðàçìåùåíî íà Allbest.ru