Расчет фундамента
1.
Исходные данные
.1
Оценка инженерно-геологических условий площадки
Исходными данными для разработки проекта оснований и
фундаментов зданий и сооружений служат:
) план площадки;
) материалы инженерно-геологических и гидрогеологических
изысканий с данными лабораторных и полевых испытаний с характеристиками
физических и механических свойств грунтов площадки и глубине заложения
подземных вод;
) значения расчетных нагрузок, действующих на обрез
фундамента в здании по заданным сечениям.
Для обоснования проектных решений по устройству фундаментов
необходимо прежде всего изучить инженерно-геологические условия площадки,
особенности конструктивной компоновки здания, уточнить схему передачи нагрузок
на основание, провести общую оценку чувствительности здания и отдельных
конструктивных элементов к неравномерным осадкам фундаментов по периметру
здания.
Таблица 1 - Геологический разрез по скважине
|
Номер слоя
|
Мощность слоя, м
|
Глубина подошвы, м
|
Абсолютная отметка слоя, м
|
Отметка уровня подземных вод, м
|
Наименование грунта по типу
|
Плотность ρ, г/см3
|
Плотность частиц ρs, г/см3
|
Влажность W, %
|
Предел текучести, WL
|
Предел пластичности Wp, %
|
Коэффицент фильтрации kf, см/с
|
|
1
|
1,0
|
1,0
|
129,0
|
|
Насыпной слой
|
1,40
|
|
|
|
|
|
|
2
|
2,0
|
3,0
|
127,0
|
|
Суглинок
|
1,93
|
2,7
|
23
|
30
|
18
|
2∙10-7
|
|
3
|
4,0
|
7,0
|
123,0
|
126,0
|
Глина
|
1,92
|
2,74
|
36
|
53
|
30
|
5∙10-8
|
|
4
|
6,0
|
13,0
|
117,0
|
|
Супесь
|
2,0
|
2,67
|
17
|
20
|
13
|
4∙10-5
|
|
5
|
5,0
|
18,0
|
112,0
|
|
Песок мелкий
|
2,0
|
2,66
|
25
|
0
|
0
|
2∙10-2
|
Отметка поверхности природного рельефа NL = 130,0 м;
нормативная глубина промерзания грунта dfn= 1,4 м
Рис.1. Геологический разрез скважины
1.2
Характеристика площадки
Для количественной оценки прочностных и деформационных
свойств грунтов площадки по данным таблице 1.1 вычисляем производные
характеристики физических свойств, к которым относятся:
а) для песчаных грунтов коэффициент пористости и степень
влажности;
б) для пылевато-глинистых грунтов - число пластичности,
показатель текучести, коэффициент пористости и степень влажности.
Коэффициент пористости (отношение объема пор к объему частиц
грунта) определяется по формуле
, (1.1)
где
S - плотность частиц грунта;
- плотность грунта;- природная влажность в долях единицы.
Степень влажности грунта определяется по формуле
, (1.2)
где
w - плотность воды, принимаем равной 1
г/см3;
По степени влажности (степени заполнения пор водой) песчаные
грунты подразделяются на следующие разновидности:
· маловлажные, 0 < Sr ≤ 0,5;
· влажные, 0,5 < Sr ≤ 0,8;
· насыщенные водой, 0,8 < Sr ≤ 1,0.
Тип пылевато-глинистых грунтов устанавливается по числу
пластичности, определяемому по формуле
, (1.3)
где wL - влажность на границе текучести;- влажность на границе
раскатывания, %;
%
%
%
По числу пластичности пылевато-глинистые грунты подразделяются на
следующие типы:
· супесь, 1 ≤ Ip ≤ 7;
· суглинок, 7 < Ip ≤ 17;
· глина, Ip > 17.
Показатель текучести пылевато-глинистых грунтов определяется
по формуле
(1.4)
К просадочным относятся глинистые грунты со степенью влажности Sr≤0,8,
для которых величина показателя
определяется по формуле.
(1.5)
Коэффициент пористости, соответствующий влажности на границе
текучести WL определяем по формуле:
(1.6)

Таблица 2. Характеристики физико-механических свойств грунтов
строительной площадки
|
Номер слоя
|
Плотность частиц, ρs, г/см3
|
Плотность ρ, г/см3
|
Влажность W, в долях единиц
|
Граница текучести WL, %
|
Граница раскатывания WP, %
|
Число пластичности IP, %
|
Показатель текучести IL
|
Коэффициент пористости, e
|
Степень влажности, Sr
|
Наименование грунта по СТБ 943-2007
|
Угол внутреннего трения φ, град.
|
Удельное сцепление с, кПа
|
Модуль деформации E, МПа
|
Расчетное сопротивление R0, кПа
|
|
1
|
|
1,4
|
|
|
|
|
|
|
|
|
|
|
|
|
|
2
|
2,7
|
1,93
|
0,23
|
30
|
18
|
12
|
0,42
|
0,72
|
0,86
|
Суглинок тугопластичный
|
21,3
|
24,5
|
15.5
|
216,43
|
|
3
|
2,74
|
1,92
|
0,36
|
53
|
30
|
23
|
0,26
|
0,94
|
1
|
Глина тугопластичная
|
14,2
|
37,6
|
12,3
|
244,6
|
|
4
|
2,67
|
2,00
|
0,17
|
20
|
13
|
7
|
0,57
|
0,56
|
0,81
|
Супесь пластичная
|
25,8
|
14,8
|
23,2
|
276,45
|
|
5
|
2,66
|
2,00
|
0,25
|
0
|
0
|
0
|
-
|
0,66
|
1
|
Песок мелкий средней плотности
|
32
|
2
|
28
|
200
|
2.
Выбор типа и конструкции фундамента. Назначение глубины заложения фундамента
Для заданного жилого дома устраиваем ленточный фундамент из
сборных элементов, глубина заложения которого зависит от:
- инженерно-геологических и гидрогеологических условий
площадки;
- глубины промерзания грунта;
конструктивных особенностей подземной части здания.
Рассмотрим влияние каждого из этих факторов по отдельности.
Анализируя
физико-механические свойства грунтов площадки строительства (табл. 2) видим,
что 1-й слой грунта не может быть использован в качестве основания фундамента.
Исходя из этого, глубина заложения фундамента должна отвечать условию³ 1 м.
Расчётная глубина
сезонного промерзания грунта df у фундамента определяется по формуле
.
где kn - коэффициент, учитывающий влияние теплового
режима здания на глубину промерзания грунта у фундамента стен и колонн,
согласно таблице 5.1 ТКП 45-5.01-67-2007 kn = 0,6 (т.к. температура
в помещении 150С kn = 0,6*1,15=0,69);
dfn - нормативная глубина сезонного промерзания
грунта, по заданию dfn = 1,4 м.
м.³ df,; d ³0,966 м
В заданном
производственном корпусе подвал отсутствует. Анализируя физико-механические
свойства грунта площадки строительства видим, что первый слой грунта не может
быть использован в качестве основания фундамента. Исходя из этого, глубина
заложения фундамента должна отвечать условию:³ 1 м
Минимальная
высота фундамента равна 1,5 м.
Зная, что
абсолютная отметка пола первого этажа равна 130,5 м, а поверхности планировки -
130 м, а так же то, что верхний обрез фундамента находится на отметке - 150 м
относительно уровня чистого пола 1 го этажа с отметкой 0.000 получаем= 1,5 м
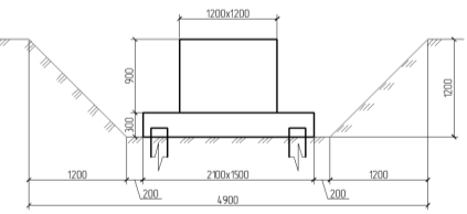
Рис. 1.
Схематический чертеж фундамента стаканного типа
2.1
Нагрузки, учитываемые в расчетах оснований фундаментов
Нагрузки и воздействия на основания устанавливаем расчетом,
исходя из рассмотрения совместной работы сооружения с основанием с учетом
перераспределения нагрузок надфундаментной конструкцией.
Нагрузки и воздействия в сечениях колонн на отметке заделки в
тело фундамента одноэтажных зданий производственного назначения определяются
расчетом поперечных рам.
В курсовом проекте нормативные значения нагрузок и
воздействий в плоскости обреза фундамента заданы и приведены в задании.
Значения расчетных нагрузок и воздействий для расчета оснований по деформациям
принимаем равными нормативным (γf = 1,0), для расчета по несущей
способности - умножением нормативных нагрузок на осредненный коэффициент
надежности по нагрузкам γf = 1,2.
В расчетах оснований используем полученные ранее
характеристики грунтов, представленные в таблице 1.2.
.2
Определение размеров подошвы фундаментов
Нагрузки, которые учитываются при расчете:
|
N, кН
|
M, кНм
|
Q, кН
|
|
Ф1
|
1550
|
60
|
10
|
|
Ф2
|
1800
|
-
|
-
|
Размеры подошвы фундамента зависят от ряда связанных между
собой параметров и устанавливаются путем последовательного приближения. В
порядке первого приближения площадь подошвы фундамента A определяется по
формуле:
;
ширина подошвы фундамента
м.
Задавая значения b=0,1…1, строим графики p(b) и R(b), находим
точку их пересечения и опуская перпендикуляр находим значение ширины фундамента
b (округляем в большую сторону кратно 100).
Задаемся значениями ширины подошвы фундамента b=2; 3; 3,6; 4:
b=2 м А=4 м2 p(b)=
+20
1,5=417,5 кПа;=3 м А=9 м2 p(b)
= 202кПа;=3,6 м А=12,96 м2 p(b) =150 кПа;=4 м А=16 м2
p(b) =126,9 кПа;
Расчетное сопротивление R находим при b=2; 4:
кПа.
кПа.
Рис. 2. График зависимости R(b) и P(b) для первого фундамента
ширина подошвы фундамента
м
Задаемся значениями ширины подошвы фундамента b=2; 3; 3,6; 4:=2 м
А=4 м2 p(b)=
+20
1,5=480 кПа;=3 м А=9 м2 p(b) = 230 кПа;=3,6 м А=12,96 м2
p(b) =168,9кПа;=4 м А=16 м2 p(b) =142,5кПа;
Расчетное сопротивление R находим при b=2; 4:
кПа.
кПа.
Рис. 3. График зависимости R(b) и P(b) для второго фундамента
В соответствии с ГОСТ 13579-78 и ГОСТ 13580-78 выбираем:
для наружной стены здания ФБ 37-38,5 3000х2400, А1=8,64
м2,
для внутренней стены здания ФБ 49-50,5 3300х2400, А1=11,34
м2.
1) а=3000, а1=2400, b=2400, b1=1800.
2) а=3600, а1=2700, а2=1800, b=2400, b1=1800, b2=1800
Рис. 4. Схематический чертёж фундамента стаканного типа
Определение усилия от собственного веса фундамента и веса
грунта на его уступах:
Ф1
кН,
кН,
Нормальная вертикальная нагрузка:
NII = N0II + GфII + GгрII = 1550 + 104,5 + 96,8= 1751,5 кН
Где
-расчетная вертикальная нагрузка в
плоскости обреза фундамента, кН;
Ф2
кН,
кН,
Нормальная вертикальная нагрузка:
NII = N0II + GфII + GгрII = 1800 + 129,49 + 113,2= 2042,68 кН.
2.3
Проверка напряжений в основании фундамента
Для фундамента под наружную стену здания должны выполняться
условия
p £ R;max £ 1,2 R;min > 0.
где p-среднее давление под подошвой фундамента,
,
- соответственно максимальное и минимальное
значение краевого давления по подошве внецентренно нагруженного фундамента,
определяемые по формуле внецентренного сжатия;
Определим расчётное сопротивление грунта основания
;
где:
-расчетное сопротивление грунта под подошвой
фундамента
принимаемые по табл. 5.2 [ТКП45-5.01-67-2007].
k = 1,1;
[ТКП45-5.01-67-2007].
kz = 1;
b - ширина подошвы фундамента, м
g’II - осредненное значение
удельного веса грунтов, залегающих выше подошвы фундамента (при наличии
подземных вод определяется с учетом взвешивающего действия воды), кН/м3;
gII =
кН/м3;
gII - то же, залегающих ниже
подошвы фундамента, кН/м3;
gII = 18,9 кН/м3;
сII = 24,5 кПа;
СII - расчетное значение удельного сцепления
грунта, залегающего непосредственно под подошвой фундамента.
Получаем:
кПа.
Среднее давление под подошвой фундамента
p = N0I I /A +gм d= 1550
/(3·2,4)+22·1.5 = 248.3 кПа.
Определяем максимальное и минимальное краевое давление по
подошве внецентренно нагруженного фундамента
pmax = NII/A + MII/W
= 1751.5/(3·2.4)+ 360/(32×2,4) = 260;min
= NII/A - MII/W = 1751.5/(3·2.4) - 360/(32×2,4) = 227 кПа.
где W - момент сопротивления площади подошвы фундамента,
MII=60 кН (по заданию)
Получаем:
.3 < 269.2;
< 323;
> 0.
Расхождение между p и R составляет 8%.
Для фундамента под внутреннею стену здания должно выполняться
условие
p £ R.
Среднее давление под подошвой фундамента
p = N0I I /A +gм d= 1800
/(3.6·2,4)+22·1.5 = 241.3 кПа.
Расчётное сопротивление грунта основания
кПа.
Определяем максимальное и минимальное краевое давление по
подошве внецентренно нагруженного фундамента
pmax = NII/A + MII/W
= 2042,68/(3.6·2,4)+0 = 251,2;min = NII/A - MII/W
= 2042,68/(3.6·2,4) - 0 = 236,84 кПа.II/W=0, т.к. момент отсутствует.
Получаем:
,3 < 269,2;
Расхождение между p и R составляет 10%.
2.4
Расчёт осадки фундамента методом послойного суммирования
Значение конечной осадки:
Вертикальное напряжение от собственного веса грунта на
границах вертикальных слоев по оси Z, проходящей через центр подошвы фундамента
, где
- напряжение от собственного веса грунта на
уровне подошвы фундамента.
Дополнительное вертикальное напряжение на границах выделенных
слоев по оси Z, проходящей через центр подошвы фундамента;
, где
- дополнительное вертикальное давление на основание
=p -
Расчет осадки фундамента выполним в таблицах.
Эпюры напряжений в основании фундамента на рисунках.
Для отдельно стоящего фундамента:
=p -
=248,3-22,2=226,1 кПа - для ленточного
фундамента=p -
=241,3-22,2=219,1 кПа - для отдельно стоящ.
Фундамента
Толщину слоя принимаем hi=0,5
(для глины)
(для супеси)
(для суглинка)
Таблица 3. Расчет осадки отдельностоящего фундамента Ф1
|
N
|
Zm
|
ϒ
|
σ(zg)
|
ε=2z/b
|
α
|
σ(zp)
|
σ(zpi)
|
Ei
|
Si
|
|
0
|
0
|
18,9
|
22,2
|
0,000
|
1
|
226,1
|
|
|
|
|
1
|
0,5
|
18,9
|
31,65
|
0,962
|
217,5082
|
221,8041
|
15,5
|
0,572398
|
|
2
|
1
|
18,9
|
41,1
|
0,833
|
0,815
|
184,2715
|
200,8899
|
15,5
|
0,518425
|
|
3
|
1,5
|
18,9
|
50,55
|
1,250
|
0,634
|
143,3474
|
163,8095
|
15,5
|
0,422734
|
|
4
|
1,85
|
18,9
|
57,165
|
1,542
|
0,523
|
118,2503
|
130,7989
|
15,5
|
0,236282
|
|
5
|
2,5
|
18,8
|
69,385
|
2,083
|
0,367
|
82,9787
|
100,6145
|
12,3
|
0,425362
|
|
6
|
2,85
|
18,8
|
75,965
|
2,375
|
0,305
|
68,9605
|
75,9696
|
12,3
|
0,172939
|
|
7
|
3
|
8,79
|
77,2835
|
2,500
|
0,284
|
64,2124
|
66,58645
|
12,3
|
0,064962
|
|
8
|
3,5
|
8,79
|
81,6785
|
2,917
|
0,224
|
50,6464
|
57,4294
|
12,3
|
0,186762
|
|
9
|
4
|
8,79
|
86,0735
|
3,333
|
0,18
|
40,698
|
45,6722
|
12,3
|
0,148527
|
|
10
|
4,5
|
8,79
|
90,4685
|
3,750
|
0,147
|
33,2367
|
36,96735
|
12,3
|
0,120219
|
|
11
|
5
|
8,79
|
94,8635
|
4,167
|
0,123
|
27,8103
|
30,5235
|
12,3
|
0,099263
|
|
12
|
5,5
|
8,79
|
97,94
|
4,583
|
0,103
|
23,2883
|
25,5493
|
12,3
|
0,083087
|
|
13
|
5,85
|
8,79
|
101,0165
|
4,875
|
0,092
|
20,8012
|
22,04475
|
12,3
|
0,050183
|
|
14
|
6
|
10,5
|
102,5915
|
5,000
|
0,088
|
19,8968
|
20,349
|
23,2
|
0,010525
|
|
|
|
|
|
|
|
|
|
3,11167
|
Таблица 4. Расчет осадки отдельно стоящего фундамента Ф2
|
N
|
Zm
|
ϒ
|
σ(zg)
|
ε=2z/b
|
α
|
σ(zp)
|
σ(zpi)
|
Ei
|
Si
|
|
0
|
0
|
18,9
|
22,2
|
0,000
|
1
|
219,1
|
|
|
|
|
1
|
0,5
|
18,9
|
31,65
|
0,417
|
0,968
|
212,0888
|
215,5944
|
15,5
|
0,556373
|
|
2
|
1
|
18,9
|
41,1
|
0,833
|
0,839
|
183,8249
|
197,9569
|
15,5
|
0,510856
|
|
3
|
1,5
|
18,9
|
50,55
|
1,250
|
0,675
|
147,8925
|
165,8587
|
15,5
|
0,428022
|
|
4
|
1,85
|
18,9
|
57,165
|
1,542
|
0,565
|
123,7915
|
135,842
|
15,5
|
0,245392
|
|
5
|
2,5
|
18,8
|
69,385
|
2,083
|
0,408
|
89,3928
|
106,5922
|
12,3
|
0,450633
|
|
6
|
2,85
|
18,8
|
75,965
|
2,375
|
0,343
|
75,1513
|
82,27205
|
12,3
|
0,187286
|
|
7
|
3
|
8,79
|
77,2835
|
2,500
|
0,321
|
70,3311
|
72,7412
|
12,3
|
0,070967
|
|
8
|
3,5
|
8,79
|
81,6785
|
2,917
|
0,256
|
56,0896
|
63,21035
|
12,3
|
0,205562
|
|
9
|
4
|
8,79
|
86,0735
|
3,333
|
0,208
|
45,5728
|
50,8312
|
12,3
|
0,165305
|
|
10
|
4,5
|
8,79
|
90,4685
|
3,750
|
0,171
|
37,4661
|
41,51945
|
12,3
|
0,135023
|
|
11
|
5
|
8,79
|
94,8635
|
4,167
|
0,143
|
31,3313
|
34,3987
|
12,3
|
0,111866
|
|
12
|
5,5
|
8,79
|
97,94
|
4,583
|
0,121
|
26,5111
|
28,9212
|
12,3
|
0,094053
|
|
13
|
5,85
|
8,79
|
101,0165
|
4,875
|
0,108
|
23,6628
|
25,08695
|
12,3
|
0,057109
|
|
14
|
6
|
10,5
|
102,5915
|
5,000
|
0,104
|
22,7864
|
23,2246
|
23,2
|
0,012013
|
|
15
|
6,5
|
10,5
|
107,8415
|
5,417
|
0,09
|
19,719
|
21,2527
|
23,2
|
0,036643
|
Рис. 7. Расчет осадки фундамента Ф-1
Рис. 8. Расчет осадки фундамента Ф-2
.5
Расчет осадки фундамента во времени
Сущность расчета заключается в определении величины осадки
фундамента в заданные отрезки времени по следующей формуле:
=U∙S
где, U - степень консолидации- конечная осадка
рассматриваемого слоя
N0-коэффициент времени, зависящий от физических свойств
грунта, толщины слоя, условий и времени консолидации; определяется по формуле:
,
откуда
где cv - коэффициент консолидации, определяется по формуле
- коэффициент фильтрации, см/год или м/год;- коэффициент
относительной сжимаемости, определяется по формуле:
Определим коэффициент относительной сжимаемости (для
суглинка)
Коэффициент консолидации:
Расчет для отдельно стоящего фундамента
Задаёмся значениями степени консолидации U: 0,2; 0,4; 0,6;
0,8; 0, 95 что соответствует значениям N0:0,08; 0,31; 0,71; 1,4; 2,8.
Определяем осадки St и вычисляем время, имея при этом в виду,
что фильтрация в данном случае односторонняя.
Конечная осадка фундамента за счет уплотнения суглинка s=3,27 см.
Получаем:
Рис. 9. Зависимость осадки от времени для отдельностоящего
фундамента Ф2
3. Свайные
фундаменты
.1
Выбор типа и конструкции свай и свайного фундамента. Назначение глубины
заложения ростверка
Свайный фундамент состоит из свай и плиты (ростверка),
объединяющей сваи и передающей на них нагрузку от сооружения. Основным рабочим
элементом свайного фундамента является свая, воспринимающая нагрузку от
сооружения и передающая ее на грунт.
Область применения свайных фундаментов определяется в первую
очередь инженерно-геологическими условиями строительной площадки.
В зависимости от конструктивного решения сооружения и
нагрузок свайные фундаменты могут устраиваться в виде:
а) кустов - под колонны с размещением двух и более свай,
связанных ростверком;
б) лент - под стены зданий и сооружений с расположением свай
в один, два ряда или в шахматном порядке.
В данном курсовом проекте принимаем сваи забивные квадратного
сечения.
Глубину заложения подошвы ростверка определяем из следующих
факторов:
) с учетом расчетной глубины промерзания грунта в
районе строительства d≥df. Согласно таблице 5.1 ТКП 45-5.01-67-2007 kn = 0,6 (т.к. температура
в помещении 150С kn = 0,6*1,15=0,69
df=0,69
1,4=0,966 м.
2) с учетом
конструктивных особенностей здания (наличие подвала, требований к модульности
размеров высот ростверка в целом и его отдельных элементов):≥dкон.кон
=1,4 м
Принятое значение
глубины заложения ростверка d должно быть не менее значений df и dкон.
Принимаем d=1,4
м.
При определении
глубины погружения острия свай следует выбрать слой грунта, обладающий высокими
значениями физико-механических характеристик. Следует избегать опирания нижних
концов свай на глинистые грунты с IL>0,5 и рыхлые пески.
Глубину
погружения конца свай в опорный слой (lпогр) принять не менее:
1,0 м в остальные
грунты.
В нашем случае 3
слой - глина, обладает достаточными физико-механическими характеристиками
IL=0,26.
Минимальная
требуемая длина сваи составит:
,
где h - расстояние от подошвы ростверка до кровли слоя грунта, в
который заделывается свая.погр - глубина погружения сваи в несущий слой, м.зад
- глубина заделки сваи в ростверк, м.
при шарнирном соединении головка сваи входит в ростверк на глубину
100 мм, такое соединение возможно для центрально нагруженных свай;
при жестком соединении величина заделки сваи в ростверк должна быть
не менее 500 мм.
В данном случае, первый ростверк - с жестким соединением,зад1=0,5
м.
Второй ростверк - со свободным опиранием,
lзад2=0,1 м
Для Ф1:
=0,5+0+1=1,5 м
Принимаем сваи С5.30 (300х300 мм; 1,15т)
Рис. 10 - Ростверк и сваи для фундамента Ф-1
Для Ф2:
=0,1+0,15+1=1,25 м
Принимаем сваи С6.20 (200х200 мм; 0,63т)
Рис. 11. Ростверк и сваи для фундамента Ф-2
3.2
Определение несущей способности сваи и расчётной нагрузки, допускаемой на сваю
по грунту основания и прочности материала сваи
Несущая способность сваи защемленной в грунте определяется по
формуле:
где gc - коэффициент условий работы сваи в грунте,
принимаемый для всех типов свай gc = 1, кроме случая
опирания буронабивных свай на покровные глинистые грунты со степенью влажности
Sr < 0,85 и на лессовидные грунты, когда gc = 0,8;- расчетное
сопротивление грунта под нижним концом сваи, кПа;- площадь нижнего конца сваи,
м2;- наружный периметр поперечного сечения сваи, м;- расчетное сопротивление
i-го слоя грунта мощностью hi по боковой поверхности сваи;
gcR и gcf - коэффициенты условий
работы грунта под острием и по боковой поверхности, принимаемые для забивных
свай равными единице.
Ф - 1.
Площадь поперечного сечения сваи определяется следующим
образом:
Ас=0,3×0,3=0,09 м2;
периметр поперечного сечения равен:
U =5×0,3=1,5 м.
По таблице 6.1 (10) находим расчетное сопротивление грунта в
плоскости нижнего конца сваи R=3600 кПа.
Далее определяем среднюю глубину расположения слоев грунта от
дневной поверхности и соответствующие значения расчетного сопротивления i-го слоя грунта на
боковой поверхности сваи (Rfi) по Р4-200 к СНБ5.01.01-99
Расчетное сопротивление грунта на боковой поверхности сваи
Для суглинка при h=1,85 м; z1=2,425 м;
кПа;
Для глины при h=2 м; z2=4,35 м;
46,3кПа;
Для глины при h=0,650 м; z3=56,75 м;
кПа.
Находим несущую способность сваи
Fd = 1 [1×3600×0,09 + 1,2×(23,38×1,85 + 46,3×2 + 50,1∙0,65)] =
526,1 кН.
Расчет свайных фундаментов и свай по несущей способности
грунтов производится исходя из условия:
= Fd / gk
Р=526,1/1,4=375,8 кН
Р - расчетная нагрузка, допускаемая на сваю;
gk - коэффициент надежности, принимаемый равным
1,4.
Ф - 2
Площадь поперечного сечения сваи Ас = 0,2×0,2 = 0,04 м2;
периметр поперечного сечения U =4×0,2=0,8 м.
По таблице 6.1 (10) для этой глубины находимо расчетное
сопротивление грунта в плоскости нижнего конца сваи R =3744 кПа.
Расчетное сопротивление грунта на боковой поверхности сваи.
Для насыпного слоя при h=0,15 м; z1=1,275 м;
кПа;
Для суглинка при h=2 м; z2=2,35 м;
кПа;
Для глины при h=2 м; z3=4,35 м;
46,3кПа;
Для глины при h=1,75 м; z4=6,225 м;
51,5кПа;
Находим несущую способность сваи
= 1 [1×3744×0,09 + 1,2 (31×0,15 + 22,96×2,0 + 46,3×2+51,5×1,75)] = 617 кН.
Расчет свайных фундаментов и свай по несущей способности
грунтов производится исходя из условия:
= Fd / gk
Р=617/1,4=441 кН
Р - расчетная нагрузка, допускаемая на сваю;
gk - коэффициент надежности, принимаемый равным
1,4.
3.3
Определение количества свай в фундаменте. Поверка фактической нагрузки,
передаваемой на сваю
Количество свай в свайном фундаменте рассчитывается по
предельному состоянию первой группы. При определении размеров ростверка
расстояние между сваями принимается равным минимальному - 3d, где d - размер
поперечного сечения сваи. Расстояние от края ростверка до наружной грани сваи
принимается не менее 0,1 м.
Фундамент Ф-1:
Среднее давление под ростверком равно:
кПа
Для расчета по несущей способности
=1550*1.2=1860кН.
Определяем площадь подошвы ростверка по формуле:
м2.
Вес ростверка и грунта на его ступенях:
кН.
- глубина сезонного промерзания грунтов.
Определяем число свай:
Принимаем 6 свай. Сваи располагаем в рядовом порядке с расстоянием
между осями:
в направлении оси Х: 3d= 3 х 0,3
0,9 м
в направлении оси Y: 3d= 3 х 0,3
0,9 м
Размеры поперечного сечения подколонника 1,2 х 1,2 м.
Размеры плиты ростверка в направлении оси У:
,9+0,9+0,3+2
0,1 = 2,3 м ≈2,4 м.
Размеры плиты ростверка в направлении оси Х:
,9+0,3+2
0,1=1,4 м ≈1,5 м.
Принимаем размеры подошвы с учетом модуля 30 см 2,4 х 1,5 м.
Высоту плиты ростверка принимаем равной 0,6 м.
Рис. 12. Ростверк фундамента Ф-1 (вид сверху)
При этом вес ростверка:
кН.
Вес грунта на ступенях ростверка:
кН.
Вес ростверка и грунта:
кН.
Проверяем выполнение условий:
1)
где xmax=0,9 м, X =0,9 м (см рис 12),
)
Недонапряжение 20%
Условия выполняются.
ундамент Ф-2:
Данные для расчета по несущей способности
Среднее давление под ростверком равно:
кПа
Определяем площадь подошвы ростверка по формуле:
м2.
кН.
- глубина сезонного промерзания грунтов.
Определяем количество свай
Принимаем 6 свай. Сваи располагаем в рядовом порядке с расстоянием
между осями:
в направлении оси Х: 3d= 3 х 0,2
0.6 м
в направлении оси Y: 3d= 3 х 0,2
0,6 м
Размеры поперечного сечения подколонника 1,2 х 1,2 м.
Размеры плиты ростверка в направлении оси У:
,6+0,6+0,2+2
0,1 = 1,6 м ≈1,8 м.
Размеры плиты ростверка в направлении оси Х:
,8+0,2+2
0,1=1 м ≈1,2 м.
Принимаем размеры подошвы с учетом модуля 30 см 2,1 х 1,5 м.
Высоту плиты ростверка принимаем равной 0,3 м.
Рис. 13. Ростверк фундамента Ф-2 (вид сверху)
При этом вес ростверка:
кН.
Вес грунта на ступенях ростверка:
кН.
Вес ростверка и грунта:
кН.
Проверяем выполнение условий:
1)
где xmax=0,6 м, X =0,6 м (см рис 12),
Недонапряжение 15%
Условие выполняется.
.4
Проверка напряжений под основанием условного фундамента
Величину ожидаемой осадки свайного фундамента из висячих свай
определяем по второй группе предельных состояний. Для начала определяем
прочность висячих свай
Расчет осадки производится для условного фундамента на
естественном основании с использование метода эквивалентного слоя. Границы
условного фундамента показаны на рис. 14, 15. Вертикальные грани условного
фундамента АВ и ВГ отстоят от наружных граней рядов вертикальных свай на
расстоянии:
где
- средневзвешенное значение угла внутреннего
трения грунтов, пройденных сваями, h - глубина погружения сваи в грунт, м.
Для Ф-1

Рис. 14. Условный фундамент куста свай Ф-1
Определяем размеры подошвы условного фундамента в плане:
Площадь подошвы условного фундамента:
.
Давление по подошве условного фундамента не должно превышать
расчётного давления на грунт:
где
расчетная нагрузка на фундамент, кН;
кН.
кПа
расчётное сопротивление грунта под подошвой
условного фундамента, определяемое по формуле:
,
;
(так как b<10 м);
(при
).
Так как прочностные характеристики грунта (φ и с) приняты на основе статистических данных, то
;
Определяем осредненное расчетное значение удельного веса
грунтов, залегающих ниже подошвы фундамента:
Определяем осредненное расчетное значение удельного веса
грунтов, залегающих выше подошвы фундамента:

-приведенная глубина заложения фундамента.
глубина подвала;
.
- расчетное значение удельного сцепления грунта, залегающего ниже
подошвы фундамента;
Определяем расчетное сопротивление грунта основания:
Проверим выполнение условия прочности:
<419
Условие выполняется, то есть прочность куста свай обеспечена.
Рассмотрим Ф-2
Рис. 15. Условный фундамент куста свай Ф-2
Определяем размеры подошвы условного фундамента в плане:
Площадь подошвы условного фундамента:
.
Давление по подошве условного фундамента не должно превышать
расчётного давления на грунт:
где
расчетная нагрузка на фундамент, кН;
кН.
кПа
расчётное сопротивление грунта под подошвой
условного фундамента, определяемое по формуле:
,
;
(так как b<10 м);
(при
).
;
Определяем осредненное расчетное значение удельного веса
грунта, залегающих ниже подошвы фундамента:
(глина с учетом взвешивающего действия воды)
Определяем осредненное расчетное значение удельного веса
грунтов, залегающих выше подошвы фундамента:
-приведенная глубина заложения фундамента.
глубина подвала;
.
- расчетное значение удельного сцепления грунта, залегающего ниже
подошвы фундамента;
Определяем расчетное сопротивление грунта основания:
Проверим выполнение условия прочности:
421<443,2
Условие выполняется, то есть прочность куста свай обеспечена.
.5
Расчёт осадки фундамента методом послойного суммирования
Значение конечной осадки:
Вертикальное напряжение от собственного веса грунта на
границах вертикальных слоев по оси Z, проходящей через центр подошвы фундамента
, где
- напряжение от собственного веса грунта на
уровне подошвы фундамента.
Дополнительное вертикальное напряжение на границах выделенных
слоев по оси Z, проходящей через центр подошвы фундамента;
, где
- дополнительное вертикальное давление на основание
=p -
Расчет осадки фундамента выполним в таблицах.
Эпюры напряжений в основании фундамента на рисунках.
Для отдельно стоящего фундамента Ф-1:
Для отдельно стоящего фундамента Ф-1:
=p -
=411-90,42=320,58 кПа - для Ф-1=p -
=421-100,11=320,89 кПа -
для Ф-2
Толщину слоя принимаем hi=0,6; для Ф-2 - 0,8
(для глины)
(для супеси)
(для суглинка)
Таблица 5. Расчет осадки отдельно стоящего фундамента Ф-1
|
N
|
Zm
|
ϒ
|
σ(zg)
|
ε=2z/b
|
α
|
σ(zp)
|
σ(zpi)
|
Ei
|
Si
|
|
0
|
0
|
8,79
|
90,42
|
0,000
|
1
|
320,58
|
|
|
|
|
1
|
0,8
|
8,79
|
97,452
|
0,800
|
0,85
|
272,493
|
296,5365
|
12,3
|
1,542954
|
|
2
|
1,35
|
10,5
|
103,227
|
1,350
|
0,634
|
203,2477
|
237,8704
|
12,3
|
0,850918
|
|
3
|
2,15
|
10,5
|
111,627
|
2,150
|
0,389
|
124,7056
|
163,9767
|
23,2
|
0,452349
|
|
4
|
2,95
|
10,5
|
120,027
|
2,950
|
0,248
|
79,50384
|
102,1047
|
23,2
|
0,281668
|
|
5
|
3,75
|
10,5
|
128,427
|
3,750
|
0,168
|
53,85744
|
66,68064
|
23,2
|
0,183947
|
|
6
|
4,55
|
10,5
|
136,827
|
4,550
|
0,12
|
38,4696
|
46,16352
|
23,2
|
0,127348
|
|
7
|
5,35
|
10,5
|
145,227
|
5,350
|
0,09
|
28,8522
|
33,6609
|
23,2
|
0,092858
|
|
|
|
|
|
|
|
|
|
3,532042
|
Таблица 6. Расчет осадки отдельно стоящего фундамента Ф-2
|
N
|
Zm
|
ϒ
|
σ(zg)
|
ε=2z/b
|
α
|
σ(zp)
|
σ(zpi)
|
Ei
|
Si
|
|
0
|
0
|
8,79
|
100,11
|
0,000
|
1
|
320,89
|
|
|
|
|
1
|
0,25
|
8,79
|
102,3075
|
0,208
|
0,983
|
315,4349
|
318,1624
|
12,3
|
0,517337
|
|
2
|
10,5
|
111,7575
|
0,958
|
0,752
|
241,3093
|
278,3721
|
23,2
|
0,863913
|
|
3
|
2,05
|
10,5
|
121,2075
|
1,708
|
0,456
|
146,3258
|
193,8176
|
23,2
|
0,601503
|
|
4
|
2,95
|
10,5
|
130,6575
|
2,458
|
0,278
|
89,20742
|
117,7666
|
23,2
|
0,365483
|
|
5
|
3,85
|
10,5
|
140,1075
|
3,208
|
0,181
|
58,08109
|
73,64426
|
23,2
|
0,228551
|
|
6
|
4,75
|
10,5
|
149,5575
|
3,958
|
0,127
|
40,75303
|
49,41706
|
23,2
|
0,153363
|
|
7
|
5,65
|
10,5
|
159,0075
|
4,708
|
0,093
|
29,84277
|
35,2979
|
23,2
|
0,109545
|
|
|
|
|
|
|
|
|
|
2,839696
|
Рис. 16. Расчет осадки фундамента Ф-1
Рис. 17. Расчет осадки фундамента Ф-2
3.6
Подбор дизель-молота и вычисление проектного отказа свай
Вес сваи с наголовником Gс=11,28+1=12,28 кН. Выбираем тип
молота из условия соотношения веса ударной части и веса сваи с наголовником.
При погружении сваи в грунт трубчатым дизель-молотом вес ударной части молота
должен быть не менее G=0,7Gc=0,7×12,28=8,60кН.
Предварительно выбираем трубчатый дизель-молот С-95 с весом ударной части 12,5
кН, энергия удара при подскоке 2,5 м 19 кДж, масса молота с кошкой 1,5 т.
Применимость молота устанавливаем по расчетной энергии удара
из условия
=1,75×a×P, где
a - коэффициент, равный 25 Дж/кН;
Р - расчетная нагрузка, допускаемая на сваю, кН;
Тогда:
Е=1,75×25×
=17981Дж=17,981кДж;
Пригодность молота проверяем по условию:
(Gh+ Gс)/Ed£km,
где Gh - полный вес молота;с - вес сваи с наголовником, кН;-
расчетная энергия удара;- коэффициент, принимаемый для трубчатых дизель-молотов
6;
Расчетное значение энергии удара для трубчатых
дизель-молотов:
Ed=0,9×G×H=0,9×12,5×2,5=28,13кДж;
(Gh+ Gс)/Ed=(15+12,28)/28,13=0,97£km=6.
Вычисляем проектный отказ сваи по формуле:
,
где
остаточный отказ, равный значению
погружения свай от одного удара молота;
- коэффициент, зависящий от материала сваи;
А=0,09 м2 - площадь сечения сваи;
= 28,13 кДж - расчетная энергия удара молота;=411 кН - несущая
способность сваи;
- коэффициент, условий забивки свай (молотами ударного типа);
кН - вес молота;=12,28+1=13,28 кН - вес сваи и наголовника;
- вес подбабка;
- коэффициент восстановления удара при забивке железобетонных свай
молотами ударного действия;
Трубчатый дизель-молот С-95 удовлетворяет всем условиям забивки
свай.
4. Сравнение
вариантов фундаментов и выбор основного
.1
Подсчет объемов работ и расчет стоимости устройства одного фундамента
Выбор основного варианта производится путём сопоставления
стоимости устройства фундамента на естественном основании со стоимостью
устройства свайного фундамента.
Ширину котлована по низу принимаем с отступом 0,2 м в каждую
сторону. Откосы условно принимаем 1:1.
Расчёт стоимости запроектированных фундаментов сведён в
таблицы 7-10.
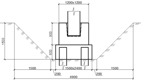
Рис. 18 - Схема расчета котлована для отдельно стоящего
фундамента мелкого заложения Ф-1.
Таблица 7. Расчёт стоимости устройства фундамента мелкого
заложения под колонну
|
Наименование работ и конструктивных элементов
|
Количество
|
Стоимость, руб.
|
|
|
единицы
|
общая
|
|
Фундаменты железобетонные (под колонны) V=3,0×2,4×0,3+2,4×1,8×0,3+0,9×1,2×1,2 = 4,752 м3
|
4,752
|
21,1
|
100,27
|
|
Отрывка котлована (на один фундамент)
|
32,7
|
4,1
|
134,07
|
|
å
|
234,34
|
Рис. 19. Схема расчета котлована для отдельно стоящего
свайного фундамента Ф-1.
Таблица 8. Расчёт стоимости устройства свайного фундамента
под колонну
|
Наименование работ и конструктивных элементов
|
Количество
|
Стоимость, руб.
|
|
|
единицы
|
общая
|
|
Железобетонные забивные сваи V = 5×0,3×0,3×6=2,7 м3
|
2,7
|
63,00
|
170,1
|
|
Монолитный железобетонный ростверк V = 2,4 ×1,5×0,6+0,9×1,2×1,2 = 3,46 м3
|
3,46
|
21,1
|
73,0
|
|
Отрывка котлована (на один фундамент)
|
23,0
|
4,1
|
94,3
|
|
å
|
337,4
|
На основании произведённого расчёта стоимости устройства
запроектированных отдельно стоящих фундаментов в качестве основного варианта
принимаем отдельностоящий фундамент.
Рис. 20. Схема расчета котлована для отдельностоящего
фундамента Ф-2 мелкого заложения
Таблица 9. Расчёт стоимости устройства 1 м.п. ленточного
фундамента мелкого заложения
|
Наименование работ и конструктивных элементов
|
Количество
|
Стоимость, руб.
|
|
|
единицы
|
общая
|
|
Фундаменты железобетонные (под колонны) V=3,6×2,4×0,3+2,7×1,8×0,3+1,8×1,8×0,3+0,6×1,2×1,2 = 5,89 м3
|
5,89
|
21,1
|
124,28
|
|
Отрывка котлована (на один фундамент)
|
36,6
|
4,1
|
150,06
|
|
å
|
274,34
|
Рис. 21. Схема расчета котлована для ленточного свайного
фундамента
фундамент колонна свайной
Таблица 10. Расчёт стоимости устройства свайного фундамента
под колонну Ф-2
|
Наименование работ и конструктивных элементов
|
Количество
|
Стоимость, руб.
|
|
|
единицы
|
общая
|
|
Железобетонные забивные сваи V = 6×0,2×0,2×6=1,2 м3
|
1,44
|
63,00
|
90,72
|
|
Монолитный железобетонный ростверк V = 2,1 ×1,5×0,3+0,9×1,2×1,2 = 2,24 м3
|
2,24
|
21,1
|
47,26
|
|
Отрывка котлована (на один фундамент)
|
20,9
|
4,1
|
85,69
|
|
å
|
223,67
|
На основании произведённого расчёта стоимости устройства
запроектированных отдельностоящих фундаментов в качестве основного варианта
принимаем свайный фундамент.
Список литературы
1. Вотяков
И.Ф. «Механика грунтов, основания и фундаменты»: Задание на курсовой проект и
методические указания по его выполнению для студентов специальности
«Промышленное и гражданское строительство». - Гомель: БелГУТ, 1996
2. ТКП45-5.01-67-2007
(02250). Фундаменты плитные. Правила проектирования. - Минск:
Минстройархитектуры, 2008.
. Стандарт
Республики Беларусь. Грунты, классификация. - СТБ 943-2007. - Мн.: Министерство
архитектуры и строительства РБ, 2007.
. Справочник
проектировщика. «Основания фундаменты и подземные сооружения». - Москва:
Стройиздат, 1985.
5. П2-2000
к СНБ 5.01.01-99. Проектирование забивных и набивных свай по результатам
зондирования грунтов. - Минск, 2001.