Материал: Расчет электрической системы на основе схемы замещения

Внимание! Если размещение файла нарушает Ваши авторские права, то обязательно сообщите нам

Расчет электрической системы на основе схемы замещения

Содержание

Введение

1. Исходные данные

. Схемы замещения и параметры воздушных линий электропередач

. Схемы замещения и параметры автотрансформаторов

. Приведённые мощности подстанций

.1 Расчет приведенной мощности на понижающей подстанции

.2 Расчет схемы замещения трансформаторов ТРДЦН-63

.3 Расчёт приведённой мощности на электростанции

.4 Расчет схемы замещения трансформаторов ТДТН-80

. Упрощенная схема замещения электрической сети

. Расчёт установившегося режима электрической сети

.1 Расчёт потоков мощности в электрической сети

.2 Расчет напряжений на подстанциях

. Расчет карты режима сети

. Расчет потерь мощности и энергии в сети

Заключение

Список литературы

Введение


Одним из основных разделов курса «Передача и распределение электрической энергии», подлежащих изучению, являются методы расчёта установившихся режимов электрических сетей. Различают нормальные и послеаварийные установившиеся режимы. В этих режимах рассчитывается потокораспределение по участкам сети. Знание потокораспределения даёт возможность определить потери мощности в сети, напряжения в различных узлах системы и по полученным результатам оценить выполнение ряда технических условий.

Для выполнения расчётов реальной электрической системе ставится в соответствие схема замещения. Схемы замещения современных сложных электроэнергетических систем содержат десятки и даже сотни узлов и ветвей. При анализе режимов работы таких систем и разработке алгоритмов их расчёта на ЭВМ используются аппарат матричной алгебры, теория графов и современные численные методы решения систем уравнений.

Для простых электрических сетей с небольшим числом контуров и узлов расчёты установившихся режимов обычно проводят «вручную» или на ЭВМ, ограничиваясь одной, двумя итерациями. Практика показывает, что во многих случаях этих приближений вполне достаточно.

В дипломной работе предлагается самостоятельно выполнить расчёт установившегося нормального режима электрической сети «вручную», что поможет освоить методы расчёта режимов сети, развить навыки в составлении схем замещения и определении параметров элементов электрических сетей.

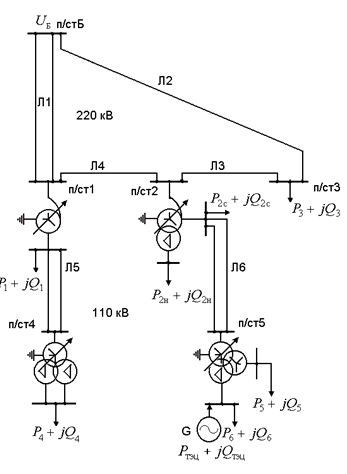
1. Исходные данные


Рисунок 1.1 - Электрическая сеть

Таблица 1.1 - Марки проводов и сечения линий

№ Вар.

№ линии

Марка провода

Кол-во цепей

Расст. между фазами, м

Расположение проводов на опоре

2

1

АС-300/39

2

7

По вершинам D-ка (бочка)


2

АС-240/32

1

- « -

Горизонтальное


3

АС-240/32

1

- « -

- « -


4

АС-300/39

1

- « -

- « -


5

АС-120/19

2

4

По вершинам D-ка (бочка)


6

АС-185/29

2

4

- « -


Таблица 1.2- Длины линий, км

№ варианта

l1

l2

l3

l4

l5

l6

25

100

110

55

45

20

35


Таблица 1.3- Марки (тип) трансформаторов, автотрансформаторов, нагрузки на подстанциях и мощность ТЭЦ

№ Вар.

Подстанция 1

Подстанция 2

П/ст3

30

Тип тр-ра

Кол-

P1,

Тип тр-ра

Кол-

P2н

P2с

P3



во

МВт


во

МВт


АТДЦТН- 63

2

20

АТДЦТН-125

2

50

100

140


Подстанция 4

Подстанция 5

ТЭЦ


Тип тр-ра

Кол-во

P4,

Тип тр-ра

Кол-во

P5

P6

PТЭЦ




МВт



МВт


ТРДН -63

2

45

ТДТН -80

2

60

90

180

2. Схемы замещения и параметры воздушных линий электропередач


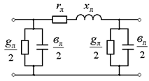
Воздушные линии электропередачи (ВЛ) напряжением 110 кВ и выше длиной до 300 км обычно представляются П-образной схемой замещения (рисунок 2.1) с сосредоточенными параметрами:  - активное сопротивление учитывает потери активной мощности на нагрев провода,  - индуктивное сопротивление определяет магнитное поле, возникающее вокруг и внутри провода,  - активная проводимость учитывает затраты активной мощности на ионизацию воздуха (потери мощности на корону) и токи утечки через изоляторы, которыми для ВЛ можно пренебречь, - ёмкостная проводимость обусловлена ёмкостями между проводами разных фаз и ёмкостью провод-земля.

Рисунок 2.1 - П-образная схема замещения линии электропередачи.

В проекте предусмотрены величины сечений F воздушных линий,, исключающие возможность появления короны (для сетей  , для сетей с  ), поэтому активные поперечные проводимости в схемах замещения учитывать не следует.

Расчёт параметров схемы замещения начинают с определения их значений для 1 км длины линии (погонные параметры).

Погонное активное сопротивление сталеалюминевого провода при температуре 200С определяем выражением:


где  - удельное электрическое сопротивление алюминия при температуре 200С, ;  - расчётное поперечное сечение токопроводящей (алюминиевой) части,  берётся для заданной марки провода из [3, 4];

 - коэффициент, учитывающий удлинение провода из-за скрутки, .

При выполнении расчётов установившихся режимов сети отличие эксплуатационной температуры от 200С не учитывается, согласно ГОСТ 839-80.

1) линия Л1, = 301 мм2 ;

) линия Л2, = 244мм2 ;

) линия Л3, = 244мм2 ;

) линия Л4, = 301мм2  ;

) линия Л5, = 118 мм2 ;

) линия Л6, = 181 мм2 .

Погонное индуктивное сопротивление сталеалюминевого провода рассчитываем по формуле:

,

где d - диаметр провода, d берётся для заданной марки провода из [1, 3, 4];

 - среднегеометрическое расстояние между фазами, определяемое следующим выражением:

.

Здесь  - расстояние между проводами фаз а, в, с.

При расположении фаз по вершинам равностороннего треугольника  равно междуфазному расстоянию , при горизонтальном расположении проводов

При размещении параллельных цепей на двухцепных опорах потокосцепление каждого фазного провода определяем токами обеих цепей. Однако индуктивное сопротивление одной цепи при учёте и без учёта влияния второй цепи разнится на 5-6%, поэтому в практических расчётах вторая цепь не учитывается.

)       Линия Л1, d = 24 мм, Dср = D=6,5 м = 8,2 м

)       Линия Л2, d = 21,6 мм, Dср = D=6,5 м = 8,2 м

;

)       Линия Л3, d = 21,6 мм, Dср = D=6,5 м = 8,2 м

;

)       Линия Л4, d = 24 мм, Dср = D=6,5 м = 8,2 м

;

5)    Линия Л5, d = 15,2 мм, Dср = D= 4 м

;

6)    Линия Л6, d = 18,8 мм, Dср = D= 4 м

.

Погонная ёмкостная проводимость определяем выражением:

;

При выполнении проектных расчётов установившихся нормальных режимов сетей с напряжениями до 220 кВ допустимо использовать упрощенные схемы замещения (рисунке 2.2), в которых погонные ёмкостные проводимости заменяют погонными зарядными мощностями соответствующих линий :

;

) Линия Л1

;

;

) Линия Л2

;

;

) Линия Л3

;

;

) Линия Л4

;

;

) Линия Л5

;

;

6)      Линия Л6

;

;

Если передача электроэнергии осуществляется по двухцепным линиям или по двум одноцепным, то в расчётах установившихся режимов электрической сети используем эквивалентные схемы замещения. Параметры таких схем определяем как результат параллельного сложения двух одинаковых схем, составленных для каждой линии (цепи).

Рис. 2.2. - Упрощенная схема замещения линии электропередачи

Эквивалентные параметры схемы находим по следующим формулам:


Здесь l - длина линии в км;  - номинальное напряжение;

n - количество параллельных линий.

1) Линия Л1


) Линия Л2


) Линия Л3


) Линия Л4


) Линия Л5


) Линия Л6


Таблица 2.1. Параметры схем замещения линий передач

Исходные данные

Погонные параметры

линии      ,

кВМарка

проводаКол-во

цепейДлина,

кмr0,

Ом/кмx0,

Ом/кмв0, 10-6

См/км







 

1

220

АС-300/39

2

100

0.098

0.425

2.674

2

220

АС-240/32

1

110

0.121

0.432

2.632

3

220

АС-240/32

1

55

0.121

0.432

2.632

4

220

АС-300/39

1

45

0.098

0.425

2.674

5

110

АС-120/19

2

20

0.251

0.409

2.785

6

110

АС-185/29

2

35

0.163

0.396

2.883