Материал: Проектування скребкового конвеєра з низькими скребками для транспортування пшениці

Внимание! Если размещение файла нарушает Ваши авторские права, то обязательно сообщите нам

Проектування скребкового конвеєра з низькими скребками для транспортування пшениці

Зміст

Реферат

. Розрахунок основних параметрів машини

.1 Розрахунок та вибір робочого та тягового органу

.2 Тяговий розрахунок

.3 Кінематичний розрахунок

. Розрахунок основних вузлів машини

.1 Розрахунок приводного вала конвеєра

.2 Розрахунок натяжного пристрою

.3 Підбір підшипників

.4 Вибір та розрахунок шпонкового з'єднання

.5 Розрахунок запобіжної муфти

.6 Вибір компенсуючої муфти

.7 Вибір елементів машини (рама і колісний хід і т.д.)

Висновки

Список використаної літератури

Реферат


Скребкові конвеєри використовують для транспортування сипких, зернистих матеріалів і коренеплодів у горизонтальному напрямі і під кутом близько 15° до горизонту. їх широко застосовують на зернових токах і елеваторах, у кормоцехах тваринницьких ферм, на комбікормових заводах, для видалення гною в корівниках, а також як зернонавантажувачі. За універсальністю застосування вони займають одне з перших місць серед машин безперервної дії, а за довжиною робочого органу їхня довжина приблизно на порядок більша ніж, стрічкових конвеєрів.

Вантаж транспортується у верхньому або нижньому жолобі скребками, прикріпленими до спеціальних ланок одного або двох втулково-роликових, тачкових або блочних ланцюгів. Конвеєр завантажують через завантажувальний бункер або скребковим живильником з купи. Розвантажують його через розвантажувальні вікна. Приводна станція скребкових конвеєрів така сама, як і пластинчастих, натяжних пристроїв - з гвинтовим натягуванням ланцюгів. Незавантажена частина конвеєра спирається на сталевий чи дерев'яний настил або вільно провисає. Продуктивність скребкових конвеєрів - до 100-150 т/год.

Скребкові конвеєри бувають стаціонарні, пересувні, переносні, розбірні, підвісні, а також вмонтовані у більш складні машини. В залежності від форми скребків, вони бувають: з суцільними та контурними скребками; а в залежності від розмірів - з високими скребками та низькими. Окрему групу складають трубчасті скребкові конвеєри, які можуть мати просторову трасу.

Тяговим органом скребкових конвеєрів є ланцюги (інколи канати та стрічки). Коли тяговим органом є ланцюг, то крок скребків повинен бути кратним кроку ланцюга.

В залежності від форми траси, скребкові конвеєри розділяють на горизонтальні, нахилені, вертикальні та комбіновані. їх виконують з однією або двома (верхня та нижня) робочими вітками, односторонньої дії та реверсивними. За кількістю ланцюгів тягового органа конвеєри бувають одно- і дволанцюгові.

До позитивних ознак скребкових конвеєрів належать: простота конструкції; можливість переміщувати різні вантажі (добре сипучі, борошнисті, хімічно активні) за складними трасами без перевантаження; герметичність.

Недоліками їх є: великий опір руху вантажу волоком; велика витрата енергії (порівняно з стрічковими конвеєрами); велике спрацювання деталей, що взаємно дотикаються під час руху (жолоба, скребків, ланцюгів); а також затиснення частинок вантажу, що викликає підскакування скребків та подрібнення вантажів.

Основна відмінність від конвеєрів з високими скребками полягає у формі скребків, а також у формі поперечного перерізу жолоба. Вантаж у жолобі такого конвеєра переміщується цільним шаром висотою у два - шість разів більшою за висоту скребка. Це можливо тільки при умові, якщо сили тертя між вантажем та ланцюгом і скребками, а також опір проходження скребків через вантаж більший від сили тертя вантажу об стійки та дно жолоба. Інколи конвеєр може мати два герметичних жолоба, в яких роздільно переміщується вантаж у різних напрямках. Конвеєри з низькими скребками мають більш круті кути нахилу - до 60°, довжину - до 100 м, продуктивність до 500 т/год. Вони застосовуються для транспортування самих різних добре сипких, зернистих та мілкошматкових вантажів. Конвеєри з низькими скребками мають ширину жолоба 90-1000 мм і швидкість транспортування 0,1-0,4 м/с. Конвеєри з жолобом шириною до 320 мм включно виготовляють одноланцюговими, більше 320 мм - дволанцюговими.

До переваг таких конвеєрів слід віднести герметичність, велику продуктивність, незначне дроблення вантажу, можливість переміщення вантажів при великому нахилу траси. Недоліками конвеєрів суцільного волочіння є велика витрата енергії та інтенсивне зношення ланцюга і жолоба.

1. Розрахунок основних параметрів машини

скребковий конвеєр підшипник колісний

1.1 Розрахунок та вибір робочого та тягового органу


Вихідні дані:

Середня продуктивність: Пср=1100 Кн/год

Вантаж що транспортується - пшениця

Об'ємна маса вантажу: γВ - 7 кН/м3

Кут нахилу конвеєра: β - 0,4 рад = 23°

Швидкість транспортування V=0,4м/с

Геометричні параметри: L=15м

Коефіцієнт нерівномірності завантаження, Кн=1.2

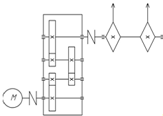
Рисунок з технічного завдання

Рис. 1.1. Схема транспортера

Визначення ширини жолоба: Для визначення ширини жолоба конвеєра використаємо [1.ф. 3.55]

Попередньо розраховуємо площу поперечного перетину шару вантажу:

А=П/3600*V* γВ*KZ

де П - розрахункова продуктивність: П = Пср*Кн = 1100*1.2=1320кН/год V - швидкість транспортування вантажу, згідно рекомендацій [1.ст.17, ст.97]

приймаємо V = 0,4м/с.- сумарний коефіцієнт продукції:

= K1* K2* K3* K4 = 0,9*1,1*0,8*0,8=0,63 згідно рекомендацій [1.ст 97]

приймаємо K1 = 0,9; K2 = 1,1; K3 = 0,8; K4 = 0,8.

А = 1320/3600*0,4*7*0,63 = 0,21 м2

Приймаємо основний розмір жолоба Вж = 0,65 м

Висота вантажу [1.ф. 3.56]

= (0.3…0,6)* Вж = (0,3…0,6)*650 = 195…390 мм

Остаточно висоту шару визначимо з відомої площі

= А/Вж = 0,21/0,65 = 0,32 м

Попередній вибір параметрів ланцюга.

Згідно рекомендацій [1.ст 95] конвеєр матиме два тягових ланцюга . Приймаємо ланцюг типу 2 - втулково-роликовий.

Крок скребків приймаємо:

= 0.5* Вж = 0.5*0.65 = 0.325

Крок ланцюгів приймаємо:


Pt = tc = 320 мм

Для попереднього вибору ланцюга необхідно приблизно визначити потужність на приводному валу конвеєра [1.ф. 3.60]

= e*П*L*c+П*Н/3670*η0

е - питома енергомісткість переміщення вантажу,

для пшениці

е = 1,8*10-4 [1.ст 98]

= 15 м - геометричні параметри конвеєра

Н = L*tgβ = 15*tg 23 = 6.4 м - висота на яку піднімається вантаж

η0 = 0.8 - коефіцієнт, [1.ст 98]; с = 1,25 - коефіцієнт, [1.ст 98];

Р = 1,8*10-4*1320*15*1,25+1320*6,4/3670*0,8 = 6,3 кВт

Визначимо окружну силу

= 1000*P/V = 1000*6.3/0.4 = 15750, H

Визначимо розривне зусилля ланцюга [1.ф. 3.61]

= Ft*S = 15750*(10…20) = 157500…315000, H

Вибираємо попередньо ланцюг М224-2-320-2 ГОСТ 588-74, з руйнуючим навантаженням Fp = 224 Кн

Силу тяжіння вантажу на 1 пог. м. ходової частини конвеєра визначаємо за формулою:

qB = B*h*γB = 0.65*0.3*7000 = 1365 Н/м

Погонне навантаження від сили тяжіння ланцюга і скребків [1.ф. 3.54]

= qB*K = 1365*0.7 = 956 Н/м

де - К = 0,7 - для дволанцюгових конвеєрів [1.ст. 94]

.2 Тяговий розрахунок

Визначення опору руху і натягів ланцюгів

Поділимо трасу конвеєра на характерні ділянки, починаючи з точки збігання ланцюгів з приводних зірочок від точки 1 до точки 4.

Рис. 1.2. Схема траси, поділеної на характерні точки

Приймаємо коефіцієнт опору тягового органу w = 0.3 [1. ст. 93], а коефіцієнт пору руху при обгинанні ланцюгами зірочок К = 1,08 [1. ст. 84].

Приймаємо згідно рекомендацій [1. ст. 99] величину мінімального натягу Fmin = 1000 H

Тяговий розрахунок необхідно розпочинати з точки найменшого натягу. Для заданої траси конвеєра найменший натяг можливий у точці 1 або 2. Запишемо умови визначення точки з мінімальним натягом:

* w < H то Fmin = F2

*0.3 = 4.5 < 6.4

Мінімальний натяг ланцюгів буде у точці 2.

= Fmin = 1000

Натяг у наступних точках становитиме (Н):

= K * F2 = 1.08 * 1000 = 1080= F3 + W3-4 = 1080 + 29960 = 31040

-4 - сила опору завантаженої вітки [1.ф. 3.62]

-4 = W1 + W2 + W3 + W4 = 7166+3638+8736+10420 = 29960

- сила опору від тертя вантажу по дну жолоба [1.ф. 3.63]

= Вж*h*L* γB*fp = 0.65*0.3*15*7000*0.35 = 7166

= 0.5 - коефіцієнт тертя вантажу по металу [1.табл. 1.1]

= 0.7*f = 0.7*0.5 = 0.35

- сила опору від тертя вантажу по стінках жолоба [1.ф. 3.64]

W2 = 2*(h2/2)* γB*L* fp*Kб = 2*(0.32/2)*7000*15*0.35*1.1 = 3638

- сила опору від переміщення вантажу [1.ф. 3.66]

= Вж*h*γB*H = 0.65*0.3*7000*6.4 = 8736

- сила опору від переміщення вантажів [1.ф. 3.67]

= q0* L*w + q0*H = 956*15*0.3+956*6.4 = 10420= F2 + q0* LT*w + q0 + H = 1000-956*15*0.3+956*6.4 = 2816

Визначення окружної сили на приводних зірочках

= Fнб - Fзб + Wnp = F4 - F1 + ( F4 + F1)*(К -1) =

= 31040-2816+(31040+2816)*(1,08-1) = 30933 Н

1.3 Кінематичний розрахунок

Визначення потужності електродвигуна


де - =0,85 [1. ст. 18]

За одержаною потужністю вибираємо найближчий більший електродвигун [1.табл. 2.4] або [2.ст.566] 4А160s6У3

Рд = 11.0 кВт, pд=975 хв-1, Dв=48 мм.

Уточнюємо попередньо вибраний ланцюг.

Fроз = Fmax = F4 = 31040 Н

Руйнівне зусилля, що діє на один ланцюг [1.ф. 3.1]

р = Fроз*S*C/Zл = 31040*10*1,1/2 = 170720 Н

де S = 10 - коефіцієнт запасу міцності [1.ст. 98]= 1,1 - коефіцієнт нерівномірності [1.ст. 67]л = 2 - кількість ланцюгів

Попередньо вибраний ланцюг М224-2-320-2 підходить оскільки його= 224000 Н, розмір ролика що контактує з зірочкою Dл = d2 = 42 мм.

Визначення розмірів зірочок конвеєра

Геометрична характеристика зачеплення [1.ф. 3.12]

λ= Pt/Dл = 320/42 = 7,62

згідно рекомендацій [1.ст. 72] при λ > 3.5 зірочки виготовляють багатоходовими, у нашому випадку приймаємо двоходову зірочку ( m = 2).

Кількість зубців зірочки вибираємо. В залежності від числа ходів [1.ст. 72], Z = 12, при цьому відношення (Z/m) повинне бути дробовим. Діаметр ділильного кола зірочки, у кроках [1.ф. 3.13]

= cosec 180/(Z/m) = cosec (180/(12/2)) = 2, а в міліметрах= dt* Pt = 2*320 =640 мм

Визначення передаточного числа привода

Кількість обертів приводних зірочок



Передаточне число приводного механізму[1.ф.1.27].


Для привода транспортера застосовуємо трьоступеневий циліндричний редуктор. Приймемо передаточне число редуктора Uр=80, марка редуктора Ц3У-250 з діаметром швидкохідного вала редуктора dшв=30 мм, тихохідного вала редуктора dтв=90 мм [2.том 3 ст.518]

Визначення зусилля натягу натяжного пристрою

Зусилля натягу:


Величину ходу натяжного пристрою можна вибрати згідно рекомендацій [1. табл. 3.7]

Рисунок 3 - Схема кінематичного привода

Фактична частота обертання приводного барабана




Загальний ККД привода:

,

де ККД елементів приводу [3. табл. 1.1 ст.5]:

·      муфти ηм=0,99

·        підшипників кочення ηп.к=0,995

Потужність на приводному валу конвеєра:

кВт

Крутний момент на валу електродвигуна визначаємо за формулою:

Н·м

Крутний момент на приводному барабані

 Н·м

2. Розрахунок основних вузлів машини

.1 Розрахунок приводного вала конвеєра

Для виготовлення вала приймаємо сталь 45, твердість 350 НВ [3 том 1 ст.88].

Проектний розрахунок виконується по напруженням кручення. Приймаємо допустимі напруження на кручення =38Н/мм2 [2 том 1 ст.88]

Визначаємо діаметр вала [3 ф.8.16]


приймаємо d1=100мм. Під підшипники 100мм.

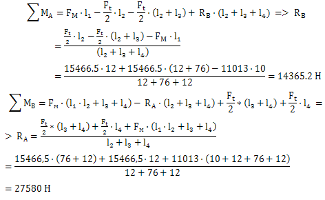
Консольна сила, що діє на приводний вал з боку муфти [ 3. ст.161]

 Н

Знаходимо реакції в опорах:



Перевірка:


Реакції знайдено вірно.

Визначення значення моментів і побудова епюри.

Мзг = - Fм *х1

х1 = 0 Мзг = 0

х1 =  Мзг = -11013*0,1 = -1101,3 Н

Мзг = - Fм*(+х2)-*х2

х2 =  Мзг = -11013*(0,1+0,12)-27580,8*0,12 = -886,84 Н

Мзг = *х3

х3 = 0 Мзг = 0

х3 =  Мзг = 14365,2*0,12 = 1723,82 Н

2.2 Розрахунок натяжного пристрою

Визначимо зусилля натягу натяжного пристрою. Зусилля натягу:


Оскільки вісь працює тільки на згин, то знаходимо діаметр з формули:

[2.том 2 ст.9]


Матеріал вісі - сталь, [σзг]=4000 кгс·см2=40 кгс·мм2 [2. том 2 ст.22]

Для знаходження згинаючого моменту побудуємо розрахункову схему

Рис. 2.3. Розрахункова схема вісі

Знайдемо реакції в опорах:

Н

Згинаючий момент в т.1:

Н·м

Знаходимо діаметр вісі:

мм.

Приймаємо dв=32мм. Під підшипник 30мм.

.3 Підбір підшипників

Приводного вала

Виходячи із розмірів вала і у мов роботи попередньо приймаємо підшипники шарикові радіальні двохрядні. Тип - 1000.

По діаметру d=100мм приймаємо підшипник 1220 [6. ст.41]

=100мм=180мм

В=34мм

вантажопідйомність,

С=54400 Н

Рисунок 6 - Схема підшипника

Використаємо метод підбору підшипників за динамічною вантажопідйомністю. Розрахунок ведемо по більш навантаженій опорі.

Еквівалентне навантаження [3.ф.9.4]

Н,

Де V=1(при обертанні внутрішнього кільця) [3. ст.212]

Кб=1,5 [3. таб.9.19], КТ=1 [3. таб.9.20].

Нормальний ресурс підшипника в мільйонах обертів [3.ф.9.1]

 млн. об.

Номінальна довговічність в годинах [3.ф.9.2]

 год.