Материал: Проектирование токарного автомата для растачивания канавок уплотнения в наружных кольцах подшипников

Внимание! Если размещение файла нарушает Ваши авторские права, то обязательно сообщите нам

6х0,6 ГОСТ 8734-75 соединение 2 - 10 - К1/8”по ГОСТ 6111-52.

2.6 Разработка гидроприводов суппортов и зажима - разжима детали


При разработке гидроприводов окончательно определяется расположение гидродвигателя, насосной установки, гидроаппаратуры, часть которой смонтирована на насосной установке, другая часть смонтирована в виде гидроблоков управления на специальных плитах.

Чертежи гидроблоков и плит гидроприводов суппортов продольного и поперечного перемещения и зажима - разжима детали представлены в графической части выпускной квалификационной работы. При проектировании гидроблоков управления обеспечиваем удобство сборки, простота, компактность и технологичность конструкции. Конструкция гидроблоков в целом должна обеспечивать минимальную длину и простейшую форму трубопроводов и удобство обслуживания, не загромождать рабочее пространство станка.

2.7 Расчет потерь давления в гидроаппаратах


Расчет потерь давления проводим для рабочего хода (РХ) цикл работы гидропривода поперечного перемещения суппорта для напорной линии по программе "GIDRO" на ЭВМ.

Исходные данные для расчета:

∆р0 - перепад давления открытия, МПа;

∆рном - потери давления в аппарате при номинальном расходе, МПа;

Qном - номинальный расход аппарата, м3/с;

Qmax - максимальный расход жидкости в аппарате на данном этапе цикла, м3/с;

Расчетные формулы:

∆РГА=∆р0+А∙Qmax+В∙Qном2, МПа, (2.16)

где А и В - коэффициенты аппроксимации экспериментальной зависимости потерь давления в аппарате от расхода жидкости проходящего через него:


Пример расчета потерь давления в обратном клапане 1МКО 10/20 ТУ2-053-1841-87;

∆р0 - 0,15 МПа;

∆рном - 0,3 МПа;

Qном - 0,00053м3/с;

Qmax - 0,0002 м3/с;

Подставим данные в формулы (2.17) и (2.18):

 

Результаты расчета представлены в таблице 2.1.

Таблица 2.1 - Потери давления в гидроаппаратуре

Наименование аппарата

dро МПа

А

В

Этап цикла

Qmax м3/c

dр МПа

1

2

3

4

5

6

7

Напорная линия

Клапан обратный

0,15

140,6

263671,9

РХ

2Е-4

0,16

Клапан редукционный

0,3

150

225000

РХ

2Е-4

0,34

Гидрораспределитель

0

288

1382400

РХ

1Е-4

0,04

Регулятор расхода

0

240

576000

РХ

1Е-1

0,03

Сливная линия

Клапан давления

0

562,5

1054687

РХ

12Е-7

7Е-4

Гидрораспределитель

0

288

1382400

РХ

12Е-7

3,5Е-4

Клапан давления

0

562,5

1054687,6

РХ

24Е-7

14Е-4

ИТОГО

24Е-4



2.8 Определение потерь давления в трубопроводах


2.8.1 Определение потерь в трубопроводах по длине

Для каждого трубопровода определим число Рейнольдса (Rе):

 

где U - фактическая скорость течения жидкости в трубопроводе м/с;

 - диаметр трубопровода, мм;

 - кинематический коэффициент вязкости жидкости, для ИГП-30

 =30∙10-6 м2/с.

Затем сравним это число с Rе кр:

если Rе ≤Rе кр, то режим течения жидкости - ламинарный;

если Rе ˃Rе кр, то режим течения жидкости - турбулентный;

Для гладких круглых труб, а также для отверстий в корпусе гидроблока управления Rе кр =2300, для соединительных рукавов Rе кр =1600.

Потери давления ∆рi на вязкое трение определим по формуле:

 

где  - плотность рабочей жидкости, для ИГП - 30 =885 кг/м3;

Q - расход жидкости в линии, л/мин;

 - коэффициент гидравлического трения на i - участке;

ni - число участков.

 - площадь внутреннего сечения трубопровода перед i - сопротивлением, м2;

Для гладких цилиндрических трубопроводов коэффициент λi определяем по формуле:

при ламинарном режиме:


при турбулентном режиме:


Расчет потерь давления производим для этапа рабочего хода (РХ) цикла работы гидропривода поперечного перемещения суппорта (правого):

Пример расчета для участка 1 - 8:

Q=12 л/мин=0,2∙10-3 м3/с;

dст= 10,8∙10-3 м;

 

где

fст - площадь внутреннего сечения трубопровода.

 

 

Rе≤ Rекр, режим течения - ламинарный.

Потери давления на вязкое трение на участке:

 

Результаты расчета для всех участков сведены в таблицу 2.2.

Таблица 2.2 - Результаты расчета потерь давления по длине трубопровода

Этап цикла

Линия

Участок

Qmaxх10-3 м3

dстiх10-3 м

fстiх10-3 м2

Ui м/с

Rei

λi

Li м

∆рi МПа

∆рl МПа

1

2

3

4

5

6

7

8

9

10

11

12

 РХ

напорная

1-8

0,2

10,8

0,092

2,17

781,2

0,082

1

0,016

0,082



8-9

0,1

8

0,05

2

533,3

0,12

2

0,05




10-11

0,002

6,8

0,036

2,7

612

0,105

0,3

0,016


 РХ

сливная

12-13

0,001

6,8

0,036

0,03

6,8

9,41

0,3

0,0002

0,00097



14-21

0,001

8

0,05

0,024

6,4

10

2

0,0006




21-36

0,002

12

0,11

0,022

8,8

7,27

1

0,0001















2.8.2 Определение местных потерь

Местные потери (∆рм) складываются из потерь в различных местных сопротивлениях (∆рмi) и определяются по формуле:

 

где  - коэффициент местного сопротивления;

nм - число местных сопротивлений;

 - площадь внутреннего сечения трубопровода перед i - сопротивлением, м2;

Расчет потерь давления также производим для рабочего хода (РХ) цикла работы гидропривода поперечного перемещения суппорта.

Пример расчета местных сопротивлений для участка 1-2:

 = 0,8 - тип местного сопротивления - резкое расширение [3].


Результаты расчета местных потерь давления для всех участков сведены в таблицу 2.3.

Таблица 2.3 - Результаты расчета местных потерь давления в гидроприводе

Этап цикла            Линия    Участок               Qmaxх10-3 м3/с      fстiх10-3 м2            Вид местного спорот.     Кол-во мест. Сопрот.      i∆рi

МПа∆рм

МПа




 

1

2

3

4

5

6

7

8

9

10

11

РХ

Напорная линия

1-2

0,2

0,092

1

0,8

 8,5

0,0017

0,024



2-7

0,2

0,15

2

1,2


0,0019




2-7

0,2

0,15

1

0,2


0,00016




7-8

0,2

0,092

1

0,2


0,00042


РХ

Напорная линия

8-9

0,1

0,05

1

0,2

8,5

0,00035

0,024



9-10

0,1

0,028

2

1,2


0,00036




9-10

0,1

0,028

1

1,1


0,0062


РХ

Напорная линия

9-10

0,1

0,08

1

1,2

8,5

0,000001

0,024



9-10

0,001

0,08

1

1,2


0,000001




10-11

0,001

0,036

1

1,2


0,000001




12-13

0,001

0,036

1

1,1


0,000004




13-14

0,001

0,078

1

1,2


0,000001



Сливная линия

13-14

0,001

0,078

1

0,4

5,3

0,000005

2∙10-6



14-21

0,001

0,05

1

0,8


0,000005




14-21

0,001

0,05

1

0,8

 

0,000009

 



14-21

0,001

0,05

1

0,8


Итого

0,026


2.9 Описание устройства автомата и суппортов


На чертеже общего вида токарного автомата изображены и обозначены узлы и детали, непосредственно обеспечивающие токарную обработку канавки кольца (см. чертеж ВКР15.03.05.09.002.02.01.00). Станок спроектирован на базе доводочно-полировального автомата, поэтому отдельные механизмы и оборудование остались неименными и условно не показаны.

Привод главного движения 1 (см. чертеж ВКР15.03.05.09.002.02.01.00) обеспечивает вращение заготовок. Особенностью работы автомата является то, что одновременно обрабатываются два кольца с различных сторон и имеется одна загрузочная позиция. Заготовки закрепляются в цанговом патроне 5. Продольные суппорты, в частности левый 6, обеспечивают продольное перемещение резцов в рабочую зону. Резцы установлены и закреплены на поперечных суппортах 2, 3, которые непосредственно обеспечивают движение врезания. Суппорты крепятся к станку с помощью установочных плит 11,12. Привод главного движения также закрепляется на плите 10. Рассмотрим устройство суппорта на примере левого поперечного суппорта. (ВКР15.03.05.09.002.02.01.00 лист 2) Передаваемое от гидроцилиндра 35 усилие воздействует от упора на шток 10, который перемещает стол 3 и закрепленный на нем кронштейн 4, несущий режущий инструмент. Ход регулируется упором 1 по лимбу. Перемещение осуществляется по направляющим основания 2. Имеются отверстия для подачи смазки, заглушенные пробками, для равномерного распределения смазки имеются смазочные канавки.

Крепление элементов, в том числе гидроцилиндра осуществляется с помощью болтов, винтов и штифтов. Привод всех поперечных и продольных суппортов выполнен гидравлическим, так как это позволяет сэкономить рабочее пространство станка, в виду компактности гидроаппаратуры и легкости её монтажа.

3. Разработка технологического процесса изготовления плиты гидроблока торможения


3.1 Назначение, конструкция и анализ технологичности детали


Плита является частью гидросистемы токарного автомата для растачивания канавок под уплотнения в подшипниках качения, а именно, она входит в состав гидропривода продольного перемещения суппортов с путевым управлением. Данная плита служит для монтажа на ней гидроаппаратуры и трубопроводов. Присоединяемые аппараты должны полностью прилегать к поверхности плиты, чтобы предупредить утечки масла, поэтому эти поверхности необходимо шлифовать. Материал используемый для изготовления данной детали: Сталь 35 (ГОСТ 1050-74). Химический состав стали 35 приведен в таблице 3.1, механические свойства представлены в таблице 3.2.

Таблица 3.1 - Химический состав стали 35

С %

Si %

Mn %

не более

Ni %

Cr %




S %

P %



0,32-0,40

0,17-0,37

0,5-0,8

0,4

0,035

0,25

0,25


Таблица 3.2 - Механические свойства стали 35

σт МПа

σвр МПа

σ5 %

ψ %

αн Дж/см2

НВ не более

не менее


горячекатаная

отожжённая

320

540

20

45

70

207

-


Нетехнологичным является сверление глухих и перекрёстных отверстий, так как при выходе сверла возможен увод или поломка инструмента. В целом деталь имеет простую геометрическую форму и поэтому конструкция позволяет применить повышенные режимы резания и высокопроизводительные методы обработки. Из высокопроизводительных методов обработки и снижения затрат времени можно предложить фрезерование торцов плиты пакетами, то есть фрезерование целого пакета, набранного из деталей. Еще для снижения затрат времени на изготовление плиты нужно применять при сверлении отверстий станки с ЧПУ.

3.2 Выбор типа производства


Исходные данные:

Годовая программа, N=2000 шт;

режим работы двухсменный.

Определим действительный годовой фонд времени работы оборудования:

Fд= (D-d) ·h·S·Kp, ч, (3.1)

где D - количество календарных дней в году;

d - количество нерабочих дней;

h-продолжительность смены;

S - количество смен в сутки;

Кр - коэффициент планируемых потерь времени.

Fд= (365-113) ∙2∙8∙0,97=3912 ч.

3.3 Выбор типа заготовки


Выбор заготовки для деталей машин обуславливается назначением и конструкцией детали, материалом, техническими требованиями чертежа, серийностью и масштабом выпуска, а также минимальными затратами на изготовление детали.

Исходные данные:

материал детали - сталь 35;

масса детали - 2,19 кг;

годовая программа 2000 шт.

Сравним два варианта получения заготовок: - из проката и отливкой.

3.3.1 Себестоимость заготовки из проката

Себестоимость заготовки из проката найдем по формуле:

, руб, (3.2)

где  - затраты на материал заготовки, руб;

 - технологическая себестоимость операций правки, калибрования прутков, разрезки их на штучные заготовки:

 

где - приведенные затраты на рабочем месте, руб/ч;

 - штучное или штучно калькуляционное время выполнения заготовительной операции (правки, калибрования, разгрузки и др.) мин.

По данным приведенные затраты, приходящиеся на 1 час работы оборудования резки заготовок на отрезном станке модели РРS-270THP, работающих ленточным ножовочным полотном 2360х19х0,9 составляют 280,2 руб/час. Затраты на материал определяются по массе проката, требующегося на изготовление детали, и массе сдаваемой стружки. При этом учитывается стандартная длина прутков и отходы в результате не кратности длины заготовок этой стандартной длине:

 

где  - масса заготовки, кг.;

 - цена 1 кг. Материала заготовки, руб.;

 - масса готовой детали, кг.;

 - цена 1 т. отходов, руб.

 руб/ч.

Тшт= 1,1 мин - штучное время при отрезке.

Sзаг1=68,69+5,13=73,82 руб.

Квадрат h11-КД-115 ГОСТ 8559-75/35-Б-М3-ТВ2-ГС-НГ ГОСТ 1050-88

3.3.2 Стоимость заготовки из отливок

Стоимость заготовок, получаемых методом отливок можно с достаточной точностью определить по формуле:

 

где - базовая стоимость тонны заготовки, руб. /т;

kt - коэффициент зависящий от точности;

kc - коэффициент сложности заготовки;

kb - коэффициент массы отливок;

km - коэффициент материала;

kn - коэффициент объема производства;

Qзаг - масса заготовки, кг.


Так как отличий в механической обработке нет, то можно сразу определить по формуле годовой экономический эффект.

Эг= (Sзаг2-Sзаг1) N, руб, (3.6)

Эг= (365,58-73,82) ∙2000=583520 руб.

Годовой экономический эффект при производстве заготовок из проката составляет 583520 рублей.

3.4 Выбор плана обработки детали


При исследовании технологического процесса следует руководствоваться следующими принципами:

-       при обработке у заготовок всех поверхностей в качестве технологических баз для первой операции целесообразно использовать поверхности с наименьшими припусками;

-       в первую очередь следует обрабатывать те поверхности, которые являются базовыми в дальнейшей обработке;

-       далее выполняют обработку тех поверхностей, при снятии стружки с которых в меньшей степени уменьшается жесткость детали;

-       в начале технологического процесса следует осуществлять те операции, в которых велика вероятность получения брака из-за дефекта.

Технологический процесс записывается по операционно, с перечислением всех переходов.

Основные технологические операции при изготовлении плиты гидроблока торможения:

-       фрезерная (фрезерование поверхности);

-       шлифовальная (шлифовка поверхности).

-       сверлильная (сверление отверстий, нарезание резьбы);

-       слесарная (гравировать обозначение отверстий, притупление кромок);

-       контрольная;

Маршрут обработки детали

- фрезерная операция;

- фрезерная операция;

- фрезерная операция;

- шлифовальная операция;

- шлифовальная операция;

- сверлильная операция ЧПУ;

- сверлильная операция ЧПУ;

- сверлильная операция ЧПУ;

- слесарная операция;

- контрольная операция;

Структура операций по переходам

. Фрезерная операция

1. Фрезеровать широкую поверхность 1, 2 в размер 40,5 мм

. Фрезерная операция

. Фрезеровать торец 3,4 в размер 67,5 мм.

. Фрезерная операция

. Фрезеровать торец 5, 6 в размер 109,5 мм

. Шлифовальная операция

. Шлифовать поверхность 1 в размер 44 мм

. Шлифовальная операция

. Шлифовать поверхность 5 в размер 109 мм

. Сверлильная операция

. Наметить отверстия

. Сверлить 2 отверстия Ø 9 мм

. Сверлить 4 отверстия Ø 8,4 мм

. Сверлить отверстие Ø14 мм

. Сверлить отверстие Ø 11 мм

. Сверлить 2 отверстия Ø4 мм

. Зенковать 2 отверстия Ø5,5 мм

. Развернуть 2 отверстия Ø6 мм

. Нарезать резьбу М10 - 6 отверстия

. Сверлильная операция

. Наметить отверстия

. Сверлить отверстие Ø11мм

. Сверлить отверстие Ø10 мм

. Зенковать 2 отверстия Ø 11 мм

. Нарезать резьбу К1/4'' - 2 отверстия

. Сверлить отверстие Ø8,7 мм

. Развернуть отверстие Ø8,7 мм

. Нарезать резьбу К1/8''

. Сверлильная операция

. Наметить отверстия

. Сверлить 4 отверстия Ø 4мм

. Сверлить отверстие Ø 6 мм

. Сверлить отверстие Ø 6 мм

. Сверлить отверстие Ø 6 мм

. Нарезать резьбу М5 - 4 отверстия

. Слесарная операция

. Гравировать обозначение отверстий согласно чертежа

. Притупить острые кромки

. Контрольная

. Контролировать габаритные размеры 44,67 и 109 мм

. Контролировать шероховатость поверхностей 1 и 5

. Контролировать расположение отверстий

. Контролировать резьбу с помощью калибров - пробок

3.5 Расчет припусков на обработку


Произведем расчет припусков на фрезерную обработку.

Рассчитаем припуск на обработку высоты плиты размер которой задан , смотри рисунок 3.1, несоблюдение этого размера может привести к ухудшению прилегания гидрораспределителя, что может привести к нарушению герметичности конструкции и утечкам масла из системы гидропривода.

Рисунок 3.1 - Схема установки

Исходные размеры заготовки:

-2 плоскости размером 114х70;

-4 плоскости размером 49х70;

-6 плоскости размером 49х114;

Размеры заданные чертежом:

-2 плоскости размером х;

-4 плоскости размером х;

-2 плоскости размером х;

Суммарное значение пространственных отклонений для заготовок данного типа определяется по формуле:

, мкм, (3.7)

где - удельная кривизна заготовок;

=0,6∙114=68,4 мкм, (3.8)

=505 мкм.

Остаточные пространственные отклонения:

-       после предварительного фрезерования =95мкм;

-       после окончательного фрезерования =65мкм;

-       после однократного шлифования =36мкм;

Расчет минимальных значений припусков производим, пользуясь основной формулой:

мкм, (3.9)

Минимальный припуск:

-       под предварительное фрезерование:

=805 мкм

-       под чистовое фрезерование:

=195 мкм

-       под шлифование:

=125 мкм

Расчетный размер" (dp) заполняется, начиная с конечного (в данном случае чертежного) размера последовательным прибавлением расчетного минимального припуска каждого технологического перехода.

Таким образом, имея расчетный (чертежный) размер, после последнего перехода (в данном случае шлифовки 44,018) для остальных переходов получаем:

;

;

.

Предельные значения припусков  определяем как разность наибольших предельных размеров и  - как разность наименьших предельных размеров предшествующего и выполняемого переходов:

=210мкм;

44,540 - 44,235=0,305мм=305 мкм;

44,540=1,785 мм=1785 мкм;

мм=125 мкм;

=195 мкм;

мм=805мкм;

Данные расчета представлены в таблице 3.3.

Таблица 3.3 - Результаты расчета

Технологические переходы обработки поверхности

Элементы припуска, мкм

Расч. припуск 2Zmin

Расч. размер dр, мм

Допуск , мкмПредельный размер, мм

Предельные значения припусков, мкм


 

Rz

T

 



dmin

dmax

Заготовка

150

150

505


45,125

1200

45,125

46,325

-

-

Фрезерование черновое

50

50

95

805

44,32

220

44,32

44,540

805

1785

Фрезерование чистовое

30

30

65

195

44,125

110

44,125

44,235

195

305

Шлифование

10

20

36

125

44,003

15

44,003

44,018

125

210



3.6 Расчет режимов резания


Пример расчета приведем для фрезерной операции 010:

Фрезерование поверхностей 1,2 размерами 114х70 мм.

Расчет длинны рабочего хода фрезы:

, мм, (3.10)

где  - длина резания, мм.;

 - подвод, врезание, перебег инструмента, мм.;

 - дополнительная длина хода, вызванная в отдельных случаях особенностями наладки и конфигурации детали, мм.

114+7+8=129 мм.

Для обработки поверхностей выбираем фрезу по ГОСТ 29092-91

Фреза 2200-0313 ГОСТ 29092-91:

D=120 мм;

z=10;

d=40 мм;

L=135 мм.

Произведем расчет:

скорость резания V, м/мин-1;

частота вращения шпинделя nм, мм/мин;

подача Sм, мм/ мин.

Окружная скорость фрезы:

 

где Сv - коэффициент материала;

Sz - величина подачи на один зуб. мм/об;

Т - период стойкости инструмента;

t - глубина резания, мм;

В - ширина обрабатываемой поверхности, мм;

Кv - поправочный коэффициент.

Кv=KMv∙Knv∙Kuv, (3.12)

 

где Kuv - коэффициент влияния инструментального материала;

Knv - коэффициент состояния поверхностного слоя.

Рассчитаем режим чернового фрезерования:

 

Расчет частоты оборотов шпинделя:

 

 

Расчет минутной подачи:

Sм=Sz∙Z∙n, мм/мин, (3.15)

Sм=0,2∙10∙100 = 200 мм/мин.

Для остальных операций режимы резания представлены в таблице 3.4.

Таблица 3.4 - Режимы резания

Операция, технологические переходы

Элементы режимов резания


L (D), мм

t, мм

S, мм/об

V, м/мин

n, об/мин

S, мм/мин

005, Фрезерование поверхностей 1 и 2

114

2,5

1,2

250

650

200

010, Фрезерование поверхностей 3 и 4

50

3,5

1,2

250

650

176

015, Фрезерование поверхностей 5 и 6

69

1

1,2

250

650

200

020, Шлифование поверхности 1

114

0,5

0,5

300

1200

270

025, Шлифование поверхности 4

50

0,5

0,5

300

1200

270

030, Сверлильная ЧПУ

Центрованные отверстий

1

5

0,07

22

1000

Сверление отверстий Ø 9мм

9

25

0,05

22

780

40

Сверление отверстия Ø 14 мм

14

18

0,06

22

500

33

Сверление отверстий Ø11 мм

11

27

0,06

22

650

36

Сверление отверстий Ø 4 мм

4

10

0,04

22

1200

49

Зенкерование отверстия Ø 5,5 мм

5,5

6

0,05

22

1000

45

Развертка отверстия Ø 6 мм

6

10

0,06

22

100

46

Нарезание резьбы М10

1

20

-

3

80

-

035, Сверлильная ЧПУ

Центрованные отверстий

1

5

0,07

22

3000

230

Сверлить отверстие Ø10 мм

10

39

0,05

22

700

38

Сверлить отверстие Ø10 мм

10

48

0,05

22

700

38

Зенкерование отверстий Ø11 мм

11

18

0,06

22

650

36

Нарезание резьбы К1/4”

10

2

-

3

80

-

Сверлить отверстие Ø 7 мм

7

37

0,04

22

1000

45

Зенкеровать отверстие

8

12

0,7

20

670

500

Нарезание резьбы К1/8”

8,7

12

-

3

80

-

040, Сверлильная ЧПУ

Центрование отверстий

1

5

0,07

22

3000

230

Сверлить отверстия Ø6мм

6

12

0,04

22

1200

49

Сверлить отверстия Ø 7 мм

7

11

0,04

22

1000

45

Нарезать резьбу М8

8

9

-

3

80

-


3.7 Расчёт технологических норм времени


Нормативы времени рассчитываем на одноинструментальную обработку в условиях одиночного обслуживания. Норма времени на выполнение станочной операции состоит из нормы подготовительно - заключительного времени tп. з. и нормы штучного времени Тшт. Приведем пример расчета штучно - калькуляционного времени для операции фрезерования плоскости 114х70 мм высотой 44 мм цилиндрической фрезой на продольно - фрезерном станке 6308 с длинной стола 3000 мм. Деталь устанавливается в тиски с пневмозажимом.

Определим состав подготовительно - заключительного времени:

-       Установка тисков с креплением 4-мя болтами - 14 мин.;

-       Установка фрезы - 2 мин.;

-       Завершительные работы - 7 мин.;

tп. з=tприсп+tинст+tзав, мин, (3.16)

где tприсп - время на установку приспособления, мин.;

tинст - время на установку инструмента, мин.;

tзав - время на завершительные работы, мин.

tп. з=14+2+7=23 мин.

Время на приемы управления:

-       Включить и выключить станок - 0,1 мин.;

-       Подвести деталь к фрезе в продольном направлении - 0,03 мин.;

-       Переместить стол в обратном направлении - 0,06 мин.;

Вспомогательное время:

Тв. = (Ту. с. з. о. упр.) К, мин, (3.17)

где Ту. с. - время на установку детали, мин.;

Тз. о. - время завершительных работ, мин.;

Тупр. - время на приемы управления, мин;

К=1,85 - поправочный коэффициент при серийном производстве.

Тв. = (1,7+0, 19+0,032) ∙1,85=2,48 мин.

Время на обслуживание рабочего места и отдых составляет 6% оперативного времени.

Тоб. от. оп. ∙6%, мин, (3.18)

где Топ. - операционное время, мин. Штучно-калькуляционное время:

Тшк=о+ (Ту. с. з. о. уп) К+Тоб. от., мин, (3.19)

 

В таблице 3.5 представлено штучно калькуляционное время изготовления плиты торможения.

Таблица 3.5 - Штучно-калькуляционное время изготовления плиты торможения

Токарно-фрезерная операция

Диаметр участка, мм

Глубина резания, мм

Длина обр-ки мм

То мин

Тподг мин

Твсп мин

Тш. к. мин


до обработки

после обработки







1

2

3

4

5

6

7

8

9

005 фрезерная обработка

Фрезерование поверхностей 1 и 2.

-

-

3,5

114

0,15

8

2,48

10,63

010 фрезерная обработка

Фрезерование поверхностей 3 и 4.

-

-

4,5

67

0,2

8

2,48

10,68

015 фрезерная обработка

Фрезерование поверхностей 5 и 6.

-

-

2

44

0,15

8

2,48

10,63

020 шлифовальная операция

Шлифование поверхности 1

-

-

0,5

109

1,5

7

2,0

10,5

025 шлифовальная операция

Шлифование поверхности 5

-

-

0,5

67

1,7

7

2,0

10,7

030 сверлильная операция ЧПУ

Центрование отверстий

0

2,5

5

-

0,22

10

3,5

20,78

Сверление 6 отверстий Ø9мм

0

9

25

-

3,72




Продолжение таблицы 3.5

1

2

3

4

5

6

7

8

9

Сверление отверстия Ø14мм

0

14

18

-

0,53

10

3,5

20,78

Сверление отверстия Ø11мм

0

11

27

-

0,55




Сверление 2 отверстий Ø 4мм

0

4

6

-

0,24




Зенкование 2 отверстий Ø5,5 мм

4

5,5

6

-

0,24

10

3,5

20,78

Развертка 2 отверстий Ø 6 мм

5,5

6

6

-

0,18




Нарезание резьбы М10 - 4 отверстия

9

10

20

-

1,6




035 сверлильная операция ЧПУ

Центрование отверстий

0

2,5

5

-

0,07

 10

 3,5

 20,04

Сверлить отверстие Ø10 мм

0

10

39

-

1,35




Сверлить отверстие Ø10 мм

0

10

48

-

1,58




Зенкеровать 2 отверстия Ø 11 мм

10

11

18

-

1,00




Нарезать резьбу К1/4”

11

11,8

18

-

1,10




Сверлить отверстие Ø7 мм

0

7

37

-

0,82




Зенкеровать отверстие Ø8

7

8

18

-

0,27




Нарезать резьбу К1/8”

8

8,7

18

0,35




040 сверлильная операция ЧПУ

Центрование отверстий

0

2,5

5

-

0,16

10

3,5

16,77

Сверление 4 отверстий Ø4мм

0

4

11

-

0,88




Сверлить отверстие Ø6 мм

0

6

27

-

0,53




Сверлить отверстие Ø6 мм

0

6

33

-

0,65




Сверлить отверстие Ø6 мм

0

6

12

-

0,25




Нарезать резьбу М 5

4

5

9

-

0,8




ИТОГО:

110,7


3.8 Выбор оборудования


Для фрезерной операции 005, 010, 015: фрезерный станок 6308, технические характеристики приведены в таблице 3.6.

Таблица 3.6 - Технические характеристики фрезеровального станка 6308

Параметр

Значение

1

2

Класс точности станка по ГОСТ 8-82 (Н, П, В, А, С) Н


Длина рабочей поверхности стола, мм

3000

Ширина стола, мм

800

Наибольшее перемещение по осям X,Y,Z, мм

3550

ЧПУ

-

Пределы частот вращения шпинделя Min/Max, об/мин.

25 - 800

Мощность, кВт

13

Габариты, мм

8720_2800_4000

Масса, кг

28600

Начало серийного выпуска, год

1972

Завод-производитель

Минский станкостроительный завод им. Октябрьской революции МЗОР, РУП


Плоскошлифовальная операция 020, 025: плоскошлифовальный станок 3711, технические характеристики приведены в таблице 3.7.

Таблица 3.7 - Технические характеристики плоскошлифовального станка 3711

Параметр

Значение

1

2

Класс точности станка по ГОСТ 8-82 (Н, П, В, А, С) А


Длина (диаметр) рабочей поверхности стола, мм

1000

Ширина стола, мм

200

Наибольшая высота детали, мм

250

ЧПУ

-

Пределы частот вращения шпинделя Min/Max, об/мин.

200 - 2680

Мощность, кВт

2.2

Габариты, мм

3620_2250_1825

Масса, кг

3795

Начало серийного выпуска, год

1970

Завод-производитель

Оршанский станкостроительный завод "Красный борец", РУПП


Сверлильная операция ЧПУ 030, 035, 040: станок вертикально - сверлильный ЧПУ 2Р135Ф2/NC-110, модернизированный под систему управления NC-110, технические характеристики приведены в таблице 3.8.

Таблица 3.8 - Технические характеристики станка 2Р135Ф2/NC-110

Параметр

Значение

1

2

Наибольший диаметр сверления в стали 45 ГОСТ 1050 - 74

35 мм

Размеры конуса шпинделя по СТ СЭВ 147-75

Морзе 4

Размеры конуса шпинделя для фрезерования

Конус 7: 24

Наибольшая ширина фрезерования

60 мм

Наибольший ход шпинделя

250 мм

Расстояние от торца шпинделя, до стола

600 мм

Рабочая поверхность стола, мм 400х710

400х710 мм

Количество скоростей шпинделя

12

Количество подач

9

Пределы подач

0,1-1,6 мм/об.

Система управления ЧПУ

NC-110


3.9 Выбор режущего инструмента


Перечень режущего инструмента представлен в таблице 3.9.

Таблица 3.9 - Ведомость режущего инструмента

Номер операции

Текст перехода

Тип инструмента

1

2

3

005

Т01 Фрезерование

Фреза 1832 ГОСТ 3752-71

010

Т01 Фрезерование

Фреза 1845 ГОСТ 3752-71

015

Т01 Фрезерование

Фреза 1848 ГОСТ 3752-71

020, 025

Т01Шлифование

Шлифовальный круг 1П 25А 40 СМ15 К7 ГОСТ 2424-83

030

Т01 Сверло центровочное

2317-0113 ГОСТ 14952-75


Т02 Сверло Ø 9мм

2301-0023 ГОСТ 10903-77


Т03 Сверло Ø14мм

2301-0046 ГОСТ 10903-77


Т04 Сверло Ø11мм

2301-0034 ГОСТ 10903-77


Т05 Метчик М10

2621-2593 ГОСТ 3266-81


Т02 Сверло Ø10мм

2301-0033 ГОСТ 10903-77


Т03 Зенкер Ø 11,75 мм

2323-0509 ГОСТ 12489-71


Т04 Метчик ¼’’

2680-0006 ГОСТ 6227-80


Т06 Зенкер Ø 5,8мм

2323-2711 ГОСТ 12486-71


Т07 Развертка Ø 6мм

2363-0064 ГОСТ 1672-80


Т08 Сверло Ø 7мм

2301-0009 ГОСТ 10903-77

Продолжение таблицы 3.9

1

2

3

035

Т09 Зенкер Ø 8,7мм

2323-0503 ГОСТ 12489-71


Т10 Метчик 1/8’’

2680-0006 ГОСТ 6227-80

040

Т01 Сверло центровочное

2317-0113 ГОСТ 14952-75


Т02 Сверло Ø 4 мм

201-040 ГОСТ 10902-77


Т03 Сверло Ø 6 мм

2301-0001 ГОСТ 10903-77


Т04 Метчик М5

2621-2457 ГОСТ 3266-81


3.10 Выбор измерительного инструмента


Перечень измерительного инструмента и калибров представлен в таблицах 3.10 и 3.11

Таблица 3.10 - Ведомость измерительного инструмента и калибров конической резьбы

Инструмент

Марка

1

2

Штангенглубиномер

ШГ-200-0,10 ГОСТ 162-90

Калибр К1/4”

Пробка К1/4” Р-Р ГОСТ 6485-69

Калибр К1/8”

Пробка К1/8” Р-Р ГОСТ 6485-69


Таблица 3.11 - Ведомость калибров метрической резьбы

Инструмент

Вставка ПР

Вставка НЕ

Ручка

1

2

3

4

Калибр - пробка М10

8133-922/001 ГОСТ 14810

8133-922/002 ГОСТ 14810

8054-012 ГОСТ 14748-69

Калибр - пробка М5

8133-910/001 ГОСТ 14810

8133-910/002ГОСТ 14810

8054-011 ГОСТ 14748-69



3.11 Программирование станка с ЧПУ для сверлильной операции 035


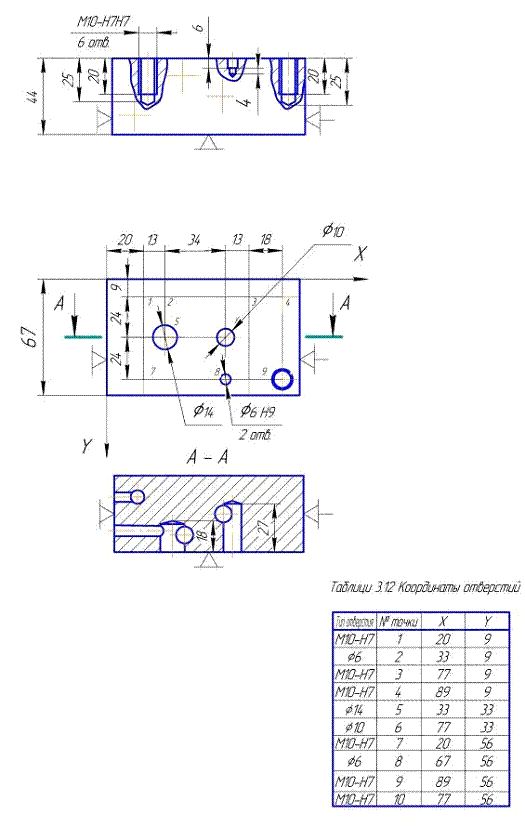
Для разработки управляющей программы составим расчетно-технологическую карту представленную на рисунке 3.3ю Эта карта содержит всю необходимую информацию для создания последовательности обработки отверстий, назначения инструментов, режимы резания представлены в таблице 3.12. Положение детали относительно плавающего нуля по осям Х и Y определено установкой, положение по оси Zпринимаем 200 мм. Текст управляющей программы представлен в таблице 3.13.

Рисунок 3.3 - Расчетно - технологическая карта для 035 операции

Таблица 3.13 - Тест управляющей программы 035 операции

№ кадра

Текст программы

Пояснение текста программы

1

2

3

%

Начало

1

 (DIS “HUDROPLITA01”)

Вывод на дисплей названия программы

2

M00

безусловный останов, продолжение нажатием кнопки "Пуск"

3

G71 G91 G95 G97 X0Y0Z0

Программа в мм, относительная система координат, подача в мм/об., начальная точка X0Y0Z0

4

T1.1 M06 S1000 M13

Выбор 1 инструмента и коррекций, включение шпинделя (по час. стрелке с частотой 1000 об/мин), включение СОЖ

5

G 00 X20 Y9

Позиционирование, перемещение на координаты

6

G82 R200 Z-7 F0.05

Включение постоянного цикла (быстрый подвод 200 мм, рабочий ход 7 мм, с подачей 0,05 мм/об)

7

X13

Перемещение на координату

8

X47

Перемещение на координату

9

X18

Перемещение на координату

10

X-65 Y24

Перемещение на координату

11

X34

Перемещение на координату

12

X-65 Y24

Перемещение на координату

13

X65

Перемещение на координату

14

X21

Перемещение на координату

15

G80

Выключение постоянного цикла

16

X-98 Y-54 M05

Перемещение в начальную точку, выключение шпинделя

17

T2.2 M06 S 1000 M13

Выбор 2 инструмента и коррекций, включение шпинделя (по час. стрелке с частотой 1000 об/мин), включение СОЖ

18

G00 X20 Y9

Позиционирование, перемещение на координаты

19

G81 R200 Z-27 F0.1

Включение постоянного цикла (быстрый подвод 200 мм, рабочий ход 27 мм, с подачей 0,1 мм/об)

20

X60

Перемещение на координату

21

X18

Перемещение на координату

22

Y48

Перемещение на координату

23

X-18

Перемещение на координату

24

X-60

Перемещение на координату

25

G80

Выключение постоянного цикла

26

X-20 Y-54 M05

Перемещение в начальную точку, выключение шпинделя

27

T3.3 M06 S1500 M13

Выбор 3 инструмента и коррекций, включение шпинделя (по час. стрелке с частотой 1500 об/мин), включение СОЖ

28

G00 X33 Y9

Позиционирование, перемещение на координаты

29

G81 R200 Z-12 F0.04

Включение постоянного цикла (быстрый подвод 200 мм, рабочий ход 12 мм, с подачей 0,04 мм/об)

30

X47 Y48

Перемещение на координату

31

G80

Выключение постоянного цикла

32

X-67 Y-57 M05

Перемещение в начальную точку, выключение шпинделя

33

T4.4 M06 S700 M13

Выбор 4 инструмента и коррекций, включение шпинделя (по час. стрелке с частотой 700 об/мин), включение СОЖ

34

X33 Y33

Позиционирование, перемещение на координаты

35

G81 R200 Z-20 F0.14

Включение постоянного цикла (быстрый подвод 200 мм, рабочий ход 270 мм, с подачей 0,14 мм/об)

36

G80

Выключение постоянного цикла

37

X-33 Y-33 M05

Перемещение в начальную точку, выключение шпинделя

38

T5.5 M06 S850 M13

Выбор 5 инструмента и коррекций, включение шпинделя (по час. стрелке с частотой 850 об/мин), включение СОЖ

39

X67 Y33

Позиционирование, перемещение на координаты

40

G81 R200 Z-29 F0.1

Включение постоянного цикла (быстрый подвод 200 мм, рабочий ход 29 мм, с подачей 0,1 мм/об)

41

G80

Выключение постоянного цикла

X-67 Y-33 M05

Перемещение в начальную точку, выключение шпинделя

43

T6.6 M06 S80 M13

Выбор 6 инструмента и коррекций, включение шпинделя (по час. стрелке с частотой 1000 об/мин), включение СОЖ

44

X20 Y9

Позиционирование, перемещение на координаты

45

G84 R200 Z-27 K1.5

Включение постоянного цикла (быстрый подвод 200 мм, рабочий ход 27 мм)

46

X20 Y9

Перемещение на координату

47

X60

Перемещение на координату

48

X18

Перемещение на координату

49

Y18

Перемещение на координату

50

X-18

Перемещение на координату

51

X-60

Перемещение на координату

52

G80

Выключение постоянного цикла

53

X-20 Y-54 M05

Перемещение в начальную точку, выключение шпинделя

54

T7.7 M06 S1000 M13

Выбор 5 инструмента и коррекций, включение шпинделя (по час. стрелке с частотой 850 об/мин), включение СОЖ

55

G00 X33 Y9

Позиционирование, перемещение на координаты

56

G82 R200 Z-8 F0.05

Включение постоянного цикла (быстрый подвод 200 мм, рабочий ход 8 мм, с подачей 0,05 мм/об)

57

X47 Y48

Перемещение на координату

58

G80

Выключение постоянного цикла

59

X-67 Y-57 M05

Перемещение в начальную точку, выключение шпинделя

60

T8.8 M06 S1000 M13

Выбор 8 инструмента и коррекций, включение шпинделя (по час. стрелке с частотой 1000об/мин), включение СОЖ

61

G00 X33 Y9

Позиционирование, перемещение на координаты

62

G86 R200 Z-8 F0.05

Включение постоянного цикла (быстрый подвод 200 мм, рабочий ход 8 мм, с подачей 0,05 мм/об)

63

X47 Y48

Перемещение на координату

64

G80

Выключение постоянного цикла

65

X-67 Y-57 M05 M09

Перемещение в начальную точку, выключение шпинделя

66

 (DIS, TIM)

Вывод на экран времени обработки

67

 (TMR=3)

Пауза

68

M30

Сброс программы

%

Конец


Представленный текс управляющей программы является универсальным для системы управления NC/110, соответственно текст управляющей программы может использоваться на всех станках под управлением системы NC/110. Для использования текста управляющей программы на других станках необходимо произвести коррекции режущих инструментов на высоту стола и рабочей зоны станка. На другие сверлильные операции с использованием станков с числовым программным управлением пишутся подобным образом.

Заключение


В ходе выполнения данной выпускной квалификационной работы был разработан токарный автомат для растачивания канавок под уплотнения в наружных кольцах подшипников. Автомат разработан на базе доводочно-полировального автомата модели Л3-195, которые на данный момент выведены из фонда основного производства. В один цикл работы автомата в его загружается и обрабатывается два наружных кольца подшипника. Привод перемещения суппортов и разжима детали выполнен гидравлическим. В конструкторской части произведен расчет потерь давления в трубопроводах и гидроаппаратах автомата, данные расчеты показывают, что потери давления не оказывают значительного влияния на работу автомата, соответственно и на размеры протачиваемых канавок под уплотнения. В технологической части разработана технология изготовления гидравлической плиты узла торможения, составлен маршрут обработки, таблицы режимов резания, произведен расчет штучно - калькуляционного времени. В заключении технологической части приведен текст управлявшей программы для станка с числовым - программным управлением. В приложении представлены: маршрутно - операционная карта, спецификации к чертежам.

Список использованных источников


1.      Алексеев, В.С. Токарные работы: учебное пособие для проф. образования / В.С. Алексеев. - Москва: Альфа-М: Инфра-М, 2009. - 365 с.: ил.

2.      Анурьев, В.И. Справочник конструктора машиностроителя: вена венов 3-х томах / В.И. Анурьев. - Москва: Машиностроение, 1978. - Т.1. - 416 с; Т.2. - 560 с.

.        Аршинов, В.А. Резание металлов и вежа верарежущий инструмент / В.А. Аршинов, Г.А. Алексеев. - Москва: Машиностроение, 1975. - 440 с.

.        Гидравлика, гидромашины и гидропневмопривод: авто агат учебное пособие для вузов / под ред. С.П. Стесина. - 2-е изд., стер. - Москва: Академия, 2006. - 334 с.: ил.

.        Горбацевич, А.Ф. Курсовое проектирование по технологии машиностроения: учебное пособие для вузов / А.Ф. Горбацевич, В.А. Шкред. - Изд.5-е, стер.; перепеч. с 4-го изд. 1983 г. - Москва: Альянс, 2007. - 255 с.

.        Колпаков, В.Н. Основы расчета даже датаи проектирования гидропневмопривода станочного оборудования: учебное пособие / В.Н. Колпаков. - Вологда: ВоГТУ, 2008. - 58 с.: ил.

.        Колпаков, В.Н. Гидропневмопривод станочногогора горн оборудования: учебное пособие / В.Н. Колпаков. - Вологда: ВоГТУ, 2008. - 135 с.: ил.

.        Кондратьев, А.С. Гидравлика и гидропневмопривод / А.С. Кондратьев. - Москва: Альтаир / МГАВТ, 2012. - 55 с.

.        Металлорежущие станки: учебник для вузов по специальностям "Технология ложа ложемашиностроения", "Металлообрабатывающие станки и комплексы" направления подготовки "Конструкторско-технологическое обеспечение машиностроительных производств": в 2 т. Т.1/[Т.М. Авраамова, Л.Я. Гиловой, С.И. Досько и др.]; под ред.В. В. Бушуева. - Москва: Машиностроение, 2012. - 607 с.: ил.

.        Методические рекомендации полорд лото оформлению выпускных квалифи-кационных работ, курсовых проектов/работ для студентов очной, очно-заочной (вечерней) и заочной форм обучения. - Вологда: ВоГУ, 2016. - 95 с.

.        Навроцкий, К.Л. Теория и проектирование гидро - и пневмоприводов: учебник для вузов по специальности "Гидравлические машины, гидроприводы и гидропневмоавтоматика"/ К.Л. Навроцкий. - Москва: Машиностроение, 1991. - 382, [1] с.: ил., табл., схемы.

.        Обработка металлов резанием: справочник технолога / под ред.А. А. Панова. - Москва: Машиностроение, 2004. - 784 с.

.        Общемашиностроительные нормативы Петр планвремени и режимов резания для нормирования работ, выполняемых на универсальных и многоцелевых станках с ЧПУ. Часть II. Нормативы режимов резания. - Москва: Экономика, 1990. - 473 с.

.        Пазушкина, О.В. Гидравлика и гидропневмопривод / О.В. Пазушкина. - Ульяновск: УлГТУ, 2012. - 135 с.

.        Программирование станков с ЧПУ: методические указания к практическим занятиям: ФПМиИТ: направление подготовки 15.03.01 - Машиностроение: профиль подготовки "Технологии, оборудование и автоматизация машиностроительных производств": направление подготовки 15.03.05 - Конструкторско-технологическое обеспечение машиностроительных производств: профили подготовки "Металлообрабатывающие станки и комплексы", "Технология машиностроения"/ [сост.: С.В. Яняк, В.В. Яхричев]. - Вологда: ВоГУ, 2016. - 31 с.: ил.

.        Свешников, В.К. Станочные гидроприводы: справочник / В.К. Свешников. - 4-е изд., перераб. и доп. - Москва: Машиностроение, 2004. - 511 с.: ил.

.        Сысоев, С.К. Технология машиностроения: проектирование технологических процессов: учебное пособие / С.К. Сысоев, А.С. Сысоев, В.А. Левко. - Санкт-Петербург: Лань, 2011. - 349 с.: ил.

.        Технология машиностроения: учебник для вузов по направлениям "Технологические машины перо полеи оборудование", "Машиностроение", "Проектирование технологических машин и комплексов" и других технологических специальностей: [в 2 т.] Т.1: Основы технологии машиностроения / [В.М. Бурцев и др.]; под ред.А.М. Дальского, А.И. Кондакова. - [3-е изд., испр. и перераб.]. - Москва: МГТУ, 2011. - 478 с.: ил., табл.

.        Технология машиностроения: методические тара тароуказания по выполнению курсового проекта: ФПМ: специальность 120100/сост. С.В. Яняк. - Вологда: ВоГТУ, 2001. - 14 с.

.        Технология трап стогмашиностроения: сборник задач и упражнений: учебное пособие / под общ. ред.В.И. Аверченкова. - Москва: ИНФРА-М, 2005. - 288 с.

.        Точность обработки, нога евро заготовки и припуски в машиностроении: справочник технолога / под ред.А.Г. Косиловой, Р.К. Мещерякова и М.А. Калинина. - Москва: Машиностроение, 1976. - 288 с.