Материал: Проектирование широкополосного усилителя

Внимание! Если размещение файла нарушает Ваши авторские права, то обязательно сообщите нам

Проектирование широкополосного усилителя














Курсовой проект

Проектирование широкополосного усилителя


1. Выбор и обоснование структурной схемы

усилитель каскад амплитудный частотный

Рассчитываемый усилитель имеет высокую верхнюю граничную частоту, что потребует применения высокочастотных усилительных секций типа ОЭ-ОБ с использованием коррекции эммитерной противосвязью, которая дополнительно стабилизирует коэффициент усиления каскада.

Умеренные требования по нижней граничной частоте позволяют использовать конденсаторы как в цепях межкаскадной связи, так и в цепях эммитерной стабилизации.

Необходимость получения высокого входного сопротивления требует установки на вход истокового повторителя.

В проекте необходимо предусмотреть согласование выходного сопротивления усилителя с сопротивлением нагрузки, подключаемой через коаксиальный кабель. Т. к. сопротивление нагрузки мало, выходной каскад следует выполнить по схеме с общим эммитером на достаточно мощном транзисторе, а предоконечный каскад на интегральной схеме, имеющей малое выходное сопротивление (типа К265УВ7).

Для компенсации погрешностей расчета, разброса параметров элементов, потерь во входной цепи усилитель рассчитывается на коэффициент усиления, при коэффициенте запаса Kз=1.5:


где Eвых, Е - выходное и входное напряжение, Rист и Rвх - сопротивление источника сигнала и входное сопротивление усилителя.

Необходимое число каскадов при максимально возможном усилении одно-двухтранзисторных схем Km=40:

Определяются требования к отдельным каскадам:

. Коэффициент усиления каскада:


где N - число каскадов, Kр - расчетный коэффициент усиления.

. Коэффициент частотных искажений на нижних частотах:


где Мн - коэффициент искажения усилителя на нижних частотах.

. Коэффициент частотных искажений на верхних частотах:


где Мв - коэффициент искажения усилителя на верхних частотах.

. Нестабильность усиления в каждом каскаде:


где dK - нестабильность усилителя.

Определяем площадь усиления каждого каскада. Глубина обратной связи необходимая для получения заданного усиления:


Так как граничная частота усилителя достаточно высока, используются усилительные секции общий эмиттер - общая база с применением коррекции эмиттерной противосвязью.

Из графика на рисунке 1.1 находится проигрыш в площади усиления по сравнению с простой параллельной коррекцией:

При нашей глубине обратной связи А=2.664 получаем K’=0.69


1.1    Потери площади усиления при эмиттерной коррекции

Выигрыш, обеспечиваемый простой параллельной коррекцией при заданных частотных искажениях на высоких частотах Мвi, определяется из графика на рисунке 1.2. Значение Kk/Kopt зададим на уровне 0.9, так как допустимый подъем характеристики достаточно велик:

При нашем значении  получаем gk’=2.2

Рисунок 1.2 Выигрыш площади усиления при простой параллельной коррекции

Окончательно выигрыш в площади усиления при эмиттерной коррекции:


Рассчитываем необходимую верхнюю граничную частоту корректированного каскада:


Необходимая площадь усиления каждого каскада:

МГц

Такая площадь усиления может быть обеспечена с помощью усилительной секции ОЭ-КП, например, на ИС типа К265УВ7. Нагрузка в нашем случае низкоомная, значит выходной каскад построим по схеме с общим эмиттером на дискретном транзисторе с коррекцией эмиттерной противосвязью и с гальванической связью с предыдущим каскадом.

Для входного истокового повторителя выбираем высокочастотный полевой транзистор КП305Ж. Данный транзистор имеет достаточно высокую крутизну, что обеспечивает малое выходное сопротивление повторителя и, как следствие, хорошие частотные свойства следующего за ним каскада.

Таким образом, для рассчитываемого усилителя принимаем трехкаскадную схему, содержащую входной истоковый повторитель, выполненный на дискретном элементе, а так же выходной каскад, выполненный по схеме с общим эмиттером на дискретном элементе, и два активных каскада на ИС типа К265УВ7.

Рисунок 1.3 Структурная схема усилителя

2. Расчет выходного каскада

Рисунок 2.1 Усилительная секция общий эмиттер - общая база

Согласование с внешней нагрузкой обеспечивается выбором коллекторного сопротивления:

RК=RНД=150 Ом;

Тогда сопротивление нагрузки транзистора равно:


R=75 Ом

Амплитуда переменной составляющей коллекторного тока:




Постоянная составляющая коллекторного тока:

IK==(1.5¸2)×IK~=1.5×0.06=0.09A

Для нахождения напряжения питания, положим:

DIK=0.1×IK=9 мА

допустимое приращение коллекторного токав результате температурной нестабильности характеристик.

UОСТ=1¸2В - остаточное напряжение на коллекторе.

UЭ=UНС-UБЭ=6.07-0.7=5.37В; - напряжение на эмиттере транзистора.

UНС - постоянная составляющая на выходе ИС К265УВ7.

EK³(IK=+DIK)×RK+UВЫХ+UЭ+UОСТ=26.72

Полученное значение округляем до большего типового значения EK=27В.

Необходимое сопротивление постоянному току в эмиттере:


Напряжение коллектор-эмиттер транзистора в рабочей точке оказывается равным:



Для выбора транзистора по энергетическим параметрам запишем систему неравенств:


где UКдоп-максимальное напряжение на коллекторе транзистора,

IКдоп - максимальный коллекторный ток транзистора,

PКдоп - максимальная допустимая рассеиваемая мощность.

По справочнику выбираем транзистор, удовлетворяющий указанным условиям - КТ610А.

bmin=50

СЭ=21 пФ

rК=50 кОм

IKmax=300 mA

bmax=300

СК=4,1 пФ

Dr=0.2

Pmax=1,5 Вт

fT=1000 МГц

IК0=0,5 мА

IКИ=0.15А

x=2.0

tОС=75 пс

UKmax=26 В

UКИ=10 В

 


·   Рассчитаем типовые параметры транзистора в рабочей точке:


Параметры элементов схемы замещения транзистора:


Граничная частота транзистора:


Постоянная времени базовой цепи транзистора:


·   Входное сопротивление транзистора с обратной связью:


Сопротивление обратной связи:


Для каскада с ОЭ площадь усиления оценивается по формуле:



где Rн-выходное сопротивление микросхемы К265УВ7 в типовом режиме.

Как видно из результата, данный каскад обеспечивает заданную площадь усиления Пi=МГц.

·   Расчет термостабильности режима.

Нестабильность коэффициента передачи транзистора:


Приращение напряжения база-эмиттер:


Приращение неуправляемого тока коллектора:


Приращение коллекторного тока:

где Rвх=rб'б+rб'э=101.851 Ом; Rб=16 Ом


Влияние температуры на режим работы транзистора:


Нестабильность коэффициента усиления каскада:


Полученное значение нестабильности коэффициента усиления каскада удовлетворяет заданному условию

·   Расчет коррекции на высоких частотах:

Постоянная времени корректирующего звена:


Постоянная времени каскада:


Оптимальный коэффициент коррекции:




Корректирующая емкость:


·   Расчет блокировочных и разделительных конденсаторов:

Постоянная времени одиночного каскада усилителя:


Постоянная времени для разделительного конденсатора оконечного каскада:


Разделительная емкость выходного каскада:

, где

Ом, т.к. каскад нагружен на согласованную нагрузку.

Постоянная времени и емкость блокировочного конденсатора оконечного каскада:



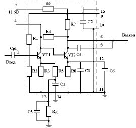
3.      Расчёт промежуточного каскада, выполненного на ИС К265УВ7


Рисунок 3.1 Промежуточный каскад выполненный на ИС К265УВ7

Номиналы навесных элементов

R1=10 кОм

R4=680 Ом

R7=590 Ом

С1=15 нФ

С4=15 нФ

R2=1.2 кОм

R5=30 Ом

R8=520 Ом

С2=15 нФ

 

R3=510 Ом

R6=100 Ом

Rd=160 Ом

С3=15 нФ

 


·   Расчет режима транзисторов.

Между выводами 11 и 13 микросхемы включим дополнительный резистор Rд=160 Ом, (см. Рисунок 3.1) уменьшающий эмиттерное сопротивление первого транзистора до величины:




Рассчитаем коллекторные токи:


где EK=12.6 - напряжение питания К265УВ7


Потенциалы в коллекторных и эмиттерных узлах:


Для падений напряжений на транзисторах:


·   Определение параметров транзисторов:

В микросхеме использованы транзисторы КТ307Б, имеющие следующие справочные параметры:

bmin=40

СЭ=4,5 пФ

rК=300 кОм

IKmax=20 mA

bmax=160

СК=4,7 пФ

Dr=0

Pmax=15 мВт

fT=250 МГц

IК0=0,5 мА

IКИ=0.005А

x=1.5

tОС=500 пс

UKmax=10 В

UКИ=2 В

 


Т.к IK1=IK2, то пересчет fТ можно не проводить:


Поскольку данная ИС не имеет вывода непосредственно с эмиттера первого транзистора, местную частотно-независимую обратную связь учтем пересчетом:


·   Основные показатели каскада:

Входные сопротивления первого и второго транзисторов:


Сопротивление нагрузки второго транзистора:

RН=R7=590 Ом

Выходное сопротивление секции:


Коэффициент усиления при работе без дополнительной обратной связи:


Теоретический коэффициент усиления меньше полученного поэтому необходимо пересчитать R5=R5+rдоп, чтобы обеспечить равенство К=Кi

 


Исходя из того что было пересчитано , выведем и рассчитаем R5:


Окончательно получим:


rдоп - это сопротивление, которое появляется путем разделения Rд на два сопротивления одно - включается последовательно с R5, а второе Rд - шунтируется емкость С5. Таким образом, получаем нужный коэффициент усиления, причем не меняя режим по постоянному току:

Рисунок 3.2 - изменения в схеме из-за перерасчета

С учетом полученных данных произведем перерасчет:


Расчет нестабильности можно не проводить, так как ИС работает в типовом режиме, поэтому разработчик гарантирует, что нестабильность находится в пределах нормы.

Постоянные времени каждого из транзисторов:

 с

где:   RГ=16 Ом - выходное сопротивление ИС.


Эквивалентная постоянная времени секции, соответствующая ей граничная частота и площадь усиления:

 с

;


Входное сопротивление усилительной секции:


·   Расчет блокировочных и разделительных емкостей:

Все конденсаторы рассчитываются по формуле:


Емкость разделительного конденсатора:


Емкости блокировочных конденсаторов:

tЭ1=tЭ2=0.4×tР1=19×10-3с




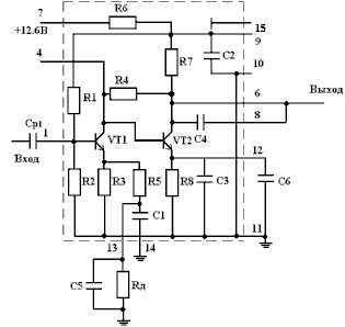
4.      Расчёт входного каскада, выполненного на ИС К265УВ7


Рисунок 3.1 Входной каскад выполненный на ИС К265УВ7

Номиналы навесных элементов

R1=10 кОм

R4=680 Ом

R7=590 Ом

С1=15 нФ

С4=15 нФ

R2=1.2 кОм

R5=30 Ом

R8=520 Ом

С2=15 нФ

 

R3=510 Ом

R6=100 Ом

Rd=160 Ом

С3=15 нФ

 


Постоянные времени каждого из транзисторов:


где:   RГ=16 Ом - выходное сопротивление ИС.


Эквивалентная постоянная времени секции, соответствующая ей граничная частота и площадь усиления:

;


Входное сопротивление усилительной секции:


·   Расчет блокировочных и разделительных емкостей:

Все конденсаторы рассчитываются по формуле:


Емкость разделительного конденсатора:


где aР1=1 - весовой коэффициент для разделительных конденсаторов.

aЭ1=aЭ2=0.4 - весовой коэффициент для блокировочных конденсаторов.




Емкости блокировочных конденсаторов:

tЭ1=tЭ2=0.4×tР1=19×10-3 с

 Ф

5.      Расчёт истокового повторителя


Рисунок 4.1 Истоковый повторитель

Некоторые справочные данные канального транзистора КП305Ж:


Параметры транзистора КП305Ж:




Сопротивление нагрузки истокового повторителя:


Коэффициент усиления:


Выходное сопротивление повторителя:


Входная емкость:


Постоянная времени на верхних частотах:


Расчет термостабильности режима проводить не будем. Для истокового повторителя нестабильность чрезвычайно мала и определяется лишь технологическим разбросом.

Определим сопротивление затвора из соотношения:


Рассчитаем разделительную емкость на входе.




6.      Расчёт амплитудно-частотных характеристик каскадов

Выходной каскад:


Рисунок 5.1 АЧХ выходного каскада на нижних частотах




Рисунок 5.2 АЧХ выходного каскада на верхних частотах

Промежуточный каскад:


Рисунок 5.3 АЧХ промежуточного каскада на нижних частотах



Рисунок 5.4 АЧХ промежуточного каскада на верхних частотах

Входной каскад


Рисунок 5.5 АЧХ входного каскада на нижних частотах


Рисунок 5.6 АЧХ входного каскада на верхних частотах

В результате машинного анализа получаем значения коэффициентов частотных искажений:

Мв=0.965

Мн=0.208

Оба значения удовлетворяют требованиям по уровню частотных искажений на серхних и нижних частотах, заданном в техническом задании.

7.      Расчёт результирующих характеристик усилителя


Рисунок 6.1 АЧХ усилителя на верхних частотах


Рисунок 5.6 АЧХ усилителя на нижних частотах

По полученным АЧХ находится коэффициент усиления на граничных частотах:


Заключение

Рассчитанный усилитель соответствует техническому заданию. Достижимая площадь усилителя превышает требуемую, для согласования большой нагрузки на входе применен истоковый повторитель. В качестве промежуточного каскада использована ИС К265УВ7. Наличие истокового повторителя усложняет конструкцию усилителя и делает ее менее компактной. Значение термонестабильности коэффициента усиления в заданном диапазоне рабочих температур находится в пределах нормы, согласно требованию технического задания осуществлено согласование выходного сопротивления усилителя с активной нагрузкой Rнд=150 Ом, (коаксиальным кабелем).

При разработке проекта я закрепил полученные ранее знания по схемотехнике аналоговых устройств, электронике, а также приобрел навыки работы с такими пакетами программ, как MathCad и MS Word.


Список использованных источников

1. Проектирование широкополосных и импульсных усилителей. Методические указания (ч. 1, 2, 3). /Сост. В.И. Юзов; КрПИ. - Красноярск, 1983.

. Проектирование усилительных устройств; Учеб. Пособие для ВУЗов /В.В. Ефимов, В.М. Павлов и др.; Под ред. Н.В. Терпугова. - М.: Высшая школа, 1982. - 190 с.

. Справочник по электрическим конденсаторам / М.Н. Дьяков, В.И. Карабанов, В.И. Присняков и др.; Под общ. ред. И.И. Четверткова и В.Ф. Смирнова. - М.: Радио и связь, 1983 - 576 с.; ил.