Введение
электродвигатель редуктор шпоночный
Цепные конвейеры предназначены для транспортирования сыпучих и штучных грузов. Тяговым элементом служат цепи, грузонесущим - настилы, ковши, лотки, полки и т.п.
Наличие цепей в качестве тягового элемента ограничивает скорость их (обычно и < 1,0 м/с), но позволяет иметь большую длину транспортирования при значительной производительности.
Основными преимуществами цепных конвейеров по сравнению с
ленточными являются возможность перемещения горячих (пластинчатые конвейеры,
скребковые конвейеры), пылящих (скребковые конвейеры),
крупнокусковых (пластинчатые конвейеры, ковшовые конвейеры) грузов при больших
углах наклона трассы или даже в вертикальном направлении, работа в более
тяжелых условиях.
По виду рабочих и грузонесущих органов цепные конвейеры
подразделяют на пластинчатые конвейеры, скребковые конвейеры, люлечные
конвейеры, полочные конвейеры, ковшовые конвейеры и подвесные
конвейеры.
В данной курсовой работе рассмотрено проектирование привода
цепного конвейера, который состоит из рамы привода, клиноременной передачи и
двухступенчатого редуктора.
1. Выбор электродвигателя и кинематический
расчет привода
Расчет необходимой мощности электродвигателя.
Мощность на выходном валу редуктора
NВЫХ = 2×Ft×VЦ/1000 (1.1)
NВЫХ = 2×2200×0.2/1000 = 0,8 КВт
где Ft - окружное усилие на одной звездочке цепного конвейера, Ft=2200 Н
VЦ - скорость цепи конвейера, V=0,2 м/с
.1 Расчетная мощность на валу электродвигателя
(1.2)
где h - общий КПД
привода
h = hзп3×hп3×hрп×hц.п (1.3)
где hзп -КПД зубчатой передачи; hзп = 0,98;
З - количество пар зубчатых колес;
hп -КПД подшипников; hп =0,99;
- количество пар подшипников;
hрп - КПД ременной передачи; hрп = 0,96;
hЦ.П - КПД цепной передачи; hЦ.П = 0,95.
h = 0,983×0,993×0,96×0,95 = 0,8328
![]()
Вт
.2 Частота вращения выходного вала редуктора
(1.4)
где z - число зубьев звездочки, z = 7,
t - шаг цепи; t = 160 мм
мин-1
.3 Угловая скорость на выходном валу редуктора
(1.5)
с-1
1.4 Определение необходимой частоты вращения электродвигателя
Необходимая частота вращения электродвигателя:
nДВ= nВЫХ×u (1.6)
где u - общее передаточное число привода
u = uP×uЦ×uРЕД (1.7)
где uР - передаточное число ременной передачи; uР=2…4;
uЦ - передаточное число цепной передачи; uЦ=1,5…4
uРЕД - передаточное число редуктора;
РЕД=uТ×uБ (1.8)
где uТ - передаточное число тихоходной ступени; uТ=2…4
uБ - передаточное число быстроходной ступени; uБ=4…6,3
Значения передаточных чисел принимаем по [1 таблица 1.2].
u=(2…4)(1,5…4)(2…4)(4…6,3)=24….403,2
nДВ=10.7×(24…403,2)=256….4314 мин-1
1.5 Выбираем электродвигатель [ таблица2.1]
Тип двигателя 4А90LB8
Номинальная мощность N=1,1 кВт
Асинхронная частота вращения nДВ=700 мин-1
Синхронная частота вращения nС=750 мин-1
Диаметр вала dДВ=24 мм
Масса G =28,7 кг
1.6 Определение общего передаточного числа
(1.9)
(1.10)
По ГОСТ-21426-75 принимаем uB=5
(1.11)
По ГОСТ-21426-75 принимаем uT=4,5
Тогда наш редуктор 5х4,5
Уточняем передаточное отношение ременной передачи
Уточняем передаточное отношение цепной передачи
Определение частоты вращения на каждом валу редуктора
Частота вращения быстроходного вала редуктора:
(1.12)
мин-1
Частота вращения промежуточного вала редуктора:
(1.15)
мин-1
Частота вращения тихоходного вала редуктора:
(1.16)
мин-1
Частота вращения выходного вала редуктора:
(1.17)
мин-1
.7 Определение крутящих моментов на каждом валу редуктора
(1.18)
Н×м
Крутящий момент на быстроходном валу редуктора
МБ = МДВ×uР×hРП×hП (1.19)
МБ = 14*2.8889*0,96*0,99 = 38,44 Н×м
МПР = МБ×uБ×hЗП×hП (1.20)
МПР = 38,44*5*0,97*0,99 = 184,57 Н×м
МТ = МПР×uТ×hЗП×hП (1.21)
МТ = 184,57*5*0,9409*0,99 = 859,63 Н×м
МВЫХ = МТ×uЦ×hЦП×hП (1.22)
МВЫХ = 859,63*1,00031×0,95×0,99 =810,99 Н×м
1.8 Определение мощности на каждом валу
Мощность на быстроходном валу:
NБ=NДВ*×hР×hПК (1.23)
NБ=1,01*2,8889*0,96*0,99=2,77 кВт
Мощность на промежуточном валу:
NПР=NБ×hБ×hПК
NПР=1,01*0,97*0,99=0,969 кВт
Мощность на тихоходном валу:
NТ=NПР×h2Т(ЗП)×hПК
NТ=0,969*0,9409*0,99=0,902 кВт
Мощность на выходном валу:
NВЫХ=NT* кВт×h2Т(ЗП)×hПК
NВЫХ=0,902*0,9409*0,99=0,88 кВт
2. Расчет передач редуктора
.1 Расчет быстроходной ступени
Выбор материалов и определение допускаемых напряжений
Материалы для изготовления выбираем по [2. таблица 2.1]
для шестерни сталь 40Х - 269…302НВ, s1=650 Н/мм2
для колеса сталь 45-235-262НВ, s1=540 Н/мм2
Термообработка - улучшение
Определение величины допускаемых контактных напряжений.
Средняя твердость:
НВСР=0,5×(НВmin+НВmax) (2.1)
для колеса
НВСР2=0,5×(235+262)=248,5
для шестерни
НВСР1=0,5×(269+302)=285,5
(2.2)
где sHlim - предел контактной выносливости
поверхности зубьев
sHlim=2×НВСР +70 (2.3)
SН- коэффициент безопасности; при улучшении SН=1,1
KHL=1-коэффициент долговечности
НО=(НВСР)3 (2.5)
N - действительное число циклов перемены напряжений;
для колес N2=60×n2×Lh (2.6)
для шестерни N1=N2×u
(2.7)
где n2-частота вращения колеса, n2=242,306 мин-1;
Lh - время работы передачи
Lh=24×KСУТ×365×КГОД×T (2.8)
где KСУТ КГОД - коэффициенты использования передачи во времени в сутки и в году; КСУТ=0,26; КГОД=0,6
Т- полный срок службы в годах, Т=5 лет
Lh = 24×0.26×365×0.6×5 = 6833 ч
u-передаточное число передачи, u=5
KHLMAX=2.6 при улучшении [c19]
N2 = 60×242,306×6833 = 99340613,88
N1 = 99340613,88 ×5 = 496703069,4
NHO1 = (285,5)3 = 23271176,37
NHO2 = (248,5)3 = 15345434,12
Условие выполняется так как
При N=496703069,4≥NHO=23271176,37, тогда
sHlim1 = 2×285.5+70 = 641 Н/мм2
sHlim2 = 2×248.5+70 = 567 Н/мм2
Расчетное допускаемое контактное напряжение:
[sH] = 0.5×([sH1]+[sH2]) (2.9)
[sH] = 0.5×(582,7+515,6) = 549,15 H/мм2
Выбранный материал и термообработка удовлетворяют условию прочности по контактным напряжениям, т.к. по [2.c15]
[sH] = 549.15 Н/мм2 < [sH1] = 644.5 Н/мм2
Допускаемые напряжения изгиба
где KFL =1- коэффициент долговечности
NFO- базовое число циклов; NFO=4×106;
KFlmax= 2.08 при улучшении [c14]sFlim- предел выносливости зубьев при изгибе
sFlim=
1,8×НВср (2.12)
SF- коэффициент безопасности, SF = 1.75
sFlim1 = 1.8×285.5 = 513.9 Н/мм2
sFlim2 = 1.8×248.5 = 447.3 Н/мм2
Проектный расчет цилиндрической зубчатой передачи.
Межосевое расстояние
(2.13)
где Ка- вспомогательный коэффициент, для косозубых колес Кa=430
KН=1,2- коэффициент нагрузки
yа -коэффициент относительной ширины колеса, т.е. отношение длины зуба колеса(ширины колеса)в2 к межосевому расстоянию. Для передач с раздвоенной ступенью значение длины зуба берется yа=0,5,
Мп- момент передаваемый ступенью
Н×м
мм
По ГОСТ 2185-76 принимаем аW=71 мм0
Предварительные размеры колеса
в2 = yа×аW (2.17)
в2 = 71*0,5 = 35,5 мм
Учитывая погрешности сборки и возможные осевые смещения
зубчатого колеса, ширину шестерни назначают на 5 мм больше ширины колеса:
в1=в2+5 мм=35,5+5=40,5 мм
m = (0,01….0,02)×аW (2.18)
m = 0,02*71 = 1.42 мм
По ГОСТ 9563-80 принимаем m=1,375 мм
Число зубьев колеса и шестерни
(2.19)
в-угол наклона зубьев косозубой передачи. У косозубых колес в=120
(2.20)
где z1≥z1min=17/cos3в для косозубых колес
Число зубьев колеса
z2 = zс -z1 (2.21)
z2 = 103-17 = 83
Уточняем фактическое передаточное число
(2.22)
Уточняем межосевое расстояние
|
Параметр |
Обозначение и формула |
Шестерня |
Колесо |
|
Делительный диаметр |
d=mz |
23 |
114 |
|
Диаметр выступов |
dа=d+2×m |
25 |
116 |
|
Диаметр впадин |
d1=d-2,5×m |
19 |
110 |
|
Ширина колеса |
В |
40.5 |
35.5 |
Ширину шестерни назначают на 5 мм больше ширины колеса [3, c22]
Окружная скорость колес, м/с
где n-частота вращения колеса, мин-1, d-диаметр делительной окружности, мм.
м/с
(2.26)
где КН- коэффициент нагрузки
KН=КН2×КНb×КНY (2.27)
где КНa - коэффициент для косозубых колес КНa=1
KHb -коэффициент концентрации нагрузки;
при НВ<350 и V<15 м/с КНb=1
KHV - коэффициент динамичности, КHV=1,25
КН = 1×1×1,25 = 1,25
Условие прочности выполняется т.к.
Проверочный расчет по контактным напряжениям
при z=17 YF=4,28 - коэффициент, учитывающий форму зуба
Yе=1 - коэффициент, учитывающий перекрытие зубьев
KFL=коэффициент, учитывающий распределение
нагрузки между зубьями.
При
=
=1
C=степень точности зубчатых колес, при учебном проектировании принимают среднее значение, равное 8. е=1,5
KFв -коэффициент концентрации нагрузки, учитывающий неравномерность распределения нагрузки по длине зубы, принимают в зависимости от Ѱвd=в2/d1=35,5/110=0,4, тогда по таблице 4.5 KFв=1,04
KFV=1,25 -коэффициент динамичности, принимаю по таблице 4.4.
Условие прочности выполняется т.к.
Определяем максимальные контактные напряжения
(2.27)
Где [уH]max=2.8уT=2100 предельное допускаемое контактное напряжение
уT=750-предел текучести материала.
Условие прочности выполняется т.к.
Определяем максимальные изгибающие напряжения еFMAX
(2.28)
Где [уF]max=0.8уT= 600 предельное допускаемое изгибаюшее напряжение
Условие прочности выполняется т.к.
2.2 Расчет тихоходной ступени
Выбор материалов и определение допускаемых напряжений.
Материалы для изготовления выбираем по [2. таблица 2.1]
для шестерни сталь 40Х - 269…302НВ, s1=650 Н/мм2
для колеса сталь 45-235-262НВ, s1=540 Н/мм2
Термообработка - улучшение
Определение величины допускаемых контактных напряжений.
Средняя твердость:
НВСР=0,5×(НВmin+НВmax)
для колеса
НВСР2=0,5×(235+262)=248,5
для шестерни
НВСР1=0,5×(269+302)=285,5
где sHlim - предел контактной выносливости
поверхности зубьев
sHlim=2×НВСР +70
SН- коэффициент безопасности; при улучшении SН=1,1
KHL=1-коэффициент долговечности
где NНО- базовое число циклов нагружений
NНО=(НВСР)3
N - действительное число циклов перемены напряжений;
для колес N2=60×n2×Lh
для шестерни N1=N2×u
где n2-частота вращения колеса, n2=10,66 мин-1;
Lh - время работы передачи
Lh=24×KСУТ×365×КГОД×T
где KСУТ КГОД - коэффициенты использования передачи во времени в сутки и в году; КСУТ=0,26; КГОД=0,6
Т- полный срок службы в годах, Т=5 лет
Lh = 24×0.26×365×0.6×5 = 6833 ч
u-передаточное число передачи, u=5
KHLMAX=2.6 при улучшении [c19]
N2 = 60×10,66×6833 = 4370386,8
N1 = 99340613,88 ×4.5 = 19666740,6
NHO1 = (285,5)3 = 2327176,37
NHO2 = (248,5)3 = 1534534,12
Условие выполняется так как
При N=4370386,8≥NHO=1534534,12, тогда
sHlim1 = 2×285.5+70 = 641 Н/мм2
sHlim2 = 2×248.5+70 = 567 Н/мм2
Расчетное допускаемое контактное напряжение:
[sH] = 0.5×([sH1]+[sH2])
[sH] = 0.5×(582,7+515,6) = 549,15 H/мм2
Выбранный материал и термообработка удовлетворяют условию прочности по контактным напряжениям
[sH] = 549.15 Н/мм2 < [sH1] = 644.5 Н/мм2
Допускаемые напряжения изгиба
где KFL =1- коэффициент долговечности
NFO- базовое число циклов; NFO=4×106;
KFlmax= 2.08 при улучшении
sFlim-
предел выносливости зубьев при изгибе
sFlim=
1,8×НВср
SF- коэффициент безопасности, SF = 1.75
sFlim1 = 1.8×285.5 = 513.9 Н/мм2
sFlim2 = 1.8×248.5 = 447.3 Н/мм2
Проектный расчет цилиндрической зубчатой передачи.
Межосевое расстояние
где Ка- вспомогательный коэффициент, для прямозубых колес Кa=495
KН=1,2- коэффициент нагрузки
yа -коэффициент относительной ширины колеса, т.е. отношение длины зуба колеса(ширины колеса)в2 к межосевому расстоянию. Для передач с раздвоенной ступенью значение длины зуба берется yа=0,5,
Мп- момент передаваемый ступенью
Н×м
мм
По ГОСТ 2185-76 принимаем аW=80 мм
Предварительные размеры колеса
в2 = yа×аW
в2 = 80*0,5 = 40 мм
Учитывая погрешности сборки и возможные осевые смещения зубчатого колеса, ширину шестерни назначают на 5 мм больше ширины колеса:
в1=в2+5 мм=40+5=45 мм
m = (0,01….0,02)×аW
m = 0,02*80 = 1.6 мм
По ГОСТ 9563-80 принимаем m=1,5 мм
Число зубьев колеса и шестерни
Число зубьев колеса
z2 = zс -z1
z2 = 106-17 = 89
Уточняем фактическое передаточное число

Уточняем межосевое расстояние
|
Параметр |
Обозначение и формула |
Колесо |
|
|
Делительный диаметр |
d=mz |
25,5 |
133,5 |
|
Диаметр выступов |
dа=d+2×m |
28,5 |
136,5 |
|
Диаметр впадин |
d1=d-2,5×m |
21,75 |
129,75 |
|
Ширина колеса |
В |
40 |
45 |
Ширину шестерни назначают на 5 мм больше ширины колеса [3, c22]
Окружная скорость колеса, м/с
где n-частота вращения колеса, мин-1, d-диаметр делительной окружности, мм.
м/с
где КН- коэффициент нагрузки
KН=КН2×КНb×КНY
где КНa - коэффициент для прямозубых колес КНa=1
KHb -коэффициент концентрации нагрузки;
при НВ<350 и V<15 м/с КНb=1
KHV - коэффициент динамичности, КHV=1,25
КН = 1×1×1,25 = 1,25
Условие прочности выполняется т.к.
Проверочный расчет по контактным напряжениям
при z=17 YF=4,28 - коэффициент, учитывающий форму зуба
KFV=1,25 -коэффициент динамичности, принимаю по таблице 4.4.
Условие прочности выполняется т.к.
Определяем максимальные контактные напряжения
Где [уH]max=2.8уT=2100 предельное допускаемое контактное напряжение
уT=750-предел текучести материала.
Условие прочности выполняется т.к.
Определяем максимальные изгибающие напряжения еFMAX
Где [уF]max=0.8уT= 600 предельное допускаемое изгибаюшее напряжение
Условие прочности выполняется т.к.
3. Ориентировочный расчет валов редуктора. Подбор подшипников
.1 Ориентировочный
расчет валов редуктора
Ориентировочный диаметр вала в опасном сечении определяется
из условий прочности при кручении в случае контактных допускаемых напряжений.
мм (3,1)
где Т-крутящий момент [Н/мм], [ф]-допускаемое напряжение на кручение [ф]=15
Быстроходный вал редуктора
мм, принимаем d=15 мм
Диаметр вала под манжет
dм=17 мм
Диаметр вала под подшипник
dп=20 мм
Диаметр вала под шестерни
dп=24 мм
Тихоходный вал редуктора
мм, принимаем d=26 мм
Диаметр вала под манжет
dм=28 мм
Диаметр вала под подшипник
dп=30 мм
Диаметр вала под колесо
dk=34 мм
Промежуточный вал редуктора
мм, принимаем d=20 мм
Диаметр вала под подшипник
dп=20 мм
Диаметр вала под колесо
dп=22 мм
Диаметр вала под шестерни
dп=24 мм
.2 Подбор подшипников
[Lh] = 24×КСУТ×365КГОд×Т (3.2)
где КСУТ,КГод - коэффициенты использования подшипников во времени;
КСУТ=0,26; КГОд=0,6
Т - полный срок службы; Т=5 лет
[Lh ] = 24×0,26×365×0,6×5 = 6833 ч
(3.3)
где L- номинальная долговечность
(3.4)
где Сr - каталожная динамическая грузоподъемность, Н
R - эквивалентная расчетная нагрузка на подшипник
т - степенной показатель, для шарикоподшипников т=3
n - частота вращения кольца подшипника, мин-1
По таблице 24.15 принимаем радиально-упорный однорядный подшипник средней серии 46304
Размеры: d=20 мм, D=52, B=15, r=1.1, Dw=9.525,
Грузоподъёмность: Cr=17.8 кН, C0r=9.0 кН
Выбранные подшипники удовлетворяют условию прочности по динамической грузоподъемности
По таблице 24.15 принимаем радиальный шарикоподшипник однорядный легкой серии 50204
Размеры: d=20 мм, D=52, B=15, r=1.1, Dw=9.525,
Грузоподъёмность: Cr=17.8 кН, C0r=9.0 кН
Выбранные подшипники удовлетворяют условию прочности по динамической грузоподъемности
По таблице 24.15 принимаем радиальный шарикоподшипник однорядный легкой серии 50206
Размеры: d=30 мм, D=62, B=16, r=1.5, Dw=9525,
Грузоподъёмность: Cr=19.5 кН, C0r=10.0 кН
Выбранные подшипники удовлетворяют условию прочности по
динамической грузоподъемности
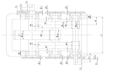
4. Эскизная компоновка редуктора


d = 0,025×аWT+3 мм (4.1)
где аWT=80 мм - межосевое расстояние в тихоходной ступени
d = 0,025×80+3 = 5 мм
Принимаем б = 5 мм
Расстояние от внутренней стенки редуктора до
торца вращающейся детали
е1=1,1*d =1,1*5=5,5 мм (4.2)
Расстояние от торца подшипника качения до
внутренней стенки корпуса редуктора зубчатого конического
е=0,5*d4=4 мм (4.3)
Ширина подшипника
В1=18 мм, В2=14 мм
Наименьший зазор между внутренней стенкой корпуса
редуктора и зубчатым колесом
b≈1.2*d≈1.2*5≈6 мм (4.4)
Расстояние между вращающимися колесами смежных
ступеней
е2=0,75*d=0,75*5=3,75 мм (4.5)
Расстояние между зубчатым колесом и валом
е3=1,75*d=1,75*5=8,75 мм (4.6)
Расстояние от окружности выступов наибольшего
зубчатого колеса до внутренней поверхности днища
в0=7,5*m=7,5*1,5=11,25 мм (4.7)
5. Расчет клиноременной передачи
(5.1)
Н×м
По таблице 7.2 принимаем сечение ремня "0"
Диаметр ведущего шкива dР1 = 80 мм
Диаметр ведомого шкива
dР2 = dP1×uP×(1-x) (5.2)
где x - коэффициент скольжения клинового ремня; x = 0,02
dР2 = 80×2,89×(1-0,02) = 226 мм
По ГОСТ 17383-73 принимаем dP2 = 224 мм
Фактическое передаточное число
(5.3)
Скорость пробега ремня
(5.5)
Частота вращения ведомого шкива
(5.6)
мин-1
Межосевое расстояние
а = 1×dР2 (5.7)
а = 1×224 = 224 мм
(5.8)
мм
По ГОСТ 1284 1-89 принимаем L = 1000 мм
(5.9)
Минимальное межосевое расстояние
аMin = а+0,025×L (5.10)
аMin = 248+0,025×1000 = 273 мм
(5.11)
Относительная длина ремня
Допускаемая мощность на один ремень
(5.12)
где N0 - исходная мощность на один ремень; при dP1=80 мм и V=2,9 м/с NO=0,719 кВт;
Ca - коэффициент угла обхвата, Ca=0,89 [ таблица 7.4 ]
CL - коэффициент длины ремня; CL=0,86 [ таблица 7.5 ]
DNH - поправка к мощности
DNH =
0,0001×DMH×nДВ
где DМН - поправка к крутящему моменту на передаточное число;
DМН=0,5 [ таблица 7.6]
DNН = 0,0001×1,2×700 = 0,035 кВт
СР - коэффициент режима работы
СР=0,84 [ таблица 7,7 ]
[N] = (0,719×0,89×0,86+0,035)×0,84 = 0,35 кВт
Действительное число ремней
(5.12)
где Ct - коэффициент неравномерности нагрузки; Ct=0,9 [3, c 47 ]
Принимаем число ремней Z=3
Сила начального натяжения одного ремня
(5.13)
где g =0,1 кг/м
Н
(5.14)
Н
Размеры обода шкивов [ таблица 7.2]
h =7 мм h1 min= 6 мм
в = 2,5 мм a1 = 36о
e = 12 мм a2 = 38о
f = 8 мм
d1 = dPi + 2в (5.15)
d1 = 80+2×2,5 = 80 мм
d2 = 224+2×2,5 = 229 мм
М = (Z-1)×е+2×f (5.16)
M = (3-1)×12+2×8 =40 мм
Составляющие усилия в зацеплении
Окружная
(6.2)
Радиальная
(6.3)
Осевая
(6.4)
где
-крутящий момент на валу,
-делительная окружность
зубчатого колеса,
-угол захвата,
-угол наклона зуба.
;
;
;
;
Q=807 Н;
Составляющие усилия в зацеплении
Окружная
Радиальная
Осевая
Определим реакции опор.
RAX=RBX=Ft=3342 H
Ma= RBXa=3342*0.041=137
Построим эпюру крутящих моментов в горизонтальной плоскости.
RAY=3765 H
участок
Мa(0)=0 Н×м
Ma(0.041)=30 Н×м
участок
Мa(0)=-499 Н×м
Мa(0.088)=512 Н×м
участок
Мa(0)=-56.49 Н×м
Ma(0.041)=17 Н×м
участок
Ma(0)=0 кН·см
Ma(0.07)=-56.49 Н×м
(6.5)
где sТ - пробел текучести материала;
для стали 45 sТ = 540 МПа [ 1, таблица 2.1]
Kn - коэффициент перегрузки
sЭКВ - эквивалентное напряжение
(6.6)
где М - результирующий изгибающий момент в опасном сечении
(6.7)
где МХ, МУ - максимальный горизонтальный и вертикальный моменты
МХ = 137 Н×м, МУ = 512 Н×м (из эпюры)
530 Н×м
W -осевой момент сопротивления
(6.8)
м3
МПа
Выбранный материал для вала сталь45 удовлетворяет условию прочности, т.к. ST = 4.87 >[ST ] = 1…3
.2 Расчет промежуточного вала
Составляющие усилия в зацеплении
Окружная
;
(6.9)
Радиальная
;
(6.10)
Осевая
(6.11)
где
-крутящий момент на валу,
-делительная окружность зубчатого колеса,
-угол захвата,
-угол наклона зуба.
;
;
;
;
;
Составляющие усилия в зацеплении
Для колеса
Окружная
Радиальная
Осевая
Для шестерни
Окружная
Радиальная
Определим реакции опор.
участок
Мa(0)=0 Н×м
Ma(0.041)=429 Н×м
участок
Мa(0)=429 Н×м
Мa(0.045)=512 Н×м
участок
Мa(0)=4295 Н×м
Ma(0.045)=755 Н×м
участок
Ma(0)=0 Н×м Ma(0.041)=429 Н×м
участок
Мa(0)=0 Н×м
Ma(0.041)=191 Н×м
участок
Мa(0)=703 Н×м
Мa(0.045)=1150 Н×м
участок
Мa(0)=703 Н×м
Ma(0.045)=1150 Н×м
участок
Ma(0)=703 Н×м
Ma(0.041)=0 Н×м
(6.11)
где sТ - предел текучести материала;
для стали 45 sТ = 540 МПа [ 1, таблица 2.1]
Kn - коэффициент перегрузки
sЭКВ - эквивалентное напряжение
(6.12)
где М - результирующий изгибающий момент в опасном сечении
(6.13)
где МХ, МУ - максимальный горизонтальный и вертикальный моменты
МХ = 755 Н×м, МУ = 1150 Н×м (из эпюры)
1375 Н×м
W -осевой момент сопротивления
(6.14)
м3
МПа
Выбранный материал для вала сталь45 удовлетворяет условию прочности, т.к. ST = 2,49 =[ST ] = 1…3
.3 Расчет тихоходного вала
Составляющие усилия в зацеплении
Окружная
; (6.15)
Радиальная
(6.16)
Осевая
где
-крутящий момент на валу,
-делительная окружность зубчатого колеса,
-угол захвата,
-угол наклона зуба.
;
;
Составляющие усилия в зацеплении
Окружная
Радиальная
Определим реакции опор.
1 участок
Мa(0)=0 Н×м
Ma(0.041)=579 Н×м
участок
Мa(0)=579 Н×м
Мa(0.045)=0 Н×м
H
участок
Мa(0)=0 Н×м
Ma(0.041)=191 Н×м
участок
Мa(0)=703 Н×м
Мa(0.045)=1150 Н×м
участок
Мa(0)=703 Н×м
Ma(0.045)=1150 Н×м
участок
Ma(0)=703 Н×м
Ma(0.041)=0 Н×м
(6.17)
где sТ - предел текучести материала;
для стали 45 sТ = 540 МПа [ 1, таблица 2.1]
Kn - коэффициент перегрузки
sЭКВ - эквивалентное напряжение
(6.18)
где М - результирующий изгибающий момент в опасном сечении
(6.19)
где МХ, МУ - максимальный горизонтальный и вертикальный моменты
МХ = 579 Н×м, МУ = 248 Н×м (из эпюры)
629 Н×м
W -осевой момент сопротивления
(6.20)
м3
МПа
Выбранный материал для вала сталь45 удовлетворяет условию прочности, т.к. ST = 2,44 =[ST ] = 1…3
.1 Расчет подшипников на быстроходный вал
P-эквивалентная расчетная
нагрузка на подшипник
где
-радиальная нагрузка на
подшипник (Н).
-осевая нагрузка на
подшипник (Н).
X-коэффициент радиальной нагрузки (табл. 6.1).
Y-коэффициент осевой нагрузки (табл. 6.1)
-коэффициент безопасности
-температурный
коэффициент
Выбираем коэффициент X и Y. Отношение
По таблице 6,1 [6. C.197] определяем
.
, то X=0,56, Y=1,71
По таблице 20 [6. c. 262] по скорости вращения
внутреннего кольца и долговечности подшипника определяем отношение
для шарикоподшипников.
Следовательно, потребуется динамическая
грузоподъемность:
Выбранный подшипник удовлетворяет условию динамической нагрузки
-эквивалентная расчетная
нагрузка на подшипник
,где
-радиальная нагрузка на
подшипник (Н).
-осевая нагрузка на
подшипник (Н).
-коэффициент радиальной
нагрузки (табл. 6.1).
-коэффициент осевой
нагрузки (табл. 6.1)
Для правильного выбора подшипника должно выполнять условие:
Условие статической
грузоподъемности выполняется.
.2 Подбор подшипников на тихоходный вал
P-эквивалентная расчетная
нагрузка на подшипник
где
-радиальная нагрузка на
подшипник (Н).
осевая нагрузка на
подшипник (Н).
X-коэффициент радиальной нагрузки (табл. 6.1).
Y-коэффициент осевой нагрузки (табл. 6.1)
-коэффициент безопасности
-температурный
коэффициент
Выбираем коэффициент X и Y. Отношение
По таблице 6,1 [6. C.197] определяем
.
, то X=1, Y=0
По таблице 20 [6. c. 262] по скорости вращения
внутреннего кольца и долговечности подшипника определяем отношение
для роликовых подшипников.
Следовательно, потребуется динамическая
грузоподъемность:
Выбранный подшипник удовлетворяет условию динамической нагрузки
-эквивалентная расчетная
нагрузка на подшипник
где
-радиальная нагрузка на
подшипник (Н).
осевая нагрузка на
подшипник (Н).
-коэффициент радиальной
нагрузки (табл. 6.1).
-коэффициент осевой
нагрузки (табл. 6.1)
Для правильного выбора подшипника должно выполнять условие:
Условие статической
грузоподъемности выполняется.
7.3 Расчет подшипников на тихоходный вал
P-эквивалентная расчетная
нагрузка на подшипник
где
-радиальная нагрузка на
подшипник (Н).
-осевая нагрузка на
подшипник (Н).
X-коэффициент радиальной нагрузки (табл. 6.1).
Y-коэффициент осевой нагрузки (табл. 6.1)
-коэффициент безопасности
-температурный
коэффициент
Так как осевая нагрузка на подшипник
, то проверку на
динамическую нагрузку произвести не получится, тогда оставляем выбранный
подшипник.
-эквивалентная расчетная
нагрузка на подшипник
где
-радиальная нагрузка на
подшипник (Н).
-осевая нагрузка на
подшипник (Н).
-коэффициент радиальной
нагрузки (табл. 6.1).
-коэффициент осевой
нагрузки (табл. 6.1)
Для правильного выбора подшипника должно выполнять условие:
Условие статической
грузоподъемности выполняется.
8. Проверка прочности шпоночных соединений
Принимаем шпонки призматические, размеры шпонок и пазов по ГОСТ 23360-72 [1]
Материал шпонок сталь45 нормализованная
Напряжения смятия из условия прочности:
(6.1)
где М - момент, передаваемый валом;
d - диаметр вала
h - высота шпонки
l - длина шпонки, принимаем на 5..10 мм меньше длины ступицы из ряда длин
в - ширина шпонки
8.1 Проверка прочности шпонок на быстроходном
валу
На валу установлена 1 шпонка под стальной шкив.
Посадочный диаметр d=15 мм
Передаваемый момент Нб=38,44 Н×м
Размеры шпонки в*h*l = 5×6×40, t1=2.5 мм
Напряжения смятия
МПа
sCМ=102
МПа< [sСМ]=120 МПа условие прочности выполняется
8.2 Проверка прочности шпонок на промежуточном
валу
На валу установлены две одинаковые шпонки под цилиндрические колеса.
Посадочный диаметр d=22 мм
Передаваемый момент МПР=184,57 Н×м
Размеры шпонок в*h*l = 6×7×32, t1= 3.5 мм
Напряжения смятия
МПа
8.3 Проверка прочности шпонок на тихоходном валу
На валу установлена шпонка под цилиндрическое колесо;
Посадочный диаметр d=33 мм
Передаваемый момент МТ=859,63 Н×м
Размеры шпонки в*h*l = 10*9*39, t1=3.8 мм
Напряжения смятия
МПа
На валу установлена 1 шпонка под стальное колесо.
Посадочный диаметр d=26 мм
Передаваемый момент МТ=859,63 Н×м
Размеры шпонки в*h*l = 8*7*39, t1=3.5 мм
Напряжения смятия
Мпа
Прочность шпонок обеспечена
Смазывание зубчатых колес производится опусканием их в масло, заливаемое внутрь корпуса до уровня, обеспечивающего погружение колес на 10….12 мм
Требуемую вязкость масла определяют в зависимости от контактного напряжения и окружной скорости колес
Быстроходная ступень: V = 1,46 м/с, [sП ] = 549,15 Н/мм2
Тихоходная ступень: V = 0,08 м/с, [sП ] = 644.5 Н/мм2
Рекомендуемая вязкость масла должна быть примерно равна
n = 34×10-6 м3/с [1, таблица 11.1]
Такой вязкости соответствует масло индустриальное И-Г-А-32
ГОСТ20799-75
Список литературы
1. П.Ф. Дунаев, О.П. Леликов. Конструирование узлов и деталей машин. М "Высшая школа", 1985 г. -416с
. П.Ф. Дунаев, О.П. Леликов. Детали машин. Курсовое проектирование М "Высшая школа", 1990 г. -399с
. Е.Ф. Катаев, Ю.Т. Костенко. Расчет передачи зацеплением. Белгород, 1993 г. -61с
. Е.Ф. Катаев, Ю.Т. Костенко, Н.В. Столбов. Расчет и конструирование валов и подшипников. Белгород,1995 г. -87с
. И.А. Биргер и др. Расчет на прочность деталей машин; справочник М "Машиностроение", 1972 г. -702 с.