Материал: Проектирование кровельных настилов с применением деревянных конструкций

Внимание! Если размещение файла нарушает Ваши авторские права, то обязательно сообщите нам


Проверим жесткость двускатной армированной балки. Момент инерции в середине пролета:


где

Момент инерции приведенного сечения:


Коэффициенты:


Прогиб с учетом только деформаций изгиба:


Абсолютный прогиб с учетом деформаций сдвига:


Жесткость балки обеспечена

Рисунок 8 - Конструктивная схема дощатоклееной двускатной балки

Рисунок 9 - Поперечные сечения дощатоклееной двускатной балки

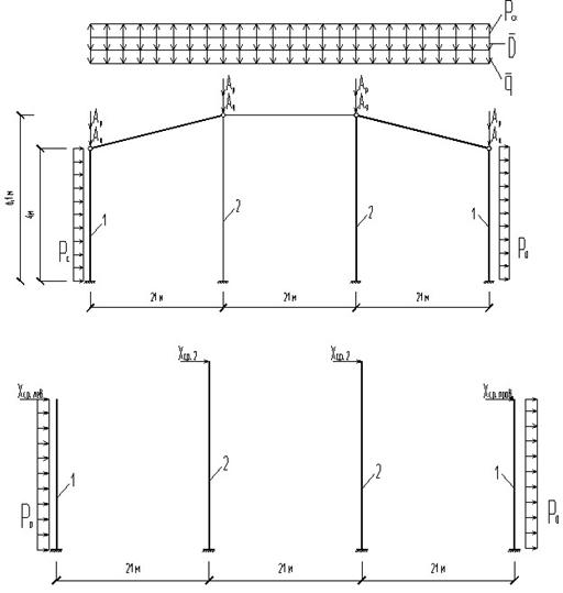
3.      Статический расчет поперечной рамы


Нагрузка Аg равна реакции ригеля от собственной массы всех конструкций покрытия:

для крайних колонн:


для средней:

где

Нагрузка от собственной массы колонны высотой Н с сечением b x h (150х260)для крайних колонн:


для стойки 2 (b x h = 160x 300):


Нагрузка Ар равна реакции ригеля от снеговой нагрузки на кровле.

На крайние стойки:


на средние стойки:


Вертикальная снеговая нагрузка, действующая на скаты кровли и направляемая вверх, при малоуклонных кровлях не учитывают, на эту нагрузку проектируют элементы ограждения и крепления элементов кровли.

Горизонтальные ветровые нагрузки действуют на раму в виде равномерно распределяемых нагрузок Ра и Р0, и горизонтально расположенных сосредотачиваемых сил W и W’:

Для города Томск (III-й район по ветровой нагрузке) кПа.

Значение коэффициентов :

; ;

(знак “-” - направление от поверхности).

 

 


Определяем неизвестные в верхних срезах колон:

Сжимающее усилие в стойках. От веса всех конструкции и собственного веса стоек:


От снеговой нагрузки:


Максимальные изгибающие моменты в стойках от ветровой нагрузки:


Определим невыгодные комбинации усилий:

для расчета стоек, комбинация №1:


комбинация №2:


комбинация №3:


Для расчета заземленной стойкой:


Определим условия сжимающих усилий по трем комбинациям усилий от крайних стоек:


Следовательно, расчетной является комбинация №3

Рисунок 11 - Эпюра изгибающих моментов М и продольной силы N для крайних стоек

Определим условия сжимающих усилий по трем комбинациям усилий от средних стоек:


Следовательно, расчетной является комбинация №3

Рисунок 12 - Эпюра изгибающих моментов М и продольной силы N для средних стоек

4.      Конструктивный расчет стоек

4.1    Расчет крайней стойки

Для стоек принимаем доски из кедр II сорта, толщиной 44 мм.

Сечение стойки b×h=150×260мм


где=49,12кН;=b.h= 0,15.0,26=0,039 м2;=5,69 кН.м;


Условие прочности выполнено.

Выполним расчет на устойчивость плоской формы деформирования:


Условие выполнено

4.2    Расчет средней стойки

Сечение стойки b×h=160×300мм


где=97,49кН;=b.h= 0,16.0,3=0,048 м2;

M=5,28 кН.м;


Условие прочности выполнено.

Выполним расчет на устойчивость плоской формы деформирования:


Условие выполнено.

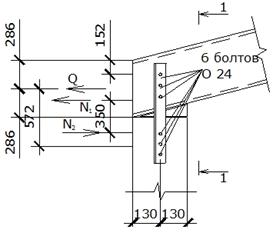
5.      Расчет опорных узлов рамы

 

Для крайней стойки:

Геометрические характеристики сечения крайней стойки


Краевые напряжения:


Длина сжатой зоны:


Анкерное усилие, действующее на пластину с приваренными к ней стержнями:


Принимаем 2 арматурных стержня диаметром 16 мм (S400).

Нагрузка на один стержень:


Продольная составляющая усилия:


Поперечная составляющая усилия:


Расчетная несущая способность стержня на растяжение:

,

где,

 - расчетное сопротивление арматурного стержня растяжению, для арматуры S400;

- расчетная площадь поперечного сечения стержня,

Расчетная несущая способность стержня как нагеля:

Несущая способность стержней:


Прочность стержней обеспечена.

Перерезывающая сила и касательные напряжения:


Несущая способность соединения на вклеенных поперек волокон стержнях:

;

где,

 - расчетное сопротивление древесины срезу поперек волокон в соединений с круглыми арматурными стержнями периодического профиля

d - диаметр отверстия под вклеенный стержень,d=16+5=21мм=0,021м;

kn4 - коэффициент, учитывающий неравномерность снижение несущей способности соединения в зависимости от вида напряженного состояния в зоне установки стержней:

kn5 - коэффициент, учитывающий изменение расчетного сопротивления древесины срезу поперек волокон в зависимости от диаметра стержней:

kn6 - коэффициент, учитывающий неравномерность нагружения стержней, kn6=0,87:

Длина заделки достаточна.

Проверим возможность пересечения встречных стержней:


Стержни не пересекаются.

Для средней стойки:

Геометрические характеристики сечения крайней стойки

 


Краевые напряжения:

 


Длина сжатой зоны:


Анкерное усилие, действующее на пластину с приваренными к ней стержнями:

Принимаем 2 арматурных стержня диаметром 12 мм (S400).

Нагрузка на один стержень:


Продольная составляющая усилия:


Поперечная составляющая усилия:


Расчетная несущая способность стержня на растяжение:


где,

 - расчетное сопротивление арматурного стержня растяжению,

 для арматуры S400;

- расчетная площадь поперечного сечения стержня, равна 3,14см2.

Расчетная несущая способность стержня как нагеля:


Несущая способность стержней:


Прочность стержней обеспечена.

Перерезывающая сила и касательные напряжения:


Несущая способность соединения на вклеенных поперек волокон стержнях:

;


Длина заделки достаточна.

Проверим возможность пересечения встречных стержней:

Стержни не пересекаются.

Рисунок 14 - Крепление стоек к фундаменту: а) крайние стойки, б) средние стойки

6.      Обеспечение пространственной неизменяемости сооружения в процессе его монтажа и в законченном виде

Пространственные крепления, воспринимающие ветровые усилия, служат также для предупреждения выпучивания сжатого контура плоскостных деревянных конструкций. В большинстве случаев сжатый пояс в них раскрепляют прогонами кровли, которые должны быть прочно прикреплены к верхнему поясу, и настилам кровли.