Материал: Проектирование и организация движения на изолированном регулируемом перекрестке

Внимание! Если размещение файла нарушает Ваши авторские права, то обязательно сообщите нам

Проектирование и организация движения на изолированном регулируемом перекрестке

Министерство образования и науки Российской Федерации

Федеральное государственное бюджетное образовательное учреждение высшего профессионального образования

«Тихоокеанский государственный университет»

Кафедра: эксплуатации автомобильного транспорта








Курсовая работа

По дисциплине: «Основы организации дорожного движения»

На тему: «Проектирование и организация движения на изолированном регулируемом перекрестке»









Хабаровск 2017

Задание

На курсовую работу

По дисциплине: "Организация и безопасность движения"

На тему: "Проектирование и организация движения на изолированном регулируемом перекрестке"

Направление

Транспортные потоки

Пешеходные потоки


Исходные интенсивности, ам/ч

пропускная способность полосы, ед/ч

Vт, км/ч

Nп, пеш/ч

Vп, м/с


легковые

грузовые

автобусы

автопоезда





Подход 1

 

 

 

 

1700

30

800

1,2

N13

322

69

46

23





N12

217

47

31

16





N14

116

25

17

8





Подход 2





1900

45

400

1,4

N24

936

52

52

0





N23

324

18

18

0





N21

279

16

16

0





Подход 3





1600

25

1000

1

N31

288

96

72

24





N34

102

34

26

9





N32

90

30

23

8





Подход 4





1700

30

800

1,2

N42

448

96

64

32





N41

168

36

24

12





N43

98

21

14

7






Реферат

Курсовая работа содержит пояснительную записку на 41 листе формата А4, включающую 6 рисунков, 4 таблицы, 15 литературных источников, 4 приложения.

Безопасность дорожного движения, организация дорожного движения, дорожно-транспортное происшествие, автомобильная дорога, состав транспортного потока, конфликтность, фаза, цикл регулирования, пофазный разъезд, поток насыщения, фазовый коэффициент, приведенная интенсивность, задержки, пропускная способность полосы

Целью курсовой работы является проектирование организации дорожного движения на изолированном перекрестке. Указанная цель достигается применением современных технических средств управления дорожным движением, выполнением расчета оптимального цикла и режима работы светофорной сигнализации в соответствии с заданной интенсивностью движения, проведением анализа существующей схемы организации дорожного движения и внесением предложений по проектированию.

Предполагаемый эффект от предлагаемых в проекте мероприятий по организации дорожного движения на изолированном перекрестке оценивается по индексу конфликтности и транспортным задержкам.

Содержание

Реферат

Введение

. Исследование параметров дорожного движения

.1 Необходимость светофорного регулирования

.2 Расчет приведенной интенсивности движения транспортных средств по направлениям

.3 Построение картограммы интенсивности движения транспортных и пешеходных потоков

.4 Определение минимально необходимого количества полос движения и ширины проезжей части дороги и пешеходных переходов

. Основная часть

.1 Определение количества фаз, разработка схем пофазного разъезда

.2 Расчёт режимов светофорной сигнализации по методике Вебстера

.2.1 Определение потоков насыщения

.2.2 Определение фазовых коэффициентов

.2.3 Расчет переходных тактов

.2.4 Расчет оптимального цикла регулирования

.2.5 Расчет основных тактов

.2.6 Проверка основных тактов на пропуск пешеходов

.3 Техническая оценка эффективности проекта

.3.1 Определение конфликтной загрузки пересечения

.3.2 Определение задержек транспорта

.4 Разработка применения технических средств регулирования

Заключение

Список литературы

Приложения

Введение

Ключевым элементом дорожной сети являются перекрёстки, на которых, по статистике, происходит от 30 до 40% всех ДТП. И пусть порой они незначительны по последствиям для автомобилей, однако именно на перекрёстке с транспортными средствами встречаются пешеходы, в том числе и самые младшие. Значительные телесные повреждения получают как водителя, так и пешеходы, а участие в ДТП на перекрёстке берут зачастую от 2 и более автомобилей.

Обеспечение быстрого и безопасного движения в современных городах требует применения комплекса мероприятий архитектурно-планировочного и организационного характера. К ним относится введение светофорного регулирования на перекрестках.

В этих условиях особое значение приобретает деятельность по рациональной организации движения на существующей улично-дорожной сети. Эту деятельность могут обеспечить только специалисты, имеющие необходимую подготовку. Именно поэтому исследования, связанные с организацией безопасности движения в населенных пунктах являются актуальными.

Целью курсовой работы является отработка и закрепление навыков организации дорожного движения и применения технических средств регулирования на изолированном перекрестке.

Для достижения поставленной цели необходимо решить ряд взаимосвязанных задач:

-    провести анализ параметров дорожного движения.

-       рассчитать параметры жесткого программного управления на изолированном перекрестке.

-       оценить преимущества внедрения светофорного объекта.

-       спроектировать применение технических средств организации дорожного движения на перекрестке.

Объект работы: изолированный перекресток

Предмет работы: применение технических средств регулирования дорожного движения.

Выбор методов проектирования был обусловлен требованиями наиболее адекватного и полного решения задач на каждом этапе работы. В зависимости от особенностей решаемых задач использовались:

-    абстрактно-логический метод (при постановке целей и задач проектирования);

-       монографический метод (при изучении тенденций развития современных технологий управления дорожным движением);

-       сравнительный анализ (при выборе оптимальных схем применения технических средств организации дорожного движения);

-       математические методы (при проведении расчетов и оценке проекта).

Источниками информации для написания работы послужили базовая учебная литература, теоретические труды ученых в данной области, результаты практических исследований отечественных и зарубежных авторов, статьи и обзоры в специализированных и периодических изданиях, справочная литература, другие актуальные источники.

1. Исследование параметров дорожного движения

1.1 Необходимость светофорного регулирования

На пересечениях в одном уровне пропуск конфликтующих транспортных потоков осуществляется поочередно путем предоставления для одного из них приоритета в движении. При отсутствии средств регулирования (на равнозначных перекрестках) приоритет определяется известным правилом помехи справа. Установка дорожных знаков приоритета приводит к выделению главной и второстепенной дороги. Данные виды пересечений именуются как нерегулируемые. На нерегулируемых перекрестках (при наличии знаков приоритета) движение по главной дороге осуществляется практически без задержек. На второстепенной дороге водитель, не обладающий преимущественным правом проезда, вынужден для дальнейшего движения ожидать появления достаточно больших интервалов времени между транспортными средствами, следующими в конфликтующих направлениях.

С ростом интенсивности транспортного потока на главной дороге возможности проезда перекрестка с второстепенных направлений ухудшаются. В ожидании приемлемого интервала водители вынуждены простаивать значительное время и нередко принимать интервалы меньшие, чем необходимо по условиям безопасности движения. Поэтому на перекрестке наряду с ростом транспортных задержек увеличивается количество ДТП.

Введение светофорного регулирования ликвидирует наиболее опасные конфликтные точки, что способствует повышению безопасности движения. Вместе с тем появление светофора на перекрестке вызывает транспортные задержки и на главной дороге, порой весьма значительные, учитывая характерную для этой дороги высокую интенсивность движения и господствующее в настоящее время жесткое программное регулирование. Таким образом, введение светофорного регулирования является не всегда оправданным и зависит, прежде всего, от интенсивности движения конфликтующих потоков и от числа и тяжести ДТП.

1.2 Расчет приведенной интенсивности движения транспортных средств по направлениям

Под интенсивностью транспортного потока понимается число транспортных средств, проходящих через сечение дороги в единицу времени. Интенсивность движения - величина неравномерная и в пространстве (на различных дорогах или на различных участках одной и той же дороги), и во времени.

Возможные направления движения автомобилей и пешеходов на проектируемом перекрестке приняты согласно задания и представлены на рисунке 1.

Рисунок 1. Схема пересечения

Для учета влияния в смешанном транспортном потоке различных типов транспортных средств применяют коэффициенты приведения к условному легковому автомобилю /7/.

Интенсивность транспортного потока в приведенных единицах (ед./ч), по каждому направлению определяется по формуле

 (1)

гдеN - интенсивность движения транспортного потока (исходная) в физических единицах, а/ч;

Pi - процентное содержание в потоке транспортных средств i-го типа;

Kприв - коэффициенты приведения для i-го типа транспортных средств.

Результаты расчета сводятся в таблицу по форме (табл.1).

Таблица 1. Расчет приведенной интенсивности

Подход направление

Исходная интенсивность, авт./ч

В том числе:

Приведенная интенсивность, авт./ч



Легковые, %

Грузовые %

Автобусы, %

Автопоезда, %


Кпр

1

2

3

4

 

1

 

70

15

10

5

 

N13

460

322

138

138

92

691

N12

311

217

94

94

62

467

N14

166

116

50

50

33

249

2

 

90

5

5

0

 

N24

1040

936

105

157

0

1197

N23

360

324

36

54

0

414

N21

311

279

31

47

0

357








3

 

60

20

15

5

 

N31

480

288

192

217

98

795

N34

171

102

68

77

35

283

N32

151

90

60

68

31

249

4

 

70

15

10

5

 

N42

640

448

192

192

128

960

N41

240

168

72

72

48

360

N43

140

98

42

42

28

210


Все дальнейшие расчеты производятся только по приведенным интенсивностям. Если интенсивность по направлению задана равной нулю, то необходимо при организации дорожного движения предусмотреть запрещение движения в этом направлении.

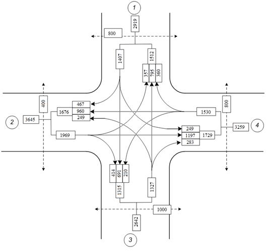
1.3 Построение картограммы интенсивности движения транспортных и пешеходных потоков

На основании расчета приведенной интенсивности вычерчивается схема перекрестка, на которую наносится картограмма интенсивности движения транспортных и пешеходных потоков (рис.2, прил. А).

Рисунок 2. Картограмма интенсивности

1.4 Определение минимально необходимого количества полос движения и ширины проезжей части дороги и пешеходных переходов

Минимально необходимое число полос для движения транспорта и пешеходов на подходе определяется по формулам (2) и (3) исходя из суммарных интенсивностей и насыщенности полосы Н, обеспечивающей возможность движения потоков как по этой полосе, так и с конфликтующих направлений.

 (2)

 (3)

гдеНt - нормативная насыщенность полосы для движения транспорта;

Нп - нормативная насыщенность полосы для движения пешеходов.

Согласно рекомендациям /3,5,8/ можно принять для транспортных потоков Нt = 600-700 ед./ч, для пешеходов Hп = 400-500 пеш/ч.

Для транспортных потоков ширину полосы движения следует принимать b = 3,75 м, для пешеходных условная полоса - b = 1,0 м. Однако, общая ширина пешеходного перехода не может быть меньше 4,0 м. /2/. Конфигурация и размеры перекрестка определяются количеством полос и их размерами, скруглениями, которые не должны быть менее 3,0 м /2/, а также необходимыми отступами пешеходных переходов от стоп-линии и от границ проезжей части перекрестка.

Определяем количество полос движения транспорта по направлениям

nt1 =2919/700=4,17=5 полос

nt2 =3645/700=5,21=6 полос

nt3 = 2642/700=3,77=4 полосы

nt4 = 3259/700=4,67=5 полос

Определяем количество полос движения для пешеходов

nп1 = 800/500 = 1,6 = 2 полосы

nп2 = 400/500 = 0,8 = 1 полоса

nп3 = 1000/500 = 2 полосы

nп4 = 800/500 = 1,6 = 2 полосы

В дальнейшем количество полос для движения транспорта может быть увеличено в зависимости от схемы пофазного разъезда и величины фазовых коэффициентов.

2. Основная часть

2.1 Определение количества фаз, разработка схем пофазного разъезда

Пофазный разъезд транспортных потоков организуется с целью разделения их во времени и тем самым снижения конфликтности на пересечении. Количество фаз должно равняться назначенному количеству групп потоков.

Необходимо учитывать, что увеличение количества фаз обеспечивает более полное разделение потоков и, следовательно, более высокий уровень безопасности. Но при этом возрастает суммарное время задержки транспортных средств и уменьшается возможность их пропуска по главным направлениям.