Материал: Проектирование электрической сети

Внимание! Если размещение файла нарушает Ваши авторские права, то обязательно сообщите нам

Проектирование электрической сети

1. Задание и исходные данные для проектирования

электрический цепь трансформатор напряжение

Спроектировать электрическую сеть для электроснабжения указанных потребителей от электрической системы в соответствии с вариантом. Месторасположение источника питания и потребителей электроэнергии указано на рисунке 1.1, а их характеристики - в таблице 1.1. Электрическая сеть расположена в объединенной энергосистеме (ОЭС) Сибири, III районе по гололеду.

В таблице 1.1 приведены значения активной мощности нагрузок потребителей в максимальном режиме Рiмаксi.


Расстояния между точками:

l01=16 км; l02=14 км; l03=15 км; l04=16 км; l05=18 км; l12=17 км; l13=26 км; l14=31 км; l15=33 км; l23=11 км; l24=21 км; l25=29 км; l34=12 км; l35=22 км; l45=12 км.

Рисунок 1.1 - Месторасположение источника питания и потребителей электроэнергии

Таблица 1.1 - Характеристика источника питания и потребителей электроэнергии

№ пст

Рмаксрi МВт

Qмаксрi Мвар

|Sмаксрi| МВА

Рпаврi МВт

Qпаврi Мвар

|Sпаврi| МВА

cosfi

Tмi ч

Uннi кВ

Доля нагрузки 3-й категории, d3i, %

Источник питания 0







0,77




Подстанция 1

16

10,75

19,28

16

10,75

19,28

0,83

5700

10

0

Подстанция 2

35

21,69

41,18

35

21,69

41,18

0,85

4100

10

0

Подстанция 3

24

16,13

28,92

24

16,13

28,92

0,83

3400

10

0

Подстанция 4

17

18,84

25,37

8,5

9,42

12,69

0,67

5700

6

50

Подстанция 5

31

24,06

39,24

31

24,06

39,24

0,79

3900

10

0


Определяются значения полной мощности нагрузок потребителей , исходя из активной мощности нагрузки  и коэффициента мощности cosji потребителей, указанных в таблице 1.1.

 

Определение электрической нагрузки на подстанциях в послеаварийном режиме

 


2. Составление вариантов схемы электрической сети и выбор наиболее рациональных вариантов


2.1    Варианты разомкнутой схемы электрической сети


Составляются варианты разомкнутой схемы электрической сети. Варианты схем приведены на рисунке 2.1.

Рисунок 2.1 - Варианты радиально-магистральных схем

Производится предварительный анализ и выбор вариантов радиально-магистральных схем исполнения сети. Результаты сводятся в таблицу 2.1.

Таблица 2.1 - Характеристика вариантов радиально-магистральных схем

Вариант

Участок

lЛЭП, км

SlЛЭП, км

Номер п/ст

Количество выключателей n, шт.

Sn, шт.

Pi, МВт

Момент мощности Pilс, МВт×км

SPi lс, МВт×км

а)

01

32

158

1

2

21

16

256

1936


02

28


2

2


35

490



03

30


3

2


24

360



04

32


4

2


17

272



05

36


5

2


31

558






0 (РЭС)

11





б)

01

32

140

1

2

17

16

256

2666


23

22


2

2


35

910



03

30


3

2


24

360



04

32


4

2


17

272



45

24


5

2


31

868






0 (РЭС)

7





в)

01

32

134

1

2

17

16

256

2769


23

22


2

2


35

1155



34

12


3

2


24

528



04

32


4

2


17

272



05

36


5

2


31

558






0 (РЭС)

7





г)

01

32

142

1

2

17

16

256

2533


02

28


2

2


35

490



23

22


3

2


24

600



34

24


4

2


17

629



05

36


5

2


31

558






0 (РЭС)

7






Из предложенных схем наилучшим вариантом исполнения сети является вариант, приведенный на рисунке 2.1 б).

2.2    Варианты схемы электрической сети, имеющей замкнутый контур


Варианты схемы электрической сети, имеющей замкнутый контур, приведены на рисунке 2.2.

Рисунок 2.2 - Варианты схем, имеющих замкнутый контур

Производится предварительный анализ и выбор вариантов схем исполнения сети, имеющих замкнутый контур. Результаты сводятся в таблицу в таблицу 2.2.

Таблица 2.2 - Характеристика вариантов схем, имеющих замкнутый контур

Вариант

Участок

lЛЭП, км

SlЛЭП, км

Номер п/ст

Количество выключателей n, шт.

Sn, шт.

а)

01

16

126

1

3

21


12

17


2

3



02

14


3

3



03

15


4

3



34

12


5

2



04

16


0 (РЭС)

7



05

36





б)

01

16

115

1

3

18


12

17


2

3



23

11


3

3



03

15


4

2



04

32


5

2



45

24


0 (РЭС)

5









 в)

01

32

121

1

2

20


02

14


2

3



23

11


3

3



34

12


4

3



04

16


5

2



05

36


0 (РЭС)

7









 г)

01

16

104

1

3

20


12

17


2

3



02

14


3

3



03


4

3



34

12


5

3



45

12


0 (РЭС)

5



05

18






Исходя из упрощенных критериев, из предложенных схем наилучшим вариантом исполнения сети является вариант, приведенный на рисунке 2.2 б).

3. Приближённый расчёт потокораспределения в электрической сети


Схемы потокораспределения приведены на рисунке 3.1.

Рисунок 3.1 - Схема потокораспределения в сети:

а) для разомкнутой сети в максимальном режиме; б) для разомкнутой сети в послеаварийном режиме; в) для сети с замкнутым контуром в максимальном режиме; г) для и сети с замкнутым контуром в послеаварийном режиме

Рассчитываются потоки мощности для участков сети в максимальном и послеаварийном режимах в соответствии с формулами приведенными ниже. Результаты сводятся в таблицу 3.1.

Для разомкнутой сети:


Для сети с замкнутым контуром:


В сети, имеющей замкнутый контур, точка 2 является точкой потокораздела активной и реактивной мощностей.

В послеаварийном режиме из строя выходит наиболее загруженный участок 03.


Таблица 3.1 - Расчет потокораспределения в электрической сети

Участок

количество цепей n, шт

lуч, км

Рмаксрi, МВт

Qмаксрi, Мвар

|Sмаксрi|, МВА

Рпаврi, МВт

Qпаврi, Мвар

|Sпаврi|, МВА

Разомкнутая сеть

01

2

16

8

5,38

9,64

16

10,75

19,28

03

2

15

29,5

18,91

35,05

59

37,82

70,09

23

2

11

17,5

10,85

20,59

35

21,69

41,18

04

2

16

24

21,45

32,31

39,5

33,48

51,93

45

2

12

15,5

12,03

19,62

31

24,06

39,24

Сеть с замкнутым контуром

01

1

16

33,19

21,50

39,54

75

48,57

89,37

12

1

17

17,19

10,74

20,27

59

37,82

70,09

23

1

11

17,81

10,95

20,91

24

16,13

28,92

03

1

15

41,81

27,08

49,81

0

0

0

04

2

16

24

21,45

32,19

39,5

33,48

51,93

45

2

12

15,5

12,03

19,62

31

24,06

39,24


4. Выбор номинальных напряжений электрической сети


Номинальное напряжение Uном вычисляется по формуле Стилла: , а потери напряжения: .

Результаты расчетов, а так же ближайшие стандартные наибольшие и наименьшие напряжения приведены в таблице 4.1. Результаты проверки напряжения сведены в таблицу 4.2

Таблица 4.1 - Результаты расчетов напряжения для электрической сети

Участок

lуч км

Ручмаксрi МВт

Qучмаксрi Мвар

Ручпаврi МВт

Qучпаврi Мвар

Uномуч кВ

Uном=35 кВ

Uном=110 кВ

Uном=220 кВ








r0

x0

ΔUучмакс

ΔUучпавр

r0

x0

ΔUучмакс

ΔUучпавр

r0

x0

ΔUучмакс

Разомкнутая сеть

01

16

8

5,38

16

10,75

52,08

0,3

0,4

2,08

4,16

0,2

0,4

0,55

1,09

0,1

0,4

0,21

03

15

29,5

18,91

59

37,82

95,78

0,3

0,4

7,03

14,07

0,2

0,4

1,84

3,67

0,1

0,4

0,72

23

11

17,5

10,85

35

21,69

74,03

0,3

0,4

3,01

6,03

0,2

0,4

0,78

1,57

0,1

0,4

0,30

04

16

24

21,45

39,5

33,48

86,80

0,3

0,4

7,21

11,54

0,2

0,4

1,95

3,10

0,1

0,4

0,80

45

12

15,5

12,03

31

24,06

69,98

0,3

0,4

3,24

6,49

0,2

0,4

0,86

1,73

0,1

0,4

0,35

Сеть с замкнутым контуром

01

16

33,19

21,50

75

48,57

101,50

0,3

0,4

8,48

19,17

0,2

0,4

2,22

5,01

0,1

0,4

0,87

12

17

17,19

10,74

59

37,82

74,16

0,3

0,4

4,59

15,94

0,2

0,4

1,20

4,16

0,1

0,4

0,46

23

11

17,81

10,95

24

16,13

74,67

0,3

0,4

3,06

4,29

0,2

0,4

0,79

1,13

0,1

0,4

0,31

03

15

41,81

27,08

0

0,00

113,51

0,3

0,4

10,02

0,00

0,2

0,4

2,62

0,00

0,1

0,4

1,02

04

16

24,00

21,45

39,5

33,48

86,80

0,3

0,4

7,21

11,54

0,2

0,4

1,95

3,10

0,1

0,4

0,80

45

12

15,50

12,03

31

69,98

0,3

0,4

3,24

6,49

0,2

0,4

0,86

1,73

0,1

0,4

0,35


Таблица 4.2 - Проверка напряжения для электрической сети

Участок

Uном=35 кВ

Uном=110 кВ

Uном=220 кВ

Окончательное Uном, кВ


ΣΔUмакср

15% Uном

ΣΔUпавр

20% Uном

ΣΔUмакср

15% Uном

ΣΔUпавр

20% Uном

ΣΔUмакср

15% Uном


Разомкнутая сеть

01

2,08

5,25

4,16

7

0,55

16,5

1,09

22

0,21

33

35

032

10,05

5,25

20,10

7

2,62

16,5

5,24

22

1,02

33

110

045

10,46

5,25

18,03

7

2,81

16,5

4,82

22

1,15

33

110

Сеть с замкнутым контуром

012

13,07

5,25

39,40

7

3,41

16,5

10,29

22

1,33

33

110

032

13,07

5,25


7

3,41

16,5


22

1,33

33

110

045

10,46

5,25

18,03

7,00

2,81

16,5

4,82

22

1,15

33

110


Проверка напряжения производится в соответствии со следующими критериями:

для максимального режима SDUmax£15% Uном;

для послеаварийного режима SDUпавр£20% Uном.

Так как суммарные потери напряжения в сети напряжением 220кВ не превышают 3% от Uном в максимальном режиме, то Uном=220кВ завышено.

Окончательно принимается напряжение 35 кВ на участке 01 и 110 кВ на участках 032 и 045 разомкнутой сети, напряжение 110кВ на всех участках сети с замкнутым контуром.

 


5. Баланс активной и реактивной мощностей в электрической сети

5.1 Приближённый баланс активной мощности в сети


Разомкнутая сеть

Участок 01 (напряжение 35 кВ)

Приближённый баланс активной мощности в сети рассчитывается по выражению [2]:

=16 МВт.

0,95·16+0,08·16+0,1·16=18,08 МВт.

18,08 МВт.

Считается, что установленная мощность генераторов источника питания Pип достаточна для покрытия потребностей сети: 18,08 МВт.

Реактивная мощность, выдаваемая источником питания в сеть Qип, определяется по выражению:

0,77 0,83.

18,08·0,83 =15,01 МВар.

Участки 032 и 045 (напряжение 110 кВ)

=35+24+17+31=107 МВт.

0,95·107+0,08·107+0,1·107=120,91 МВт.

120,91 МВт.

120,91·0,83 =100,36 МВар.

Сеть с замкнутым контуром.

=16+35+24+17+31=123 МВт.

0,95·123+0,08·123+0,1·123=138,99 МВт.

138,99 МВт.

138,99·0,83 =115,36 МВар.

5.2 Приближённый баланс реактивной мощности в сети


Приближённый баланс реактивной мощности в сети рассчитывается по формулам, приведенным ниже. Результаты расчетов сведены в таблицу 5.1

Таблица 5.1 - Результаты расчетов мощности в сети

Участок

кол-во цепей n, шт.

lуч, км

Sмаксуч, МВА

ΔQуч, Мвар

Qi, Мвар

Uном, кВ

х0

ΔQлэп, Мвар

Qнагр, Мвар

ΔQтр, Мвар

Qрез, Мвар

QсΣ, Мвар

Qсети, Мвар

Разомкнутая сеть

01

2

16

9,64

0,971

10,75

35

0,4

0,971

10,752

1,928

1,075

0,000

14,188

03

2

15

35,05

1,218

21,69

110

0,4

1,718

80,714

13,471

8,071

1,718

98,220

23

2

11

20,59

0,308

16,13

110

0,4







04

2

16

32,31

1,104

18,84

110

0,4







45

2

12

19,62

0,305

24,06

110

0,4







Сеть с замкнутым контуром

01

1

16

39,54

0,827

10,75

110

0,4

3,849

91,466

15,398

9,147

3,849

111,437

12

1

17

20,27

0,231

21,69

110

0,4







23

1

11

20,91

0,159

16,13

110

0,4







03

1

15

49,81

1,230

18,84

110

0,4







04

2

16

32,19

1,096

24,06

110

0,4







45

2

12

19,62

0,305


110

0,4










6. Определение необходимости установки и выбор компенсирующих устройств в электрической сети

Разомкнутая сеть

Участок 01 (напряжение 35 кВ)

Определяется мощность компенсирующих устройств [1].

 14,188-15,01=-0,822 МВар.

Так как, то это свидетельствует о достаточной величине реактивной мощности в сети, и в этом случае нет необходимости устанавливать компенсирующие устройства.

Участки 032 и 045 (напряжение 110 кВ)

Определяется мощность компенсирующих устройств [1].

 98,22-100,36=-2,14 МВар.

Так как, то это свидетельствует о достаточной величине реактивной мощности в сети, и в этом случае нет необходимости устанавливать компенсирующие устройства.

Сеть с замкнутым контуром.

Определяется мощность компенсирующих устройств [1].

 111,437-115,36=-3,923 МВар.

Так как, то это свидетельствует о достаточной величине реактивной мощности в сети, и в этом случае нет необходимости устанавливать компенсирующие устройства.

Рассчитываются потоки мощности для участков сети в максимальном и послеаварийном режимах. Результаты сводятся в таблицу 6.3.

Таблица 6.3 - Расчет потокораспределения в электрической сети

Участок

lуч, км

Рмаксрi, МВт

Qмаксрi, Мвар

|Sмаксрi|, МВА

Рпаврi, МВт при выходе из строя уч-ка

Qпаврi, Мвар при выходе из строя уч-ка

|Sпаврi мах|, МВА






01

03

01

03


Разомкнутая сеть

01

16

8

5,38

9,64

16

10,75

19,28

03

15

29,5

18,91

35,05

59

37,82

70,09

23

11

17,5

10,85

20,59

35

21,69

41,18

04

16

24

21,45

32,31

39,5

33,48

51,93

45

12

15,5

12,03

19,62

31

24,06

39,24

Сеть с замкнутым контуром

01

16

33,19

21,50

39,54

0

75

0,00

48,57

89,37

12

17

17,19

10,74

20,27

16

59

10,75

37,82

70,09

23

11

17,81

10,95

20,91

51

24

32,44

16,13

03

15

41,81

27,08

49,81

75

0

48,57

0,00

89,35

04

16

24,00

21,45

32,19

39,5

39,5

33,48

33,48

51,93

45

12

15,50

12,03

19,62

31

31

33,48

24,06

39,24




7. Выбор трансформаторов на подстанциях

При питании потребителей 1 и 2 категории на подстанции устанавливаются 2 трансформатора, мощность которых выбирается по выражению:

,

где  - максимальная нагрузка подстанции с учетом мощности компенсирующих устройств, МВА;

 - коэффициент перегрузки.

При питании потребителей 3 категории на подстанции устанавливается 1 трансформатор, мощность которого выбирается по выражению:

Расчетные и каталожные данные по выбору трансформаторов приведены в таблице 7.1

Таблица 7.1 - Расчетные и каталожные данные по выбору трансформаторов

№ пст

Si МВА

Siном тр расч, МВА

Siном тр, МВА’

Кол-во тр-ров

Тип тр-ра

±n*E0, %

Uкз, %

∆Pкз, МВт

∆Pхх, МВт

Iхх, %

Rтрi, Ом

Xтрi, Ом

Uномнн, кВ

Разомкнутая сеть

1

19,28

13,77

16

2

ТДНС-16000/35

±8х1,5

10

0,085

0,018

0,55

0,45

8,4

10,5

2

41,18

29,41

40

2

ТРДН-40000/110

±9х1,78

10,5

0,172

0,036

0,65

1,4

34,7

10,5

3

28,92

20,65

25

2

ТРДН-25000/110

±9х1,78

10,5

0,12

0,027

0,7

2,54

55,9

10,5

4

25,37

18,12

25

2

ТРДН-25000/110

±9х1,78

10,5

0,12

0,027

0,7

2,54

55,9

10,5

5

39,24

28,03

40

2

ТРДН-40000/110

±9х1,78

10,5

0,172

0,036

0,65

1,4

34,7

10,5

Сеть с замкнутым контуром

1

19,28

13,77

16

2

ТДН-16000/110

±9х1,78

10,5

0,085

0,019

0,7

4,38

86,7

11

2

41,18

29,41

40

2

ТРДН-40000/110

±9х1,78

10,5

0,172

0,036

0,65

1,4

34,7

10,5

3

28,92

20,65

25

2

ТРДН-25000/110

±9х1,78

10,5

0,12

0,027

0,7

2,54

55,9

10,5

4

25,37

18,12

25

2

ТРДН-25000/110

±9х1,78

10,5

0,12

0,027

0,7

2,54

55,9

10,5

5

39,24

28,03

40

2

ТРДН-40000/110

±9х1,78

10,5

0,172

0,036

0,65

1,4

34,7

10,5



8. Выбор сечений проводов воздушных линий электропередачи

Для воздушных линий 35-220 кВ выбираются сталеалюминевые провода марки АС, а для прокладки линий используются железобетонные опоры [1,4].

Результаты выбора и проверки сечений проводов ВЛЭП сводятся в таблицы 8.1-8.2, при этом используются следующие формулы:

,

где  - ток, протекающий по участку сети, в нормальном режиме, А;

 - ток, протекающий по участку сети, в послеаварийном режиме, А.

Таблица 8.1 - Выбор сечений проводов воздушных ЛЭП

Уч-ок

кол-во цепей n, шт.

Sмаксрi, МВА

|Sмакср| МВА

Iмакср, А

Марка-сечение провода Fi, мм2

Iдоп, А

Разомкнутая сеть

01

2

8

+j

5,38

9,64

159,18

АС-70

265

03

2

29,5

+j

18,91

35,05

184,16

АС-70

265

23

2

17,5

+j

10,85

20,59

108,19

АС-70

265

04

2

24

+j

21,45

32,31

169,77

АС-70

265

45

2

15,5

+j

12,03

19,62

103,10

АС-70

265

Сеть с замкнутым контуром

01

1

33,19

+j

21,50

39,54

207,78

АС-120

390

12

1

17,19

+j

10,74

20,27

106,51

АС-120

390

23

1

17,81

+j

10,95

20,91

109,87

АС-120

390

03

1

41,81

+j

27,08

49,81

261,77

АС-120

390

04

2

24,00

+j

21,45

32,19

169,14

АС-120

390

45

2

15,50

+j

12,03

19,62

103,10

АС-120

390



Таблица 8.2 - Проверка сечений проводов воздушных ЛЭП

Участок

Iдоп, А

Sпавр, МВА при выходе из строя уч-ка

|Sпавр|, МВА при выходе из строя уч-ка

Iпавр, А при выходе из строя уч-ка

Iпаврмакс, А

Марка-сечение провода Fi, мм2



01

03

01

03

01

03



Разомкнутая сеть

01

450

16

+j

10,75

19,28

318,37

318,37

АС-150/24

03

450

59

+j

37,82

70,09

368,32

368,32

АС-150/24

23

390

35

+j

21,69

41,18

216,38

216,38

АС-120/19

04

39,5

+j

33,48

51,93

272,87

272,87

АС-150/24

45

390

31

+j

24,06

39,24

206,20

206,20

АС-120/19

Сеть с замкнутым контуром

01

605

0

+j

0,00

75

+j

48,57

0,00

89,37

0,00

469,62

469,62

АС-240/32

12

605

16

+j

10,75

59

+j

37,82

19,28

70,09

101,30

368,32

368,32

АС-240/32

23

605

51

+j

32,44

24

+j

16,13

60,44

28,92

317,63

151,95

317,63

АС-240/32

03

605

75

+j

48,57

0

+j

0,00

89,35

0,00

469,54

0,00

469,54

АС-240/32

04

450

39,5

+j

33,48

39,5

+j

33,48

51,93

51,93

272,87

272,87

272,87

АС-150/24

45

390

31

+j

24,06

31

+j

24,06

39,24

39,24

206,20

206,20

206,20

АС-120/19




9. Составление схемы замещения электрической сети и определение ее параметров


Схема замещения радиально-магистральной сети представлена на рисунке 9.1, сети, имеющей замкнутый контур - на рисунке 9.2.

Рисунок 9.1 - Схема замещения радиально-магистральной сети

Рисунок 9.2 - Схема замещения сети, имеющей замкнутый контур

Результаты расчета параметров схем замещения ВЛЭП и трансформаторов разомкнутой сети и сети, имеющей замкнутый контур, приведены в таблице 9.1-9.2.

Параметры схем замещения элементов электрической сети определяются следующим образом.

- для ВЛЭП:

где n - количество цепей на участке.

для трансформаторной подстанции:


где n - количество трансформаторов на подстанции.

Таблица 9.1 - Определение параметров схемы замещения воздушных ЛЭП

Участок сети

Кол-во цепей ЛЭП

Марка-сечение провода F, мм2

Uном, кВ

lуч, км

r0, Ом/км

x0, Ом/км

b0*10-6, См/км

Rуч, Ом

Xуч, Ом

Qучс=Qучс’’ Мвар

Разомкнутая сеть

01

2

АС-150/24

35

16

0,198

0,406

0

1,584

3,248

0,000

03

2

АС-150/24

110

15

0,198

0,42

2,7

1,485

3,150

0,033

23

2

АС-120/19

110

11

0,249

0,427

2,66

1,370

2,349

0,032

04

2

АС-150/24

110

16

0,198

0,42

2,7

1,584

3,360

0,033

45

2

АС-120/19

110

12

0,249

0,427

2,66

1,494

2,562

0,032

Сеть с замкнутым контуром

01

1

АС-240/32

110

16

0,12

0,405

2,81

1,920

6,480

0,017

12

1

АС-240/32

110

17

0,12

0,405

2,81

2,040

6,885

0,017

23

1

АС-240/32

110

11

0,12

0,405

2,81

1,320

4,455

0,017

03

1

АС-240/32

110

15

0,12

0,405

2,81

1,800

6,075

0,017

04

2

АС-150/24

110

16

0,198

0,42

2,7

1,584

3,360

0,033

45

2

АС-120/19

110

12

0,249

0,427

2,66

1,494

2,562

0,032



Таблица 9.2 - Определение параметров схем замещения трансформаторов подстанций

№ пст

Кол-во тр-ров, шт

Тип тр-ра

Sномтр, МВА

∆Pхх, МВт

Iхх, %

∆Sст, МВА

Zтр=Rтр+jХтр, ОМ

Разомкнутая сеть

1

2

ТДНС-16000/35

16

0,018

0,55

0,036+j0,762

0,225+j4,2

2

2

ТРДН-40000/110

40

0,036

0,65

0,072+j0,52

0,7+j17,35

3

2

ТРДН-25000/110

25

0,027

0,7

0,054+j0,35

1,27+j27,95

4

2

ТРДН-25000/110

25

0,027

0,7

0,054+j0,35

1,27+j27,95

5

2

ТРДН-40000/110

40

0,036

0,65

0,072+j0,52

0,7+j17,35

Сеть с замкнутым контуром

1

2

ТДН-16000/110

16

0,019

0,7

0,038+j0,224

2,19+j43,35

2

2

ТРДН-40000/110

40

0,036

0,65

0,072+j0,52

0,7+j17,35

3

2

ТРДН-25000/110

25

0,027

0,7

0,054+j0,35

1,27+j27,95

4

2

ТРДН-25000/110

25

0,027

0,7

0,054+j0,35

1,27+j27,95

5

2

ТРДН-40000/110

40

0,036

0,65

0,072+j0,52

0,7+j17,35



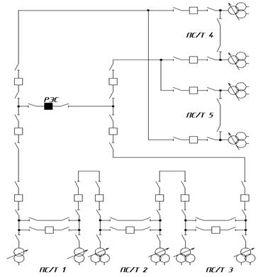
10. Разработка схемы соединений

Схема электрических соединений разомкнутой сети приведена на рисунке 10.1, а для сети с замкнутым контуром на рисунке 10.2.

Рисунок 10.1 - Схема электрических соединений разомкнутой сети

Рисунок 10.2 - Схема электрических соединений сети с замкнутым контуром

11. Технико-экономическое обоснование окончательного варианта исполнения электрической сети

11.1 Определение капиталовложений на сооружение электрической сети


Расчеты по определению капиталовложений на сооружение воздушных ЛЭП и подстанций электрической сети приведены в таблице 11.1 - 11.2.

Таблица 11.1 - Капиталовложения на сооружение воздушных ЛЭП

Участок

lуч, км

Марка-сечение провода F, мм2

С0ЛЭП, тыс. руб./км

КЛЭП0ЛЭП×lуч, тыс. руб.

КЛЭПΣ, тыс. руб.

Разомкнутая сеть (вариант I)

01

16

Ж/б двухцепные

АС-150/24

17,8

284,8

284,8

03

15

Ж/б двухцепные

АС-150/24

22,2

333

1157,4

23

11

Ж/б двухцепные

АС-120/19

20,4

224,4


04

16

Ж/б двухцепные

АС-150/24

22,2

355,2


45

12

Ж/б двухцепные

АС-120/19

20,4

244,8


Сеть с замкнутым контуром (вариант II)

01

16

Ж/б одноцепные

АС-240/32

25

400

2075

12

17

Ж/б одноцепные

АС-240/32

25

425


23

11

Ж/б одноцепные

АС-240/32

25

275


03

15

Ж/б одноцепные

АС-240/32

25

375


04

16

Ж/б двухцепные

АС-150/24

22,2

355,2


45

12

Ж/б двухцепные

АС-120/19

20,4

244,8



Таблица 11.2 - Капиталовложения на сооружение подстанций

Элементы сети


Стоимость

Кп/стΣ, тыс. руб.



РЭС

п/ст 1

п/ст 2

п/ст 3

п/ст 4

п/ст 5


Разомкнутая сеть (вариант I)

РУ на РЭС


3х9+5х35

-

-

-

-


2531,4

ОРУ на подстанции

-

-

-

-

-



типовая схема

-

2х5,4+4х2,4

2х36+4х11,5

2х36+4х11,5

2х36+4х11,5



дополнительные выключатели

-

-




-



-


-



трансформаторы

-

2х61,2




2х109


2х84

2х84

2х109


БК


0х30

0х30

0х30

0х30

0х30

0х30


постоянная часть затрат


105

210

210

210

210


Итого

202

247,8

544,8

496

496

544,8


Сеть с замкнутым контуром (вариант II)

РУ на РЭС


5х35

-

-

-

-


2710,6

ОРУ на подстанции

-

-

-

-

-



типовая схема

-

2х36+4х11,5

2х36+4х11,5

2х36+4х11,5

2х36+4х11,5



дополнительные выключатели

-

-




-



-

-



трансформаторы

-

2х63




2х109


2х84

2х84

2х109


БК


0х30

0х30

0х30

0х30

0х30


постоянная часть затрат


210

210

210

210

210


Итого

175

454

544,8

496

496

544,8



К исполнению принимаем элегазовый выключатель.


11.2 Определение ежегодных издержек на эксплуатацию электрической сети

 

Определяются технико-экономические показатели по следующим формулам:

;

aалэп=2,4%, aап/ст=6,4%, aорлэп=0,4%, aорп/ст=3,0%.

;.; T΄=t/amax=t/kм2

Результаты расчетов сведены в таблицу 11.3.

Определяются потери электроэнергии в трансформаторах, зависящие и независящие от нагрузки. Данные сводятся в таблицу 11.4.

Определяются потери электроэнергии в воздушных ЛЭП, зависящие и независящие от нагрузки. Данные сводятся в таблицу 11.5.

Определяются потери электроэнергии в батареях конденсаторов, зависящие и независящие от нагрузки. Данные сводятся в таблицу 11.6.

Таблица 11.3 - Технико-экономические показатели

Показатели

Разомкнутая сеть

Сеть с замкнутым контуром


110 кВ

35 кВ

110 кВ

Капиталовложения Ксети, тыс. руб.

4096,8

671,52

5742,72

Отчисления на амортизацию Иа, тыс. руб.

206,64

29,31

267,93

Отчисления на обслуживание и ремонт Иор, тыс. руб.

86,79

11,26

107,54

Число часов использования максимума нагрузки Тм, ч

6000

4357,11

4570,82

Время максимальных потерь τ, ч

4591,78

2744,30

2957,87

Годовое число часов использования максимума нагрузки Т’м, ч

5087,85

3040,77

3277,41

Годовое число часов использования максимума нагрузки Т’’м, ч

8760

8760

8760

Стоимость 1 МВт×ч потерь электроэнергии З’э, тыс. руб./(МВт×ч)

1,26×10-2

1,5×10-2

1,35×10-2

Стоимость 1 МВт×ч потерь электроэнергии З’’э, тыс. руб./(МВт×ч)

1,2×10-2

1,2×10-2

1,2×10-2



Таблица 11.4 - Потери электроэнергии в трансформаторах

№ П/ст

Кол-во тр-ров n, шт

, МВ·АSномтрi, МВАDPкз, МВтt, чDWтрi΄, МВт×чDWтрΣ΄, МВт×чDPхх, МВтT, чDWтрi΄΄, МВт×чDWтрΣ΄΄, МВт×ч










Разомкнутая сеть

1

2

19,28

16

0,085

3040,77

198,63

1806,23

0,019

8760

367,92

2575,44

2

2

41,18

40

0,172

5087,85

463,67


0,036

8760

630,72


3

2

28,92

25

0,12

5087,85

408,39


0,027

8760

473,04


4

2

25,37

25

0,12

5087,85

314,45


0,027

8760

473,04


5

2

39,24

40

0,172

5087,85

421,10


0,036

8760

630,72


Сеть с замкнутым контуром

1

2

19,28

16

0,085

3277,41

202,19

1237,76

0,019

8760

332,88

2540,4

2

2

41,18

40

0,172

3277,41

298,68


0,036

8760

630,72


3

2

28,92

25

0,12

3277,41

263,07


0,027

8760

473,04


4

2

25,37

25

0,12

3277,41

202,56


0,027

8760

473,04


5

2

39,24

40

0,172

3277,41

271,26


0,036

630,72



;

Таблица 11.5 - Потери электроэнергии в воздушных ЛЭП

Участок сети

Кол-во цепей ЛЭП

|Sмакср| МВА

Uном, кВ

Rлэпi, Ом

τ, час

ΔWлэпi΄, МВт×ч

ΔWлэпΣ΄, МВт×ч

ΔWлэпi΄΄, МВт×ч

ΔWлэпΣ΄΄, МВт×ч

Разомкнутая сеть

01

2

9,64

35

1,584

3040,77

1461,12

9253,19

0

0

03

2

35,05

110

1,485

5087,85

3067,71


0


23

2

20,59

110

1,370

5087,85

976,36


0


04

2

32,31

110

1,584

5087,85

2780,69


0


45

2

19,62

110

1,494

5087,85

967,32


0


Сеть с замкнутым контуром

01

1

39,54

110

1,920

3277,41

813,05

4807,22

0

0

12

1

20,27

110

2,040

3277,41

226,99


0


23

1

20,91

110

1,320

3277,41

156,31


0


03

1

49,81

110

1,800

3277,41

1209,84


0


04

2

32,19

110

1,584

3277,41

1777,93


0


45

2

19,62

110

1,494

3277,41

623,11


0




Таблица 11.6 - Потери электроэнергии в батареях конденсаторов

Номер п/ст

ΔWбкi,МВт ч

ΔWбк∑,МВт ч

Qбкi, Мвар

Тбк, ч

ΔWбкi,» МВт ч

ΔWбк∑,» МВт ч

Разомкнутая сеть

1

0

0

0,00

7000

0,00

0,00

2

0


0,00


0,00


3

0


0,00


0,00


4

0


0,00


0,00


Сеть с замкнутым контуром

1

0

0

0,00

7000

0,00

0,00

2

0


0,00


0,00


3

0


0,00


0,00


4

0


0,00


0,00




11.3 Определение окончательного варианта исполнения электрической сети


Окончательный вариант исполнения сети выбирается исходя из следущих показателей:

;

; ;

Данные технико-экономического расчёта методом приведённых затрат сводятся в таблицу 11.7.

Таблица 11.7 - Основные технико-экономические показатели для предварительно выбранных вариантов исполнения электрической сети

Показатели

Вариант исполнения электрической сети


Разомкнутая сеть

Сеть с замкнутым контуром


110 кВ

110 кВ

Капиталовложения, Ксети, тыс. руб.

4768,32

5742,72

Потери электроэнергии ΔW΄, МВт×ч

11059,43

6044,98

Потери электроэнергии ΔW΄΄, МВт×ч

2575,44

2540,40

Затраты на возмещение потерь электроэнергии, Зпот, тыс. руб.

192,81

112,09

Ежегодные эксплуатационные издержки Исети, тыс. руб.

526,81

487,57

Приведенные затраты Зпр, тыс. руб.

1099,01

1176,69

Относительная разность приведенных затрат рассматриваемых вариантов Зпр, %

-6,60%


Поскольку относительная разность приведенных затрат указывает в пользу схемы разомкнутой сети то, именно ее мы и принимаем к исполнению.

12. Уточненный расчет компенсирующих устройств в электрической сети


При минимальном режиме из-за снижения нагрузки можно отключить один из двух трансформаторов на двухтрансформаторных подстанциях, если выполняется следующее условие:.

 

.1 Определение нескомпенсированной реактивной нагрузки


Расчет потерь в стали и в меди для трансформаторов представлен в таблице12.1.

Таблица 12.1 - Расчет потерь в стали и в меди для трансформаторов

№ п/ст

Максимальный и послеаварийный режим

Минимальный режим


Кол-во тр-ров

ΔРст трi, МВт

ΔQст трi, Мвар

ΔРмакср мтрi, МВт

ΔРпавр мтрi, МВт

ΔQмакср мтрi, Мвар

ΔQпавр мтрi, Мвар

Кол-во тр-ров

ΔРст трi, МВт

ΔQст трi, Мвар

ΔРминр мтрi, МВт

ΔQминр мтрi, Мвар

1

2

0,042

0,192

0,065

0,065

0,929

0,929

1

0,021

0,096

0,047

0,669

2

2

0,072

0,52

0,091

0,091

2,225

2,225

1

0,036

0,26

0,066

1,602

3

2

0,054

0,35

0,080

0,080

1,756

1,756

1

0,027

0,175

0,058

1,264

4

2

0,054

0,35

0,062

0,015

1,352

0,338

1

0,027

0,175

0,044

0,973

5

2

0,072

0,52

0,083

0,083

2,021

2,021

1

0,036

0,26

0,060

1,455



Определение расчетных нагрузок без учета компенсирующих устройств производится по следующей формуле:


Результаты расчетов приведены в таблице 12.2

Таблица 12.2 - Расчет расчетных нагрузок

№ пст

Рнагрi, МВт

Qнагрi, Мвар

ΔPтрi, МВт

ΔQтрi, Мвар

QсΣ, Мвар

Sрi, МВА

Максимальный режим

1

16

10,75

0,107

1,121

0,000

16,107

+j

11,873

2

35

21,69

0,163

2,745

0,032

35,163

+j

24,404

3

24

16,13

0,134

2,106

0,065

24,134

+j

18,169

4

17

18,84

0,116

1,702

0,065

17,116

+j

20,473

5

31

24,06

0,155

2,541

0,032

31,155

+j

26,567

Минимальный режим

1

9,60

6,45

0,068

0,765

0,000

9,668

+j

7,216

2

21,00

13,01

0,102

1,862

0,032

21,102

+j

3

14,40

9,68

0,085

1,439

0,065

14,485

+j

11,051

4

10,20

11,30

0,071

1,148

0,065

10,271

+j

12,385

5

18,60

14,44

0,096

1,715

0,032

18,696

+j

16,118

Послеаварийный режим

1

16

10,75

0,107

1,121

0

16,107

+j

11,873

2

35

21,69

0,163

2,745

0,016

35,163

+j

24,420

3

24

16,13

0,134

2,106

0,032

24,134

+j

18,202

4

8,5

9,42

0,069

0,688

0,032

8,569

+j

10,074

5

31

24,06

0,155

2,541

0,016

31,155

+j

26,584


Определяются перетоки мощности без учета компенсирующих устройств. Для максимального и минимального режимов:



В послеаварийном режиме:


Результаты расчетов сводятся в таблицу 12.3.

Таблица 12.3 - Расчет перетоков мощности

Уч-ок

Sучi, МВА


Максимальный режим

Минимальный режим

Послеаварийный режим

01

8,054

+j

5,937

4,834

+j

3,608

16,107

+j

11,873

03

29,649

+j

21,287

17,793

+j

12,948

59,297

+j

42,622

23

17,582

+j

12,202

10,551

+j

7,422

35,163

+j

24,420

04

24,135

+j

23,520

14,484

+j

14,252

39,724

+j

36,657

45

15,577

+j

13,284

9,348

+j

8,059

31,155

+j

26,584


В таблице 12.4 приведены результаты расчета нескомпенсированной реактивной нагрузки для максимального, минимального и послеаварийного режимов.

Таблица12.4 - Результаты расчета нескомпенсированной реактивной нагрузки

№ пс

Режим работы


максимальный

минимальный

послеаварийный


Qнагрi, Мвар

ΔQтрi, Мвар

Qнеск п/стi Мвар

Qнеск п/стΣ Мвар

Qнагрi, Мвар

ΔQтрi, Мвар

Qнеск п/стi Мвар

Qнеск п/стΣ Мвар

Qнагрi, Мвар

ΔQтрi, Мвар

Qнеск п/стi Мвар

Qнеск п/стΣ Мвар

1

10,75

1,121

11,873

101,681

6,451

0,765

7,216

61,809

10,75

1,121

11,873

91,249

2

21,69

2,745

24,436


13,015

1,862

14,877


21,69

2,745

24,436


3

16,13

2,106

18,234


9,677

1,439

11,116


16,13

2,106

18,234


4

18,84

1,702

20,538


11,302

1,148

12,450


9,42

0,688

10,106


5

24,06

2,541

26,600


14,435

1,715

16,150


24,06

2,541

26,600


 

.2 Определение суммарной реактивной мощности компенсирующих устройств на основании точного расчета мощностей


В таблицах 12.5, 12.6 приведены результаты расчета точного баланса активной и реактивной мощности.


Таблица 12.5 - Результаты расчета точного баланса активной мощности

Уч-ок

Uном, кВ

|Sучi|, МВА

ΔPуч, МВт

Pнагрi, МВт

Rуч, Ом

ΔPтрi, МВт

ΔPтрΣ, МВт

ΔPлэпΣ, МВт

PнагрΣ, МВт

Pсети, МВт

Максимальный режим

01

35

10,005

0,518

16

1,584

0,107

0,675

2,181

123

132,01

03

110

36,499

0,654

35

1,485

0,163





23

110

21,401

0,207

24

1,3695

0,134





04

110

33,700

0,595

17

1,584

0,116





45

110

20,472

0,207

31

1,494

0,155





Минимальный режим

01

35

6,032

0,188

9,6

1,584

0,068

0,422

0,793

73,8

78,70

03

110

22,006

0,238

21,0

1,485

0,102





23

110

12,900

0,075

14,4

1,370

0,085





04

110

20,320

0,216

10,2

1,584

0,071





45

110

12,342

0,075

18,6

1,494

0,096





Послеаварийный режим

01

35

20,010

1,036

16,0

3,168

0,107

0,629

3,939

114,5

124,79

03

110

73,026

1,309

35,0

2,970

0,163





23

110

42,811

0,415

24,0

2,739

0,134





04

110

54,053

0,765

8,5

3,168

0,069





45

110

40,955

0,414

31,0

2,988

0,155






Таблица 12.6 - Результаты расчета точного баланса реактивной мощности

Уч-ок

Uном, кВ

|Sучi|, МВА

ΔQуч Мвар

Qнагрi Мвар

Xуч, Ом

ΔQтрΣ Мвар

QcΣ, Мвар

ΔQлэпΣ Мвар

QнагрΣ Мвар

Qсети Мвар

Qку, Мвар

Максимальный режим

01

35

10,005

1,062

10,75

3,248

1,121

10,215

0,259

4,421

91,47

110,416

0,851

03

110

36,499

1,387

21,69

3,15

2,745







23

110

21,401

0,356

16,13

2,3485

2,106







04

110

33,700

1,261

18,84

3,36

1,702







45

110

20,472

0,355

24,06

2,562

2,541







Минимальный режим

01

35

6,032

0,386

6,451

3,248

0,765

6,930

0,259

1,607

54,88

65,901

0,576

03

110

22,006

0,504

13,015

3,15

1,862







23

110

12,900

0,129

9,677

2,3485

1,439







04

110

20,320

0,459

11,302

3,36

1,148







45

110

12,342

0,129

14,435

2,562

1,715







Послеаварийный режим

01

35

20,010

2,123

10,75

6,496

1,121

9,201

0,130

7,944

82,05

103,166

-0,412

03

110

73,026

2,777

21,69

6,3

2,745







23

110

42,811

0,711

16,13

4,697

2,106







04

110

54,053

1,623

9,42

6,72

0,688







45

110

40,955

0,710

24,06

5,124

2,541








12.3 Расчет суммарных мощностей компенсирующих устройств

Суммарная мощность компенсирующих устройств распределяется по подстанциям пропорционально их нескомпенсированным нагрузкам. В таблице 12.7 приведен расчет суммарных мощностей компенсирующих устройств.

Таблица 12.7 - Расчет суммарных мощностей КУ

№ пс

Максимальный режим

Минимальный режим

Послеаварийный режим


Qнеск пстi Мвар

Qнеск пстΣ Мвар

Qку Мвар

Qкуi Мвар

Qнеск пстi Мвар

Qнеск пстΣ Мвар

Qку Мвар

Qкуi Мвар

Qнеск пстi Мвар

Qнеск пстΣ Мвар

Qку Мвар

Qкуi Мвар

1

11,873

101,681

0,851

0,099

7,216

61,809

0,576

0,067

11,873

91,249

0,000

0

2

24,436



0,205

14,877



0,139

24,436



0

3

18,234



0,153

11,116



0,104

18,234



0

4

20,538



0,172

12,450



0,116

10,106



0

5

26,600



0,223

16,150



0,151

26,600



0



Необходимости в установке компенсирующих устройств нет.

12.4 Корректировка нагрузки

Результаты корректировки нагрузки сводятся в таблицу 12.9.


Таблица 12.9 - Расчет уточненных мощностей нагрузок на подстанциях

№ пст

Si, МВА


Максимальный режим

Минимальный режим

Послеаварийный режим

1

16,107

+j

11,873

9,668

+j

7,216

16,107

+j

11,873

2

35,163

+j

24,404

21,102

+j

14,845

35,163

+j

24,420

3

24,134

+j

18,169

14,485

+j

11,051

24,134

+j

18,202

4

17,116

+j

20,473

10,271

+j

12,385

8,569

+j

10,074

5

31,155

+j

26,567

18,696

+j

16,118

31,155

+j

26,584




13. Точный электрический расчет установившихся режимов работы электрической сети


Расчет потерь в стали и в меди для трансформаторов представлен в таблице 13.1.

Таблица 13.1 - Расчет потерь в стали и в меди для трансформаторов

№ п/ст

Максимальный и послеаварийный режим

Минимальный режим


Кол-во тр-ров

ΔРст трi, МВт

ΔQст трi, Мвар

ΔРмакср мтрi, МВт

ΔРпавр мтрi, МВт

ΔQмакср мтрi, Мвар

ΔQпавр мтрi, Мвар

Кол-во тр-ров

ΔРст трi, МВт

ΔQст трi, Мвар

ΔРминр мтрi, МВт

ΔQминр мтрi, Мвар

1

2

0,042

0,192

0,070

0,070

1,001

1,001

1

0,021

0,096

0,051

0,728

2

2

0,072

0,52

0,098

0,099

2,404

2,406

1

0,036

0,26

0,072

1,747

3

2

0,054

0,35

0,088

0,088

1,916

1,919

1

0,027

0,175

0,064

1,394

4

2

0,054

0,35

0,068

0,017

1,495

0,367

1

0,027

0,175

0,050

1,087

5

2

0,072

0,52

0,090

0,090

2,200

2,202

1

0,036

0,26

0,066

1,599

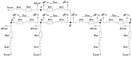
Схема замещения сети для заданного режима работы приведена на рисунке 13.1.

Рисунок 13.1 - Схема замещения разомкнутой сети

Определение расчетных нагрузок производится по следующей формуле: . Результаты расчетов приведены в таблице 13.2

Таблица 13.2 - Расчет расчетных нагрузок

№ пст

Рнагрi, МВт

Qнагрi, Мвар

ΔPтрi, МВт

ΔQтрi, Мвар

QсΣ, Мвар

Sрi, МВА

Максимальный режим

1

16,107

11,873

0,112

0

16,219

+j

13,066

2

35,163

24,404

0,170

2,924

0,032

35,333

+j

27,296

3

24,134

18,169

0,142

2,266

0,065

24,276

+j

20,371

4

17,116

20,473

0,122

1,845

0,065

17,238

+j

22,254

5

31,155

26,567

0,162

2,720

0,032

31,317

+j

29,255

Минимальный режим

1

9,668

7,216

0,072

0,824

0

9,740

+j

8,040

2

21,102

14,845

0,108

2,007

0,032

21,210

+j

16,820

3

14,485

11,051

0,091

1,569

0,065

14,576

+j

12,555

4

10,271

12,385

0,077

1,262

0,065

10,348

+j

13,582

5

18,696

16,118

0,102

1,859

0,032

18,798

+j

17,945

Послеаварийный режим

1

16,107

11,873

0,112

1,193

0

16,219

+j

13,066

2

35,163

24,42

0,171

2,926

0,016

35,334

+j

27,329

3

24,134

18,202

0,142

2,269

0,032

24,276

+j

20,438

4

8,569

10,074

0,071

0,717

0,032

8,640

+j

10,759

5

31,155

26,584

0,162

2,722

0,016

31,317

+j

29,289


Производится приближенный расчет потокораспределения. Результаты расчетов сводятся в таблицу 13.3.

Для максимального и минимального режимов:


В послеаварийном режиме:


Таблица 13.3 - Расчет перетоков мощности

Уч-ок

Sучi, МВА


Максимальный режим

Минимальный режим

Послеаварийный режим

01

8,110

+j

6,533

4,870

+j

4,020

16,219

+j

13,066

03

29,805

+j

23,833

17,893

+j

14,688

59,609

+j

47,768

23

17,667

+j

13,648

10,605

+j

8,410

35,334

+j

27,329

04

24,278

+j

25,754

14,573

+j

15,764

39,957

+j

40,048

45

15,659

+j

14,628

9,399

+j

8,973

31,317

+j

29,289


Учитывая расчетные нагрузки и потокораспределение, схема замещения примет вид, изображенный на рисунке 13.3.

Определение мощности в начале и конце участков:


Рисунок 13.3 - Упрощенная схема замещения сети

Результаты расчетов сведены в таблицу 13.4

Таблица 13.4 - Определение мощности в начале и конце участков сети

Участок

S’уч, МВА

S’’уч, МВА

Uном, кВ

Qсуч, Мвар

Rуч, Ом

Хуч, Ом

Максимальный режим

01

16,780

+j

14,216

16,219

+j

13,066

35

0

1,584

3,248

03

60,557

+j

49,522

59,835

+j

48,054

110

0,065

1,485

3,15

23

35,559

+j

27,683

35,333

+j

27,296

110

0

1,3695

2,3485

04

49,446

+j

53,241

48,782

+j

51,898

110

0,065

1,584

3,36

45

31,544

+j

29,644

31,317

+j

29,255

110

0

1,494

2,562

Минимальный режим

01

9,946

+j

8,463

9,740

+j

8,040

35

0

1,584

3,248

03

36,133

+j

30,015

35,868

+j

29,518

110

0,065

1,485

3,15

23

21,292

+j

16,962

21,210

+j

16,820

110

0

1,3695

2,3485

04

29,472

+j

32,122

29,229

+j

31,671

110

0,065

1,584

3,36

45

18,881

+j

18,088

18,798

+j

17,945

110

0

1,494

2,562

Послеаварийный режим

01

17,341

+j

15,366

16,219

+j

13,066

35

0

3,168

6,496

03

61,525

+j

51,615

60,061

+j

48,542

110

0,032

2,97

6,3

23

35,785

+j

28,104

35,334

+j

27,329

110

2,739

4,697

04

41,275

+j

42,627

40,411

+j

40,827

110

0,032

3,168

6,72

45

31,771

+j

30,068

31,317

+j

29,289

110

0

2,988

5,124


Определение напряжения в узлах сети. Результаты расчетов сведены в таблицу 13.5.

Таблица 13.5 - Определение напряжения в узлах сети

№ узла

Напряжение в узле Ui, кВ


Максимальный режим

Минимальный режим

Послеаварийный режим

0

38,5/121

36,75/115,5

38,5/121

1

36,610

35,573

34,480

2

118,968

114,217

116,802

3

118,012

113,613

114,833

4

118,874

114,161

117,552

5

117,839

113,508

115,434



14. Выбор устройств регулирования напряжения в электрической сети


Расчеты по выбору устройств регулирования напряжения в электрической сети сведены в таблицу 14.1. Расчет ведется согласно следующим формулам:


Таблица 14.1 - Выбор устройств регулирования напряжения в сети

№ пс

Pi, МВт

Qi, Мвар

Rтрi, Ом

Xтрi, Ом

Ui, кВ

ΔUтрi, кВ

Uжел нн пстi, кВ

Uтр ном нн, кВ

Uтр ном вн, кВ

n

Uтр отв ст вн, кВ

Uтр отв ст нн, кВ

для максимального режима работы сети

1

16,21

13,30

0,45

8,40

36,59

3,25

11,025

10,5

36,75

-8

32,34

10,82

2

35,33

27,30

1,40

34,70

118,97

8,38

11,025

10,5

115

-5

104,77

11,08

3

24,28

20,37

2,54

55,90

118,01

10,17

11,025

10,5

115

-6

102,72

11,02

4

17,24

22,25

2,54

55,90

118,87

10,83

11,025

10,5

115

-6

102,72

11,04

5

31,32

29,26

1,40

34,70

117,84

8,99

11,025

10,5

115

-6

102,72

11,13

для минимального режима работы сети

1

9,73

8,21

0,90

16,80

35,56

4,13

10,50

10,5

36,75

-8

32,34

10,20

2

21,21

16,82

2,80

69,40

114,22

10,74

10,50

10,5

115

-6

102,72

10,58

3

14,58

12,56

5,08

111,80

113,61

13,01

10,50

10,5

115

-7

100,67

10,49

4

10,35

13,58

5,08

111,80

114,16

13,76

10,50

10,5

115

-7

100,67

10,47

5

18,80

17,95

2,80

69,40

113,51

11,44

10,50

10,5

115

-6

102,72

10,43

для послеаварийного режима работы сети

1

16,21

13,30

0,45

8,40

34,44

3,46

11,025

10,5

36,75

-8

32,34

10,06

2

35,33

27,33

1,40

34,70

116,80

8,54

11,025

10,5

115

-6

102,72

11,07

3

24,28

20,44

2,54

55,90

114,83

10,49

11,025

10,5

115

-8

98,62

11,11

4

8,64

10,76

2,54

55,90

117,55

5,30

11,025

10,5

115

-4

106,81

11,03

5

31,32

29,29

1,40

34,70

115,43

9,18

11,025

10,5

115

-7

100,67

11,08

;

Так как все условия выполняются, то выбор ответвлений трансформаторов на подстанциях произведен правильно.

 


Список использованных источников

1. Ершевич, В.В. Справочник по проектированию электроэнергетических систем [Текст] / В.В. Ершевич, А.Н. Зейлигер, Г.А. Илларионов [и др.]; под ред. С.С. Рокотяна и И.М. Шапиро. - 3-е изд., перераб. и доп. - М.: Энергоатомиздат, 1985. - 352 с.

2.      Гутов, И.А. Проектирование районной электрической сети [Текст]. В 3 ч. Ч. 1 и Ч. 2. Выбор варианта исполнения электрической сети и электрооборудования: метод. указания к курсовому проекту по дисциплине «Электрические сети» для студентов специальности 140211 «Электроснабжение» / И.А. Гутов. - Барнаул: Изд-во АлтГТУ, 2010. - 71 с.

.        Гутов, И.А. Проектирование районной электрической сети [Текст]. В 3 ч. Ч 3. Расчеты установившихся режимов работы электрических сетей: методические указания к курсовому проекту по дисциплине «Электрические сети» для студентов специальности 140211 «Электроснабжение» / И.А. Гутов. - Барнаул: Изд-во АлтГТУ, 2010. - 44 с.

.        Гутов, И.А. Электрические сети [Текст]: задания к курсовому проектированию для студентов специальности 140211 «Электроснабжение (по отраслям)». - Барнаул.: Изд-во АлтГТУ, 2010. - 11 с.: ил.