) Номинальный (длительный) ток:
) Отключающая (коммутационная) способность:
где τ=tрз+tс,в=0,01+0,055=0,065 с (tрз - минимальное действие релейной защиты [1, стр.338]; tс,в - собственное время отключения выключателя [1, П4.4])
Та = 0,03 с - значение
постоянной времени затухания апериодической составляющей тока КЗ [1, табл. 3.8]
где
- это допустимое относительное
содержание апериодической составляющей тока в токе отключения[1, табл. П.4.4]
,02 кА < 8,9 кА
4) Электродинамическая стойкость:
) Термическая стойкость:
Где
Таким образом, из проверок следует, что данный выключатель подходит.
СН: По [1, П4.4] выбираем ВВУ - 35 - 40, и проверяем по следующим условиям:
) Номинальное напряжение (уровень изоляции):
) Номинальный (длительный) ток:
3) Отключающая
(коммутационная) способность:
где τ=tрз+tс,в=0,01+0,05=0,06 с (tрз - минимальное действие релейной защиты[1, стр.338]; tс,в - собственное время отключения выключателя [1, П4.4])
Та = 0,02 с - значение
постоянной времени затухания апериодической составляющей тока КЗ [1, табл. 3.8]
где
- это допустимое относительное
содержание апериодической составляющей тока в токе отключения[1, стр.296]
,6 кА < 14,1 кА
4) Электродинамическая стойкость:
5) Термическая стойкость:
где
Таким образом, из проверок следует, что данный выключатель подходит.
НН: По [2, стр. 230] выбираем МГГ - 10 - 5000 - 45У3, и проверяем по следующим условиям:
) Номинальное напряжение (уровень изоляции):
) Номинальный (длительный) ток:
) Отключающая (коммутационная)
способность:
где τ=tрз+tс,в=0,01+0,12=0,13 с (tрз - минимальное действие релейной защиты[1, стр.338]; tс,в - собственное время отключения выключателя [1, П4.4])
Та = 0,1 с - значение
постоянной времени затухания апериодической составляющей тока КЗ [1, табл. 3.8]
где
- это допустимое относительное
содержание апериодической составляющей тока в токе отключения[1, стр.296]
,8 кА < 63,6 кА
4) Электродинамическая стойкость:
) Термическая стойкость:

Таким образом, из проверок следует, что данный выключатель подходит.
Разъединители (QS):
ВН: По [1, табл. 5.5] выбираем РНД - 330 /3200, и проверяем по следующим условиям:
) Номинальное напряжение (уровень изоляции):
) Номинальный (длительный) ток:
) Электродинамическая стойкость:
) Термическая стойкость:
Следовательно, данный разъединитель подходит.
СН: По [1, табл. 5.5] выбираем РНД - 35 /2000 У1, и проверяем по следующим условиям:
) Номинальное напряжение (уровень изоляции):
) Номинальный (длительный) ток:
) Электродинамическая стойкость:
) Термическая стойкость:
Следовательно, данный разъединитель
подходит.
. ВЫБОР ТРАНСФОРМАТОРОВ ТОКА
Трансформатор тока предназначен для уменьшения первичного тока до значений, наиболее удобных для измерительных приборов и реле, а также для отделения цепей измерения и защиты от первичных цепей высокого напряжения.
НН: По [2, табл. П4.5] выбираем ТЛК10 - У3
мощность трансформатор
токопровод кабель
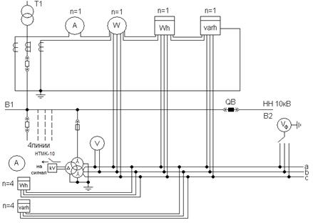
Рисунок 8 - Схема включения измерительных
приборов
Таблица 4
Выбор трансформатора тока на стороне НН
|
Расчетные данные |
Каталожные данные |
|
|
ТЛК10- У3 |
|
Uуст =10 кВ |
Uном =10 кВ |
|
а) Iраб.max = 1364 А б) I2ном = 5 А |
Iном = 1500 А I2ном = 5 А |
|
По
термической стойкости |
|
|
По электродинамической стойкости а) iу = 24,6 кА |
___ |
|
По
вторичной нагрузке |
|
Таблица 5
Вторичная нагрузка трансформатора тока на стороне НН
|
Прибор |
Тип |
Нагрузка, ВА, фазы |
||
|
|
|
А |
В |
С |
|
Ваттметр |
Д-335 |
0,5 |
- |
0,5 |
|
Счетчик активной энергии |
САЗ-И670 |
2,5 |
- |
2,5 |
|
Счетчик реактивной энергии |
СР4-И676 |
1,5 |
- |
1,5 |
|
Амперметр |
Э-335 |
0,5 |
- |
- |
|
Варметр |
Д-303 |
0,5 |
- |
0,5 |
|
ИТОГО |
5,5 |
|
5,0 |
|
Общее сопротивление приборов определяется по
выражению:
Сопротивление контактов rк = 0,1Ом при общем числе приборов более трех;
r2ном = 0,8Ом.
Допустимое сопротивление проводов:
;
Сечение соединительных проводов:
мм2;
ρ = 0,0283Ом
мм2/м
- удельное сопротивление материала проводника (алюминия),
м - расчетная длина соединительных
проводов при включении трансформаторов тока и приборов в неполную звезду.
м - длина соединительных проводов от
трансформатора тока до приборов (в один конец), стр. 375 [1].
По условию прочности принимаем контрольный кабель АКРГВ с сечением жил 4 мм2.
СН: По [2, табл. П4.5] выбираем ТФЗМ35 - У1
) Номинальное напряжение (уровень изоляции):
) Номинальный (длительный) ток:
ВН: По [2, табл. П4.5] выбираем ТФУМ330 - У1
) Номинальное напряжение (уровень изоляции):
) Номинальный (длительный) ток:
. ВЫБОР ТРАНСФОРМАТОРА НАПРЯЖЕНИЯ
Трансформатор напряжения
предназначен для понижения высокого напряжения до стандартного значения 100 или
100/
В и для
отделения цепей измерения и релейной защиты от первичных цепей высокого
напряжения. НН: По [1, табл. 5.13] выбираем ЗНОЛ 09-10.02, и проверяем по
следующим условиям:
) Номинальное напряжение (уровень изоляции):
) Нагрузка вторичных цепей:
,
Таблица 8
Вторичная нагрузка трансформатора напряжения на стороне НН
|
Прибор |
Тип |
S одной обмотки ВА |
Число обмоток |
cosφ |
sinφ |
Число приборов |
Общая потребл. мощность |
||
|
|
|
|
|
|
|
|
P, Вт |
Q, ВА |
|
|
Вольтметр (сборные шины) |
Э-335 |
2 |
1 |
1 |
0 |
1 |
2 |
- |
|
|
Ваттметр Варметр Счетчик активной энергии Счетчик реактивной энергии |
Ввод 10кВ от трансф. . |
Д-335 Д-304 И-674 И-673 |
1,5 1,5 3 Вт 3 Вт |
2 2 2 2 |
1 0 0,38 0,38 |
0 1 0,925 0,925 |
1 1 1 1 |
3 0 6 6 |
- 0,5 14,5 14,5 |
|
Счетчик активной энергии Счетчик реактивной энергии |
Кабельные Линии 10 кВ |
И-674 И-673 |
3 Вт 3 Вт |
2 2 |
0,38 0,38 |
0,925 0,925 |
5 5 |
30 30 |
87 87 |
|
ИТОГО |
|
|
|
|
|
|
|
80 |
203 |
Вторичная нагрузка трансформатора напряжения (на
одну секцию, всего их 6):
трансформатора напряжения,
соединенных в неполную звезду, имеют мощность
ВА, что больше
. Таким
образом, трансформаторы напряжения будут работать в выбранном классе точности
1.
Выбор трансформатора напряжения на второй секции производится аналогично. Для соединения трансформаторов напряжения с приборами принимаем контрольный кабель АКРВГ с сечением жил 2,5мм2 по условию механической прочности.
СН: По [1, табл. 5.13] выбираем ЗНОМ - 35 - 65У1
ВН: По [1, табл. 5.13] выбираем НКФ
- 330 - 73У1
. ВЫБОР СБОРНЫХ ШИН, ТОКОПРОВОДОВ И
КАБЕЛЕЙ
В цепи силового трансформатора со стороны 330 кВ.
Токоведущие части выполняем гибкими
проводами. Сечение выбираем по экономической плотности тока jэк = 1 А/мм2
, [2, табл. 4.5]
мм2;
По табл. П.3.3 [3] принимаем 1 провод в фазе АС-150/19, Iдоп = 450 А, наружный диаметр провода 16,8 мм. Расстояние между фазами D = 600 см.
Проверка шин на схлестывание не
производится, т.к.
Проверяем провод по допустимому току:
, следовательно, провод проходит по
допустимому току.
Гибкие провода, расположенные на открытом воздухе, на термическую стойкость не проверяют, так как считается, что имеется достаточный теплоотвод. Проверка по короне:
Начальная критическая напряженность:
где: m = 0,82 - коэффициент, учитывающий шероховатость поверхности провода;
r0 - радиус провода, см.
Напряженность вокруг провода:
кВ/см,
где:
U - линейное напряжение,В;
- средне-геометрическое расстояние
между проводами фаз,
n=3 - число проводов в фазе,
- эквивалентный радиус провода
расщепленных проводов
Условие проверки:
Условие выполнено.
В цепи силового трансформатора со стороны 10 кВ.
В качестве токоведущих частей используем жесткие шины.
Iнорм = 1364 А; Imax = 2728 А.
По [2, табл. П.3.5] принимаем шины алюминиевые коробчатого сечения. Сечение одной шины 775 мм2.
По условию нагрева в продолжительном режиме шины проходят:
Проверка на термическую стойкость
при КЗ: