3. Расчет нежесткой дорожной одежды на прочность
.1 Расчет по допустимому упругому
прогибу
Конструкция дорожной одежды в целом
удовлетворяет требованиям прочности и надежности по величине упругого прогиба
при условии:
³
kпр
где Еоб - общий расчетный модуль упругости конструкции, МПа;
Етiп - минимальный требуемый общий модуль упругости конструкции, МПа;
=1,38 - требуемый коэффициент
прочности дорожной одежды по критерию упругого прогиба, принимаемый в
зависимости от требуемого уровня надежности (см. п. 3.6 и табл. 3.1) [2].
)

=
;
=
= 1,08
по номограмме рис. 3.1. [2] находим
= 0,65;
= 65 МПа.
)
=
;
=
= 0,70
по номограмме рис. 3.1. [2] находим
= 0,344;
= 154,8 МПа.
)
=
;
=
= 0,54
по номограмме рис. 3.1. [2] находим
= 0,44;
= 264 МПа.
)
=
;
=
= 0,22
по номограмме рис. 3.1. [2] находим
= 0,249;
= 348,6 МПа.
)
=
;
=
= 0,16
по номограмме рис. 3.1. [2] находим
= 0,178;
= 427,2 МПа.
=
= 1,43 ³ kпр=1,38
следовательно, условие прочности
выполняется.
3.2 Расчет на прочность по
сдвигоустойчивости
Недопустимые деформации сдвига в
конструкции не будут накапливаться, если в грунте земляного полотна и в
малосвязных (песчаных) слоях обеспечено условие:
³ kпр
где Кр - требуемое минимальное значение коэффициента прочности, определяемое с учетом заданного уровня надежности (см. табл. 3.1) [2];
Тдоп - расчетное активное напряжение сдвига (часть сдвигающего напряжения, непогашенная внутренним трением) в расчетной (наиболее опасной) точке конструкции от действующей временной нагрузки (п. 3.34) [2];
Трасч - предельная величина активного напряжения сдвига (в той же точке), превышение которой вызывает нарушение прочности на сдвиг (п. 3.35) [2].
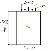
Модуль упругости верхнего слоя
модели вычисляют как средневзвешенный по формуле:
,
где п - число слоев дорожной одежды;
Ei - модуль упругости i-го слоя;
hi - толщина i-го слоя.
Заменяем двухслойной системой:
Еобщ =
=
350,8 МПа.
=
=
10,96;
=
=
2,70; φ
= 2,5;
по номограмме рис. 3.3[2] определяем
= 0,013.
Трасч = 0,013*0,6 = 0,008 Мпа.
Предельное активное напряжение
сдвига Тпр в грунте рабочего слоя (или в песчаном материале
промежуточного слоя) определяют по формуле:
Tдоп = сNkд + 0,1gсрzопtgjСТ, (3.14)
где сN =0,002- сцепление в грунте земляного полотна (или в промежуточном песчаном слое), Мпа, принимаемое с учетом повторности нагрузки (Приложение 2, табл. П.2.6 или табл. П.2.8);
kд - коэффициент, учитывающий особенности работы конструкции на границе песчаного слоя с нижним слоем несущего основания. При устройстве нижнего слоя из укрепленных материалов, а также при укладке на границе “основание - песчаный слой” разделяющей геотекстильной прослойки, следует принимать значения kд равным:
4,5 - при использовании в песчаном слое крупного песка;
4,0 - при использовании в песчаном слое песка средней крупности;
3,0 - при использовании в песчаном слое мелкого песка;
1,0 - во всех остальных случаях.
Zоп = 100 см- глубина расположения поверхности слоя, проверяемого на сдвигоустойчивость, от верха конструкции, см;
gср = 0,003- средневзвешенный удельный вес конструктивных слоев, расположенных выше проверяемого слоя, кг/см3;
jСТ =13 - расчетная величина угла
внутреннего трения материала проверяемого слоя при статическом действии
нагрузки.
Tдоп = 0,002*1,0+0,1*0,003*100*tg(13) = 0,009 Мпа.
=
= 1,13 ³ kпр = 1,10
Следовательно, условие прочности
выполняется.
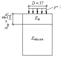
3.3 Расчет на прочность по сдвигоустойчивости основания из мелкого песка
³ kпр
= 65 Мпа.
Еобщ =
= 518 Мпа.
=
= 7,97;
=
=1,62; φ= 25;
по номограмме рис. 3.3[2] определяем
= 0,016.
Трасч = 0,016*0,6 = 0,009
Мпа
Tдоп = сNkд + 0,1gсрzопtgjСТ
Tдоп = 0,002*3,0+0,1*0,003*60*tg(11) = 0,01 Мпа.
=
= 1,11 ³ kпр = 1,10
Следовательно, условие прочности
выполняется.
3.4 Расчет прочности на растяжение
при изгибе
В монолитных слоях дорожной одежды
(из асфальтобетона, дегтебетона, материалов и грунтов, укрепленных комплексными
и неорганическими вяжущими и др.), возникающие при прогибе одежды напряжения
под действием повторных кратковременных нагрузок, не должны в течение заданного
срока службы приводить к образованию трещин от усталостного разрушения. Для
этого должно быть обеспечено условие:
³ kпр
RN - прочность материала слоя на растяжение при изгибе с учетом усталостных явлений;
sr -
наибольшее растягивающее напряжение в рассматриваемом слое, устанавливаемое
расчетом.
кв - коэффициент, учитывающий особенности напряженного состояния покрытия конструкции под спаренным баллоном. Принимают равным 0,85 (при расчете на однобаллонное колесо кв = 1,00);
р - расчетное давление, принимаемое
по табл. П.1.1 Приложения 1[2].
RN = Rok1k2(1 - vR×t);
Ro = 7,8- нормативное значение предельного сопротивления растяжению (прочность) при изгибе при расчетной низкой весенней температуре при однократном приложении нагрузки, принимаемое по табличным данным (Приложение 3, табл. П.3.1) [2];
k1 - коэффициент, учитывающий снижение прочности вследствие усталостных явлений при многократном приложении нагрузки;
k2 = 0,80- коэффициент, учитывающий снижение прочности во времени от воздействия погодно-климатических факторов (табл. 3.6) [2];
vR = 0,1- коэффициент вариации прочности на растяжение (Приложение 4) [2];
t = 2,19-
коэффициент нормативного отклонения (Приложение 4) [2].
где SNp - расчетное суммарное число приложений расчетной нагрузки за срок службы монолитного покрытия, определяемое по формуле (3.6) или (3.7) с учетом числа расчетных суток за срок службы (см. Приложение 6) [2];
m - показатель степени, зависящий от свойств материала рассчитываемого монолитного слоя (Приложение 3, табл. П.3.1) [2];
a - коэффициент, учитывающий различие в реальном и лабораторном режимах растяжения повторной нагрузкой, а также вероятность совпадения во времени расчетной (низкой) температуры покрытия и расчетного состояния грунта рабочего слоя по влажности, определяемый по табл. П.3.1[2].
K1 = 0,17
заменяем двухслойной
системой:

Еобщ.осн. =264 Мпа ( пункт 3.1)
Еср =
= 2800 Мпа.
=
10,60;
=
= 0,38;
По номограмме рис. 3.4[2] определяем
= 1,5;
σ = 1,5*0,6*0,85 = 0,76.
RN =
7,8*0,17*0,80*(1-0,1*2,19) = 0,83.
=
= 1,10 ³ kпр = 1,10
Следовательно, условие прочности
выполняется.
3.5 Расчет дренирующего слоя
Дренажная конструкция (дренирующий слой и водоотводящие устройства) необходима при традиционных конструкциях дорожных одежд со слоями из зернистых материалов. На участках с земляным полотном и слабофильтрующих грунтов пылеватых песков, непылеватых песков с коэффициентом фильтрации менее 0,5 м/сут, глинистых грунтов III зоне - при 2-й и 3-й схемах, в IV и V зонах - только при 3-й схеме (табл. 5.1) [2].
Целью расчета дренажной конструкции является определение требуемой толщины дренирующего слоя из дискретных материалов.
Полную толщину дренирующего слоя
определяют по формуле:
hп = hнас + hзап,
где hнас - толщина слоя, полностью насыщенного водой, м;
hзап - дополнительная толщина слоя, зависящая от капиллярных свойств материала и равная для песков крупных 0,10-0,12 м, средней крупности 0,14-0,15 м и мелких 0,18-0,20 м. Во всех случаях полную толщину дренирующего слоя следует принимать не менее 0,20 м.
Для дренирующего слоя, работающего
по принципу осушения величину hнас
устанавливают с помощью номограмм рис. 5.1 и 5.2 в зависимости от длины пути
фильтрации L и расчетной
величины притока воды в дренирующий слой на 1 м2 qp, определяемой
по формуле:
qp = qКпКгКвогКр
: 1000, [м3/м2],
где q = 3,5 - осредненное (табличное) значение притока воды в дренирующий слой при традиционной конструкции дорожной одежды, отнесенное к 1 м2 проезжей части, м3/м2 (табл. 5.3) [2];
Кп = 1,6- коэффициент “пик”, учитывающий неустановившийся режим поступления воды из-за неравномерного оттаивания и выпадения атмосферных осадков (табл. 5.4) [2];
Кг = 1,2- коэффициент гидрологического запаса, учитывающий снижение фильтрационной способности дренирующего слоя в процессе эксплуатации дороги (табл. 5.4) [2];
Квог = 1,0 - коэффициент, учитывающий накопление воды в местах изменения продольного уклона, определяемый при одинаковом направлении участков профиля у перелома по номограмме рис. 5.3[2];
Кр = 1,0 - коэффициент, учитывающий снижение притока воды при принятии специальных мер по регулированию водно-теплового режима (табл. 5.5) [2].
Qp= 3,5*1,6*1,2*1,0*1,0/1000 = 0,007 [м3/м2],
hп = 0,05+0,20 = 0,25 м.
следовательно, принятая толщина дополнительного слоя основания удовлетворят требованиям на дренажные свойства.
.1 Выбор конструктивных слоев и
материалов
Цель конструирования жесткой дорожной одежды - выбрать материалы, определить количество слоев и их размещение по глубине.
К жестким дорожным одеждам относят цементобетонные и железобетонные покрытия и основания, которые хорошо сопротивляются растягивающим напряжениям, возникающим при их прогибах под нагрузкой от автомобилей. Прочностные и деформативные свойства таких одежд практически не зависят от действия температуры.
При конструировании необходимо предусматривать обеспеченность района строительными материалами и максимально использовать их.
Для максимального использования местных строительных материалов, в качестве дополнительного слоя основания (который будет служить в качестве дренирующего и морозозащитного слоя) используем доменный шлак «Новолипецкого металлургического комбината». В соответствии с исходными и расчетными данными (интенсивностью движения, ДКЗ, категории дороги), используя методические указания по проектированию жестких дорожных одежд, назначаем предварительную толщину покрытия hп = 22 см. таблица 1[6].