Материал: Проектирование цехового электроснабжения

Внимание! Если размещение файла нарушает Ваши авторские права, то обязательно сообщите нам

Проектирование цехового электроснабжения

ВВЕДЕНИЕ

Расчет токов короткого замыкания (КЗ) производят для выбора и проверки параметров электрооборудования, а также для выбора и проверки уставок релейной защиты и автоматики.

КЗ, возникающие в трехфазной сети, могут быть симметричные и несимметричные. К симметричным относятся трехфазные КЗ, когда все фазы электрической сети оказываются в одинаковых условиях. К несимметричным двухфазные, однофазные и двухфазные на землю КЗ, когда фазы сети находятся в разных условиях, поэтому векторные диаграммы токов и напряжений искажены. Обычно вид короткого замыкания указывают в скобках над символом, обозначающим какой-либо параметр КЗ (например, I(2)п,0, I(1)п,0, I(1,1)п,0 - соответственно обозначения начальных значений периодических составляющих токов при двухфазном, однофазном и двухфазном КЗ на землю).

1. РАСЧЕТ ТОКОВ КОРОТКОГО ЗАМЫКАНИЯ

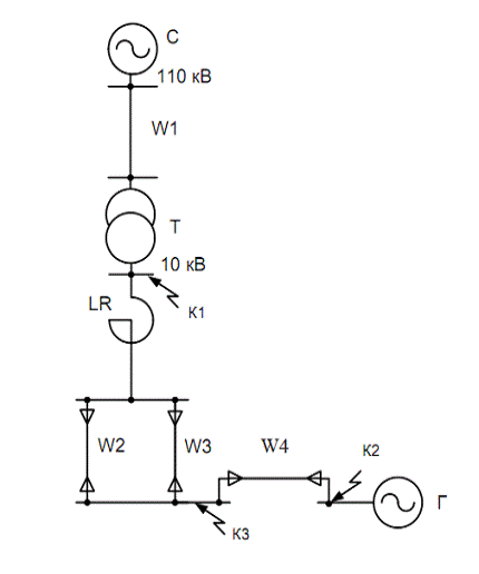
1.1 Исходные данные и задание

Рисунок 1.1 - Расчетная схема

Исходные данные (вариант 3):

Воздушная линия: F = 95 мм2, l = 90 км.

Трансформатор: Sном = 6,3 МВА, uк = 10,5%, ΔPк = 44 кВт.

Реактор: Iном. = 0,5 кА, Хр. = 4%.

Кабельная линия: W2,W3 F = 95 мм2, l = 2 км.

W4 F = 70 мм2, l = 0.7 км.

Генератор: Sн. = 6 МВА, X"d, = 0,16 о.е. соsφ = 0,83.

Точки короткого замыкания: К1, К3.

Система - источник неограниченной мощности.

Определить:

Периодическую составляющую тока КЗ в начальный момент времени;

Ударный ток КЗ;

Периодическую составляющую тока КЗ в момент времени t = 0,3 с.

1.2 Расчет токов короткого замыкания

Расчет выполняется в именованных единицах.

Базовые условия:

За базовое напряжение удобно принимать соответствующее среднее напряжение той ступени, где находится точка К1. Uб = 10,5 кВ.

Схема замещения (рисунок 1.2):




Рисунок 1.2 - Схема замещения

Найдем сопротивления всех элементов схемы.

Сопротивление ЛЭП W1.

                                                                            (1.1)

Где x0 - индуктивное сопротивление линии на 1 км длины, Ом/км;

Uср - среднее напряжение в месте установки данного элемента, кВ.

 Ом.

Сопротивление трансформатора.

,                                                                        (1.2)

Где uк - напряжение КЗ трансформатора.

 Ом.

Сопротивление реактора.

                                                                       (1.3)

 Ом.

Линии W1 и W2 одинаковы, соответственно их сопротивления тоже.

,                                                                   (1.4)

 Ом.

Сопротивление линии W4.

,                                                                         (1.5)

 Ом.

Сопротивление генератора.

                                                                             (1.6)

 Ом.

Найдем ЭДС системы.

,                                                                                     (1.7)

 кВ.

Найдем ЭДС генератора.

 ,                                                              (1.7)

 кВ.

Вычислив результирующие сопротивления элементов схемы и сделаем их преобразование (рисунок 1.3).



Рисунок 1.3 - Преобразованная схема замещения

Сопротивления x1, x2 и x3, х6, х7 соединены последовательно,х4 и х5 параллельно.

Найдем результирующие сопротивления до и после точки К1 путем их сложения.

                                                                              (1.8)

 Ом,

Сопротивления линий х 4 и х 5 соединены параллельно, находим их результирующее сопротивление по формуле:

  ,                                                                          (1.9)

 Ом.

Складываем результирующее сопротивление х9 и x3, х6, х7 , как последовательно соединенные:

                                                                 (1.10)

 Ом.

Объединим источники питания и найдем эквивалентное ЭДС источников Е1 и Е2:

,                                                              (1.11)

 кВ.

Объединим и сопротивления х8 и х10 , соединенные параллельно, находим их результирующее сопротивление:

,                                                                         (1.12)

 Ом.

Нарисуем схему с определенным результирующим сопротивлением от источника питания до точки К1 (рисунок 1.4)




Рисунок 1.4 - Конечная схема замещения для точки К1

Найдём периодическую составляющую тока короткого замыкания:

                                                                          (1.13)

 кА.

Найдем ударный ток:

                                                                     (1.14)

Где kуд - ударный коэффициент.

кА.

Находим периодическую составляющую тока трехфазного КЗ в момент времени t = 0,3с .

Номинальный ток генератора:

,                                                                        (1.15)

кА.

,                                                                       (1.16)

кА.

.

По кривой Iп, t, г / Iп, 0, г = f(t), соответствующей найденному значению отношения Iп,0,г / I′ном, для t = 0,3 с найдем отношение токов Iп,t,г / Iп,0,г = 0,64.

Получим:

                                                                    (1.17)

кА.

1.3 Расчет токов короткого замыкания для точки К3

Расчет выполняется в именованных единицах.

Базовые условия:

За базовое напряжение удобно принимать соответствующее среднее напряжение той ступени, где находится точка КЗ. Uб = 10,5 кВ.

Нарисуем схема замещения для точки К3 (рисунок 1.5):





Рисунок 1.5 - Схема замещения элементов сопротивлениями

Сопротивление элементов, ЭДС генератора и системы не меняются. Они уже рассчитаны в предыдущем расчете для точки короткого замыкания К1. Возьмем их для расчета тока короткого замыкания в точке К3.

Значения элементов: х1 = 0.326 Ом, х2 = 1.838 Ом, х3 = 0.462 Ом, х4= 0.166 Ом, х5 =0.166 Ом, х6= 0.06 Ом, Е1 = 11.34 кВ, Е2 = 11.44 кВ.

Вычисляем результирующие значения элементов схемы и преобразуем её, (рисунок 1.6).



Рисунок 1.6 - Преобразованная схема замещения для точки К3.

Сопротивления x1, x2 , x3 и, х 6, х 7 соединены последовательно, х4 и х5 параллельно. Найдем результирующие сопротивления до и после точки К3 путем их сложения.

 Ом.

,                                                                (1.18)

 Ом.

,                                                                            (1.19)

 Ом.

Находим эквивалентное ЭДС источников Е1 и Е2.

,                                                              (1.20)

кВ.

Найдем результирующее сопротивление сложив сопротивления х11 и х12 соединенные параллельно:

 Ом.

Нарисуем схему с определенным результирующим сопротивлением от источника питания до точки К3(рисунок 1.7)



Рисунок 1.7 - Преобразованная схема замещения для точки К3

Периодическая составляющая тока короткого замыкания:

,                                                                        (1.21)

 кА.

Находим ударный ток:

 кА.

Периодическая составляющая тока трехфазного КЗ в момент времени t = 0,3с .

Номинальный ток генератора:


,                                                                        (1.22)

 кА.

.

По кривой Iп, t, г / Iп, 0, г = f(t), соответствующей найденному значению отношения Iп,0,г / I′ном, для t = 0,3 с найдем отношение токов Iп,t,г / Iп,0,г = 0,59.

Тогда:

,                                                                   (1.23)

 кА.

трансформатор релейный ток короткий

2. ПРОЕКТИРОВАНИЕ ЦЕХОВОГО ЭЛЕКТРОСНАБЖЕНИЯ

2.1 Исходные данные и задание

Технологическое оборудование находится в шести отделениях (механическом, слесарно-сборочном, электроремонтном, гальваническом, кузнечном, термическом). В цехах находятся так же вспомогательные помещения (инструментальная, склад, бытовые помещения).

Основным технологическим оборудованием в механическом, слесарном и электроремонтном отделениях являются металлорежущие станки, которые работают в длительном, кратковременном и повторно - кратковременном режимах.

По требованиям к бесперебойности электроснабжения согласно ПУЭ потребители во всех отделениях относятся ко 2-й и 3-й категориям надежности. Потребители электрической энергии во всех отделениях питаются от трехфазной сети с частотой 50 Гц.

Под электрооборудование отводится площадь в зависимости от мощности.

Задание:

) Характеристика потребителей электроэнергии;

) Расчет силовой и осветительной нагрузок цеха;

) Выбор числа и мощности силовых трансформаторов КТП.

2.2 Характеристика потребителей электроэнергии

По категории надежности часть приёмников цеха являются потребителями II категории - 75%, а все остальные - потребители III категории. Питание электроприемников обеспечивается от двух независимых, взаимно резервирующих, источников питания.

Все потребители электрической энергии являются потребителями трехфазного напряжения 380В переменного тока с частотой 50Гц.

Потребители имеют разные режимы работы.

Вся осветительная нагрузка цеха однофазная.

Таблица 2.1

№ п/п

Наименование оборудования

n, шт

Uном В

Pном, кВт

Ки

cosφ

Режим работы

1. Механическое отделение Н=6м

1.

Токарные станки

3

380

16,2

0,16

0,6

КР



2

380

12,5

0,16

0,6

КР



4

380

5,5

0,16

0,6

КР



3

380

4,8

0,16

0,6

КР

2.

Строгальные станки

2

380

12,0

0,16

0,6

КР



4

380

4,2

0,16

0,6

КР



1

380

3,1

0,16

0,6

КР

3.

Фрезерные станки

2

380

12,5

0,16

0,6

КР



3

380

7,1

0,16

0,6

КР



3

380

4,5

0,16

0,6

КР



3

380

1,5

0,16

0,6

КР

4.

Карусельные станки

1

380

35,5

0,16

0,6

КР



2

380

28,5

0,16

0,6

КР

5.

Сверлильные станки

1

380

7,5

0,16

0,6

КР



1

380

2,9

0,16

0,6

КР



3

380

0,8

0,16

0,6

КР

№ по рисунку

Наименование потребителя

n, шт

Uном, В

Pном, кВт

Ки

cosφ

Режим работы

6.

Шлифовальные станки

4

380

21,5

0,16

0,6

КР



3

380

13,6

0,16

0,6

КР

2. Слесарно-сборочное отделение Н=12 м

1.

Обрезные станки

2

380

2,5

0,14

0,5

КР

2.

Ножницы

3

380

7,0

0,14

0,5

КР

3.

Пресс

1

380

17,0

0,25

0,65

ДР

4.

Обдирочно-шлифовальные станки

2

380

3,5

0,16

0,6

КР

5.

Трубоотрезные станки

2

380

3,1

0,14

0,5

КР

6.

Трубогибочные станки

1

380

7,0

0,14

0,5

КР

7.

Преобразователь сварочный

3

380

28,0

0,3

0,6

КР

8.

Трансформатор сварочный

2

380

35,0

0,3

0,6

КР

9.

1

380

29,0

0,06

0,5

ПКР

10.

Машины электросварочные

1

380

25,0

0,3

0,6

КР

3. Электроремонтное отделение Н=6 м

1.

Строгальные станки

1

380

5,6

0,16

0,6

КР

2.

Точильные станки

3

380

4,5

0,16

0,6

КР

3.

Сушильные шкафы

2

380

4,0

0,5

0,95

ДР

4.

Токарные станки

3

380

15,1

0,16

0,6

КР

5.

Обдирочные станки

3

380

4,5

0,16

0,6

КР

6.

Машины электросварочные

2

380

20,5

0,3

0,6

КР

4. Гальваническое отделение Н=6м

1.

Выпрямители

2

380

22,0

0,5

0,8

ДР

2.

Сушильные шкафы

3

380

10,0

0,5

0,95

ДР



1

380

6,0

0,5

0,95

ДР

3.

Полировочные станки

3

380

3,2

0,3

0,6

КР

5. Кузнечное отделение Н=12 м

1.

Молоты

3

380

15,0

0,2

0,65

КР

2.

Горны

2

380

1,0

0,5

0,95

ДР

3.

Печи сопротивления

4

380

45,8

0,5

0,95

ДР

4.

Тельферы ПВ=25%

1

380

15,0

0,06

0,5

ПКР

№ по рисунку

Наименование потребителя

n, шт

Uном, В

Pном, кВт

Ки

cosφ

Режим работы

6. Термическое отделение Н=6м

1.

Печи сопротивления

2

380

35,0

0,5

0,95

ДР



3

380

24,0

0,5

0,95

ДР



3

380

22,0

0,5

0,95

ДР



1

380

19,0

0,5

0,95

ДР



1

380

15,0

0,5

0,95

ДР



2

380

2,2

0,5

0,95

ДР



3

380

1,1

0,5

0,95

ДР

2.

Вентиляторы

3

380

5,0

0,7

0,7

ДР

7. Инструментальная. Площадь 30 м2 (5х6), Руд=6 кВт/м2

8. Склад. Площадь 100м2 (10х10), Руд=0,4 кВт/м2

9. Бытовые помещения. Площадь 100 м2 (10х10), Руд=0,3 кВт/м2