|
Период года
|
Наименование помещений
|
Температура воздуха, º С
|
Относительная влажность, %
|
Скорость движения воздуха, м/с
|
|
|
Оптимальная
|
Допустимая
|
Оптимальная
|
Допустимая, не более
|
Оптимальная, не более
|
Допустимая, не более
|
|
Жилая комната
|
20-22
|
18-24 (20-24)
|
45-30
|
60
|
0,15
|
0,2
|
|
Кухня
|
19-21
|
18-26
|
НН*)
|
НН
|
0,15
|
0,2
|
|
Холодный
|
Туалет
|
19-21
|
18-26
|
НН
|
НН
|
0,15
|
0,2
|
|
Ванная, совмещенный санузел
|
24-26
|
18-26
|
НН
|
НН
|
0,15
|
0,2
|
|
Межквартирных коридор
|
18-20
|
16-22
|
45-30
|
60
|
0,15
|
0,2
|
|
Вестибюль, лестничная клетка
|
16-18
|
14-20
|
НН
|
НН
|
0,2
|
0,3
|
|
Кладовая
|
16-18
|
12-22
|
НН
|
НН
|
НН
|
НН
|
|
Теплый
|
Жилая комната
|
22-25
|
20-28
|
60-30
|
65
|
0,2
|
0,3
|
Для обеспечения оптимального
микроклимата и благоприятных условий жизнедеятельности людей здание
оборудуется: водопроводом, канализацией, горячим водоснабжением, центральным
отоплением, вентиляцией, электроосвещением, газоснабжением.
Продолжительность
непрерывной в течение дня инсоляции квартир в расчетное время года (с 22 марта
по 22 сентября) в соответствии с СНБ 3.01.04 - 02 должна составлять не менее
2,5 ч и обеспечиваться в однокомнатных и трехкомнатных квартирах - не менее чем
одной жилой комнатой, что обеспечивается соответствующей ориентацией по
сторонам света.
Естественное освещение должны иметь
жилые комнаты, кухни, входные тамбуры, лестничные клетки. Лестничные клетки
должны быть освещены через окна в наружных стёклах каждого этажа. Проветривание
помещений должно осуществляться через фрамуги или форточки, на лестничной
клетке должно быть обеспечено через открывающиеся стеклённые проёмы площадью
открывания на каждом этаже не менее 1,2 м2.
При проектировании
жилых зданий следует руководствоваться требованиями действующих
нормативно-технических документов по защите жилых помещений от внешних и
внутренних источников шума, от вибраций инженерного оборудования, от
недопустимых уровней воздействия электромагнитных полей.
При проектировании
элементов конструкций и узлов их соединений, а также функциональных отверстий
(вентиляционные каналы, продухи, слуховые окна и т.п.), следует учитывать
требования по защите жилища от проникновения животных, птиц и насекомых.
.2 Генплан
Проектом предусмотрена реконструкция
5-ти этажного общежития коридорного типа, расположенного в городе Гомеле, под
жилой дом.
Участок строительства расположен в
центральной части города в дворовой территории ул. Советская. Рядом с домом
находится стоянка для автомобилей и озеленительная зона.
По периметру здания предусмотрен
самотечный дренаж со сбросом воды в городскую ливневую канализацию. В квартале
расположены ЦТП, ТП.
Площадь, которую занимает общежитие,
составляет 0.29 га, включая озеленительные зоны, зоны игровых площадок и
стоянок для автомобилей.
Реконструируемое здание занимает
площадь1134 м2 и имеет ориентацию главного фасада на северо-запад, что
обеспечивает оптимальную продолжительность инсоляции помещений здания.
Комплекс генерального плана включает
в себя игровые площадки для детей, которая обеспечена необходимыми элементами
для детских игр, площадки для отдыха и занятия спортом, а также площадки для
сушки белья и выбивания ковров. В непосредственной близости от проектируемого
дома находится здание магазина с помещениями для бытового обслуживания
населения.
Технико-экономические показатели по
генеральному плану:
Площадь земельного участка 0,29 га.
Площадь застройки 1135 м2.
Площадь мощений 1301 м2.
Площадь озеленения 1200 м2.
Коэффициент застройки 0.3
.3 Объемно-планировочное и
архитектурное решение реконструируемого здания
Здание общежития по ул. Советская в
г. Гомеле пятиэтажное, прямоугольное в плане с размерами в условных осях «1-6»,
«А-В» 78,8´12,0 м. Высота
этажа -2,84 м.
Здание имеет три входа. Главный
вход, расположен в середине здания со стороны фасада. Через главный вход можно
попасть только на первый этаж здания. Два вспомогательных входа расположены со
стороны дворового фасада и соединены с лестничными клетками. Общежитие имеет
планировку коридорного типа. Коридор шириной - 1,7 м проходит по всей длине
здания. По обе стороны коридора расположены жилые комнаты. В торцах здания
расположены душевые и санузлы.
Реконструкция предусматривает
перепланировку общежития в жилой дом. В результате перепланировки жилой дом
будет иметь пять секций. В двух секциях используются существующие лестничные
клетки, а в секциях расположенных в середине здания и по торцам пристраиваются
новые лестничные клетки. В торцевых секциях здания производится надстройка
одного этажа.
В двух торцевых секциях будут
располагаться трехкомнатные квартиры в двух уровнях, в трех средних секциях
одно- и трехкомнатные квартиры. Жилой дом будет иметь следующий набор квартир:
однокомнатных - 20;
трехкомнатных - 32;
Общее количество квартир - 52.
Квартиры запроектированы в
соответствии с требованиями действующих СНиП и СНБ.
Площадь кухни во всех квартирах
увеличена, что делает ее одновременно и столовой. Однокомнатные квартиры имеют
совмещенные санузлы, а трехкомнатные квартиры имеют раздельные санузлы.
Квартиры в двух уровнях имеют дополнительные санузлы на втором уровне. В каждой
квартире предусмотрены лоджии.
Характеристики здания:
Степень долговечности - II.
Степень огнестойкости - II.
Класс здания - II.
Ориентация - меридиональная.
В доме также запроектированы
вспомогательные помещения, в которых могут располагаться: электрощитовая,
тепловой узел, помещения уборочного инвентаря.
Технико-экономические показатели:
До реконструкции После реконструкции
Площадь застройки 1039 м 2 1135 м
2Общая площадь 4050 м 2 4343 м 2
Жилая площадь 2285 м 2 2128 м2
Строительный объем 15088 м 2 16900 м 2 К1= Fж/Fо 0,56 0,5
К2=V/Fж 6,6 м3/м2 5.6 м3/м2
.4 Характер и объём реконструкции
В реконструкцию жилого здания входит
надстройка одного этажа в торцевых секциях здания, пристройка трех лестничных
клеток, изменение объёмно-планировочного решения всего здания. Существующая
совмещенная крыша с рулонной кровлей заменяется на чердачную крышу с кровлей из
металлочерепицы. Производится усиление фундаментов, усиление перекрытия. Так же
будет произведена теплореновация наружных стен существующего здания.
.5 Конструктивные решения здания
Здание общежития двухпролетное, с
номинальными пролетами по 6,0 м. Несущими конструкциями здания являются
продольные кирпичные стены.
Фундаменты
Фундаменты под стены здания
выполнены ленточными из сборных бетонных блоков для стен подвалов. Глубина
заложения фундамента 1,50 м от уровня планировки, ширина подошвы 1,2 м.
Стены.
Наружные стены здания выполнены из
полнотелого керамического кирпича и облицованы полнотелым силикатным кирпичом.
Толщина наружных стен - 510 мм. Внутренняя продольная стена и внутренние
поперечные стены выполнены из полнотелого керамического кирпича. Толщина
внутренних стен - 380 мм. Наружные стены с внутренней стороны и внутренние
стены оштукатурены известково-песчаным раствором.
Кроме того, наружные кирпичные стены
толщиной 510 см не удовлетворяют сегодняшним теплотехническим требованиям.
Плиты перекрытия и покрытия.
Плиты перекрытия и покрытия сборные
железобетонные с круглыми пустотами. Плиты уложены поперек здания и опираются
на продольные наружные и внутреннюю стены. Номинальный размер плит 0,8´6,0 м, 1,0´6,0 м и
1,2´6,0м.
Лестничные марши и площадки.
Лестничные марши - сборные
железобетонные.
Лестничные площадки - сборные
железобетонные.
Лоджии.
Плиты лоджий - сборные
железобетонные по серии 152 и индивидуальные из бетона C20/25, F 200, W 6, плотностью 2400 кг/м3.
Ограждения лоджий - сборные
железобетонные по серии 152 и индивидуальные из бетона C12/15, F 100, плотностью 2500 кг/м3.
Окна, двери, погонажные изделия.
Окна, балконные двери - деревянные
по СТБ 939-93.
Внутренние двери - по СТБ 1138-98
Наружные двери - по СТБ 1138-98.
Погонажные изделия - по СТБ 1074-97.
Полы.
Полы в жилых комнатах, кухнях и
коридорах:
на первом этаже паркетные по
дощатому черновому полу и деревянным лагам, уложенным по кирпичным столбикам,
опирающимся на бетонную подготовку и уплотненный грунт;
на остальных этажах паркетные по
дощатому черновому полу и деревянным лагам, уложенным на плиты перекрытия.
Полы в санузлах и лестничных
площадках, в тамбурах входов, в помещениях уборочного инвентаря выполнены из
керамической неглазурованной плитки.
Полы в лоджиях - цементные;
Крыша и кровля.
Кровля скатная из металлочерепицы.
Водосток - наружный. Утеплитель - плиты минераловатные плотностью 75кг/м3,
толщиной 140 мм, защищенные цементно-песчаной стяжкой М 100, F 75 толщиной 20 мм. Выход на кровлю
из каждой секции последнего этажа.
.6 Наружная отделка
Наружная отделка фасадов и цоколя -
штукатурка и покраска фасадной акриловой краской АК-124 (ТУ РБ 0204547.071-96).
.7 Внутренняя отделка
Внутренняя отделка определяется
видом помещения и его функциональным процессом.
·
кухни и туалетные комнаты - оклейка стен моющимися обоями до
потолка;
·
ванные комнаты, помещения уборочного инвентаря - облицовка стен
керамической глазурованной плиткой (ГОСТ 6141-91);
·
жилые комнаты, прихожие, коридоры - оклейка улучшенными
грунтованными обоями на всю высоту;
·
лестничные узлы - окраска масляными и акриловыми красками;
Встроенные шкафы и антресоли,
столярные изделия - масляная покраска за 2 раза.
Отопительные приборы, стояки и
металлические ограждения - масляная покраска за 2 раза.
.8 Инженерное оборудование здания
Отопление и горячее водоснабжение
запроектировано из магистральных тепловых сетей, с верхней разводкой по
чердаку. Приборами отопления служат конвектора. На каждую блок-секцию
оборудуется отдельный тепловой узел для регулирования и учета теплоносителя.
Магистральные трубопроводы и трубы стояков изолируются и покрываются
алюминиевой фольгой.
Холодное водоснабжение
запроектировано от внутриквартального коллектора водоснабжения с двумя вводами.
Вода на каждую секцию подается по внутридомовому магистральному трубопроводу,
который изолируется и покрывается алюминиевой фольгой. На каждую блок - секцию
и встроенный блок устанавливается рамка ввода.
Вокруг дома выполняется
магистральный пожарный хозяйственно - питьевой водопровод с колодцами, в
которых установлены пожарные гидранты.
Канализация выполняется
внутридворовая с врезкой в колодцы внутриквартальной канализации. Из каждой
секции и каждого встроенного помещения выполняются самостоятельные выпуска
хозфекальной и дождевой канализации.
Энергоснабжение выполняется от
городской подстанции с запиткой по две секции двумя кабелями - основной и
запасной. Встроенные помещения запитываются отдельно, через свои
электрощитовые. Все электрощитовые расположены на первых этажах.
Также предусмотрена вентиляция через
вентиляционные каналы. Вентиляционные решётки расположены: в кухнях, в уборных
и ванных комнатах. Побуждение движение воздуха естественное.
Здание оборудуется скрытой
электропроводкой, поквартирными электросчётчиками, расположенными на лестничных
клетках. Также предусматривается проводка для слаботочных устройств: радио,
телефон, коллективной антенны.
.9 Физико-технические расчеты
Теплотехнический расчет наружных
стен:
расчетная температура внутреннего
воздуха жилых зданий составляет tв = 18 °С;
расчетная относительная влажность
воздуха 50%.
Влажностный режим помещений - сухой,
условия эксплуатации ограждающих конструкций - Б.
Коэффициент теплоотдачи внутренней
поверхности aв = 8,7 Вт/(м2×°С), наружной - aн = 23
Вт/(м2×°С).
Коэффициент, учитывающий положение
наружной поверхности ограждающей конструкции по отношению к наружному воздуху n = 1.
Расчетный перепад между температурой
внутреннего воздуха и температурой внутренней поверхности ограждающей
конструкции Dtв = 6 °С.
При реконструкции зданий
сопротивление теплопередаче наружных стен должно быть не менее требуемого
значения Rттр = 3,2 м2×°С/Вт,
Приняв материал для утепления стен -
плиты пенополистирольные и учитывая расчётные характеристики существующей стены
из керамического кирпича, выполняем расчет:
- кладка из силикатного полнотелого
кирпича:
g1 = 1800 кг/м3;d1 = 120 мм; l1 =
0,99 Вт/(м×°С); s1 = 9,77 Вт/(м2×°С).
- кладка из керамического
полнотелого кирпича:
g2 = 1800 кг/м3;d2 = 380 мм; l2 =
0,81 Вт/(м×°С); s2 = 10,12 Вт/(м2×°С).
- известковый раствор;
g3 = 1600 кг/м3; d3 = 30 мм; l3 =
0,81 Вт/(м×°С); s3 = 9,76 Вт/(м2×°С);
Сопротивление теплопередаче стены:
м2×°С/Вт.
Таким образом, Rт<Rт тр.
Сопротивление теплопередаче стены
меньше требуемого, требуется теплореновация.
Рисунок 1 - Конструкция наружных
стен: 1 - кладка из силикатного кирпича, 2 - кладка из керамического кирпича, 3
- штукатурка
Теплотехнический расчет наружных
стен с учетом утепления
расчетная температура внутреннего воздуха
административно-бытовых зданий и школах составляет tв = 18 °С;
расчетная относительная влажность
воздуха 50%.
Влажностный режим помещений - сухой,
условия эксплуатации ограждающих конструкций - Б.
Коэффициент теплоотдачи внутренней
поверхности aв = 8,7 Вт/(м2×°С), наружной - aн = 23
Вт/(м2×°С).
Коэффициент, учитывающий положение
наружной поверхности ограждающей конструкции по отношению к наружному воздуху n = 1.
Расчетный перепад между температурой
внутреннего воздуха и температурой внутренней поверхности ограждающей
конструкции Dtв = 6 °С. При
реконструкции зданий сопротивление теплопередаче наружных стен должно быть не
менее требуемого значения Rттр = 3,2 м2×°С/Вт.
Приняв материал для утепления стен -
плиты пенополистирольные и учитывая расчётные характеристики существующей стены
из керамического кирпича, выполняем расчет:
- маты минераловатные прошивные:
g1 = 100 кг/м3;d1 = Х мм; l1 =
0,05 Вт/(м×°С); s1 = 0,53 Вт/(м2×°С).
- кладка из силикатного полнотелого
кирпича:
g2 = 1800 кг/м3;d2 = 120 мм; l2 =
0,99 Вт/(м×°С); s2 = 9,77 Вт/(м2×°С).
- кладка из керамического
полнотелого кирпича:
g3 = 1800 кг/м3;d3 = 380 мм; l3 =
0,81 Вт/(м×°С); s3 = 10,12 Вт/(м2×°С).
- известковый раствор;
g4 = 1600 кг/м3; d4 = 30 мм; l4 =
0,81 Вт/(м×°С); s4 = 9,76 Вт/(м2×°С);
Сопротивление теплопередаче стены:
м2×°С/Вт.
;
;
мм
Толщину утеплителя принимаем равным
120 мм.
Рисунок 2 - Конструкция наружных
стен после утепления: 1 - утепление, 2 - кладка из силикатного кирпича, 3 -
кладка из керамического кирпича, 4 - штукатурка, 5 - отделочный слой
Теплотехнический расчёт стен
надстраиваемого этажа
расчетная температура внутреннего
воздуха административно-бытовых зданий и школах составляет tв = 18 °С;
расчетная относительная влажность
воздуха 50%.
Влажностный режим помещений - сухой,
условия эксплуатации ограждающих конструкций - Б.
Коэффициент теплоотдачи внутренней
поверхности aв = 8,7 Вт/(м2×°С), наружной - aн = 23
Вт/(м2×°С).
Коэффициент, учитывающий положение
наружной поверхности ограждающей конструкции по отношению к наружному воздуху n = 1.
Расчетный перепад между температурой
внутреннего воздуха и температурой внутренней поверхности ограждающей
конструкции Dtв = 6 °С.
При реконструкции зданий
сопротивление теплопередаче наружных стен должно быть не менее требуемого
значения Rттр = 3,2 м2×°С/Вт.
Приняв материал для строительства
стен шестого этажа газосиликатные блоки, выполняем расчет:
- кладка из газосиликатных блоков;
g1 = 500 кг/м3; d1 = 500 мм; l1 =
0,16 Вт/(м×°С); s1 = 2,48 Вт/(м2×°С);
- известковый раствор;
g2 = 1600 кг/м3; d2 = 20 мм; l2 =
0,81 Вт/(м×°С); s2 = 9,76 Вт/(м2×°С);
Сопротивление теплопередаче стены:
м2×°С/Вт.
Таким образом, Rт>Rт тр.
Сопротивление теплопередаче стены
больше требуемого.
2 Расчетно-конструктивный раздел
.1 Обследование состояния
конструкций
Фундаменты и грунты основания.
Для обследования состояния
фундаментов и определения характеристик грунтов, залегающих в основании
фундаментов, был отрыт шурф и отобраны образцы грунта ненарушенной структуры.
Фундамент под стены здания выполнены
ленточный из сборных бетонных блоков для стен подвалов. Глубина заложения
фундамента в месте отрывки шурфа 1,55 м от уровня планировки, ширина подошвы
1200 мм. При отрывке шурфа грунтовых вод не встречено.
Состояние фундамента в месте
вскрытия удовлетворительное, трещин и разрушений тела фундамента не обнаружено.
Техническое состояния фундаментов
соответствует II категории - состояние удовлетворительное, опасность обрушения
отсутствует.
Физически износ фундаментов
составляет до 25%.
С целью уточнения данных о грунтах,
залегающих в основании фундаментов, из шурфа были отобраны образцы для определения
физико-механических свойств грунта.
Стены.
Состояние стен здания не вполне
удовлетворительное.
В результате проведенного
обследования установлено следующее:
. Наружные стены здания выполнены из
полнотелого керамического кирпича и облицованы полнотелым силикатным кирпичом.
Толщина наружных стен - 510 мм. Стены с внутренней стороны оштукатурены
цементно-песчаным раствором;
. Выявлены следующие нарушения
состояния стен:
наружная поверхность стен здания
подвержена увлажнению атмосферной влагой с карнизов кровли. Вследствие
замачивания на поверхности кладки на глубину до 50 мм;
наружная верста кладки стен в осях
«А-В» «1-2» и «5-6» в местах расположения санузлов разрушена на глубину до 80
мм вследствие размораживания;
. Стены по фасадам имеют
вертикальные и наклонные трещины шириной раскрытия до 3 мм и длиной
распространения до одного метра. Трещины образовались в над оконными
перемычками и подоконными проемами. Трещины не представляют опасности
возникновения аварийной ситуации для стен здания.
Основной причиной образования данных
трещин явилась неравномерная деформация основания под фундаментами стен здания,
обусловленная замачиванием. Снижение прочности основания в отдельных местах
вызывает неравномерные осадки фундаментов. Попаданию атмосферной влаги в основание
фундаментов способствуют нарушения в отмостке и не правильная планировка
поверхности земли вокруг здания;
. Из-за не правильной эксплуатации
санузлов (нарушением температурно-влажностного режима) в стенах образовался
грибок.
. Для определения прочности кладки
из стен здания были отобраны образцы камня и пластинки раствора из
горизонтальных швов. Результаты испытания камня и раствора на сжатие показали,
что прочность кирпича силикатного соответствуют марке М75, прочность кирпича
керамического соответствуют марке М50 и прочность раствора кладки М25.
. Согласно таблице 2, СНиП II-22-81 “Каменные и
армокаменные конструкции” при марке кирпича полнотелого М 50 и марке
цементно-песчаного раствора М25 расчетное сопротивление кладки сжатию не более
0,85 × 0,6 = 5,1 кгс/см 2 (0,51
МПа). С учетом пункта 3.11, г, расчетное сопротивление кладки сжатию умножается
на коэффициент условий работы, который, для кладки после длительного периода
твердения раствора равен gс =
1,15.
Тогда R = 0,51 ´ 1,15 = 0,59 МПа;
. Категория
технического состояния стен - III - состояние не вполне удовлетворительное. При дальнейшем росте
ширины раскрытия трещин необходимо выполнить усиление несущих стен. Оценка
технического состояния стен здания приведена в таблице 2.1.
. Физический износ стен
составляет до 50%.
Плиты перекрытия и покрытия.
Плиты перекрытия и
покрытия сборные железобетонные с круглыми пустотами. Плиты уложены поперек
здания и опираются на продольные наружные и внутреннюю стены. Номинальный
размер плит 0,8´6,0 м,
1,0´6,0 м и 1,2´6,0 м. Схемы расположения плит перекрытия и покрытия приведены на
рисунках 4.6 - 4.10.
Плиты перекрытия П1
шириной 0,8´6,0 м армированы
проволочной арматурой 10Æ4 + 6Æ5 мм класса не ниже ВII (S800). Защитный слой бетона 20 мм.
Плиты перекрытия П2
шириной 1,0´6,0 м армированы
стержневой арматурой периодического профиля 6Æ10 мм класса не ниже А400. Защитный слой бетона 20-30 мм.
Плиты перекрытия П3
шириной 1,2´6,0 м армированы
стержневой арматурой периодического профиля 7Æ10 мм класса не ниже А400. Защитный слой бетона 20-30 мм.
Поверхностная
прочность бетона плит определена неразрушающим методом при помощи склерометра
ИПС-МГ4 и соответствует классу по прочности на сжатие С20/25.
Плиты перекрытия в целом находятся в
удовлетворительном состоянии, однако в санузлах из-за нарушения эксплуатации
помещений (нарушение целостности водоотвода) происходит замачивание атмосферной
влагой через нарушения гидроизоляционного слоя перекрытия что ведет к
уменьшению прочности бетона и оголению и коррозии арматуры в плитах.
Категория
технического состояния плит перекрытия - III - состояние не вполне
удовлетворительное. Требуется ремонт отдельных плит. Оценка технического
состояния стен здания приведена в таблице 2.1.
Плиты покрытия П1
шириной 0,8´6,0 м армированы
проволочной арматурой 10Æ5 мм
класса не ниже ВрI (В500). Защитный слой бетона 20 мм.
Плиты покрытия П2
шириной 1,0´6,0 м армированы
стержневой арматурой периодического профиля 6Æ10 мм класса не ниже А400. Защитный слой бетона 20-25 мм.
Плиты покрытия П3
шириной 1,2´6,0 м армированы
проволочной арматурой 16Æ3 мм
класса не ниже ВрI (В500). Защитный слой бетона 12-18 мм.
Поверхностная
прочность бетона плит определена неразрушающим методом при помощи склерометра
ИПС-МГ4 и соответствует классу по прочности на сжатие С20/25.
Плиты покрытия в целом находятся в
удовлетворительном состоянии, однако выявлены отдельные незначительные участки
подверженные увлажнению с кровли.
Категория
технического состояния плит покрытия - II - состояние
удовлетворительное. Дефекты устраняются в процессе технического обслуживания и
текущего ремонта. Оценка технического состояния плит покрытия приведена в
таблице 2.1.
Кровля.
При обследовании выявлено, что
кровля рулонная из рубероида на битумной мастике. Сток воды с кровли не
организованный.
Состояние гидроизоляционного ковра
кровли в целом удовлетворительное. Однако обнаружены трещины в слоях битума,
уложенного по швам кровельного материала. Выявлено сползание водоизоляционного
ковра с вертикальной поверхности в местах примыкания к парапету.
Обнаружено так же разрушение кирпича
вентиляционных каналов вследствие размораживания.
Оценка технического состояния
Оценку технического состояния здания
бетонно-смесительного узла приведем в таблице 2.1.
Таблица 2.1 - Оценка технического
состояния
|
Наименован. конструкций
|
Наименование дефектов, выявленных при осмотре
|
Степень распространения
|
Разряды дефектов
|
Категор. Технич. состоян.
|
|
Фундаменты
|
Дефектов нет
|
-
|
-
|
II
|
|
Стены
|
- увлажнение, - разрушение фактурного слоя, - трещины
|
-единичные, -многочисленные, - многочисленные.
|
- малозначительные, - значительный - значительный
|
III
|
|
Плиты покрытия
|
- увлажнение
|
- единичные
|
- малозначительный
|
II
|
|
Плиты перекрытия
|
- увлажнение - оголение коррозия арматуры
|
- единичные - единичные
|
-значительный -значительный
|
III
|
|
Кровля
|
-повреждения -протечки
|
-единичные -единичные
|
-значительный - значительный
|
II
|
|
Оконные проемы
|
- нарушение окрасочного покрытия – загнивание – отсутствие
стекол
|
- массовые - массовые - единичные
|
-малозначительные -значительный -значительный
|
IV
|
|
Козырьки
|
-увлажнение
|
-многочисленные
|
-значительный
|
III
|
- трещины и разрушения - поражение растительностью
|
-многочисленные -многочисленные
|
-значительный -значительный
|
IV
|
По результатам обследования
определим усредненную оценку категории технического состояния здания цеха:
Категория технического состояния
здания - III - состояние не вполне удовлетворительное. Требуется ремонт,
усиление или замена отдельных конструкций.
.2 Фундаменты и грунты основания
Для обследования состояния
фундаментов и определения характеристик грунтов, залегающих в основании
фундаментов, был отрыт шурф и отобраны образцы грунта ненарушенной структуры.
Фундамент под стены здания выполнены
ленточный из сборных бетонных блоков для стен подвалов. Глубина заложения
фундамента в месте отрывки шурфа 1,55 м от уровня планировки, ширина подошвы
1200 мм. При отрывке шурфа грунтовых вод не встречено.
Состояние фундамента в месте
вскрытия удовлетворительное, трещин и разрушений тела фундамента не обнаружено.
Техническое состояния фундаментов
соответствует II категории - состояние удовлетворительное, опасность обрушения
отсутствует.
Физически износ фундаментов
составляет до 25%.
С целью уточнения данных о грунтах,
залегающих в основании фундаментов, из шурфа были отобраны образцы для
определения физико-механических свойств грунта.
Для исследования грунтов было
отобрано 12 образцов нарушенной и ненарушенной структуры, из них 6 нарушенной
структуры для определения естественной влажности, плотности частиц и
гранулометрического состава. Остальные образцы ненарушенной структуры - для
определения плотности грунта и его прочностных характеристик.
Из выработок отбирались образцы всех
видов грунтов в полном соответствии с ГОСТ 12071-2000.
Образцы грунта ненарушенного
сложения были отобраны из зачищенного забоя шурфов для определения плотности
грунта и его прочностных характеристик. Образцы нарушенной структуры, для
которых не требовалось сохранение природной влажности, отбирались в мешочки и
сопровождались этикеткой.
Образцы для определения природной
влажности отбирались в бюксы.
Общее количество и объем образцов
является достаточным для проведения полного комплекса лабораторных исследований
и контрольных определений, что позволило использовать методы математической
статистики для обработки результатов экспериментов при определении нормативных
и расчетных значений характеристик грунтов.
Определения и исследования
физико-механических свойств грунтов выполнялись в лаборатории в соответствии со
следующими нормативными документами: СТБ 943-93. Грунты. Классификация.
Определение физических и
механических характеристик производилось стандартными методами для каждого типа
грунта.
В лаборатории определялись
характерные количественные показатели физических и механических свойств
необходимые для классификации грунтов, оценки их состава, состояния, прочности.
Плотность частиц грунта ρs была определена пикнометрическим способом по методике для
незасоленных грунтов.
Плотность грунта ρ определялась методом
режущего кольца. Параметры режущих колец соответствовали кольцам от прибора для
сдвиговых испытаний.
Влажность определялась по количеству
содержащейся в грунте воды методом высушивания до постоянной массы.
После определения основных фазовых
характеристик, были сделаны расчеты коэффициенты пористости (е), плотности
абсолютного сухого грунта (rd), степени влажности (Sr) и дана оценка физического состояния грунтов.
Показатели основных физических
свойств грунтов приведены в таблице 2.2.
Результаты исследований грунтов
свидетельствуют о том, что грунтами основания фундаментов являются пески
пылеватые маловлажные, плотные согласно СТБ 943-93.
Расчетные значения характеристик
определяются для использования их в расчетах оснований по первой группе
предельных состояний с учетом доверительной вероятности α = 0,95 и для расчетов
оснований по второй группе предельных состояний с учетом доверительной
вероятности α = 0,85.
Таблица 2.2 - Показатели физических
свойств грунтов
|
Наименование грунта, № шурфа, глубина взятия пробы
|
Плотность частиц rs,
г/см3
|
Плотность грунта r, г/см3
|
Плотность сухого грунта rd,
г/см3
|
Влажность w
|
Коэффициент пористости е
|
Степень влажности Sr
|
|
Пески пылеватые, маловлажные, плотные 1,55 м
|
2,630
|
1,802
|
1,65
|
0,091
|
0,59
|
0,41
|
Таким образом, нормативное и
расчетное значения плотности грунта:
rn =1,802 г/см3, rII = 1,781 г/см3.
Определение прочностных
характеристик проводились на образцах ненарушенной структуры. Образцы для
сдвиговых испытаний отбирались режущими кольцами. Для сохранения структуры
грунта в шурфе на отметке отбора проб зачищали уступы, не нарушая поверхности.
На этой площадке с одной и той же отметки отбирались пробы грунта в кольца для
определения плотности грунта, определения прочностных характеристик, в бюксы -
для определения естественной влажности. Все кольца и бюксы взвешивались, после
чего кольца с образцами до проведения опытов хранились в эксикаторах с водой.
Перед сдвиговыми испытаниями проводились контрольные взвешивания образцов.
Испытания проводили на приборах
одноплоскостного сдвига по методике, рекомендованной ГОСТ 12248-78 при трех
значениях давлений: 0,1; 0,2; 0,3 МПа по системе открытого (консолидированного)
сдвига в количестве, необходимом для обработки результатов испытаний методом
наименьших квадратов. Обработка результатов лабораторных испытаний грунтов на
срез с целью определения нормативных значений удельного сцепления сн и угла
внутреннего трения jн
производилась путем вычисления методом наименьших квадратов прямолинейной
зависимости:
t = stgj + с
где t - сопротивление образца грунта срезу, МПа; s - нормальное давление на грунт, МПа
Расчетные значения характеристик
определяются по двум группам предельных состояний (a=0,85 и a=0,95)
.
Нормативные и расчетные значения
характеристик грунтов приведены в таблице 2.3.
Таблица 2.3 - Нормативные и
расчетные характеристики грунтов
|
№ п/п
|
Наименование грунта
|
Удельный вес, кН/м3
|
Удельное сцепление, кПа
|
Угол внутреннего трения, градусы
|
Модуль деформации Е, МПа
|
|
|
gn
|
gII
|
сn
|
сII
|
jn
|
jII
|
|
|
1
|
Песок пылеватый
|
18,02
|
17,81
|
6,67
|
4,81
|
32,3
|
32,0
|
34
|
Сбор нагрузок, действующих на
фундамент
Таблица 2.4 - Нагрузка на фундамент
|
Наименование нагрузки
|
Нормат. величина
|
|
Расчет. величина
|
|
1. Постоянная
|
|
1.1 Нагрузка кровли
|
|
|
|
|
а) металлочерепица
|
0,12
|
1,05
|
0,126
|
|
б) пароизоляция
|
0,02
|
1,1
|
0,022
|
|
в) обрешетка 125х25(h)мм шаг 250мм
|
0,06
|
1,2
|
0,072
|
|
г) стропила 60х160(h)мм шаг 1200мм
|
0,035
|
1,2
|
0,042
|
|
итого
|
0,235
|
|
0,262
|
|
1.2 Нагрузка от чердачного перекрытия
|
|
|
|
|
а) цементно-песчаная стяжка ( =1800 кг/м3; =20
мм)
|
0,36
|
1,35
|
0,48
|
|
б) минераловатная плита (ρ = 75 кг/м3,
δ = 140 мм) 75 ·10-2·140 ·10-3 = 0,105
|
0,105
|
1,35
|
0,14
|
|
в) ж. б. многопустотная плита покрытия(ρ
= 2500 кг/м3) (1,16 · 0,22 - 6 · π · (0,159/2)2 ) · 2500/1,19 · 10-2 =
2,85
|
2,85
|
1,15
|
3,28
|
|
итого
|
3,315
|
|
3,9
|
|
1.3 Нагрузка от междуэтажного перекрытия
|
|
|
|
|
а) перегородка из газопеносиликата, оштукат. с 2х сторон (ρ1
= 1000 кг/м3, δ = 80 мм, ρ2 = 1800 кг/м3,
δ = 20 мм, h=2,58 м) (1000 ·120+2·180
·20)·10-2·10-3·2,58 · 5,78/ /(5,98·1,19·2)=2,01
|
2,01
|
1,15
|
2,31
|
|
б) паркет дубовый (ρ = 700 кг/м3,
δ = 12 мм) 700 ·10-2·12 ·10-3=0,08
|
0,08
|
1,35
|
0,1
|
|
в) плита древесноволокнистая ( ρ = 1000 кг/м3,
δ = 10 мм) 1000 ·10-2·10 ·10-3=0,1
|
0,1
|
1,15
|
0,115
|
|
г) цементно-песчаная стяжка ( ρ = 1800 кг/м3,
δ = 16 мм) 1800 ·10-2·16 ·10-3=0,03
|
0,03
|
1,15
|
0,03
|
|
д) ж. б. многопустотная плита перекрытия (ρ
= 2500 кг/м3) (1,16 · 0,22-6 · π · (159/2)2 ) ·2500/1,19
·10-2 = 2,86
|
2,85
|
1,15
|
3,28
|
|
Итого от 5 перекрытий
|
25,4
|
|
29,25
|
|
а) нагрузка от стен ( ρ = 1800 кг/м3,
δ = 380 мм) /6=19.42
|
19,42
|
1,2
|
23,3
|
|
итого
|
19,42
|
|
23,3
|
|
2.Временная
|
|
а) снеговая
|
0,8
|
1,5
|
1,2
|
|
б) нагрузка на чердачное перекрытие
|
0,7
|
1,3
|
0,91
|
|
в) нагрузка на перекрытие
|
1,5
|
1,3
|
1,95
|
Определение несущей способности
существующего фундамента.
Нормативная и расчетная нагрузки в
уровне обреза фундамента на 1 п.м соответственно составляют:
N0II =
(0,235+3,315+19,42+25,4+0,8+0,7+1,5) x 6 = 308,22 кН/м;I =
(0,262+3,9+29,25+23,3+1,2+0,91+1,95) х 6 = 364,63 кН/м.
Собственный вес фундамента и грунта
на уступах фундаментной плиты при отметке низа подошвы -1,6 м составляет: 20 х
1,6 х 1,2 = 38,4 кН/м.
Тогда нормативная и расчетная
нагрузки в уровне подошвы фундамента составит:
NпII = 308,22 + 38,4 = 346,62 кН/м;
NпI = 364,63 + 38,4 х 1,2 = 410,71 кН/м.
Определим несущую способность
существующего фундамента по оси «Б».
В результате испытания грунтов залегающих
в основании фундамента установлено, что фундаменты стены по оси «Б» опираются
на песок пылеватый с характеристиками γn= 18,02 кН/м3,
кН/м3, jII=32,0, сII = 4,81 кПа.
Определим расчетное сопротивление
грунтов основания при фактических размерах вскрытого фундамента по формуле
(В.1) СНБ 5.01.01-99:
,
где γс1 = 1,3; γс2 = 1,1 - коэффициент; k = 1,0 (прочностные характеристики определены испытанием); kz = 1 - коэффициент; b= 1,2 м - ширина подошвы фундамента;
кН/м3 - значение удельного веса грунтов, залегающих ниже подошвы
фундамента;
кН/м3
- то же, выше подошвы; Mγ = 1,34; Mq = 6,34; Mс = 8,55 - коэффициенты, зависящие от расчетного угла внутреннего
трения φII (угол внутреннего трения принят равным 32,0°), dI = 0,65 м - глубина заложения подошвы фундамента от уровня
планировки;сII = 0 кПа - расчетное значение удельного сцепления грунта,
залегающего под подошвой фундамента.
Таким образом, расчетное
сопротивление грунта основания будет иметь следующее значение:
Напряжение под подошвой для
ленточного фундамента определяется по формуле:
тогда несущая способность основания
составит:
Nu = b×R = 1,2 × 193,9 = 232,7 кН/м.
Несущей способности фундамента не
достаточно, так как нагрузка под подошвой составляет 346,62 кН/м, что больше Nu = 232,7 кН/м.
Увеличим ширину подошвы до 1,6 м и
глубину заложения фундамента до 0,95 м. Тогда несущая способность фундамента
составит:
,
Nu = b×R = 1,6 × 251,32 = 402,1 кН/м.
Несущая способность фундамента по
оси «Б» после увеличения ширины подошвы и глубины заложения достаточна.
Определим требуемую площадь арматуры
для плиты усиления фундамента.
Давление под подошвой р = 346,62 /
1,6 = 216,6 кН/м2. При вылете консоли подошвы усиления относительно
существующей плиты 0,2 м изгибающий момент составит М = 216,6 х 0,22 /2 = 4,33
кНм. При высоте плиты усиления 0,3 м, и защитном слое 80 мм, рабочая высота
плиты составит не более 0,21 м.
Тогда требуемая площадь рабочей
арматуры на 1 п. м составит: AS = 4,33 х 10-3 / (240 х 0,9 х 0,21) = 0,95 см2.
Так как диаметр арматуры должен быть
не менее 12 мм и шаг не более 200мм, то принимаем 6 стержней диаметром 12 мм
класса S240 с шагом 200 мм, AS = 6,78 см2.
Продольную арматуру принимаем
конструктивно: 9 стержней диаметром 8 мм класса S240, шаг 200 мм.
2.3 Расчет предварительно
напряженной многопустотной плиты перекрытия
Исходные данные: Многопустотная
плита перекрытия с геометрические характеристики: h=220 мм, beff=1160 мм, c=25 мм.
Бетон тяжелый класса C20/25 (минимальный класс бетона для
предварительно напряженных конструкций С20/25 - п. 6.1.2.3 СНБ [ ])fck=20 МПа , γc=1,5, fcd= fck / γc =13,3 МПа.
Не напрягаемая арматура класса S400 (fyk=400 МПа, fyd=365 МПа, Es=200 МПа).
Напрягаемая арматура S1200(А1200) (fpk=1200 МПа; fpd = 960 МПа; Es = 190 Н/мм2).
Рисунок 2.1 - Геометрические
характеристики многопустотной плиты перекрытия
Нагрузки на перекрытие.
Нагрузки на перекрытие сводим в
таблицу
Таблица 2.5 - Нагрузки на плиты
перекрытия 1,2x 6 м
|
Вид нагрузки и расчет
|
Нормативная величина, кПа
|
|
Расчетная величина, кПа
|
|
Постоянные, g
1) перегородка из газопеносиликата, оштукатуренного с двух сторон (ρ1 = 1000 кг/м3, δ= 80 мм,
ρ2 = 1800 кг/м3, δ= 20 мм,
hct=2,58 м) (1000 ·120+2·180 ·20)·10-2·10-3·2,58 · 5,78/
/(5,98·1,19·2)=2,01 2) паркет дубовый ( ρ
= 700 кг/м3, δ= 12 мм) 700 ·10-2·12 ·10-3=0,08 3)
плита древесно-волокнистая ( ρ
= 1000 кг/м3, δ= 10 мм) 1000 ·10-2·10 ·10-3=0,1 4)
цементно-песчаная стяжка ( ρ
= 1800 кг/м3, δ= 16 мм) 1800 ·10-2·16 ·10-3=0,03 5) ж. б. многопустотная плита
перекрытия ρ = 2500 кг/м3 (1,16 · 0,22-6 · π · (159/2)2 )
·2500/1,19 ·10-2=2,86
|
2,0 0,08 0,1 0,03 2,86
|
1,15 1,35 1,15 1,15 1,15
|
2,31 0,108 0,115 0,0034 3,289
|
|
Итого постоянная:
|
5,08
|
|
5,858
|
|
Временная, v
Полная нагрузка на перекрытие В том числе длительно действующие
|
1,5 0,3
|
1,3 1,3
|
1,95 0,39
|
|
Суммарные, q=g+v Полные
длительно действующие
|
6,58 5,38
|
|
7,808 6,248
|
Примечание:
) hct - расстояние между полом и
потолком.
)
- коэффициент безопасности по нагрузке.
Усилия от расчетных и нормативных
нагрузок.
Расчет ведется по предельным
состояниям первой группы.
Под действием внешней нагрузки в
сечениях панели возникают два внутренних силовых фактора - изгибающий момент и
поперечная сила. Расчет ведется на наибольшие усилия, возникающие в сечениях,
максимальный изгибающий момент - в середине пролета плиты, максимальная
поперечная сила - у опоры.
Для расчета экстремальных значений
внутренних силовых факторов необходимо определить расчетный пролет плиты
перекрытия. В многоэтажном здании предварительно напряженные плиты перекрытия
опираются на несущие стены. Условно принимаем ширину опирания плиты перекрытия bоп =85 мм, но не менее 80 мм.
Расчетный пролет плиты перекрытия:
leff=8980 - 85/2 - 85/2 = 5895 мм.
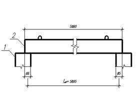
Рисунок 2.2 - Определение расчетного
пролета плиты перекрытия: 1 - плита перекрытия; 2 - несущая конструкция
Расчетная схема плиты перекрытия
представлена на рисунке 2.3.
Рисунок 2.3 - Расчетная схема плиты
перекрытия и эпюры внутренних усилий
Усилия от расчетных и нормативных
нагрузок:
Расчет плиты перекрытия по прочности
на действие изгибающего момента.
Расчет прочности сечений нормальных
к продольной оси производим по упрощенной деформационной модели. В расчете
учитываем только работу сжатой зоны бетона.
Рисунок 2.4 - Условное расчетное
сечение плиты перекрытия
, где
- расстояние от грани сечения до центра тяжести сечения арматуры,
для плиты перекрытия принимается 25…50 мм;
- расчетная высота сечения;
- высота сжатой зоны сечения.
Расчетным поперечным сечением плиты
перекрытия является двутавровое сечение с полкой (см. рисунок ), расположенной
в сжатой зоне.
Возможны два расчетных случая в
зависимости от положения нейтральной оси:
1) нейтральная ось находится в
полке толщиной
;
2) нейтральная ось проходит вне
полки и пересекает ребро расчетного таврового сечения
.
Определим положение нейтральной оси
в сечении.
Найдем приведенную толщину верхней
полки:
Предполагаем, что нейтральная ось
проходит по границе между полкой и ребром:
, d=h-c=220-25=195 мм;
,
тогда относительная высота сжатой
зоны:
,
т.о. конструкция при данном
расположении нейтральной линии находится в области деформирования 1b
.
Плита перекрытия выполнена из
тяжелого бетона С20\25 в соответствии с изменением №3 к СНБ a = 1.
Находим предельную величину
изгибающего момента воспринимаемого сечением сжатой полки плиты:
Получаем:
.
Поскольку величина предельного
изгибающего момента
при
высоте сжатой зоны бетона
больше
расчетного изгибающего момента от внешней нагрузки
, следовательно, нейтральная линия проходит в пределах высоты
полки (
, случай 1). В связи с этим дальнейший расчет производим как для
прямоугольного сечения, имеющего размеры: b=beff=1160 мм, d=195 мм.
Коэффициент
, характеризующий полноту эпюры в сжатой зоне, для бетона классов
<C50/60 равен 0,810, относительные деформации в сжатом бетоне
,
, тогда
относительные деформации в растянутой арматуре:
Предельное значение относительной
высоты сжатой зоны бетона определяется по следующей формуле:
Определяем относительный момент
.
при
находим
.
Коэффициент
показывает, в какой области деформирования работает рассчитываемое
сечение при заданных геометрических размерах и прочностных характеристиках
бетона и арматуры.
Находим величину требуемой площади
растянутой арматуры:
.
Арматура в плите была определена
неразрушающим методом: 7Ø10 S400 (А550) (
).
Рисунок 2.5 - Схема расположения
арматуры в поперечном сечении многопустотной плиты
Произведем проверку сечения плиты.
Определим расстояние до центра
тяжести рабочей арматуры:
,
где
защитный слой бетона для класса по эксплуатации XC1,
Рабочая высота сечения:
.
Рассчитаем высоту сжатой зоны
бетона:
.
Прочность сечения определяем из
уравнения моментов относительно растянутой арматуры:
Поскольку величина предельного
изгибающего момента
меньше
расчетного изгибающего момента
от
внешней нагрузки, следовательно, прочность сечения недостаточна. Произведем
усиление плиты.
Добавим арматуру 2Ø12 S400 (А550) (
).
мм.
Рассчитаем высоту сжатой зоны бетона
Прочность сечения определяем из
уравнения моментов относительно растянутой арматуры:
Поскольку величина предельного
изгибающего момента
больше
расчетного изгибающего момента
от
внешней нагрузки, следовательно, прочность сечения обеспечена.
.4 Расчет и конструирование панели
покрытия
Исходные данные: многопустотная плита
покрытия с геометрические характеристики: h=220 мм, beff=1160 мм, c = 25 мм. Бетон тяжелый класса C20/25 (fck=20 МПа , γc=1,5, fcd= fck / γc =13,3 МПа).
Арматура класса S800 (fyk=800 МПа, fyd=665 МПа, Es=190 МПа).
Рисунок 2.6 - Геометрические
характеристики многопустотной плиты покрытия
Нагрузки на покрытие.
Нагрузки на перекрытие сводим в
таблицу
Таблица 2.6- Нагрузки на плиты
покрытия 1,2 x 6 м
|
Вид нагрузки и расчет
|
Нормативная величина, кПа
|
|
Расчетная величина, кПа
|
|
Постоянные, g
1) минераловатная плита ( ρ
= 75 кг/м3, δ= 140 мм) 75 ·10-2·140 ·10-3=0,105 2)
выравнивающая цементно-песчаная стяжка ( ρ
= 1800 кг/м3, δ= 20 мм) 1800 ·10-2·20 ·10-3=0,36 4) ж.
б. многопустотная плита покрытия ρ
= 2500 кг/м3 (1,16 · 0,22 - 6 · π · (0,159/2)2 ) · 2500/1,19 · 10-2 =
2,85
|
0,105 0,36 2,85
|
1,35 1,35 1,15
|
0,14 0,48 3,28
|
|
Итого постоянная:
|
3,315
|
|
3,9
|
|
Временная, v
Полная нагрузка на покрытие В том числе длительно действующие
|
0,7 0,3
|
1,3 1,3
|
0,91 0,39
|
|
Суммарные, q=g+v Полные
длительно действующие
|
4,015 3,615
|
|
4,31 4,29
|
Примечание:
) hct - расстояние между полом и
потолком
)
- коэффициент безопасности по нагрузке
Усилия от расчетных и нормативных
нагрузок.
Расчет ведется по предельным
состояниям первой группы.
Под действием внешней нагрузки в
сечениях панели возникают два внутренних силовых фактора - изгибающий момент и
поперечная сила. Расчет ведется на наибольшие усилия, возникающие в сечениях:
максимальный изгибающий момент в середине пролета плиты и максимальную
поперечную силу на опоре.
Для расчета экстремальных значений
внутренних силовых факторов необходимо определить расчетный пролет плиты
покрытия. В многоэтажном здании плиты покрытия опираются на несущие стены.
Условно принимаем ширину опирания плиты покрытия bоп =85 мм, но не менее 80 мм.
Расчетный пролет плиты покрытия:
leff=5980 - 85/2 - 85/2 = 5895 мм.
Рисунок 2.7 - Определение расчетного
пролета плиты покрытия: 1 - плита покрытия; 2 - несущая конструкция
Рисунок 2.8 - Расчетная схема плиты
покрытия и эпюры внутренних усилий
Усилия от расчетных и нормативных
нагрузок:
Расчет плиты покрытия по прочности
на действие изгибающего момента.
Расчет прочности сечений, нормальных
к продольной оси, производим по упрощенной деформационной модели. В расчете
учитываем только работу сжатой зоны бетона.
Рисунок 2.9 - Условное расчетное
сечение плиты покрытия
,
где
- расстояние от грани сечения до центра тяжести сечения арматуры,
для плиты покрытия принимается 25…40 мм;
-
расчетная высота сечения;
-
высота сжатой зоны сечения.
Расчетным поперечным сечением плиты
покрытия является двутавровое сечение с полкой, расположенной в сжатой зоне.
Возможны два случая расчета в
зависимости от положения нейтральной оси:
3) нейтральная ось находится в
полке толщиной
;
4) нейтральная ось проходит вне
полки и пересекает ребро расчетного таврового сечения
.
Определим положение нейтральной оси
в сечении. Найдем приведенную толщину верхней полки:
Предполагаем, что нейтральная ось
проходит по границе между полкой и ребром:
, d = h - c = 220 - 25 = 195 мм;
тогда относительная высота сжатой
зоны:
Таким образом, конструкция при
данном расположении нейтральной линии находится в области деформирования 1b, так как
ПЛИТА покрытия выполнена из тяжелого
бетона С20/25, в соответствии с изменением №3 к СНБ a = 1.
Находим предельную величину
изгибающего момента, воспринимаемого сечением сжатой полки плиты:
Получаем:
.
Поскольку величина предельного
изгибающего момента
при
высоте сжатой зоны бетона
больше
расчетного изгибающего момента от внешней нагрузки
, следовательно, нейтральная линия проходит в пределах высоты
полки (
, случай 1). В связи с этим дальнейший расчет производим как для
прямоугольного сечения, имеющего размеры: b=beff=1160 мм, d=195 мм.
Определяем относительный момент:
.
при
находим
.
Коэффициент
показывает, в какой области деформирования работает рассчитываемое
сечение при заданных геометрических размерах и прочностных характеристиках
бетона и арматуры.
Находим величину требуемой площади
растянутой арматуры:
.
Принимаем: 4Ø10 S800 (
).
Рисунок 2.10 -Схема расположения
арматуры в поперечном сечении многопустотной плиты
Произведем проверку полученного
сечения.
Определим расстояние до центра
тяжести рабочей арматуры:
,
где
защитный слой бетона для класса по эксплуатации XC1,
Рабочая высота сечения:
.
Коэффициент
, характеризующий полноту эпюры в сжатой зоне, для бетона классов
<C50/60 равен 0,810.
Рассчитаем высоту сжатой зоны бетона:
.
Прочность сечения определяем из
уравнения моментов относительно растянутой арматуры:
Поскольку величина предельного
изгибающего момента
больше
расчетного изгибающего момента
от
внешней нагрузки, следовательно, прочность сечения обеспечена.
Геометрические характеристики
сечения.
Площадь приведенного сечения при
следующих данных:
,
,
,
,
-
модуль упругости бетона,
(для
марки бетонной смеси по удобоукладываемости Ж3).
коэффициент приведения:
.
Статический момент приведенного
сечения:
Центр тяжести сечения:
Момент инерции приведенного сечения:
Расчет железобетонных конструкций по
деформациям.
Предельно допустимые прогибы.
Расчет ведется по предельным
состояниям второй группы.
Так как
, то элемент работает в области деформирования 1а. Эта стадия
напряженно-деформированного состояния сечения характеризует сопротивление
железобетонного элемента, работающего без трещин.
Расчетом определяются максимальные
прогибы элементов от действия внешних нагрузок (при коэффициенте надежности по
нагрузке γf=1, т.е. расчет производится на нормативную нагрузку).
Максимальный прогиб в середине
пролета свободно опертой плиты перекрытия, загруженной равномерно
распределенной нагрузкой, может быть определен по формуле:
Коэффициент
зависит от условия закрепления и схемы нагружения элемента,
.
Жесткость железобетонного элемента,
работающего без трещин, в стадии I напряженно-деформированного состояния при длительно действующих
нагрузках:
,
где
- эффективный модуль упругости, определяемый с учетом ползучести
бетона по формуле:
,
Предельное значение коэффициента
ползучести
определяем
из номограммы.
При:
и
для
.
.
Определяем геометрические
характеристики сечения, работающего без трещин.
коэффициент приведения:
.
Определим значение жесткости без
трещин:
.
прогиб в середине пролета при
,
:
.
Допустимый прогиб:
;
.
Максимальный прогиб в середине
пролета плиты не превышает допустимый.
.5 Расчет и конструирование
стропильной системы
Нагрузки на стропила.
Кровля из металлочерепицы по
обрешетке из досок 125х25(h) мм с шагом 250 мм, обрешетка опирается на стропила
60х160(h) мм с шагом 1200 мм.
Таблица 2.7 - Сбор нагрузок
|
Нагрузки
|
Нормативные
|
|
Расчетные
|
|
Металлочерепица
|
0,12
|
1,05
|
0,126
|
|
Пароизоляция
|
0,02
|
1,1
|
0,022
|
|
Обрешетка 125х25(h) мм шаг 250 мм
|
0,06
|
1,2
|
0,072
|
|
Стропила 60х160(h) мм шаг 1200 мм
|
0,035
|
1,2
|
0,042
|
|
Итого
|
0,235
|
|
0,262
|
|
Снеговая
|
0,8
|
1,5
|
1,2
|
Рисунок 2.11 - Конструкции
кровельного настила раздельной холодной крыши
Проверка прочности стропилины.
Геометрические характеристики доски
60´160(h) мм:
;
.
Пролёт стропилины l = d/cosa = 3,8:0,927 = 4,09 м.
Изгибающий момент в стропилине при
шаге а = 1,2 м.

где 
-
полная нагрузка в стадии эксплуатации в вертикальной плоскости.
Кроме того, в стропилине возникает
растягивающее усилие от скатной составляющей нагрузки.
кН/м,
так как стропилины скреплены в
коньке парными накладками на гвоздях,
кН.
Проверим стропилину на прочность как
растянуто-изогнутый элемент по следующей формуле:
s = N/А + (M/W)(ft/fm) =
2,49:84 + (306:256)(7:13) = 0,615 кН/см2 = 6,15 МПа <ft,d =
МПа,
где ft,0,d = 7 МПа для 2-го сорта -
расчётное сопротивление растяжению.
Без учёта растяжения имеем:
Прочность стропилины обеспечена.
Жесткость стропилины также обеспечена, так как при:
кН/м
относительный прогиб невелик:
Проверка прочности и жёсткости
обрешётки.
Таблица 2.8 - Сбор нагрузок
|
Нагрузки
|
Нормативные
|
|
Расчетные
|
|
Металлочерепица
|
0,12
|
1,05
|
0,126
|
|
Пароизоляция
|
0,02
|
1,1
|
0,022
|
|
Обрешетка 125х25(h) мм шаг 250 мм
|
0,06
|
1,2
|
0,072
|
|
Итого
|
0,2
|
|
0,22
|
|
Снеговая
|
0,8
|
1,5
|
1,2
|
Нормативные:
= (0,2 × 0,92 + 0,8 × 0,922)
× 0,25 = 0,215 кН/м;
= (0,2
× 0,37 + 0,8 × 0,92 × 0,37) ×0,25 = =0,08 кН/м;
Расчётные:
=
(0,22 × 0,92 + 1,2 × 0,922) ×0,25 =
0,3 кН/м;
=
(0,22 × 0,37 +1,2 ××0,92 × 0,37) ×0,25 = 0,1 кН/м.
Изгибающие моменты при 1-м
загружении в стадии эксплуатации:
;
.
Моменты инерции и моменты
сопротивления обрешётки 125´25(h):
;
;
см4 ;
см4;
Проверка прочности в стадии
эксплуатации даёт:
кН/см2
=4,4 МПа;
что меньше
= 12,35 МПа.
Проверка жёсткости:
;
;
w/l = 0,15:150 = 1/1000 < 1/150.
Изгибающие моменты при 2-м
загружении (в стадии изготовления):
кН×м;
кН×м;
Напряжения:
кН/см2=23,1
МПа;
что гораздо выше
МПа;
Следовательно, прочность обрешётки
из досок 125´25мм при работе
людей на кровле не обеспечена. В этом случае работы необходимо вести с помощью перекидных
лестниц, распределяющих монтажную нагрузку на несколько досок обрешётки.
3. Организация строительства
.1 Проект производства работ
Строительство осуществляется г.
Гомель.
Жилое здание - выполнено из кирпича.
Фундаменты - ленточные из сборного железобетона.
Здание оборудовано инженерными
сетями: теплообеспечением, водопроводом, канализацией, ливнестоком,
электрообеспечением.
Номенклатура работ.
При реконструкции общежития под
жилое здание работы ведутся в два этапа. На I этапе ведутся демонтажные работы:
демонтаж покрытия кровли, перегородок, оконных и дверных блоков, полов. Также
производится усиление фундаментов и плит перекрытия. На II этапе ведутся следующие
строительно-монтажные работы: разработка котлована под фундамент, устройство
основания, устройство фундаментов, гидроизоляция стен, фундаментов, обратная
засыпка котлована, уплотнение грунта под полы, монтаж наружных и внутренних
стен, монтаж перегородок, монтаж лестниц, устройство кровли, устройство
подготовки под полы, установка оконных, дверных и балконных проемов, внутренняя
штукатурка, устройство чистых полов, внутренние малярные работы, внутренние
санитарно-технические работы, электромонтажные работы, штукатурка фасадов,
покраска фасадов, устройство отмостки вокруг здания, устройство временных
зданий и сооружений, сдача объекта в эксплуатацию.
Подсчет объемов работ.
Таблица 3.1 - Ведомость объемов
работ
|
Наименование конструкций
|
Количество, шт
|
Примечание
|
|
Фундамент
|
|
|
|
Плиты ленточных фундаментов ФЛ
|
26
|
|
|
ФБС
|
52
|
|
|
Стены
|
|
|
|
Стены толщиной 500мм
|
334,73
|
м3
|
|
Стены толщиной 250мм
|
120,96
|
м3
|
|
Стены толщиной 380мм
|
31,92
|
м3
|
|
Перегородки
|
413,11
|
м3
|
|
Плиты перекрытия
|
10
|
|
|
Плиты покрытия
|
44
|
|
|
Плиты лоджий
|
80
|
|
|
Элементы лестниц
|
|
|
|
марш
|
9
|
|
|
площадка
|
9
|
|
|
площадка-марш-площадка
|
17
|
|
|
Кровля
|
|
|
|
стяжка
|
1039
|
м2
|
|
металлочерепица
|
1430,8
|
м2
|
|
пароизоляция
|
1039
|
м2
|
|
обрешетка
|
18,9
|
м3
|
|
стропила
|
24,6
|
м3
|
|
плиты минераловатные
|
145,5
|
м3
|
|
Балки
|
12
|
|
|
Полы
|
|
|
|
паркетная доска
|
4104
|
м2
|
|
керамическая плитка
|
268,8
|
м2
|
|
доски древ. волок.
|
4104
|
м3
|
|
лаги
|
2,8
|
м3
|
|
цементно-песчаная стяжка
|
70
|
м2
|
|
Оконные блоки
|
|
|
|
2,2х1,5м (=3,3м2)
|
158
|
|
|
0,9х1,5м (=1,35м2)
|
10
|
|
|
1,5х1,5м (=1,8м2)
|
55
|
|
|
Дверные блоки
|
|
|
|
0,9х2,1м (=1,89м2)
|
52
|
|
|
0,7х2,1м (=1,47м2)
|
84
|
|
|
1,4х2,1м (=2,94м2)
|
10
|
|
|
Внутренняя отделка квартир
|
|
|
|
Улучшенная клеевая окраска потолков комнат
|
4120 м2
|
|
|
Масляная окраска стен квартир
|
3910 м2
|
|
|
Оклейка обоями
|
8970 м2
|
|
|
Облицовка плиткой стен
|
592 м2
|
|
|
Внутренняя отделка
|
|
|
|
облицовка ступеней внутри квартир мраморной плиткой
|
30
|
м2
|
|
оштукатуривание стен внутри помещения
|
3961
|
м2
|
|
штукатурка перегородок известковым раствором
|
3445
|
м2
|
|
штукатурка потолков известковым раствором
|
4722
|
м2
|
|
окраска стен масляной краской
|
1015
|
м2
|
|
улучшенная клеевая окраска потолков
|
4722
|
м2
|
|
оклейка стен обоями
|
2469
|
м2
|
|
остекление
|
658
|
м2
|
|
Внешняя отделка
|
|
|
|
Улучшенная штукатурка фасадов
|
3226
|
м2
|
|
окраска фасадов перхлорвиниловыми красками
|
3226
|
м2
|
|
Ремонтные работы
|
|
|
|
разборка окон
|
726
|
м2
|
|
усиление перекрытий
|
554
|
м3
|
|
разборка стен
|
1500
|
м3
|
|
наращивание фундаментов
|
352
|
м3
|
|
пробивка отверстий в потолках
|
6
|
отв
|
|
кладка отдельных участков стен и заделка проемов
|
45
|
м3
|
|
устройство мусоросборников
|
5
|
|
|
омоложение живых изгородей
|
50
|
|
ремонт асфальтобетонных дорог
|
736
|
м2
|
Потребность в строительных
конструкциях, деталях, полуфабрикатах, материалах. Основанием для расчета
потребности в материалах служат рассчитанные объемы работ.
Таблица 3.2 - Расчет потребности в
строительных конструкциях, деталях, материалах
|
Наименование работ
|
Единица измерения
|
Объем работ
|
Материалы и другие ресурсы
|
|
|
|
наименование
|
Ед. измерения
|
Норма объема работ
|
Общее количество
|
|
Фундамент
|
|
|
|
|
|
|
|
Плиты ФЛ
|
100шт.
|
0,26
|
конструкции сборные
|
шт
|
100
|
26
|
|
|
|
раствор М75
|
м3
|
5,8
|
1,5
|
|
Блоки ФБС
|
100шт.
|
0,52
|
конструкции сборные
|
шт
|
100
|
52
|
|
|
|
раствор марки М75
|
м3
|
5,8
|
3
|
|
Гидроизоляция фундамента
|
100м2
|
5,13
|
Битумная мастика
|
т
|
0,41
|
2,1
|
|
Гидроизоляция фундамента
|
м3
|
5,13
|
Раствор М75
|
м3
|
1
|
5,13
|
|
Плиты перекрытия
|
|
|
|
|
|
|
|
сплошные
|
100 шт.
|
0,1
|
конструкции сборные
|
шт.
|
100
|
10
|
|
|
|
раствор М75
|
м3
|
8,7
|
0,87
|
|
|
|
изделия монтажные
|
т
|
0,12
|
0,012
|
|
|
|
Электроды Э-42
|
т
|
0,02
|
0,002
|
Методы производства
строительно-монтажных работ.
Перед началом производства земляных
работ на строительной площадке выполняется комплекс подготовительных работ:
расчистка территории, а также геодезические разбивочные работы.
После окончания указанных работ
выполняется следующий комплекс - по инженерному оборудованию территории, в
который входят: разработка грунта в траншеях, устройство дорог, укладка сетей,
обратная засыпка траншей.
Разработка котлованов и траншей
выполняется экскаваторами ЭО-3322, бульдозером Д-606. Вынутый грунт выводится
автосамосвалами.
Обратная засыпка грунта
осуществляется автосамосвалами с последующим разравниванием бульдозером и
уплотнением грунта виброкатком.
Для монтажа конструкций
предусматривается использовать типовую монтажную оснастку, позволяющую
осуществлять подъем, выверку и временное крепление элементов. Монтажные работы
производятся башенным краном - КБ-405.1А.
Выбор монтажного крана.
Здание имеет следующие размеры в
условных осях:
В = 12 м , L = 85,22 м, h0=20 м,
Максимальная масса конструкции
(лестничный марш с полуплощадкой ЛМП1) - 4,4 т, h = 1,8 м.
Максимальная масса наиболее
удаленной конструкции (плита покрытия П1 - 1,9 т).
Требуемая высота подъема крюка
определяется по формуле:
Hk = h0 + h + a + b,
где h0 - превышение опоры
монтируемого элемента, м;
h - высота верхнего монтируемого
элемента, м;
а = 0,5...0,8 м, принимаем 0,8 м;
b - конструктивная высота захватного
устройства, м, принимаем b = 5 м.
Тогда:
Нк1 = 11,34 + 1,8 + 0,8 + 5 = 18,94
м.
Нк2 = 17,04 + 0,22 + 0,8 + 5 = 23,06
м
Вылет крюка башенного крана:
L =l+d+A/2,
где l -ширина здания
l = 12+6=18 м;
d - минимальное расстояние от выступающей части здания до оси
ближайшего рельса, принимаем 3 м;
А - ширина колеи, принимаем 4,5 м;
Тогда l = 18 + 3 + 4,5 :2 = 23,55 м.
Принимаем башенный кран БК 405.1А со
следующими характеристиками:
максимальный
вылет крюка 25 м;
минимальный
вылет крюка 8 м;
грузоподъемность
при наибольшем вылете 6т;
высота
подъема крюка при максимальном вылете крюка 45 м;
высота
подъема крюка при минимальном вылете крюка 56 м;
ширина
колеи 4,5 м;
ширина
базы крана 11,81 м.
Трудоемкость и затраты машино-смен
на строительно-монтажных работах.
Таблица 3.3 - Ведомость трудоемкости
работ на возведение здания
|
№ п.п
|
Наименование работ
|
Единица измерения
|
Количество
|
Обоснование ЕНиР
|
норма времени на измеритель
|
Трудоемкость
|
Состав бригады
|
|
|
|
|
|
чел.ч
|
маш.ч
|
чел.дн
|
маш.см
|
|
|
Подготовительный период
|
|
1
|
Установка ограждения
|
100м
|
6,80
|
-
|
0,55
|
-
|
0,46
|
-
|
Плотник 2-4р 2-3р
|
|
3
|
Устройство временных сооружений и коммуникаций
|
Тыс.р.
|
8.8
|
-
|
-
|
-
|
160
|
-
|
Комплексная бригада
|
|
Земляные работы
|
|
4
|
Срезка растительного слоя
|
1000 м2
|
0,09
|
Е2-1-22
|
-
|
2,2
|
-
|
0,02
|
машинист 6р 1ч
|
|
5
|
Предварительная планировка площадки
|
1000 м2
|
0,09
|
Е2-1-35
|
-
|
0,19
|
-
|
0,002
|
машинист 6р 1ч
|
|
6
|
Отрывка котлована
|
100 м3
|
1,68
|
Е2-1-11
|
-
|
3,5
|
-
|
0,7
|
машинист 6р 1ч
|
|
7
|
Зачистка дна вручную
|
100 м3
|
3,5
|
Е2-1-30
|
3
|
-
|
1,2
|
-
|
землекоп 2р - 2ч
|
|
Монтаж подземной части
|
|
8
|
Установка фундаментных плит и блоков
|
шт
|
78
|
Е4-1-1
|
0,51
|
0,17
|
4,8
|
1,6
|
машинист 6р-1ч,мон-тажники 5р-1ч;4р-1ч; 3-1ч; 2 р -1ч
|
|
9
|
Устройство вертикальной гидроизоляции фундаментов
|
100 м2
|
5,13
|
Е4-1-7
|
8,1
|
-
|
5,06
|
-
|
изолировщик 3р-1ч; 2р-2ч
|
|
10
|
Устройство горизонтальной гидроизоляции фундаментов
|
100 м2
|
0,58
|
Е4-1-7
|
1,6
|
-
|
0,11
|
|
изолировщик 3р-1ч; 2р-2ч
|
|
11
|
Обратная засыпка пазух, устройство грунтового пола
|
100 м3
|
0,08
|
Е2-1-58
|
0,81
|
|
0,007
|
|
землекоп 2р - 2ч
|
|
12
|
Уплотн. грунта пневмотромб.
|
100м3
|
1,54
|
-
|
2,1
|
-
|
0,39
|
-
|
землекоп 2р - 2ч
|
Объектный стройгенплан.
Объектный стройгенплан составлен на
период монтажа надземной части здания.
Стройгенплан указывается:
граница строительной площадки и виды
ее ограждений,
постоянные и временные дороги,
временные надземные сети,
мест установки строительных и
грузоподъемных машин с указанием путей их перемещения и зон действия,
размещение постоянных, строящихся и
временных зданий и сооружений,
опасные зоны,
разбивки сооружаемого здания на
захватки,
размещения источников и средств
энергосбережения и освоения строительной площадки с указанием расположения
заземляющих контуров,
мест расположений устройств для
удаления строительного мусора,
площадок и помещений складирования
материалов и конструкций,
расположение помещений для
санитарно-бытового обслуживания строителей, мест отдыха.
Ширина проезжей части временных
дорог составляет не менее 4 м, радиусы закругления 12 м.
Технологическая карта на монтаж
лестничных маршей.
Карта предназначена для внедрения
рациональных приемов при укладке лестничных маршей весом до 2 т со склада с
помощью крана.
Технологическая карта на монтаж
лестничных маршей приведена на листе формата А1.
На монтаже лестничных маршей занято
звено в следующем составе:
Монтажник 5р - 1 чел.
Монтажник 4р - 1 чел.
Такелажник 2р - 1 чел.
Машинист крана - 1 чел.
Выработка на 1 чел. - день
лестничных маршей - 12;
затраты труда на 1 лестничный марш,
чел-час - 0,6.
В затраты труда включено время на
подготовительно-заключительные работы и отдых.
Укладка лестничных маршей
выполняется в следующем порядке:
подготовка опорной поверхности,
подготовка марша к строповке,
строповка и подача к месту укладки,
устройство постели из раствора,
укладка лестничного марша,
выверка и растроповка.
Складировать сборные железобетонные
конструкции нужно на деревянные подкладки с устройством укрытия из рулонных
материалов.
Обеспечение качества
строительно-монтажных работ.
Высокое качество СМР обеспечивается
строительной организацией путем осуществления комплекса технических,
экономических и организационных мер, а также контрольных мероприятий со стороны
заказчика в лице технадзора.
Должна быть проведена проверка
рабочей документации на ее комплектность и достаточность содержания в ней
технической информации для производства работ.
Поступающие на стройплощадку
строительные конструкции, изделия, материалы, оборудование следует проверять
внешним осмотром в соответствии со СНиП 3.01.01-85*, акты освидетельствования
скрытых работ составлять на завершенный процесс строительства.
Освидетельствование скрытых работ и
составление актов в случаях, когда последующие работы должны начинаться после
перерыва, следует производить непосредственно перед производством последующих
работ. Во всех случаях запрещается выполнение последующих работ при отсутствии
актов освидетельствования скрытых работ.
При приемке, предельные отклонения
смонтированных конструкций принять согласно п.54 СНиП 3.03.01-87.
Контроль сварных соединений
осуществлять в соответствии с требованиями п.4.66 СНиП 3.03.01-87.
Технико-экономические показатели
объекта.
Таблица 3.4 - Технико-экономические
показатели объекта
|
№ п/п
|
Наименование
|
Единица измерения
|
Количество
|
|
1
|
Строительный объем
|
м3
|
16900
|
|
2
|
Количество квартир
|
шт.
|
52
|
|
3
|
Общая площадь квартир
|
м2
|
4343
|
|
4
|
Полная сметная стоимость
|
тыс. руб.
|
3336,974
|
|
5
|
Продолжительность строительства
|
мес.
|
5
|
|
в т.ч. подготовительного периода
|
мес.
|
0.5
|
|
6
|
Трудоемкость строительно-монтажных работ
|
чел.-дн.
|
13184
|
Технические решения соответствуют
требованиям экологических, санитарно-гигиенических, противопожарных и других
действующих норм и правил и обеспечивает безопасную для жизни и здоровья людей
эксплуатацию объекта при соблюдении предусмотренных рабочими чертежами мероприятий.
.2 Технологическая карта на
устройство перегородок
Область и эффективность применения
карты.
Технологическая карта разработана на
устройство перегородок из кирпича в соответствии с требованиями СНиП
3.01.01-85* «Организация строительного производства», СНиП 3.03.01-87 «Несущие
и ограждающие конструкции», СНиП III-4-80* «Техника безопасности в строительстве».
В состав работ, рассматриваемых
картой входит: кладка перегородок толщиной 1/2 кирпича и 1/4 кирпича.
При привязке технологической карты к
конкретному объекту и условиям строительства, принятый в карте порядок
выполнения работ, средства механизации уточняются в соответствии с проектными
решениями.
Организация и технология
строительного производства.
Подготовительные работы. До начала
кладки перегородок из кирпича необходимо:
. закончить кирпичную кладку
наружных и внутренних стен этажа;
. осуществить входной контроль
поступающего на объект кирпича керамического согласно требованиям ГОСТ СТБ
1160-99 раствора ГОСТ 28013-89 и проекта;
. доставить на рабочее место
необходимые материалы, инструменты и приспособления;
. произвести разметку продольной
оси, мест примыкания к капитальным стенам здания и местоположение проекта;
. устроить освещение рабочего места
на период работы в темное время суток;
. ИТР и рабочих ознакомить с.
технологией производства работ, рабочими чертежами проекта, проектом
производства работ и данной картой.
Доставку кирпича, на объект
осуществляют пакетами в пециально оборудованных бортовых машинах.
Раствор на объект доставляет
самосвалами или растворовозами и выгружают в установку для перемешивания и
выдачи раствора.
Складирование кирпича предусмотрено
на спланированной площадке на поддонах. (Рис. 3.1).
Разгрузку кирпича с автомашин и
подачу на склад осуществляют с помощью двухпетлевых строп (рис. 3.2). Подачу
кирпича на рабочее место осуществляют в защитной сетке-контейнере (рис. 3.2).
Раствор подают на рабочее место в
ящиках для раствора вместимостью 0,25м3 (рис. 3.3).
Технологическая последовательность
работ по устройству перегородок из кирпича.
Делают разметку перегородки,
натягивают причалку, устанавливают порядовки.
Рисунок 3.1. Схема складирования
кирпича

Рисунок 3.2. Строповка ящиков с
раствором поддона с кирпичом
Выкладывают первый ряд кирпича по
причалке на выровненный по маякам слой раствора.
Затем, установив причальный шнур на
риске следующего ряда порядовки, на уложенный слой раствора, выкладывают
очередной ряд кирпича перегородки.
Кладку ведут с перевязкой швов.
Кладку перегородок выше 1,3 м от
пола ведут с инвентарных подмостей, соответствующих требованиям ГОСТ 24258-88.
Устойчивость перегородок
обеспечивается вертикальными штрабами, составленными в местах примыкания к
капитальным стенам.
Установку креплений перегородок в
местах примыкания их к бетонным стенам и потолкам следует выполнять в
соответствии с проектом.
Армирование кирпичных перегородок в
1/4 кирпича является обязательным и выполняется в соответствии с проектом.
Работы по кладке кирпичных
перегородок ведут:
каменщик 4 разряда К1;
каменщик 2 разряда К2;
маш. монт. крана 5 разряда;
такелажник 2 разряда.
К1 и К2 выкладывают нижний ряд
кирпича по причалке на выравненный по маякам слой раствора.
Закончив кладку первого или
очередного ряда перегородки, К1 ослабляет на порядовке фиксатор натяжения
причального шнура. Затем одной рукой поднимая хомутик, а другой, поддерживая
порядовку, устанавливает хомутик на риске следующего ряда и закрепляет его
винтом. Такую же операцию выполняет и на второй порядовке, после чего, натянув
шнур, проверяет его горизонтальность.
Каменщик К2 берет двумя руками с
поддона кирпичи и раскладывает их на выложенной перегородке плашмя, вплотную
один к другому, на расстоянии 75см от начала кладки, оставляя место для
растилки раствора. Так укладывает 6 кирпичей, после чего расстилает раствор.
Перед подачей раствора на
перегородку каменщик К2 перелопачивает его в ящике до получения однородной
массы. Затем лопатой подает раствор на перегородку и поставив лопату наклонно
на боковую грань, расстилает его грядкой шириной около 10см, толщиной 2-2,5см,
длиной 75см. После того, как каменщик К1 уложит 3 кирпича, каменщик К2
укладывает раствор еще под 3 кирпича.
Каменщик К1 ведет кладку впритык.
Сначала кельмой разравнивает раствор под 3 кирпича. Затем, держа кирпич левой
рукой в наклонном положении, тычковой гранью загребает часть разостланного
раствора и двигает его к ранее уложенному кирпичу, создавая полный вертикальный
шов. После этого выравнивают кирпич заподлицо с поверхностью перегородки
легкими ударами ручки кельмы осаживая , кирпич до уровня причального шнура, с
тем, чтобы зазор между шнуром и кирпичом не превышал 1-2 мм. Выжатый на лицевую
сторону стены раствор подрезает кельмой и забрасывает в вертикальный шов
кладки. Затем укладывает еще 3 кирпича на этом же участке.
Рисунок 3.3. Разметка и закладка
перегородки: 1 - причалка; 2 - порядовка; 3 - ось перегородки; 4 - заложенный
ряд перегородки
Требования к качеству и приемке
работ.
Работы по возведению кирпичных
перегородок следует вести в соответствии с рабочими чертежами и их указаниями
по виду материалов, применяемых для кладки, их проектной марки по прочности и
морозостойкости, марки раствора для производства работ, а также в соответствии
с указаниями проекта производства работ по способу кладки и обеспечению
прочности конструкций в стадии возведения и указаниями данной технологической
карты.
Приемочный контроль осуществляют
согласно СНиП 3.03.01-87 «Несущие и ограждающие конструкции».
|
Наименование операций подлежащих контролю
|
Контроль качества выполнения операций
|
|
Прорабом
|
Мастером
|
Состав
|
Способы
|
Время
|
Привлек службы
|
|
Приемка, складир. И к онтр. качества материал.
|
Качество кирпича и раствора
|
Визуально и паспортом
|
До начала работ
|
Строит. лаборат.
|
|
Разметка и подгот. основан. под перегород.
|
Качество основания и соответствие проекту места установки
|
Основание визуально, разметка метром, рейкой и отвесом
|
До начала работ
|
|
|
Кладка перегород.
|
Горизонтальность рядов, перевязка кладки, толщ. швов и
заполнение раствором, ровность поверхности, вертикальность
|
Вертикальность отвесом, толщ. швов визуальн. геометрич. размеры
метром и стальной рулеткой
|
В процессе произвол. работ
|
Мастер (прораб)
|
Основные требования приемочного
контроля
Таблица 3.6 - Основные требования
приемочного контроля
|
N позиции
|
Параметр
|
Предельн. допуст. отклонен., мм
|
|
1
|
Отклонение поверхностей и углов кладки от вертикали на один этаж
|
10
|
|
2
|
Отклонение рядов кладки от горизонтали на 10 м длины стены
|
15
|
|
3
|
Неровности на вертикальной поверхности кладки, обнаруженные при
накладывании рейки длиной 2 м
|
10
|
|
4
|
Толщина швов укладки горизонтальных вертикальных
|
-2;+3 -2; +2
|
Рисунок 3.4. Кладка перегородок по
шаблону из инвентарных щитов
Рисунок 3.5. Допускаемые отклонения
при устройстве кирпичных перегородок
Техника безопасности.
Работы по кирпичной кладке
перегородок выполняют с _ соблюдением правил СНиП Ш-4-80* «Техника безопасности
в строительстве», рабочих чертежей, проекта производства работ и настоящих
указаний. Необходимо пользоваться инструкциями по эксплуатации применяемых
машин и оборудования.
Уровень кладки после каждого
перемещения подмостей должен быть не менее, чем 0,7 м выше уровня рабочего
настила или перекрытия. При несоблюдении этого условия рабочие должны работать
с монтажными поясами, привязанными к устойчивым конструкциям.
Применяемые для подъема материалов
захватные приспособления должны быть надежными и не допускающими выпадения
материалов.
Нагрузка на настилы лесов и
подмостей не должна превышать 250 кгс/м. Настилы лесов должны быть ограждены
перилами высотой не менее 1 м.
Скопление людей на настилах в одном
месте запрещено.
Устанавливать подмости следует на
ровное основание. Запрещается подкладывать под опоры подмостей кирпич, поддоны
и т.п.
Применять подмости разрешается
только после проведения их испытаний с участием инженера по технике
безопасности и составления соответствующего акта.
Каменщики должны быть обеспечены
монтажными касками, соответствующими требованиям ГОСТ 12.4.087-84.
4. Экономика строительства
.1 Пояснительная записка
1. Город
строительства объекта - г. Гомель, код зоны - 1.
. Сметная
документация составлена в ценах на 01 апреля 2017 года.
. Для составления
сметной документации использовались сборники по норматива расхода ресурсов (НРР
8.01.105-2012).
. Нормы
общехозяйственных и общепроизводственных расходов и плановой прибыли:
Таблица 4.1
|
ОХРиОПР
|
ПП
|
|
- общестроительные работы
|
57,02
|
63,54
|
|
-внутренние с/технические работы
|
70,26
|
66,8
|
|
- монтаж оборудования
|
33,35
|
33,91
|
|
- электромонтажные работы
|
51,69
|
36,85
|
|
- монтаж металлических конструкций
|
49,59
|
61,29
|
|
- прокладка и монтаж сетей связи
|
66,27
|
33,91
|
|
- теплоизоляционные работы
|
59,54
|
45,46
|
. Временные здания
и сооружения - 5,2 %.
. Дополнительные
затраты при производстве строительно-монтажных работ в зимнее время - 2,48 %.
. Нормативы
средств, включаемые в главы 9-12 сводного сметного расчета:
Средства, связанные
с отчислениями на социальное страхование 34%.
Средства, связанные
с подготовкой объекта к приемке в эксплуатацию 0,306%.
Средства на
содержание застройщика, заказчика (инженерной организации) 1,38%.
Средства на
мониторинг цен (тарифов), расчет индексов цен в строительстве 0,07%.
Средства на
осуществление авторского надзора 0,2%.
резерв на
непредвиденные работы и затраты - 2,4%.
- затраты, связанные с подготовкой
объекта к приемке в эксплуатацию − 0,306;
резерв на непредвиденные работы и
затраты - 3,0 %,
в т.ч. затраты по
мониторингу цен (тарифов), расчету индексов цен в строительстве - 0,09.
5. Охрана труда
.1 Разработка мероприятий по охране
труда в период реконструкции здания
До начала реконструкции на площадке
сооружают подъездные пути и внутрипостроечные дороги, обеспечивающие удобные
подъезды тяжеловесной технике, осуществляющих подвоз материалов. Деталей,
конструкций и приспособлений. Как правило, дороги устраивают сквозные с
местными, уширениями для разгрузки грузов.
Для обеспечения безопасности
производства работ в темное время суток все места возможного выполнения работ
подлежат освещению в соответствии с ТКП 45-2.04-153-2009.
До начала строительных работ в
соответствии с проектом в безопасной зоне возводят все необходимые санитарные,
административные и бытовые помещения.
В зоне административных и бытовых
помещений помимо бытовых, устанавливают передвижной медпункт, сушильную
комнату, технический кабинет, где оборудуются стенды по технике безопасности.
К зонам постоянно действующих
опасных производственных факторов относятся участки: вблизи неизолированных
токоведущих частей электроустановок, места перепадов по высоте более 1,3 м,
зоны, где находятся вещества с концентрацией вредных веществ выше предельно
допустимых.
Для предупреждения доступа
посторонних лиц в указанные опасные зоны применяют защитные ограждения в виде
сборно-разборных деревянных или других щитов с унифицированными элементами,
соединениями и деталями крепления.
Обязательно должна быть определена и
обозначена на местности опасная зона перемещения груза башенным краном, в
которой не допускается нахождение посторонних лиц, выполнение работ, не
связанных с монтажными работами, размещение бытовых городков административных и
временных сооружений.
Работающих в опасной зоне людей
обеспечивают средствами индивидуальной и коллективной защиты и инструктируют по
правилам техники безопасности и охраны труда в данной опасной зоне.
Для обеспечения безопасности
перемещения механизмов монтажную площадку выравнивают.
На монтажной площадке
предусматривают условия стока атмосферных вод через временную водосточную сеть.
Зоны, опасные для движения,
ограждают либо выставляют на их границах предупредительные надписи и сигналы,
видимые днем и ночью. Проходы для рабочих расположенные на уступах, откосах и
косогорах с уклоном более 20%, оборудуют стремянками или лестницами с
односторонними перилами, в местах перехода через траншеи делают мостики шириной
не менее 0,6 м с перилами высотой 1 м.
Машины и оборудование размещают на
площадке так, чтобы не загромождать проходы и проемы. На машинах и механизмах
должны быть установлены приспособления, обеспечивающие безопасность труда.
Особое внимание при этом обращают на ограждение движущихся частей механизмов.
Сигнализация на машинах должна быть в исправном состоянии. На машинах и в зоне
их работы вывешивают предупредительные надписи и плакаты, по технике
безопасности.
Для защиты людей от поражения
электрическим током временные электрические установки и сети на строительстве
выполняют с изолированным проводом, его подвешивают на высоте не менее 2,4 м
над рабочим местом, 3,5 м над проходами и 5 м над проездами.
Строительные машины и механизмы,
электродвигатели и другие устройства на строительстве, которые могут оказаться
под напряжением, заземляют в соответствии с утвержденными инструкциями по
электробезопасности.
Все установки, находящиеся под
напряжением, снабжают надписями, предупреждающими об опасности. К работе с
электрифицированным и пневматическим инструментом допускаются только лица,
прошедшие производственное обучение и овладевшие правилами работы с ними.
Каменщики и монтажники, работающие на высоте должны работать с испытанными и
проверенными монтажными поясами. Выполнять работы на высоте с лесов, подмостей
разрешается только после проверки этих средств подмащивания производителем
работ или мастером.
При электросварочных работах рабочие
места сварщиков, электропровода и электрооборудование должны быть ограждены. На
ограждениях вывешивают предупредительные вывески и плакаты. Корпуса
электрооборудования, а также свариваемые конструкции и элементы заземляют.
Запрещается вести сварочные работы в
непосредственной близости от огнеопасных и легко воспламеняющихся материалов и
конструкций. На высоте сварочные работы разрешается вести, после того как будут
приняты меры против возгорания настилов и падения расплавленного металла на
работающих или проходящих внизу людей.
При ветре в 6-ть и более баллов
прекращают каменные и монтажные работы на высоте и в открытых местах. Также при
гололеде, грозе, тумане, снижающем видимость.
Рабочие места каменщиков и
монтажников должны быть защищены от ударов молний. С этой целью устраивают
молниеприемники (громоотводы), которые располагают выше наиболее высоких частей
каркаса не менее чем на 6 м. Исправность заземления проверяют не реже одного
раза в месяц.
Находится непосредственно под
башенным краном, в зоне строповки и складирования, а также производить
стропильные работы могут только людиимеющие удостоверение стропальщика. Ходить
по подкрановым путям строго запрещено.
Все лица, занятые на строительною -
монтажных работах должны быть обучены приемам оказания первой доврачебной
помощи и могут быть допущены к работе только после вводного инструктажа по
технике безопасности, производственной санитарии, а также инструктажа
непосредственно на рабочем месте.
.2 Мероприятия по охране труда при
монтаже лестничных маршей
Основными причинами несчастных
случаев во время монтажных работ являются:
- неисправность приёмных механизмов,
тросов и чалочных приспособлений;
падение монтируемых изделий и
предметов с высоты из-за неправильной строповки;
несоблюдение последовательности
работ при монтаже и др.
Руководить работами по монтажу
лестничных маршей должны опытные инженерно-технические работники строительных
организаций. К таким работам допускаются лица не моложе 18 лет, имеющие стаж не
менее года и 3 разряд. Они снабжаются предохранительными поясами, касками и
нескользящей обувью. На участке, где ведутся монтажные работы, не допускается
выполнение других работ и нахождение посторонних лиц.
До выполнения монтажных работ
необходимо установить общий порядок обмена условными сигналами между
руководителем работ и крановщиком. Все сигналы подаются только одним лицом,
кроме сигнала «стоп», который может быть подан любым работником, заметившим
явную опасность.
Монтаж конструкций каждого
последующего яруса здания следует производить только после надёжного
закрепления элементов предыдущего яруса.
Не допускается пребывание людей на
элементах конструкций во время их подъёма и перемещения, а при перерывах в
работе - оставлять поднятые элементы на весу. Во время перемещения они должны
удерживаться от раскачивания и вращения гибкими оттяжками. Расстроповка
элементов конструкций, установленных в проектное положение, производится только
после постоянного или временного надёжного их закрепления.
Запрещается подъём конструкций, не
имеющих монтажных петель или меток, обеспечивающих их правильную строповку.
Монтажная оснастка должна
удовлетворять требованиям стандартов и технических условий на монтажные
приспособления. Конструкция монтажных приспособлений должна обеспечивать:
быстрое и свободное выполнение
операций, связанных с их установкой или снятием и выверкой элементов
конструкций зданий и сооружений;
устойчивость элементов конструкций
зданий и сооружений до их закрепления в соответствии с проектом;
ремонтопригодность и
взаимозаменяемость узлов и деталей;
исключение заклинивания и
самопроизвольного раскрытия соединений деталей.
Важное значение для обеспечения
безопасности монтажных работ имеет выбор такелажных приспособлений, средств,
грузозахватных устройств и приспособлений для подъёма строительных конструкций,
их выверки и временного закрепления.
Строповку строительных конструкций
следует производить по заранее разработанным схемам. Для строповки конструкций
целесообразно применять инвентарные стропы, захваты или специальные траверсы.
Строповка грузов - одна из
ответственных операций при выполнении такелажных работ. Конструкции стропов
должны обеспечивать полную безопасность и удобство работ, а также возможность
быстрой строповки и расстроповки грузов. Стропы для такелажных работ чаще всего
изготовляют из стальных канатов. Число ветвей строп, на которых подвешивают
груз, выбирают в зависимости от массы поднимаемого груза и диаметра каната.
Важным фактором безопасного ведения
монтажных работ является правильная организация рабочего места, включая систему
мероприятий по оснащению рабочего места необходимыми техническими средствами.
Организация рабочего места должна обеспечивать безопасность труда, а также
безопасный и удобный доступ к рабочим местам.
Остаётся справедливым одно из
основных требований безопасности труда в отношении организации безопасных
условий труда монтажников - применение защитных приспособлений в местах
производства монтажных работ.
Состояние охраны труда на рабочих
местах влияет на уровень производительности труда рабочих. Там, где рабочее
место находится в непосредственной близости от незащищённых ограждениями
проёмов или края перекрытия, рабочий чувствует себя скованно. В этих условиях
он всё время будет опасаться падения с высоты. Поскольку рабочий рассеивает
своё внимание на этих факторах, ритм труда не устанавливается, выработка его
снижается, а утомляемость в процессе такой работы быстро нарастает.
Мероприятия по обеспечению
безопасных условий труда на высоте, подъёме и спуске, организация рабочего
места определяются заранее - при разработке проекта производства работ, где
указываются необходимые монтажные приспособления, ограждения и их расположение.
5.3 Расчёт
параметров стропа, используемого для монтажа лестничных маршей
Строповку
строительных конструкций производят по заранее разработанным схемам. Чтобы
определить технические данные гибких стропов, необходимо произвести расчёт
усилия (натяжения) в одной ветви стропа:
S = Q/(m∙cosα) = kQ/m = 1,54∙15,3/4 = 5,9 кН;
где S - расчётное усилие, приложенное к
стропу, без учёта коэффициента перегрузки и воздействия динамического эффекта,
кН;
Q - вес поднимаемого груза (Q = 1,53 т);
m - общее число ветвей стропа (m = 4);
α - угол между направлением действия расчётного усилия стропа и
вертикалью (α = 480);
k - коэффициент, зависящий от угла наклона α ветви стропа к
вертикали. (для α =480 k = 1,54)
Определяем
разрывное усилие в ветви стропа:
R = S∙k3 = 6∙5.9 = 36 кН,
где k3 - коэффициент запаса прочности для
стропа, определяемый в зависимости от типа стропа.
По найденному
разрывному усилию подбираем канат типа ТК6х19 (ГОСТ 3070-74) диаметром 11 мм с
временным сопротивлением разрыву проволоки 1400 МПа, имеющий разрывное усилие
52550 Н.
5.4 Мероприятия по охране труда в
период эксплуатации здания
Электробезопасность.
Настоящий раздел разработан на
основании архитектурно-строительной и сантехнической частей проекта в
соответствии с требованиями:
– ТКП 45-2.04-153-2009
“Естественное и искусственное освещение”;
– П2-2000 к СНИП 2.08.01-89
“Электроустановки жилых и общественных зданий”;
– Правилами устройства
электроустановок. Издание шестое;
– ГОСТ 30331-2001
“Электроустановки здании”.
Электроприемники проектируемого здания
по степени надежности электроснабжения относятся к потребителям 2-ой категории.
Электроснабжение здания выполняется
от разных секции шин ТП по двум питающим кабельным линиям - основной и
запасной. Встроенные помещения запитываются отдельно, через свои
электрощитовые. Все электрощитовые расположены на первых этажах.
Для приема, распределения и учета
электроэнергии проектом предусмотрено вводно-распределительное устройство типа
ВРУ1.
Питание квартир осуществляется через
этажные щитки типа ЩЭ-3000, которые расположены в нишах.
В проекте принято рабочее и
эвакуационное освещение.
Во всех помещениях квартир
устанавливаются розетки с заземляющим контактом.
В качестве дополнительной меры
безопасности от поражения электрическим током используются устройства защитного
отключения (У30).
С целью уравнивания потенциалов все
металлические строительные конструкции, стальные трубы коммуникаций,
металлические элементы систем отопления и вентиляции, а также металлические
элементы кровли должны быть присоединены к общей сети заземления здания
(РЕ-проводник).
Электрические аппараты, розетки и
другое электрооборудование установить на расстоянии не менее 0,5 м, а щиты - на
расстоянии не менее 1 м от заземленных трубопроводов, технологического и
сантехнического оборудования.
В зданиях, оборудованных скрытой
электропроводкой, металлические санитарные приборы должны быть заземлены.
Высота установки штепсельных розеток
над уровнем чистого пола - 800 мм, выключателей освещения - 1500 мм.
Противопожарные
мероприятия
Степень огнестойкости
здания по минимальным пределам огнестойкости основных строительных конструкций
принята по СНиП 2.01.01-85* - II. Класс функциональной пожарной опасности в соответствие с СНБ
2.02.01-98 - Ф 1.3
Мероприятия по
эвакуации людей из здания предусмотрены в соответствии с требованиями СНБ
2.02.02-01.
Проектируемое здание II степени огнестойкости,
в связи с этим, степень огнестойкости основных несущих конструкций (стен,
перекрытий) приняты не ниже II. Двери выхода на чердак, на крышу, в
электрощитовую предусмотрены трудносгораемыми. Предел огнестойкойкости
указанных дверей 0,75 часа.
Предел огнестойкости строительных
конструкций устанавливается по времени (в минутах) наступления одного или
последовательно нескольких, нормируемых для данной конструкции, признаков
предельных состояний:
потери несущей способности (R);
потери целостности (Е);
потери теплоизолирующей способности
(I).
Пределы огнестойкости строительных
конструкций и их условные обозначения устанавливают по ГОСТ 30247. При этом
предел огнестойкости окон устанавливается только по времени наступления потери
целостности (Е).
Выход на чердак и крышу
осуществляется с основной лестничной клетки по лестнице.
Все перечисленные двери, а также
входные двери в здание и квартиры предусмотрены с прокладками в притворах.
Электропроводка - скрытая,
выполняется в штробах стен, каналах и бороздах железобетонных плит. Выводы
каналов в лунки и отверстия разделываются асбестом.
Эвакуация из здания
предусмотрена по лестничной клетке наружу.
Лестничные клетки запроектированы с
естественным освещением через окна в наружных стенах. Лестничная клетка должна
быть проветриваемой и шириной не менее необходимой для безопасной эвакуации
людей и составляет 2700 мм. Лестницы выходят на пятый этаж, откуда есть выход
на чердак. Между маршами лестниц предусматривают зазор шириной не менее 100 мм.
Все квартиры имеют лоджии. Все
лоджии здания оборудованы противопожарными лестницами. Смежные лоджии секций
имеют проходы, позволяющие перейти в другую секцию.
Для обнаружения пожара в помещениях
квартир предусматривается установка автономных пожарных извещателей (АПИ) марки
ИП 212-03. Электропитание датчиков осуществляется от индивидуальных элементов.
Наружное
пожаротушение предусмотрено от двух проектируемых пожарных гидрантов,
размещаемых в коллекторах городской водопроводной сети.
В соответствии с "Инструкцией
по устройству молниезащиты зданий и сооружений", молниезащита здания не
требуется и проектом не предусматривается.
Все применяемые при
строительстве отделочные и теплоизоляционные материалы, ограждающие
строительные конструкции, должны иметь сертификат соответствия требованиям
пожарной безопасности.
6. Охрана окружающей среды
.1 Благоустройство и охрана
окружающей среды
Проектом предусматривается
реконструкция существующего здания общежития под жилой дом с перепланировкой и
доведением наружных ограждающих конструкций до действующих нормативов.
Отвод поверхностных и хозбытовых
стоков предусматривается в существующие сети.
Теплоснабжение от существующих
городских сетей.
Благоустройство территории
заключается в устройстве проездов с асфальтобетонным покрытием, пешеходных
дорожек с плиточным покрытием, установке малых форм архитектуры.
Количество строительного мусора 707
т. Место его вывоза - полигон ТБО. Место временного складирования мусора
указывается строительной организацией при разработке плана производства работ.
Проектом предусматривается посадка
деревьев, устройство цветников и создание газона.
Гостевые стоянки предусмотрены
согласно нормам.
У выезда с территории строительства
предусмотрена специальная площадка для мойки колес строительного автотранспорта
из брандспойта или с помощью мобильной установки. Перед площадкой устраиваются
дренажная канава с каркасно-засыпным фильтром, состоящим из щебня, песка и
опилок, из которой по водоотводной асбестоцементной трубе отфильтрованная вода
сбрасывается в отстойник и отфильтровывается в грунт. Опилки меняются по мере
загрязнения. Отработанные опилки вывозятся на полигон, согласованный с СЭС.
Во время производства
строительно-монтажных работ почвенный слой не должен орошаться маслами и
горючим при работе двигателей внутреннего сгорания. Технический уход и мелкий
ремонт строительных машин осуществляется только в специально отведенных местах.
Запрещается сжигание горючих отходов
и строительного мусора. Сброс мусора с верхних этажей осуществляется с помощью
специальных лотков.
Во время демонтажных работ, погрузке
и перегрузке пылящие материалы необходимо увлажнять.
С целью уменьшения шума от
производства строительных работ запрещается работа механизмов в холостую.
В непосредственной близости
охраняемых природных территорий и объектов нет.
.2 Шумовое загрязнение среды
обитания
Воздействие шума.
Воздействие шума на каждого человека
сложно и неоднозначно. Объективными критериями считается уровень (интенсивность)
и высота звуков, составляющих шум, а также продолжительность его воздействия.
Отдых и сон считаются полноценными,
когда шум не превышает 25-35 дБ. На шумных предприятиях некоторые категории
людей работают при шуме до 70 дБ. В учреждениях и на предприятиях шум достигает
40-60 дБ. Кратковременно допустим шум в 80 дБ. Более сильный шум вреден.
Болевой порог лежит обычно в пределах 120-130 дБ, за которым возможно
непосредственное повреждение слухового аппарата.
Продолжительность шумового
воздействия, особенно повышенной интенсивности, оказывает вредное влияние на
функции слухового аппарата и общее здоровье человека.
Основными источниками внешнего шума
является транспорт, а также некоторые виды производства и строительство. В
городах, на магистралях, на станциях, в портах, на аэродромах внешний шум
создают главным образом транспортные средства.
Установлено, что интенсивность шума
(в дБ) составляет:
Таблица 6.1
|
легкового автомобиля
|
70-80
|
|
автобуса
|
80-85
|
|
грузового автомобиля
|
80-90
|
|
мотоцикла
|
90-95
|
|
поезда метро
|
90-95
|
|
обычного поезда
|
95-100
|
|
самолета на взлете
|
110-130
|
Указанные цифры характеризуют
усредненный уровень шума. В зависимости от типа двигателей, скорости движения,
режима работы, технического состояния средства и ряда других факторов интенсивность
шума может существенно колебаться.
Таким образом, транспортные средства
являются источниками, прежде всего шумов, беспокоящих всех людей, находящихся в
пределах их досягаемости.
Суммарный шум от больших
транспортных потоков достигает высокого уровня (90-95 дБ) и стоит на
магистралях почти круглосуточно.
В нашей стране по нормам Минздрава
РБ для сна и отдыха шум не должен превышать 25 дБ ночью и 35 дБ днем. На
предприятиях нормы интенсивности шума колеблются в пределах 40-70 дБ в
зависимости от специфики процессов производства.
Наиболее доступны и желательны во
многих других отношениях ограждения жилых кварталов от чрезмерных транспортных
шумов шумозащитными лесными полосами. Посадка вдоль деятельных шумных
магистралей густых деревьев и кустарников, а в отдельных случаях сооружение
антишумовых экранов может значительно ослабить шум в жилых домах.
Уже стало правилом для проектных и
строительных организаций городов учитывать при возведении всех городских
сооружений проблему защиты людей от чрезмерного шума. В этом отношении
выработан ряд типовых доступно эффективных решений. Так, при планировке жилых
улиц стремятся как можно дальше отодвинуть жилые дома от наиболее загруженных
транспортных магистралей. При недостатке площадей ближе к оси улицы ставят магазины
и др. Эти сооружения играют роль некоторых экранов по отношению к жилым домам,
образуя звуковую тень.
Обеспечение норм шума в жилом
массиве.
В соответствии с действующими
нормами уровень шума в жилых массивах должен составлять: днем - не более 60 дБ,
ночью - 50 дБ, в жилых домах - соответственно 35 и 25 дБ.
Снижение уровня шума У в городских
условиях вычисляют по формуле:
;
где
- уровень шума на расстоянии 7 м от источника, дБ;
-
снижение шума в результате сферического характера распространения волн в
атмосфере, дБ;
-
снижение шума под влиянием поверхности земли, дБ;
-
снижение шума под влиянием зеленых насаждений, дБ;
-
снижение шума экранирующими устройствами, дБ;
,
N - интенсивность движения транспорта, N = 500 авт./час;
- сумма поправок, учитывающая отклонения условий от типичных;
;
-
правка на соотношение общественного и тяжелого грузового транспорта в потоке,
;
-
поправка на отклонение скорости движения
;
-
поправка на уклон дороги,
;
- при
наличии общественного транспорта по оси улицы,
.
;
-
расчетное расстояние, м;
дБ;
-
коэффициент поглощения шума, для асфальта - 0,9; газона - 1,1.
дБ;
-
коэффициент снижения звуковой энергии зелеными насаждениями,
;
Тогда
дБ;
дБ.
Что не превышает нормируемого уровня
шума для жилых зданий.
6.3 Концентрация загрязняющих
веществ
Санитарно - защитная зона от
автодороги.
Автомобильный транспорт в процессе
работы выделяет выхлопные газы, приводящие к загрязнению окружающей среды. В
близи оживленных магистралей содержание оксида углерода, являющегося наиболее
опасным в атмосфере может превышать предельно-допустимую максимальную разовую
концентрацию в несколько раз.
Концентрация углекислого газа
определяется по формуле в зависимости от среднечасового количества транспорта,
с увеличением его в час-пик в 1.5 раза.
мг/м3,
Для предотвращения воздействия
опасного фактора на человека в месте его круглосуточного пребывания необходимо
размещать жилые здания на расстояниях обеспечивающих концентрацию оксида
углерода менее предельно- допустимой концентрации, что достигается устройством
санитарно-защитной зоны вдоль оживленных магистралей.
Санитарно - защитная зона составит:
м,
где
мг/м3
-
учитывает скорость и состав транспортного потока,
- учитывает продольный уклон дороги.
Т.о. санитарно-защитная зона д.б. не
менее 92 метров.
При наличии зеленых насаждений
прилегающих к дороге расстояние может быть уменьшено. Размер санитарной зоны
обеспечивается.
6.4 Охрана окружающей среды в процессе
строительства
При организации строительного производства
необходимо осуществлять мероприятия и работы по охране окружающей природной
среды, которые должны включать рекультивацию земель, предотвращение потерь
природных ресурсов, предотвращение или очистку вредных выбросов в почву,
водоемы и атмосферу. Указанные мероприятия и работы должны быть предусмотрены в
проектно-сметной документации.
Производство строительно-монтажных работ в
пределах охранных, заповедных и санитарных зон и территорий следует
осуществлять в порядке, установленном специальными правилами и положениями о
них.
На территории строящихся объектов не допускается
непредусмотренное проектной документацией сведение древесно-кустарниковая
растительности и засыпка грунтом корневых шеек и стволов растущих деревьев и
кустарника.
Выпуск воды со строительных площадок
непосредственно на склоны без надлежащей защиты от размыва не допускается. При
выполнении планировочных работ почвенный слой, пригодный для последующего
использования, должен предварительно сниматься и складироваться в специально
отведенных местах.
Временные автомобильные дороги и другие
подъездные пути должны устраиваться с учетом требований по предотвращению
повреждений сельскохозяйственных угодий и древесно-кустарниковой
растительности.
При производстве строительно-монтажных работ на
селитебных территориях должны быть соблюдены требования по предотвращению
запыленности и загазованности воздуха. Не допускается при уборке отходов и
мусора сбрасывать их с этажей зданий и сооружений без применения закрытых
лотков и бункеров-накопителей.
В процессе выполнения буровых работ при
достижении водоносных горизонтов необходимо принимать меры по предотвращению
неорганизованного излива подземных вод.
При производстве работ по искусственному
закрепощению слабых
грунтов должны быть приняты предусмотренные
проектом меры по предотвращению загрязнения подземных вод нижележащих
горизонтов.
Производственные и бытовые стоки, образующиеся
на строительной площадке, должны очищаться и обезвреживаться в порядке,
предусмотренном проектом организации строительства и проектами производства
работ.
Попутная разработка природных ресурсов
допускается только при наличии проектной документации, согласованной
соответствующими opгaнами государственного надзора и местными Советами народных
депутатов.
Работы по мелиорации земель, созданию прудов и
водохранилищ, ликвидации оврагов, балок, болот и выработанных карьеров,
выполняемые попутно со строительством объектов промышленного и
жилищно-гражданского назначения, следует производить только при наличии
соответствующей проектной документации, согласованной в установленном порядке с
заинтересованными организациями и органами государственного надзора.
Работы по расчистке и расширению русел рек
следует проводить, как правило, в меженный период при небольших скоростях
течения воды, в целях предотвращения переноса взвешенных частиц.
При производстве работ, связанных со сводкой
леса и кустарника, строительство необходимо организовать так, чтобы обеспечить
оттеснение животного мира за пределы строительной площадки.
7. Раздел энерго и ресурсосбережения
.1 Гелиоколлекторы
Главным
достоинством солнечных коллекторов является то, что вырабатываемая ими тепловая
энергия бесплатна. При достаточно большом сроке их службы, как заявляют
изготовители, от 20 до 50 лет, их применение экономически оправдано даже при
высокой их первоначальной стоимости. Кроме того, следует обратить внимание на
то, что коллекторы способны обеспечивать высокую температуру подогреваемой ими
воды в течение всего года. Это позволяет запасать произведенное тепло в
буферных емкостях для последующего его использования, например, для обогрева бассейна
в ночное время. Высокая, больше 70°С, температура рекомендована для систем
горячего водоснабжения как способ дезинфекции трубопроводов и буферных емкостей
от бактерии легионеллы. Способность солнечных коллекторов разогревать воду до
высоких 80 - 90°С температур делает их прекрасным дополнением к тепловым
насосам, работающим на обогрев здания, позволяет значительно повысить
эффективность тепловых насосов (обычно тепловой насос эффективно нагревает до
температуры 45 - 50°С), в осенний и весенний сезоны, солнечные зимние дни
коллекторы способны полностью обеспечивать отопление и горячее водоснабжение
без участия тепловых насосов. Все это позволяет с помощью солнечных коллекторов
снизить годовое потребление электроэнергии на 30 - 50%, дополнительно к этому,
экономится ресурс дорогостоящего теплового насоса, так как уменьшается время
его работы в отопительный период.
7.2 Расчет гелиоколлектора
Солнечный коллектор на вакуумных
тепловых трубках ЭКО-А.
Таблица 7.1 - Информация о
коллекторе
|
Описание:
|
Солнечный коллектор с тепловой трубкой HeatPipe
|
|
Теплосъемная трубка:
|
толщина меди T2: 1.0 мм
|
|
Наружный слой манифолда:
|
толщина алюминия: 2.0 мм
|
|
Трубка HeatPipe:
|
толщина:0.7 мм
|
|
Стеклянная труба:
|
Боросиликатное стекло 1.6мм/2.0мм
|
|
Поглощающее покрытие:
|
AIN/AIN-SS/CU
|
|
Рама корпуса:
|
алюминий 3 мм
|
Таблица 7.2 - Характеристика
коллектора
|
Модель
|
Характеристика труб
|
Площадь абсорбции, м2
|
|
Диаметр труб, мм
|
Длина труб, мм
|
Количество труб
|
|
|
Эко-A 305818
|
58
|
1800
|
30
|
4,12
|
Таблица 7.3 - Характеристика
гелионагревателя
|
Наименование
|
Характеристика
|
Производительность
|
КПД
|
Сертификаты производителя
|
|
Система солнечного нагрева воды
|
Вакуумные солнечные коллектора, накопительный бак, насосная
станция, контроллер с автоматикой
|
200 - 1000 (1000-
3000)*литров/сутки
|
56-60
|
CE,ISO9001,CCC,SRCCSolar
Keymark
|
Определение площади
солнечных коллекторов.
Основная задача
определение площади солнечного коллектора сводится к определению количества
тепла необходимого для системы. Когда будет получена цифра, определяющая
необходимое тепло можно приступать к расчету количества трубок вакуумного
солнечного коллектора. Данную задачу сначала решим на базе тепла, которое
необходимо для системы горячего водоснабжения.
Подсчет количества
тепла необходимого для обеспечения жилого дома с 120 жильцами горячей водой на
период отключения горячей воды в июле месяце.
. Определение, на
сколько градусов должна повыситься температура воды и ее объем.
В среднем на одного
человека расходуется 4,2 л воды в сутки. Суммарный объем емкостного нагревателя
надо рассчитывать из расчета 1,5…2 суточной потребности.
Соответственно:
(4,2×120)×1,5
= 756 л;
Средняя температура
входящей воды = 15°С. Она должна быть нагрета до 70°С.
-15=55°С.
. Определяем
количество энергии необходимой для нагревания этого количества воды.
Для нагрева 1 л
воды на 1°C надо затратить энергию равную 1 Ккал.
л × 55°C = 41580кКал.
Для перевода данной
энергии в кВт*ч воспользуемся следующей формулой
/859,8 = 47,8 кВт*ч
(1 кВт*ч = 859,8 Ккал)
. Определяем
количество энергии, которая может поглощаться и преобразовываться в тепло
солнечными коллекторами.
Здание находится в
г. Гомель. Значение солнечной инсоляции можно посмотреть в таблице 7.4.
В июле солнечная
энергия на 1 м2 составляет 5,09 кВт*ч*м2/день.
Таблица 7.4 -
Значения солнечной инсоляции для г. Гомеля
|
Регион / Месяцы
|
янв
|
фев
|
март
|
апр
|
май
|
июль
|
авг
|
сент
|
окт
|
ноя
|
дек
|
Средн
|
|
Гомель
|
0,93
|
1,74
|
2,91
|
3,9
|
5,11
|
5,18
|
5,09
|
4,42
|
2,95
|
1,76
|
0,92
|
0,69
|
2,97
|
Солнечный коллектор
способен поглощать до 80% энергии солнца. Значение передачи поглощенной энергии
вакуумными трубками коллектора для периода май-октябрь:
4,088× 0,8 = 3,27
кВт*ч /день
Площадь поглощения
вакуумной трубки диаметром 58 и длиной 1800 мм составляет 0,08 м2 (модель:
Эко-A 305818). Одна трубка способна получать и передавать солнечное тепло в
размере 0,26 кВт*ч.
. Определяем
необходимое число трубок.
Используя значение,
вычисленное выше, определяем количество трубок, которое надо установить.
Энергия, которую
необходимо затратить на нагрев нужного количества воды составляет 47,8 кВт*ч. Энергия,
которую может передать одна вакуумная трубка в период с мая по октябрь месяц
составляет 0,26 кВт*ч.
,8 / 0,26 = 183
трубки.
Таким образом, для
жилого дома с 120 жильцами принимаем гелиоколлектор из 183 трубок (принимаем
180 трубок, 6 коллекторов).
.3 Расчёт экономического эффекта от
установки гелиоколлектора
Определяем значение выхода мощности
1 вакуумной трубки солнечного коллектора в день, в июле месяце:
тр = Rср × К × Sтр,
где: Rср - значение солнечной
инсоляции в июле = 5,09 кВт/м2день; К - коэффициент передачи тепла 1 трубки =
0,75; Sтр - площадь поглощения 1 трубки = 0,14 м2;тр = 5,09 × 1 × 0,14 = 0,712 кВт/день;
Определяем среднюю дневную мощность
гелиосистемы.
Qср-день = N × Qтр × n,
где:- количество коллекторов = 6
шт;- количество трубок в 1 коллекторе = 30 шт;тр = 0,712 КВт/день;ср-день = 6 × 0,712 × 30 = 128,16 кВт/день
Общая мощность гелиосистемы 128,16
кВт/день.
Пари таком количестве коллекторов
(пять по тридцать трубок) система солнечного нагрева в июле может
выработать:май-октябрь = 128,16 × 180
= 23068,8 кВт (23 Гкал)
Тепловая энергия для нужд отопления
и горячего водоснабжения, составляет за 1 Гкал - 91,18рублей.
23×91,18 = 2097,14 руб.
Суммарные инвестиции:
стоимость одного коллектора (1200
руб.);
количество коллекторов 6 шт;
расходы на установку и доставку
(50%).
1200 × 6 × 1,5 = 10800 руб.
Срок окупаемости системы:
/273,54 = 5,14 года.
.4 Вывод
В результате проведенного расчета установлено,
что для подогрева горячей воды на период отключения (май-октябрь месяц) в жилом
доме с проживание 120 жильцов, требуется установить гелиосистему, состоящую из
5 коллекторов общей стоимостью 10800 руб. Экономия средств от такой системы
составит 2097,14 руб. за шесть месяцев. Срок окупаемости системы составит 5
лет.
Можно сделать заключение, что установка
гелиосистемы для подогрева горячей воды на период с мая по октябрь месяц в
жилом доме с проживание 120 жильцов экономически целесообразна.
Литература
бетонный фундамент кровельный перекрытие
1.
ГОСТ 30494-96 «ЗДАНИЯ ЖИЛЫЕ И ОБЩЕСТВЕННЫЕ. Параметры микроклимата
в помещениях» Минстройархитектуры Республики Беларусь, 1998.
2.
СНБ 3.02.04-03 «ЖИЛЫЕ ЗДАНИЯ». Министерство архитектуры и
строительства Республики Беларусь, 2003.
3.
СНБ 3.01.04-02 «Градостроительство. Планировка и застройка
населенных пунктов».
4.
ТКП 45-2.04-43-2006 ''Строительная теплотехника, строительные
нормы проектирования'', РУП «Стройтехнорм».
5.
СНБ 5.03.01-02 «Бетонные и железобетонные конструкции».
6.
СНиП 2.01.07-85. "Нагрузки и воздействия" / Госстрой
СССР - М.: ИТП Госстроя СССР, 1988.
7.
СТБ 943-93. Грунты. Классификация. Министерство архитектуры и
строительства Республики Беларусь, 1994.
8.
СНБ 5.01.01-99 «Основания и фундаменты зданий и сооружений».
9.
СНиП 1.04.03-85 Нормы продолжительности строительства и задела в
строительстве предприятий, зданий и сооружений.
10. Расчет и конструирование частей жилых и общественных зданий:
Справочник проектировщика / Под ред. П.Ф. Вахненко.- К.: Будывельник, 1987
11. Орлов Г.И /Инженерные решения по охране труда в строительстве. -
М.: Стройиздат, 1985
12. ТКП 45-1.04-37-2008 (02250). Обследование строительных конструкций
зданий и сооружений. Порядок проведения. Мн.: Минстройархитектуры, 2009.
13. ТКП 45-1.04-119-2008 (02250). Здания и сооружения. Оценка степени
физического износа. Минск: Минстройархитектуры, 2009.
14. СНиП 3.01.01-85* "Организация строительного
производства" / Госстрой СССР - М.: ЦИТП Госстроя СССР, 1991
15. СНиП 3.03.01-87 "Несущие и ограждающие конструкции" /
Госстрой СССР - М.: АПП ЦИТП, 1991
16. СНиП III-4-80 "Техника безопасности в строительстве" / Госстрой
СССР - М.: ЦИТП Госстроя СССР, 1989
17. Трацевская Е.Ю. «Экологические основы строительного производства».
18. Н. Егоров «Методические указания по дипломному проектированию для
студентов специальности ПГС», Гомель, 1987.
19. Вотяков И.Ф. «Механика грунтов, основания и фундаменты», Гомель,
1996.
20. П1-2000 к СНБ 5.01.01-99 «Проектирование и устройство фундаментов
из забивных пирамидальных свай».
21. ГОСТ 30247-94 «Конструкции строительные. Методы испытаний на огнестойкость.
Общие требования».
22. СНБ 2.02.01-98 «Пожарно-техническая классификация зданий,
строительных конструкций и материалов», Республика Беларусь, государственное
предприятие «Стройтехнорм».
23. СНиП 2.01.01 - 82 «Строительная клитамология и геофизика», СССР,
научно-исследовательский институт строительной физики Госстроя СССР.
24. Мандриков А.П. «Примеры расчета железобетонных конструкций», М:
Стройиздат, 1979.
25. ВСН 32-27 «Инструкция по проектированию конструкций панельных
жилых зданий», Госгражданстрой.