Материал: Привод ленточного транспортера

Внимание! Если размещение файла нарушает Ваши авторские права, то обязательно сообщите нам

Привод ленточного транспортера

Министерство образования Российской Федерации

Южно-Уральский государственный университет

(национальный исследовательский университет)

Кафедра "Технической механики"









Пояснительная записка к курсовому проекту по курсу детали машин

ПРИВОД ЛЕНТОЧНОГО ТРАНСПОРТЕРА











Челябинск, 2017

СОДЕРЖАНИЕ

ВВЕДЕНИЕ

. КИНЕМАТИЧЕСКИЙ И СИЛОВОЙ РАСЧЕТ ПРИВОДА

1.1 Определение мощности на валу исполнительного органа

.2 Определение расчетной мощности на валу двигателя

.3Выбор электродвигателя

.4 Выбор редуктора

.5 Определение мощностей, вращающих моментов и частот вращения валов

2. РАСЧЕТ РЕМЕННОЙ ПЕРЕДАЧИ

2.1 Расчет основных параметров ременной передачи

3. ПРОЕКТИРОВАНИЕ ИСПОЛНИТЕЛЬНОГО ОРГАНА

3.1 Проектный расчет вала

.2 Подбор подшипников качения

.3 Подбор шпоночных соединений

.4 Проверочный расчет шпоночных соединений для вала исполнительного органа

.5 Проверочный расчет вала исполнительного органа на статическую прочность по эквивалентному моменту

3.6 Проектирование барабана

3.7 Проверочный расчет вала исполнительного органа на выносливость

.8 Проверочный расчет подшипников исполнительного органа на ресурс

4. ВЫБОР МУФТЫ

4.1 Проверочный расчет муфты

Библиографический список

КОМПЛЕКСНОЕ ТЕХНИЧЕСКОЕ ЗАДАНИЕ на учебное проектирование по курсу "Детали машин"

Вариант 98



ВВЕДЕНИЕ

мощность двигатель подшипник барабан

В данной курсовой работе разработан привод ленточного транспортера, состоящий из следующих частей: асинхронный электрический двигатель АИР100L4; муфты, червячного редуктора Ч-160, цилиндрической передачи и исполнительного органа в виде барабана транспортера. Рассмотрены назначение, а также достоинства и недостатки всех компонентов.

Муфта, предназначена для соединения валов и передачи вращающего момента без изменения его направления. Наряду с кинематической и силовой связью отдельных частей машины муфты обеспечивают выполнение ряда других функций: обеспечение работы соединяемых валов смещениях, обусловленных неточностями монтажа или деформациями деталей; улучшение динамических характеристик привода, т. е. смягчение при работе толчков и ударов; предохранение частей машин от воздействия перегрузок; быстрое соединение или разъединение валов и других деталей на ходу или в неподвижном состоянии; регулирование передаваемого момента в зависимости от угловой скорости; передачу момента только в одном направлении; облегчение пуска машины и пр.

Редуктор - это механизм, служащий для передачи мощности от электродвигателя к рабочему органу исполнительного устройства. С помощью редукторов осуществляют уменьшение угловой скорости, а также увеличение выходного момента. В зависимости от требуемого расположения геометрических осей валов, между которыми передаётся вращение, и необходимого передаточного числа в редукторах используют цилиндрические, конические, коническо-цилиндрические.

1. КИНЕМАТИЧЕСКИЙ И СИЛОВОЙ РАСЧЕТ ПРИВОДА


Рис.1 Кинематическая схема привода ленточного транспортера

1.1    Определение мощности на валу исполнительного органа


Мощность P, кВт, на валу исполнительного механизма вычисляется в зависимости от исходных данных по одной из следующихформул:

P=== 1,74кВт,(1)

гдеF-окружное усилие на исполнительном механизме, Н;окружная скорость вращательного или линейная скорость поступательного движения исполнительного механизма в направлении действия усилия, м/с

1.2    Определение расчетной мощности на валу двигателя


Расчетная мощность Pм, кВт, на валу двигателя определяется по мощности на валу исполнительного механизма с учетом потерь в приводе:

,     (3)

где η-общий КПД привода.

Общий КПД привода вычисляется как произведение КПД открытой передачи и редуктора.

η =ηредот . ηмуфты=0,8*0,95*0,98=0,745.         (4)

Гдеηред - КПД выбранного редуктора= 0,8.

ηот.-КПД, учитывающий потери в открытой передаче, включая потери в опорах валов = 0,95

ηмуфты - КПД муфты.

1.3    Выбор электродвигателя


Смотрим номинальную частоту вращения по справочнику: nном = 1410 об/мин.

Номинальная мощность: Р= 3 кВт.

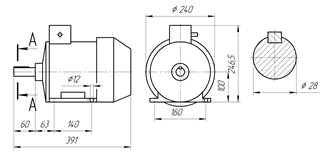
Типоразмер двигателя выбираем по расчетной мощности P1=3.0кВт и по намеченной частоте n1=1410об/мин вращения вала. Наиболее рациональным в данном случае будет выбор двигателя АИР100S4, со следующими характеристиками: мощность 4.0 кВт, синхронная частота вращения 1410об/мин, КПД 83,1%, отношение пускового момента к номинальному 2,2 (электродвигатель представлен на рис.2).

Рис. 2. Электродвигатель АИР100S4

Высота оси вращения, мм

Мощность,_кВт

Тип двигателя

Частота вращения об/мин

КПД%

Коэф. мощности, cos Ф

Ток при 380В,А

Iпуск/Iн

Тпуск/Тн

Тмакс/Тн

100

3.0

АИР 100S4

1410

81.4

11

7,0

2,3

2,3

Таблица 1. Характеристика электродвигателя

1.3 Определение частоты вращения вала исполнительного механизма

Число оборотов nопределяется по формуле:

,         (5)

где V - скорость ленты, D-диаметр барабана.

Угловая скорость ω,рад/с вычисляется по формуле:

.                 (6)

 

.4 Определение мощностей, вращающих моментов и частот вращения валов


Принимаем, что мощность на всех валах привода равна требуемой мощности Pм. На начальном этапе проектирования известны также частоты вращения n1и n на валах двигателя и исполнительного механизма.На валу барабана ленточного конвейера или тяговой лебедки вращающий момент можно найти по более простой зависимости.

Табл.1.6.1 Силовые и кинематические параметры привода

№ вала

Мощность P, кВт

Число оборотов, n

Вращательный момент,T, Н*м

Угловая скорость, ω рад/с

1

2.32

1420

15.61

148,63

2

2.32

612

36.22

64.05

3

2.32

15.3

1450

1.6


Вращательный момент находим по формуле:

, ,

Где T-вращательный момент, -угловая скорость.

1.5 Выбор редуктора


Выбираем типоразмер червячного редуктора во вращательному моменту выходного вала Т=1450 (Н*м) и числу оборотовn=612 .Нам подходит Червячный редуктор Ч-160.

Uном =40

Твых =1600,Н*м

η=0.73

рис.3


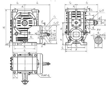
Габаритные и присоединительные размеры червячного одноступенчатого редуктора типа Ч-160:

aw=160       B=280        D3=80         H2=31.5      L2=2801=300       D1=270       H=140         H3=60         L3=3552=230       D2=72         H1=500       L1=345       L4=705=206         L6=157       b3=10         b4=18        d4=405=35.9       d6=65         d7=64,75    d8=M24x29=50    d10=M48x3                  d11=140      d14=2215=M16x1,5                 l3=110         l4=82           l5=1406=105       l7=275        l8=130        h3=8           h4=113=5   t4=7

2. РАСЧЕТ РЕМЕННОЙ ПЕРЕДАЧИ

.1 Расчет основных параметров ременной передачи


Типоразмер сечения ремня определяем по ГОСТ 1284.3-96.

Рис.4

Расчетный диаметр малого и большого шкивов (d1 и d2) назначаем по ГОСТ 20889-80. При сечении ремня А, d1=90мм, d2=212мм.

Линейная скорость ремня не должна превышать 30м/с. В данном случае v=6,7м/с.

Отклонение передаточного числа от предварительного delta не должно превышать 3%. В данном случае delta=1,53%.

Расчетную длину ремня Lp назначаем по ГОСТ 1284.1-89.

Номинальную мощность, передаваемым одним ремнем P0 определяем по ГОСТ 1284.3-96.


Коэффициенты угла обхвата, длины ремня и числа ремней в передаче определяем по ГОСТ 1284.3-96.

3. ПРОЕКТИРОВАНИЕ ИСПОЛНИТЕЛЬНОГО ОРГАНА

 

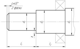
.1 Проектный расчет вала


Рис. 5 Эскиз части вала.

Диаметр d1выходного конца вала под элемент открытой передачи выбираем исходя из вращательного момента:

Принимаем d1 =65 мм

d2 = d1+ 2t =65+ (2·3,5)= 72 мм

Полученное значение округлим до стандартного по ГОСТ 6636-69:

d2= 75 мм

d3 = d2+ 3,2t = 75+ (3,2·3,5) = 86мм

Полученное значение округлим до стандартного по ГОСТ 6636-69:

 

.2 Подбор подшипников качения


Ввиду радиальных нагрузок были выбраны радиальные сферические двухрядные шарикоподшипники ГОСТ 28428-90:

Подшипник 1214 исполнение 1000 - с цилиндрическим отверстием внутри кольца. Серия диаметров 2.

Рис. 6 - Подшипник радиальный сферический, двухрядный.

Таблица 6 - Геометрические характеристики подшипника

Условное обозначение

d, мм

D, мм

B, мм

r, мм

Cr, кН

Масса, кг

1215

75

130

26

3,0

40

1,67


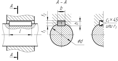
3.3 Подбор шпоночных соединений


Шпонка выбирается из ряда стандартных, по ГОСТ 23360-80

Таблица 7 - Размеры призматических шпонок

Диаметр вала, D

Шпонка

Шпоночный паз


b

h

с или r

Вал t1

Втулка t2

с или r

65

20

12

0.4…0.6

7,5

4.5

0.25…0.4

90

24

14

0.4…0.6

9

5

0.25…0.4


Для фиксации звездочки на цилиндрическом конце вала:

Шпонка 20×12×70 ГОСТ 23360-78.

Для фиксации барабана на валу:

Шпонка 24×14×90 ГОСТ 23360-78.

Рис.7 - Геометрические параметры шпоночного соединения.

3.4 Проверочный расчет шпоночных соединений для вала исполнительного органа


Расчет шпоночного соединения на прочность проводится по напряжениям смятия и среза:

Рис.8 - Расчетная схема шпоночного соединения

Условие прочности на смятие и на срез:

 

 

 - допускаемые напряжения на смятие.         

 - допускаемые напряжения на срез.

Для фиксации конической шестерни на цилиндрическом конце вала:

Шпонка 20×12×70 ГОСТ 23360-78.

 

 

  

 

 

Условие прочности выполнено, запас прочности обеспечен.

Для фиксации барабана на валу:

Шпонка 24×14×90 ГОСТ 23360-78..

 

 

 

 

Условие прочности выполнено, запас прочности обеспечен

.5 Проверочный расчет вала исполнительного органа на статическую прочность по эквивалентному моменту

Нагрузка от муфты навал: Н.

Рис. 9 Схема сил, действующих на вал(от конической передачи конвейера).

Нагрузка от барабана на вал:

Определение сил, действующих в прямозубом зацеплении.

Окружная силаFtна делительном цилиндре

Н

При этом для шестерни и колеса:

Н.

Радиальная силаFr:

Н.

а) XOZ:


Н;

Н;

б) YOZ:


Н;

Н

Рассчитываем изгибающие моменты в горизонтальной и вертикальной плоскостях.

Изгибающий момент:

а) OXZ:

сечение A: 0

сечение C:  Н м;

сечение B: 0;

сечение D: 0;

б) OYZ:

сечение A: 0

сечение C:  Н м;

сечение B:  Н м;

сечение D: 0;

Крутящий момент Т=833 Н м.

Определяем суммарный изгибающий, эквивалентный моменты и диаметр в наиболее нагруженном сечении.

Наиболее нагруженное сечение С.

Суммарный изгибающий момент:

Н м.

Эквивалентный момент:

Н м.

Диаметр вала:

мм.

Ранее принятое значение dп=65 мм. Это больше, чем требуется по расчету. Прочность по напряжениям изгиба обеспечена.

Рисунок 10 Эпюра изгибающих моментов.

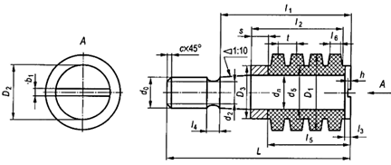
3.6 Проектирование приводного барабана

Рис.11 Эскиз приводного барабана

Диаметр отверстия в ступицах барабана d равен диаметру вала в месте посадки на него барабана, значение которого принимается немного больше диаметра заплечика для подшипников, по ГОСТ 6636 - 69.

Длина ступицы любого элемента конструкции назначается в зависимости от посадочного диаметра вала по условию обеспечения устойчивости элемента в вертикальной плоскости.

Поскольку барабан опирается на вал двумя ступицами, и они отстоят друг от друга на значительном расстоянии, устойчивость барабана будет обеспечена при любой длине ступиц.

Материал, из которого изготовлен барабан - серый чугун СЧ 15-32

Толщина стенки барабана вычисляется по формуле:

,

где D - диаметр барабана

 

При расчетах принимается:

 

 

Расчет сил натяжения ленты

Выбор конвейера.Поиз справочников выбираем марку конвейера для заданной выработки (для заданных условий). При этом паспортная производительности , указанная в характеристике не должна быть меньше технической . Ширина лентыВ выбранного конвейера сравнивается с допустимыми минимальными значениями.

Расчетная схема конвейера. В начале расчета предполагается, что на всей длинеLустановлен один конвейер с одним приводом. На схеме изображаются: привод в виде одного барабана (независимо от количества барабанов в реальном приводе), а также лента (одной линией) и направление ее движения. Характерные сечения ленты (на схеме - точки) нумеруются по ее ходу. Обычно цифрой 1 обозначается сечение в месте сбегания ленты с привода.

Сила тяги для перемещения ветвей: нижней:

, Н

верхней:

, Н

- коэффициент сопротивления движению ветвей принимается одинаковым для обеих ветвей. =0,07 - отапливаемое помещение, небольшое количество абразивной пыли.

 Н

 Н

7. Тяговое усилие на приводном (приводных) барабане (барабанах):

, Н

Н

Минимальное начальное натяжение ленты определяется по условиям сцепления и провеса на груженной ветви.

По условию сцепления на приводе:

 ,Н

где =8,17

 - минимальное натяжение ленты в сечении 1 (точка сбегания с привода на схеме), при котором не будет пробуксовки ленты по всей дуге обхвата;

- коэффициент запаса тяговой способности привода. =1,2-1,4

 - коэффициент трения (сцепления) ленты и барабана.

и - углы обхвата лентой одного в однобарабанных, первого и второго вдвухбарабанном приводе, рад;

Н

По условию ограничения провеса ленты на груженой ветви (по условию повсеместного ее растяжения) для уклонного и горизонтального конвейера

, Н

гдеВ - ширина ленты, м.

Н

Рис. 12

3.7 Проверочный расчет вала исполнительного органа на выносливость


где Sσ - коэффициент запаса прочности по нормальным напряжениям:

σ-1 = 410 МПа

β= 0,95;

kσσ = 2,95

МПа,

где W- момент сопротивления при изгибе, мм3;

;

ψσ = 0,2;

σm - среднее напряжение цикла нормальных напряжений, МПа; если осевая сила Fана вал отсутствует или пренебрежимо мала, то σm = 0;

Sτ - коэффициент запаса прочности по касательным напряжениям:


τ-1=230 МПа;

β= 0,95;

kττ =0,6 kσσ+0,4=0,6*4,20 + 0,4 = 2,92

ψτ = 0,1 для всех сталей;

 Мпа,

где Wк- момент сопротивления при кручении, мм3;

.

Подставляя полученные значения, получаем

.

Расчетный коэффициент усталостной прочности вала в опасном сечении

.

Сопротивление усталости вала в опасном сечении обеспечивается.

Рис. 13

 

.8 Проверочный расчет подшипников исполнительного органа на ресурс


Эквивалентная нагрузка на подшипник:

 

 

где Fr - радиальная нагрузка;

Fa - осевая нагрузка;

X, Y - коэффициенты учитывающие радиальную и осевую нагрузки соответственно,

Kб - коэффициент безопасности;

Kт - коэффициент температуры;

V - коэффициент вращения кольца;

Учитывая, что Fa= 0 и X = 1, для радиального подшипника приведенная динамическая нагрузка найдется из равенства:

 

 

Где V = 1

KБ = 1.5

KТ = 1

RB = (Н) - сила действующая на второй подшипник вала и.о.

 

Базовая динамическая радиальная грузоподъемность :

Сr = 40 (кН)=40000 (Н).

Определяем по уровню надежности и условиям применения расчетный ресурс подшипника:

 

где: a1 =1 - коэффициент долговечности, при вероятности безотказной работы 90%;

a23 = 0.6 - коэффициент, характеризующий влияние на долговечность материала подшипника и условий его эксплуатации, для шарикоподшипников сферических двухрядных.

k =3 - показатель степени, для шарикоподшипников сферических двухрядных подшипников.

n = - частота вращения вала исполнительного органа.

 

Сравниваем с требуемым ресурсом: ³7000.

Полученный ресурс удовлетворяет требованиям, подшипники работоспособны.

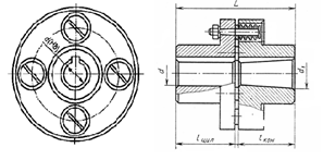
4. ВЫБОР МУФТЫ

Типоразмер муфты выбираем исходя из диаметра конца вала двигателя

Рисунок 14.Муфта упругая втулочно-пальцева

Таблица 8

Вал

[Т], Н м

D, мм

d, мм

n, мм

L, мм

Быстроходный

500

160

60

500

230


Выбираем не стандартную муфту, приняв:

d=28 мм (под вал мотора);

d1=20 мм (под входной вал редуктора)

lкон=lцил=l=42мм;

Рисунок 15. Палец втулки

Типоразмер пальцев втулки выбираем по ГОСТ 21424-93, мм


Таблица 9


4.1 Проверочный расчет

Условие прочности пальцев муфты на изгиб:

 

и-наибольший изгибающий момент, возникающий в месте заделки пальца в полумуфту 1, Н∙мм;x-момент сопротивления изгибу сечения пальца, мм3;

и]-допускаемые напряжения изгиба пальца, МПа

Изгибает палец окружная сила Ft, которая в предположении равномерной нагрузки между пальцами вычисляется по формуле:

 

где T-расчетный вращающий момент, передаваемый муфтой, Н∙м;диаметр расположения пальцев, мм;число пальцев.

Тогда момент, изгибающий палец, и момент сопротивления изгибу:

 

 

Материал пальца по прочности принимают не ниже, чем сталь 45. Допускаемые напряжения -предел текучести материала пальца.

 

 

м3

 

Давления в зоне контакта втулки с пальцем вычисляют по формуле:

 

где [p]-допускаемые давления для резиновой втулки, [p]= 2…5МПа

 

Условие прочности выполнено, запас прочности обеспечен.

БИБЛИОГРАФИЧЕСКИЙ СПИСОК

1.Чернавский С.А. Курсовое проектирование деталей машин -М.:  Высш. шк., 2005.

.Разработка рабочих чертежей деталей передач: Учебное пособие/ П.П. Сохрин, Е.В. Вайчулис, Е.П. Устиновский-Челябинск: Изд. ЮУрГУ, 2011.

.Проектирование передач зацеплением с применением ЭВМ: Компьютеризированное учебное пособие с программами расчета передач/ Под ред. Е.П. Устиновского. -Челябинск: Изд. ЮУрГУ, 2002.