Материал: ПР.14.МДК.02

Внимание! Если размещение файла нарушает Ваши авторские права, то обязательно сообщите нам

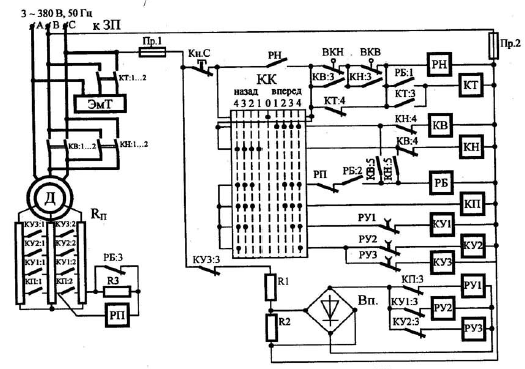
Практическая работа № 14

Тема: « Принципиальная электрическая схема контакторного управления ЭП механизма передвижного крана».

Цель работы: изучить ПЭС контакторного управления ЭП механизма передвижного крана.

Ход работы:

1.Схема:

2.Основное электрооборудование.

Назначение. Для управления и защиты ЭП кранов с тяжелыми режимами работы.

Основные элементы схемы.

Д, ЭмТ – приводной АД с фазным ротором и электромагнитным тормозом независимого подключения (контактором КТ).

КВ, КН, КТ, КП – контакторы реверсирующие «вперед» и «назад», «тормозной», «пусковой».

КУ1, КУ2, КУ3 – контакторы ускорения, для ступенчатого пуска Д.

РУ1, РУ2, РУ3 – реле ускорения, выпрямленного тока, для управления контакторами ускорения в функции независимых выдержек времени.

РП и РБ – реле противовключения и быстрой остановки.

РН – реле напряжения, для «нулевой» защиты.

Rп – резистор пусковой, для плавного ступенчатого пуска Д.

Вп – выпрямитель, для питания реле ускорения.

Органы управления.

КК – командоконтроллер магнитный, симметричный на 9 положений.

Кн.С – кнопка «стоп», аварийно.

ВКВ, ВКН – выключатели конечные «вперед», и «назад», для ограничения конечных перемещений моста.

Режимы управления.

Полуавтоматический – от «КК».

Работа схемы.

Исходное состояние.

Поданы все виды питания на защитную панель ЗП (не показано). КК – «О», собирается цепь РН.

РН - становится на самопитание (РН).

- готовятся цепи управления переменного тока.

РУ1 - размыкается цепь КУ1 (РУ1),

РУ2 - размыкается цепь КУ2 (РУ2),

РУ3 - размыкается цепь КУ3 (РУ3),

Схема готова к работе.

Пуск.

КК – 1 «вперед», собирается цепь КВ.

КВ - подключается к сети Д (КВ:1…2),

- готовится цепь КТ (КВ:3) через ВКВ,

- блокируется цепь КН (КВ:4),

- собирается цепь РБ (КВ:5).

РБ - собирается цепь КТ (РБ:1),

- готовится цепи управления пуском (РБ:2),

- вводится ограничительный резистор в цепь РП (РБ:3).

КТ - подключается к сети ЭмТ (КТ:1…2), Д растормаживается,

- становится на самопитание (КТ:3),

- вводится в цепь КТ ВКВ (КТ:4).

Д пускается, 1 ступень при полностью введенном Rп.

КК – 2 «вперед», собирается цепь КП.

КП - шунтируется часть Rп (КП:1…2),

- размыкается цепь РУ1 (КП:3).

Д разгоняется, 2 ступень при уменьшенном Rп.

РУ - готовится цепь КУ1 (РУ1) по истечении времени 2 ступени.

КК – 3 «вперед», собирается цепь КУ1.

КУ1 - шунтируется еще часть Rп (КУ1:1…2),

- размыкается цепь РУ2 (КУ:3).

Д продолжает разгон, 3 ступень при еще уменьшенном Rп.

РУ2 - готовится цепь КУ2 (РУ2) по истечении времени 3 ступени.

КК – 4 «вперед», собирается цепь КУ2.

КУ2 – шунтируется еще часть Rп (КУ2:1…2),

- размыкается цепь РУ3 (КУ2:3).

Д продолжает разгон, 4 ступень при еще уменьшенном Rп.

РУ3 - собирается цепь КУ3 (РУ3) по истечении времени 4 ступени.

КУ3 - шунтируется последняя часть Rп (КУ3:1…2),

- размыкается цепь питания Вп (КУ3:3).

Д заканчивает пуск, 5 ступень при выведенном Rп, выходит на естественную характеристику.

Быстрая остановка.

КК – 1 «назад», при этом:

КВ, КП, КУ1, КУ2, КУ3 – цепи этих элементов и цепи, на которые

они действовали после срабатывания,

приводятся в исходное состояние;

- остаются включенными РН и КТ на

самопитании, Д расторможен;

- срабатывают РУ1, РУ2, РУ3 и повторно

размыкают цепи КУ1, КУ2, КУ3.

Кратковременно РБ, шунтируется «R3», форсированно РП и блокирует пусковые цепи.

КН - подключается к сети Д на реверс (КН:1…2), но продолжает по инерции работать «вперед»;

- шунтируется ВКВ (КН:3);

- блокируется цепь КВ (КН:4);

- собирается цепь РБ (КН:5).

Происходит торможение Д противовключением при введении в цепь ротора полностью «Rп».

При скорости  = 0, РП, а рукоятка переводится КК – 0.

Д отключен от сети, расторможен.

Защита, блокировки.

Максимальная – Д и ЭмТ (аппаратами в ЗП), цепей управления (Пр.1,Пр.2).

От чрезмерной перегрузки – Д (аппаратами в ЗП).

«Нулевая» - Д от самозапуска (РН) при снижении и восстановлении напряжения в сети.

От конечных перемещений – ВКВ и ВКН.

Блокировки: - взаимная цепей КВ и КН,

- невозможность пуска, если рукоятка КК не установлена КК-0

Питание цепей:

3380 В, 50 Гц – силовая сеть. 1380 В, 50 Гц, линейное – цепи управления.

ЭДС ротора Д – цепь РП.

Выпрямленный ток – цепи РУ1, РУ2, РУ3.