Материал: Повышение производительности и эффективности технологии процесса проектирования и расчета опорных частей МНГС с использованием программного комплекса Ansys

Внимание! Если размещение файла нарушает Ваши авторские права, то обязательно сообщите нам

Повышение производительности и эффективности технологии процесса проектирования и расчета опорных частей МНГС с использованием программного комплекса Ansys

Содержание

Глава 1. Классификация морских нефтегазовых сооружений и анализ действительных условий работы МНГС

.1 Анализ отечественной и зарубежной нормативной документации по безопасности эксплуатации морских нефтегазовых сооружений (МНГС)

.2 Классификация морских нефтегазовых сооружений

.3 Анализ действительных условий работы морских нефтегазовых сооружений

Глава 2. Формы трещин и причины их образования на морских нефтегазовых сооружениях

.1 Формы трещин морских нефтегазовых сооружений

.2 Причины трещинообразования

.3 Систематизация воздействий на МНГС, приводящих к образованию усталостных трещин

Глава 3. Определение напряженного состояния, вызванного стационарными и переменными температурными полями воздействующими на МНГС

Глава 4. Оценка экономической эффективности инвестиционного проекта. Повышение производительности и эффективности технологии процесса проектирования и расчета опорных частей МНГС с использованием программного комплекса ANSYS

4.1 Обоснование необходимости усовершенствования процесса проектирования

4.2 Цель инвестиционного проекта

.3 Сущность модернизации и обоснование технико-экономической целесообразности

.4 Методология расчета эффективности инвестиционного проекта. Основные положения методических рекомендаций по оценке эффективности инвестиционных проектов

.5 Расчет эффективности инвестиционного проекта

Список использованных источников

Глава 1. Классификация морских нефтегазовых сооружений и анализ действительных условий работы МНГС

.1 Анализ отечественной и зарубежной нормативной документации по безопасности эксплуатации морских нефтегазовых сооружений (МНГС)

Морские нефтегазовые сооружения относятся к числу опасных производственных объектов. Эти сооружения эксплуатируются в неблагоприятных условиях окружающей среды. Высокий уровень коррозионной активности морской воды, значительные уровни температурных и вибрационных воздействий и нагрузок (гидродинамических, ветровых, ледовых и др.) на конструктивные элементы МНГС - все это создает предпосылки для возникновения и развития различных аварийных ситуаций. Проблемы, связанные с обеспечением безопасности МНГС, в различных нормативных документах, характеризуются определением «риск». В большинстве случаев под «риском» понимается вредное воздействие на персонал МНГС того или иного фактора при возникновении аварийной ситуации. Однако вопросам предотвращения наступления риска путем своевременного выявления опасного предельного состояния конструктивного элемента МНГС, адекватной оценки усталостных характеристик стали с учетом всех видов воздействий- всем этим вопросам, как это будет показано ниже, не уделяется достаточного внимания.

В этом параграфе анализируются материалы научных исследований в области изучения причин возникновения аварий и их последствия [1-6], государственные нормативные документы по обеспечению безопасности МНГС [7,8]и внутрикорпоративные нормы и правила безопасности отечественных и зарубежных компаний, занимающихся освоением морских месторождений [9,10]. Среди научных работ [1-6] особый интерес представляют работа А.М. Семенова [6] и работа С.П. Земцова [4]. В исследованиях этих авторов анализируются крупнейшие катастрофы на морских нефтегазовых месторождениях и причины приведшие к этому, предлагаются математические методы и модели оценки рисков, изложены рекомендации и предложения по обеспечению безопасности и снижению рисков на МНГС. Общими же задачами для этих работ [4,6] является рассмотрение риска как вредного воздействия на человеческий персонал в случае возникновения аварийных ситуаций. Предложения же по предотвращению возникновения аварийных ситуаций исключительно технической направленности, как, например, выявление усталостных трещин, в проанализированных работах [1-6] отсутствуют.

Отечественная нормативная база имеет в своей основе малый опыт работ по освоению морских месторождений. Одним из основополагающих нормативных документов является [7]. В пункте 4.8 [7] этих правил содержится положение о необходимости проведения экспертизы МНГС, находящихся в эксплуатации более 20 лет. В пункте 4.8.2 [7] содержатся сведения о минимально допустимой потере толщины металла конструктивными элементами МНГС (не более 15% для опор и 10% пролетных строений). Также в пункте 4.9 [7] говорится о разрушении защитного антикоррозионного покрытия, но не даны предельные состояния этих повреждений и их классификация. В дальнейшем, базируясь на основе правил [7] разработан нормативный документ [8]. В этом документе в пункте 3.11 [8] предусмотрено обследование опорной части ледостойких платформ в целях определения воздействий льда на нее. Однако, этого недостаточно для полноценного анализа усталостных поврежедний МНГС.

В отраслевом стандарте [9], разработанным для МНГС на нефтегазовых месторождениях Черного и Азовского морей, приведен порядок проведения оценки технического состояния морской платформы, периодичность проведения обследования, перечислены основные дефекты, влияющие на надежность эксплуатации МНГС. Однако не даны рекомендации по «предельным состояниям» дефектов, что ставит вопрос о том, какие дефекты являются допустимыми, а какие могут привести к аварийной ситуации. В последние годы в РФ реализовывались проекты «Сахалин-1,2». Анализ материалов проекта [10] показал, что риск оценивался как наступление события, которое может оказать опасное воздействие на персонал, работающий на платформе.

Рассмотрим зарубежную нормативную базу. В документе [1], разработанном сообществом ASME, изложены основные принципы проведения измерения и контроля различных металлоконструкций, однако этот документ носит общий характер, что не позволяет эффективно использовать его при нормировании параметров безопасности МНГС. В стандарте ASME [2] приводятся общие методики для обоснования и оценки вероятности наступления риска и ориентированы в основном на электротехнические сооружения. Этим обществом разработаны стандарты неразрушающего контроля, приведенные, например в[3], которые можно расценивать как метод снижения рисков за счет своевременного обнаружения дефектов в металлоконструкциях. Следует также отметить хороший уровень проработки стандартов ASME в области проектирования морских газопроводов [4,5], в которых дается оценка некоторых рисков (контроль внешней и внутренней коррозии, контроль напряжений и др). К недостаткам стандартов ASME следует отнести, в ряде случаев, их общую направленность и отсутствие анализа усталостных повреждений МНГС.

Сообществом BSI разработана группа стандартов, относящихся к освоению морских нефтегазовых месторождений [6-11]. В стандартах BSI содержатся основные методы и принципы проектирования морских платформ и трубопроводов, проектирование систем катодной защиты и т.д. Также разработаны стандарты для различных методов дефектоскопии, что позволяет снизить риск возникновения аварийной ситуации за счет своевременного выявления дефектов. Большой интерес представляет стандарт BSI [11], а также разработанный ЦNORMстандарт [12]. Оба этих нормативных документа разработаны на основе документа [13]. Документы [11-13] практически идентичны в своих подходах к оценке риска МНГС и имеют незначительные отличия. Эти стандарты описывают некоторые основные методы по идентификации и оценке риска на стадиях проектирования, строительства и эксплуатации морских нефтегазовых сооружений. В этих стандартах учитывается риск достижения предельных состояний за счет превышения сейсмических, волновых, ветровых и др. видов нагрузок, характерных для морских нефтегазовых сооружений. Описано коррозионное воздействие и его влияние на усталостные повреждения металлоконструкций МНГС при наличии и отсутствии систем электрохимзащиты. Это реализовано при помощи кривых S-N, которые представляют собой зависимости числа циклов нагрузок от численной величины максимально допустимого напряжения для различных условий (например, скорости свободной коррозии элементов МНГС и скорости их коррозии при наличии катодной защиты, наличии концетраторов напряжений и др.) и элементов.

В норвежском стандарте стандарт DNV [14] содержится раздел оценки технического состояния существующих платформ, положения которого во многом совпадают с положениями [11-13]. Особый интерес вызывает документ [15], в котором авторы пытаются во многом обобщить положения документов [11-14]. В этом документе рассматриваются различные по типу соединения (трубные, листовые и т.д.), для каждого из которых построены кривых S-N для условий свободной коррозии и действий систем катодной защиты.

Проведенный анализ документов [1-10] показал:

.        Существующие отечественные нормы в основном рассматривают риск с точки зрения оценки опасности для человеческого персонала в случае возникновения аварийной ситуации;

.        При оценке усталости металлоконструкций МНГС учтены не все факторы, влияющие на этот процесс. Рассмотрена усталость за счет совместного действия коррозии и нагрузок, однако, влияние температурных и вибрационных воздействий не учитывается.

Можно сказать, что в настоящее время для морских нефтегазовых сооружений не разработано научно-обоснованной методики оценки и развития усталостных трещин, учитывающей все влияющие на это явление факторы.

.2 Классификация морских нефтегазовых сооружений

Морские нефтегазовые сооружения это такие сооружения, которые осуществляют процессы добычи, транспортировки, хранения и обработки нефти и газа с месторождений, расположенных на акваториях морей и связанных с ними водоёмов. Кроме сооружений, расположенных непосредственно в морской акватории, к условно морским относятся нефтегазовые сооружения на прибрежных территориях, объединённые технологическими процессами в общий нефтегазовый комплекс.

Порт - место на берегу моря или реки, устроенное для стоянки кораблей и судов, имеющее комплекс специальных сооружений для их обслуживания: причалы, вокзалы, краны, склады, терминалы, вспомогательный транспорт и т.д. В порту может быть несколько причалов, оборудованных для причаливания судов, посадки и высадки пассажиров, погрузки и выгрузки грузов, заправки топливом и др. работ. Кроме того, порты используют для строительства нефтегазовых сооружений, проведения их испытаний по правилам морского регистра. Крупные отечественные порты Новороссийск, Мурманск, Находка, Санкт - Петербург.

Подводный трубопровод - трубопровод, укладываемый ниже поверхности воды при пересечении рек, водохранилищ, озёр, морских акваторий. Морской подводный трубопровод предназначен для транспортировки нефти и газа от платформ к сооружениям ,на которых осуществляется сбор и длительное хранение или накопление перекачиваемого продукта.

Подводные МНГС - это сооружения, базирующиеся под поверхностью моря и в автономном режиме осуществляющие технологические операции и процессы.

Морские стационарные платформы (МСП) предназначены для размещения на них комплекса оборудования, необходимого при бурении разведочных и эксплуатационных скважин, а также для первичной обработки добываемого продукта. Они подразделяются на МСП для незамерзающих морей (размещаются в акваториях незамерзающих морей, либо лёд имеет очень малую толщину и не опасен для конструкций); МСП для замерзающих морей (размещаются в акваториях замерзающих морей и способны выдерживать значительные ледовые нагрузки).

Острова, ограждающие сооружения - вспомогательные гидротехнические сооружения стационарного типа, ограждающие часть акватории и или разделяющие её на отдельные участки.

Эстакады, выносные причалы - сооружения, предназначенные для швартовки нефтеналивных танкеров.

Плавучие платформы и суда сооружения, позволяющие вести все работы на нефтегазовых месторождениях без опирания на дно.

Платформы на плаву при транспортировке - сооружения стационарного типа, но при транспортировке переходящие в плавучий режим.

Плавучие платформы в постоянном режиме - сооружения, находящиеся в плавучем состоянии непосредственно на всех этапах своей работы.

Самоподъёмные плавучие платформы - сооружения, способные самостоятельно изменять свое вертикальное положение в пространстве.

Суда с буровым оборудованием - сооружения, способные производить буровые работы и или осуществлять добычу ресурсов, находящихся под дном моря, например, нефти ,газа ,серы или соли.

.3 Анализ действительных условий работы морских нефтегазовых сооружений

В настоящем параграфе будут проанализированы нагрузки, действующие на МНГС. О воздействиях на морские нефтегазовые сооружения будет более подробно сказано во второй главе этой работы. Следует отметить принципиальную разницу между понятиями нагрузки и воздействия. Под нагрузкой воспринимают определенную силу, действие которой распределено на какой-либо площади исследуемого элемента МНГС (например, ледовая, ветровая и др.). Под воздействием понимается некоторое обобщенное действие, оказываемое на МНГС (коррозионное, вибрационное, температурное). В этом параграфе сосредоточимся на исследовании нагрузок, действующих на МНГС. Нагрузки подразделяются на постоянные и временные.

Постоянные нагрузки действуют на сооружения в течение всего времени их эксплуатации. К этим нагрузкам относятся: вес сооружения с постоянным балластом, включая здания и устройства различного назначения; вес и активное боковое давление грунта засыпки (например, в искусственных островах с обделкой берегов и т. п.); гидростатическое давление.

Временные длительные нагрузки складываются из веса складируемых грузов и временных технологических устройств; нагрузки от различного рода грузоподъемных и транспортных машин, технологического оборудования; активное давление грунта от временных нагрузок; гидростатическое напорное давление при временных изменениях уровня по какой-либо причине; давления жидких и сыпучих сред на конструкции.

Кратковременные нагрузки включают волновое давление, нагрузки от льда, течений, снега, ветров, ошвартованных судов, вертолетов, некоторые нагрузки, возникающие в процессе буровых работ.

Особые нагрузки в первую очередь обусловливаются катастрофическими явлениями в природе, аварийными ситуациями и включают: нагрузки при сейсмических явлениях и волнах цунами; нагрузки при катастрофических штормах, ветрах, массовом торошении льда, деформациях оснований с коренным изменением структуры грунтов (размывы, просадки, сдвиги, выпады) и др.

Морские нефтегазовые сооружения рассчитываются на основные и особые сочетания нагрузок и воздействий.

Рассмотрим наиболее распространенные виды нагрузок.

а) Ветровая нагрузка

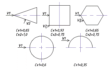
Ветровую нагрузку следует рассматривать как одну из генеральных сил, действующих на МНГС. Величина ее непостоянна и изменяется в зависимости от скорости ветра, его направления и распределения по площади МНГС. Ветровая нагрузка создаёт два основных вида воздействия на МНГС: горизонтальное и наклоняющее.Рассмотрим горизонтальное воздействие.

Рис. 1.1. Горизонтальная ветровая нагрузка

При проектировании в расчетах на устойчивость вводят обобщенное значение реальной ветровой нагрузки , которая представляет собой сумму эпюр ветровой нагрузки, распределенная по площади , и называющейся «силой» ветрового воздействия.

Рис. 1.2. Значения коэффициента  в зависимости от формы сооружения

Горизонтальная составляющая силы  для МНГС определяется как: