Материал: Поверка электромагнита постоянного тока

Внимание! Если размещение файла нарушает Ваши авторские права, то обязательно сообщите нам

Поверка электромагнита постоянного тока

Содержание

1. Исходные данные

. Задачи поверочного расчета

. Расчет магнитных проводимостей, потоков и падений напряжения на участках электромагнита при начальном, среднем и конечном положении якоря

. Расчет обмотки электромагнита

. Определение повышения установившейся температуры обмотки над температурой окружающего воздуха

. Расчет тяговой характеристики электромагнита

. Определение времени трогания электромагнита

Список использованной литературы

Приложение

1. Исходные данные

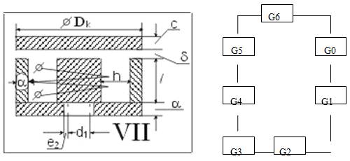
Вариант №28


№ варианта

а, мм

с, мм

d, мм

d1, мм

e2 мм

l, мм

h, мм

28

3

3

12

6

0,05

22

10


-магнитная постоянная

-начальное положение якоря

-конечное положение якоря

-магнитная индукция в рабочем зазоре

- Напряжение, подаваемое на зажимы обмотки

Сталь 10 - материал магнитопровода

2. Задачи поверочного расчета

При поверочном расчете электромагнита постоянного тока известны:

1. Геометрические размеры магнитной цепи электромагнита.

2. Величина магнитной индукции Вdн в рабочем воздушном зазоре для начального положения якоря dн или величина намагничивающей силы катушки Qк.

3. Напряжение питания.

Требуется рассчитать:

1. Магнитные проводимости воздушных зазоров Gd и Gе (рабочего и паразитного) и проводимости рассеяния Gs для четырех положений якоря: начального dн, среднего dср, промежуточного dп (dср>dп>dн) и конечного dк.

2. Величину намагничивающей силы обмотки электромагнита Qк, если задана магнитная индукция Вd или величину магнитного потока в воздушном зазоре при заданной н. с. обмотки.

3. Обмоточные параметры катушки электромагнита: марку и диаметры провода d и d1 (голого и изолированного), число витков w и сопротивление обмотки R.

4. Превышение температуры обмотки над температурой окружающего воздуха t при длительном режиме; если t>Jдоп, то определить для кратковременного режима - время работы, или для повторно-кратковременного режима - продолжительность включения ПВ.

5. Магнитные потоки: рабочий поток Фd и потоки рассеяния Ф, для четырех положений якоря (dн, dср, dп и dк).

6. Величина электромагнитной силы Fэ = f(d).

7. Время трогания электромагнита tтр.

3. Расчет магнитных проводимостей, потоков и падений напряжения на участках электромагнита при начальном, среднем и конечном положениях якоря

Электромагнит имеет 4 положения якоря и, соответственно, 4 значения δ:

δнач=2 мм.

- δср=1,075 мм.

- δпр=0,60 мм.

- δкон=0,15 мм.

Электромагнит в начальном положении якоря:

Проводимость первого рабочего воздушного зазора.

 

См

 

Начальный участок.

 Вб

 А

 

Первый участок.

 Вб

 Тл


А/м

 А

 

Второй участок.

 

 Вб

 Тл

А/м

 А

 

Проводимость паразитного воздушного зазора.

См

 

Третий участок.

 Вб

 А

 

Пятый участок.

 

 Вб

 Тл

А/м

 А

 

Проводимость второго рабочего воздушного зазора.

 

См

 

Шестой участок.

 

 Вб

 А

 

Седьмой участок.

 

 Вб

 Тл

А/м

 А

 А

 

Электромагнит в среднем положении якоря:

Проводимость первого рабочего воздушного зазора.

 

См

 

Начальный участок.

 Вб

 А

 

Первый участок.

 Вб

 Тл

По графику кривых намагничивания стали определяем H.

А/м

 А

 

Второй участок.

 

 Тл

А/м

 А

 

Проводимость паразитного воздушного зазора.

См

 

Третий участок.

 

 Вб

 А

 

Пятый участок.

 

 Вб

 Тл

А/м

 А

 

Проводимость второго рабочего воздушного зазора.

 

См

 

Шестой участок.

 

 Вб

 А

 

Седьмой участок.

 

 Вб

 Тл

А/м

 А

 А

 

Электромагнит в конечном положении якоря:

Проводимость первого рабочего воздушного зазора.

магнитный проводимость обмотка якорь

См

 

Начальный участок.

 Вб

 А

 

Первый участок.

 Вб

 Тл

По графику кривых намагничивания стали определяем H.

А/м

 А

 

Второй участок.

 

 Вб

 Тл

А/м

 А

Проводимость паразитного воздушного зазора.

См

 

Третий участок.

 Вб

 А

 

Пятый участок.

 

 Вб

 Тл

А/м

 А

 

Проводимость второго рабочего воздушного зазора.

 

См

 

Шестой участок.

 

 Вб

 А

 

Седьмой участок.

 

 Вб

 Тл

А/м

 А

 А

. Расчет обмотки электромагнита


Класс изоляции: А-80°С

Удельное сопротивление обмотки при нагреве до температуры 80°С:

   


Число витков:

,002 м оставляем для щечек каркаса при нахождении l и h

 

 витков

Сопротивление обмотки:

 Ом

Действительная намагничивающая сила:

 А

Расчет погрешности:


Рассчитанная  от действительной отличается на 4,74% , что находится в пределах нормы.

5. Определение повышения установившейся температуры обмотки над температурой окружающего воздуха

При включении обмотки электромагнита протекающей электрический ток нагревает ее. При длительном режиме включения обмотка нагревается до установившейся температуры, при этом устанавливается тепловой баланс - получаемое обмоткой тепло от источника питания равно теплу, отдаваемому ею в окружающую среду.

Мощность, выделяющаяся в обмотках.

 

Р== Вт.

Коэффициент теплоотдачи в окружающую среду.

Определяется по графику 1 из приложения. У данного электромагнита обмотка каркасного типа. Для температуры класса А - Т=80оС:

Кτ=11,4 Вт/м2*оС.

Поверхность охлаждения.

Sохл=Sвнутр+Sвнеш+2*Sторц

Sвнутр= Sвнутр

η - коэффициент, характеризующий эффективность внутренней охлаждающей поверхности. Для каркасной обмотки η=0, а значит:

Sвнутр=0

 

Превышение температуры.

τуст==68,73оС.

Так как τуст= 68,73оС меньше заданной температуры для класса А Т=80оС, то на этом тепловой расчет заканчивается.

. Расчет тяговой характеристики электромагнита

1. Электромагнитная сила для первого рабочего зазора.

По заданным значениям зазоров δ и рассчитанным значениям проводимостей G0 для этих зазоров строится график: G0=f(δ).

δнач=2 мм. G0нач=2,63*10-8 См.

δср=1,075 мм. G0ср=4,15*10-8 См.

δкон=0,15 мм. G0кон=2,44*10-7 См.

Рис.2 График зависимости проводимости первого рабочего зазора от положения якоря

По построенному графику определяются приращения для зазоров δ и соответствующие им приращения для проводимостей G0.

Δδнач=0,1 мм. ΔG0нач=0,02*10-8 См.

Δδср=0,1 мм. ΔG0ср=0,03*10-8 См.

Δδкон=0,1 мм. ΔG0кон=7,5*10-8 См.

Fнач==кгс

Fср==кгс

Fкон==кгс

2. Электромагнитная сила для второго рабочего зазора.

По заданным значениям зазоров δ и рассчитанным значениям проводимостей G0 для этих зазоров строится график: G0=f(δ).

δнач=2 мм. G0нач=8,8*10-8 См.

δср=1,075 мм. G0ср=1,48*10-7 См.

δкон=0,15 мм. G0кон=9,59*10-7 См.

Рис.3 График зависимости проводимости второго рабочего зазора от положения якоря

По построенному графику определяются приращения для зазоров δ и соответствующие им приращения для проводимостей G0.

Δδнач=0,1 мм. ΔG0нач=0,04*10-8 См.

Δδср=0,1 мм. ΔG0ср=2*10-8 См.

Δδкон=0,1 мм. ΔG0кон=16*10-8 См.

Fнач==кгс

Fср==кгс

Fкон==кгс

3. Общая электромагнитная сила.

Fэнач=0,07+0,0023=0,0723 кгс

Fэср=0,0013+0,46=0,4613 кгс

Fэкон=0,01+0,9=0,91 кгс

По заданным значениям зазоров δ и полученным значениям силы Fэ строится график: Fэ=f(δ).

Рис.4 График тяговой характеристики электромагнита.

7. Определение времени трогания электромагнита

Время срабатывания электромагнита постоянного тока состоит из времени трогания и времени движения. Для обычных электромагнитов время трогания намного больше времени движения, поэтому временем движения можно пренебречь.

tтр=

Тн=

W=4912 витков.

R=410,42 Ом.

См

Тн==0,0845 с.

tтрог==0,105 с.

Список использованной литературы

1.Гордон А.В. Электромагниты постоянного тока /А.В. Гордон, А.Г. Сливинская. М.: Госэнергоиздат,1960.

.Сливинская А.Г. Электромагниты и постоянные магниты/ А.Г. Сливинская.-М.:Энергия,1972.

Приложение

. Обмоточные данные проводов с эмалевой изоляцией.


. Зависимость коэффициента теплоотдачи от температуры перегрева



- А - бескаркасная катушка

Б - каркасная катушка

. Кривые намагничивания стали