Материал: ПГ_2

Внимание! Если размещение файла нарушает Ваши авторские права, то обязательно сообщите нам

Федеральное агентство связи

Федеральное государственное бюджетное образовательное

учреждение высшего образования

Поволжский государственный университет телекоммуникаций и информатики

Кафедра «Информационных систем и технологий»

Лабораторная работа №2

По дисциплине «Теория информационных процессов и систем»

Тема: «Исследование спектров непериодических сигналов»

Вариант – 5

Выполнил: студент гр. ИСТ-74у

Проверил: доцент, к.т.н.

______________ /Атаев С. Г./

Самара, 2019

Цель работы:

Изучить особенности спектра непериодического сигнала. Исследовать основные закономерности изменения спектра непериодического сигнала от первичных параметров сигнала.

Задания:

Выполнить исследования зависимости спектра непериодического сигнала (спектра амплитуд и спектра фаз) при изменении следующих первичных параметров сигнала (сигнал задаётся преподавателем).

  1. Длительности импульса ;

  2. Смещения сигнала относительно начала координат.

Выполнение заданий

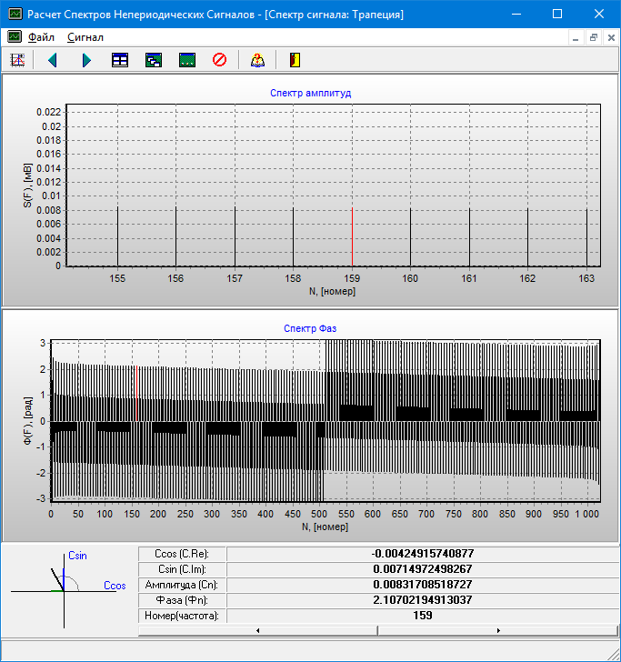
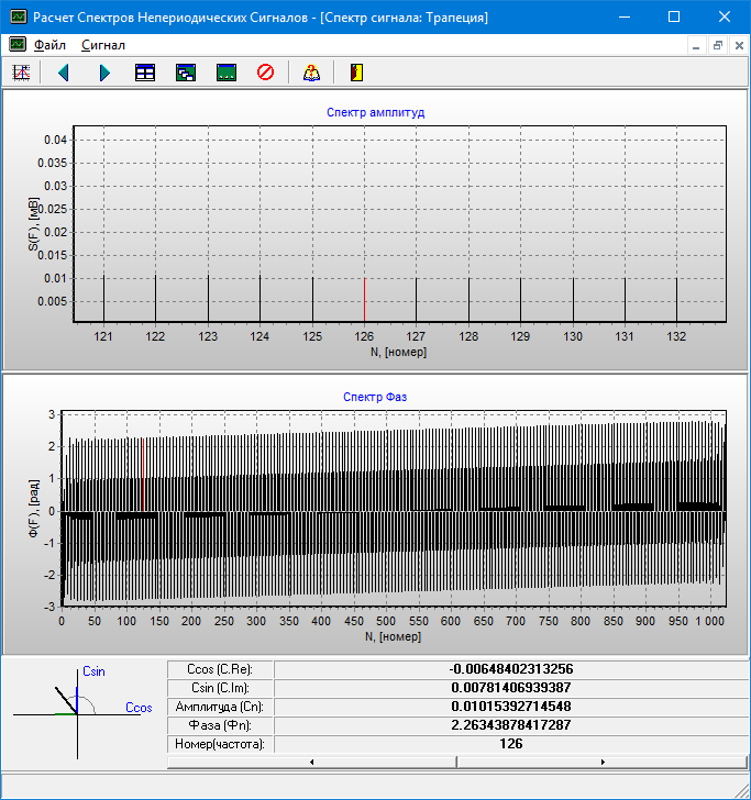
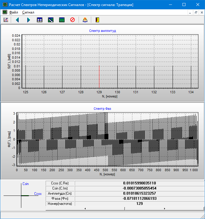
Настройка параметров сигнала:

Длительности импульса ;

Увеличиваем значение Фронт и t2 на 5

Амплитуда 0.0084

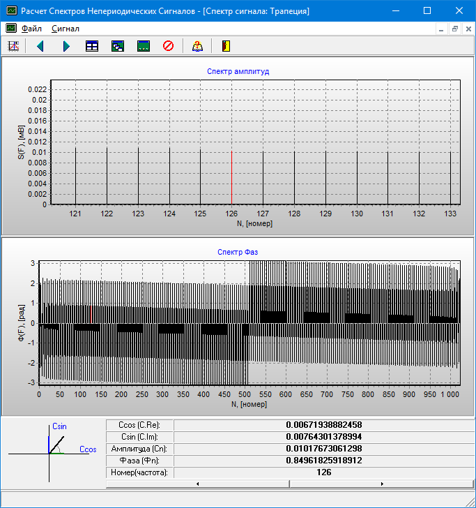
  1. Фронт=10 и t2=10

Амплитуда 0.0083

  1. Фронт=15 и t2=15

Амплитуда 0.0083

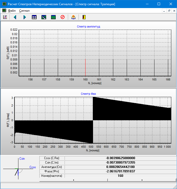
  1. Фронт=20 и t2=20

Амплитуда 0.0083

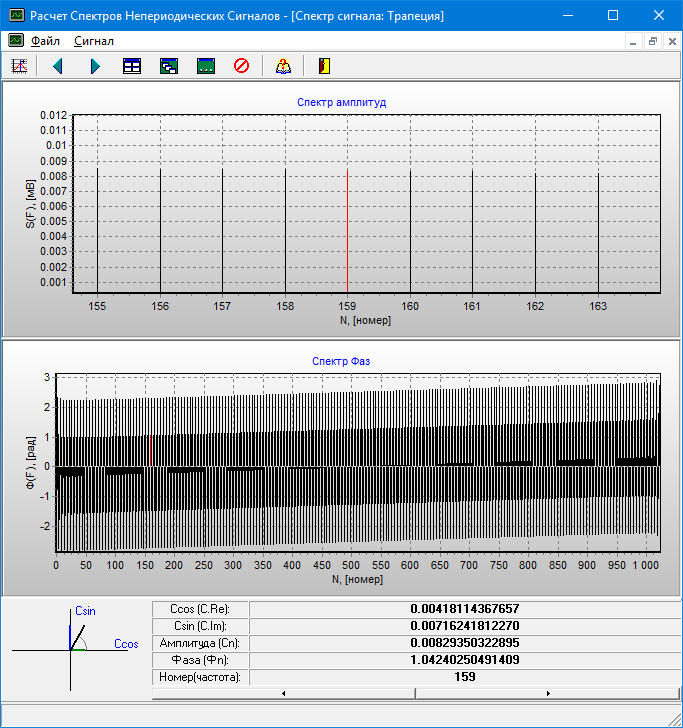
  1. Фронт=25 и t2=25

Амплитуда 0.0083

№ испытания

1

2

3

4

5

t2

5

10

15

20

25

Фронт

5

10

15

20

25

Амплитуда

0,0083

0,0083

0,0083

0,0083

0,0083

Номер (частота)

159

159

159

159

160

Вывод: Ширина спектра увеличивается при увеличении длительности импульса.

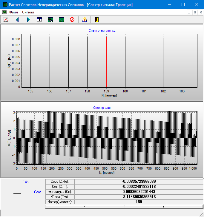
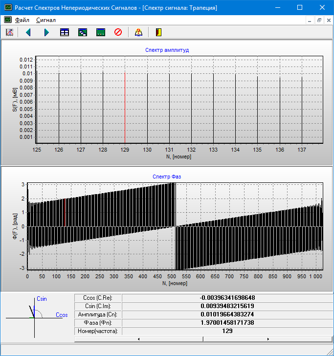
Смещения сигнала относительно начала координат

1

2

3

4

5

6

7

dt

0

5

10

15

20

25

30

Фаза

-1,793

-1,349

-1,644

-1,203

-1,496

-1,793

-1,349

Амплитуда

0,011

0,011

0,011

0,011

0,011

0,011

0,011

Номер (частота)

120

Вывод: Изменение начальных фазовых сигналов не изменяет спектр амплитуд. Но спектр фаз меняется.

Вывод по лабораторной работе: Изучены особенности спектра непериодического сигнала. Исследованы закономерности изменения спектра от первичных параметров сигнала.