Материал: Печи для сварки

Внимание! Если размещение файла нарушает Ваши авторские права, то обязательно сообщите нам

Печи для сварки

1. Конструкция и принцип действия дуговой сталеплавильной печи


Дуговые сталеплавильные печи работают на трехфазном токе частотой 50 Гц. Они имеют чашеобразную форму; стенки печи выполнены из огнеупорного кирпича - магнезитового, если применяется, основной шлак, и динасового, если шлак кислый (некоторые печи для фасонного литья). Дно ванны печи выполняют набивным из огнеупорного порошка, смешанного с каменноугольной смолой или жидким стеклом, чтобы создать слой, не проницаемый для жидкого металла. Сверху печь перекрывается сферическим огнеупорным сводом с тремя расположенными по вершинам правильного треугольника отверстиями, через которые в печь входят три графитовых электрода. Электроды зажаты в бронзовых или стальных электрододержателях, рукава которых закреплены на стойках, могущих перемещаться вверх и вниз в направляющих при помощи электродвигателей или гидравлических механизмов. Ток подводится к электрододержателям от специального трехфазного понижающего трансформатора с помощью медных шин, трубошин и гибких кабелей. Дуги горят между концами электродов и металлом ванны, который электрически является нулем трехфазной звезды нагрузки. Перемещением электродов вверх и вниз можно регулировать длину дуги, а с ней ток и мощность каждой фазы печи, устраняя колебания тока, короткие замыкания и обрывы дуги. Кроме того, для регулирования режима печи применяют изменение питающего печь напряжения, для чего обмотка электропечного трансформатора снабжается большим числом отводов. Переключение с одной ступени напряжения на другую на печах небольшой емкости производят при выключенном трансформаторе, а на мощных печах - с помощью специального переключателя ступеней без отключения печи от сети.

Футеровка печи находится в прочном стальном кожухе, в котором прорезаны одно рабочее окно, прикрываемое подъемной дверцей, и отверстие для летки со сливным носком, через которое производят по окончании плавки слив металла в ковш. Рабочее окно служит для наблюдения за состоянием ванны и футеровки, для заправки (исправления) подины и стен, для заброса в печь образующих шлак материалов и легирующих добавок и взятия пробы металла. Кроме того, через рабочее окно, находящееся против сливного носка, осуществляют скачивание шлака в шлаковницу, при этом печь наклоняют в сторону окна.

К нижним конструкциям печи прикреплена шахта с направляющими роликами, в которых перемещаются вертикально стойки печи, несущие электрододержатели с зажатыми в них электродами. Внизу кожух печи покоится на двух секторах, которыми он опирается на горизонтальные площадки или систему роликов. Механизм наклона печи осуществляет качение секторов по площадкам или роликам, тем самым, наклоняя всю печь со стойками и электродами на 40-45° в сторону слива металла в ковш и на 15° в сторону рабочего окна (при скачивании шлака). Привод механизма наклона печи может быть электромеханическим или гидравлическим.

Для загрузки печи свод ее приподнимают и отворачивают вместе с электродами специальными механизмами в сторону, оставляя ванну печи открытой. Шихту загружают в загрузочную бадью, она устанавливается краном над печью, дно бадьи раскрывается, и шихта падает в печь.

Крупные ДСП снабжают устройствами для электромагнитного перемешивания металла в ванне. Для этой цели под дном печи (днище выполняется при этом из немагнитной стали) устанавливают статор, создающий бегущее магнитное поле. Увлекаемый полем металл перемешивается, что обеспечивает выравнивание состава и температуры ванны. Кроме того, вызванное устройством движение верхнего слоя металла в сторону рабочего окна облегчает скачивание шлака. Для увеличения глубины проникновения магнитного поля в металл и увеличения эффективности движения последнего статор питают током пониженной частоты от специального электромашинного или полупроводникового преобразователя. Таким образом, ДСП является большим и сложным плавильным агрегатом, снабженным рядом механизмов и быстродействующей системой автоматического регулирования электрического режима.

Первым периодом плавки является расплавление шихты. Электроды опускают, они касаются шихты и приподнимаются; между их концами и металлом зажигаются дуги. Металл под электродами нагревается, начинает плавиться и каплями стекать на дно ванны. В шихте образуется выемка, а затем «колодец», в который по мере его проплавления опускается электрод. Этот процесс длится, пока электрод не доходит до лужи расплавленного металла на подине; затем шихта стенок колодцев начинает подплавляться, колодцы расширяются, уровень расплавленного металла в ванне, а с ним и электроды начинают подниматься, пока вся шихта не расплавится. Это очень беспокойный, неустойчивый период плавки, так как окруженная холодной шихтой дуга очень коротка (2-3 см) и неустойчива, подплавляемые дугой стенки колодцев обрушиваются, падают на электрод и вызывают короткие замыкания. В то же время период расплавления желательно провести как можно быстрее, на максимальной мощности, так как от времени расплавления зависит как производительность ДСП, так и ее КПД. Этот период можно проводить на максимальном напряжении, так как дуги окружены холодным металлом, защищающим футеровку стен и свода от их излучения.

В период окисления металл расплавлен и покрыт шлаком, дуга длиннее (5-10 см), режим спокойнее, но излучение дуг на футеровку больше, и поэтому приходится снижать мощность и напряжение на 15-20%.

В период рафинирования металл и стены очень горячие, дуги еще более удлиняются (до 20-30 см) и сильно излучают теплоту на футеровку, которая нагревается до предельной для материала температуры, поэтому напряжение снижают до 50-60% номинального. Потребность в энергии также сильно падает, мощность печи снижают до 30-50% номинальной.

Из изложенного следует, что необходимо иметь возможность регулировать в широких пределах мощность печи и ее напряжение, а ее электрооборудование должно выдерживать частые короткие замыкания и толчки нагрузки.

Кроме того, следует отметить, что ДСП является крупным и весьма неприятным для энергосистемы потребителем. Она, как правило, работает с низким коэффициентом: мощности (0,8-0,7); дуга генерирует высокочастотные колебания, нежелательные для других потребителей; мощность, потребляемая из сети, меняется в течение плавки в широких пределах; электрический режим печи, особенно в начальный период, беспокоен, с частыми короткими замыканиями и обрывами дуги.

На рис. 1.1 показана схема питания ДСП. Так как напряжение питания печи при ее работе требуется изменять в довольно широких пределах, каждую печь снабжают своим регулируемым электропечным трансформатором, имеющим несколько ступеней вторичного напряжения. Электропечной трансформатор является одновременно и понижающим, так как питание малых печей осуществляется от подстанций 6-10 кВ, а крупных-35 и даже 110 кВ. Так как дуговые печи, мощность которых достигает нескольких десятков тысяч киловатт, работают при сравнительно низких напряжениях и больших токах, электропечные трансформаторы располагают возможно ближе к печам. Поэтому в сталеплавильных цехах с дуговыми печами рядом с последними строят внутрицеховые подстанции, в которых располагают трансформаторы и остальное электрооборудование.

В дуговой печи короткое замыкание (КЗ) электродов на металл - нормальное эксплуатационное явление; в период расплавления число КЗ доходит до 5-10 в минуту. Поэтому необходимо ограничить ток КЗ приемлемым для надежной работы электрооборудования значением. Обычно стараются, чтобы кратность тока КЗ к номинальному току не превосходила 3-4. Это достигается введением последовательно с дугами дополнительных индуктивностей. В мощных печах для этой цели достаточно индуктивности трансформатора и короткой сети - токоподвода от электропечного трансформатора к электрододержателям: эти естественные индуктивности настолько велики, что ограничивают ток КЗ у самых крупных печей до двукратного номинального значения. Поэтому в мощных печах приходится заботиться об уменьшении, насколько это возможно, индуктивности контура из-за снижения коэффициента мощности установки, а также о согласовании параметров трансформатора и вторичного токоподвода.

Рис. 1.1. Электрическая схема питания ДСП.

1 - печь; 2 - печной трансформатор; 3 - встроенный реактор; 4 - трансформатор тока; 5 - трансформатор напряжения; 6-высоковольтный выключатель; 7 - разъединители; 8 - ввод высокого напряжения; 9 - реле защиты от перегрузки.

Наоборот, у малых печей естественной индуктивности не хватает (трансформатор 6-10%, короткая сеть 5-10%, что соответствует 5-6-кратному значению тока КЗ), и приходится последовательно с трансформатором включать со стороны высокого напряжения дополнительную индуктивность - реактор с магнитопроводом и масляным охлаждением, имеющий относительное реактивное сопротивление 15-25%. Так как индуктивность реактора не должна зависеть от тока, его сердечник работает в режиме, далеком от насыщения.

Ограничение толчков тока при КЗ и стабилизация режима дуги нужны только в период расплавления; в остальные периоды плавки дуга горит вполне устойчиво без дополнительной индуктивности, толчки тока меньше (из-за снижения напряжения), КЗ редки. Поэтому, как правило, параллельно реактору включают контакты, позволяющие закоротить его, когда он не нужен.

Электрооборудование установки ДСП работает в более тяжелых условиях, чем оборудование общепромышленных электроустановок, так как оно должно выдерживать многочисленные 2-3-кратные перегрузки по току. Это относится к электропечному трансформатору, реактору, трансформатору тока; их конструкция должна быть усиленной в механическом и тепловом отношениях. В особенно тяжелых условиях работает коммутационная аппаратура, так как число отключений печи, в том числе при КЗ, доходит до нескольких десятков в сутки. Это ставит в особо тяжелые условия размыкающие контакты и масло высоковольтных выключателей и требует частых (до двух раз в месяц) ревизий и замен масла. В частности, маломасляные горшковые выключатели совершенно непригодны для коммутации дуговых печей; здесь применяют только баковые вакуумные или воздушные выключатели. Всю коммутационную аппаратуру (выключатели, переключатели ступеней напряжения электропечных трансформаторов) устанавливают на стороне ВН, так как на стороне НН, где токи достигают нескольких десятков тысяч ампер, никакие переключения невозможны.

В установках ДСП необходима защита от перегрузки и от аварийных КЗ. Первую обеспечивают обычно на стороне НН электропечного трансформатора, а вторую - с помощью максимальных реле мгновенного действия, подключаемых к трансформаторам тока на стороне ВН. Уставку реле мгновенного действия выбирают так, чтобы реле не реагировали на эксплуатационные КЗ, которые должны ликвидироваться не отключением печи, а поднятием электродов с помощью быстродействующей системы автоматического регулирования мощности печи.

2. Источники питания для ручной дуговой сварки на переменном токе


Технико-экономическое сопоставление электрической сварки на постоянном и переменном токе говорит о том, что в тех случаях, когда сварка на переменном токе обеспечивает необходимое качество соединения, она обладает существенным преимуществом перед сваркой на постоянном токе. Основными причинами этого

1.      Меньшая стоимость источника сварочного тока, питаемого непосредственно от сети переменного тока, и соответственно меньшие амортизационные затраты на единицу свариваемой продукции.

2.      Простота устройства и высокая степень надежности работы сварочного оборудования переменного тока обусловливают меньшие эксплуатационные расходы на его обслуживание и ремонт.

.        Меньший расход электроэнергии на единицу свариваемой продукции.

Источниками питания при дуговой сварке на переменном токе являются специальные сварочные трансформаторы, обычно подключаемые к сети переменного тока напряжением 220 или 380 В. Для обычной ручной дуговой сварки, а также для полуавтоматической и автоматической дуговой сварки под слоем флюса однопостовые сварочные трансформаторы должны иметь круто падающую характеристику. Такую характеристику можно получить, обеспечивая:

) исполнение трансформатора с нормальным магнитным рассеянием и дополнительной реактивной катушкой (дросселем), которая может выполняться либо в виде отдельной единицы (рис. 2.1), либо встроенной в общий магнитопровод трансформатора (рис. 2.2);

) исполнение трансформатора с повышенным магнитным рассеянием.

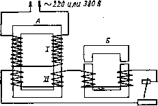
Рис. 2.1. Схема сварочного аппарата с отдельным регулятором.

А - трансформатор; Б - регулятор (дроссель); Й-первичная обмотка; ЙЙ - вторичная обмотка

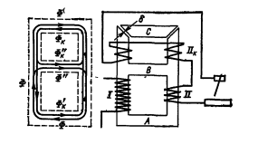
Рис. 2.2. Электромагнитная схема трансформатора СТН со встроенным регулятором

Сварочные трансформаторы с отдельными дросселями в настоящее время отечественной электропромышленностью не выпускаются, однако в эксплуатации еще имеется значительное количество таких трансформаторов четырех типоразмеров: СТЭ-22, СТЭ-23, СТЭ-32 и СТЭ-34 на максимальные сварочные токи (при ПР = 65%) соответственно 250, 300, 450 и 500 А с первичным напряжением 220 или 380 В. Регулирование сварочного тока в этих трансформаторах осуществляется за счет изменения воздушного зазора в магнитопроводе дросселя, причем максимальный сварочный ток достигается при наибольшем воздушном зазоре.

У сварочного трансформатора типа СТН, разработанного проф. В.П. Никитиным (см. рис. 2.2), на общем магнитопроводе размещается, помимо обычной вторичной обмотки II, реактивная катушка IIк, включаемая последовательно с вторичной обмоткой. Вторичное напряжение трансформатора определяется суммарной ЭДС обмоток II и IIк.

При согласном включении обмоток в режиме холостого хода магнитный поток трансформатора создается только током первичной обмотки и разветвляется между средним и верхним стержнями магнитопровода. ЭДС во вторичной цепи складывается из ЭДС обмоток II и IIк.

В режиме нагрузки магнитный поток трансформатора создается током первичной обмотки, а также током, протекающим во вторичной и реактивной обмотках.

Магнитный поток, создаваемый реактивной обмоткой Фк, разветвляется между средним и нижним стержнями магнитопровода.

Регулирование сварочного тока в трансформаторе СТН осуществляется изменением воздушного зазора верхнего стержня магнитопровода. Для получения больших сварочных токов воздушный зазор необходимо увеличивать.

При настройке на большие токи трансформатор имеет пониженное напряжение холостого хода; при настройке на малые токи напряжение холостого хода повышается.

Такая система весьма целесобразна, так как при малых сварочных токах для поддержания устойчивой дуги в условиях значительной деионизации дугового промежутка необходимо повышенное напряжение зажигания.


3. Электрооборудование и схемы питания индукционных тигельных печей

индукционный печь сталеплавильный сварка

Регулирование электрического режима индукционной тигельной печи