Материал: Паросиловой цикл Ренкин

Внимание! Если размещение файла нарушает Ваши авторские права, то обязательно сообщите нам

Паросиловой цикл Ренкин

Содержание

1. Введение

.1 Схема паросилового цикла Ренкина с перегревом пара

.2 Термодинамические процессы

. Задание на проектирование

.1 Данные для расчета

.2 Агрегатное состояние рабочего тела

. Расчет параметров состояния рабочего тела в характерных точках цикла

. Расчет потерь энергии (работоспособности) рабочего тела в процессах цикла (элементах установки)

. Эксергетический анализ исследуемого цикла

. Вывод

Список литературы

1.     
Введение

Ренкина цикл, идеальный термодинамический цикл (Круговой процесс), в котором совершается превращение теплоты в работу (или работы в теплоту); принимается в качестве теоретической основы для приближённого расчёта реальных циклов, осуществляемых в паросиловых установках (энергетическая установка, обычно состоящая из паровых котлов (парогенераторов) и паровых двигателей (паровых машин или паровых турбин) для пароходов, паровозов, паровых автомобилей или электрических генераторов (тепловых и атомных электростанций).Назван по имени У. Дж. Ранкина, одного из создателей технической термодинамики.

Известно, что большая часть мировых энергетических ресурсов направляется на выработку электроэнергии и работу транспорта, где бесчисленное количество тепловых преобразователей энергии, превращают их в полезную работу. Эффективность преобразователей энергии, к которым относятся двигатели внутреннего сгорания, газотурбинные, паротурбинные и другие энергетические установки, способна снизить не только экономические, но и экологические проблемы, что заставляет постоянно совершенствовать их конструкцию.

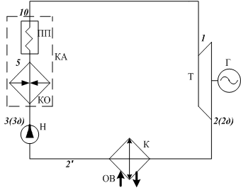
1.1 Схема паросилового цикла Ренкина с перегревом пара

Цикл Ренкина с перегревом пара является основным циклом паросиловых установок, применяемой в современной теплоэнергетике. В качестве рабочего тела используется водяной пар. Перегретый пар с параметрами состояния точки 1() поступает в турбину Т, в которой ,расширяясь, производит полезную работу. Полученная механическая работа турбины преобразуется генератором Г в электрическую энергию. Обработанный пар с параметрами состояния точки 2 или  подается в конденсатор К, в котором конденсируется до состояния жидкости отдавая теплоту охлаждающей воде ОВ.

КА - котлоагретат (котел КО и пароперегреватель ПП);

Т - турбина;

Г - электрогенератор;

К - конденсатор;

ОВ - охлаждающая вода;

Н - насос.

паросиловой цикл ренкин энергия

Из конденсатора жидкость (вода), с параметрами точки поступает в насос Н, который повышает ее давление и попадает в котлоагрегат КА с параметрами состояния точки 3 и За счет теплоты сгорания в топке котла топлива (угля, мазута или газа) к жидкости подводиться теплота  и жидкость нагревается до состояния насыщения (точка 4) и кипит, превращаясь в пар(точка 5)в котле КО .Насыщенный водяной пар поступает в пароперегреватель ПП, где нагревается выше температуры насыщения при заданном давлении(точка) и направляется по паропроводу в турбину.

1.2 Термодинамические процессы

T-S диаграмма холодильного цикла

Термодинамический цикл этого теплового двигателя производится меду двумя изобарами - изобарой отвода тепла в конденсаторе (2’-2-2д)и и изобарой подвода тепла в котлоагрегате (3-3д-4-5-) как показано на рис. 2.

2. Задание на проектирование

Произвести расчет эффективности работы цикла Ренкина, рассчитать параметры состояния рабочего тела в различных точках цикла, определить потери энергии и работоспособности в реальных процессах рабочего тела и в элементах оборудования, а также всей установки в целом.

.1 Данные для расчета

D=12 т/ч; P10=10 МПа; t10=550°C; ηка=91%; ηтoi=87%; ηнoi=86%;ηпп=99%;ηм=99%;ηr =98%; P2=0,004 МПа

.2 Агрегатное состояние рабочего тела

Точка 1 - перегретый пар

Точка 1 -сухой перегретый пар

Точка 2 - влажный пар

Точка  - жидкость (вода)

Точка - сухой насыщенный пар

Точка 2д - влажный пар

Точка 3 - насыщенная жидкость

Точка  - нагретая жидкость

Точка 4 - кипящая вода

Точка 5 - сухой насыщенный пар

3. Расчет значений основных параметров состояния в характерных точках цикла

Точка 1

P1=10,МПа

1= [(t-t)/(i-i)]*(i-i)+t

1=[(550-500)/(3500-3374)*(3466,34-3374)]=536,6, 0С1=S=6,715, кДж/кг×К

1=[(V2 -V)/(i-i)]*(i-i)+V

1= [(0.003561-0.03277)/(3500-3374)]*(3466.34-3374)+0.03277=0.03485, м3/кг

1=[(S-S)/(i-i)]*(i-i)+S

1=[(6.757-6.598)/(3500-3374)]*(3466.34-3374)+6.598=6.715, кДж/кг×К

Точка 2

P2=0,004,МПа

t2 получаем из таблицы 1(Приложение 3),при заданном давлении

t2 =28,98, 0С

S2=S1=6,715, кДж/кг×К

V2=V*x+V* (1-x)

V2= 34, 80 *078+121,4 * (1-0,78)=53,85, м3/кг

x= = (S-S)/(S- S)= (6,715-0,4224)/(8,475-0,4224)=0,782=i*x+ i/ (1-x)

2 = 2554 *0,78+121,4(1-0,78)= 2018,8 кДж/кг

Точка 2

P=0,004,МПа

i2д=hт (i1-i2)+i1

2д=-0,87×(3466,34-2018,8)+3466,34=2206,98, кДж/кг=t=28.98 0С

V=[(V2 -V]+V

V2д=(34,80-0,001004)0,86+0,001004=29,928×10-3, м3/кг

2д=(S)x+S

= (i2д -i)/( i- i)=(2206,98-121,4)/(2554-121,4)=0,86

Точка 2

Параметры состояния рабочего тела в точках 2 , 2 находятся из таблиц насыщенного водяного пара (таблица 1 приложения) :

P=0,004,МПа

t=28,98,0С

V2=0,001004, м3/кг

i=121,4,кДж/кг

S=0,4224, кДж/кг

Точка 2

t=28.98, 0С

P=0.004, МПа

V=34.80×10-3, м3/кг

i=2554, кДж/кг

S=8.475, кДж/кг×К

Точка 3

Параметры состояния жидкости после сжатия в насосе(точки 3 и 3 ) определяются по таблицам для воды и перегретого водяного пара (таблица 2 приложения):

По известному давлению P3=10,МПа

3= [(i-i1)/(S-S1)]*(S-S1) + i1

3=[(1763-93,2)/(0,5682-0,2942)]*(0,4224-0,2942)+93,2=132,08, кДж/кг

3= [(t-t1)/(S-S1)]*(S-S1) + t1

=[(40-20)/(0,5682-0,2942)]*(0,4224-0,2942)+20= 29,36 , 0С

3=[(V-V1)/(i- i1)]*(i- i1)+V1×10-3, м3/кг

 

V= [(0,001034-0,0009972)/(176,3-93,2)]*(132,08-93,2)+0,0009972= 0,0010001, м3/кг

S3= S= 0, 4224, кДж/кг×К

Точка 3

P3=10, МПа3=i+ [(i3-i)/η]

3= 121 ,4+[(132,8-121,4)/0,86]=133,82, кДж/кг

3= [(t-t1)/ (i -i1)]*(i-i1)+t1

= [(40-20)/ (176,3-93,2)]*(133,82- 93,2)+20= 29,78 , 0С

3=[(V-V1)/ (i- i1)]*(i- i1)+V1

= [(0,001034-0,0009972)/(176,3-93,2)]*(133,82-93,2)+0,0009972= 0,0010001, м3/кг

3= [(S-S1)/ (i- i1)]*(i- i1) +S1

3= [(00,56-0,2942)/ (176,3-93,2)]*(133,82-93,2) +0,2942= 0,4281, кДж/кг× К

Точка 4

Параметры состояния точек 4 и 5 определяют по значению давления или температуры насыщения в них, (таблица 1 приложения)

t4=584, 15, 0С

P4=10, МПа

V4=0, 001453, м3/кг

i4=1409, кДж/кг

S4=3.362, кДж/кг×К

Точка 5

t5=584,15, 0С

P5=10, МПа

V5=0,01800 м3/кг

i5=2724, кДж/кг

S5=5.614, кДж/кг×К

Точка 10

Параметры перегретого пара в точке 10 определяются по тем же таблицам, по известным температуре и давлению :

t10=550, 0С

P6=10, МПа

V10=0,03561, м3/кг

S10=6,757, кДж/кг×К

i10=3500, кДж/кг

4. Расчет потерь энергии (работоспособности) рабочего тела в процессах цикла(элементах установки)

Теплота, подводимая в котёл:

q=(i10-i3)=3500-133082=3366,18 кДж/кг.

Теплота, отданная в конденсаторе:

q=i-i=2206.98-121.4=2085.58.кДж/кг.

Полезная внешняя работа теплового двигателя:

l=q- q=3366.18-2085.58=1280.6 кДж/кг.

Количество выделяющейся теплоты:

q= q/ η=3366.18/ 0,91= 3699,099, кДж/кг

Эффективное КПД двигателя :

η= l/ q = 1280,6/ 3699,099 = 0,346