Лабораторная работа №1
ИСПЫТАНИЕ ОДНОФАЗНОГО ТРАНСФОРМАТОРА МЕТОДОМ ХОЛОСТОГО ХОДА И КОРОТКОГО ЗАМЫКАНИЯ
Выполнил студент группы МС-31 Воронцов И.С.
Цель работы: на основании опытов холостого хода и короткого замыкания определить параметры трансформатора: потери мощности в стальном сердечнике и в проводниках обмоток, коэффициент трансформации, коэффициент полезного действия, напряжение вторичной обмотки при нагрузке.
Некоторые
формулы:
Коэффициент трансформации -
Коэффициент
мощности -
Активное
сопротивление короткого замыкания
трансформатора -
Остальные
параметры короткого замыкания -
Напряжение
короткого замыкания -
,
его активная -
и реактивная -
составляющие
Коэффициент
полезного действия трансформатора -
,
где Р1,
Р2
–
активные мощности первичной и вторичной
обмоток, Вт; SH
–
номинальная мощность трансформатора
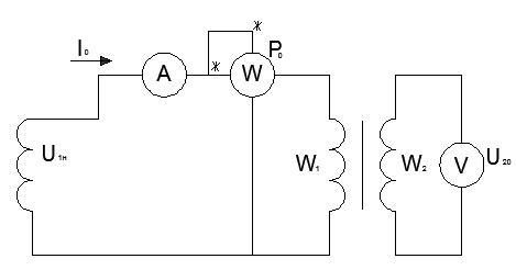
Схема опыта холостого хода трансформатора
Параметры трансформатора, который используем в лабораторной работе: S=600BA, U1H=220B, U2H=125B, W1=512вит., W2=290вит., Q=13.5см2, k=1.77
Таблица 1 – Результаты измерения и расчета параметров трансформатора в режиме х.х.
N опыта |
Измерено |
Вычислено |
|||||||||||||
U1 |
U20 |
P0 |
I0 |
cosφo |
при U1=U1H |
||||||||||
k |
|
zo |
ro |
xo |
|||||||||||
|
B |
Вт |
А |
|
|
% |
Ом |
||||||||
1 |
220 |
134 |
10 |
0,2 |
0,23 |
1,64 |
7,35 |
1100 |
250 |
1071,21 |
|||||
Рассчитаем
параметры трансформатора в режиме
холостого хода: Коэффициент мощности:
Далее
считаем коэффициент трансформации:
Отношение
,
где
Полное сопротивление найдем по формуле:
Посчитаем
активное сопротивление:
Реактивная
составляющая будет равна:
Схема опыта короткого замыкания трансформатора
Таблица 2 – Результаты измерения и расчета параметров трансформатора в режиме к.з.
Измерено |
Вычислено |
|||||||
Uкн |
Pкн |
I1н |
uk |
zk |
rk |
xk |
cosφk |
|
B |
Вт |
А |
% |
Ом |
|
|||
19 |
50 |
2,72 |
8,64 |
6,99 |
6,76 |
1,77 |
0,97 |
|
Определим
параметры замещения трансформатора
для режима короткого замыкания: Будем
следовать таблице и определим напряжение
короткого замыкания:
,
где
.
Находим активную составляющую
сопротивления короткого замыкания
,
а также реактивное сопротивление
короткого замыкания
.
Определим
коэффициент мощности при к/з.
Расчет
путем для других значений
определим
напряжение U2
и КПД при следующих коэффициентах
нагрузки β:0 (холостой ход); 0,5; 1,0; 1,25.
Результаты занесем в таблицу, находящую
ниже.
Таблица 3 – Расчет других значений при различных коэффициентах нагрузки
№ п/п |
β |
I2, A |
ua, % |
up, % |
Δu, % при |
U2, B при |
P0, Bт |
PKH, Вт |
(P0+β2PKH), Вт |
P1, Вт |
P2, Вт |
η, % при |
|||||||||||
cosφ2=1,0 |
cosφ2=0,8 |
cosφ2=1,0 |
cosφ2=0,8 |
cosφ2=1,0 |
cosφ2=0,8 |
cosφ2=1,0 |
cosφ2=0,8 |
cosφ2=1,0 |
cosφ2=0,8 |
||||||||||||||
1 |
0 |
0 |
8.36
|
2.19
|
0 |
0 |
220 |
220 |
10
|
50
|
10 |
60 |
60 |
0 |
0 |
0 |
0 |
||||||
2 |
0,5 |
2,4 |
2.26 |
4.24 |
217 |
215 |
22,5 |
222 |
308 |
162 |
248 |
88 |
92 |
||||||||||
3 |
1 |
4.8 |
4.51 |
8.48 |
214 |
209 |
60 |
385 |
556 |
324 |
495 |
84 |
89 |
||||||||||
4 |
1.25 |
6 |
5.64 |
10.59 |
213 |
207 |
88 |
466 |
680 |
405 |
619 |
82 |
88 |
||||||||||
Опишем определение всех параметров для первой строки Таблицы 3, т.к. для остальных строк они находятся аналогично:
Мощности
Р0
и РКН
занесем из Таблиц
1
и 2.
Определим КПД при cosφ2(1,0):
Также при cosφ2(0,8):
Из формулы определения КПД, определим
мощности Р1
и
Р2
при
cosφ2(1,0):
и
при cosφ2(0,8):
Найдем
значение Р0+β2РКН=
Определим
,
а также
Напряжение
Δu%
при cosφ2(1,0):
Напряжение
Δu%
при cosφ2(0.8):
Теперь
найдем U2
при
cosφ2(1,0):
при cosφ2(0.8):
Ток
I2
найдем
по формуле
,
где
Построим
графики зависимостей при
и
Вывод. На основании опытов холостого хода и короткого замыкания определили параметры трансформатора: потери мощности в стальном сердечнике и в проводниках обмоток, коэффициент трансформации, коэффициент полезного действия, напряжение вторичной обмотки при нагрузке. Построили векторные диаграммы при опытах х.х. и к/з.