Материал: Ось ролика

Внимание! Если размещение файла нарушает Ваши авторские права, то обязательно сообщите нам

Ось ролика

Введение

заготовка ось деталь

Автоматизация производственных процессов имеет важное значение на современном этапе развития машиностроения при становлении рыночных отношений. Основой производственных процессов являются автоматизированные технологические процессы механической обработки и сборки, которые обеспечивают высокую производительность и необходимое качество изготовляемых изделий.

Понятие «технология машиностроения» обозначает преимущественно процессы механической обработки заготовок для изготовления деталей и сборки машин. Это объясняется тем, что в машиностроении заданные формы детали с требуемой точностью их параметров и необходимым качеством поверхностного слоя достигаются в основном путем механической обработки.

В процессе механической обработки возникает наибольшее число проблем, связанных с выполнением требований к качеству машин, заданных конструктором. Процесс механической обработки реализуется достаточно сложной технологической системой, включающей в себя металлорежущий станок, станочную технологическую оснастку, режущий инструмент и заготовку.

Это объясняет направление развития технологии машиностроения как научной дисциплины, в первую очередь, в сторону изучения технологии механической обработки со снятием стружки и сборки.

Одной из основных задач машиностроения является обеспечение конкурентоспособности выпускаемых изделий, которая определяется их качеством и ценой. Эти основные показатели конкурентоспособности машин в значительной мере зависят от технологии их изготовления, разработчиком которой является инженер-технолог.

. Общий раздел

.1 Краткие сведения о детали

Данная деталь относится к классу валов и имеет 2 ступени. (Рис. 1.) При работе она подвергается осевым и радиальным нагрузкам

Ось выполнена в виде цилиндра с посадочной ступенью и буртом. Она также имеет канавки и отверстия для подачи в ролик смазки. Бурт имеет лыски под ключ. С торца просверлено резьбовое отверстие для крепления шайбы.

Специфические требования, предъявляемые детали:

) Неуказанные предельные отклонения H12, h12,±IT12/2.

) Твердость HRC 52…56.

.2 Материал детали

Деталь ось ролика изготовлена из стали 40Х ГОСТ 4543-71.

Расшифровка марки стали: марка 40Х означает, что в стали содержится 0,40% углерода и менее 1,5% хрома.

Кроме обычных примесей, в марке 40х содержится определенное количество элементов, которые специально вводятся. Благодаря этому обеспечиваются особенные свойства. Здесь, как легирующий элемент, применяется хром. Именно из-за него в маркировке стали присутствует буква Х.

Сталь 40 ГОСТ 4543-71 выделяется среди подобных изделий рядом следующих характеристик: химическим составом элементов, возможными заменителями, поставщиками, максимальной температурой работоспособности. В основных свойствах выделяют ее основные заменители: стали 45Х, 38ХА и 40ХН. По своим характеристикам они являются наиболее близкими с похожим набором функций.

В данной стали есть особенность - это трудная свариваемость. В связи с этим сталь 40х в процессе сварки подвергается нагреву до 300оС, а после нее - термической обработке. Кроме этой особенности, имеется склонность к отпускной способности, а еще флокеночувствиетльность.

Сталь 40х имеет следующие характеристики:

удлинение относительное - 13-17%;

ударная вязкость - до 800 кДж/кв. метр;

предел прочности - до 900 МПа. сталь 40:

предел выносливости достаточно высокий;

возможность проводить обработку способом резания, путем сваривания или под давлением;

стойкость к короблению и обезуглероживанию при термовоздействии

температура ковки: начала 1250, конца 800, сечения до 350 мм охлаждаются на воздухе.

интервале температур испытания 700…1200°С

склонна к отпускной хрупкости.

Для всех подобных материалов это самые важные свойства. Именно они позволяют применять сталь 40х в машиностроительной отрасли.

Очень часто эта сталь находит применение при изготовлении улучшаемых деталей, которые отличаются повышенной прочностью. Это такие изделия, как плунжеры, шпиндели, оси, валы, кольца, вал-шестерни, коленчатые и кулачковые валы, болты, полуоси, рейки, втулки, губчатые венцы, оправки и другие нужные детали.

Сталь 40 широко применяется для изготовления метчиков, сверл, напильников. Как видите, это все инструменты, которыми приходится работать при небольшой скорости, а температура нагрева составляет не больше 2000 градусов. Эти изделия представляют собой прутки, у которых круговое поперечное сечение.


Таблица 1. Химический состав материала сталь 40Х (в%)

С

Si

Mn

Ni

S

P

Cr

Cu

0,36-0,44

0,17-0,37

0,5-0,8

до 0,3

до 0,035

до 0,035

0,8-1,1

до 0,3

(C-углерод, Si-кремний, Mn-марганец, Ni-никель, S-сера, P-фосфор, Cr-хром, Cu-медь)

Механические свойства при Т=20oС материала сталь 40Х

Таблица 2.

Сортамент

Размер

Напр.

в

T

5

KCU

Термообр.

-

мм

-

МПа

МПа

%

%

кДж / м2

-

Диск

 

Танг.

570

320

17

35

400

 

Пруток

Ж 28 - 55

Прод.

940

800

13

55

850

 

Пруток

Ж 25

 

980

785

10

45

590

Закалка 860oC, масло, Отпуск 500oC, вода,


Таблица 3

Твердость материала сталь 40Х после отжига,

HB 10 -1 = 217 МПа


1.3 Анализ технологичности конструкции детали

Основные задачи, решаемые при анализе технологичности конструкции обрабатываемой детали, сводятся к возможности уменьшения трудоемкости и материалоемкости, возможности обработки детали высокопроизводительными методами. Оценка технологичности производиться по количественному и качественному критериям.

Качественная оценка

1. Деталь «Ось ролика» небольшого размера. Габаритные размеры детали 63ХØ32. Форма детали не сложная. Имеется 2 ступени.

. Деталь жесткая, потому что отношение l/d= 63/32= 1,97 < 10

. Внешние поверхности детали можно обработать контурным резцом.
Торцы можно подрезать универсальными резцами.

. Наиболее ответственные поверхности имеют 6 квалитет точности и параметры шероховатости Ra 0,80.

Количественная оценка

Количественная оценка:

Количественная оценка производиться по коэффициенту унификации:

,

где - число конструктивных элементов детали с унифицированными размерами;

- общее число конструктивных элементов детали (наружные и внутренние поверхности, торцы, уступы, фаски, галтели, зубья, шлицы, шпоночные пазы, резьбы и т.п.)

Kу = =1

Kу > 0.6 следовательно, деталь считается технологичной.

Количественная оценка по коэффициенту точности(Кт):


где Tcp-среднее значение квалитета всей поверхности

Ti-квалитет точности обрабатываемой поверхности

ni - количество поверхностей

Тср=11,5

Кт=1-=1-0,87=0,9130,9

Кт>0.8 следовательно деталь считается технологичной.

Количественная оценка по коэффициенту шероховатости(Кш):


где Racp - средний коэффициент шероховатости всей поверхности

Rai - шероховатость поверхности

ni - количество поверхностей

Racp==5,15

Кш== =0,19

Кш 0,2 следовательно деталь является технологичной.

Квалитеты точности большинства размеров не превышают 12-ого, для обработки детали не требуется доводочных операций, следовательно деталь по точности и шероховатости является технологичной.

При обработки детали требуются доводочные операции т.к. шероховатость поверхности Ra 0,80 мкм.

2. Технологический раздел

.1 Определение годовой программы выпуска

На этапе проектирования технологического процесса зная тип производства программу выпуска можно определить ориентировочно. При этом можно руководствоваться данными таблицы 4.

Таблица 4. Количество изготавливаемых в год деталей одного наименования и типоразмера для разных производств, шт.

Тип производства

Крупные изделия машиностроения (l> 500 мм)

Изделия средних размеров (100l500 мм)

Мелкие изделия (l100 мм)

Единичное

<5

<10

<100

Мелкосерийное

5…100

10…200

100…500

Среднесерийное

100…300

200…500

500…5000

Крупносерийное

300…1000

500…5000

5000…50000

Массовое

>1000

>5000

>50000


Примем годовую программу выпуска детали «Ось ролика» равной 1000.

Среднесерийное производство характеризуется тем, что за каждым рабочим местом закреплено от 11 до 20 операций [ГОСТ 3,1108-74].

Характерно широкое использование станков с ЧПУ, связанных транспортными устройствами и управляемые то ЭВМ.

Среднесерийное производство является наиболее распространенным типом производства. На машиностроительных предприятиях среднесерийного типа производства изготовляется достаточно большая номенклатура изделий, хотя и более ограниченная, чем в единичном производстве.

Другим признаком среднесерийного производства является повторяемость выпуска изделий. Это позволяет организовать выпуск продукции более или менее ритмично. Выпуск изделий в больших или относительно больших количествах позволяет производить значительную унификацию выпускаемых изделий и технологических процессов; изготовлять стандартные или нормализованные детали, входящие в конструктивные ряды, большими партиями, что уменьшает их себестоимость. Относительно большие размеры программ выпуска однотипных изделий, стабильность конструкции, унификация деталей позволяют использовать для их изготовления наряду с универсальным специальное высокопроизводительное оборудование и специальную оснастку.

Поскольку в среднесерийном производстве выпуск изделий повторяется, экономически целесообразно разрабатывать технологические техпроцессы обработки и сборки детально; устанавливать режимы обработки, точные названия станков и специальной оснастки и технические нормы времени.

Организация труда в среднесерийном производстве отличается высокой специализацией. За каждым рабочим местом закрепляется выполнение нескольких определенных деталей, операций. Это позволяет рабочему хорошо освоить инструмент, приспособления и весь процесс обработки; приобрести навыки и усовершенствовать приемы обработки.

Так как в среднесерийном производстве применяется большое количество сложного оборудования и специальной оснастки, наладка оборудования осуществляется специальными рабочими - наладчиками.

Особенности среднесерийного производства обуславливают целесообразность выпуска продукции по циклически повторяющемуся графику. При этом возникают необходимые условия для установления строгого порядка чередования изделий в цехах, на производственных участка и рабочих местах.

Технологическая оснастка в основном универсальная. Большое распространение получили универсальные сборные переналаживаемые приспособления, позволяющие существенно повысить коэффициент оснащенности производства. Режущий инструмент: в основном стандартный, реже - специальный.

Мерительный инструмент: в основном специальный, реже - стандартный. Техническое нормирование работ ведется с помощью расчета. Технологическая документация подробно разрабатывается для наиболее сложных и ответственных заготовок при одновременном применении упрощенной документации для простых заготовок. В качестве заготовок используется горячий и холодный прокат, литье, поковки и штамповки. Требуемая точность достигается методами автоматического получения размеров, реже - пробными проходами.

2.2 Выбор вида и метода полученной заготовки

При выборе заготовки для заданной детали назначают метод ее получения

Определяют конфигурацию, размеры, допуски, припуски и обработку, формируют технические условия на изготовление. Главным при выборе заготовки является обеспечение заданного качества готовой детали при ее минимальной себестоимости.

В качестве заготовок для стальных валов диаметром 32 мм при единичном и мелкосерийном производстве используется круглый прокат в условиях среднесерийного и выше масштабах производства-штамповки.

При больших диаметральных размерах (d>150 мм) стальные валы изготавливают из поковок. Только в исключительных случаях для коленчатых валов, валов с большими фланцами и продольными отверстиями применяются литые заготовки из стали или высокопрочных чугунов.

Заготовки, полученные свободной ковкой, называют кованными поковками, а изготовленные объемной штамповкой - штампованными поковками или штамповками.

Поковки характеризуются сравнительно грубым приближением к форме готовой детали и требуют больших затрат на последующую механическую обработку. Для большого приближения формы заготовки к форме готовой детали в крупносерийном производстве применяют штамповки.

Сравним два метода получения заготовки для детали «Ось ролика»

(прокат и штамповку) и выберем более экономичный вариант.

1. Заготовку, полученную методом проката.

Диаметр проката 36 мм. Квалитет точности заготовки 14. Качество поверхности проката 100 мкм. От прутка проката отрезается заготовка длиной 67 мм.

Масса заготовки определяется по формуле:

mзаг=V*P= 0,476 кг

где mзаг - масса заготовки, кг;

P = плотность материала заготовки, кг/м3;

где: V = р *r2* h = 3,14*172*67=60830,7 мм3

где V-объем заготовки, кг;

r-радиус заготовки, м3;

h - длина заготовки, м.

Сталь 40Х 1 кг = 32 руб.

Отходы 1 кг = 12 руб.

S - цена 1 кг материала заготовки (руб.);

q - масса готовой детали (кг);

Soтх - цена 1 кг отходов (руб.)

A= mзаг *S=0,476* 32=15,23 руб.

Коэффициент весовой точности для проката Квт=0,4

mдет= mзаг* Квт=0,476*0,4=0,190 кг.

А = mзаг *S - (mзаг - mдет) *Soтх=0,476*32 - (0,476-0,190)*12= 11,8 руб.

Коэффициент использования материала определяется по следующей формуле:

К= m(дет)/ m (заг)=0,214/0,476=0,4.

где К-коэффициент использования материала

m(заг) - масса заготовки, кг;

m(дет) - масса детали, кг;

. Заготовка, полученная методом штамповки.

По ГОСТ 7505-89 материал поковки - сталь 40Х - относится к группе М2 (стали с массовой долей углерода свыше 0.35% и до 0.65% или массовой долей легирующих элементов свыше 2% до 5%); конфигурация заготовки соответствует поковке степени сложности С2 (поковка при 3-х переходах); класс точности - Т4 (поковки, получаемые в закрытых штампах на кривошипных горячештамповочных прессах).

Ориентировочную величину расчетной массы поковки (Мп.р) допускается вычислить по формуле

Мп.р = Мд * Кр = 0,190*1,5=0,321 кг

где Мп.р - расчетная масса поковки, кг

Мд - масса детали, кг

Кр - расчетный коэффициент (Кр=1.3….1.6)

Для сочетания Мп=0,321 кг с М2, С2, Т4 исходный индекс 12.

м = v*с; v = р*r2*h;

мзаг.=0,313 кг

Считаем себестоимость заготовки поковка по формуле:

Sзаг=(Сi*Q/1000*Kc*Kм*Knк) - (Q-q)*Sотх =(49000*0,313)/1000*(1,2*1*0,1*1,2) - (0,313-0,190)*16=20,2 руб.

Где Сi - базовая стоимость 1т заготовок, руб.

Kк-коэффициент, значение которого зависит от качества стали

Kc - коэффициент, значение которого зависит от группы сложности

Kм - коэффициент, значение которого зависит от массы литья

Kn - коэффициент, значение которого зависит от типа производства.

Выбираем заготовку из проката, т.к. она обойдется дешевле

2.3 Разработка маршрутной технологии изготовления детали

Возможности обработки по получению качества отдельных поверхностей детали представлены в таблице 5.

Таблица 5.

Наименование поверхности

Допуск на размер(квалитет) мкм

Ra, мкм

Маршрут обработки поверхности

Достигаемые параметры обработки





Ra, мкм

Квалитет (степень точности)

Торцы 1 и 2

6

1,6

Предварительное обтачивание

6,3

14-12




Чистовое обтачивание Термическая обработка

2,5

11-10




Шлифование

1,6

6

Торец 2, наружная поверхность 4’, канавки 5

12

6,3

Обтачивание Термическая обработка

6,3

14-12

Наружная поверхность 4

6

0,80

Предварительное обтачивание

6,3

14-12




Чистовое обтачивание

2,5

11-10




Черновое шлифование

1,25

8




Чистовое шлифование

1

7




Тонкое шлифование

0,80

6

Отверстия 6,7,8,9,11

12

6,3

Сверление Термическая обработка

6,3

14-12

Нарезание резьбы 10

9

6,3

Нарезание резьбы метчиком

6,3

9

Лыски 12

12

6,3

Фрезерование

6,3

12


Маршрут технологии изготовления детали с указанием необходимого технологического оборудования представлен в таблице 6.

Таблица 6.

Наименование и содержание операции

Эских операции

Тип и модель станка

005 Токарно-винторезная операция с ЧПУ Точить торцы 1,2,3 Точить наружные цилиндрические поверхности заготовки 4 и 4’ Точить канавки 5 Сверлить отверстия 7,8,9 Нарезание резьбы 10 в отверстии 9

Токарно-винторезный станок 16К20


010 Сверлильно-фрезерно-расточная операция Фрезеровать лыски 12 Сверлить отверстия 6,11

Вертикальный сверлильно-фрезерно-расточной станок2254ВМФ4


015 Термическая обработка Закалить деталь

Закалка стали

Муфельная печь

020Моечная Обезжирить деталь


Ванна моечная

025 Круглолифовальная операция Шлифовать торцы 1,3 И наружную цилиндрическую поверхность 4

Станок М1420


030Моечная Обезжирить деталь

Обезжирить деталь

Ванная моечная

035 Контрольная Проверить на соответствие заданным параметрам

Проверить на соответствие заданным параметрам

Контрольная плита. Набор калибров

Токарно-винторезная операция с ЧПУ

Станок 16К20Ф3

Установ А Переход 1: Точить торец 1 диаметром 36 мм

010 Сверлильно-фрезерно-расточная

Станок сверлильно-фрезерно-расточной 2254ВМФ4

Установ А Переход 1: Сверлить отверстие 11 диаметром 2 мм и глубиной 31 мм.

Инструмент: Сверло 2301-3551 ГОСТ 10903-77

Приспособление: трехкулачковый патрон с выточками глубиной 3 мм ГОСТ 2675-80

Измерительный инструмент: Штангенциркуль ШЦЦ 125-0,05 ГОСТ 166-89

Инструмент: Сверло 2301-3551 ГОСТ 10903-77

Приспособление: трехкулачковый патрон с выточками глубиной 3 мм ГОСТ 2675-80

Измерительный инструмент: Штангенциркуль ШЦЦ 125-0,05 ГОСТ 166-89

Установ Б Переход 3: Свертилить отверстия 6 диаметром 2 мм

Инструмент: Сверло 2301-3551 ГОСТ 10903-77

Приспособление: трехкулачковый патрон с выточками глубиной 3 мм ГОСТ 2675-80

Измерительный инструмент: Штангенциркуль ШЦЦ 125-0,05 ГОСТ 166-89

Установ В Переход 4: Фрезеровать лыски 12 до размера 27 мм

Инструмент: Концевая фреза 2223-2684 ГОСТ 23248-78

Приспособление: трехкулачковый патрон с выточками глубиной 3 мм ГОСТ 2675-80

Измерительный инструмент: Штангенциркуль ШЦЦ 125-0,05 ГОСТ 166-89

015 Термическая обработка

Моечная операция

Круглошлифовальная

Универсальный круглошлифовальный станок M1420

Установ А Переход 1: Шлифовать торец 3

Инструмент: Круг шлифовальный ГОСТ 2424-83

Приспособления: Трехкулачковый патрон

Измерительный инструмент: Штангенциркуль ШЦЦ 102-125 ГОСТ 166-89

Переход 2: Шлифовать торец 1

Инструмент: Круг шлифовальный ГОСТ 2424-83

Приспособления: Трехкулачковый патрон

Измерительный инструмент: Штангенциркуль ШЦЦ 102-125 ГОСТ 166-89

Переход 3-5: Шлифовать поверхность до диамера 25 мм



Инструмент: Круг шлифовальный ГОСТ 2424-83

Приспособления: Трехкулачковый патрон

Измерительный инструмент: Штангенциркуль ШЦЦ 102-125 ГОСТ 166-89

030 Моечная

Контрольная

Краткая техническая характеристика используемого оборудования

Станок 16К20Ф3 предназначен для токарной обработки в автоматическом режиме наружных и внутренних поверхностей деталей типа тел вращения со ступенчатым и криволинейным профилем различной сложности по заранее составленной управляющей программе. Обработка происходит в один или несколько проходов в замкнутом автоматическом цикле. Установка заготовок осуществляется в патроне, а длинных - в центрах. Область применения станка: мелкосерийное и серийное производство.

Конструкция

Станок 16К20Ф3 разработан на базе универсального станка и имеет традиционную компоновку. Основание представляет собою монолитную отливку. Станина - коробчатой формы с поперечными ребрами. Направляющие станины термообработанные, шлифованные. Каретка суппорта с поворотным резцедержателем перемещается по передней призматической и плоской задней направляющим. Задняя бабка так же перемещается по передней плоской и задней призматической направляющим. Автоматическая коробка скоростей сообщает шпиндельной бабке девять скоростей, которые переключаются в цикле обработки за счет включения электромагнитных муфт. Инструмент получает движение подачи от приводов продольных и поперечных подач.

Токарный станок 16К20Ф3 оснащается различными системами ЧПУ. Модификации станка в зависимости от комплектации устройством ЧПУ имеют разные индексы (например, 16К20Ф3С32). Контурная система ЧПУ обеспечивает движение формообразования, изменение в цикле обработки значений подач и частот вращения шпинделя, индексацию поворотного резцедержателя, нарезание резьбы по программе. Число одновременно управляемых координат - 2, всего управляемых координат - 2. Дискретность задания поперечных перемещений подачи (по оси Х) - 0,005 мм, продольных перемещений (по оси Z) - 0,01 мм. Станок 16К20Ф3 с устройством ЧПУ 2Р22 оснащен главным приводом КЕМРОН и приводом подач КЕМТОК по оси Z и X.

Обозназначение

Буквенно-цифирный индекс станка 16К20Ф3 обозначает следующее: цифра 1 - это токарный станок; цифра 6 - обозначает токарно-винторезный станок, буква К - поколение станка, цифра 20 - высота центров (200 мм). Наличие «Ф3» в конце индекса говорит о наличии ЧПУ - числового программного управления.

Технические характеристики

Параметры

Диаметр обработки над станиной, мм

500

Диаметр обработки над суппортом, мм

200

Наибольшая длина обработки, 6-позиционная головка, мм

900

Наибольшая длина обработки, 8-позиционная головка, мм

750

Наибольшая длина обработки, 12-позиционная головка, мм

850

Наибольшая длина обработки в центрах, мм

1000

Диаметр цилиндрического отверстия в шпинделе, мм

55

Наибольший поперечный ход суппорта, мм

210

Наибольший продольный ход суппорта, мм

905

Максимальная рекомендуемая скорость продольной рабочей подачи, мм

2000

Максимальная рекомендуемая скорость поперечной рабочей подачи, мм

1000

Количество управляемых координат, шт.

2

Количество одновременно управляемых координат, шт.

2

Дискретность задания перемещения, мм

0,001

Пределы частот вращения шпинделя, мин-1

20 - 2500

Скорость быстрых перемещений суппорта - поперечного, мм/мин

2 400

Максимальная скорость быстрых продольных перемещений, мм/мин

15000

Максимальная скорость быстрых поперечных перемещений, мм/мин

7500

Количество позиций инструментальной головки

8

Мощность электродвигателя главного движения, кВт

11

Класс точности по ГОСТ 8-82

П

Габаритные размеры станка (Д х Ш х В), мм

3700 × 2260 × 1650

Масса станка, кг

4000


2. 2254ВМФ4 - Станок многоцелевой сверлильно-фрезерно-расточной вертикальный

Станок предназначен для выполнения сверлильных, фрезерных и расточных операций при обработке плоских сторон деталей средних размеров.

На станке могут быть обработаны изделия из чугуна, стали, легких сплавов, цветных металлов, пластмасс и др.

Станок производит черновое и чистовое фрезерование плоскостей и криволинейных поверхностей, а также сверление, растачивание, зенкерование и развертывание точных отверстий, нарезание резьб метчиками и резцами

3. Универсальный шлифовальный станок М1420

Универсальный шлифовальный станок М1420 предназначен для шлифования внутренних, внешних и торцевых поверхностей изделий из чугуна, стали, цветных металлов и их сплавов. М1420 применяется для шлифования валов и втулок в серийном производстве на производственных участках, в лабораториях и исследовательских подразделениях, шлифования при точной подгонке деталей. Станок М1420 состоит из станины (корпуса), верхнего стола, нижнего стола, пиноли, передней бабки, крепления шлифовального круга, устройства для внутренней шлифовки, электрошкафа и пульта управления. При шлифовке наружных поверхностей деталь можно закрепить в центрах, либо зажата в патроне. При шлифовании внутренних поверхностей зажим детали можно производить только в патроне. Конусное отверстие пиноли Морзе №4 (Высокоточный конус Морзе №3 - опция)

Станина, рабочий стол.

Высота центров на станке составляет 125 мм, что позволяет устанавливать заготовки с внешним диаметром до 240 мм. Максимальное расстояние между центрами - 1080 мм. Конструкция станка позволяет шлифовать внутренние диаметры в диапазоне от 13 до 80 мм и с максимальной длинной обработки до 125 мм. Внутренние и внешние режимы шлифования переключаются специальным рычагом. Максимальная масса изделия установленного между центрами - 50 кг. Станок оснащается гидравлической системой управления подачей, что дает возможность производить циклическую обработку поверхностей с минимальными затратами вспомогательного и основного технологического времени. Есть возможность регулировки паузы в конце установленного хода, позволяя прошлифовывать выход шеек валов.

Шлифовальная головка.

В шлифовальную головку устанавливается шлифовальный круг с диаметром до 400 мм и шириной 32-50 мм для внешнего шлифования и 50 х 32 (наружный диаметр х ширина) для внутреннего. Горизонтальное перемещение осуществляется от маховичка и при помощи гидравлики. Поперечное перемещение Шлифовальной бабки производится от гидравлики и в ручном режиме от маховичка. В режиме микро подачи за один оборот маховичка шлифовальная бабка перемещается на 0,002 мм (Обычная точность). В шпиндельную бабку заливается масло низкой вязкости и во время вращения шпинделя оно нагнетается во втулки, выполняя роль гидростатического подшипника.

Подача СОЖ в зону резания с фильтрацией шлама в баке СОЖ

Операционное описание технологического процесса изготовления детали:

Расчет припусков

Припуск - слой металла, удаляемый с поверхности заготовки в целях достижения заданных качественных показателей обрабатываемых поверхностей детали.

Деталь - «Ось ролика», материал - сталь 40х ГОСТ 4543-71.

Элементарная поверхность для расчета припуска - Ø25к6 мм (квалитет 6). Результаты расчетов будут сводиться в таблицу 5.

Записываем маршрут обработки отверстия Ø25к6 мм:

Прокат (14 квалитет) - Rz = 160 мкм и h1= 250 мкм

Точение черновое (12 квалитет) - Rz =63 мкм и h1= 60 мкм

Точение чистовое (10 квалитет) - Rz = 32 мкм и h1 = 30 мкм

Шлифование черновое (8 квалитет) - Rz = 10 мкм и h1= 20 мкм

Шлифование чистовое (7 квалитет) - Rz = 6,3 мкм и h1= 12 мкм

Шлифование тонкое (6 квалитет) - Rz = 0,8 мкм и h1= 2 мкм

Таблица 7. Расчет припуска на обработку отверстия Ø25к6 мм детали «Ось ролика»

Маршрут обработки

Элементы припуска, мкм.

Расчетный

Допуск на промежуточные размеры, мкм

Принятые округленные размеры заготовки по переходам

Предельный припуск, мм


Rz

H

УEiПрипуск 2Zi, мкмМин. размер, мкмНаименьшийНаибольший2Zmax2Zmin 2Zmax









Прокат

160

250

560,8

-

-

25,86

520

26,375

25,855

-

-

Точение черновое

63

60

32,65

100

1942

25,36

210

25,545

25,355

0,83

0,52

Точение чистовое

32

30

1,3

80

513

25,13

184

25,209

25,125

0,34

0,21

Шлифование черновое

10

20

-

60

287

25,04

33

25,074

25,041

0,14

0,08

Шлифование чистовое

6,3

12

-

30

180

25

21

25,029

25,008

0,05

0,03

Шлифование тонкое

0,8

2

-

10

97

24,99

13

25

24,987

0,03

0,02


Маршрут обработки заносим в графу 1 таблицы 7. Данные для заполнения граф 2 и 3 берем из приложени [1] для проката. Данные для графы 5 взяты из приложения 15 [1]. Данные для графы 8 взяты из приложения 2 [1].

Минимальный припуск при обработке наружных поверхностей 2zmin определяем по формуле [1]:


где,

высота неровностей профиля по десяти точкам на предыдущем переходе,

hi-1 - глубина дефектного поверхностного слоя на предыдущем переходе,

суммарное отклонение расположения поверхностей на предыдущем переходе.

 - погрешность установки заготовки.

Произведем расчет отклонения штамповки при точении в трехкулачковом патроне по формуле [1]:



где

ДУk - суммарная погрешность кривизны,

Дц - погрешность установки.

Суммарную погрешность кривизны определим по формуле [1]:

ДУk = Дkl = 0,5*60 = 30 мкм

где Дk - удельная кривизна; l - длина кривизны, мм.

Погрешность установки определяем по формуле [1]:


где Т - поле допуска базирующей поверхности.

Величина ДУ:

Величину остаточных пространственных отклонений чернового точения определяем:

ДУi-1 = kyУ

где, kу - коэффициент уточнения (прил. 14 [1]).

ДУi-1 = 0,06*560,8 = 33,65 мкм

Величина остаточных пространственных отклонений чистового точения:

ДУi-1 = 0,04*33,65 = 1,3 мкм

Расчетные значения отклонений заносим в графу 4 таблицы 7.

Минимальный припуск на диаметральные размеры каждого перехода:

Точение черновое:

Точение чистовое:

Шлифование черновое:

Шлифование чистовое:

Шлифование тонкое:

Полученные значения минимального припуска 2Zmin заносим в графу 6 таблицы 7.

Далее заполним колонку 7 минимального размера (округленные числа до сотых) и колонку 10 наименьшего размера. Заполнение начинается с нижней строки. Предыдущие размеры получаются путем сложения максимального диаметра и припуска, снимаемого на данной операции.1=25 - 0,013 = 24,987 мм2=24,987+0,021 = 25,008 мм3=25,008+0,033=25,041 мм4=25,041+0,084=25,125 мм5=25,125+0,21 = 25,355 мм

d6=25,355+0,52=25,855 мм

В графу 8 таблицы 7 заносим допуски на промежуточные размеры, которые выбираются по приложению 2 [1, стр. 228].

Т1 = 520 мкм, Т2 = 210 мкм, Т3 = 84 мкм, Т4 = 33 мкм, Т5 = 21 мкм, Т6 = 13 мкм.

Определим наибольшие предельные размеры заготовки детали. Расчет наибольшего размера получаются путем сложения наименьшего диаметра и припуска, снимаемого на данной операции. Расчет производится по формуле:

di+1 = di + Zimin

dmin1=24,987+0,013=25

dmin2= 25,008+0,021=25,029

dmin3=25,041+0,033=25,074

dmin4=25,125+0,084=25,209

dmin5=25,355+0,21=25,545

dmin6=25,855+0,52=26,375

Полученные значения заносим в графу 9 таблицы 7.

Далее рассчитаем максимальный и минимальный припуск.

Для определения максимального припуска требуется найти разность между наибольшим принятым размером заготовки предыдущего перехода и наибольшим принятым размером заготовки на требуемом переходе. Таким же образом находится и минимальный припуск, только вместо наибольших размеров находят разницу наименьших.

Максимальный припуск (графа 11 таблицы 7):

zmax1 = dmax2 - dmax1

zmax1 = 26,375-25,545=0,83 мм

zmax2 = 25,545-25,209=0,34 мм

zmax3 =25,209-25,074=0,14 мм

zmax4 = 25,074-25,029=0,05 мм

zmax5 = 25,029-20,03 мм

Минимальный припуск (графа 12 таблицы 7):

2zmin1= dmin2 - dmin1

2zmin1 = 25,855-25,335=0,52 мм

zmin2 = 25,335-25,125=0,21 мм

zmin3 = 25,125-25,041=0,08 мм

zmin4 = 525,041-25,008=0,03 мм

zmin5 = 25,008-24,987=0,02 мм

После расчета максимального и минимального припуска необходимо выполнить проверку правильности расчетов. Проверка заключается в том, что разность между величиной поля допуска заготовки и поля допуска детали должна быть равна разности сумм min и max межоперационных припусков.

Общий наибольший припуск равен:

zmax= 0,83+0,34+0,14+0,05+0,03=1,39 мм

Общий наименьший припуск равен:

zmin= 0,52+0,21+0,08+0,03+0,02=0,86

Правильность расчета проверяем по уравнению:

Т1 - Т3= 2zmax - 2zmin

,52-0,013 = 1,39-0,86

,51=0,51

Расчет припуска на отверстие диаметром Ø25к6 мм выполнен правильно.

.4 Определение операционных размеров

Значения операционных размеров определяются с помощью размерно-точностного анализа [1] разработанного технологического процесса механической обработки.

Порядок размерного анализа процесса механической обработки:

. Для детали вычерчивают совмещенный эскиз исходной заготовки и готовой детали, на котором отражают промежуточные состояния заготовки.

Все поверхности заготовки и детали нумеруют по порядку, слева направо, и через них проводят вертикальные линии. Между этими линиями указывают размеры исходной заготовки В, готовой детали А, припуски Zn (индекс n указывает на номер поверхностей, к которым они относятся), а также технологические размеры S, получаемые в результате выполнения каждого технологического перехода. Размеры S указывают в виде направленных стрелок, при этом точка ставится на линии, соответствующей поверхности, которая используется в качестве технологической или настроечной базы. (Рис. 5)

. Выявление размерных цепей начинают с последней операции, т.е. двигаясь по размерной схеме снизу вверх. Вначале строят производный граф (рис. 6), где кружочками с цифрами внутри обозначаются обрабатываемые поверхности (в виде двойного кружочка обозначается поверхность заготовки, от которой начинается обработка) и в виде прямых линий - технологические размеры S.

. Потом строят исходный граф (рис. 7), на котором в виде дуг изображают размеры готовой детали и в виде ломанных линий - припуски на обработку (стрелка указывает, к какой поверхности относится припуск). Данный граф дополняют графом размеров заготовки (размеры заготовки изображают при этом двойными линиями) и получают совмещенный граф.

Любой замкнутый контур совмещенного графа образует размерную цепь. Замыкающим звеном у такой цепи является либо размер детали, либо припуск на обработку. Размерные цепи рекомендуется строить таким образом, чтобы припуски не входили в них в качестве составляющих звеньев. Любая технологическая размерная цепь имеет одно замыкающее звено и два (или более) составляющих звена [1].

Расчет размерных цепей

1.

А6=S2=63-0.3


.

S3=S2-A1=63-7=561min=S2min-S3max3max=S2min-A1min=62.7-6.85=55.853=TA1-TS2=0.15-0.3=-0.15

Ужесточаем допуск:2=0,1

S2=

3max=S2min-A1min=62.95-6.85=56.13min=S2max-A1max=63.05-7=56.05

TS3=56.1-56.05=0.05

S5=

3.

S4=S3-A2=56-21=352min=S3min-S4max4max=S3min-A2min=56.05-20.79=35.263=TA2-TS3=0.21-0.05=0.164min=S3max-A2max=56.1-21=35.1

4=35.26-35.1=0.16

S4=

.

5=S4-A3=35-21=143min=S4min-S5max5max=S4min-A3min=35.1-20.79=14.313=TA3-TS4=0.21-0.16=0.055min=S4max-A3max=35.26-21=14.26

5=14.31-14.26=0.05

S5=

5.

S6=A4=

6.

1=S2+z2=63+2=652min=S1min-S2max1min=S2max+z2min=63+2=652max=S1max-S2min2min=S1max-z2min1max=S2min+z2min=62.7+2=64.7

1=65-64,7=-0.3

Другой допуск на S1

TS1=0.2

S1=

1min=S1max-TS1=65,1-0.2=64.9


S1=65

2min=S1min-S2max=64.9-63=1.92max=S1max-S2min=65-62.7=2,32=2,3-1.9=0.4

Z2=

2.5 Расчет режимов резания

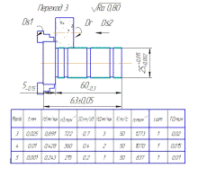
Токарно-винторезная с ЧПУ

Переход 2: Точить поверхность  выдерживая размер

Резец токарный проходной 2100-1894 ГОСТ 26611-85

Глубина резания: . [2]

Подача: .

Определяем величину скорости резания по формуле:


где

- период стойкость инструмента, мин;

- коэффициент, учитывающий условия резания;

- показатели степени;

- корректирующий коэффициент.

Принимаем , .

Корректирующий коэффициент определяем по формуле:

,

где

- коэффициент, учитывающий влияние физико-механических свойств обрабатываемого материала на скорость резания;

- коэффициент, учитывающий влияние состояния поверхности заготовки на скорость резания;

- коэффициент, учитывающий влияние инструментального материала на скорость резания;

- коэффициент, учитывающий главный угол в плане резца;


- предел прочности материала заготовки, МПа;

- показатель степени.

Выбираем , .

Таким образом,

Принимаем

Скорость резания:

Определяем частоту вращения заготовки:


Скорость подачи:

Определяем главную составляющую силы резания  по формуле:


где

- коэффициент и показатели степени в формуле силы резания;

- поправочный коэффициент на силу резания, учитывающий влияние различных факторов.

Принимаем

Поправочный коэффициент на силу резания, учитывающий влияние различных факторов определяем по формуле:


где

- поправочный коэффициент, учитывающий влияние качества обрабатываемого материала на силовые зависимости;

- коэффициенты, учитывающие влияние режущих параметров инструмента на силовые зависимости.

Поправочный коэффициент, учитывающий влияние качества обрабатываемого материала на силовые зависимости находим по формуле:




Принимаем

Определяем мощность, требуемую на резание по формуле:


Мощность, допускаемую кинематикой станка, определяем по формуле:


где

- КПД привода главного движения станка.

Для вывода об эффективности рассчитанных режимов на выбранном станке устанавливается коэффициент эффективности его использования по мощности:


где

- мощность электродвигателя привода главного движения станка.

Определяем основное (технологическое) время на переход по формуле:


где - длина обрабатываемой поверхности с учетом величин вреза и перебега резца, 65 мм;

- количество проходов.

Таким образом,

Переход 3: Точить поверхность  выдерживая размер

Резец токарный проходной 2100-1894 ГОСТ 26611-85

Глубина резания: .

Подача: .

Определяем величину скорости резания по формуле:


где

- период стойкость инструмента, мин;

- коэффициент, учитывающий условия резания;

- показатели степени;

- корректирующий коэффициент.

Принимаем , .

Корректирующий коэффициент определяем по формуле:

,

где

- коэффициент, учитывающий влияние физико-механических свойств обрабатываемого материала на скорость резания;

- коэффициент, учитывающий влияние состояния поверхности заготовки на скорость резания;

- коэффициент, учитывающий влияние инструментального материала на скорость резания;

- коэффициент, учитывающий главный угол в плане резца;


- предел прочности материала заготовки, МПа;

- показатель степени.

Выбираем , .

Таким образом,

Принимаем

Скорость резания:

Определяем частоту вращения заготовки:


Скорость подачи:

Определяем главную составляющую силы резания  по формуле:



2.6 Оформление технологической документации

Данная деталь «Ось ролика» изготавливается в условиях среднесерийного производства, следовательно, для описания технологического процесса будет использовано операционное описание. Оформление операционных карт выполняется в соответствии с ГОСТ 3.1404 - 86 и ГОСТ 3.1119 - 83.

Заключение

заготовка ось деталь

Для спроектированного технологического процесса обработки детали «Ось ролика» были использованы современные станки с ЧПУ, прогрессивный инструмент, материал для режущих инструментов, что приводит к повышению размерной и геометрической точности механической обработки.

Рассмотрены вопросы по анализу технологичности конструкции детали, определению типа производства, вида и метода получения заготовки, по разработке маршрутной технологии изготовления детали при изучении специальных дисциплин.


Список используемой литературы


1.   Технология машиностроения: Сборник задач и упражнений: Учеб. пособие/ В.И. Аверченков и др.; Под общ. ред. В.И. Аверченкова и Е.И. Польского. - 2 изд., перераб. и доп. - М: ИНФРА-М, 2006,-288с

2.      Справочник технолога - машиностроителя. В 2-х т. Т2./ Под ред. А.Г. Косиловой и Р.К. Мещерякова. - 4-е изд., перераб. И доп. - М.; Машиностроение, 1986 г. - 496 с.

.        Справочник технолога - машиностроителя. В 2-х т. Т1./ Под ред. А.Г. Косиловой и Р.К. Мещерякова. - 4-е изд., перераб. И доп. - М.; Машиностроение, 1986 г. - 656 с.

.        Режимы резания металлов. Справочник под редакцией Барановского Ю.В Издание 3-е, переработанное и дополненное - М., «Машиностроение», 1995 год-407 с.